开工前安全审核检查表
- 格式:pdf
- 大小:175.55 KB
- 文档页数:19
上海市水务建设工程开工安全检查表一、项目基本情况1. 项目名称:上海市水务建设工程2. 项目地点:上海市区3. 施工单位:上海市水务局4. 监理单位:上海市建设监理局5. 施工内容:建设新水厂设施二、开工前安全检查内容及意见1. 施工场地环境检查自查意见:施工场地周边环境整洁,无明显安全隐患。
但需进行排水系统迅速清理,以防大雨过后积水。
2. 施工设备检查自查意见:施工设备全部在良好状态,已做好防护措施。
设备使用人员已接受培训。
建议进行定期设备维护保养,并加强设备使用安全宣传。
3. 施工材料检查自查意见:所用施工材料质量合格,符合国家标准。
但需要加强材料堆放管理,避免出现交叉混杂现象。
4. 安全生产管理检查自查意见:已制定安全生产管理制度,并严格执行。
存在安全隐患已进行整改,并建立安全管理档案。
建议加强安全培训,加强施工现场安全管控。
5. 劳动保护检查自查意见:已配备完善的劳动防护用品,施工人员已接受岗前培训。
但需加强对劳动防护用品的使用和管理,确保施工人员的安全。
三、开工后安全整改意见1. 加强现场巡查,及时发现和处理施工现场安全隐患。
2. 增加施工现场安全宣传,提升施工人员安全意识。
3. 加强施工现场的管理,提高安全生产管理水平。
4. 配备专业安全人员,加强安全隐患的分析和整改。
四、其他安全管理意见1. 定期组织安全生产知识培训,提高施工人员的安全意识和应急处理能力。
2. 健全安全管理制度,建立安全奖惩机制,提高全员安全管理责任感。
3. 做好安全事故隐患的排查工作,及时进行整改,杜绝安全事故发生。
以上意见仅供参考,希望能够为项目的安全管理工作提供一些建设性的意见和建议。
同时希望相关部门和单位能够在项目的安全管理工作中给予高度重视,并积极落实改进措施,确保项目的安全生产工作稳步推进,达到预期的安全目标。
近年来,随着城市化进程的快速发展,上海市的水务建设工程也在不断增加。
作为大型基础设施建设工程,水务建设工程的安全管理问题备受关注。
项目名称:施工单位:
建筑施工安全生产检查表
检查人:检查日期:年月日
项目名称:施工单位:
建筑施工安全生产检查表
检查人:检查日期:年月日项目名称:施工单位:
建筑施工安全生产检查表
(基坑工程)
检查人:检查日期:年月日
项目名称:施工单位:
建筑施工安全生产检查表
(临时用电)
检查人:检查日期:年月日项目名称:施工单位:
建筑施工安全生产检查表
(安全防护)
检查人:检查日期:年月日
项目名称:施工单位:
建筑施工安全生产检查表
(消防工程)
检查人:检查日期:年月日。
开工前安全检查表开工前安全检查表项目工程名称:工程施工单位:总承包单位:分包单位:检查日期:参与检查人员:序号检查项目主要内容1 企业资质及企业安全生产许可证检查企业资质及安全生产许可证是否齐全2 安全管理人员是否与投标人员相符检查安全管理人员是否与投标人员相符3 项目经理安全资格证检查项目经理的安全资格证4 安全管理人员安全资格证检查安全管理人员的安全资格证5 项目经理是否到位检查项目经理是否到位6 安全监督专职安全管理人员是否到位组织与网是否设置安全经理检查安全监督专职安全管理人员是否到位,组织与网是否设置安全经理7 网络建设是否设置安全管理部门检查网络建设是否设置安全管理部门8 安全组织机构建立情况(组织机构、主要负责人及其职责)检查安全组织机构建立情况,包括组织机构、主要负责人及其职责9 专职安全管理人员的人数、工种及持证上岗情况检查专职安全管理人员的人数、工种及持证上岗情况10 特种作业人员的人数、工种及持证上岗情况检查特种作业人员的人数、工种及持证上岗情况11 机械设备到场情况(数量、外观检查)检查机械设备到场情况,包括数量、外观检查12 机械设备证件管理情况(备案、年检、机械设备手续、行车记录、维修保养记录)检查机械设备证件管理情况,包括备案、年检、机械设备手续、行车记录、维修保养记录13 准备机械设备性能检查(设备完好率、安全制动装置)检查机械设备的性能,包括设备完好率、安全制动装置14 特种设备是否符合国家规定高危作业是否进行审批检查特种设备是否符合国家规定高危作业是否进行审批15 HSE管理程序建立及上报情况检查HSE管理程序的建立及上报情况16 项目安全管理专项方案、应急预案编制计划及安全管理制及上报情况检查项目安全管理专项方案、应急预案编制计划及安全管理制及上报情况17 其他安全管理文件的编制及上报情况检查其他安全管理文件的编制及上报情况18 证件办理人员证件办理情况检查证件办理人员的证件办理情况19 设备证件办理情况检查设备证件办理情况20 安全投入计划(总体计划、年计划、月计划)检查安全投入计划,包括总体计划、年计划、月计划21 安全物资准备情况(个人劳保用品、安全用品、安全及文明施工标牌、应急物资等)检查安全物资准备情况,包括个人劳保用品、安全用品、安全及文明施工标牌、应急物资等22 高风险作业计划检查高风险作业计划23 安全专项方案编制计划检查安全专项方案编制计划24 三级安全教育开展状况检查三级安全教育开展状况25 工程管理人员安全责任与分工检查工程管理人员的安全责任与分工26 安全教育施工班组日常安全技术交底和合同安培训全条款培训检查安全教育施工班组日常安全技术交底和合同安培训全条款培训27 特殊工种安全教育检查特殊工种的安全教育28 应急救援教育培训检查应急救援教育培训29 安全措施是否到位、安全防护是否符合标准检查安全措施是否到位、安全防护是否符合标准30 现场临建安全及保建状况检查现场临建安全及保建状况31 场地是否围护、是否符合标准检查场地是否围护、是否符合标准32 施工场地排水检查施工场地排水33 厕所检查厕所34 建筑垃圾堆放场地是否明确检查建筑垃圾堆放场地是否明确35 “五牌一图” 检查“五牌一图”36 现场安全条件检查现场安全条件37 大门是否符合要求检查大门是否符合要求38 临建是否符合规划及要求检查临建是否符合规划及要求39 现场水、电管线安全状况检查现场水、电管线安全状况40 场地硬化是否符合要求检查场地硬化是否符合要求41 临时用电是否符合施工组织设计要求检查临时用电是否符合施工组织设计要求42 吸烟点、饮水点、休息设施配备情况检查吸烟点、饮水点、休息设施配备情况43 消防通道是否畅通检查消防通道是否畅通44 消防器材配备是否到位检查消防器材配备是否到位45 劳务工情况(人数、工种、合同)检查劳务工情况,包括人数、工种、合同46 劳务保险办理情况检查劳务保险办理情况47 与现场安全管理部门接口是否建立检查与现场安全管理部门接口是否建立48 安全协调与接口是否提交项目管理人员联系清单49 HSE管理体系资料建立及保存状况检查HSE管理体系资料建立及保存状况50 安全内业检查安全内业人员和设备安全台账的建立情况资料、安全技术交底记录以及个人防护厨师和卫生防特种作业人员的健康证明应该齐全。
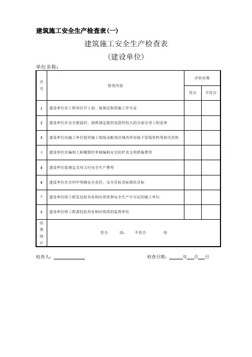
附件 1:建设工程施工质量安全检查表(一)受检工程基本状况表工程所在省(市、县):督查构组员签字:督查日期:建设工程施工质量安全检查表(二)工程建设强制性原则执行状况检查表项目名称:督查构组员签字:督查日期:建设工程施工质量安全检查表(三)工程建设有关责任主体和机构质量行为检查表项目名称:督查构组员签字:督查日期:建设工程施工质量安全检查表(四)建筑施工安全生产检查表(建设单位)单位名称:检查人:检查日期:年月日建设工程施工质量安全检查表(五)建筑施工安全生产检查表(监理单位)单位名称:检查人:检查日期:年月日建设工程施工质量安全检查表(六)单位名称:建筑施工安全生产检查表(施工单位)检查人:检查日期:年月日建设工程施工质量安全检查表(七)施工现场安全生产检查表(实体检查)项目名称:检查人:检查日期:年月日附件 2:大气污染防治专项整治大气污染防治专项整治检查表检查人:检查日期:年月日附件 3:扫黑除恶专项斗争内江市住建系统扫黑除恶检查表被检查单位(项目)负责人签字:检查构组员签字:附件 4:“创国卫”工作内江市创立国家卫生都市在建工地检查得分表附表-秋冬季蓝天保卫战攻坚行动专项检查表(一)(非道路移动源方面)市:检查日期:检查构组员(签字):-秋冬季蓝天保卫战攻坚行动专项检查表(二)(工地扬尘方面)市:检查日期:检查构组员(签字):-秋冬季蓝天保卫战攻坚行动专项检查表(三)(混凝土搅拌站扬尘方面)市:检査日期:检查构组员(签字):。
项目名称: [项目名称]检查日期: [检查日期]检查人: [检查人姓名]一、现场安全条件1.施工区域隔离:是否设置明显的围挡和警示标志,隔离非工作人员?o[ ] 是o[ ] 否1.紧急出口:紧急出口是否畅通,标识是否清晰?o[ ] 是o[ ] 否1.安全警告标志:危险区域是否设置安全警告标志?o[ ] 是o[ ] 否二、人员安全1.安全培训:所有施工人员是否已完成安全培训?o[ ] 是o[ ] 否1.个人防护装备:是否为所有人员配备并正确使用个人防护装备?o[ ] 是o[ ] 否1.急救设施:现场是否配备急救箱和急救人员?o[ ] 是o[ ] 否三、设备与工具1.机械设备:所有机械设备是否进行过维护和检查?o[ ] 是o[ ] 否1.工具安全性:手工具是否安全可靠,无损坏?o[ ] 是o[ ] 否1.电气设备:电气设备是否符合安全标准,无裸露线缆?o[ ] 是o[ ] 否四、材料管理1.材料堆放:材料堆放是否稳固,不阻碍通道?o[ ] 是o[ ] 否1.危险品处理:危险化学品是否按要求存储和标识?o[ ] 是o[ ] 否五、环境与健康1.空气质量:通风是否良好,无有害气体?o[ ] 是o[ ] 否1.噪音控制:是否采取措施控制噪音污染?o[ ] 是o[ ] 否1.现场卫生:厕所和休息区是否清洁?o[ ] 是o[ ] 否六、应急准备1.应急计划:是否制定了应急疏散和事故应对计划?o[ ] 是o[ ] 否1.消防设备:现场是否配备足够的消防设备,且处于可用状态?o[ ] 是o[ ] 否七、法规与许可1.施工许可:是否已获得所有必要的施工许可和审批?o[ ] 是o[ ] 否1.环境评估:是否进行过环境影响评估并符合要求?o[ ] 是o[ ] 否检查结论与建议●[ ] 所有项目均检查通过,可以开工。
●[ ] 存在问题,需在[具体日期]前完成整改。
检查人签字: [签字]项目经理确认: [签字]请根据实际情况填写检查表,确保所有安全措施到位,以保障项目顺利进行和人员安全。
建筑工程项目开工安全条件复核表范本项目名称:_______________________项目地点:_______________________负责部门:_______________________复核时间:_______________________一、工程前期准备阶段1.施工现场周边环境整治复核事项:周边道路交通状况是否畅通,是否存在堆放杂物、建筑垃圾等安全隐患。
2.临时设施设置复核事项:临时施工道路是否规划合理,施工用电、用水等设施是否符合相关标准。
3.现场安全警示标志设置复核事项:是否设置了工地入口、施工区域、临时流动作业区等明显的安全警示标志。
二、施工准备阶段1.工地人员合理配置复核事项:是否根据施工计划合理配置了施工现场人员,是否存在硬件设备、施工资料等不齐全的情况。
2.施工指导书的编制与审核复核事项:施工指导书是否编制完整,是否通过审核并上报相关部门。
3.施工单位安全生产责任制的建立复核事项:施工单位是否建立了完善的安全生产责任制,包括人员岗位责任、安全生产规章制度等。
三、施工阶段1.作业人员个人防护用品配备与使用情况复核事项:施工现场是否配备了必要的个人防护用品,并是否得到员工正确使用。
2.周边环境保护工作复核事项:施工现场是否采取了有效措施,防止施工废弃物、粉尘等对周边环境造成污染。
3.高处作业安全措施复核事项:高处作业是否设置了有效的安全警示标志,是否配备了必要的安全保护设施。
4.机械设备操作安全规程的落实复核事项:施工现场是否根据机械设备的操作手册进行操作,并是否存在违规作业的情况。
5.动火作业安全措施复核事项:动火作业是否符合相关标准,是否设置了专人监护,是否有有效的灭火设备。
6.临边防护措施复核事项:施工现场是否设置了必要的临边防护设施,是否有专人进行监护。
四、其他情况复核1.上级部门的检查及整改情况复核事项:根据上级部门的检查反馈,施工单位是否及时整改,并对整改情况进行复核。
监督登记号:蓬建安监1-2外建设工程开工安全生产条件审查表工程名称:平湖世纪名苑(三期B区)市政工程工程地点:平湖世纪名苑(三期B区)建设单位:监理单位:施工单位:浙江裕丰园林建设有限公司监督单位:年月日说明一、本册一式四份,建设单位、监理单位、施工单位、监督站(或建管所)各一份;二、本册在办理建设工程质量安全监督登记手续时与《建设工程质量安全监督登记表》一并提交,是办理监督登记的必要要件;三、本册P3~P10页的各项内容,由建设单位组织建设各方主体如实填写,并由建设单位或建设单位委托的监理单位对开工前的安全生产条件进行审查,审查通过后在《六、审查结论》签证盖章并报送监督站(或建管所)进行复查。
四、监督站(或建管所)对开工前的安全生产条件进行复查,对符合条件的签批《七、建设工程开工前安全生产条件复查表》,办理安全监督登记手续。
五、呈报时,一并呈交以下资料:相关的企业资质证书;相关人员的上岗证的复印件;特种作业人员一览表及上岗证复印件;各项安全生产管理制度;施工组织设计及安全专项方案(脚手架、井架、卸料平台、施工用电、桩基工程、基坑支护、模板工程、高支模等)本册中列出的各专项措施及证明材料;六、本表双面打印,可用电脑打印(签名除外)。
一、工程概况蓬建安监1-2-1外二、各责任主体施工安全管理架构及人员配置蓬建安监1-2-2外总承包单位(有无)分包单位(有无)注:1、本表“本人签名”栏中要求该人员亲笔签名,并作为施工方案编审、安全管理资料签证的对照资料;2、各责任主体的有关人员如未能在本表列出,可另行制表增补;3、当前施工阶段如有特种作业人员应另行编制特种作业人员名册表,列表内容应包括:姓名、工种、进场日期、证号、发证机关、有效期,并提供特种作业证复印件。
三、安全生产管理制度蓬建安监1-2-3外有无有无有无安全生产责任制度(含考核办法)有无有无有无有无有无有无消防管理制度(含临时动火管理)有无有无有无四、规划许可和安全专项措施(当前阶段)蓬建安监1-2-4外有无有方案无方案有方案无方案有方案 无方案施工图文件审查(通过无通过)有否存在不得使用挖孔桩的情况(有无)无采用人工挖孔桩工法有列表塔吊台、无列表施工电梯台、无此项钢井架台、龙门吊台、已投入使用的起重机械(有无)未经检测或检测不合格有方案无方案有演练记录无演练记录五、现场文明施工、安全防护和临时设施安全条件检查蓬建安监1-2-5外六、审查结论蓬建安监1-2-6外七、建设工程开工前安全生产条件复查表蓬建安监1-2-7。
开工前安全审核检查表1.总论内容是否不适用1.1 厂区的排水系统是否合适?1.2 变更控制中已确认的“必须在开工前完成” 的工作是否完成?1.3 为了防止打滑及绊倒,是否采取了适当的措施?1.4 为了防止绊倒,是否将一些废弃的物品(如支座)移开?1.5 设备如反应釜,阀门及管道是否用名称或号码标识?1.6 为了防止腐蚀,设备是否被适当的油漆或保护?1.7 是否有设备接地及静电预防措施?对工艺而言,这些措施是否适当?1.8 是否将安装作业剩余的如管道,螺母,螺栓,垫片等,作业工具如脚手架、焊机、切割机、仪器等移出工作场所?1.9 是否对工作场所进行了清场?1.10 所有使用中的气体钢瓶是否直立存放,并有适当的存放方法?1.11 设备、管路。
电线等布局是否合理?1.12 是否有与工艺有关的具体的安全问题?是否适当的解决了这些问题?1.13 对于新的设施或工艺,是否培训所有参与的操作工及维护人员?1.14 根据将要进行的生产活动的类型,是否有充足的照明?1.15 新设备是否包括在工厂的安全检查计划中?1.16 是否完成了设施的机械防护?1.17 设备及辅助结构是否适合预期使用目的?是否按政府法规进行安装?1.18 设备的安装是否符合设计标准及公司有关规定?1.19 在完成PHA前,是否确定了关键行动?小结:PSSR小组成员:年月日2.工业卫生内容是否不适用2.1 为了确保受噪音影响的员工处于小于时间加权平均数为85 dBA的环境中,是否进行噪音水平评估?2.2 是否贴上了合适的警示标志(噪音,小心路滑,有毒,化学品,高温等)?2.3 为符合职业暴露限值,是否按规定进行工程控制?2.4 是否对新工艺及设施进行定性的化学暴露风险评估?2.5 新引进化学品是否进行评价?2.6 工作区域是否恰当的贴有PPE要求的标志?2.7 如果需要防护设备,是否适合这项工作,是否状况良好,是否能适当存放?2.8 是否有适当的方法来处理或净化PPE?2.9 是否按要求设置人员保护隔离?小结:PSSR小组成员:年月日3.消防与安全设施内容是否不适用3.1 灭火器是否易取用?类型是否适当?3.2 是否能清楚的看到灭火器放置点?3.3 灭火器标签是否是最新的?保险销是否完整?3.4 消防水龙带是否贯穿整个区域?3.5 消防栓是否位于设施的边缘?3.6 新的消防水管是否进行水压测试,最近是否使用?3.7 可否运行所有的火警警报系统?3.8 是否安装消防洒水装置或火灾抑制系统,是否能运行?3.9 在环境噪声水平上是否能听到所有的声音警报?3.10 所有可见警报器功能是否正常?3.11 车间是否有一定数量的安全淋浴设备及洗眼器?他们是否经过适当的确认?3.12 安全淋浴设备及洗眼器是否处于良好的工作状态?3.13 是不是可以无障碍的使用所有安全淋浴设备及洗眼器?3.14 是否张贴合适的警示标志,如噪音,使用有害物质等?3.15 是否对洒水及集水系统进行测试,是否能运行?如果该系统在测试中不能用,是否通知下次测试?小结:PSSR小组成员:年月日4.管道及辅助管道内容是否不适用4.1 为防止外部腐蚀,管道是否被适当的保护?4.2 是否使用绝热保护,防止员工被热灼伤?4.3 需要移动管道时,管支架的连接是否安全?4.4 阀门是否能适当的调整以防止阻塞及能适当的使用?4.5 是否有法兰螺栓,他们是否足够长(最少要为螺母的3个线程)?4.6 螺母及螺栓的材料是否适合工作需要?4.7 是否避免不必要的排水沟及排气管?4.8 是不是所有的排水阀,排气阀都配备栓塞,盖子,或盲板法兰?4.9 所有管道是否都进行过检漏清洗?4.10 所有小的管接头(可能会处于振动境况中)是否都有角撑板来提供适当的强度?4.11 取样点是否易操作?是否在合适的位置?4.12 蒸汽伴管是否被捕集及隔热?4.13 管道都能适当的支持设备吗?在没有制定管道压力的情况下,维护时能移走吗?4.14 是否所有管道都贴有标签(管道内容物)?小结:PSSR小组成员:年月日5.容器及冷凝器内容是否不适用5.1 为了保护人员,是否对一些极高温度及极低温度的容器或管道安装绝缘层?5.2 在启动中,是否有一个高点通风口来排放空气及一个低点排水口来移出液体及气体?5.3 是否有充分的方法来维护和移动交换器及加热/冷却盘管?5.4 是否按要求进行压力测试?5.5 是否进行水压测试?5.6 压力容器是否向政府有关部门登记过?小结:PSSR小组成员:年月日6.压力释放装置内容是否不适用6.1 安全阀门是否标识了安全阀的编号,设定压力及检测日期?6.2 是否对已有的安全阀进行检查以确保其运行?6.3 安全阀是否合理安装以便于维护或检查标牌及封印?6.4 在移动压力释放装置之前,是否安装排水阀及排气阀来减压?6.5 安全阀排气阀是否有排泄孔可以移出水或液体的聚集物?6.6 压力释放阀及安全阀是否安装在泄压时不会影响其他设备或人员的地方?6.7 是否纳入压力释放阀及安全阀的清单?6.8 放气管是否被适当的保护以避免阻塞,防止异物进入?小结:PSSR小组成员:年月日7.电气内容是否不适用7.1 是否支持导管?7.2 是否支持电气设备,如照明器材等?7.3 局部开关(包括互锁)是否有适当的标识及“开/关”标志?7.4 在监控中心是否能识别出断路开关?7.5 是否提供应急照明并运作(包括出口标志)?7.6 是否对所有的电气设备接地,进行连续性检查,并将记录放在设备档案里?7.7 已制定的电气分类是否符合要求(密封导管及导管盖子,发动机铭牌上显示电动机分类)?7.8 永久设备是否用适当的电缆连接?7.9 自动控制及隔离阀是否适当的编号,标记及贴标签?7.10 在紧急情况下,是否无需使人员暴露在危险环境中就能将所有的电气控制设备激活?7.11 所有的警示灯是否可运行及贴上适当的标签?7.12 是否完成电气规格表?7.13 能够防止控制器被意外激活吗?7.14 所有供电线路是否与整个电路隔开?7.15 是否移除所有临时电线?7.16 所有的开关及电源输出口是否清楚的贴上带有电路断路器及配电盘号码的标签?7.17 电伴热状态是否完好?小结:PSSR小组成员:年月日8.仪表装置内容是否不适用8.1 所有仪器是否有适当的通道以便进行必要的维护?8.2 为了维修,仪器上是否安装排水阀及减压阀?8.3 是否所有阀门(包括控制阀)都被适当的标识及张贴清楚的标签?8.4 开关,发送器及仪器控制器是否被标识并贴上标签?8.5 是否有适当的仪表管线及工艺管道?8.6 所有的工艺温度测量仪是否有规定的温度计套管?8.7 检查所有的仪器是否有自动防故障装置?8.8 校验与维护规程中是否有适当的仪器隔离方法?8.9 设备是否适当接地?小结:PSSR小组成员:年月日9.建筑设施内容是否不适用9.1 是否防火或能否适当的防水?9.2 是否有适当的排水系统来防止腐蚀及液体聚集,但是又被设计的不会流到下面作业的工人身上?9.3 管道容器的地面开口(金属板,格子或平板)是否被遮盖起来以使人不能走进开口?9.4 在梯级的背面与最近的物体之间是否至少有200mm的焊边间隙?9.5 通向逃生梯的所有入口是否张贴适当的标志?9.6 是否扶手及梯栏杆均不会意外伤手?9.7 是否有涂层或其它保护来防止腐蚀?9.8 是否所有的建筑阻碍物被适当的标识来提醒车辆及行人交通?9.9 所有的阶梯是否都有扶手?9.10 平台是否都安装了护栏?9.11 是否采取必要的措施防止物体从平台上坠落?小结:PSSR小组成员:年月日10.工业废水内容是否不适用10.1 自由排放的水是否经冲洗及检查?10.2 排放的水是否流向预期排放点?10.3 排水管是否有标签?10.4 污水池人孔盖的强度是否适当,安装是否适当能防止过多的蒸汽泄露?10.5 污水排放管及沟盖板强度是否适当?10.6 是否有排水管及沟盖板?10.7 清除了障碍物的管路是否检查其流通能力?10.8 是否有地下管道图,可以用来更新平面布局图?10.9 屋顶排水是否直接排到雨水系统?小结:PSSR小组成员:年月日11.冷却系统内容是否不适用11.1 冷却塔的阶梯是否稳定牢固?11.2 冷却塔盖板是否有物滑动,绊倒及坠落的危害?11.3 冷却塔的风机是否不会产生过多的振动?11.4 能否安全操作及维护冷却塔的风机组件?11.5 能否安全的操作及维护水及化学品注入设备?11.6 冷却塔是否能适当的控制水池的水位?11.7 为了安全操作,低温冷却系统是否有适当的控制及警报?11.8 为了安全操作及维护,乙醇冷却系统设备是否安装适当?小结:PSSR小组成员:年月日12.机械危害内容是否不适用12.1 是否按照要求对所有操作点进行安全保护?12.2 是否使操作工的手,指甲及身体远离危险区?12.3 为了彻底消除操作点的危害,是否对机械进行变更?12.4 设备上是否有未防护的齿轮,链齿轮,滑轮及飞轮等?12.5 是否有暴露的皮带或链转动装置?12.6 是否有暴露的固定螺钉,键槽及辊环等?12.7 启动及停止控制是否很容易够到,并贴上清楚的标签?12.8 当操作工暴露在机器的危险区时,是否有安全措施(如互锁)来防止机器启动?12.9 是否采取适当的措施来使工人免受噪音危害?12.10 是否提供防护,围护,或个人防护设备来保护工人使其远离机械操作中的有害物质?12.11 紧急停机按钮是否很容易够到,并被清楚的标识?小结:PSSR小组成员:年月日13.机械维护和维修内容是否不适用13.1 维护工人是否收到他们要维护的机械或设备的最新指令?13.2 在开始维修前,维护工人能否锁定机械的所有动力源(如电源,气源,液压,水源等)?13.3 是否有充分的通路进行维护和维修?13.4 适用时,是否有具体的机械上锁规程?小结:PSSR小组成员:年月日14.人体工程学内容是否不适用14.1在工作区中,操作工的实际位置是否存在危害?14.2步行路面及操作台是否存在如滑到或绊倒的危害?14.3是否有可以造成危害的物理障碍,围栏,顶部障碍物?14.4使用的动力是否会造成危害(起重及使用辅助机械)?14.5是否有可造成危害的重复运动?14.6是否有造成危害的姿势(人体力学,伸开)?14.7设备的定位(屏幕,键盘,输送带,起重机等)是否可以造成危害?14.8是否有可以造成危害的辅助设备?14.9是否识别起重或绊跌的危害,并进行处理?小结:PSSR小组成员:年月日15.进出通道15.1 所有逃生路线是否都给出了区域?15.2 通往所有平台及梯台的出口宽度是不是大于600mm,并适合于预定目的?15.3 是否清楚标明出口及安装照明设施?15.4 梯子高度与地面的距离是否不超过6m?15.5 是否清除了通道内的管道,阀门及门环(垂直间隙小于2.2m)或绊倒的危害?15.6 通道内是否没有碎屑,建筑材料,软管等?15.7 楼梯,梯子及通道下面的区域是否没有易燃物料?15.8 应急门处是否有标识?小结:PSSR小组成员:年月日PSSR 危急缺陷整改措施计划表项目名称:PSSR日期:检查项序号整改措施内容完成时间责任人PSSR非危急缺陷整改措施计划表项目名称:PSSR日期:检查项序号整改措施内容完成时间责任人PSSR 完成表项目名称:PSSR日期:PSSR组长检查项PSSR小组成员检查项已确认的危急缺陷总数:已整改的危急缺陷总数:非危急缺陷总数:注:按危急缺陷的优先次序进行整改措施,直到所有危急缺陷都得到整改。