开工安全检查表
- 格式:docx
- 大小:14.36 KB
- 文档页数:1
上海市水务建设工程开工安全检查表一、项目基本情况1. 项目名称:上海市水务建设工程2. 项目地点:上海市区3. 施工单位:上海市水务局4. 监理单位:上海市建设监理局5. 施工内容:建设新水厂设施二、开工前安全检查内容及意见1. 施工场地环境检查自查意见:施工场地周边环境整洁,无明显安全隐患。
但需进行排水系统迅速清理,以防大雨过后积水。
2. 施工设备检查自查意见:施工设备全部在良好状态,已做好防护措施。
设备使用人员已接受培训。
建议进行定期设备维护保养,并加强设备使用安全宣传。
3. 施工材料检查自查意见:所用施工材料质量合格,符合国家标准。
但需要加强材料堆放管理,避免出现交叉混杂现象。
4. 安全生产管理检查自查意见:已制定安全生产管理制度,并严格执行。
存在安全隐患已进行整改,并建立安全管理档案。
建议加强安全培训,加强施工现场安全管控。
5. 劳动保护检查自查意见:已配备完善的劳动防护用品,施工人员已接受岗前培训。
但需加强对劳动防护用品的使用和管理,确保施工人员的安全。
三、开工后安全整改意见1. 加强现场巡查,及时发现和处理施工现场安全隐患。
2. 增加施工现场安全宣传,提升施工人员安全意识。
3. 加强施工现场的管理,提高安全生产管理水平。
4. 配备专业安全人员,加强安全隐患的分析和整改。
四、其他安全管理意见1. 定期组织安全生产知识培训,提高施工人员的安全意识和应急处理能力。
2. 健全安全管理制度,建立安全奖惩机制,提高全员安全管理责任感。
3. 做好安全事故隐患的排查工作,及时进行整改,杜绝安全事故发生。
以上意见仅供参考,希望能够为项目的安全管理工作提供一些建设性的意见和建议。
同时希望相关部门和单位能够在项目的安全管理工作中给予高度重视,并积极落实改进措施,确保项目的安全生产工作稳步推进,达到预期的安全目标。
近年来,随着城市化进程的快速发展,上海市的水务建设工程也在不断增加。
作为大型基础设施建设工程,水务建设工程的安全管理问题备受关注。
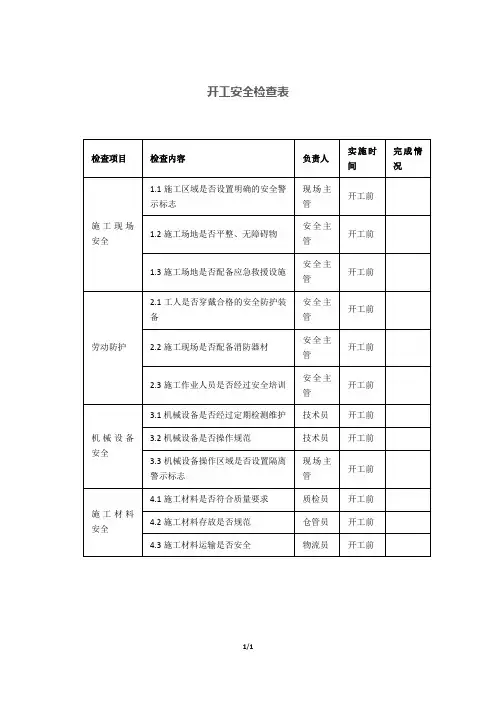
开工前安全检查表开工前安全检查表项目工程名称:工程施工单位:总承包单位:分包单位:检查日期:参与检查人员:序号检查项目主要内容1 企业资质及企业安全生产许可证检查企业资质及安全生产许可证是否齐全2 安全管理人员是否与投标人员相符检查安全管理人员是否与投标人员相符3 项目经理安全资格证检查项目经理的安全资格证4 安全管理人员安全资格证检查安全管理人员的安全资格证5 项目经理是否到位检查项目经理是否到位6 安全监督专职安全管理人员是否到位组织与网是否设置安全经理检查安全监督专职安全管理人员是否到位,组织与网是否设置安全经理7 网络建设是否设置安全管理部门检查网络建设是否设置安全管理部门8 安全组织机构建立情况(组织机构、主要负责人及其职责)检查安全组织机构建立情况,包括组织机构、主要负责人及其职责9 专职安全管理人员的人数、工种及持证上岗情况检查专职安全管理人员的人数、工种及持证上岗情况10 特种作业人员的人数、工种及持证上岗情况检查特种作业人员的人数、工种及持证上岗情况11 机械设备到场情况(数量、外观检查)检查机械设备到场情况,包括数量、外观检查12 机械设备证件管理情况(备案、年检、机械设备手续、行车记录、维修保养记录)检查机械设备证件管理情况,包括备案、年检、机械设备手续、行车记录、维修保养记录13 准备机械设备性能检查(设备完好率、安全制动装置)检查机械设备的性能,包括设备完好率、安全制动装置14 特种设备是否符合国家规定高危作业是否进行审批检查特种设备是否符合国家规定高危作业是否进行审批15 HSE管理程序建立及上报情况检查HSE管理程序的建立及上报情况16 项目安全管理专项方案、应急预案编制计划及安全管理制及上报情况检查项目安全管理专项方案、应急预案编制计划及安全管理制及上报情况17 其他安全管理文件的编制及上报情况检查其他安全管理文件的编制及上报情况18 证件办理人员证件办理情况检查证件办理人员的证件办理情况19 设备证件办理情况检查设备证件办理情况20 安全投入计划(总体计划、年计划、月计划)检查安全投入计划,包括总体计划、年计划、月计划21 安全物资准备情况(个人劳保用品、安全用品、安全及文明施工标牌、应急物资等)检查安全物资准备情况,包括个人劳保用品、安全用品、安全及文明施工标牌、应急物资等22 高风险作业计划检查高风险作业计划23 安全专项方案编制计划检查安全专项方案编制计划24 三级安全教育开展状况检查三级安全教育开展状况25 工程管理人员安全责任与分工检查工程管理人员的安全责任与分工26 安全教育施工班组日常安全技术交底和合同安培训全条款培训检查安全教育施工班组日常安全技术交底和合同安培训全条款培训27 特殊工种安全教育检查特殊工种的安全教育28 应急救援教育培训检查应急救援教育培训29 安全措施是否到位、安全防护是否符合标准检查安全措施是否到位、安全防护是否符合标准30 现场临建安全及保建状况检查现场临建安全及保建状况31 场地是否围护、是否符合标准检查场地是否围护、是否符合标准32 施工场地排水检查施工场地排水33 厕所检查厕所34 建筑垃圾堆放场地是否明确检查建筑垃圾堆放场地是否明确35 “五牌一图” 检查“五牌一图”36 现场安全条件检查现场安全条件37 大门是否符合要求检查大门是否符合要求38 临建是否符合规划及要求检查临建是否符合规划及要求39 现场水、电管线安全状况检查现场水、电管线安全状况40 场地硬化是否符合要求检查场地硬化是否符合要求41 临时用电是否符合施工组织设计要求检查临时用电是否符合施工组织设计要求42 吸烟点、饮水点、休息设施配备情况检查吸烟点、饮水点、休息设施配备情况43 消防通道是否畅通检查消防通道是否畅通44 消防器材配备是否到位检查消防器材配备是否到位45 劳务工情况(人数、工种、合同)检查劳务工情况,包括人数、工种、合同46 劳务保险办理情况检查劳务保险办理情况47 与现场安全管理部门接口是否建立检查与现场安全管理部门接口是否建立48 安全协调与接口是否提交项目管理人员联系清单49 HSE管理体系资料建立及保存状况检查HSE管理体系资料建立及保存状况50 安全内业检查安全内业人员和设备安全台账的建立情况资料、安全技术交底记录以及个人防护厨师和卫生防特种作业人员的健康证明应该齐全。
开工前安全审核检查表 总论
小结:
小组成员: 年 月 日 工业卫生
小结:
小组成员: 年 月 日 消防与安全设施
小结:
小组成员: 年 月 日 管道及辅助管道
小结:
小组成员: 年 月 日 容器及冷凝器
小结:
小组成员: 年 月 日 压力释放装置
小结:
小组成员: 年 月 日 电气
小结:
小组成员: 年 月 日 仪表装置
小结:
小组成员: 年 月 日 建筑设施
小结:
小组成员: 年 月 日 工业废水
小结:
小组成员: 年 月 日 冷却系统
小结:
小组成员: 年 月 日 机械危害
小结:
小组成员: 年 月 日 机械维护和维修
小结:
小组成员: 年 月 日 人体工程学
小结:
小组成员: 年 月 日 进出通道
小结:
小组成员: 年 月 日
危急缺陷整改措施计划表
非危急缺陷整改措施计划表
完成表
注:按危急缺陷的优先次序进行整改措施,直到所有危急缺陷都得到整改。