开工前安全检查标准10项表
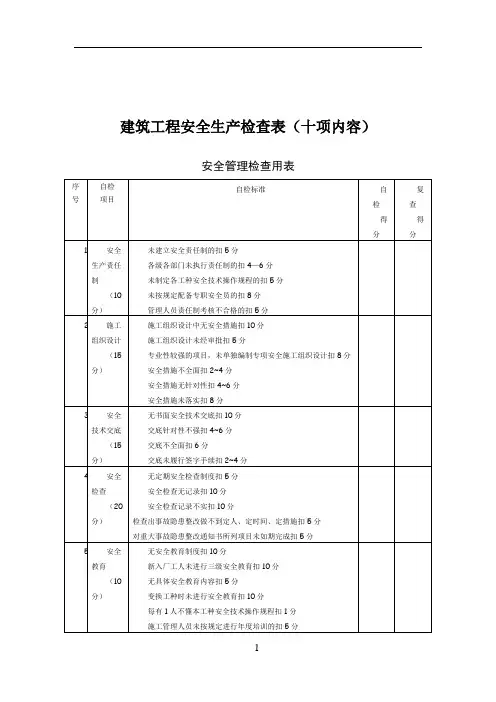
- 格式:doc
- 大小:105.00 KB
- 文档页数:3
建筑施工安全检查十项【施工现场安全检查标准】施工现场安全检查表序号检查项目检查标准标准分值扣分事由及分值得分1 安全管理机构及规章制度1、未按要求设置安全生产领导小组,扣2分;2、未按规定配备安全员,扣2分;3、未建立安全生产责任制或者未经责任人签字,扣5分;4、未制定安全管理制度、安全操作规程扣5分,内容适用性差扣2分;5、安全管理机构、安全管理目标、岗位安全职责等未挂设上墙,扣2分;10 2 人员及证件管理1、检查当天,项目经理或者总监无故不在岗扣5分,其他施工管理人员、监理人员无故不在岗,每人扣2分;2、无安全生产许可证或者到期,扣5分;3、施工管理人员、监理人员、特种作业人员无证上岗或证件到期,每人扣2分;4、农民工未实行实名制管理,扣2分;5、农民工工资发放清单未经签字确认,扣2分;6、逾期未办理工伤保险,扣2分。
10 3 施工方案1、施工组织设计中未制定安全措施,扣5分;2、危险性较大的分部分项工程未编制安全专项施工方案,扣5分;3、超过一定规模的危险性较大的分部分项工程的专项施工方案未经专家论证,扣5分;4、施工组织设计、专项方案未经审批的,扣5分;5、安全措施、专项方案无针对性或缺少设计计算的,扣5分;6、未按方案组织施工的,扣5-10分。
10 4 安全生产费用1、未制定安全投入计划,扣2分;2、未建立使用台账或使用范围不符合规定,扣2分;3、监理单位未对施工单位安全费用使用情况进行监督,扣2分。
5 5 安全技术交底1、交底记录未做到分部分项,扣4分;2、交底内容针对性不强,扣2分;3、交底记录未由交底人、被交底人签字确认,扣2分。
5 6 安全教育培训1、未制定年度安全教育培训计划,扣2分;2、项目部管理人员、专职安全员未按规定进行年度考核培训,扣2分;3、未对新入场、转场、变换工种作业人员进行培训教育,扣1-5分;4、安全教育培训记录缺失,扣1-5分。
10 1、7 安全检查1、安全检查记录缺失,扣1-5分;2、安全检查记录与事故隐患整改记录未同步、不闭合,扣1-5分;3、未按照业主、监理单位的整改要求限期完成整改的,扣5分;4、隐患整改记录未附中整改图片,扣2分。
表B.1安全管理检查评分表表B.2文明施工检查评分表表B・3扣件式钢管脚手架检查评分表表B.4基坑支护、土方作业检查评分表表B・5模板支架检查评分表表B.6“三宝、四口”及临边防护检查评分表表B.7施工用电检查评分表表B.8施工升降机检查评分表表B.9塔式起重机检查评分表表B.10施工机具检查评分表8圆盘锯 未设置安全防护棚扣3分 无人操作时未切断电源扣3分使用平刨和圆盘锯合用一台电机的多功能木工机具,平刨和圆盘 锯两项扣12分电锯安装后未留有验收合格手续扣3分未设置锯盘护罩、分料器、防护挡板安全装置和传动部位未进行防护每缺一项扣3分未做保护接零、未设置漏电保护器每处扣3分 未设置安全防护棚扣3分 无人操作时未切断电源扣3分I 类手持电动工具未采取保护接零或漏电保护器扣8分手持电 使用I 类手持电动工具不按规定穿戴绝缘用品扣4分动工具 使用手持电动工具随意接长电源线或更换插头扣4分 机械安装后未留有验收合格手续扣5分 未做保护接零、未设置漏电保护器每处扣5分钢筋机 钢筋加工区无防护棚,钢筋对焊作业区未采取防止火花飞溅措施,械冷拉作业区未设置防护栏每处扣5分电焊机 搅拌机 气瓶传动部位未设置防护罩或限位失灵每处扣3分 电焊机安装后未留有验收合格手续扣3分 未做保护接零、未设置漏电保护器每处扣3分未设置二次空载降压保护器或二次侧漏电保护器每处扣3分 一次线长度超过规定或不穿管保护扣3分二次线长度超过规定或未采用防水橡皮护套铜芯软电缆扣3分 电源不使用自动开关扣2分二次线接头超过3处或绝缘层老化每处扣3分 电焊机未设置防雨罩、接线柱未设置防护罩每处扣3分搅拌机安装后未留有验收合格手续扣4分 未做保护接零、未设置漏电保护器每处扣4分 离合器、制动器、钢丝绳达不到要求每项扣2分 操作手柄未设置保险装置扣3分未设置安全防护棚和作业台不安全扣4分 上料斗未设置安全挂钩或挂钩不使用扣3分 传动部位未设置防护罩扣4分 限位不灵敏扣4分 作业平台不平稳扣3分 氧气瓶未安装减压器扣5分 各种气瓶未标明标准色标扣2分气瓶间距小于5米、距明火小于10米又未采取隔离措施每处扣2 分。
建筑工程安全生产检查表(十项内容)建筑工程安全生产检查表(十项内容)安全管理检查用表场容场貌检查用表外脚手架检查用表项目得分得分1 施工方案(10分)脚手架无施工方案的扣10分脚手架高度超过规范规定无设计计算书或未经审批的扣10分施工方案,不能指导施工的扣8分2 立杆基础(10分)每l0延长米立杆基础不平、不实、不符合方案设计要求的扣5分每10延长米无扫地杆的扣5分每l0延长米木脚手架立杆不埋地或无扫地杆的扣5分每10延长米无排水措施的扣5分3 架体与建筑结构拉结(5分)脚手架高度在7m以上,架体与建筑结构拉结,按规定要求每少一处的扣2分拉结不坚固每一处的扣1分4 杆体间距与剪刀撑(5分)每10延长米立杆、大横杆、小横杆间距超过规定要求的每一处扣1分不按规定设置剪刀撑的每一处扣5分剪刀撑未沿脚手架高度连续设置或角度不符合要求的扣5分5 脚手架与防护栏杆(15分)脚手板不满铺扣10分脚手板材质不符合要求扣10分每有一处探头板处扣2分脚手架外侧未设置密目式安全网的,或网间不严密扣10分施工层不设1.2m高防护栏杆和挡脚板扣5分6 交底与验收(5分)脚手架搭设前无交底扣5分脚手架搭设完毕未办理验收手续扣10分无量化的验收内容扣6分7 小横杆设置(5分)不按立杆与大横杆交点处设置小横杆的每有一处扣2分小横杆只固定一端的每有一处扣2分8 杆件搭接(5分)钢管立杆采用搭接的每一处扣2分9 架体内封闭(5分)施工层以下每隔10m未用平网或其他措施封闭的扣5分施工层脚手架内立杆与建筑物之间未进行封闭的扣5分10 脚手架材质(5分)钢管弯曲、锈蚀严重的扣5分11 卸料平台卸料台搭设不符合设计要求扣10分“三宝”、“四口”防护检查用表施工用电检查用表模板工程安全检查用表基坑支护安全检查用表塔吊检查用表。
开工前安全检查表开工前安全检查表项目工程名称:工程施工单位:总承包单位:分包单位:检查日期:参与检查人员:序号检查项目主要内容1 企业资质及企业安全生产许可证检查企业资质及安全生产许可证是否齐全2 安全管理人员是否与投标人员相符检查安全管理人员是否与投标人员相符3 项目经理安全资格证检查项目经理的安全资格证4 安全管理人员安全资格证检查安全管理人员的安全资格证5 项目经理是否到位检查项目经理是否到位6 安全监督专职安全管理人员是否到位组织与网是否设置安全经理检查安全监督专职安全管理人员是否到位,组织与网是否设置安全经理7 网络建设是否设置安全管理部门检查网络建设是否设置安全管理部门8 安全组织机构建立情况(组织机构、主要负责人及其职责)检查安全组织机构建立情况,包括组织机构、主要负责人及其职责9 专职安全管理人员的人数、工种及持证上岗情况检查专职安全管理人员的人数、工种及持证上岗情况10 特种作业人员的人数、工种及持证上岗情况检查特种作业人员的人数、工种及持证上岗情况11 机械设备到场情况(数量、外观检查)检查机械设备到场情况,包括数量、外观检查12 机械设备证件管理情况(备案、年检、机械设备手续、行车记录、维修保养记录)检查机械设备证件管理情况,包括备案、年检、机械设备手续、行车记录、维修保养记录13 准备机械设备性能检查(设备完好率、安全制动装置)检查机械设备的性能,包括设备完好率、安全制动装置14 特种设备是否符合国家规定高危作业是否进行审批检查特种设备是否符合国家规定高危作业是否进行审批15 HSE管理程序建立及上报情况检查HSE管理程序的建立及上报情况16 项目安全管理专项方案、应急预案编制计划及安全管理制及上报情况检查项目安全管理专项方案、应急预案编制计划及安全管理制及上报情况17 其他安全管理文件的编制及上报情况检查其他安全管理文件的编制及上报情况18 证件办理人员证件办理情况检查证件办理人员的证件办理情况19 设备证件办理情况检查设备证件办理情况20 安全投入计划(总体计划、年计划、月计划)检查安全投入计划,包括总体计划、年计划、月计划21 安全物资准备情况(个人劳保用品、安全用品、安全及文明施工标牌、应急物资等)检查安全物资准备情况,包括个人劳保用品、安全用品、安全及文明施工标牌、应急物资等22 高风险作业计划检查高风险作业计划23 安全专项方案编制计划检查安全专项方案编制计划24 三级安全教育开展状况检查三级安全教育开展状况25 工程管理人员安全责任与分工检查工程管理人员的安全责任与分工26 安全教育施工班组日常安全技术交底和合同安培训全条款培训检查安全教育施工班组日常安全技术交底和合同安培训全条款培训27 特殊工种安全教育检查特殊工种的安全教育28 应急救援教育培训检查应急救援教育培训29 安全措施是否到位、安全防护是否符合标准检查安全措施是否到位、安全防护是否符合标准30 现场临建安全及保建状况检查现场临建安全及保建状况31 场地是否围护、是否符合标准检查场地是否围护、是否符合标准32 施工场地排水检查施工场地排水33 厕所检查厕所34 建筑垃圾堆放场地是否明确检查建筑垃圾堆放场地是否明确35 “五牌一图” 检查“五牌一图”36 现场安全条件检查现场安全条件37 大门是否符合要求检查大门是否符合要求38 临建是否符合规划及要求检查临建是否符合规划及要求39 现场水、电管线安全状况检查现场水、电管线安全状况40 场地硬化是否符合要求检查场地硬化是否符合要求41 临时用电是否符合施工组织设计要求检查临时用电是否符合施工组织设计要求42 吸烟点、饮水点、休息设施配备情况检查吸烟点、饮水点、休息设施配备情况43 消防通道是否畅通检查消防通道是否畅通44 消防器材配备是否到位检查消防器材配备是否到位45 劳务工情况(人数、工种、合同)检查劳务工情况,包括人数、工种、合同46 劳务保险办理情况检查劳务保险办理情况47 与现场安全管理部门接口是否建立检查与现场安全管理部门接口是否建立48 安全协调与接口是否提交项目管理人员联系清单49 HSE管理体系资料建立及保存状况检查HSE管理体系资料建立及保存状况50 安全内业检查安全内业人员和设备安全台账的建立情况资料、安全技术交底记录以及个人防护厨师和卫生防特种作业人员的健康证明应该齐全。
建筑工程安全生产检查表(十项内容)
安全管理检查用表
场容场貌检查用表
外脚手架检查用表
“三宝”、“四口”防护检查用表
施工用电检查用表
模板工程安全检查用表
基坑支护安全检查用表
塔吊检查用表
序号自检
项目
自检标准自检
得分
复查
得分
1塔吊指挥
(30分)司机无证上岗扣20分
无专职指挥人员扣10分
高塔指挥不使用旗语或对讲机的扣5分吊钩无保险装置扣5分
起重钢丝绳磨损、断丝超标的扣20分
2多塔作业
(30分)两台以上塔吊作业、无防碰撞措施扣30分措施不可靠扣10分
3手续齐全
(40分)塔吊没有检测合格扣30分没有办理使用备案扣20分
4合计得分。
建筑工程安全生产检查表(十项内容)
安全管理检查用表
场容场貌检查用表
外脚手架检查用表
“三宝”、“四口”防护检查用表
施工用电检查用表
模板工程安全检查用表
基坑支护安全检查用表
塔吊检查用表
序
号
自检
项目
自检标准自检
得分
复查
得分1塔吊指
挥
(30分)
司机无证上岗扣20分
无专职指挥人员扣10分
高塔指挥不使用旗语或对讲机的扣5分
吊钩无保险装置扣5分
起重钢丝绳磨损、断丝超标的扣20分
2多塔作
业
(30分)
两台以上塔吊作业、无防碰撞措施扣30分
措施不可靠扣10分
3手续齐
全
(40分)
塔吊没有检测合格扣30分
没有办理使用备案扣20分
4合计得分。