实验二:编码与译码器显示电路
- 格式:doc
- 大小:237.50 KB
- 文档页数:4
一、实训目的通过本次实训,掌握数码显示译码器的基本原理、工作原理及电路设计方法,了解数码显示译码器在数字电路中的应用,提高动手能力和实践技能。
二、实训内容1. 数码显示译码器原理及分类(1)原理:数码显示译码器是一种将二进制、BCD码等编码转换为数码管显示的电路。
它主要由编码器、译码器、驱动器等组成。
(2)分类:根据编码方式,可分为二进制译码器、BCD码译码器、十六进制译码器等;根据输出方式,可分为共阳极译码器和共阴极译码器。
2. 数码显示译码器电路设计(1)共阳极译码器电路设计以4-7译码器为例,输入端为二进制编码,输出端为7段数码管的驱动信号。
电路图如下:```A||+---+---+---+---+| | | | |B---+ | | +---C| | | | |+---+---+---+---+| | | |D---+ | +---E| | | |+---+---+---+---+| | | | |F---+ | | +---G| | | | |+---+---+---+---+H```(2)共阴极译码器电路设计以CC4511BCD译码器为例,输入端为BCD码,输出端为7段数码管的驱动信号。
电路图如下:```A||+---+---+---+---+| | | | |B---+ | | +---C| | | | |+---+---+---+---+| | | |D---+ | +---E| | | |+---+---+---+---+| | | |F---+ | | +---G| | | |+---+---+---+---+H```3. 数码显示译码器应用(1)计时器:将计数器输出的二进制编码转换为数码管显示,实现计时功能。
(2)数码管显示模块:在嵌入式系统、智能仪表等设备中,将数字信号转换为数码管显示,方便用户读取数据。
(3)地址译码:在存储器、I/O端口等地址译码电路中,将地址信号转换为输出端口,实现数据传输。
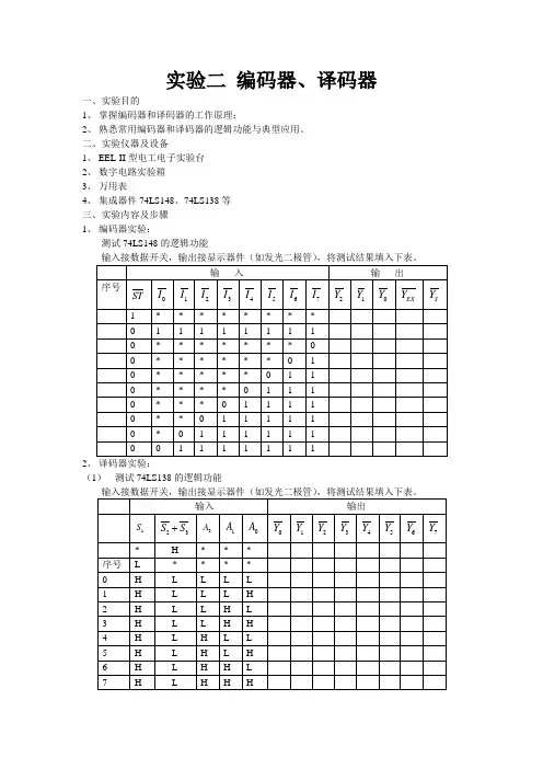
实验二编码器、译码器一、实验目的1、掌握编码器和译码器的工作原理;2、熟悉常用编码器和译码器的逻辑功能与典型应用。
二、实验仪器及设备1、EEL-II型电工电子实验台2、数字电路实验箱3、万用表4、集成器件74LS148、74LS138等三、实验内容及步骤1、编码器实验:测试74LS148的逻辑功能输入接数据开关,输出接显示器件(如发光二极管),将测试结果填入下表。
2、译码器实验:(1)测试74LS138的逻辑功能(2) 用74LS138实现Z A B C A B C A B C A B C =⋅⋅+⋅⋅+⋅⋅+⋅⋅。
四、实验报告1、画出实验线路,记录实验数据;2、对实验结果进行分析、讨论。
五、器件介绍1、 8-3线优先编码器74LS1488个信号输入端、3个二进制码输出端、输入使能端EI 、输出使能端EO 、优先编码工作状态标志GS 。
输入、输出均为低电平有效。
输入使能端ST :允许编码器工作的控制端。
输出使能端S Y :方便扩展,组成更多输入端的优先编码器。
优先编码工作状态标志EX Y :是否存在有效输入的工作状态标志端。
注意:74*148和CD4532输入、输出正相反,即CD4532均为高电平有效。
2、 3-8线译码器74LS138A 2、A 1、A 0为二进制译码输入端, 为译码输出端(低电平有效),G 1、 、 为选通控制端。
当G 1=1、 时,译码器处于工作状态;当G 1=0、=1时,译码器处于禁止状态。
70~Y Y 2A G 2B G 22A B G G +220A B G G +=。
实验二编码、译码与显示实验目的1.了解编码器、译码器与显示器的工作原理2.熟悉CMOS中规模器件的使用方法。
实验要求使用编码器、译码器实现编、译码的功能使用译码器实现一位全减器设计实验仪器及材料数字试验箱器件CD4532 8-3线优先编码器一片CD4511 BCD七段字型译码驱动器一片74LS138 3-8线译码器/分配器一片实验内容实验前按每个实验电路联线,检查无误后方可接通电源,U cc=+5V,如改接电路,必须断开电源后进行。
1、按图1接线,按表1顺序给8-3线优先编码器的信号输入端送入相应电平,将结果填入表中,与附录中CD4532的功能表相对照,检查是否符合优先顺序编码以及编码结果是否正确。
2、将译码器CD4511的数据输入端接编码器CD4532的输出端,检查编码对象与数字显示是否一致,若不一致,分析原因,检查故障并排除(图2)。
(本数字实验箱上已经完成了译码器4511和数码管之间的连接。
实验时,只要将十进制的BCD码连接至译码器的相应输入端,即可显示0~9的数字。
)图1D0-D7数据输入端EI选通输入端Q0~Q2编码输出端QGS组选通输出端EO选通输出端图2BI:4脚是消隐输入控制端,当BI=0 时,不管其它输入端状态如何,七段数码管均处于熄灭(消隐)状态,不显示数字。
LT:3脚是测试输入端,当BI=1,LT=0 时,译码输出全为1,不管输入DCBA 状态如何,七段均发亮,显示“8”。
它主要用来检测数码管是否损坏。
LE:锁定控制端,当LE=0时,允许译码输出。
LE=1时译码器是锁定保持状态,译码器输出被保持在LE=0时的数值。
A、B、C、D为8421BCD码输入端。
a、b、c、d、e、f、g:为译码输出端,输出为高电平1有效。
表1 实验数据记录表3、3-8线译码器逻辑功能测试按图3连线,完成表2记录要求。
图3 74LS138A、B、C译码地址输入端E3选通端,高电平有效,E2、E1选通端,低电平有效Y7~Y0译码输出端表2实验数据记录表4 用74LS138设计一个逻辑函数按图4画出连线图并连接实验线路,对表3中数据进行验证,并写出逻辑表达式。
实验一组合逻辑电路设计与分析1.实验目的(1)学会组合逻辑电路的特点;(2)利用逻辑转换仪对组合逻辑电路进行分析与设计。
2.实验原理组合逻辑电路是一种重要的数字逻辑电路:特点是任何时刻的输出仅仅取决于同一时刻输入信号的取值组合。
根据电路确定功能,是分析组合逻辑电路的过程,一般按图1-1所示步骤进行分析。
图1-1 组合逻辑电路的分析步骤根据要求求解电路,是设计组合逻辑电路的过程,一般按图1-2所示步骤进行设计。
图1-2 组合逻辑电路的设计步骤3.实验电路及步骤(1)利用逻辑转换仪对已知逻辑电路进行分析。
a.按图1-3所示连接电路。
b.在逻辑转换仪面板上单击由逻辑电路转换为真值表的按钮和由真值表导出简化表达式后,得到如图1-4所示结果。
观察真值表,我们发现:当四个输入变量A,B,C,D中1的个数为奇数时,输出为0,而当四个输入变量A,B,C,D 中1的个数为偶数时,输出为1。
因此这是一个四位输入信号的奇偶校验电路。
图1-4 经分析得到的真值表和表达式(2)根据要求利用逻辑转换仪进行逻辑电路的设计。
a.问题提出:有一火灾报警系统,设有烟感、温感和紫外线三种类型不同的火灾探测器。
为了防止误报警,只有当其中有两种或两种以上的探测器发出火灾探测信号时,报警系统才产生报警控制信号,试设计报警控制信号的电路。
b.在逻辑转换仪面板上根据下列分析出真值表如图1-5所示:由于探测器发出的火灾探测信号也只有两种可能,一种是高电平(1),表示有火灾报警;一种是低电平(0),表示正常无火灾报警。
因此,令A、B、C分别表示烟感、温感、紫外线三种探测器的探测输出信号,为报警控制电路的输入、令F 为报警控制电路的输出。
图1-5 经分析得到的真值表(3)在逻辑转换仪面板上单击由真值表到处简化表达式的按钮后得到最简化表达式AC+AB+BC。
4.实验心得通过本次实验的学习,我们复习了数电课本关于组合逻辑电路分析与设计的相关知识,掌握了逻辑转换仪的功能及其使用方法。
实验成绩实验日期指导教师批阅日期实验名称编码译码与显示1、实验目的掌握编码器、译码器与显示器的工作原理、测试方法以及应用。
2、实验原理编码器、译码器是数字系统中常用的逻辑部件,而且是一种组合逻辑电路。
1.编码器把状态或指令等转换为与其对应的二进制代码叫编码,例如可以用四位二进制所组成的编码表示十进制数0~9,把十进制数的0编成二进制数码0000,把十进制数的5编成二进制数码0101等。
完成编码工作的电路.通称为编码器。
2.译码器译码是编码的逆过程。
译码器的作用是将输入代码的原意“翻译”出来。
译码器的种类较多,如:最小项译码器(3线/8线、4线/16线译码器等)b、七段字形译码器等。
七段字形译码器,其作用是将输入的四位BCD码D、C、B、A翻译成与其对应的七段字形输出信号,用于显示字形。
常用的七段字形译码器有TTL的:T338(OC输出),74LS48、74LS248(内部带有上拉电阻)CMOS的:CD4511、MC14543、MC14547等。
3.显示器(1)发光二极管(LED)。
把电能转换成可见光(光能)的一种特殊半导体器件,其构造与普通PN 结二极管相同。
(2)LED显示器。
用LED构成数字显示器件时,需将若干个LED按照数字显示的要求集成- -个图案,就构成LED显示器(俗称“数码管”)。
3、实验步骤(1)按图连线,按表顺序给8线/3线优先编码器CD4532的信号输入端送入相应电平,将结果填入表中,与CD4532的功能表相对照,检查是否符合优先顺序以及编码结果是否正确。
注意:输入由逻辑开关给定。
输出连接逻辑电平指示。
(2)根据CD4532和CD4511的管脚图和功能表,自行设计连线,将编码器CD4532的输出端接到译码器CD4511的数据输入端,将CD4511的输出接七段显示数码管。
检查编码器与数字显示是否一致,若不一致,分析原因,检查故障并排除之,将结果填表。
(3)将十进制计数器/脉冲分配器CD4017接成八进制,用单次脉冲或1Hz脉冲信号检查CD4017的逻辑功能是否正常。
实验二7 段数码管静态显示译码器1.实验目的学习quartusii 和modelsim的使用方法;学习原理图和veriloghdl混合输入设计方法;掌握7 段数码管静态显示译码器的设计及仿真方法。
2.实验原理根据下面电路图,设计7 段数码管静态显示译码器电路,在kx3c10F+开发板上实现该电路,并作仿真。
3.实验设备kx3c10F+开发板,电脑。
4.实验步骤4.1编译4.1.1七段数码管代码module segled(out1,a); //定义模块名和输入输出端口input [3:0]a; //输入一个3位矢量output [6:0]out1; //输出一个6位矢量reg [6:0]out1; //reg型变量用于always语句always@(a) //敏感信号啊begincase(a) //case语句用于选择输出4'b0000:out1<=7'b1000000;4'b0001:out1<=7'b1001111;4'b0010:out1<=7'b0100100;4'b0011:out1<=7'b0110000;4'b0100:out1<=7'b0011001;4'b0101:out1<=7'b0010010;4'b0110:out1<=7'b0000011;4'b0111:out1<=7'b1111000;4'b1000:out1<=7'b0000000;4'b1001:out1<=7'b0011000;4'b1010:out1<=7'b0001000;4'b1011:out1<=7'b0011100;4'b1100:out1<=7'b1000111;4'b1101:out1<=7'b0100011;4'b1110:out1<=7'b0000110;4'b1111:out1<=7'b0001110;endcaseendendmodule //模块结束效果图:4.1.2综合模块代码// Copyright (C) 1991-2013 Altera Corporation// Your use of Altera Corporation's design tools, logic functions // and other software and tools, and its AMPP partner logic// functions, and any output files from any of the foregoing// (including device programming or simulation files), and any// associated documentation or information are expressly subject // to the terms and conditions of the Altera Program License// Subscription Agreement, Altera MegaCore Function License// Agreement, or other applicable license agreement, including,// without limitation, that your use is for the sole purpose of// programming logic devices manufactured by Altera and sold by// Altera or its authorized distributors. Please refer to the// applicable agreement for further details.// PROGRAM "Quartus II 64-Bit"// VERSION "Version 13.1.0 Build 162 10/23/2013 SJ Web Edition" // CREATED "Mon Mar 27 15:23:18 2017"module Blok(a,out1);input wire [3:0] a;output wire [6:0] out1;segled b2v_inst(.a(a),.out1(out1));endmodule效果图:4.1.3编辑结果截图编译解释:在这个报告中,我们可以看到如下信息:Total logic elements 7/5136(<1%): 该芯片中共有5136个LE资源,其中的7个在这个工程的这次编译中得到了使用。
编码器译码器实验报告编码器和译码器实验报告引言编码器和译码器是数字电路中常见的重要组件,它们在信息传输和处理中起着至关重要的作用。
本实验旨在通过实际操作和观察,深入了解编码器和译码器的原理、工作方式以及应用场景。
实验一:编码器编码器是一种将多个输入信号转换为较少数量输出信号的电路。
在本实验中,我们使用了4-2编码器作为示例。
1. 实验目的掌握4-2编码器的工作原理和应用场景。
2. 实验器材- 4-2编码器芯片- 开发板- 连接线3. 实验步骤首先,将4-2编码器芯片插入开发板上的对应插槽。
然后,使用连接线将编码器的输入引脚与开发板上的开关连接,将输出引脚与数码管连接。
接下来,按照编码器的真值表,将开关设置为不同的组合,观察数码管上显示的输出结果。
记录下每种输入组合对应的输出结果。
4. 实验结果与分析通过观察实验结果,我们可以发现4-2编码器的工作原理。
它将4个输入信号转换为2个输出信号,其中每个输入组合对应唯一的输出组合。
这种编码方式可以有效地减少输出信号的数量,提高信息传输的效率。
实验二:译码器译码器是一种将少量输入信号转换为较多数量输出信号的电路。
在本实验中,我们使用了2-4译码器作为示例。
1. 实验目的掌握2-4译码器的工作原理和应用场景。
2. 实验器材- 2-4译码器芯片- 开发板- 连接线3. 实验步骤首先,将2-4译码器芯片插入开发板上的对应插槽。
然后,使用连接线将译码器的输入引脚与开发板上的开关连接,将输出引脚与LED灯连接。
接下来,按照译码器的真值表,将开关设置为不同的组合,观察LED灯的亮灭情况。
记录下每种输入组合对应的输出结果。
4. 实验结果与分析通过观察实验结果,我们可以发现2-4译码器的工作原理。
它将2个输入信号转换为4个输出信号,其中每个输入组合对应唯一的输出组合。
这种译码方式可以实现多对一的映射关系,方便信号的解码和处理。
实验三:编码器和译码器的应用编码器和译码器在数字电路中有广泛的应用场景。
HUNAN UNIVERSITY 数字逻辑学生姓名李国龙学生学号201408010211专业班级计算机科学与技术2015年12月 12日实验二 编码器、译码器电路仿真实验一、实验内容:(1)利用两块8—3线优先编码器74LS148D 设计16—4线优先编码电路,然后仿真验证16—4线优先编码的逻辑功能。
(2)利用两块3—8线译码器74LS138D 设计4—16线优先编码电路,然后仿真验证4—16线译码的逻辑功能。
二、实验目的:(1) 掌握编码器、译码器的工作原理; (2) 常见编码器、译码器的应用; (3) 掌握优先编码电路的设计方法。
三、实验原理:所谓编码是指在选定的一系列二进制数数码中,赋予每个二进制数码以某一固定含义。
例如,用二进制数码表示十六进制数叫做二—十六进制编码。
能完成编码功能的电路统称为编码器。
74LS148D 是常用额8线—3线优先编码器。
在8个输入线上可以同时出现几个有效输入信号,但只对其中优先权最高的一个有效输入信号进行编码。
其中7端优先权最高,0端优先权最低,其他端的优先权按端脚号的递减顺序排列。
~E1为选通输入端,低电平有效,只有~E1=0时,编码器正常工作,而在~E1=1时,所以的输出端均被封锁。
E0为选通输出端,GS 为优先标志端。
该编码器输入、输出均为低电平有效。
译码器是编码的逆过程,将输入的每个二进制代码赋予的含义“翻译”过来,给出相应的输出信号。
能够完成译码功能的电路焦作译码器。
74LS138D 属于3线—8线译码器。
该译码器输入高电平有效,输出低电平有效。
U174LS148DA 09A 17A 26G S14D 313D 41D 52D 212D 111D 010D 74D 63E I 5E O 15U274LS138DY 015Y 114Y 213Y 312Y 411Y 510Y 69Y 77A1B 2C 3G 16~G 2A 4~G 2B 5图2-1编码器74LS148D 图2-2译码器74LS138D 8位信号输入端7端优先权最高 三个使能端 三路输入端 0端优先权最低8—3线优先编码器:切换9个单刀双掷开关(J0—J8)进行仿真实验,将结果填入表2.1中。
《编码、译码显示电路设计与安装》实验报告姓名欧阳志刚学号20101138班级通信101专业通信技术指导教师林梅实验时间第8周电子信息工程系2011-2012学年第一学期实验目的及原理:1.了解编码译码器的功能和特点。
2.掌握编码译码器的工作原理。
3.掌握集成编码译码器的逻辑功能。
4.掌握集成编码译码器的级联方法。
实验一 编码器一、实验目的和任务:⑴验证编码器的逻辑功能。
(2)掌握中规模集成电路构成组合逻辑电路的方法。
二、实验设备与器材:TTL 集成编码器芯片74LS148等74LS148编码器I0~I7是8个输入端,Y1~Y3是3个输出端,EI 是使能输入端,EO 是使能输出端,GS 是优先标志输出端。
按下表逐项测试74LS148的逻辑功能。
74LS148管脚排列图:14131210161534567128911V CC GND74LS1484I 5I 6I 7I I E 2Y 1Y 0Y 0I 1I 3I 2I SG O E 4I 5I 6I 7I IE 2Y 1Y 0Y 0I 1I 2I 3I S G O E74LS148的功能表:输入输出S ’’I0”I1’’I2’’I3’’I4’’I5’’I6’’I7’’Y0" Y1" Y2" Ys’’Y EX’’1 X X X X X X X X 1 1 1 1 1 0 1 1 1 1 1 1 1 1 1 1 1 0 1 0 X X X X X X X 0 0 0 0 1 0 0 X X X X X X 0 1 0 0 1 1 0 0 X X X X X 0 1 1 0 1 0 1 0 0 X X X X 0 1 1 1 0 1 1 1 00 X X X 0 1 1 1 1 1 0 0 1 0 0 X X 0 1 1 1 1 1 1 0 1 1 0 0 X 1 1 1 1 1 1 1 1 1 1 1 0 0 0 1 1 1 1 1 1 1 1 1 1 1 0三、实验步骤及内容:(1)74LS148编码器I0~I7是8个输入端,Y1~Y3是3个输出端,EI 是使能输入端,EO是使能输出端,GS是优先标志输出端。
学生实验报告系别课程名称电子技术实验班级实验名称实验二译码器及数码管驱动芯片应用姓名实验时间2012年5月2日学号指导教师文毅报告内容一、实验目的和任务1.掌握3 -8线译码器、4 -10线译码器的逻辑功能和使用方法。
2.掌握用两片3 -8线译码器连成4 -16线译码器的方法。
3.掌握使用74LS138实现逻辑函数和做数据分配器的方法。
4.熟悉共阴、共阳数码管的使用。
5.掌握数码管的驱动方法。
二、实验原理介绍译码是编码的逆过程,它的功能是将具有特定含义的二进制码进行辨别,并转换成控制信号,具有译码功能的逻辑电路称为译码器。
译码器在数字系统中有广泛的应用,不仅用于代码的转换、终端的数字显示,还用于数据分配,存贮器寻址和组合控制信号等。
不同的功能可选用不同种类的译码器。
下图表示二进制译码器的一般原理图:它具有n个输入端,2n个输出端和一个使能输入端。
在使能输入端为有效电平时,对应每一组输入代码,只有其中一个输出端为有效电平,其余输出端则为非有效电平。
每一个输出所代表的函数对应于n个输入变量的最小项。
二进制译码器实际上也是负脉冲输出的脉冲分配器,若利用使能端中的一个输入端输入数据信息,器件就成为一个数据分配器(又称为多路数据分配器)。
1、3-8线译码器74LS138它有三个地址输入端A、B、C,它们共有8种状态的组合,即可译出8个输出信号Y0~Y7。
它还有三个使能输入端E1、E2、E3。
功能表见表9-1,引脚排列见图9-2。
表9-1 74LS138的功能表输入输出E3E1E2 C B A Y0Y1Y2Y3Y4Y5Y6Y7×H ××××H H H H H H H H××H ×××H H H H H H H HL ×××××H H H H H H H HH L L L L L L H H H H H H HH L L L L H H L H H H H H HH L L L H L H H L H H H H HH L L L H H H H H L H H H HH L L H L L H H H H L H H HH L L H L H H H H H H L H HH L L H H L H H H H H H L HH L L H H H H H H H H H H L2、4-10线译码器74LS42它的引脚排列见图9-3,功能表见表9-2。
实验二组合逻辑电路编码器、译码器的设计与测试实验二组合逻辑电路编码器、译码器的设计与测试一、实验目的:1、掌握组合逻辑电路的设计与测试方法;2、通过对编码器、译码器功能的测试掌握其原理。
二、实验设备及元器件:数字电路实验箱相关器件:74LS00 (四二输入与非门) 74LS04 (六反相器)74LS08 (四二输入与门) 74LS148 (8线-3线优先编码器) 其他设计所需的相关芯片,可以向老师索取。
三、实验内容:1. 用小规模集成门设计2线---4线译码器:(实验教材P67)(1) 2线---4线译码器原理:输入2位二进制代码,每组码值分别对应于4个输出端中的一个端子有效,有效输出可以是高电平有效,或者低电平有效,这由设计者的设计方案决定。
(2) 根据译码原理列写真值表如下:输出端低电平有效输出端高电平有效(3) 写出表达式、画逻辑图、按逻辑图选相应器件搭建电路: 2-4线译码器的电路原理图1所示A B 0 0 0 1 1 0 1 1 F0 F1 F2 F3 0 1 1 1 1 0 1 1 1 1 0 1 11 1 0 A B 0 0 0 1 1 0 1 1 F0 F1 F2 F3 1 0 0 0 0 1 0 0 0 0 1 0 0 0 0 1 图1 2-4线译码器(4)A、B端接高低电平开关,F0、F1、F2、F3接至逻辑指示灯,列表记录A、B不同组合时,F0、F1、F2、F3的状态。
注意:图中画出的是高电平有效的2-4译码器,用二输入与非门(74LS00)和反相器(74LS04);为减少连线,也可不用输出端反相器,输出译码端为低电平有效。
2.中规模集成编码器功能测试:74LS148(1) 编码器原理:为区分一系列不同的事物,将其中的每个事物用一个二值代码表示,这就是编码。
编码器的功能,就是将各输入端的高、低电平形式所代表的信息,译成相应的代码输出。
优先编码器,在设计时对输入的待编码信息端按优先顺序排了队,当几个输入信号同时待编码时,只对其中优先权最高的一个进行编码。
(Multisim数电仿真)计数、译码和显⽰电路实验3.11 计数、译码和显⽰电路⼀、实验⽬的:1. 掌握⼆进制加减计数器的⼯作原理。
2. 熟悉中规模集成计数器及译码驱动器的逻辑功能和使⽤⽅法。
⼆、实验准备:1.计数:计数是⼀种最简单、最基本的逻辑运算,计数器的种类繁多,如按计数器中另外⼀种可预计的⼗进制加减可逆计数器CD4510,⽤途也⾮常⼴,其引脚排列如图3.11.3所⽰,其中,E P 为预计计数使能端,in C 为进位输⼊端,1P ~4P 为预计的输⼊端,out C 为进位输出端,U /D 为加减控制端,R 为复位端,CD4510输⼊、输出间的逻辑功能如表3.11.2所⽰。
表3.11.2:。
2. 译码与显⽰:⼗进制计数器的输出经译码后驱动数码管,可以显⽰0~9⼗个数字,CD4511是BCD~7段译码驱动集成电路,其引脚排列如图3.11.4所⽰。
LT 为试灯输⼊,BI 为消隐输⼊,LE 为锁定允许输⼊,A 、B 、C、D为BCD码输⼊,a~g为七段译码。
CD4511的逻辑功能如表3.11.3所⽰。
LED数码管是常⽤的数字显⽰器,分共阴和共阳两种,BS112201是共阴的磷化镓数码管,其外形和内部结构如图3.11.5所⽰。
图3.11.5三、计算机仿真实验内容:1. 计数10的电路:(1).单击电⼦仿真软件Multisim7基本界⾯左侧左列真实元件⼯具条“CMOS”按钮,从弹出的对话框“Family”栏中选“CMOS_10V”,再在“Component”栏中选取4093BD和4017BD各⼀只,如图3.11.6所⽰,将它们放置在电⼦平台上。
图3.11.6(2).单击电⼦仿真软件Multisim7基本界⾯左侧左列真实元件⼯具条“Source”按钮,从弹出的对话框“Family”栏中选“POWER_SOURCES”,再在“Component”栏中选取“VDD”和地线,将它们调出放置在电⼦平台上。
(3). 双击“VDD”图标,将弹出如图3.11.7所⽰对话框,将“V oltage”栏改成“10”V,再点击下⽅“确定”按钮退出。
实验二编码器和译码器的应用一.实验目的:1.学会正确使用中规模集成组合逻辑电路。
掌握编码器、译码器、BCD七段译码器、数码显示器的工作原理和使用方法。
2.掌握译码器及其应用, 学会测试其逻辑功能。
二.实验仪器及器件:1. TPE—D6Ⅲ型数字电路实验箱 1台2.数字万用表 1块3.器件:74LS20 二4输入与非门 1片74LS04 六反相器 1片74LS147 10线—4线优先编码器 1片74LS138 3线—8线译码器 1片74LS139 双2线—4线译码器 1片74LS47 七段显示译码器 1片三.实验预习:1.复习编码器、译码器、BCD七段译码器、数码显示器的工作原理。
2.熟悉编码器74LS147及译码器74LS138、74LS139各引脚功能和使用方法,列出74LS138、74LS139的真值表,画出所要求的具体实验线路图。
四.实验原理:在数字系统中,常常需要将某一信息变换为特定的代码,有时又需要在一定的条件下将代码翻译出来作为控制信号,这分别由编码器和译码器来实现。
1.编码:用一定位数的二进制数来表示十进制数码、字母、符号等信息的过程。
编码器:实现编码功能的电路。
编码器功能:从m个输入中选中一个,编成一组n位二进制代码并行输出。
编码器特点:(1)多输入、多输出组合逻辑电路。
(2)在任何时候m个输入中只有一个输入端有效(高电平或低电平)对应有一组二进制代码输出。
编码器分类:二进制、二─十进制、优先编码器。
2.译码:是编码的反过程,是将给定的二进制代码翻译成编码时赋予的原意。
译码器:实现译码功能的电路。
译码器特点:(1)多输入、多输出组合逻辑电路。
(2)输入是以n位二进制代码形式出现,输出是与之对应的电位信息。
译码器分类:通用译码器:二进制、二─十进制译码器。
显示译码器:TTL共阴显示译码器(用高电平点燃共阴显示器)、TTL共阳显示译码器(用低电平点燃共阳显示器)、CMOS显示译码器。
译码器应用:用于代码的转换、终端的数字显示、数据分配、存贮器寻址组合信号控制等。
学生实验报告学院:软件与通信工程学院课程名称:数字电路实验与设计专业班级:电子信息工程121班姓名:吴洋涛学号: 0123694学生实验报告(一)学生姓名吴洋涛学号0123694同组人:实验项目数字显示电路----组合电路综合设计■必修□选修□演示性实验□验证性实验□操作性实验■综合性实验实验地点实验仪器台号指导教师涂丽琴实验日期及节次一、实验综述1、实验目的:(1)掌握基本门电路的应用,了解用简单门电路实现控制逻辑;(2)掌握编码、译码和显示电路的设计方法;(3)掌握用全加器、比较器设计电路的方法;2、实验所用仪器及元器件:计算机、proteus软件3、实验原理:数字显示电路实验将传统的4个分离的基本实验,即基本门实验,编码器、显示译码器、7段显示器实验,加法器实验和比较器实验综合为一个完整的设计型的组合电路综合实验。
掌握各种常用MSI组合逻辑电路的功能与使用方法、学会组装和调试各种MSI组合逻辑电路,掌握多片MSI、SSI组合逻辑电路的级联、功能扩展及综合设计技术。
(一)8—3线优先编码器74LS14874LS148外引线排列如图1所示,逻辑符号如图2所示。
图1 74LS48外引脚排列图图2 74LS148逻辑符号如图74LS148是8—3线优先编码器,有8个输入端,且都是低电平有效。
而输出端为3位代码输出(反码输出)。
ST为选通输入端,当ST=0时允许编码;当ST-1时输出端和Ys,Yes被锁存,编码静止。
Ys是选通输出端,级联应用时,高位片的Ys与低片的ST端相连接,可以扩展优先编码功能。
Yes为优先扩展输出端,级联应用时可作为输出位的扩展端。
74LS148功能见表一输入输出ST 0I1I 2I 3I 4I 5I 6I 7I 3Y 2Y 1Y EX Y S Y 1 X X X X X X X X 1 1 1 1 1 0 1 1 1 1 1 1 1 1 1 1 1 1 0 0 X X X X X X X 0 0 0 0 0 1 0 X X X X X X 0 1 0 0 1 0 1 0 X X X X X 0 1 1 0 1 0 0 1 0 X X X X 0 1 1 1 0 1 1 0 1 0 X X X 0 1 1 1 1 1 0 0 0 1 0 X X 0 1 1 1 1 1 1 0 1 0 1 0 X 0 1 1 1 1 1 1 1 1 0 0 1 0 011111111111(二) 7段显示译码器74LS4774LS47是驱动共阳极的数码管的译码器。
实验一组合逻辑电路设计与分析 (1)实验二编码器、译码器电路仿真实验 (5)实验三竞争冒险电路仿真实验 (8)实验四触发器电路仿真实验 (14)实验五计数器电路仿真实验 (17)实验六任意N进制计数器电路仿真实验 (20)实验七数字抢答器设计 (23)实验心得 (25)实验一组合逻辑电路设计与分析1、实验目的(1)学会组合逻辑的特点(2)利用逻辑转换仪对组合逻辑电路进行分析与设计2、实验原理组合逻辑电路是一种重要的数字逻辑电路:特点是任何时候的输出仅仅取决于同一时刻输入信号的取值组合。
根据电路确定功能,是分析组合逻辑电路的过程。
一般按照以下步骤进行分析:a) 由组合逻辑电路推导出逻辑表达式;b) 将逻辑表达式化简成最简表达式;c) 由最简逻辑表达式列出真值表;d) 经分析去顶电路的功能。
根据要求求解电路,是设计组合逻辑电路的过程,一般按照下面的步骤进行:a) 由问题的提出经过分析得到真值表;b) 由真值表分析归纳出逻辑表达式;c) 将逻辑表达式化简变换出逻辑图。
3、实验内容(1)、利用逻辑转换仪对已知逻辑电路进行分析。
如下图1所示待分析的逻辑电路,在逻辑转换仪面板上单击转换按钮,可得到图2所示的真值表和表达式。
图1.待分析的逻辑电路图2.经分析得到的真值表和表达式(2)、根据要求利用逻辑转换仪进行逻辑电路分析。
●问题的提出:火灾报警器只有在烟感、温感和紫外线三种不同类型的火灾探测器中两种或两种以上的探测器发出火灾探测信号时,报警系统才产生报警控制信号。
●如下图在逻辑转换面板上根据分析列出真值表,如下图3:图3,经分析得到的真值表●分析出最简表达式后单击逻辑表达式到逻辑电路的转换键,得到下图4所示的逻辑电路。
图4,报警控制信号电路思考题:Q1:设计一个4人表决电路,即如果三人或三人以上同意则通过;否则被否决。
(用与非门实现)●利用逻辑转换仪得真值表和表达式如下:●转换得到逻辑电路如下:Q2:利用逻辑转换仪对下图所示逻辑电路进行分析:经过逻辑分析仪的分析得到电路的真值表和最简表达式如下:实验二编码器、译码器电路仿真实验一、实验目的(1)掌握编码器、译码器的工作原理。
实验二:编码与译码显示电路一.芯片功能测试
当74LS247的测试灯输入信号LT3脚接地时:
二:设计5位BCD码显示电路,具有灭零控制功能
三:测试74LS148的逻辑功能
真值表:
输入输出
S0I1I2I3I4I5I6I7I2Y1Y0Y EX
Y S Y
1 * * * * * * * * 1 1 1 1 1
0 1 1 1 1 1 1 1 1 1 1 1 1 0
0 1 1 1 1 1 1 1 0 1 1 1 0 1
0 1 1 1 1 1 1 0 1 0 0 0 0 1
0 1 1 1 1 1 0 1 1 0 0 1 0 1
0 1 1 1 1 0 1 1 1 1 1 1 0 1 0 1 1 1 0 1 1 1 1 1 1 1 0 1 0 1 1 0 1 1 1 1 1 1 1 1 0 1 0 1 0 1 1 1 1 1 1 1 1 1 0 1 0 0 1 1 1 1 1 1 1 1 1 1 0 1 四:医院病房报警器
当0号病房呼叫时显示器显示为0;
当1号病房呼叫时显示器显示为1;
当2号病房呼叫时显示器显示为2;
当3号病房呼叫时显示器显示为3;
当4号病房呼叫时显示器显示为4;
当5号病房呼叫时显示器显示为5;
当6号病房呼叫时显示器显示为6;
当7号病房呼叫时显示器显示为7; 当无病房呼叫时显示为8;
病房的优先级7>6>5>4>3>2>1>0;。