干熄焦 标准
- 格式:docx
- 大小:12.79 KB
- 文档页数:2
干熄准一级焦炭指标
干熄准一级焦炭是一种具有一定标准的焦炭,其指标通常根据生产工艺和市场需求而有所不同。
以下是通常情况下,干熄准一级焦炭的一些可能的主要指标:
1.挥发分(Volatile Matter):通常在2% 到8% 之间。
挥发分是
焦炭中的有机物质,其含量较低通常意味着焦炭的热值更高。
2.固定碳(Fixed Carbon):通常在85% 到92% 之间。
固定碳是
焦炭中的主要成分,用于产生热能。
3.灰分(Ash Content):通常在4% 到10% 之间。
灰分是焦炭中
的无机矿物质和杂质的含量,灰分较低通常意味着焦炭质量较好。
4.硫分(Sulfur Content):通常在0.4% 到1% 之间。
硫分是焦
炭中硫的含量,较低的硫分通常更有利于环保。
5.水分(Moisture Content):通常在1% 到4% 之间。
水分是焦
炭中的水含量,较低的水分有助于提高热值。
6.灼净度(Coke Strength After Reaction,CSR):通常在60 到
75 之间。
CSR 是一个反映焦炭耐高温热塑性的指标,对于一些
工业用途的焦炭很重要。
请注意,这些指标可能会因不同的行业和应用而有所不同,因此您在具体采购或使用焦炭时,应根据您的具体需求和标准来查看相关的规范和质量控制要求。
焦炭通常用于冶金、能源生产和化工工业等领域,因此其质量和指标的要求可能会根据具体用途而异。
干熄焦项目技术要求1旋转焦罐内只能接一炉焦炭(约23.5 t),静置时间不超过30分钟。
2干熄炉预存段压力保持在0~-100 Pa,炉内料位控制在常用料位(上限下限料位之间),排焦温度小于200 ℃,符合工艺要求。
3严格控制干熄炉入口处循环气体的温度在115℃~130℃之间,在锅炉入口处温度不高于980℃,工况正常时不低于680℃。
4 通过导入空气(锅炉入口温度在600~980 ℃时)以及向循环气体通入N2(锅炉入口温度在600 ℃以下,980 ℃以上时)的方法及时调控循环气体中氧气、一氧化炭、氢气的含量,使其符合工艺要求。
CO:6 %以下H2:3 %以下O2:MAX 1 %以下5按设备运行情况及时调控纯水罐、除氧器、汽包的水位。
纯水罐水位:0±100 mm除氧器水位:0±100 mm汽包水位:0±50 mm6认真分析锅炉水质,及时调控,使炉水达到水质要求,主蒸汽品质合格,给水及炉水基准值见下表:7严格控制好副省煤器的入口温度不低于62℃,除氧器入口水温不高于90℃。
8控制除氧器压力保持在0.02 MPa以上,确保除氧效果。
9控制外部管网送来的压缩空气、仪表用压缩空气及N2压力在0.4MPa以上,低压蒸汽压力在0.6MPa以上,满足使用要求。
10根据工况及时调整循环风量的大小,保证锅炉顺利运行。
11锅炉入口气体压力:-1300 Pa以上12干熄炉顶部压力:-100 Pa~0 Pa13二次过热入口温度540℃以下,且不低于饱和温度±10℃(饱和蒸汽压力表见附页)。
14主蒸汽压力调节阀后出口蒸汽温度540±10℃、压力:9.5±0.2MPa(当汽轮发电机运行时,可根据汽轮机进口参数对此蒸汽参数进行适当调整;当汽轮发电机停用时可根据外送蒸汽用户的要求酌情降低蒸汽温度和压力的标准)。
15锅炉给水温度104℃。
准一级干熄焦规格-概述说明以及解释1.引言1.1 概述概述部分的内容可以参考如下所示:在现代工业生产过程中,熄焦是一个重要的环节。
熄焦,即将煤焦炭经过高温处理,使其产生燃烧不完全、不均匀的现象。
这种现象不仅会导致煤焦炭的质量下降,还会对生产设备和环境造成一定的危害。
为了规范熄焦操作,提高生产效率和产品质量,必须建立起一套合理的准一级干熄焦规格。
准一级干熄焦规格是根据生产实践和经验总结而成的一套标准和要求,它涉及到熄焦过程中的各个环节和参数。
准一级干熄焦规格主要包括以下几个方面:首先,熄焦过程中需要控制的温度范围,以确保煤焦炭在熄焦过程中能够得到适当的处理。
其次,还需要注意控制熄焦时间,以避免熄焦时间过长或过短,对煤焦炭造成不必要的影响。
此外,对于熄焦过程中需要使用的辅助设备和化学药剂,也需要规定相应的要求和使用方法。
实施准一级干熄焦规格有助于提高煤焦炭的品质,减少生产过程中的质量变化,降低生产成本,提高生产效率。
此外,它还能够保护生产设备,减少设备维修和更换的频率,延长设备的使用寿命。
同样重要的是,准一级干熄焦规格的制定和执行,也能够保护环境,减少熄焦过程中产生的污染物排放,提高工业生产的可持续性。
未来,随着工业生产的不断发展和技术的不断创新,准一级干熄焦规格也将不断完善和更新。
通过准一级干熄焦规格的进一步优化,可以进一步提高煤焦炭的质量和生产效率,为工业生产的可持续发展做出更大的贡献。
因此,制定和执行准一级干熄焦规格具有重要的意义和价值。
1.2 文章结构文章结构部分的内容如下:文章结构部分旨在向读者介绍文章的组织和框架,以便读者可以清楚地了解整篇文章的内容和逻辑发展。
本文的结构主要分为引言、正文和结论三个部分。
引言部分是文章的开端,旨在引起读者的兴趣和关注。
在引言中,我们首先会概述本文要讨论的内容,简要介绍准一级干熄焦规格的背景和重要性。
然后,我们会详细介绍本文的结构和每个部分的内容,以便读者能够清晰地了解文章的组织和内容安排。
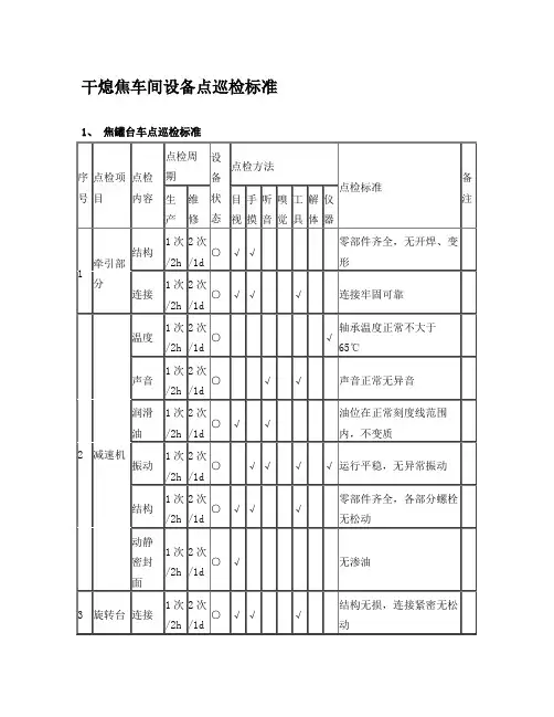
干熄焦车间设备点巡检标准1、焦罐台车点巡检标准
2、焦罐点巡检标准
3、 APS点巡检标准
4、提升机点巡检标准
5、
装入装置点巡检标准
6、排焦装置点巡检标准
7、皮带输送机点巡检标准
8、循环风机点巡检标准
9、除尘风机点巡检标准
10、刮板机点巡检标准
11、斗式提升机点巡检标准
12、加湿机点巡检标准
13、余热锅炉点巡检标准
14、锅炉给水泵点巡检标准
15、除氧器给水泵点巡检标准
16、循环给水泵点巡检标准
17、加药装置点巡检标准
18、除氧器点巡检标准
19、电气设备点巡检标准
备注:h-时,d-天,w-周,m-月,y-年运行(○)停机(△)。
干熄焦温度符号
干熄焦是一种用于焦炭生产的技术,其中温度是一个关键参数。
在干熄焦过程中,通常使用一些特定的温度符号来表示不同阶段或位置的温度。
以下是一些常见的干熄焦温度符号及其含义:
1. T1:表示装入焦炉的红焦温度。
这个温度通常在1000°C 左右。
2. T2:表示干熄炉预存室的温度。
预存室是红焦进入干熄炉之前的区域,T2 温度通常在900°C 至1000°C 之间。
3. T3:表示干熄炉冷却室的温度。
冷却室是红焦在干熄炉中被冷却的区域,T3 温度通常在150°C 至200°C 之间。
4. T4:表示排出干熄炉的冷焦温度。
冷焦在经过干熄炉冷却后被排出,T4 温度通常在100°C 左右。
这些温度符号是干熄焦过程中常用的一些表示方法,具体的符号和温度范围可能会因不同的干熄焦设备和工艺而有所差异。
这些符号的使用有助于操作人员监测和控制干熄焦过程中的温度,以确保安全、高效的生产。
干熄焦工艺及参数熄焦是指在高温下将煤炭或焦炭进行加热,使之发生化学分解的过程。
干熄焦工艺是将煤炭或焦炭放入高温热炉中进行加热,而不添加任何液体介质的熄焦方法。
干熄焦工艺包括常压熄焦和低压熄焦两种。
常压熄焦是指在一定的炉内温度和时间条件下,将煤炭或焦炭熄焦至一定的焦渣率。
常压熄焦的主要工艺参数包括炉温、加热时间和煤焦比。
炉温是指熄焦炉内的温度。
常压熄焦的适宜炉温范围为1300℃至1800℃。
在这个温度范围内,煤炭和焦炭可以发生相应的化学反应,实现熄焦的目的。
炉温的选择应根据原料的特性和目标焦渣率来确定。
加热时间是指在熄焦炉内将煤炭或焦炭加热至一定温度所需的时间。
加热时间的长短会影响煤炭或焦炭的熄焦效果。
在常压熄焦中,加热时间一般为数小时至十几小时。
具体的加热时间需要根据原料的性质和熄焦目标进行调整。
煤焦比是指在熄焦工艺中,煤炭与焦炭的比例。
煤焦比的选择直接影响熄焦的效果。
一般而言,煤焦比过高会导致煤炭无法充分熄焦,焦渣率较低;而煤焦比过低则会导致熄焦过度,焦渣率较高。
在常压熄焦中,煤焦比一般为1:3至1:5低压熄焦是指在一定的温度和压力条件下,将煤炭或焦炭熄焦至一定的焦渣率。
低压熄焦相较于常压熄焦具有更高的熄焦效率和更低的能耗。
低压熄焦的主要工艺参数包括炉温、压力和煤焦比。
炉温和压力是低压熄焦的两个重要参数。
在低压熄焦中,温度较低,通常为800℃至1200℃;压力较高,通常为0.1MPa至1.0MPa。
低温和高压的条件下,煤炭和焦炭的化学反应速度更快,熄焦效果更好。
煤焦比在低压熄焦中依然是一个关键参数。
煤焦比过高会导致煤炭无法充分熄焦,焦渣率较低;而煤焦比过低则会导致熄焦过度,焦渣率较高。
低压熄焦中的煤焦比一般为1:1至1:3总之,干熄焦工艺的参数选择需要根据原料的特性、炉内温度、加热时间、压力和煤焦比等因素来确定。
不同的参数选择将会影响熄焦的效果、能耗以及设备的使用寿命等。
因此,在实际应用中需要综合考虑各个因素,进行合理的参数调整。
干熄焦工程设计标准
干熄焦工程设计标准是指在设计干熄焦工程时应遵循的规范和要求。
以下是一般情况下常见的干熄焦工程设计标准:
1. 涉及到的法律法规:设计需要符合国家相关法律法规的要求,包括环境保护、安全生产、建筑规范等方面的要求。
2. 基本设计要求:包括干熄焦工程的功能要求、工艺要求、生产能力要求等方面的要求。
3. 设计基准和参数:确定设计中所用的各项参数和基准,如炉型、炉壳材料、炉内温度、炉内压力等。
4. 设计细节要求:包括安装位置、管道连接、电气控制系统、排放系统等设计细节的要求。
5. 安全要求:设计要考虑干熄焦过程中的安全性,包括工人操作安全、炉体结构安全等方面的要求。
6. 环境保护要求:设计要考虑干熄焦过程对环境的影响,包括烟气处理、废水处理等方面的要求。
7. 节能环保要求:设计要考虑干熄焦过程的节能性和环保性,包括炉内热效率、能源利用效率、废物处理等方面的要求。
以上是一些常见的干熄焦工程设计标准,具体的要求还需要根据实际情况和项目需求进行确定。
1 主要内容与适用范围本标准规定了工长岗位职责、人员素质要求、作业程序、作业方法、安全注意事项、相关岗位的关系及信息传递、检查与考核办法。
本标准适用于工长岗位。
2 采用文件2.1 《公司管理职责、管理程序》2.2 公司、厂部颁发的与本岗位有关的质量体系文件。
2.3 《武钢焦化公司岗位安全技术规程》3 岗位职责3.1在车间副主任的领导下,负责完成车间下达的各项生产工作任务及临时任务,并服从厂调度室的生产指挥和调度。
3.2负责本工段的产量、质量、原材料、消耗、指标的完成,设备的维护和保养,搞好文明生产。
3.3中夜班代行车间主任职权。
3.4负责对本班人员进行“三个三”的教育,并严格贯彻执行,在生产中负责组织处理生产中发生的一切大小事故,并及时向上级领导汇报。
3.5对违章作业者,不听从指挥者,有权制止和停止其工作。
3.6负责本工段人员的政治、业务、技术学习,做好思想政治工作。
3.7负责安排落实新工人的包教合同,并检查安全操作证。
3.8定期进行安全教育,抓好安全生产。
4 人员素质要求4.1 符合本岗位技术等级相应标准要求。
4.2 身体健康,热爱工长工作,有实干精神,认真负责,吃苦耐劳。
4.3 具备大专以上文化程度,熟悉干熄焦工艺流程和各岗位工艺标准,并经过岗位培训后考试合格者。
4.4 经安全、防火知识考试成绩合格者。
4.5 本岗位设置人数执行厂组织人事部下达的定员规定。
5 作业程序图6 作业方法与要求7、事故与故障处理7.1遇到下列情况,工长应果断停止机组运行,防止事故扩大。
7.1.1锅炉亏水、满水。
7.1.2炉管爆破,不能保证安全运行时。
7.1.3所有水位计损坏。
7.1.4不明原因的或不能很快消除的超温、超压事故。
7.1.5除氧器水位超低。
7.1.6两台锅炉给水泵同时停止运行。
7.1.7锅炉循环水流量超低。
7.2在下列情况下停炉需要领导批准,并且为了正确分析事故原因,在事故发生后,将事故发生的时间、地点及处理经过详细记录下来并向领导汇报。
焦化厂
干熄焦主要技术参数与指标
公司已采实现全干熄。
干熄焦与湿熄焦相比,通过比对,干熄焦可使M40提高3—5%,M10降低0.5—0.8%,粒度更均匀,这样的粒度有利于高炉反应和降低焦比。
装满红焦的焦罐车由电机车牵引至提升井架底部。
提升机将焦罐提升并送至干熄炉炉顶,通过带布料料钟的装入装置将焦炭装入到干熄炉内。
在干熄炉中焦炭与惰性气体直接进行热交换,焦炭被冷却至200℃以下,经排焦装置卸到带式输送机上,然后送到焦处理系统。
循环风机将冷却焦炭的惰性气体从干熄炉底部的供气装置鼓入干熄炉内,与红热的焦炭逆流换热。
自干熄炉排出的热循环气体的温度约为819℃,经一次除尘器除尘及引入空气将可燃组分燃烧一部分后进入干熄焦余热锅炉换热,温度降至173℃。
由锅炉出来的冷循环气体经二次除尘
后,由循环风机加压,再经气体冷却器冷却至140℃后进入干熄炉循环使用。
一、二次除尘器分离出来的焦粉,由专门的输送设备将其收集在贮槽内,以备外运。
干熄焦装置的装料、排料、风机后的放散等处的烟尘均进入干熄焦地面除尘系统,进行除尘后放散。
表:主要技术参数与指标
通过配30—40%型煤可以提高堆比重,型煤的导热性比粉煤好,型煤先在高温下软化熔融,使胶质体流入粉煤,由于型煤的膨胀压力大,挤压周围的粉煤,均使整体煤料粘结性进一步改善,另外,由于制取型煤时所添加粘合剂,又对弱粘结性煤起到
改质作用。
配一定量型煤(30—40%),可以改善焦炭的冷、热态性能,也可以使焦炭质量逐步提高。
干法熄焦安全规程1 范围本标准规定了焦化企业干法熄焦的平面布置、消防、电气仪表、工艺及设备、检修、职业卫生等生产安全的基本要求。
本标准适用于焦化企业新建、扩建和改造干法熄焦项目的设计、施工与验收,以及现有设施的生产、维护、检修和管理。
因采用新技术、引进国外技术而不能执行本标准的有关规定时,需提出相应的安全规定(附科学依据),组织相关专家论证通过后,方能使用和运行。
2 规范性引用文件下列文件对于本文件的应用是必不可少的。
凡是注日期的引用文件,仅注日期的版本适用于本文件。
凡是不注日期的引用文件,其最新版本(包括所有的修改单)适用于本文件。
GB/T 5972 起重机钢丝绳保养、维护、检验和报废GB 6067.1 起重机械安全规程第1部分:总则GB 6222 工业企业煤气安全规程GB 7588 电梯制造与安装安全规范GB/T 12145 火力发电机组及蒸汽动力设备水汽质量GB 12710 焦化安全规程GB/T 29510 个体防护装备配备基本要求GB 30871化学品生产单位特殊作业安全规范GB 50011 建筑抗震设计规范GB 50016 建筑设计防火规范GB 50034 建筑照明设计标准GB 50046 工业建筑防腐蚀设计规范GB 50057 建筑物防雷设计规范GB 50058 爆炸危险环境电力装置设计规范GB 50115 工业电视系统工程设计规范GB 50140 建筑灭火器配置设计规范GB 50217 电力工程电缆设计规范GB 50414 钢铁冶金企业设计防火规范GB 51128 钢铁企业煤气储存和输配系统设计规范GBZ 1 工业企业设计卫生标准GBZ 2.1 工作场所有害因素职业接触限值第1部分:化学有害因素GBZ 2.2 工作场所有害因素职业接触限值第2部分:物理因素GBZ 188职业健康监护技术规范GBZ/T 189.8 工作场所物理因素测量第8部分:噪声GBZ 235 放射工作人员职业健康监护技术规范HG 20571 化工企业安全卫生设计规范NB/T 42047 干熄焦余热锅炉技术条件TSG G0001 锅炉安全技术监察规程TSG G5001 锅炉水(介)质处理监督管理规则TSG Q5001 起重机械使用管理规则TSG G7002 锅炉定期检验规则YB 4358 钢铁企业胶带机钢结构通廊设计规范3 术语和定义1下列术语和定义适用于本文件。
干熄焦操作的基本要求有哪些?
答:干熄焦正常生产中,应根据干熄炉的装焦计划,选择合适的排焦量。
并以一定的排焦量连续稳定操作。
一定的排焦量,原则上应匹配一定的循环冷却风量。
以便将锅炉入口温度控制在设计允许值以下的最小波动范围内,防止该温度骤升骤降,使锅炉入口耐火材料受损以及对锅炉炉管造成不良影响。
在锅炉入口温度超出控制范围或有可能导致锅炉入口温度超出控制范围的情况发生时,应及时采取必要的措施,对部分操作条件进行更改。
正常生产中,任何一次对干熄焦系统操作条件的改变,都要尽可能在现有操作条件稳定的情况下进行。
在改变操作条件时,要逐步进行,而且要留有余地,谨慎地调节。
在装红焦时以及装红焦前后装入装置打开的状态下,干熄焦气体循环系统部分工艺参数会有所波动,此时尽量不要改变操作条件。
排焦温度应控制在设计允许值以下,而且应尽量控制稳定。
循环气体中可燃成分的浓度应控制在规定的范围。
当干熄焦的设备发生故障时,一定要到现场检查确认,找出故障原因并进行处理。
故障消除后进行该设备的单机调试,确认没问题后再投入干熄焦的自动运行。
干熄焦工艺及设备本身有各自的设计参数,没有特殊原因不准超过工艺及设备规定的参数界限值运行设备。
干熄焦循环气体标准含量一、氧气含量干熄焦循环气体中的氧气含量是衡量气体质量的重要指标。
根据相关规定,氧气含量应控制在一定范围内,以保证干熄焦工艺的安全和稳定。
如果氧气含量过高,会导致焦炭燃烧,从而影响干熄焦效果;如果氧气含量过低,会导致气体不完全燃烧,产生一氧化碳等有害气体。
因此,需要对干熄焦循环气体中的氧气含量进行严格控制。
二、一氧化碳含量一氧化碳是一种有毒气体,干熄焦循环气体中的一氧化碳含量也需要严格控制。
如果一氧化碳含量过高,会对人体健康造成危害,甚至可能导致中毒事件。
因此,需要采取有效措施降低干熄焦循环气体中的一氧化碳含量。
三、氮气含量氮气是一种惰性气体,在干熄焦循环气体中起到稀释作用。
适量的氮气可以提高干熄焦循环气体的热值,从而提高干熄焦效果。
但是,如果氮气含量过高,会导致气体热值降低,影响干熄焦效果。
因此,需要对氮气含量进行合理控制。
四、二氧化碳含量二氧化碳是干熄焦循环气体中的一种常见气体,其含量对干熄焦效果也有一定影响。
适量的二氧化碳可以提高干熄焦循环气体的热值,从而提高干熄焦效果。
但是,如果二氧化碳含量过高,会导致气体热值降低,影响干熄焦效果。
因此,需要将二氧化碳含量控制在合理范围内。
五、甲烷含量甲烷是干熄焦循环气体中的另一种常见气体,其含量对干熄焦效果也有一定影响。
适量的甲烷可以提高干熄焦循环气体的热值,从而提高干熄焦效果。
但是,如果甲烷含量过高,会导致气体热值不稳定,影响干熄焦效果。
因此,需要将甲烷含量控制在合理范围内。
六、氢气含量氢气是干熄焦循环气体中的另一种气体,其含量对干熄焦效果也有一定影响。
适量的氢气可以提高干熄焦循环气体的热值,从而提高干熄焦效果。
但是,如果氢气含量过高,会导致气体热值不稳定,影响干熄焦效果。
因此,需要将氢气含量控制在合理范围内。
干熄焦循环系统压力控制有何要求?
答:干熄焦系统因设计能力的不同,气体循环系统各部位的压力设计值也不同。
同一套干熄焦,因生产能力的不同,气体循环系统各部位的压力控制值也不同。
但压力的变化趋势以及被测量部位两点之间的压力差值的变化,都能反映出气体循环系统存在的问题。
用以提醒操作人员及时检查出现的故障并采取相应的处理措施,使干熄焦的操作恢复正常。
最主要的原则是控制预存段压力,一般控制在0~-100Pa,预存段压力不能控制太低,否则打开炉盖时大量的空气会吸入干熄炉使焦炭燃烧,过高达到正压时,装焦漏斗处会冒出烟尘,因此预存段压力应保持适当。
干熄焦标准
1. 术语和定义
干熄焦(Dry Coke Cooling)是一种焦炭生产过程中,利用惰性气体(如氮气或二氧化碳)在干熄炉内与高温焦炭进行热交换,从而冷却焦炭的工艺。
干熄焦标准用于规范干熄焦工艺和操作行为,确保生产过程中的安全、质量和环保要求。
2. 设备要求
2.1 干熄焦设备应包括干熄炉、装料设备、排料设备、惰性气体循环系统、余热回收系统、控制系统等部分。
2.2 干熄炉应符合设计要求,具备足够的冷却能力和耐火材料性能,炉内应设置可靠的耐火材料和砌筑结构,以确保炉体使用寿命。
2.3 装料设备和排料设备应具备自动化控制和调节功能,能够实现快速、准确的操作。
2.4 惰性气体循环系统应配备过滤和除尘设备,确保循环气体的清洁和干燥。
2.5 余热回收系统应具备高效换热器和回收设备,能够将干熄炉内的余热转化为有用能源。
2.6 控制系统应采用自动化控制技术,具备实时监测和报警功能,能够实现远程监控和操作。
3. 操作规程
3.1 操作人员应经过专业培训,熟悉干熄焦设备的结构、性能和操作规程。
3.2 操作人员应按照规定的安全操作规程进行操作,确保设备安全运行。
3.3 操作人员应定期对设备进行检查和维护,发现异常情况及时处理并上报。
3.4 操作人员应配合维修人员进行设备保养和维护,确保设备正常运行。
4. 维护与保养
4.1 设备维护与保养应按照规定的时间表进行,确保设备正常运行和使用寿命。
4.2 对于关键设备,应定期进行预防性维护和检查,确保其正常运行和使用寿命。