扣件式钢管脚手架的拆除安全要求
- 格式:doc
- 大小:8.94 KB
- 文档页数:4
扣件式钢管脚手架的拆除安全要求扣件式钢管脚手架在使用完毕后就应立即拆除。
在拆除前要做好以下工作:(1)完成外墙装饰面(墙面饰面、门窗及墙面其他装饰)的最后整修和清洁工作,其质量已符合规定要求,并经验收。
(2)对脚手架进行安全检查,确认脚手架不存在严重隐患。
如存在影响拆除脚手架安全的隐患,应先对脚手架进行整修和加固,以保证脚手架在拆除过程中不发生危险。
(3)对参与脚手架拆除的操作人员、管理人员和检查、监护人员进行施工方案、安全、质量和外装饰保护等措施的交底。
交底的内容应包括拆除范围、数量、时间和拆除顺序、方法、物件垂直运输设备的数量,脚手架上的水平运输、人员组织,指挥联络的方法和用语,拆除的安全措施和警戒区域。
如果在夜间施工还要有照明和安全用电等内容。
交底要有记录,双方均应在交底书上签字。
参与拆除脚手架人员的职责要明确,并要明确相互间的关系,要有工作制度和必要的奖惩办法。
(4)外脚手架的拆除严禁在垂直方向上同时作业,因此要事先做好其他垂直方向工作的安排,故第1条规定的工作必须在全部完成后,方可开始拆除外脚手架,决不允许下部在脚手架上做外墙面的整修清洁工作,上面就进行脚手架拆除,更不允许下部做外饰面和上部拆除脚手架同时进行。
拆除脚手架时要特别加强出入口处的管理。
拆除脚手架时,下部的出入口必须停止使用。
对此除监护人员特别要注意外,还应在出入口处设置明显的停用标志和围栏,此装置必须内外双面都加设置。
(5)在拆除的脚手架周围,于坠落范围四周设置明显禁止入内的标志,并有专人监护,以保证在拆脚手架时无其他人员人内。
(6)对于拆除脚手架用的垂直运输设备要事先检查和试车,使之符合安全使用的要求,并对操作人员和使用人员交底,规定联络用语和方法,明确职责,以保证脚手架拆除时其垂直运输设备能安全运转。
(7)建筑物的外墙门窗都要关紧,并对可能遭到碰撞处给予必要的保护。
建筑物如设有临时外挑物,必须在拆除脚手架前拆除。
上述一些工作经检查符合要求合,并确认建筑施工再也不需用脚手架时就可进行脚手架的拆除。
扣件式钢管脚手架拆除工程安全技术指导书1、拆除现场必须设警戒区域,张挂醒目的警戒标志。
警戒区域内严禁操作台人员通行或在脚手架下方继续组织施工。
地面监护人员必须履行职责。
高层建筑脚手架拆除,应配备良好的通讯装置。
2、仔细检查吊运机械包括索具是否可靠。
吊运机械不允许搭设在脚手架上,应另立设置。
3、如遇强风、雨、雪等特殊天气,不应进行曲脚手架的拆除。
夜间实施拆除作业,应具备良好的照明设备。
4、所有高处作业人员,应严格按高处作业规定执行花遵守安全纪律、拆除工艺要求。
5、建筑物内所有窗户必须关闭锁好,不允许向外开启或向外伸挑物件。
6、拆除人员进入岗位以后先进行检查,加固松动部位,清除步层内留的材料、物件及垃圾块。
所有清理物应安全输送至地面,严禁高处抛掷。
7、按搭设的反程序进行拆除,即安全网竖挡笆防护栏杆搁栅斜拉杆连墙杆大横杆小横杆立杆。
8、不允许分立面拆除或上、下二步同时拆除(踏步式)、认真做到一步一清,一杆一清。
9、所有连墙杆、斜拉杆、隔排措施、登高措施必须随脚手架步层撤除同步进行曲下降。
不准先行拆除。
10、所有权杆件与扣件,在拆除时应分离,不允许杆件上附着扣件输送地面,或两杆同时拆下输送地面。
11、所有权垫铺笆拆除,应自外向里竖立、搬运,防止自里向外翻起后,笆面垃圾物件直接从高处坠落伤人。
12、脚手架内必须使用电焊气割工艺时,应严格按照国家特殊工种的要求和消防规定执行。
增派专职人员,配备料斗(桶),防止火星和切割物溅落。
严禁无证动用焊割工具。
13、当日完工后,应仔细检查岗位周围情况,如发现留有隐患的部位,应及时进行修复或继续完成至一个程序、一个部位的结束,方可撤离岗位。
14、输送至地面的所有杆件、扣件等物件,应按类堆放整理。
扣件式钢管脚手架拆除工程安全技术指导书(2)《扣件式钢管脚手架拆除工程安全技术指导书》第一章:引言1.1 指导目的本安全技术指导书旨在规范扣件式钢管脚手架拆除工程的安全操作,确保施工人员的人身安全和财产安全。
扣件式钢管脚手架拆除的安全技术要求扣件式钢管脚手架作为一种常见的搭建和拆除脚手架的方法,广泛应用于建筑工程和其他工业领域。
在拆除扣件式钢管脚手架时,必须遵循一系列安全技术要求,以确保工人的安全和防止意外发生。
下面将详细介绍拆除扣件式钢管脚手架的安全技术要求。
一、组织管理要求1. 拆除扣件式钢管脚手架前,必须组织专业技术人员编制详细的拆除方案,并按照方案进行操作。
2. 拆除工作必须由持有相应工种证书和经过培训的工人进行,禁止未经培训的人员参与。
3. 在拆除现场必须设立专人负责监督,确保操作正确。
4. 确保拆除现场的秩序良好,将毒害、易燃、易爆物品清除干净,保持工作区域的整洁。
二、安全防护要求1. 在拆除过程中,工人必须佩戴符合要求的个人防护装备,包括安全帽、防滑鞋、防护手套等。
2. 组织拆除前,应对脚手架进行全面检查,确保结构完好无损,安全可靠。
3. 在拆除过程中,应设置安全警示标志,以提示他人注意安全。
4. 确保工作区域内无水、无油,并设置防滑措施以防止滑倒事故的发生。
5. 禁止在潮湿、多风、或可能引起尘土飞散的天气条件下进行拆除工作。
三、拆除工序要求1. 拆除工作必须按照逐层拆除的原则进行,严禁跳层拆除。
2. 拆除前必须解除脚手架上的全部加载物,确保没有额外荷载。
3. 拆除前必须撤除横杆、纵杆,并小心保管,以免坠落伤人。
4. 在拆除过程中,禁止使用火焰或其他可能引起火灾的工具。
5. 拆除脚手架后,应及时清理拆除现场的杂物,以免妨碍施工。
四、疏散对策要求1. 拆除现场应设置合理的出入口,并确保通行畅通。
2. 当拆除高度达到一定程度时,应对施工现场进行安全围护,以确保下方行人的安全。
3. 在拆除过程中,禁止人员在拆除区域下方通行。
五、应急救援要求1. 拆除工作进行中,必须配备名副其实的急救箱,并设立相应的急救护理点。
2. 所有参与拆除的人员必须接受必要的急救培训,并知晓紧急情况下的应急处置流程。
六、禁止行为1. 禁止在脚手架上奔跑、跳跃或挥舞的行为。
扣件式钢管脚手架拆除安全技术交底一、引言扣件式钢管脚手架是建筑工地常用的搭建工具,但在使用完毕后,必须进行安全拆除。
本文将详细介绍扣件式钢管脚手架拆除的安全技术要点,旨在确保施工人员在拆除过程中的安全性和高效性。
二、拆除前准备工作在进行钢管脚手架拆除之前,务必进行以下准备工作,以确保施工过程的顺利安全进行:2.1 安排专业人员拆除钢管脚手架需要由具备相关技术和经验的专业人员负责执行。
他们需要熟悉施工现场的情况并掌握正确的拆除方法。
2.2 检查脚手架支撑情况在拆除之前,应仔细检查脚手架的支撑情况,包括地基稳固性、扣件连接是否松动等。
如发现任何异常情况,应及时进行修复和调整。
2.3 警示标识设置在拆除现场周围设置醒目的警示标识,以提醒行人和其他工作人员注意安全。
标识应包括拆除时间、拆除区域和施工警示等内容。
三、拆除步骤扣件式钢管脚手架的拆除过程应按照以下步骤进行:3.1 安全绳的使用在拆除过程中,施工人员应始终使用安全绳,并正确佩戴在身上。
安全绳应固定在安全点上,以确保施工人员在高处工作时的安全。
3.2 拆除顶层脚手板从顶层开始逐层拆除脚手板。
首先,用铁锤将脚手架板锤松动,然后使用扳手逐个拆除扣件。
拆除扣件时应注意安全,以免发生脚手架板突然坍塌的情况。
3.3 拆除中间层脚手板当顶层脚手板拆除完毕后,须按照相同的方式逐层拆除中间层脚手板。
同样,先用铁锤松动脚手架板,然后使用扳手逐个拆除扣件,确保拆除过程平稳安全进行。
3.4 拆除底层脚手板当顶层和中间层脚手板拆除完毕后,最后拆除底层脚手板。
在拆除底层脚手板之前,要确保拆除顶层和中间层后脚手架仍然稳定。
同样地,使用铁锤松动脚手架板,然后使用扳手逐个拆除扣件。
3.5 拆除立杆和横杆完成脚手板的拆除后,开始拆除立杆和横杆。
根据需要,可以使用铁锤轻敲杆件,使其松动。
然后使用扳手逐个拆除立杆和横杆上的扣件。
在拆除过程中,注意确保脚手架的稳定性,避免杆件突然坍塌。
扣件式钢管脚手架拆除的安全技术要求扣件式钢管脚手架是一种常用的搭建高处施工的脚手架,而拆除脚手架同样需要高度的安全技术要求。
下面是扣件式钢管脚手架拆除的安全技术要求:1. 制定详细的拆除计划:在拆除脚手架之前,必须制定详细的拆除计划,包括拆除顺序、操作方法、安全注意事项等。
计划中应考虑到周围环境、气候条件、人员规模等因素。
2. 移除工具和材料:在拆除脚手架之前,必须将工具和材料从脚手架上移除,以免造成意外伤害或物品损坏。
3. 确保基础稳定:在开始拆除脚手架之前,必须确保脚手架的基础稳定,并做好防滑措施,防止拆除过程中脚手架发生倾倒或滑动。
4. 使用正确的工具和设备:拆除脚手架时,必须使用适当的工具和设备,如扳手、锤子、电钻等。
同时,操作人员必须熟悉并妥善使用这些工具和设备,避免人为错误导致意外事故发生。
5. 保持稳定的工作姿势:在拆除脚手架时,操作人员必须保持稳定的工作姿势,尽量避免过度伸展或扭曲身体,以免造成肌肉损伤或摔倒。
6. 穿戴个人防护装备:在拆除脚手架时,操作人员必须穿戴个人防护装备,如安全帽、防滑鞋、手套、护目镜等,以保护自身的安全。
7. 小心拆除脚手架的连接件:在拆除脚手架时,必须小心处理和拆卸脚手架的连接件,避免损坏连接件或造成脚手架部分坍塌。
8. 分阶段拆除:在拆除脚手架时,应采用分阶段拆除的方式,逐步移除脚手架的各个部分。
每一阶段的拆除前都要进行仔细的检查,确保拆除后不会对整体的稳定性造成影响。
9. 周围防护措施:在拆除脚手架时,应设置周围的防护措施,如警示标志、安全网等,以防止工人或其他人员误入施工区域造成伤害。
10. 及时清理工地:在拆除脚手架后,应及时清理工地,清除脚手架的残余物和垃圾,确保工地的整洁和安全。
总之,拆除扣件式钢管脚手架时,安全是首要的考虑因素。
只有符合安全标准和规范,严格按照操作规程进行拆除,才能确保拆除过程的安全性。
扣件式钢管脚手架拆除的安全技术要求(二)扣件式钢管脚手架是一种常用的搭建和拆除施工现场的临时支撑系统。
扣件式钢管脚手架搭设与拆除安全技术要求1. 引言扣件式钢管脚手架是一种常用的搭建和拆除工程施工现场所使用的临时设施。
为了确保工作人员的安全以及工程质量的保证,特定的安全技术要求在脚手架的搭设和拆除过程中必须得以遵守和执行。
本文将详细介绍扣件式钢管脚手架搭设与拆除的安全技术要求。
2. 搭设安全技术要求在钢管脚手架的搭设过程中,需要遵守以下安全技术要求:2.1 施工前的准备工作在施工前,需要进行充分的准备工作,包括但不限于以下内容: - 确定施工区域是否稳定,不存在地质灾害和其他危险因素; - 搭设脚手架的地基应平整、坚实,无明显障碍物;- 计算和确定脚手架的设计和承载能力; - 动态监测天气状况,确保施工期间没有极端天气出现。
2.2 脚手架搭设的基本要求在搭设脚手架时,需要注意以下基本要求: - 吊装和翻放钢管时,要使用合适的吊装设备并正确使用; - 所有的钢管需要进行检查,确保没有明显的缺陷和损坏; - 在搭设高度超过2米的脚手架时,需要采取防护措施,如设置安全网、安全带等; - 脚手架的斜撑和斜撑连接件应牢固,防止斜撑松动或倾斜; - 根据工程需要,设置脚手架的登高井和安全出入口,保证人员的安全。
2.3 脚手架搭设时的安全操作要求在脚手架搭设过程中,必须遵守以下安全操作要求: - 所有施工人员必须佩戴符合要求的个人防护装备,包括安全帽、安全鞋等; - 施工人员必须经过专门的培训,熟悉脚手架的搭设和使用规范; - 在搭设过程中,应根据需要设置安全警示标志,明确脚手架的安全边界; - 施工人员应定期检查脚手架的斜撑、连接件等部件的稳固性,如发现问题及时修复。
2.4 脚手架搭设的管理要求在脚手架搭设过程中,必须满足以下管理要求: - 设立专门负责脚手架搭设管理的责任人; - 脚手架搭设前必须经过管理人员的验收,确保符合相关要求; - 施工单位需建立脚手架日常巡查和维护制度,定期检查脚手架的安全状况; - 脚手架的使用许可证明和检测报告应妥善保管,随时提供给相关管理部门查阅。
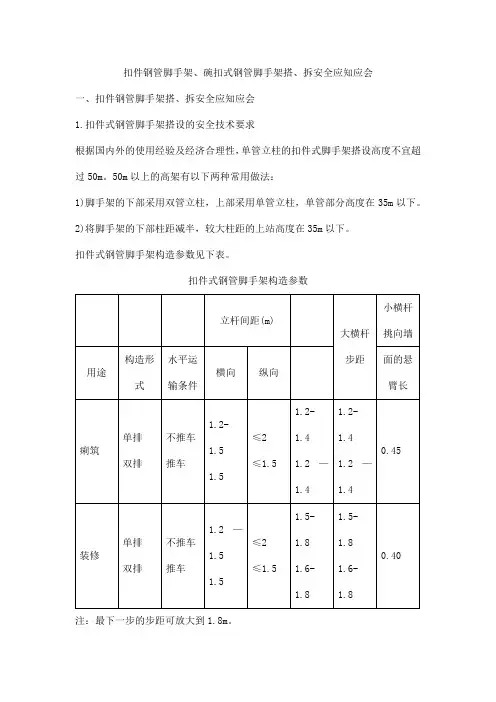
扣件钢管脚手架、碗扣式钢管脚手架搭、拆安全应知应会一、扣件钢管脚手架搭、拆安全应知应会1.扣件式钢管脚手架搭设的安全技术要求根据国内外的使用经验及经济合理性,单管立柱的扣件式脚手架搭设高度不宜超过50m。
50m以上的高架有以下两种常用做法:1)脚手架的下部采用双管立柱,上部采用单管立柱,单管部分高度在35m以下。
2)将脚手架的下部柱距减半,较大柱距的上站高度在35m以下。
扣件式钢管脚手架构造参数见下表。
扣件式钢管脚手架构造参数注:最下一步的步距可放大到1.8m。
(2)在搭设脚手架前,单位工程负责人应按施工组织中有关脚手架的要求,逐级向架设和使手人员进行技术交底。
1)对钢管、扣件、脚手板等进行检查验收,不合格的构配不得使用。
2)清除地面杂物,平整搭设场地,并使排水畅通。
(3)地基处理与底座安放。
1)根据脚手架的搭设高度、搭设场地土质情况,可按下表或根据计算要求进行地基处理。
立杆地基基础构造注:表中混凝土垫块厚度不小于200mm;垫木厚度不小于50mm。
当脚手架搭设在结构楼面、挑台上时,立杆底座下应铺设垫板或垫块,并对楼面或挑台等结构进行强度验算。
2)按脚手架的柱距、排距要求进行放线、定位。
3)铺设垫板(块)和安放底座,并应注意以下事项:①垫板、底座应准确地放在定位线上;⑦垫板必须铺放平稳,不得悬空;③双管立柱应采用双管底座或点焊于一根槽钢上。
(4)扣件式钢管脚手架的搭设和安全技术要求。
1)脚手架搭设顺序如下:放置纵向扫地杆斗立柱→横向扫地杆→第一步纵向水平杆→第一步横向水平杆→连墙件(或加抛撑)→第二步纵向水平杆→第二步横向水平杆…2)搭设立柱的注意事项:①外径48mm与51mm的钢管严禁混合使用。
②立柱上的对接扣件应交错布置,两个相邻立柱接头不应设在同步同跨内,两相邻立柱接头在高度方向错开的距离不应小于500mm;各接头中心距主节点的距离不应大于步距1/3。
③开始搭设立柱时,应每隔6跨设置一根抛撑,直至连墙件安装稳定后,方可根据情况拆除。
扣件式钢管脚手架的拆除安全要求扣件式钢管脚手架的拆除是一个重要的施工环节,需要严格遵守安全操作规程,以确保人员安全和施工质量。
以下是扣件式钢管脚手架拆除的安全要求:一、组织准备工作:1. 项目负责人应根据施工进度和安全技术措施,制定详细的工作计划和施工方案,并告知相关人员。
2. 安排专人负责扣件式钢管脚手架拆除工作,并组织人员进行专门培训,确保其熟悉操作流程和安全要求。
3. 审查扣件式钢管脚手架的使用记录,了解其使用情况和存在的问题,做好记录和整改工作。
二、准备工作:1. 拆除前,应对扣件式钢管脚手架进行全面检查,确认其稳定可靠,不存在破损、腐蚀和变形等问题,如果发现问题应及时修复或更换。
2. 清除扣件式钢管脚手架上的杂物、工具和残留物,确保拆除工作顺利进行。
3. 组织人员检查扣件式钢管脚手架与建筑物之间的连接,确认连接牢固可靠,不存在松动或脱落的情况。
三、拆除途径的安全:1. 根据具体情况,选择合适的拆除途径,合理设置拆除区域,确保人员和设备的安全。
2. 在拆除区域附近设置明显的安全警示标志,并限制非拆除人员的进入。
3. 对于高处和复杂的扣件式钢管脚手架,应设立临时安全设施,如防护栏杆、安全网等,确保人员在拆除过程中的安全。
4. 严禁使用高空坠物的工具和设备,如重物吊下、人力抛掷等,必须使用抓斗、项链、吊索等安全工具进行高处物体的移动和拆除。
四、拆除操作的安全:1. 操作人员必须佩戴安全帽、防护鞋和防护手套等个人防护用具,确保自身的安全。
2. 使用适当的工具进行拆卸,不得使用不符合要求的工具或过大的力量进行操作,以免损坏扣件或造成危险。
3. 在拆除过程中,应遵守拆卸顺序,先拆除上部结构,再拆除下部结构,逐层向下移动,确保操作的稳定性。
4. 拆卸过程中,人员应注意稳定身体姿势,避免站立在不稳定的构件上或过度伸展身体。
5. 在拆卸过程中,应注意与其他作业人员的配合,互相提醒和协调,确保安全。
五、施工现场的安全:1. 拆卸过程中应定期清理施工现场,避免杂物和残渣的堆积,确保施工现场的整洁。
外墙扣件式钢管脚手架拆除施工方案(修改后)
一、施工前准备
在开始拆除工作之前,需要进行以下准备工作:
•安排专业拆除人员进行拆除作业;
•确保所有拆除人员已经接受过必要的安全培训;
•准备必要的拆除工具和设备,如扳手、榔头、扫把等;
•检查施工场地周围是否有人员及设备需要移动或保护,做好相应的交通和安全防护措施。
二、拆除流程
在进行拆除作业时,按照以下步骤进行:
1. 固定周边设备及区域
在拆除区域周围设置明显的安全警示标志,防止他人进入作业区域。
同时,需
固定好附近设备和建筑物,避免因振动而引起意外。
2. 拆除脚手架扣件
使用扳手逐个拆除连接脚手架的扣件,确保拆除过程中稳定脚手架的结构,防
止发生倒塌事故。
3. 拆除钢管
逐根拆除连接在扣件上的钢管,注意避免丢失或损坏,同时确保操作安全及合理。
4. 清理现场
将拆除下来的扣件和钢管分类整理,清理施工现场,避免杂物或尖锐物品对施
工环境及其他人员造成伤害。
三、安全注意事项
•拆除作业中所有人员必须佩戴必要的安全防护用具,如安全帽、手套、防护镜等;
•严格执行作业指导方案,禁止擅自更改或忽视操作规程;
•注意施工现场的通风情况,避免吸入有害气体;
•在拆除高处脚手架时,必须使用合格的防坠落设备,确保工作人员安全。
四、结束语
外墙扣件式钢管脚手架的拆除作业需要严格按照施工方案操作,保证施工效率和作业安全。
在实际操作过程中,应根据具体情况灵活调整,保障拆除作业的顺利进行,确保施工现场的安全和整洁。
扣件式钢管脚手架的拆除安全要求前言扣件式钢管脚手架是建筑施工中常见的搭建工具,它的主要组成部分是钢管和连接器。
在搭建完毕后,拆除工作同样必不可少。
然而,拆除过程中存在许多安全隐患,错误的操作很可能会造成人身伤害和财产损失。
为了防止这种情况的发生,合理的拆卸方案和拆卸规定都需要依据安全要求执行。
相关法律法规要保障建筑施工人员的人身安全和财产安全,扣件式钢管脚手架的拆除必须按照相关法律法规执行。
其中,建设部颁布的《建筑施工高处作业安全技术规程》和国家安全监管局颁布的《安全生产法》都对扣件式钢管脚手架的搭建与拆卸有明确规定。
根据《建筑施工高处作业安全技术规程》第4节高处脚手架的搭设、使用与拆除,扣件式钢管脚手架的拆除必须按照以下要求执行:1.在时间充裕的情况下,应以自下而上、按系统顺序的原则进行拆除。
2.拆除工作的实施者应受到培训,特别是没有从事过该工作的人员应经过详细的讲解和示范操作。
3.拆下的松散钢管和松散的连接器必须垂直向下一一交出,不得有丢掷或推挤。
4.在拆除过程中,禁止向下抛掷物品,防止对下方人员造成伤害。
5.对于脚手架上的所有设施,例如吊篮、升降机等等,应在拆卸之前进行拆除或撤除。
拆卸方案在执行拆卸工作之前,首先需要进行人员和材料的清点。
按照需要进行的拆卸程度,确定需要用到的工具和劳动力,并通知参与拆卸的人员及时到场。
在安全方面,可以根据以下拆卸方案执行拆卸工作:1.拆卸工作应在天气晴朗、风力不大的情况下进行。
拆卸工作人员必须穿戴统一的劳保用品,包括安全帽、防滑安全鞋、手套等。
2.在室外施工场地,应设置专门的安全保护设施,如用板材加固,防止拆除期间失足或有松散物坠落。
3.检查钢管脚手架是否牢固,找出任何可能对拆除造成危险的松散连接器、损坏、未穿连接器、未拧紧螺钉等,必须及时进行维修或更换。
4.用工具轻轻敲击一下拆下的钢管和连接器,如果听到异常的声音,必须进行维修或更换。
5.拆卸的顺序必须按照建筑结构的相应位置顺序进行,而且在拆卸工作的过程中,必须保持平衡,不允许带有重物或通过扔下去的方式来拆除脚手架。
扣件式钢管脚手架拆除的安全技术要求扣件式钢管脚手架是一种常用的搭建施工支架的工具。
当施工完毕后,需要对脚手架进行拆除。
拆除脚手架时,必须严格遵循安全规范,以确保工作人员的安全。
以下是拆除扣件式钢管脚手架时的安全技术要求。
1. 组织拆除前的安全会议在拆除扣件式钢管脚手架之前,必须进行安全会议,确保每个人都了解拆除过程中需要注意的所有安全问题。
在会议中,必须讨论如何拆除脚手架、使用正确的工具以及如何避免潜在危险。
2. 检查扣件式钢管脚手架在拆除脚手架之前,必须仔细检查脚手架的所有元件。
检查螺栓、钢管、扣件、台车、支撑杆和其他零部件是否全部完好无损,并且没有出现任何裂纹或者其他破损。
3. 移除脚手架上的所有材料在拆除扣件式钢管脚手架之前,必须先移除所有脚手架上的材料和工具,并且仔细地检查所有脚手架的平台板和框架板以确保它们表面没有留下任何导致滑倒或者绊倒的材料或工具。
4. 先拆除较低的部分在拆除扣件式钢管脚手架时,应该从下往上依次拆除。
保持安全高度是非常重要的,这样能够保护工人在拆除过程中安全的站立。
5. 确保稳定在拆除上层脚手架时,必须确保下方的脚手架足够稳定。
使用适当的支撑工具,在必要的情况下,增加钢管、扣件、以及支撑杆等必要的支撑部件。
6. 使用适当的工具在拆除扣件式钢管脚手架时,必须使用适当的工具,以确保支架结构的稳定性和安全性。
例如,必须使用扳手、梯子、攀登装置等等不同的工具。
7. 强制安全措施在拆除扣件式钢管脚手架时,有必要实施严格的安全措施,包括要求工作员穿戴适当的安全鞋,戴上适当的手套,以及佩戴安全帽。
此外,脚手架拆除时还必须要有充足的人员在场,人员之间要相互沟通协调,并确保使用有效的安全信号来预警其他的工人。
总之,拆除扣件式钢管脚手架时要格外谨慎,必须要严格遵守相关安全规范,充分考虑所有的安全因素,采取必要的安全措施,确保工作人员的安全。
扣件式钢管脚手架拆除工程安全生产技术措施背景介绍随着建筑行业的发展,越来越多的建筑项目采用扣件式钢管脚手架。
扣件式钢管脚手架是一种安全可靠、易于组装和拆卸的脚手架。
但是,在日常使用中,脚手架的拆卸工作也需要很高的技术和安全防范意识。
工程安全生产技术措施在扣件式钢管脚手架拆除工程中,我们需要采取一系列的安全生产技术措施,以确保工作人员的安全和项目的顺利进行。
以下是几项技术措施:1.工作人员的安全防护措施首先要保证工人的人身安全,因此在脚手架拆卸过程中,所有工作人员都必须佩戴安全帽、安全鞋和安全绳等防护用具,并且要有专人监督。
同时,禁止无证上岗以及未满18周岁的未成年人参与拆卸作业。
2.安全氛围的建立在脚手架拆卸工作中,必须建立良好的安全氛围,激励工作人员发扬团结协作的精神,并严禁在拆卸过程中打闹或玩乐,以免发生意外事故。
3.材料的分类处理在确认脚手架已经拆除之后,需要对脚手架材料进行分类处理。
对于可以重复使用的材料,要进行翻新、修补或维护,以继续使用;对于不能再使用的脚手架材料,必须进行分类摆放,并按照相关环保规定进行妥善处理。
4.爆破拆除钢管脚手架在某些情况下也可以采用爆破拆除的方式。
这种方法需要对爆破区域进行严格的区域隔离和警示,确保人员和周围区域的安全,同时爆破专业人员也需要遵循相关的爆破规范,操作时必须戴上护目镜、耳塞和其他相关的防护用品。
5.设备的检查和维护在拆卸工作之前,必须对拆卸用的设备进行检查和维护,以确保设备能够正常运转。
维护过程中,需要对设备润滑、升降机构的调整等进行检查,同时还要检查操作桥(又称垂直电梯)的安全性能。
6.清理工作场地在完成脚手架拆除任务后,必须对场地进行清理,清除所有杂物和垃圾。
要特别注意地面的安全情况,以免工作场地不安全带来二次事故。
结论扣件式钢管脚手架的拆卸工作需要有专业的操作技能和安全防范措施,才能够确保工作人员的安全和项目的顺利进行。
在拆卸工作过程中,必须坚持安全第一的原则,营造一个安全、良好的工作环境。
扣件式钢管脚手架的拆除1、拆除前的准备工作(1)拆除安全技术措施逐级进行交底。
(2)清除脚手架上的杂物及地面障碍物。
2、拆除要求(1)脚手架拆除前由工程负责人确认工程已完工后方可拆除。
由上而下逐步拆除,上下不能同时作业,。
(2)所有连墙件应随脚手架逐层拆除,严禁先拆除几层连墙件后,进行脚手架的拆除。
(3)脚手架拆至下部最后一根长钢管时,应先在适当位置临时设抛撑加固,后拆连墙件。
(4)各构配件必须及时分段运至地面,严禁抛扔。
(5)作业人员必须佩带安全帽,高空作业人员必须系好安全带,作业人员应前后呼应,动作协调,中间不得换人。
3、拆除方法扣件式钢管架子的拆除程序与搭设程序相反。
拆除时,先将脚手板传递下来,每档内仅留一块脚手板翻到下步,人站在脚手板上,拆除扣件式钢架子的各种杆件,拆除完后,将脚手板再往下翻一步,如此逐层往下拆除。
对于十字撑的拆除应随着架子立杆的拆除而卸下。
有抛撑的架子则应留到最后拆除,以保持架子的稳定。
对拆除下来的钢管应逐根传递下来,不要从高处掷下,以防止将钢管摔坏或发生砸伤事故。
拆除下来的扣件应集中放在工具袋内,装满后用绳索吊送下来,不得从高处往下抛掷。
架子的拆除作业,每组应不少于3人,上面至少2人进行拆除,下面1人负责指挥,按规格分类码放,并负责安全。
4、材料与构件存放拆下的钢管和扣件要分类进行码放,一般宜贮存在库房内。
如受条件限制,也可堆放在露天,但是,堆垛上面应用油毡等防水材料覆盖,以防雨淋生锈。
堆放钢管、扣件的场地要平坦、排水要通畅,堆垛下面要加垫木。
扣件及螺栓应用木箱或经编袋包集中贮存,以利于养护管理,对有弯曲的钢管应经调直后堆放。
钢管外壁经除锈后,应涂刷一道防锈漆,湿度较大的地区应每年涂刷一次,其它地区则可以两年涂刷一次。
对于钢管内壁也应每隔2——4年涂刷一次,每次涂刷两道。
扣件及螺栓使用3——5年后,应除锈镀锌,如没有条件镀锌,可以在每次使用后,用煤油洗净,涂上机油防锈,但是扣件内面不应涂机油,以免使用时产生滑移。
扣件式钢管脚手架拆除安全技术交底一、前言钢管脚手架是承载工人和材料的重要工具,为确保脚手架的安全和稳定性,合理拆除脚手架是至关重要的。
本文将重点介绍扣件式钢管脚手架拆除的安全技术交底。
二、准备工作1. 准备所需工具:扳手、锤子、螺丝刀等。
2. 确认拆除区域:清理拆除区域,确保没有不稳定的状况。
3. 安全措施:穿戴好安全防护装备,如安全帽、安全绳等。
三、拆除步骤1. 板层拆除:a) 将脚手架的板层上的杂物清理干净,确保平整。
b) 用扳手拆除连接板与立杆的扣件,注意稳定姿势,防止高处坠落。
c) 拆下板层之前,通过口头或手势向其他工人发出警示。
2. 立杆拆除:a) 从底部开始,逐个拆除立杆。
b) 使用扳手拆除连接立杆的扣件,注意保持平衡,稳定。
c) 拆除立杆时,每次只能拆除一个扣件,确保脚手架的整体稳定性。
3. 横杆拆除:a) 从低处开始,依次拆除横杆。
b) 先将横杆与立杆连接处的扣件拆除,然后将横杆取下。
c) 拆除横杆时,注意不要用力过猛,以免影响脚手架的稳定性。
4. 撤离区域:a) 拆除完毕后,将所有的脚手架部件整齐堆放。
b) 清理拆除区域,确保没有杂物或残留物。
c) 撤离时,要注意倒放扣件、横杆和立杆,以免伤到自己或其他人。
四、安全事项1. 操作必须经过合格人员培训,并遵守相关的安全规范。
2. 拆除前必须检查每个连接点的扣件是否紧固,以及脚手架的稳定性。
3. 拆除过程中,应在地面上设置警示标识,确保周围人员的安全。
4. 拆除前要与其他工人进行沟通协调,确保操作的连贯性与安全性。
五、总结扣件式钢管脚手架的拆除是一个涉及安全的重要环节。
只有严格按照安全规范,合理准备工具和防护措施,并掌握拆除技巧,才能确保拆除过程的安全和顺利进行。
通过本文的安全技术交底,有助于提高工人的安全意识,降低事故风险,并有效保障工程的顺利进行。
建筑施工中扣件式钢管脚手架的拆除与搬运注意事项随着建筑工程的快速发展,扣件式钢管脚手架作为一种广泛应用的施工工具,在许多工地中得到了广泛使用。
然而,由于脚手架是使用和拆除交替进行的,拆除和搬运过程中存在一些潜在的风险和注意事项。
本文将重点介绍建筑施工中扣件式钢管脚手架拆除与搬运的注意事项。
一、拆除前的准备工作在拆除扣件式钢管脚手架之前,必须做好充分的准备工作,以确保拆除过程中的安全性。
以下是准备工作的主要内容:1. 检查脚手架结构的完整性:在拆除之前,应仔细检查扣件式钢管脚手架的结构是否完整,是否存在损坏或变形的部分。
如发现问题,应及时修理或更换。
2. 清理脚手架周围的杂物:在拆除之前,需要清理脚手架周围的杂物和障碍物,确保拆除过程中不会受到干扰。
3. 组织好工人的配合:在拆除脚手架时,需要有足够数量的合格工人进行协调配合,保证操作的顺利进行。
二、拆除过程中的注意事项在拆除扣件式钢管脚手架时,必须注意以下事项,以确保操作的安全性和顺利性:1. 采取正确的拆除顺序:按照规定的程序,首先拆除地面脚手板和连接杆,然后逐层拆除立杆和横杆,最后拆除顶部扣件和吊扣。
2. 使用符合规定的工具:在拆除过程中,必须使用符合规定的工具,如扳手、螺丝刀等,禁止使用损坏或锈蚀的工具进行操作。
3. 注意力集中和配合操作:在拆除脚手架时,工人必须保持注意力集中,密切配合操作,确保操作的准确性和安全性。
4. 预防坠落事故:拆除脚手架时,要特别注意防止坠落事故的发生。
在高空工作时,必须佩戴安全帽,并悬挂安全带,确保人员的安全。
三、脚手架的搬运事项除了拆除脚手架外,搬运过程也需要注意以下事项:1. 合理运输工具的选择:选择适合的运输工具,如叉车、手推车等,将拆除的脚手架部件进行搬运。
并确保运输工具的稳定性和安全性。
2. 固定和保护脚手架部件:在搬运过程中,必须将脚手架部件固定牢固,以防止在运输途中出现松动或脱落的情况。
同时,还应加强保护措施,防止脚手架部件被损坏。
扣件式钢管脚手架安全技术规范20231. 引言本文档旨在规范扣件式钢管脚手架的安全使用和施工操作,以确保人员在安装、拆卸和使用过程中的安全。
扣件式钢管脚手架是一种常见的搭建和支撑结构,在建筑和工程领域得到广泛应用。
遵守本规范是保证工程质量和人身安全的基本要求。
2. 安全要求2.1 系统验收前,应由专门的质量检测机构对扣件式钢管脚手架进行质量鉴定和检查。
只有通过验收后,方可使用。
2.2 严禁使用损坏、腐蚀或变形的扣件式钢管脚手架。
在使用前,应检查每个扣件的表面是否完整,有无锈蚀、裂纹或变形。
2.3 严禁超载使用扣件式钢管脚手架。
使用时,需了解和掌握承重能力和安全荷载的设计要求,确保不超出其负荷极限,以免发生事故。
2.4 在搭设、拆卸和转移扣件式钢管脚手架过程中,应严格按照设计方案进行操作,确保结构的稳定性和整体安全性。
2.5 扣件式钢管脚手架应有明显的安全警示标识和标识牌,以提醒人员注意安全,并标注承重能力等重要信息。
3. 搭设程序3.1 在搭设扣件式钢管脚手架前,需进行现场踏勘和测量,确认搭设位置和高度。
同时,对地基和承重能力进行评估,确保能够满足搭设要求。
3.2 搭设扣件式钢管脚手架前,需编制详细的施工方案,包括搭设方法、构件数量和位置、斜撑和水平撑等的设置。
3.3 搭设扣件式钢管脚手架时,按照设计方案进行构件的连接和组装。
扣件应牢固固定,不得出现松动、错位或旋转。
3.4 在搭设过程中,需对承重杆件、斜撑和水平撑等进行检查,确保其完整和稳固,不得存在严重的锈蚀、裂纹或变形。
4. 安全使用4.1 使用前应检查扣件式钢管脚手架的整体稳定性和连接件的牢固程度。
如发现问题,应及时进行维修或更换。
4.2 在使用扣件式钢管脚手架时,应坚守原则:先搭设高层脚手架,后攀爬上去;先撤除下层脚手架,再从高处离开。
4.3 使用过程中,注意脚手架的平稳性,不得过度挂载、碰撞或侧推,以免导致脚手架倾覆或部分坍塌。
4.4 在使用中,如发现任何松动、错位或异常情况,应立即停止使用,并进行检查和维修。
扣件式钢管脚手架拆除的安全技术要求一、背景介绍扣件式钢管脚手架作为一种快速安装、易拆卸、适用性广的建筑脚手架,在工程建设中得到了广泛应用。
然而,在脚手架拆卸过程中,由于工人缺乏专业知识和操作技能,往往容易出现安全事故,给施工过程带来不良影响。
因此,正确掌握扣件式钢管脚手架拆除的安全技术要求是非常重要的。
二、拆除前的准备工作1. 建立专门的拆除组,并派出技术人员进行安全培训,使其熟悉拆除操作规程和技术要求。
2. 在拆除前,应及时巡视脚手架,对发现的损坏、变形、松动、锚固不牢等问题进行修理或加固。
3. 做好周边通行人员的防护措施,必要时进行现场封闭或立柵警戒。
4. 确定拆除时机。
由于拆除需要穿越脚手架的各个层面,因此,拆除时要避免影响到正在进行施工活动的巡视人员和其他工人。
三、拆除流程和技术要求1. 按照装配流程的反向顺序进行拆除,先拆下轻质构件,最后拆卸重质构件。
2. 拆卸前,应采取安全绳挂索等安全措施,保证人员安全。
3. 拆卸时,应严格按照规程进行操作,保持拆除班组组织、站位、传递扣件等行动有序、稳定、流畅。
4. 拆卸过程中,轻质构件离地高度不得超过两层,重质构件不得高于一层。
5. 在拍扣件时要特别注意,不得敲击管材会影响管材的强度,不得使用锤击扣件,应采用专用拆卸工具。
6. 拆下的扣件必须进行分类、清洗、检查、保养、存放,并及时添加缺失、老化的扣件。
7. 最后,对拆下的脚手架构件进行彻底清理,充分排除安全隐患,保证下一次使用的安全性。
四、注意事项1. 注意细节,确保每一步操作都得当。
拆卸过程中,注重构件的起吊和放置,尽量不让构件倾倒、撞击或损伤,造成二次伤害。
2. 严禁在工作时跳跃、行走或站立不稳,避免造成坠落事故。
3. 在拆卸过程中,要密切配合,互相协助,确保工人之间的安全。
4. 拆卸完毕后,需要对违规人员进行整改,以便对于下一环节的工作能够更好地安排和精心策划。
五、结论扣件式钢管脚手架的拆除工作需要具备专业的技术和丰富的经验,而这些都需要工人们服从训练,结合实际工作,不断总结和提高工作水平,提升工作质量,从而确保工作的安全和快速完成。
——方案计划参考范本——扣件式钢管脚手架的拆除安全要求
______年______月______日
____________________部门
扣件式钢管脚手架在使用完毕后就应立即拆除。
在拆除前要做好以下工作:
(1)完成外墙装饰面(墙面饰面、门窗及墙面其他装饰)的最后整修和清洁工作,其质量已符合规定要求,并经验收。
(2)对脚手架进行安全检查,确认脚手架不存在严重隐患。
如存在影响拆除脚手架安全的隐患,应先对脚手架进行整修和加固,以保证脚手架在拆除过程中不发生危险。
(3)对参与脚手架拆除的操作人员、管理人员和检查、监护人员进行施工方案、安全、质量和外装饰保护等措施的交底。
交底的内容应包括拆除范围、数量、时间和拆除顺序、方法、物件垂直运输设备的数量,脚手架上的水平运输、人员组织,指挥联络的方法和用语,拆除的安全措施和警戒区域。
如果在夜间施工还要有照明和安全用电等内容。
交底要有记录,双方均应在交底书上签字。
参与拆除脚手架人员的职责要明确,并要明确相互间的关系,要有工作制度和必要的奖惩办法。
(4)外脚手架的拆除严禁在垂直方向上同时作业,因此要事先做好其他垂直方向工作的安排,故第1条规定的工作必须在全部完成后,方可开始拆除外脚手架,决不允许下部在脚手架上做外墙面的整修清洁工作,上面就进行脚手架拆除,更不允许下部做外饰面和上部拆除脚手架同时进行。
拆除脚手架时要特别加强出入口处的管理。
拆除脚手架时,下部的出入口必须停止使用。
对此除监护人员特别要注意外,还应在出入口处设置明显的停用标志和围栏,此装置必须内外双面都加设置。
(5)在拆除的脚手架周围,于坠落范围四周设置明显禁止入内的标志,并有专人监护,以保证在拆脚手架时无其他人员人内。
(6)对于拆除脚手架用的垂直运输设备要事先检查和试车,使之符合安全使用的要求,并对操作人员和使用人员交底,规定联络用语和方法,明确职责,以保证脚手架拆除时其垂直运输设备能安全运转。
(7)建筑物的外墙门窗都要关紧,并对可能遭到碰撞处给予必要的保护。
建筑物如设有临时外挑物,必须在拆除脚手架前拆除。
上述一些工作经检查符合要求合,并确认建筑施工再也不需用脚手架时就可进行脚手架的拆除。
脚手架的拆除应从上往下,水平方向一步拆完再拆下一步。
在拆除脚手架时,应先清除脚手板(或竹笆板)上的垃圾杂物,清除时严禁高空向下抛掷,大块的装入容器内由垂直运输设备向下运送,能用扫帚集中的要集中装入容器运下,无法清扫的,可从脚手架内侧向下倾倒,此时要对墙面及门窗加以保护,防止沾污和损坏墙的饰面和门窗。
随着脚手架的向下拆除,对墙的饰面、窗及其他墙面装饰及时做好清洁和保护工作;对脚手架的连接处饰面的修补应与脚手架的拆除同步进行,饰面修补经检查认定合格,并做好清洁和保护工作后方可继续向下拆除脚手架。
从脚手架拆下的钢管、扣件及其他材料先向垂直运输设备集中,然后由垂直运输设备向下运送,绝对禁止从高处向下抛掷,以免伤害地面工作人员,损坏地面的设备和物件,损坏脚手架的钢管、扣件和。