哈工大自主设计实验
- 格式:doc
- 大小:30.50 KB
- 文档页数:3
移相电路的设计测试以及李萨如图形的观测1、实验目的学习设计移相器电路的方法了解移相电路中工程中的应用了解移相点电路的特点,复习幅频特性与相频特性的测试方法进一步熟悉示波器的使用和相关仿真软件Multisim的操作通过观察李萨如图形总结图形规律通过设计、搭接、安装及调试移相器,培养工程实践能力2、总体设计方案或技术路线设计方案实验开始前先对移相电路幅频、相频特性进行软件仿真,观察仿真结果。
设计一个 RC 电路移相器,该移相器输入正弦信号,由信号发生器提供。
相角受R,C 的值以及输入信号的频率控制,并且该网络为全通网络,输出电压相对于输入电压的相移在45°至180°范围内连续可调。
设计计算元件值、确定元件,搭接线路、安装及测试输出电压的有效值及相对输入电压的相移范围,用示波器测试网络的幅频特性和相频特性,验证电路的正确性。
分别固定频率和电容、固定频率和电阻,改变剩余变量来观察相位规律。
用示波器观察二端口网络的输入和输出信号的李萨茹图形,通过李萨茹图形测出输入信号的频率和相位差。
最后通过调节频率来改变李萨如图形,并通过观察总结图形规律。
技术路线1、采用X型RC移相电路,确定测试线路图。
1、对电路进行软件仿真,观察幅频相频特性。
3、确定测试仪器及安装移相器所需器材,搭建移相电路。
4、测量移相电路频率特性,以及如何通过阻值和电容改变相位的规律。
5、分析测试结果是否符合要求,若不符合,调整电路重新测试。
6、观察李萨如图。
7、通过李萨如图的观测计算出输入频率和相位。
8、通过调节频率来观察其他李萨如图形,总结图形规律。
3、实验电路图RRCCa bc d1U 2U +_+_1U 2U +_R Rc d+_a CC(a )设计电路图 (b )等效4、仪器设备名称、型号交流电压表(AS2294D 型)-测量电压最高300V-频率5Hz~2MHz 示波器-测量带宽DC~60MHz-电压峰峰值16mV~40V 信号源-频率20MHz-电压 7-8V(有效值) 电阻-10k Ω-2只 电容-0.1uF-2只 电阻箱-0~99999Ω 电容箱-0~1.111uF 导线-若干5、理论分析或仿真分析结果X 型RC 移相电路输出电压.2U为:...2cb db U U U =- (111)11111R j RC j C U U U j RC R R j C j C ωωωωω-=-=+++2121()2arctan 1()RC U RCRC ωωω+=∠-+221121()1()RC U U U RC ωω+==+22arctan()RC ϕω=-结果说明,此X 型RC 移相电路的输出电压与输入电压大小相等,而当信号源角频率一定时,输出电压的相位可通过改变电路的元件参数来调节。
姓名班级学号实验日期2014.11. 节次教师签字成绩实验名称出租车计价表的简单逻辑设计1.实验目的(1)掌握并熟练运用集成同步加法计数器74LS160芯片的清零、置数和级联功能的接法,并能综合运用这些接法实现进制改变等功能。
(2)掌握并熟练运用中规模4位二进制码比较器74LS85芯片的数码比较功能。
(3)用若干集成同步加法计数器74LS160芯片和中规模4位二进制码比较器74LS85芯片组合设计出租车计价表电路,使之实现如下功能:起步价为3公里内8元,超过3公里每公里收2元,停车不计费,将最后的钱数通过数码管显示。
2.总体设计方案或技术路线(1)行车距离的模拟:在车轮上安装传感器,获得车轮转动信息,即获得行车距离信息,将出租车行驶距离转换成与之成正比的脉冲个数。
本实验设定每100m产生一个脉冲,脉冲频率反应行车速度,脉冲源由示波器的信号发生器提供。
(2)基本计数电路:,将该脉冲作为74LS160(I)的时钟,通过同步每100米产生一个脉冲CP置数对该脉冲进行5分频,那么得到的脉冲CP为每500m(1里)产生一次。
1作为距离计数单位以便距离累加电路进行距离累加。
CP1作为价格计数单位则为1元/里,以便计价电路进行价格累加;CP1(3)距离累加电路:将74LS160(II)和74LS160(III)通过级联构成一个0~99的加法计数器,作为他们的时钟。
然后分别把对行驶距离进行累计(距离单位:里),其中CP1两个芯片和数码管连接显示行驶距离。
因此该计价表行驶距离最大值为99里,即49.5公里。
(4)比较判断电路:将CP1作为74LS160(IV)的时钟,实现距离累加功能,与(3)不同的是它的输出端QD QCQBQA与74LS85的A3A2A1A相连,而B3B2B1B为0110,意味着6个500m即3公里,当74LS160(IV)输出小于或等于3公里时,A>B端为低电平,当输出大于3公里时,A>B端为高电平。
Harbin Institute of Technology数字电路自主设计实验院系:航天学院班级:姓名:学号:指导教师:哈尔滨工业大学一、实验目的1.进一步掌握数字电路课程所学的理论知识。
2.熟悉几种常用集成数字芯片的功能和应用,并掌握其工作原理,进一步学会使用其进行电路设计。
3.了解数字系统设计的基本思想和方法,学会科学分析和解决问题。
4.培养认真严谨的工作作风和实事求是的工作态度。
5.数电课程实验为我们提供了动手实践的机会,增强动手实践的能力。
二、实验要求设计流水灯,即一排灯按一定的顺序逐次点亮,且可调频、暂停、步进。
三、实验步骤1.设计电路实现题目要求,电路在功能相当的情况下设计越简单越好;2. 画出电路原理图(或仿真电路图);3.元器件及参数选择;4.电路仿真与调试;5.到实验时进行电路的连接与功能验证,注意布线,要直角连接,选最短路径,不要相互交叉,注意用电安全,所加电压不能太高,以免烧坏芯片;6.找指导教师进行实验的检查与验收;7.编写设计报告:写出设计与制作的全过程,附上有关资料和图纸,心得体会。
四、实验原理设计流水灯的方法有很多种,我的设计思路是:利用555定时器产生秒脉冲信号,74LS161组成8进制计数器,74LS138进行译码,点亮电平指示灯。
并通过调节555的电阻,实现频率可调。
通过两与非门,实现暂停、步进功能。
1.秒信号发生器(1)555定时器结构(2)555定时器引脚图(3)555定时器功能表(4)555定时器仿真图2. 74LS161实现8进制加计数74LS161是常用的四位二进制可预置的同步加法计数器,它可以灵活地运用在各种数字电路,以及单片机系统中实现分频器等很多重要的功能。
(1)74LS161同步加法器引脚图管脚图介绍:始终CP和四个数据输入端P0-P3清零CLR使能EP,ET置数PE数据输出端Q0-Q3进位输出TC(2)74LS161功能表(5)74LS161仿真图对74LS161进行八进制计数改组,需要一个与非门,即芯片74LS00,也就是将74LS161的输出端通过与非门,当输出为8时将输出为高电平的端口与非后接到74LS161的清零段。
两位数密码组合逻辑电路
电工自主设计实验
(一)实验目的
1.掌握74LS04、74LS74、74LS08等元件的逻辑功能和使用方法;
2.通过实验,进一步熟悉组合逻辑电路的分析和设计方法。
(二)实验电路图
VCC
(三)仪器设备名称、型号
1.模拟数字电子技术试验箱
2.双路直流稳压电源
3.电阻、导线若干
(四)理论分析或仿真分析结果
(五)详细实验步骤及实验结果数据记录
⑵按照逻辑图连接好电路
⑶别对六个输入端施加高低电平,观察输出端小灯的情况
⑷列出真值表:
结论:逻辑表达式为:
(六)实验结论
1.应用74LS04、74LS74、74LS08等元件可以实现两位数密码的设置,在生活中具有广泛应用。
(七)对实验的改进及优化
应该在实验的基础上加上一个清零开关。
此密码器设计比较简单,输入正确的密码前,小灯保持不亮,表明输入密码错误。
但输入正确的密码后,小灯一直保持亮的状态,所以在后续的设计优化过程中考虑增加一个清零开关。
(八)本次实验的收获和体会、对电路实验室的意见或建议
通过实验我了解了74LS138、74LS00、74LS20等元件的逻辑功能和使用方法,同时,通过实验,更加熟悉了组合逻辑电路的分析和设计方法。
在进行组合逻辑电路的设计时,应首先将给定的逻辑问题抽象成逻辑函数,列出其真值表,再根据真值表写出逻辑函数式并对其进行化简变换,最终根据化简变换后的逻辑函数式画出逻辑电路图。
参考文献
[1]杨世彦.电工学电子技术.机械工业出版社.2008
[2]邹其洪.电工电子实验与计算机仿真.电子工业出版社.2008。
哈工大综合课程设计转台一、课程目标知识目标:1. 学生能够理解并掌握综合课程设计转台的基本原理和操作方法。
2. 学生能够运用所学的机械原理、电子技术和计算机编程知识,完成转台的设计与制作。
3. 学生能够理解并描述转台在工程领域的应用及重要性。
技能目标:1. 学生能够运用CAD软件进行转台零件的设计,并绘制出相应的工程图纸。
2. 学生能够独立完成转台的组装和调试,提高动手实践能力。
3. 学生能够运用编程语言,实现对转台的自动控制,培养编程和调试能力。
情感态度价值观目标:1. 培养学生对工程技术的兴趣和热情,激发创新意识和探索精神。
2. 培养学生团队协作精神,学会与他人共同解决问题,提高沟通与表达能力。
3. 培养学生严谨的科学态度和良好的工程伦理观念,关注工程技术对社会和环境的影响。
课程性质:本课程为哈工大综合课程设计转台,是一门实践性、综合性强的课程。
通过本课程的学习,使学生将所学理论知识与实际操作相结合,提高解决实际问题的能力。
学生特点:学生为高年级本科生,具备一定的学科基础知识,具有较强的自学能力和动手实践能力。
教学要求:教师需结合学生特点,采用启发式教学,引导学生主动参与教学活动。
注重理论与实践相结合,提高学生的实际操作能力。
同时,关注学生的情感态度价值观培养,使学生在掌握知识技能的同时,形成良好的工程素养。
二、教学内容本课程教学内容主要包括以下几部分:1. 转台基础知识:- 转台的分类、原理及其在工程中的应用。
- 转台相关机械原理和电子技术基础。
2. 转台设计与制作:- CAD软件的使用,进行转台零件设计。
- 转台结构设计,绘制工程图纸。
- 转台材料选择及加工工艺。
3. 转台组装与调试:- 转台零部件的组装及调试方法。
- 传动系统、控制系统调试及优化。
4. 转台自动控制:- 编程语言基础,如C/C++、Python等。
- 转台自动控制算法及编程实现。
- 调试与优化,实现转台的精确控制。
5. 转台应用案例分析:- 分析转台在不同工程领域的应用案例。
一、实验目的1.掌握用基本门电路进行组合电路的设计方法。
2.初步掌握数字电路的实验方法。
3.通过实验论证设计的正确性。
4.训练正确接线与排除故障的能力。
5.通过对课外的芯片的应用提高设计数字电路的灵活性。
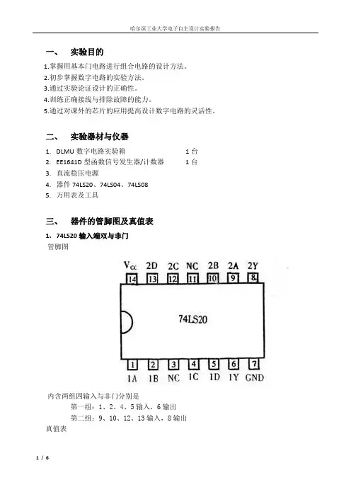
二、实验器材与仪器1.DLMU数字电路实验箱1台2.EE1641D型函数信号发生器/计数器1台3.直流稳压电源4.器件74LS20、74LS04、74LS085.万用表及工具三、器件的管脚图及真值表1.74LS20输入端双与非门管脚图内含两组四输入与非门分别是第一组:1、2、4、5输入,6输出第二组:9、10、12、13输入,8输出真值表2.74LS08 输入端四与门管脚图真值表3.74LS04管脚图真值表1、2、3、4、5、6分别是六个非门输入端,8、9、10、11、12、13为其输出端四、实验内容设计一个四位数字锁,能根据输入密码的正确性输出开锁信号和报警信号。
1.设计任务设计一个数字锁,具有ABCD四个代码输入端、E一个开锁控制输入端。
设其开锁密码为1111。
若输出代码符合密码1111且E=1,锁才能被打开(F1=1);若不符,电路将发出报警信号(F2=1);当E=0时,F1、F2输出都为0。
2.设计方案列出F的真值表,列出F1、F2的函数表达式并化简:F1=EABCD;F2=E(ABCD)’根据F1、F2的函数表达式设计连接电路,完成实验。
五、实验数据记录六、实验改进——6位数字电子密码锁[1]经查阅资料本实验可以得到改进以实现更多功能,现对一个六位数字电子密码锁的电路进行分析。
1.总电路图3.功能分析该电路主要分成以下几个模块:输入模块、密码修改及输出锁定模块、计时模块和逻辑组合模块。
其中输入模块的功能主要通过键盘和器件74LS138组成,输入键盘为六个数据开关;74LS138为3-8线译码器,它的真值表如下:可知每个输出端为零时都有唯一的输入码,所以可以吧G1~G2A~G2B C B A 作为密码输入端。
姓名班级学号实验日期节次教师签字成绩实验名称:电工自主实验----自制秒表1.实验目的(1)进一步掌握74LS161、集成门电路、74LS138、74LS194和七段显示器的原理及应用。
(2)提高动手能力,单独的设计电路的能力。
(3)实验前学习Multisim软件的应用,并进行该次实验电路的仿真。
2.总体设计方案或技术路线(1)设计电路所能实现的功能设计一个数字电子钟电路——a.能用六个数码管分别显示小时(24小时制)、分钟、秒;b.能分别对时、分、秒预置初始时间。
(2)设计方案设计的总体思路:设计时钟时,百分之一秒为100进制计数,分钟和秒计时为24进制。
74LS161的CLK段(2脚)为下降沿触发,故使用两片74LS161 ,一片做个位片,一片做十位片,个位片为十进制,十位片为十进制。
并且采用反馈预制法来防止在进位时的瞬间状态的出现。
即在个位片由九变为零时,向前位输出一个信号,使十位片变化,但由于该信号无下降沿,所以,采用一个非门,使进位信号产生下降沿,完成进位。
并且将时钟信号传送到74LS194的时钟端,由于是上升沿有效,所以曾接一个非门,来产生上升沿。
在个位片给出一个100Hz的标准方波信号,就可以进行计时了。
如下图:秒与分计时电路:分计时电路的原理与秒计时电路一样,个位片的进位信号来自秒的十位片,当秒计时由5变为0时,向前输出信号,并用非门使其产生下降沿。
电路如下:暂停的实现:将所有74LS194的S0 S1端并联,然后连接到开关,然后连接到高电平上。
在计时时开关闭合,寄存器进行并行输入输出,当暂停时,断开开关,责寄存器保存当前状态。
当再次闭合开关时,计时继续进行。
电路图如下:复位功能的实现:将所有74LS161的CLR端并联后与开关连接,后连接到高电平上。
当计时时,断开开关,即完成复位,并且表停。
当再次按下复位键时,计时再次开始。
电路如下:3.实验电路图4.仪器设备名称、型号(1)七段显示器6个(2)74LS47 6个(3)74LS161 6个(4)74LS194 6个(5)开关2个(6)与非门6个(7)非门6个(8)函数信号发生器5.理论分析或仿真分析结果按照上述实验电路连接实验器件,经过Multisim软件仿真实现了上述功能。
三自由度直升机系统实验指导书钱玉恒杨亚非编哈尔滨工业大学航天学院控制科学与工程系2010年5月目录第一章绪论1.1 实验背景 (2)1.2 三自由度直升机系统实验装置简介 (2)第二章数学模型的建立2.1 俯仰轴数学模型分析 (5)2.2 横侧轴数学模型分析 (6)2.3 旋转轴数学模型分析 (6)2.4 直升机数学模型简化 (7)2.5 直升机数学模型方程组及传递函数建立 (7)2.6 系统状态空间数学模型的建立 (7)2.7 螺旋桨电机给定电压的推导 (8)第三章控制器设计3.1 PID控制器设计 (9)3.2 状态空间控制器设计 (14)3.3 LQR原理与PID原理的比较 (19)第四章控制算法的实物验证试验4.1 系统基本参数和特性 (20)4.2 PID控制器的实物试验 (22)4.3 LQR控制器的实物试验 (25)4.4 模糊控制器的实物试验 (27)4.5 三种控制策略性能的横向比较 (36)第一章绪论1.1 实验背景1. 1.1 实验来源实验基于固高科技有限公司GHP三自由度直升机控制实验系统,这是一个自动控制和航空航天实验系统。
该系统是研究直升机飞行控制技术的平台,它主要由电机、电机驱动器、位置编码器、运动控制器及接口板等元件组成。
系统可分为直升机实验本体、电控箱及由运动控制卡和PC机组成的控制平台等三大部分。
1.1.2 实验目的和意义该系统是一个典型的多输入多输出系统(MIMO),能把控制直升机飞行姿态和速度算法在平台上实验,用于实现各种控制算法验证。
例如PID、LQR、H∞和模糊控制等控制算法均可以平台上实验。
1.1.3 实验研究及分析本系统的特点为多输入/多输出、非线性、强交叉耦合性、传递函数和状态方程不易描述,为控制系统中较为复杂的被控对象。
虽然人们在飞行器方面进行过各种算法研究,但大多数研究只局限于仿真平台,仍未摆脱实验对象的理想化模式。
此系统不仅具备直升机动力系统和电子控制装置的原理特征,还具备实验性强、实验现象直观的特点。
我校“紫丁香二号”卫星成功发射学生自主研发尚属国内首例2015年09月20日08时40分41秒浏览次数:42171哈工大报讯(吉星冯健文/图)丁香寻夙梦,神箭裂苍穹。
9月20日7时01分,由我校学生团队自主研发的“紫丁香二号”纳卫星在太原卫星发射中心成功发射。
作为国内首次抓总研制并成功发射卫星的高校,我校已先后将“试验一号”、“试验三号”、“快舟一号”、“快舟二号”4颗卫星送入太空。
与之前不同的是,成就此次五战五捷纪录的是平均年龄不到24周岁的在校本、硕、博学生团队。
据悉,“紫丁香二号”是我国首颗由高校学子自主设计、研制、管控的纳卫星。
“紫丁香二号”重12公斤,对探索纳卫星在未来航天装备和国民经济建设中的作用具有积极意义。
负责卫星总体设计兼测控的航天学院博一学子韦明川介绍说,卫星旨在构建飞行软件在轨试验平台,在空间环境中,对FPGA软件的可靠性等进行验证;同时,基于星上电子设备,可以进行全球航班、船舶等状态信息的收集和大型野生动物踪迹跟踪等任务;卫星还携带了一个工业红外相机,可实现对森林火灾、极端天气等造成的地温变化进行成像与监测。
另外,作为试验平台,卫星搭载了两组新型超轻高精度敏感器,先期开展在轨测试,确保该产品在后续其它型号的成功实施。
我校学生微纳卫星研发团队以卫星技术研究所为技术依托,凝聚了学校航空宇航与科学技术、力学、计算机科学与技术、控制工程、机械工程、通信工程、电气工程、热能工程等8个学科的本科、硕士和博士研究生,是一支学科交叉研制学生队伍。
团队汇聚了韦明川、郭金生、俞阳、吴凡、夏开心、冯田雨、王骋、张天赫、苗悦、邱实、胡超然、张扬雨、米明恒、张冀鹞、龚肇沛、裴乐等16名骨干学生,累计吸纳了40多名学生参与设计与研制。
卫星发射【团队风采】绽放的紫丁香——记哈工大学生微纳卫星研发团队2015年09月20日08时42分11秒浏览次数:4515哈工大报讯(吉星文/图)发射卫星是韦明川的梦想,是他从大二到博一5年来一直不曾停歇的梦想。
二端口网络参数的测定一、实验目的1.加深理解双口网络的基本理论。
2.学习双口网络Y 参数、Z 参数及传输参数的测试方法。
3.验证二端口网络级联后的传输参数与原二端口网络传输参数的关系。
二、原理说明1.如图2-12-1所示的无源线性双口网络,其两端口的电压、电流四个变量之间关系,可用多种形式的参数方程来描述。
图2-12-1(1)若用Y 参数方程来描述,则为()()()(),即输入端口短路时令,即输入端口短路时令,即输出端口短路时令,即输出端口短路时令其中0I 0I 0I 0I 1222212112212212111122212122121111========+=+=U U Y U U Y U U Y U U Y U Y U Y I U Y U Y I由上可知,只要在双口网络的输入端口加上电压,令输出端口短路,根据上面的前两个公式即可求得输入端口处的输入导纳Y 11和输出端口与输入端口之间的转移导纳Y 21。
同理,只要在双口网络的输出端口加上电压,令输入端口短路,根据上面的后两个公式即可求得输出端口处的输入导纳Y 22和输入端口与输出端口之间的转移导纳Y 12。
(2)若用Z 参数方程来描述,则为()()()(),即输入端口开路时令,即输入端口开路时令,即输出端口开路时令,即输出端口开路时令其中0U Z 0U Z 0U Z 0U1222212112212212111122212122121111========+=+=I I I I I I I I Z I Z I Z U I Z I Z U由上可知,只要在双口网络的输入端口加上电流源,令输出端口开路,根据上面的前两个公式即可求得输出端口开路时输入端口处的输入阻抗Z 11和输出端口与输入端口之间的开路转移阻抗Z 21。
同理,只要在双口网络的输出端口加上电流源,令输入端口开路,根据上面的后两个公式即可求得输入端口开路时输出端口处的输入阻抗Z 22和输入端口与输出端口之间的开路转移阻抗Z 12。
①、定理1:如图(a)与(b)所示电路中,N为仅由电阻组成的线性电阻电路, 则有EU S_?U S(a) (b)②、定理2:如图(a)与(b)所示电路中,N为仅由电阻组成的线性电阻电路,则有③、定理3:如图(a)与(b)所示电路中,N为仅由电阻组成的线性电阻电路,则有若兰班级1104102 学号1110410223实验日期 6.20 节次10:00 教师签字成绩实验名称:验证互易定理1. 实验目的(1)、验证互易定理,加深对互易定理的理解;(2)、进一步熟悉仪器的使用。
2. 总体设计方案或技术路线(1 )、实验原理:互易定理:对一个仅含有线性电阻(不含独立源和受控源)的电路(或网络) 产生响应,当激励和响应互换位置时,响应对激励的比值保持不变。
此时,时,响应为短路电流;当激励为电流源时,响应为开路电压。
互易定理存在二种形式:,在单一激励当激励为电压源(b)U2i si2i s(2)、实验方案i 1;电路图一,证明| 2=u〔;电路图二,证明L2=U S=i 1/1 S电路图三,证明L2/(电路图如下)3. 实验电路图各参数分别为:Rl = R3=Rl=R5=100 Q R2=200Q L S=6V I S=50mA 4. 仪器设备名称、型号交直流电路实验箱一台直流电压源0〜30V 一台直流电流源0〜100mA 一台直流电流表0〜400mA 一只数字万用表一只电阻若干5. 理论分析或仿真分析结果6. 详细实验步骤及实验结果数据记录(包括各仪器、仪表量程及阻的记录)(1)、验证定理一,按照图一连好电路后测量12、i 1,将实验数据记录在表格i中;U i将实验数据记录在表格2中; (2)、验证定理二,按照图二连好电路后测量L2i i,将实验数据记录在表格3中。
(3)、验证定理三,按照图三连好电路后测量L27. 实验结论8. 实验中出现的问题及解决对策(1)、问题:实验过程中无200 Q定值电阻;对策:改成两个100Q定值电阻串联;(2)、问题:实验中电流表无示数,后经检查电路发现该实验台电流表被烧坏,对策:换了一台没有问题的直流电流表。
竭诚为您提供优质文档/双击可除哈工大电路实验1实验报告篇一:哈工大数字电路实验报告实验二数字逻辑电路与系统上机实验讲义实验二时序逻辑电路的设计与仿真课程名称:院系:班级:姓名:学号:教师:哈尔滨工业大学20XX年12月实验二时序逻辑电路的设计与仿真3.1实验要求本实验练习在maxplusII环境下时序逻辑电路的设计与仿真,共包括6个子实验,要求如下:3.2同步计数器实验3.2.1实验目的1.练习使用计数器设计简单的时序电路2.熟悉用mAxpLusII仿真时序电路的方法3.2.2实验预习要求1.预习教材《6-3计数器》2.了解本次实验的目的、电路设计要求3.2.3实验原理计数器是最基本、最常用的时序逻辑电路之一,有很多品种。
按计数后的输出数码来分,有二进制及bcD码等区别;按计数操作是否有公共外时钟控制来分,可分为异步及同步两类;此外,还有计数器的初始状态可否预置,计数长度(模)可否改变,以及可否双向等区别。
本实验用集成同步4位二进制加法计数器74Ls161设计n分频电路,使输出信号cpo的频率为输入时钟信号cp频率的1/n,其中n=(学号后两位mod3.2.4实验步骤1.打开mAxpLusII,新建一个原理图文件,命名为exp3_2.gdf。
2.按照实验要求设计电路,将电路原理图填入下表。
3.新建一个波形仿真文件,命名为exp3_2.scf,加入时钟输入信号cp及输出信号cpo,并点击mAxpLusII左侧工具条上的时钟按钮,将cp的波形设置为周期性方波。
4.运行仿真器得到输出信号cpo的波形,将完整的仿真波形图(包括全部输入输出信号)附于下表。
3.3时序电路分析实验3.3.1实验目的练习用mAxpLusII进行时序逻辑电路的分析。
3.3.2实验预习要求1.预习教材《6-3-1异步二进制计数器》2.了解本次实验的目的、电路分析要求3.3.3实验原理分析如下时序电路的功能,并判断给出的波形图是否正确。
惠民生的科研成果的案例“古之立大事者,不惟有超世之才,亦必有坚忍不拔之志”,正是有着历苦弥坚、永攀高峰的劲头,哈尔滨工业大学牵头自主研发的小卫星得以六度闪耀太空。
日前,在哈尔滨科技创新创业大厦举行的省“十二五”科技创新成果展中,记者见识了其中三颗小卫星的玲珑身姿。
据介绍,通过这六颗小卫星的研制与成功发射,哈工大卫星技术团队完全掌握了微小卫星平台的核心技术。
落实习总书记两次针对黑龙江的重要讲话精神,哈工大技术、市场双拳出击,依托卫星技术研究所核心技术团队成立了哈工大卫星技术有限公司,将根据遥感、通讯、GPS定位等不同民用用户的需求进行小卫星的生产发射,打造具有天地一体化设计、研制、集成和运营服务能力的航天高新技术企业,成为我省新旧动能转换的“潜力股”。
太空中最忙碌的“天眼”谈起这六颗自主研发的小卫星,哈工大人无不自豪。
哈工大科学与工业技术研究院教师王功伟告诉记者,这六颗小卫星个个“身怀绝技”,它们分别是“试验一号”、“试验三号”、“快舟一号”、“快舟二号”、“紫丁香二号”、“吉林一号”。
位于省“十二五”科技创新成果展核心区,在半掩着身姿的“快舟一号”模型旁边,记者聆听着有关它的传奇。
2008年汶川地震时,灾区与外界的道路交通受阻,传统地面通信完全中断,而当时的空间通信监测系统无法迅速给出受灾范围、伤亡情况以及灾区地形,为救灾决策提供依据更是无从谈起。
“如果有一双‘天眼’能看清灾区该多好!”这成了人们的心声,也为航天科研人员所铭记。
五年后,即2013年9月,在人们的期盼中,由哈工大卫星技术研究所自主研制的“快舟一号”试验卫星在酒泉成功发射,“快舟”使国家快速布局“天眼”变为现实,抗震救灾、突发事件支持、监测环境,从进入轨道的那一刻起,“快舟一号”卫星就成了太空中最忙碌的卫星之一。
2014年云南鲁甸地震灾害中,“快舟一号”是我国唯一一颗对灾区实施连续十余天的天回归重访监测的卫星,成功获取高分辨率震区遥感影像75景,全部于第一时间在线分发给各相关单位,为地震灾害监测及灾情评估提供了有力支持。
自动控制理论实验报告班号:1206161学号:1120610827姓名:郎秋生实验三 采用PI 的串联校正一、实验原理、内容及步骤1、原系统的原理方块图未校正系统的方块图如下所示:50(0.061)S S +()C S ()R S ×+-要求设计PI 串联校正装置,校正时使用期望特性开环传递函数为典型II 型并使系统满足下列指标:%25≤p σs t s 84.0≤校正网络的传递函数为:()101c R CS G s R CS+=校正后的方块图为:101R CS R CS+K50(0.061)S S +()C S ()R S ×+-2、系统校正前后的模拟电路图+-+-+-20K20K20K20K10K10K1u3u ()R t ()C t图1 校正前系统模拟电路图+-+-+-20K20K20K10K10K1u3u()C t +-+-3R 2R 6.47u1R 100K100K()R t图2 系统校正后的模拟电路图二、实验结果1、未校正系统的性能指标 理论分析:系统固有部分的分析: 原系统的开环传函:()()()502500/30.06150/3G s s s s s ==++对于二阶系统:()2=2nn G s s s ωζω+() 可得:12500328.87n s ω-==,50/30.292nζω==固有系统单位阶跃响应的超调量为:2exp()100%38.6%1p M ζπζ=-⨯=-调整时间:40.48s nt s ζω==实验中测得的未校正系统的阶跃响应曲线如下所示:由响应曲线可知:实测的系统的超调量为33.3% 调整时间为0.419s 。
实测值 理论值 超调量 33.3% 38.6% 调整时间 0.425s 0.48s由上表可知,对比理论值与实际值,相差不大,在误差允许的范围内,测量结果正确。
2、校正系统的性能指标 理论分析:校正参数设计如下:(1)对于具有中频宽系统,时域响应与频域响应的指标间的经验公式如下:()1s cK t πω=()0.160.41p r M σ=+-()()22 1.51 2.51r r K M M =+-+-(2)典型Ⅱ型系统的bode 图分析:aK cω1ω2ωh12h +开环传函:()1221111a K s G s s s ωω⎛⎫+ ⎪⎝⎭=⎛⎫+ ⎪⎝⎭,中频宽2111r r M h M ωω+==-,振荡度11rh M h +=- (3)系统要求的指标要求:25%p M ≤,0.84St s ≤。
姓名邱耀班级11108111 学号1110811025 实验日期06,06 节次9-10 教师签字成绩
十进制计数器报警装置
1.实验目的
(1)掌握与非门及组合逻辑电路的基本逻辑功能及使用方法;
(2)掌握74LS161芯片的逻辑功能及使用方法;
(3)掌握74LS00芯片的逻辑功能及使用方法;
(4)掌握74LS20芯片的逻辑功能及使用方法;
2.总体设计方案或技术路线
(1)通过74LS161芯片将输入的信号传递至LED,并显示计数;
(2)将输出的信号通过与非门逻辑电路传递至信号指示灯,当LED计数满时灯
亮报警
3.实验电路图
D 03Q 014D 14Q 113D 25Q 212D 3
6
Q 311R C O
15
E N P 7E N T 10C L K 2L O A D 9M R
1
U1
74LS161
1
2
3
U2:A
74LS00
4
5
6
U2:B
74LS00
10
9
8
U2:C
74LS00
12
45
6
U3:A
74LS20
13
12
11
U2:D
74LS00
D1
LED
A M F M
+
-
v c c 5v
4.仪器设备名称、型号
仪器名称 数量
74LS161 1 74LS20 1 74LS00
1
5.理论分析或仿真分析结果
LED 灯从0到9依次计数,到计数满一个周期时,灯会亮,报警
6.详细实验步骤及实验结果数据记录(包括各仪器、仪表量程及内阻的记录) 实验步骤:按照电路图连线,打开信号输入开关,观察现象并记录;
7.实验结论
8.实验中出现的问题及解决对策
9.本次实验的收获和体会、对电路实验室的意见或建议
10.参考文献
《电工实验教程》
《电工学中册》。