哈工大电路自主设计实验二端口网络参数的测定
- 格式:doc
- 大小:243.25 KB
- 文档页数:7
二端口网络参数的测定实验心得
1. 实验前仔细准备:在进行实验前,需要仔细准备有关实验所需的设备、器材和配件,检查它们是否完好无损。
此外需要精心设计实验方案、确保实验安全。
2. 实验中要仔细操作:在进行实验时,需要仔细对待每一个步骤和操作,保持集中注意力和缜密的思维,特别是在参数测量和计算时需要小心谨慎。
3. 实验后要及时处理数据:实验结束后需要对实验数据进行仔细处理,计算并分析所得数据,然后与设计参数进行比较。
如果存在偏差和误差,需要找出原因并及时处理。
4. 实验后要认真总结:实验结束后需要认真总结实验方案、操作步骤、结果分析,并提出改进和完善的意见和建议,对今后的工作有很大的帮助。
通过以上心得体会,我深刻认识到进行二端口网络参数测定实验的重要性。
只有在实验中认真细致的操作,才能保证实验数据的正确性和有效性,并为今后电路设计和优化提供完善的数据支撑。
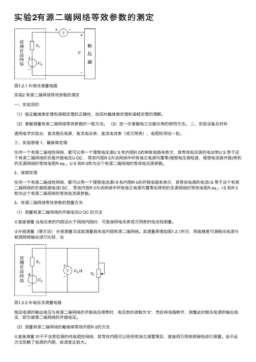
实验2有源⼆端⽹络等效参数的测定图1.2.1 补偿法测量电路实验2 有源⼆端⽹络等效参数的测定⼀、实验⽬的(1)验证戴维南定理和诺顿定理的正确性,加深对戴维南定理和诺顿定理的理解。
(2)掌握测量有源⼆端⽹络等效参数的⼀般⽅法。
(3)进⼀步掌握电⼯仪器仪表的使⽤⽅法。
⼆、实验设备及材料通⽤电学实验台,直流稳压电源,直流电压表、直流电流表(或万⽤表),电阻和导线⼀批。
三、实验原理 1、戴维南定理任何⼀个有源⼆端线性⽹络,都可以⽤⼀个理想电压源U S 和内阻R 0的串联电路来表⽰,其等效电压源的电动势U S 等于这个有源⼆端⽹络的负载开路电压U OC ,等效内阻R 0为该⽹络中所有独⽴电源均置零(理想电压源短路,理想电流源开路)得到的⽆源⽹络的等效电阻R eq 。
U S 和R 0称为这个有源⼆端⽹络的等效电压源参数。
2、诺顿定理任何⼀个有源⼆端线性⽹络,都可以⽤⼀个理想电流源I S 和内阻R 0的并联电路来表⽰,其等效电源的电流I S 等于这个有源⼆端⽹络的负载短路电流I SC ,等效内阻R 0为该⽹络中所有独⽴电源均置零后得到的⽆源⽹络的等效电阻R eq 。
I S 和R 0称为这个有源⼆端⽹络的等效电流源参数。
3、有源⼆端⽹络等效参数的测量⽅法(1)测量有源⼆端⽹络的开路电压U OC 的⽅法①直接测量当电压表的内阻远⼤于⽹络内阻时,可直接⽤电压表或万⽤表的电压档测量。
②补偿测量(零⽰法)补偿测量法适宜测量具有⾼内阻有源⼆端⽹络。
其测量原理如图1.2.1所⽰,⽤⾼精度可调稳压电源与被测⽹络输出进⾏⽐较,当图1.2.3 半电压法测量电路稳压电源的输出电压与有源⼆端⽹络的开路电压相等时,电压表的读数为“0”,然后将电路断开,测量此时稳压电源的输出电压,即为被测⼆端⽹络的开路电压。
(2)测量有源⼆端⽹络的戴维南等效内阻R 0的⽅法①直接测量对于不含受控源的纯电阻性⽹络,其等效内阻可以将所有独⽴源置零后,直接⽤万⽤表欧姆档进⾏测量。
《电路原理》实 验 报 告一、实验名称二端口网络参数的仿真测定二、实验目的1. 掌握二端口网络参数的定义。
2. 测量无源线性二端口电路的等效参数。
三、实验原理二端口网络的Z 参数矩阵,属于阻抗性质。
011112==I I U Z,021121==I I U Z,012212==I I U Z,022221==I I U Z011112==UUI Y ,012212==UUI Y ,021121==UUI Y ,022221==UUI Y)(212=-=I UU A,0212=-=U I UB,0)(212=-=I UI C ,0212=-=U I I D四、实验设备1.计算机一台2.Multisim 仿真软件一套五、实验内容与步骤1.二端口电路如下图所示,R 1=150Ω,R 2=51Ω,R 3=75Ω。
所需电源电压为10V 。
测量二端口电路1(下图所示)的电压和电流值,并填入下表中。
R 1R计算此二端口网络的Z、Y 、H 、T 参数。
2.对如下图所示的RLC 二端口网络测定在频率50Hz 时的诸参数。
Multisim 环境下测量二端口网络在某个频率下的参数,需连接上网络分析仪(Network Analyzer ),并对其面板上的频率设定在50Hz 即可进行测试。
网络分析仪如下图所示:六、实验结果与分析(一)Z 11=227.273Ω Z 12=75.342Ω Z 21=75.75Ω Z 22=126.582ΩY 11=0.0055 Y 12=0.0033 Y 21=0.0033 Y 22=0.0099A=3 B=303 C=0.0132 D=1.67H 11=181.818 H 12`=0.5952 H 21=0.600 H 22=0.0079规律:互易二端口满足: 对称二端口满足:(二)如图2112Z Z =2112Z Z =2211Z Z =所得参数Z11:20-j63.656 Z22:20-j63.656Y11: 0.004+j0.014 Y12:8.072e-7+j1.158e-6 Y21:8.072e-7+j1.158e-6 Y22:0.004+j0.014H11:20-j63.656 H12:-8.984e-5+j2.823e-5H21:8.984e-5-j2.823e-5 H22:0.004+j0.014。
二端口网络参数的测定含数据处理1.测量传输参数:传输参数是描述输入信号与输出信号之间转移关系的参数,主要包括电压传输系数(Voltage Transfer Gain)和相移(Phase Shift)。
测量电压传输系数可以采用两种方法:开路法和短路法。
-开路法:将输入端口接入一个高阻抗电压表,测量输出电压和输入电压,传输系数为输出电压除以输入电压。
-短路法:将输入端口接入一个低阻抗电流表,测量输出电压和输入电压,传输系数为输出电压除以输入电压。
测量相移可以通过相位计或示波器测量输入和输出信号的相位差。
2.测量散射参数:散射参数是描述网络中反射和传输特性的参数。
主要有反射系数(Reflection Coefficient)和传输系数(Transmission Coefficient)。
测量散射参数需要使用网络分析仪(Network Analyzer)。
-反射系数:将网络中的一个端口短路,通过网络分析仪测量另一个端口的反射系数。
-传输系数:将网络中的一个端口短路,通过网络分析仪测量另一个端口的传输系数。
测量时需要注意选择合适的测试频率范围,以保证测量精度。
3.测量稳定参数:稳定参数主要用于分析网络的稳定性和输入输出匹配情况。
主要包括输入射频功率范围(Input RF Power Range)、输出射频功率范围(Output RF Power Range)和电源抑制(RF Power Suppression)等参数。
-输入射频功率范围:通过逐渐增大输入功率,观察网络的输出功率是否随之增加,当输出功率不再增加时,即达到输入射频功率的最大范围。
-输出射频功率范围:通过逐渐增大输出功率,观察输出功率是否随之增加,当输出功率不再增加时,即达到输出射频功率的最大范围。
-电源抑制:通过观察输入功率和输出功率之间的关系,确定电源抑制的程度。
测量时需要注意选择合适的功率测量装置和保护电路,以保证测量的准确性和安全性。
数据处理方法:在进行二端口网络参数测定后,需要对测得的数据进行处理和分析。
课程名称: 电路实验 实验名称: 双端口网络结构与参数的判别 一、实验目的1. 通过实验内容1和内容2,引导学生去了解分析、测试电子电路通常所采用的实验方法与分析工具,了解不同方法的应用场合与适用范围。
2. 实验内容3,试图引导学生从分析任务要求着手,应用已经学习过的知识,寻找解决问题的方法;同时也希望拓宽视野,体验解决问题方法的多样性。
二、实验原理1.一阶电路的时域响应由动态元件(贮能元件L 、C )组成的电路,当其结构或元件的参数发生改变时,如电路中电源或无源元件的断开或接入、信号的突然注入等,可能使电路改变原来的工作状态,而转变到另一种工作状态。
所有储能元件的初始值为零的电路对外加激励的响应称为零状态响应。
一阶电路时可以用一阶微分方程来描述和求解的电路。
由方程 和初始条件可以得出电容的电压和电流随时间变化的规律式中,RC =τ称为时间常数;τ越大,过渡过程持续的时间越长。
电路在无激励情况下,由储能元件的初始状态引起的响应称为零输入响应。
由方程 和初始值可以得出电容器上的电压和电流随时间变化的规律: 上式表明,零输入响应是初始状态的线性函数。
方波信号可以看成是一系列阶跃响应和延时阶跃信号的叠加。
设方波幅值为S U ,则方波可以写成...)23()()2()()(+---+--=Tt U U T t U U T t U U t U U t u S S S S S 1) 当方波的半个周期远大于电路的时间常数(τ52≥T)时,可以认为方波某一边沿到来时,前一边沿所引起的过渡过程已经结束。
这时,一个周期方波信号作用的响应为可以看出,电路对上升沿的响应就是零状态响应;电路对下降沿的响应就是零输入响应。
方波响应是零状态响应和零输入响应的多次过程。
2.积分电路和微分电路 当时间常数τ很大(210T•=τ)时,由于)()(0t u t u R <<,所以)()(t u t u R S ≈,⎰⎰≈=t tS dt t u RCdt t i C t u 000)(1)(1)(。
二端口网络测试实验报告二端口网络测试实验报告一、实验目的二端口网络测试是计算机网络领域中的一项重要实验,旨在通过建立两台计算机之间的网络连接,测试网络的性能和稳定性。
本实验报告将详细介绍实验所涉及的步骤、方法和结果,以及对实验结果的分析和讨论。
二、实验步骤1. 实验环境搭建为了进行二端口网络测试,我们需要准备两台计算机,并确保它们能够相互通信。
在实验开始之前,我们先检查网络连接是否正常,确保两台计算机能够互相ping通。
2. 测试网络带宽为了测试网络的带宽,我们使用了一款专业的网络测试工具。
首先,在发送端计算机上运行该工具,并设置好发送数据包的大小和发送速率。
然后,在接收端计算机上同样运行该工具,并指定接收数据包的端口。
通过在两台计算机之间传输大量数据包,我们可以测量网络的带宽。
3. 测试网络延迟除了测试带宽外,我们还需要测试网络的延迟。
延迟是指从发送端发送数据包到接收端接收到数据包之间的时间间隔。
为了测量延迟,我们使用了另一款专业的网络测试工具。
在发送端计算机上运行该工具,并设置好发送数据包的大小和发送速率。
在接收端计算机上同样运行该工具,并指定接收数据包的端口。
通过测量数据包往返所需的时间,我们可以得出网络的延迟。
4. 分析和记录实验结果在进行网络测试的过程中,我们需要记录各项指标的数值,并进行分析。
通过对实验结果的分析,我们可以评估网络的性能和稳定性,并找出可能存在的问题。
三、实验结果在进行二端口网络测试的过程中,我们得到了以下结果:1. 带宽测试结果通过测试工具测量,我们得出了网络的带宽为X Mbps。
这个数值代表了网络在传输数据时的最大速率。
通过与预期的带宽进行比较,我们可以评估网络的性能。
2. 延迟测试结果通过测试工具测量,我们得出了网络的延迟为X 毫秒。
这个数值代表了数据包从发送端到接收端所需的时间间隔。
通过与预期的延迟进行比较,我们可以评估网络的稳定性。
四、结果分析和讨论根据实验结果,我们可以对网络的性能和稳定性进行分析和讨论。
两位数密码组合逻辑电路
电工自主设计实验
(一)实验目的
1.掌握74LS04、74LS74、74LS08等元件的逻辑功能和使用方法;
2.通过实验,进一步熟悉组合逻辑电路的分析和设计方法。
(二)实验电路图
VCC
(三)仪器设备名称、型号
1.模拟数字电子技术试验箱
2.双路直流稳压电源
3.电阻、导线若干
(四)理论分析或仿真分析结果
(五)详细实验步骤及实验结果数据记录
⑵按照逻辑图连接好电路
⑶别对六个输入端施加高低电平,观察输出端小灯的情况
⑷列出真值表:
结论:逻辑表达式为:
(六)实验结论
1.应用74LS04、74LS74、74LS08等元件可以实现两位数密码的设置,在生活中具有广泛应用。
(七)对实验的改进及优化
应该在实验的基础上加上一个清零开关。
此密码器设计比较简单,输入正确的密码前,小灯保持不亮,表明输入密码错误。
但输入正确的密码后,小灯一直保持亮的状态,所以在后续的设计优化过程中考虑增加一个清零开关。
(八)本次实验的收获和体会、对电路实验室的意见或建议
通过实验我了解了74LS138、74LS00、74LS20等元件的逻辑功能和使用方法,同时,通过实验,更加熟悉了组合逻辑电路的分析和设计方法。
在进行组合逻辑电路的设计时,应首先将给定的逻辑问题抽象成逻辑函数,列出其真值表,再根据真值表写出逻辑函数式并对其进行化简变换,最终根据化简变换后的逻辑函数式画出逻辑电路图。
参考文献
[1]杨世彦.电工学电子技术.机械工业出版社.2008
[2]邹其洪.电工电子实验与计算机仿真.电子工业出版社.2008。
《电路原理》实验报告实验时间: 2012/5/22一、实验名称二端口网络的研究二、实验目的1.学习测定无源线性二端口网络的参数。
2.了解二端口网络特性及等值电路。
三、实验原理1.对于无源线性二端口(图 6-1)可以用网络参数来表征它的特征,这些参数只决定于二端口网络内部的元件和结构,而与输入(激励)无关。
网络参数确定后,两个端口处的电压、电流关系即网络的特征方程就唯一的确定了。
I 1I 221无源线性输入端输出端U 1二端口网络U 21′2′图6-12.若将二端口网络的输出电压U 2和电流- I 2作为自变量,输入端电压 U 1和电流 I 1作因变量,则有方程U 1A11U2A12( I2)I 1A21U2A22( I2)式中 A11、 A12、 A21、 A22称为传输参数,分别表示为A11U 1U 2I 20A11是输出端开路时两个电压的比值,是一个无量纲的量。
A21I1A21U 2I 20是输出端开路时开路转移导纳。
A12U 1A12I2U20是输出端短路时短路转移阻抗。
I 1A22A22是输出端短路时两个电流的比值,是一个无量纲的 I2U 20量。
可见, A 参数可以用实验的方法求得。
当二端口网络为互易网络时,有A 11A22A 12A 211因此,四个参数中只有三个是独立的。
如果是对称的二端口网络,则有A11A223.无源二端口网络的外特性可以用三个阻抗(或导纳)元件组成的 T 型或π 型等效电路来代替,其 T 型等效电路如图 6-2 所示。
若已知网络的 A 参数, r 3则阻抗 r 1 、 r 2 、 分别为:r 1A1111 r1r22A 21A221r3r 2A211'2'r 31A 21图 6-2因此,求出二端口网络的 A 参数之后,网络的 T 型(或 π )等效电路的参数也就可以求得。
4.由二端口网络的基本方程可以看出, 如果在输出端 1-1′接电源, 而输出端 2-2′处于开路和短路两种状态时,分别测出 U 10 、 U 20 、 I 10 、 U 1S 、 I 1S 、 I 2S ,则就可以得出上述四个参数。
姓名:班级:学号: 成绩:教师签字:自主设计实验线性无源二端口网络的研究一、实验目的(1)学习测试二端口网络参数的方法(2)通过实验来研究二端口网络的特性及其等值电路 二、实验原理及电路图(1)二端口网络是电路技术中广泛使用的一种电路形式。
就二端口网络的外部性能来说,重要的问题是要找出它的两个端口(通常也就是称为输入端和输出端)处的电压和电流之间的相互关系,这种相互关系可以由网络本身结构所决定的一些参数来表示。
不管网络如何复杂,总可以通过实验的方法来得到这些参数,从而可以很方便的来比较不同的二端口网络在传递电能和信号方面的性能,以便评价它们的质量。
(2)由图1分析可知二端口网络的基本方程是: U 1=AU 2-BI 2I 1=CU 2-DI 2式中A 、B 、C 、D 称为二端口网络的T 参数。
其数值的大小决定于网络本身的元件及结构。
这些参数可以表征网络的全部特性。
它们的物理概念可分别用以下的式子来说明:输出端开路:A= C=输出端短路:B= D=可见A 是两个电压比值,是一个无量纲的量,B 是短路转移阻抗;C 是开路转移导纳,D 是两个电流的比值,也是无量纲的。
A 、B 、C 、D 四个参数中也只有三个是独立的,因为这个参数间具有如下关系:A ·D-B ·C=102'20'10'=IU U 02'20'10'=I U I 02'2'1'=-U I U S S02'2'1'=-U I I SS2’2图1如果是对称的二端口网络,则有A=D(3)由上述二端口网络的基本方程组可以看出,如果在输入端1-1'接以电源,而输出端2-2'处于开路和短路两种状态时,分别测出、、、、及则就可得出上述四个参数。
但这种方法实验测试时需要在网络两端,即输入端和输出端同时进行测量电压和电流,这在某些实际情况下是不方便的。
二端口网络实验报告二端口网络实验报告引言:网络技术的不断发展和普及,使得人们的生活和工作方式发生了翻天覆地的变化。
作为网络的基础,二端口网络在各个领域中起着至关重要的作用。
本报告旨在通过对二端口网络的实验研究,深入了解其原理和应用。
一、实验目的本次实验的主要目的是通过搭建二端口网络,探究其工作原理和性能表现。
具体目标如下:1.了解二端口网络的基本概念和特点;2.掌握二端口网络的搭建和配置方法;3.研究二端口网络的传输性能和稳定性。
二、实验原理1.二端口网络的定义二端口网络是指具有两个输入端口和两个输出端口的网络系统。
它可以用来连接不同的设备和主机,实现数据的传输和通信。
2.二端口网络的结构二端口网络由两个端口和中间的网络设备组成。
其中,端口可以是计算机、路由器、交换机等,而网络设备则负责将数据从一个端口传输到另一个端口。
3.二端口网络的工作原理当数据从一个端口输入到网络中时,网络设备会根据设定的规则和路由表,将数据传输到目标端口。
这个过程中,网络设备会根据网络拓扑和传输协议,进行数据的分组、转发和路由选择。
三、实验步骤1.准备工作在进行实验之前,需要准备好所需的硬件设备和软件工具。
硬件设备包括计算机、路由器、交换机等,而软件工具则包括网络配置软件和数据传输工具。
2.搭建二端口网络首先,将计算机、路由器和交换机等设备连接起来,形成一个网络拓扑结构。
然后,通过网络配置软件对设备进行配置,设置IP地址、子网掩码和默认网关等参数。
3.测试网络传输性能使用数据传输工具,对二端口网络进行性能测试。
可以通过发送大文件、测量传输速度和延迟等指标,评估网络的传输性能和稳定性。
四、实验结果与分析通过实验,我们得到了以下结果:1.二端口网络可以实现不同设备之间的数据传输和通信,具有较高的灵活性和可扩展性;2.网络的传输性能和稳定性受到多种因素的影响,包括网络拓扑、设备配置和传输协议等;3.合理配置和管理二端口网络,可以提高网络的传输效率和安全性。
实验报告三 二端口网络各参数的测算及验证1、电路课程设计目的(1)测量二端口网络的开路阻抗参数、短路导纳参数、传输参数等;(2)验证等效二端口网络的传输参数与级联的两个二端口网络传输参数之间的关系。
2、设计电路原理与说明 具有两对引出端钮的网络,如果每一对端钮都满足从一端流入的电流与另一端流出的电流为同一电流的条件时,则将这样的一对端钮称为端口,上述条件称为端口条件。
只有满足端口条件的四端网络才可称为二端口网络或双口网络,否则只能称为四端网络。
用二端口概念分析电路时,仅对二端口处的电流、电压之间的关系感兴趣,这种相互关系可以通过一些参数表示,而这些参数只取决于构成二端口本身的元件及它们的连接方式。
一旦确定表征这个二端口的参数后,当一个端口的电流、电压发生变化,再求另外一个端口的电流、电压就比较容易了。
设计二端口网络电路图如下()1000rad s ω=图一开路阻抗参数(Z 参数)理论计算:当I 2 =0时,受控源与电容并联再与电阻串联()1111112I j I I U ⨯-⨯+= ()11212j I I U -⨯+=21110113I U Z j I ===-2221013I U Z j I ===-当I 1=0时,受控源电阻均不作用,电路中只有电容作用12U U = 1112021I U Z j I ===-1222021I U Z j I ===-131 3.16213131j j Z j j --⎛⎫⎛⎫== ⎪ ⎪--⎝⎭⎝⎭短路导纳参数(Y 参数)理论计算: 当U 2=0时,电容短路不作用111U I =⨯ 11220I I I ++= 2111011U I Y U ===2221013U I Y U ===-当U 1=0时,电阻、电容、受控源并联()221U I =⨯-112221I I I j U ++=⨯ 1112021U I Y U ===-1222023U I Y j U ===+1111333 3.162Y j -⎛⎫⎛⎫== ⎪ ⎪-+⎝⎭⎝⎭传输参数(T 参数)理论计算:()210213I U j A U -===+()21023I I j C U -===()210213U U B I ===- ()210213U I D I ===- 11 1.0540.3333310.3330.33333j T j ⎛⎫+ ⎪⎛⎫==⎪ ⎪ ⎪⎝⎭ ⎪⎝⎭两个上述二端口网络级联的T 参数理论值为:874 1.1810.4589999'1410.4580.1579999j j T T T j j ⎛⎫++⎪⎛⎫=⋅==⎪ ⎪ ⎪⎝⎭-++⎪⎝⎭3电路课程设计仿真内容与步骤及结果 (1)将图一中的电气元件接好;(2)1-1’端口接入电源,2-2’端口开路,测量U 2 I 1 ;图二1111220 3.16269.571U Z I =≈= 2211208.713.00069.571U Z I =≈= (3)1-1’端口开路,2-2’端口接入电源,测量U 1I 2 ;图三1122220 1.000220.002U Z I =≈= 22222201.000220.002U Z I =≈= (4)1-1’端口接入电源,2-2’端口短路,测量I 1 I 2 ;图四11112201220I Y U === 22116603220I Y U === (5)1-1’端口短路,2-2’端口接入电源,测量I 1 I 2 ;图五11222201220I Y U === 2222695.702 3.162220I Y U =≈= (6)由图二有122201.054208.710U A U =≈= 1269.5710.333208.710I C U =≈= 由图四有122200.333660U B I =≈= 122200.333660I D I =≈= (7)将两个上述二端口网络级联,组成新的二端口网络(8)将新的二端口网络的1-1’端口接入电源,2-2’端口开路,测量U 2 I 1 ;图六12220 1.181'186.262U A U =≈=1 285.3320.458' 186.262IC U=≈=(9)将新二端口网络的1-1’端口接入电源,2-2’端口短路,测量I1 I2;图七1 22200.458' 480.220UB I=≈=1 275.4600.157' 480.220IDI=≈=4、仿真结果与理论分析对比及仿真中的注意事项仿真结果与理论计算完全符合,不仅验证了Z、Y、T等参数的计算结果,而且也验证了等效二端口网络的传输参数与级联的两个二端口网络传输参数之间的关系。
线性无源二端口网络传输参数的测定及其等效电路的设计一. 实验目的:1.学习掌握线性无源二端口网络传输参数的测量方法;2.利用传输参数设计出T型和π型网络;3.通过实验来研究二端口网络的特性及其等效电路;二.实验原理及设计方案:(1) 二端口网络是电子技术中广泛使用的一种电路形式,二端口网络的外部性能取决于两个端口电压电流的之间的相互关系,这种关系可以由网络本身结构所决定的一些参数来表示,不管网络如何复杂,总可以通过实验的方法来得到这些参数,从而可以很方便的来比较不同而端口网络在传递电能和信号方面的性能,以便评价他们的质量。
(2)二端口网络的传输参数方程:传输参数方程是用输出端口电压U2与电流I2来表示输入端电压U1与电流I1的方程U1=A11U2-A12I2I1=A21U2-A22I2其中A11 A12 A21 A22 称为二端口网络的传输参数,其数值大小取决于网络本身的元件及结构,这些参数可以表征网络的全部特征。
测量二端口网络的传输参数本次实验采用在二端口网络输入端及输出端分别进行测量21011011021i U A R I A ===21121122S S Su U A R I A ===12022022021i U A R I A ===12122211S S Su U A R I A ===的方法间接测定这四个参数的值。
在二端口网络的AA ’端口接上直流电源,在BB ’端开路和短路的情况下分别得到开路阻抗01R 及短路阻抗1S R ,即:再把电源接在BB ’端口,在AA ’端口开路和短路的情况下分别得到开路阻抗02R 及短路阻抗2S R ,即:由此可以计算得到A 11 A 12 A 21 A 22的数值。
(3)无源二端口网络可以用T 型电路和π型电路等效,T 型电路π型电路由电路理论基础知识可知T 型电路的三个电阻的参数由以下公式给出:111211A R A -=; 222211A R A -= ; 3211R A = ; π型电路三个电阻参数由以下公式给出:121221A R A =- ;221R A = ; 123111A R A =- ;可以按照以上分析搭建T型和π型电路,再按照前面的方法测出其传输参数与原二端口网络电路的传输参数比较分析结果。
姓名 班级 学号 实验日期 教师签字 成绩二端口网络参数的测量1.实验目的(1)熟悉二端口网络(2)掌握二端口参数测定的一般方法 2. 总体设计方案或技术路线 (1)实验原理○1由导纳参数方程1111122I =Y U +Y U 、2211222I =Y U +Y U 可得2111U =01I Y =|U 、2221U=01IY =|U、1112U=02IY =|U、1222U =02I Y =|U○2由阻抗参数方程1111122U =Z I +Z I 、2211222U =Z I +Z I 可得2111I =01U Z =|I 、2221I =01U Z =|I 、1112I =02U Z =|I 、1222I =02U Z =|I○3由传输参数方程1112122U =A U +A I (-)、1212222I =A U +A I (-)可得2111I =02U A =|U 、2121I =02IA =|U、2112U =02U A =|I -、2122U =02I A =|I -○4由混合参数方程1111122U =H I +H U 、2211222I =H I +H U 可得2111U =01U =|I H 、2221U =01I=|I H、1112I =02U =|U H 、1222I =02I =|U H(2)实验方案○1导纳参数的测定。
如实验电路1所示,分别测量左边加电压源右端短路时的U 1、I 1、I 2,右边加电压源左边短路时的U 2、I 1、I 2。
便可以计算出所有导纳参数,把此结果与计算结果作比较。
○2阻抗参数的测定。
如实验电路2所示,分别测量左边加电流源右边断路的U 1、U 2、I 1,右边加电流源左边断路的U 1、U 2、I 2。
便可以计算出所有阻抗参数,把此结果与计算结果作比较。
○3传输参数的测定。
如实验电路3所示,分别测量左边加电压源右边断路的U 1、U 2、I 1,左端加电压源右端短路时的 U 1、I 1、I 2。
二端口网络参数的测定一、实验目的1.加深理解双口网络的基本理论。
2.学习双口网络Y 参数、Z 参数及传输参数的测试方法。
3.验证二端口网络级联后的传输参数与原二端口网络传输参数的关系。
二、原理说明1.如图2-12-1所示的无源线性双口网络,其两端口的电压、电流四个变量之间关系,可用多种形式的参数方程来描述。
图2-12-1(1)若用Y 参数方程来描述,则为()()()(),即输入端口短路时令,即输入端口短路时令,即输出端口短路时令,即输出端口短路时令其中0I 0I 0I 0I 1222212112212212111122212122121111========+=+=U U Y U U Y U U Y U U Y U Y U Y I U Y U Y I由上可知,只要在双口网络的输入端口加上电压,令输出端口短路,根据上面的前两个公式即可求得输入端口处的输入导纳Y 11和输出端口与输入端口之间的转移导纳Y 21。
同理,只要在双口网络的输出端口加上电压,令输入端口短路,根据上面的后两个公式即可求得输出端口处的输入导纳Y 22和输入端口与输出端口之间的转移导纳Y 12。
(2)若用Z 参数方程来描述,则为()()()(),即输入端口开路时令,即输入端口开路时令,即输出端口开路时令,即输出端口开路时令其中0U Z 0U Z 0U Z 0U1222212112212212111122212122121111========+=+=I I I I I I I I Z I Z I Z U I Z I Z U由上可知,只要在双口网络的输入端口加上电流源,令输出端口开路,根据上面的前两个公式即可求得输出端口开路时输入端口处的输入阻抗Z 11和输出端口与输入端口之间的开路转移阻抗Z 21。
同理,只要在双口网络的输出端口加上电流源,令输入端口开路,根据上面的后两个公式即可求得输入端口开路时输出端口处的输入阻抗Z 22和输入端口与输出端口之间的开路转移阻抗Z 12。
二端口网络参数的测定
一、实验目的
1.加深理解双口网络的基本理论。
2.学习双口网络Y 参数、Z 参数及传输参数的测试方法。
3.验证二端口网络级联后的传输参数与原二端口网络传输参数的关系。
二、原理说明
1.如图2-12-1所示的无源线性双口网络,其两端口的电压、电流四个变量之间关系,可用多种形式的参数方程来描述。
图2-12-1
(1)若用Y 参数方程来描述,则为
()()()(),即输入端口短路时令,即输入端口短路时令,即输出端口短路时令,即输出端口短路时令其中0I 0I 0I 0I 12
2
2212
1
1221
2
2121
1
1122212122121111==
======+=+=U U Y U U Y U U Y U U Y U Y U Y I U Y U Y I
由上可知,只要在双口网络的输入端口加上电压,令输出端口短路,根据上面的前两个公式即可求得输入端口处的输入导纳Y 11和输出端口与输入端口之间的转移导纳Y 21。
同理,只要在双口网络的输出端口加上电压,令输入端口短路,根据上面的后两个公式即可求得输出端口处的输入导纳Y 22和输入端口与输出端口之间的转移导纳Y 12。
(2)若用Z 参数方程来描述,则为
()()()(),即输入端口开路时令,即输入端口开路时令,即输出端口开路时令,即输出端口开路时
令其中
0U Z 0U Z 0U Z 0U
12
2
2212
1
1221
2
212111122212122121111==
======+=+=I I I I I I I I Z I Z I Z U I Z I Z U
由上可知,只要在双口网络的输入端口加上电流源,令输出端口开路,根据上面的前两个公式即可求得输出端口开路时输入端口处的输入阻抗Z 11和输出端口与输入端口之间的开路转移阻抗Z 21。
同理,只要在双口网络的输出端口加上电流源,令输入端口开路,根据上面的后两个公式即可求得输入端口开路时输出端口处的输入阻抗Z 22和输入端口与输出端口之间的开路转移阻抗Z 12。
(3)若用传输参数(A 、T )方程来描述,则为
()()()(),即输出端口短路时令,即输出端口开路时令,即输出端口短路时令,即输出端口开路时令其中0I D 0I C 0U B 0U A 221s
220
10
221s
220
10
221221=-=
===-===-=-=U I I U U I I U DI CU I BI AU U s
s
由上可知,只要在双口网络的输入端口加上电压,令输出端口开路或短路,在两个端口同时测量电压和电流,即可求出传输参数A 、B 、C 、D ,这种方法称为同时测量法。
2.测量一条远距离传输线构成的双口网络,采用同时测量法就很不方便,这时可采用分别测量法,即先在输入端口加电压,而将输出端口开路或短路,在输入端口测量其电压和电流,由传输方程得
()
()
,即输出端口短路时令,即输出端口开路时令00111101010======2s s s 2U D
B
I U R I C
A
I U R
然后在输出端口加电压,而将输入端口开路或短路,在输出端口测量其电压和电流,由
传输方程得
(),即输入端口开路时令0I 1202020==-=
C
D
I U R (),即输入端口短路时令0U 1222==-=
A
B
I U R s s s R 10、R 1s 、R 20、R 2s 分别表示一个端口开路或短路时另一端口的等效输入电阻,对于无源线性双口网络,这四个参数只有三个是独立的,即
20
10
221
CR D R A C AR B R R R A BC AD s s 2010==
=-=
=-参数为至此,可求得四个传输
3.二端口网络级联后的等效二端口网络的传输参数亦可采用前述的方法之一求得。
从理论推得两个二端口网络级联后的传输参数与每一个参加级联的二端口网络的传输参数之间有如下的关系:
D D B C C D A C D B B A C B A A D C B A D C B A D C B A '
''+'''='''+'''='''+'''='
''+'''=⎥⎦⎤⎢⎣⎡''''''''⎥⎦⎤⎢⎣⎡''''=⎥⎦⎤⎢⎣⎡D C B A 即
三、实验设备
直流稳压电源1台
数字万用表1台
直流电流表1台
交直流实验箱
四、实验内容
双口网络的实验电路如图2-12-3所示。
将直流稳压电源的输出电压调到10V,作为双口网络的输入。
1.用同时测量法测量双口网络Ⅰ的Y参数、Z参数及传输参数,将测量与计算结果记录于表2-12-2中。
表2-12-2
二端口网络1
二端口网络2
图2-12-3
2.用同时测量法测量双口网络Ⅱ的的Y参数、Z参数及传输参数,将测量与计算结果记录于表2-12-3。
表2-12-3
3.用分别测量法分别测量双口网络Ⅰ、Ⅱ的传输参数,将测量与计算结果记录于表2-12-4中,与用同时测量法测得的双口网络Ⅰ、Ⅱ的传输参数值进行比较。
表2-12-4
量级联后等效二端口网络的传输参数A、B、C、D,并验证等效二端口网络传输参数与级联
五、实验注意事项
1.测量电流时,要注意判别电流表的极性及选取合适的量程(注意电流I2的参考方向)。
2.两个双口网络级联时,应注意将双口网络Ⅰ的输出端口与双口网络Ⅱ的输入端口联接。
六、实验结论
1.经过开短路测量法测得的结果与理论结果基本一致;
2.用分别测量法和同时测量法测得的双口网络Ⅰ、Ⅱ的传输参数值基本相同。
3.设级联后的二端口网络的传输参数为A,二端口网络一的传输参数为A1,二端口网络二的传输参数为A2,则A=A1*A2,说明级联后的二端口网络的传输参数是原各二端口网络传输参数的积。
七、本次实验的收获和体会、对电路实验室的意见或建议
加深了对二端口网络的基本理论理解,学习了双口网络Y参数、Z参数及传输参数的测试方法。
意见或建议:元器件准备更多一些,电阻种类更多一些。
八,参考文献
《电路理论基础》陈希有主编
《电路与电子技术基础实验及应用》徐建主编。