风管尺寸与厚度的选择
- 格式:doc
- 大小:41.50 KB
- 文档页数:1
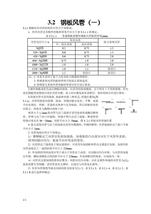
3.2 钢板风管(一)3.2.1钢板矩形风管的制作应符合下列要求:1.矩形风管及其配件的板材厚度不应小于表3.2.1-1的规定。
表3.2.1-1普通钢板或镀锌钢板风管板材厚度(mm)风管边长尺寸b矩形风管除尘系统风管中、低压系统高压系统b≤3200.50.75 1.5 320<b≤4500.60.75 1.5450<b≤6300.60.75 2.0630<b≤10000.75 1.0 2.01000<b≤1250 1.0 1.0 2.01250<b≤2000 1.0 1.2按设计2000<b≤4000 1.2按设计按设计注:1 本表不适用于地下人防及防火隔墙的预埋管。
2 排烟系统风管的板材厚度可按高压系统选用。
3 特殊除尘系统风管的板材厚度应符合设计要求。
2.镀锌钢板或彩色涂层钢板的拼接,应采用咬接或铆接,且不得有十字型拼接缝。
彩色涂层钢板的塗塑面应设在风管内侧,加工时应避免损坏涂塑层,损坏的部分应进行修补。
3.焊接风管可采用搭接、角接和对接三种形式,焊缝位置如(图3.2.1)。
风管焊接前应除锈、除油。
焊缝应融合良好、平整,表面不应有裂纹、焊瘤、穿透的夹渣和气孔等缺陷,焊后的板材变形应矫正,焊渣及飞溅物应清除干净。
壁厚大于1.2mm的风管与法兰连接可采用连续焊或翻边断续焊。
管壁与法兰内口应紧贴,焊缝不得凸出法兰端面,断续焊的焊缝长度宜在30~50mm,间距不应大于50mm。
图3. 2.1焊接风管焊缝位置4 除尘系统风管与法兰的连接宜采用内侧满焊、外侧间断焊,风管端面距法兰接口平面不应小于5mm。
5 风管加固应符合下列规定:1)薄钢板法兰风管宜轧制加强筋,加强筋的凸出部分应位于风管外表面,排列间隔应均匀,板面不应有明显的变形。
2)风管的法兰强度低于规定强度时,可采用外加固框和管内支撑进行加固,加固件距风管连接法兰一端的距离不应大于250mm。
3)外加固的型材高度应等于或小于风管法兰高度,且间隔应均匀对称,与风管的连接应牢固,螺栓或铆接点的间距不应大于220mm;外加固框的四角处,应连接为一体。
风管规格尺寸表标准一、风管尺寸在通风、空调系统中,风管的尺寸是至关重要的。
根据不同的系统需求和使用场合,风管的尺寸也有所不同。
以下是一些常见的风管尺寸:1. 圆形风管:直径为DN100、DN150、DN200、DN250、DN300等。
2. 矩形风管:长×宽为200mm×200mm、250mm×250mm、300mm ×300mm、400mm×400mm等。
3. 扁形风管:长×宽为200mm×100mm、250mm×150mm等。
二、风管厚度风管的厚度也是根据系统的压力和风量需求而定的。
以下是一些常见的风管厚度:1. 圆形风管:厚度为0.5mm、1.0mm、1.2mm、1.5mm等。
2. 矩形风管:厚度为0.5mm、1.0mm、1.2mm等。
3. 扁形风管:厚度为1.0mm、1.2mm等。
三、风管连接方式风管的连接方式通常有咬口连接、焊接和法兰连接三种。
其中,咬口连接主要用于圆形风管,焊接主要用于矩形风管,法兰连接则适用于各种形状的风管。
四、风管材料风管的材料也是多种多样的,以下是一些常见的风管材料:1. 镀锌钢板:具有防腐、防锈、防火等优点,适用于一般通风2. 不锈钢板:具有防腐、防锈等优点,适用于高洁净度场合。
3. 铝板:质量轻、易加工,适用于室外系统和空调系统。
4. PVC板:价格低廉、易加工,适用于简易通风系统。
五、风管压力等级风管的压力等级是根据系统的压力需求而定的,以下是一些常见的风管压力等级:1. 低压风管:适用于压力小于5kPa的系统中。
2. 中压风管:适用于压力5kPa至10kPa的系统中。
3. 高压风管:适用于压力大于10kPa的系统中。
六、风管法兰形式风管的法兰形式主要有平插法兰和翻边法兰两种。
平插法兰主要用于圆形风管,翻边法兰则适用于矩形和扁形风管。
此外,根据压力等级的不同,法兰的厚度和尺寸也有所不同。
风管厚度规范表本文介绍了低压系统中不同材质风管的板材厚度和玻璃纤维布厚度与层数的规定。
表4.2.2-1和表4.2.2-2中,低压系统中硬聚氯乙烯圆形和矩形风管的板材厚度随着风管直径或长边尺寸的增加而增加。
表4.2.2-3和表4.2.2-4中,有机玻璃钢和无机玻璃钢风管的板材厚度也随着直径或长边尺寸的增加而增加。
表4.2.2-5中,无机玻璃钢风管的玻璃纤维布厚度和层数也随着直径或长边尺寸的增加而增加。
在设计中应遵循国家产品标准的规定。
钢板、镀锌钢板、不锈钢板和铝板的厚度应符合表4.1.1-1至表4.1.1-3的规定。
表4.2.1-1中列出了不同直径或长边尺寸的钢板风管板材厚度。
风管的设计和选择是建筑排烟系统中非常重要的一环。
在选择风管时,需要考虑到不同系统的要求和设计规范。
例如,螺旋风管的钢板厚度可以适当减小10%~15%,这可以降低成本,但需要确保不影响系统的正常运行。
排烟系统的风管钢板厚度应该按照高压系统的标准来选择。
这可以确保系统的安全性和可靠性。
特殊的除尘系统风管需要符合设计要求,以确保其有效性和可靠性。
但需要注意的是,预埋管不适用于地下人防与防火隔墙。
在选择圆形风管和矩形风管时,需要考虑不同系统的要求。
对于中、低压系统,圆形风管的钢板厚度应该为0.75mm,而矩形风管的钢板厚度应该为0.60mm。
对于高压系统,圆形风管的钢板厚度应该为0.75mm,而矩形风管的钢板厚度应该为0.75mm。
在除尘系统中,圆形风管的钢板厚度应该为1.5mm,而矩形风管的钢板厚度应该为1.5mm。
这可以确保系统的有效性和可靠性。
在选择风管时,需要根据实际情况进行选择和设计,以确保系统的正常运行。
不锈钢风管国标尺寸
一、前言
不锈钢风管作为一种重要的通风系统材料,其国标尺寸对于安装和使用具有重要意义。
本文将介绍不锈钢风管的国标尺寸,以帮助读者更好地了解和使用这一材料。
二、不锈钢风管的国标尺寸
根据国标要求,不锈钢风管的尺寸应具备以下特点:
1. 直径范围:
不锈钢风管的直径范围一般为80mm至1600mm,以适应不同空间和风量需求。
不同直径的风管可以满足不同场景下的通风要求。
2. 管壁厚度:
不锈钢风管的管壁厚度一般为0.4mm至 1.0mm,根据不同的使用环境和风压要求,可以选择不同厚度的风管。
较大的风压和环境恶劣的情况下,通常选择较厚的管壁。
3. 管长:
不锈钢风管的管长可以根据具体需求进行定制。
通常情况下,风管的长度为2m至6m,以适应不同空间和布局要求。
4. 连接方式:
不锈钢风管的连接方式多种多样,常见的有法兰连接、螺纹连接和
搭接连接等。
不同的连接方式适用于不同的场景和使用要求。
5. 表面处理:
不锈钢风管的表面处理一般采用抛光或喷涂等方式,以增加其耐腐蚀性和美观度。
表面处理对于不锈钢风管的使用寿命和外观效果有着重要影响,需根据具体需求进行选择。
三、结语
不锈钢风管国标尺寸的合理选择对于通风系统的正常运行和效果有着重要影响。
本文简要介绍了不锈钢风管的国标尺寸范围,包括直径范围、管壁厚度、管长、连接方式和表面处理等。
希望本文能够帮助读者更好地了解和选择不锈钢风管,以满足实际需求。
同时,也希望读者能够在使用过程中遵守相关安全规定,确保通风系统的正常运行和安全性。
通风风管规格及厚度要求
通风风管的规格和厚度需要考虑到系统的使用环境和通风量等因素,并严格遵守国家相关标准和要求。
一般来说,通风风管的规格应根据通风量和使用环境确定,厚度则应根据材料的强度和舒适性要求综合考虑。
具体要求如下:
1.规格要求
通风风管的规格需要考虑系统的通风量和使用环境,其直径或长宽应根据系统的通风量确定,常用的规格有80mm、100mm、120mm、150mm、200mm等尺寸。
同时,在不同的使用环境下,还需要根据系统的不同要求,选择合适的材料进行制造。
2.厚度要求
通风风管的厚度直接影响风管的强度和舒适性,一般需要根据材料的强度和使用要求综合考虑。
在不同的使用环境下,通风风管的厚度要求也会有所不同。
一般来说,通风风管的厚度应不小于2mm,且不得低于材料标准规定的最低厚度。
总之,通风风管的规格和厚度是根据系统的通风量和使用环境等因素综合考虑,其中需要严格遵守国家相关标准和要求,以确保系统的通风效果和安全运行。
双面彩钢玻纤风管厚度标准一、风管尺寸双面彩钢玻纤风管的尺寸通常根据实际需求进行定制,常见的尺寸有:1.圆形风管:直径Φ200mm ~ Φ3000mm2.矩形风管:100mm x 100mm ~ 300mm x 2000mm3.异形风管:根据实际需求定制二、彩钢厚度彩钢是双面彩钢玻纤风管的外部材料,其厚度对于风管的性能和使用寿命具有重要影响。
根据不同的应用场景和性能要求,彩钢的厚度也有所不同。
常见的彩钢厚度有:1.0.5mm厚度的彩钢:适用于一般通风排气工程,价格较为经济。
2.0.7mm厚度的彩钢:适用于中档通风排气工程,性能较0.5mm更好。
3. 1.0mm厚度的彩钢:适用于高温、潮湿等恶劣环境,具有更好的耐腐蚀性和强度。
三、玻纤层数玻纤层是双面彩钢玻纤风管的保温材料,其层数对于保温效果和风管的强度具有重要影响。
常见的玻纤层数有:1.单层玻纤:适用于一般通风排气工程,保温效果一般。
2.双层玻纤:适用于中档通风排气工程,保温效果较好。
3.四层玻纤:适用于高温、潮湿等恶劣环境,保温效果优秀,性能稳定。
四、粘合强度粘合强度是评价双面彩钢玻纤风管质量的重要指标之一,它关系到风管的密封性能和使用寿命。
根据实际应用需求和标准要求,常见的粘合强度如下:1.合格品:粘合强度不应低于2.5MPa。
2.一级品:粘合强度不应低于3.5MPa。
3.优等品:粘合强度不应低于4.5MPa。
五、耐腐蚀性双面彩钢玻纤风管具有良好的耐腐蚀性,能够适应各种复杂环境。
其耐腐蚀性能主要取决于彩钢和粘合剂的材质和质量。
根据实际应用需求和标准要求,常见的防腐等级如下:1.一般防腐蚀:适用于通风排气工程,能够满足一般防腐要求。
2.中等防腐蚀:适用于较为恶劣的环境,如潮湿、酸性等。
3.高强度防腐蚀:适用于极为恶劣的环境,如强酸、强碱等。
六、防火性能防火性能是评价双面彩钢玻纤风管安全性能的重要指标之一。
根据实际应用需求和标准要求,常见的防火等级如下:1.B1级:难燃型,氧指数不小于30%。
新风镀锌风管规格尺寸
新风镀锌风管是一种常见的通风管道,其规格尺寸对于正常的通风系统运行非常重要。
下面将从直径、长度和厚度三个方面介绍新风镀锌风管的规格尺寸。
一、直径
新风镀锌风管的直径通常根据通风系统的需求来确定。
直径较小的风管适用于小型通风系统,而直径较大的风管适用于大型通风系统。
常见的直径规格有80mm、100mm、125mm、150mm、200mm等,根据需求可以选择合适的直径。
二、长度
新风镀锌风管的长度也根据通风系统的具体情况来确定。
一般来说,风管的长度应根据通风管道的布置和管道连接的需求来选择。
长度较短的风管适用于空间较小的通风系统,而长度较长的风管适用于空间较大的通风系统。
常见的长度规格有1m、2m、3m等,根据实际情况选择合适的长度。
三、厚度
新风镀锌风管的厚度决定了其强度和耐用性。
一般来说,风管的厚度应根据通风系统的工作压力和使用环境来选择。
厚度较薄的风管适用于低压力环境,而厚度较厚的风管适用于高压力环境。
常见的厚度规格有0.5mm、0.8mm、1.0mm等,根据实际需求选择合适的厚度。
总结起来,新风镀锌风管的规格尺寸包括直径、长度和厚度三个方面。
在选择风管规格尺寸时,需要根据通风系统的需求和使用环境来确定合适的直径、长度和厚度。
合理选择规格尺寸可以确保通风系统的正常运行,提高空气质量,保障人们的健康。
铁皮风管厚度标准
一、材料选择
铁皮风管主要采用镀锌钢板材料,其厚度必须符合相关标准要求。
镀锌钢板应具有产品质量证明文件,其化学成分、力学性能、工艺性能及外形尺寸应符合国家有关标准规定。
镀锌钢板表面应平整、光滑,不得有裂纹、折皱、气泡、夹渣等缺陷。
二、风管尺寸
铁皮风管的直径尺寸应符合设计要求,一般可分为直径小于600mm和直径大于600mm两种情况。
1. 直径小于600mm的风管
对于直径小于600mm的风管,其镀锌钢板厚度不应小于0.6mm。
风管壁厚应均匀,不得有裂纹、变形或明显的拼接焊缝。
风管连接处应平整、牢固,接口应采用咬口连接或其他可靠的连接方式,不得有缝隙或松动现象。
2. 直径大于600mm的风管
对于直径大于600mm的风管,其镀锌钢板厚度不应小于0.8mm。
风管壁厚应适当增加,以保证风管的强度和稳定性。
风管连接处应采用相应的加强措施,以保证接口的牢固性和密封性。
同时,对于特别重要的风管或需要特殊要求的场合,应按照相关规定进行加强和加固处理。
三、其他要求
铁皮风管制作完成后,应进行质量检验,确保风管的材料、尺寸、
外观质量和连接方式等符合设计要求和相关标准规定。
对于需要保温的风管,保温材料应选用不燃或难燃材料,并应具有防腐、防潮等性能。
风管安装时,应按设计要求确定安装位置和固定方式,确保安装牢固、接口严密,避免出现摇晃或松动现象。
同时,对于有特殊要求的风管,如防火、防爆等,应按照相关规定进行特别处理和安装。
通风工程施工工艺(包含风管制作、安装及附属安装)1、风管的制作通风及空调新风、:空调及新风送风风管采用双面彩钢玻纤复合风管,内外层采用表面喷涂抗菌防霉氟碳涂层的彩钢板,法兰连接;风管及配件的厚度和制作及其连接方式符合《通风与空调工程施工及验收规范》要求,以保证工程质量。
(1)风管厚度选择风管采用咬口制作,其厚度:普通通风管1.0mm,消防防排烟风管为1.2mm。
(2)制作准备风管均采用内弧(R=200)外直型;当见管长边≥500mm时,必须设置导流叶片。
加工前根据图纸及现场具体情况,绘制风管加工图,作出风管加工计划。
(3)风管下料下料采用剪板机、联合咬口机、弯头咬口机、折方机加工、成形。
风管咬口均匀,平、无凸瘤和虚咬现象。
(4)法兰制作安装①角钢选用②法兰下料根据风管规格进行法兰下料,法兰下料使用型钢切断机进行,校平端面,制作所需规格样板卡具成批生产。
法兰成形焊接在钢平台上进行,以保证法兰整体平整性。
③法兰加工法兰螺栓孔在台钻上加工,螺栓孔间距不超过150mm,且具有互换性。
法兰加工好后刷防锈漆、灰色磁化漆各二道;④法兰铆接采用平台套铆,法兰与风管轴线垂直,铆钉采用φ4×8或φ5×10镀锌铆钉,铆钉间距均匀且不超过150mm,法兰翻边6~9mm,法兰与风管接触紧密,无孔洞及超皱现象。
⑤风管加固按照设计图纸,采取在风管钢板上加工楞筋的方法加固;当风管大边长L〉800mm时,用加固框或加固筋进行加固。
⑥风管编号风管加工好后,为便于安装,将风管按系统用红油漆统一编号。
2、风管的安装(1)风管支吊架安装风管支、吊架的选型要结合具体的安装部位、结构形式及负荷要求确定,支、吊架的定位、测量和制作加工均指定专人负责,使其位置准确,安装牢固可靠,间距符合规范要求。
风管水平安装直径或长边尺寸小于400mm,间距不应大于4m;直径或长边尺寸大于或等于400mm,不应大于3m。
支吊架位置按风管中心线确定,其标高要符合风管安装的标高要求,支吊架位置应错开系统风口、风阀和测定孔等部位。
排油烟风管的厚度要求标准全文共四篇示例,供您参考第一篇示例:随着我国厨房设备和烹饪技术的不断发展,排油烟风管在餐饮行业中发挥着越来越重要的作用。
作为连接油烟净化设备与厨房烟道的重要组成部分,排油烟风管的质量和厚度直接关系到厨房油烟排放的效率和安全。
为了规范排油烟风管的生产和使用,制定了相关的厚度要求标准,以确保其安全可靠地运行。
本文将探讨排油烟风管的厚度要求标准,以期提高餐饮行业油烟处理的整体水平。
一、排油烟风管的基本功能和作用排油烟风管是烟道系统中的一个重要组成部分,其主要功能是将厨房中产生的油烟和废气排放至建筑外部。
排油烟风管还需要具备在高温及高油烟浓度条件下,保证排气通畅和防火安全的功能。
由于厨房排放的油烟具有一定的腐蚀性和易燃性,排油烟风管的厚度和材质要求较高,以确保其长期安全运行。
二、排油烟风管的厚度要求标准1. 高温耐受性:排油烟风管的材质应具有一定的耐高温性能,能够承受高温环境下的长期使用,不易变形或开裂。
对于不同用途的排油烟风管,其耐温要求也有所不同,一般要求在200-400摄氏度之间。
2. 腐蚀性:由于油烟中含有较多的酸性物质,排油烟风管的材质需要具有一定的耐腐蚀性能。
一般采用不锈钢、玻璃钢等材质制作的排油烟风管,以确保其在长期使用过程中不受油烟腐蚀而产生漏气的问题。
3. 防火性能:排油烟风管需要具备一定的防火性能,能够在火灾发生时有效隔离烟道内的火势,减少火灾对周围环境的影响。
为此,排油烟风管的材质一般采用不易燃烧的材料,并且其厚度要求也相对较高。
4. 强度和稳定性:排油烟风管在使用过程中需要承受一定的外部风压和烟气排放的冲击,因此其材质和厚度要求在一定范围内,以确保其在使用过程中不产生变形或破损,保证排放通畅和安全。
三、排油烟风管的生产和使用规范为了确保排油烟风管的质量和安全,我国有关部门制定了一系列的标准和规范,对排油烟风管的生产和使用进行严格管理。
在生产方面,排油烟风管生产企业需严格按照相关标准和规范进行生产,确保产品的材质、厚度和工艺符合标准要求。
风管厚度与尺寸规范
风管厚度与尺寸通常是按照现行国家有关规定及出版的各类设计标准、国际标准以及供货厂家的技术规定来确定的。
一般情况下,风管的最小厚
度为1.2毫米,最大厚度一般来说以1.5毫米为界限,有时也根据实际情
况可以适当增加厚度,但超过2毫米的厚度就要慎重考虑。
接下来是风管的尺寸规范。
一般来说,风管的最小直径一般可以达到25毫米,最大直径则一般以0.5米为界限,每一米长度的风道需要设置
一个拐弯,以达到正常使用的要求。
凡是长度超过5米的风管应采取双层
分割结构,这样可以更好地进行安装和维修。
3.2 钢板风管
3.2.1 钢板矩形风管的制作应符合下列要求:
1.矩形风管及其配件的板材厚度不应小于表3.2.1-1的规定。
表3.2.1-1 普通钢板或镀锌钢板风管板材厚度(mm)
风管边长尺寸b
矩形风管
除尘系统风管中、低压系统高压系统
b≤3200.5 0.75 1.5
320<b≤4500.6 0.75 1.5
450<b≤6300.6 0.75 2.0
630<b≤10000.75 1.0 2.0
1000<b≤1250 1.0 1.0 2.0
1250<b≤2000 1.0 1.2 按设计
2000<b≤4000 1.2 按设计按设计注:1 本表不适用于地下人防及防火隔墙的预埋管。
2 排烟系统风管的板材厚度可按高压系统选用。
3 特殊除尘系统风管的板材厚度应符合设计要求。
涂层钢板的塗塑面应设在风管内侧,加工时应避免损坏涂塑层,损坏的部分应进行修补。
3.焊接风管可采用搭接、角接和对接三种形式,焊缝位置如(图
3.2.1)。
风管焊接前应除锈、除油。
焊缝应融合良好、平整,表面
不应有裂纹、焊瘤、穿透的夹渣和气孔等缺陷,焊后的板材变形
应矫正,焊渣及飞溅物应清除干净。
壁厚大于1.2mm的风管与法兰连接可采用连续焊或翻边断续
焊。
管壁与法兰内口应紧贴,焊缝不得凸出法兰端面,断续焊的
焊缝长度宜在30~50mm,间距不应大于50mm。
图3. 2.1 焊接风管焊缝位置
4 除尘系统风管与法兰的连接宜采用内侧满焊、外侧间断焊,风管端面距法兰接口平面不应小于5mm。
5 风管加固应符合下列规定:
1)薄钢板法兰风管宜轧制加强筋,加强筋的凸出部分应位于风管外表面,排列间隔应均匀,板面不应有明显的变形。
2)风管的法兰强度低于规定强度时,可采用外加固框和管内支撑进行加固,加固件距风管连接法兰一端的距离不应大于250mm。
3)外加固的型材高度应等于或小于风管法兰高度,且间隔应均匀对称,与风管的连接应牢固,螺栓或铆接点的间距不应大于220mm;外加固框的四角处,应连接为一体。
4)风管内支撑加固的排列应整齐、间距应均匀对称,应在支撑件两端的风管受力(压)面处设置专用垫圈。
采用管套内支撑时,长度应与风管连长相等。
5)矩形风管刚度等级及加固间距宜按表3.2.1-2、表3.2.1-3、表3.2.1-4、表3.2.1-5、表3.2.1-6进行选择和确定。
(此文档部分内容来源于网络,如有侵权请告知删除,文档可自行编辑修改内容,
供参考,感谢您的配合和支持)
编辑版word。