风管尺寸及钢板厚度对比表
- 格式:doc
- 大小:38.50 KB
- 文档页数:2
3.2 钢板风管(一)3.2.1钢板矩形风管的制作应符合下列要求:1.矩形风管及其配件的板材厚度不应小于表3.2.1-1的规定。
表3.2.1-1普通钢板或镀锌钢板风管板材厚度(mm)风管边长尺寸b矩形风管除尘系统风管中、低压系统高压系统b≤3200.50.75 1.5 320<b≤4500.60.75 1.5450<b≤6300.60.75 2.0630<b≤10000.75 1.0 2.01000<b≤1250 1.0 1.0 2.01250<b≤2000 1.0 1.2按设计2000<b≤4000 1.2按设计按设计注:1 本表不适用于地下人防及防火隔墙的预埋管。
2 排烟系统风管的板材厚度可按高压系统选用。
3 特殊除尘系统风管的板材厚度应符合设计要求。
2.镀锌钢板或彩色涂层钢板的拼接,应采用咬接或铆接,且不得有十字型拼接缝。
彩色涂层钢板的塗塑面应设在风管内侧,加工时应避免损坏涂塑层,损坏的部分应进行修补。
3.焊接风管可采用搭接、角接和对接三种形式,焊缝位置如(图3.2.1)。
风管焊接前应除锈、除油。
焊缝应融合良好、平整,表面不应有裂纹、焊瘤、穿透的夹渣和气孔等缺陷,焊后的板材变形应矫正,焊渣及飞溅物应清除干净。
壁厚大于1.2mm的风管与法兰连接可采用连续焊或翻边断续焊。
管壁与法兰内口应紧贴,焊缝不得凸出法兰端面,断续焊的焊缝长度宜在30~50mm,间距不应大于50mm。
图3. 2.1焊接风管焊缝位置4 除尘系统风管与法兰的连接宜采用内侧满焊、外侧间断焊,风管端面距法兰接口平面不应小于5mm。
5 风管加固应符合下列规定:1)薄钢板法兰风管宜轧制加强筋,加强筋的凸出部分应位于风管外表面,排列间隔应均匀,板面不应有明显的变形。
2)风管的法兰强度低于规定强度时,可采用外加固框和管内支撑进行加固,加固件距风管连接法兰一端的距离不应大于250mm。
3)外加固的型材高度应等于或小于风管法兰高度,且间隔应均匀对称,与风管的连接应牢固,螺栓或铆接点的间距不应大于220mm;外加固框的四角处,应连接为一体。
表4.2.2-1中、低压系统硬聚氯乙烯圆形风管板材厚度(mm)
表4.2.2-2中、低压系统硬聚氯乙烯矩形风管板材厚度(mm)
表4.2.2-3中、低压系统有机玻璃钢风管板材厚度(mm)
表4.2.2-4中、低压系统无机玻璃钢风管板材厚度(mm)
表4.2.2-5中、低压系统无机玻璃钢风管玻璃纤维布厚度与层数(mm)
现行国家产品标准的规定。
当设计无规定时,应按本规范执行。
钢板或镀锌钢板的厚度不用小于表4.1.1-1的规定;不锈钢板的厚度不因小于去4.1.1-2的规定;铝板的厚度不得小于表4.1.1-3的规定。
表4.2.1-1钢板风管板材厚度(mm)。
表4.2.1-3中、低压系统铝板风管板材厚度(mm)检查数量:按材料与风管加工批数量抽查10%,不得少于5件.检查方法:查验材料质量合格证明文件、性能检测报告,尺量、观察检查。
4.2.2非金属风管的材料品种、规格、性能与厚度等应符合设计和现行国家产品标准的规定。
当设计无规定时,应按本规范执行。
硬聚氯乙烯风管板材的厚度,不得小于表4.2.2-1或表4.2.1-2的规定;有机玻璃钢风管板材的厚度,不得小于表4.2.2-3的规定;无机玻璃钢风管板材的厚度应符合表4.2.2-4的规定,相应的玻璃布层数不应少于表4.2.2-5的规定,其表面不得出现返卤或严重泛霜。
用于高压风管系统的非金属风管厚度应按设计规定。
表4.2.2-1中、低压系统硬聚氯乙烯圆形风管板材厚度(mm)表4.2.2-3中、低压系统有机玻璃钢风管板材厚度(mm)表4.2.2-4中、低压系统无机玻璃钢风管板材厚度(mm)检查数量:按材料与风管加工批数量抽查10%,不得少于5件。
检查方法:查验材料质量合格证明文件、性能检测报告,尺量、观察检查。
说明:4.2.1、4.2.2风管板材的厚度,以满足功能的需要为前提,过厚或过薄都不利于工程的使用。
本条文从保证工程风管质量的角度出发,对常用材料风管的厚度,主要是对最低厚度进行了规定;而对无机玻璃风管则是规定了一个厚度范围,均不得违反。
无机玻璃钢风管是以中碱或无碱玻璃布为增强材料,无机胶凝材料为胶结材料制成的通风管道。
对于无机玻璃钢风管质量控制的要点是本体的材料质量(包括强度和耐腐蚀性)与加工的外观质量。
对一般水硬性胶凝材料的无机玻璃钢风管,主要是控制玻璃布的层数和加工的外观质量。
对气硬性胶凝材料的无机玻璃钢风管,除了应控制玻璃布的层数和加工的外观质量外,还得注意其胶凝材料的质量。
在加工过程中以胶结材料和玻璃纤维的性能、层数和两者的结合质量为关键。
在实际的工程中,我们应该注意不使用一些加工质量较差,仅加厚无机材料涂层的风管。
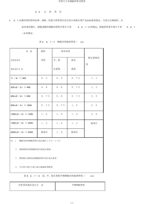
4.2主控项目4. 2.1 金属风管的资料品种、规格、性能与厚度等应切合设计和现行国产业品标准的规定。
当设计无规准时,应按本规范履行。
钢板或镀锌钢板的厚度不得小于表4.2.1-2 的规定;铝板的厚度不得小于表4.2.1-3 的规定。
表 4. 2. 1-1钢板风管板材厚度(mm)类别圆形矩形风管除尘系统风风管直径D风管中、低高压管或长边尺寸 b 压系统系统D( b)≤ 320 0.50.50.751.5320<D( b)≤ 450 0.60.60.751.5450<D( b)≤ 630 0.750.60.752.0630<D( b)≤ 1000 0.750.751.02.01000<D( b)≤ 1250 1.01.01.02.01250<D( b)≤ 2000 1.21.01.2按设计2000<D( b)≤ 4000 按设计1.2按设计注:1螺旋风管的钢板厚度可适合减小10%~15%.2排烟系统风管钢板厚度可按高压系统.3特别除尘系统风管钢板厚度应切合设计要求.4不合用于地下人防与防火隔墙的预埋管.表 4.2. 1- 2高、中、低压系统不锈钢板风管板材厚度(mm)风管直径或长边尺寸b不锈钢板厚度b≤ 5000.5500<b ≤ 11200.751120<b ≤ 20001.02000<b≤ 40001.2表 4. 2. 1- 3中、低压系统铝板风管板材厚度(mm)风管直径或长边尺寸b铝板厚度b ≤ 3201.0320<b ≤ 6301.5630<b≤ 20002.02000<b≤ 4000按设计检查数目:按资料与风管加工批数目抽查10%,不得少于5件.检查方法:检验资料质量合格证明文件、性能检测报告,尺量、察看检查。
表4.2.1-1 钢板风管板材厚度(mm)
注:
1.螺旋风管的钢板厚度可减小10%~15%。
2.排烟系统风管钢板厚度可按高压系统。
3.特殊除尘系统风管钢板厚度应符合设计要求。
4.不适用于地下人防与防火隔板的预埋管。
表4.2.6-1 金属园形风管法兰及螺栓规格(mm)
表4.2.6-2 金属矩形风管法兰及螺栓规格(mm)
表4.2.1-2 高、中、低压系统不锈钢板风管板材厚度(mm)
不锈钢法兰材料规格 (GB50243-97)
表4.2.1-3 中、低压系统铝板风管板材厚度(mm)
铝法兰材料规格 (GB50243-97)
表4.2.2-1 中、低压系统聚氯乙烯园形风管板材厚度(mm)
表4.2.7-1 聚氯乙烯园形风管法兰及螺栓规格(mm)
表4.2.2-2 中、低压系统聚氯乙烯矩形风管板材厚度(mm)
表4.2.7-2 聚氯乙烯矩形风管法兰及螺栓规格(mm)
表4.2.2-3 中、低压系统有机玻璃钢风管板材厚度(mm)
表4.2.2-4 中、低压系统无机玻璃钢风管板材厚度(mm)
表4.2.7-3 有机、无机玻璃钢风管法兰及螺栓规格(mm)。
表4.2.1-1 钢板风管板材厚度(mm)注:1.螺旋风管的钢板厚度可减小10%~15%。
2.排烟系统风管钢板厚度可按高压系统。
3.特殊除尘系统风管钢板厚度应符合设计要求。
4.不适用于地下人防与防火隔板的预埋管。
表4.2.6-1 金属园形风管法兰及螺栓规格(mm)表4.2.6-2 金属矩形风管法兰及螺栓规格(mm)表4.2.1-2 高、中、低压系统不锈钢板风管板材厚度(mm)不锈钢法兰材料规格 (GB50243-97)表4.2.1-3 中、低压系统铝板风管板材厚度(mm)铝法兰材料规格 (GB50243-97)表4.2.2-1 中、低压系统聚氯乙烯园形风管板材厚度(mm)表4.2.7-1 聚氯乙烯园形风管法兰及螺栓规格(mm)表4.2.2-2 中、低压系统聚氯乙烯矩形风管板材厚度(mm)表4.2.7-2 聚氯乙烯矩形风管法兰及螺栓规格(mm)表4.2.2-3 中、低压系统有机玻璃钢风管板材厚度(mm)表4.2.2-4 中、低压系统无机玻璃钢风管板材厚度(mm)表4.2.7-3 有机、无机玻璃钢风管法兰及螺栓规格(mm)风管的支架如何计算风管的量已经计算出来了,但是风管支架怎么计算呢?有没有什么规范、要求之类的?答:你看看定额的计算规则一、薄钢板通风管道制作与安装的有关说明: 5.薄钢板通风管道制作安装项目中,包括弯头、三通、变径管、天圆地方等管件及法兰、加固框和吊托支架的制作用工,但不包括过跨风管落地支架。
落地支架执行设备支架项目。
二、净化通风管道制作安装的有关说明: 1.净化通风管道制作安装子目中包括弯头、三通、变径管、天圆地方等管件及法兰、加固框和吊托支架,不包括过跨风管落地支架。
落地支架执行设备支架项目。
三、不锈钢板通风管道制作安装的有关说明: 2.不锈钢吊托支架使用本章的项目。
4.风管制作安装项目中包括管件,但不包括法兰和吊托支架;法兰和吊托支架应单独列项计算执行相应项目。
四、铝板通风管道制作安装的有关说明: 2.风管制作安装项目中包括管件,但不包括法兰和吊托支架;法兰和吊托支架应单独列项计算执行相应项目。
表4.2.1-1钢板风管板材厚度(mm)
风管直径D或长边尺寸b D(b)≤320 圆形风管0.5 矩形风管(中、低压系统)0.5 矩形风管(高压系统)0.75 除尘系统风管1.5;
风管直径D或长边尺寸b 320<D(b)≤450 圆形风管0.6 矩形风管(中、低压系统)0.6 矩形风管(高压系统)0.75 除尘系统风管 1.5;
风管直径D或长边尺寸b 450<D(b)≤630 圆形风管0.75 矩形风管(中、低压系统)0.6 矩形风管(高压系统)0.75 除尘系统风管 2.0;
风管直径D或长边尺寸b 630<D(b)≤1000 圆形风管0.75 矩形风管(中、低压系统)0.75 矩形风管(高压系统)1.0 除尘系统风管2.0;
风管直径D或长边尺寸b 1000<D(b)≤1250 圆形风管1.0 矩形风管(中、低压系统)1.0 矩形风管(高压系统)1.0 除尘系统风管2.0;
风管直径D或长边尺寸b 1250<D(b)≤2000 圆形风管1.2 矩形风管(中、低压系统)1.0 矩形风管(高压系统)1.2 除尘系统风管按设计;
风管直径D或长边尺寸b 2000<D(b)≤4000 圆形风管按设计矩形风管(中、低压系统)1.2 矩形风管(高压系统)按设计除尘系统风管按设计;
注:1.螺旋风管的钢板厚度可适当减小10%~15%;
2.排烟系统风管钢板厚度可按高压系统;
3.特殊除尘系统风管钢板厚度应符合设计要求;
4.不适用于地下人防与防火隔墙的预埋管。
以上内容摘录于《通风与空调工程施工质量验收规范》GB 50243-2002。