o型圈开槽
- 格式:doc
- 大小:30.00 KB
- 文档页数:5
O型圈一、O型圈自身优点:1)O型圈重量较轻,所占用空间较小,可适用于大范围压力、温度和间隙场合;2)O型圈适合多种不同的密封介质;3)O型圈易于维修,不易损伤;4)O型圈功能失效一般是渐进的,并且易于发现和识别;5)O型圈具有高耐磨性,O型圈密封面磨损后具有自动弹性补偿功能;6)O型圈使用寿命较长,在正确使用条件下,可达到O型圈材料的老化期;7)O型圈适合多种密封形式,O型圈可用于旋转运动、轴向往复运动或组合运动。
二、如何合理设计O型圈沟槽尺寸沟槽中的O型圈在介质压力驱使下会发生变形,O型圈边缘部分会流入间隙位置达到O型圈密封功能。
O型圈受到的压力越大,致使O型圈变形越大,则O型圈将获得更好的密封效果。
在O型圈受到的压力超出其承受极限时,则O型圈会被挤入到间隙中,造成O型圈密封失效。
为此O型圈沟槽设计时,必须合理搭配O型圈硬度、工作压力和间隙公差之间关系。
并且在O 型`圈沟槽设计时,应使O型圈沟槽间隙尽可能小。
实际作业中,不可避免地会遇到O型圈沟槽间隙较大,为避免O型圈被挤入到间隙中,应考虑选用抗挤出能力强和尺寸稳定性较好的材质做成O型圈,如聚氨酯材料O型圈。
O型圈硬度、工作压力、间隙公差之关系三、O型圈使用与O型圈保管-注意事项1)O型圈一般不可重复使用;2)O型圈装入沟槽中时,注意不要将O型圈发生扭曲;3)O型圈安装时,可考虑在沟槽及O型圈上涂上密封介质;4)O型圈在不使用的情况下尽量不要打开O型圈原包装,以免O型圈上附着有灰尘或混入异物可能造成O型圈损伤;5)O型圈应尽量避免阳光直射或放置在锅炉等高温热源附近以免促使O型圈老化;6)O型圈应避免捆扎挂在针或金属线上以免O型圈变形及唇口端损伤;7)需要特别说明的是:O型圈在保管时偶尔会出现变色的情况,即O 型圈表面产生白粉,此种情况不会对O型圈的功能产生不良影响。
O型密封圈沟槽尺寸o型密封圈沟槽尺寸(单位:mm)如果需要有较大的膨胀,沟槽宽度可增大20%对不同种类固定密封或动密封应用场合,o型密封圈为设计者提供了一种既有效又经济的密封元件。
O型圈之马矢奏春创作一、O型圈自身优点:1)O型圈重量较轻,所占用空间较小,可适用于大范围压力、温度和间隙场合;2)O型圈适合多种分歧的密封介质;3)O型圈易于维修,不容易损伤;4)O型圈功能失效一般是渐进的,而且易于发现和识别;5)O型圈具有高耐磨性,O型圈密封面磨损后具有自动弹性抵偿功能;6)O型圈使用寿命较长,在正确使用条件下,可达到O型圈资料的老化期;7)O型圈适合多种密封形式,O型圈可用于旋转运动、轴向往复运动或组合运动。
二、如何合理设计O型圈沟槽尺寸沟槽中的O型圈在介质压力驱使下会发生变形,O型圈边沿部分会流入间隙位置达到O型圈密封功能。
O型圈受到的压力越大,致使O型圈变形越大,则O型圈将获得更好的密封效果。
在O型圈受到的压力超出其承受极限时,则O型圈会被挤入到间隙中,造成O型圈密封失效。
为此O型圈沟槽设计时,必须合理搭配O型圈硬度、工作压力和间隙公差之间关系。
而且在O型`圈沟槽设计时,应使O型圈沟槽间隙尽可能小。
实际作业中,不成防止地会遇到O型圈沟槽间隙较大,为防止O型圈被挤入到间隙中,应考虑选用抗挤出能力强和尺寸稳定性较好的材质做成O型圈,如聚氨酯资料O型圈。
O型圈硬度、工作压力、间隙公差之关系三、O型圈使用与O型圈保管注意事项1)O型圈一般不成重复使用;2)O型圈装入沟槽中时,注意不要将O型圈发生扭曲;3)O型圈装置时,可考虑在沟槽及O型圈上涂上密封介质;4)O型圈在不使用的情况下尽量不要打开O型圈原包装,以免O型圈上附着有灰尘或混入异物可能造成O型圈损伤;5)O型圈应尽量防止阳光直射或放置在锅炉等高温热源附近以免促使O型圈老化;6)O型圈应防止捆扎挂在针或金属线上以免O型圈变形及唇口端损伤;7)需要特别说明的是:O型圈在保管时偶尔会出现变色的情况,即O型圈概况发生白粉,此种情况不会对O型圈的功能发生不良影响。
O型密封圈沟槽尺寸o型密封圈沟槽尺寸(单位:mm)如果需要有较大的膨胀,沟槽宽度可增大20%对分歧种类固定密封或动密封应用场合,o型密封圈为设计者提供了一种既有效又经济的密封元件。
O型圈一、O型圈自身优点:1)O型圈重量较轻,所占用空间较小,可适用于大范围压力、温度和间隙场合;2)O型圈适合多种不同的密封介质;3)O型圈易于维修,不易损伤;4)O型圈功能失效一般是渐进的,并且易于发现和识别;5)O型圈具有高耐磨性,O型圈密封面磨损后具有自动弹性补偿功能;6)O型圈使用寿命较长,在正确使用条件下,可达到O型圈材料的老化期;7)O型圈适合多种密封形式,O型圈可用于旋转运动、轴向往复运动或组合运动。
二、如何合理设计O型圈沟槽尺寸沟槽中的O型圈在介质压力驱使下会发生变形,O型圈边缘部分会流入间隙位置达到O型圈密封功能。
O型圈受到的压力越大,致使O型圈变形越大,则O型圈将获得更好的密封效果。
在O型圈受到的压力超出其承受极限时,则O型圈会被挤入到间隙中,造成O型圈密封失效。
为此O型圈沟槽设计时,必须合理搭配O型圈硬度、工作压力和间隙公差之间关系。
并且在O 型`圈沟槽设计时,应使O型圈沟槽间隙尽可能小。
实际作业中,不可避免地会遇到O型圈沟槽间隙较大,为避免O型圈被挤入到间隙中,应考虑选用抗挤出能力强和尺寸稳定性较好的材质做成O型圈,如聚氨酯材料O型圈。
O型圈硬度、工作压力、间隙公差之关系三、O型圈使用与O型圈保管-注意事项1)O型圈一般不可重复使用;2)O型圈装入沟槽中时,注意不要将O型圈发生扭曲;3)O型圈安装时,可考虑在沟槽及O型圈上涂上密封介质;4)O型圈在不使用的情况下尽量不要打开O型圈原包装,以免O型圈上附着有灰尘或混入异物可能造成O型圈损伤;5)O型圈应尽量避免阳光直射或放置在锅炉等高温热源附近以免促使O型圈老化;6)O型圈应避免捆扎挂在针或金属线上以免O型圈变形及唇口端损伤;7)需要特别说明的是:O型圈在保管时偶尔会出现变色的情况,即O 型圈表面产生白粉,此种情况不会对O型圈的功能产生不良影响。
O型密封圈沟槽尺寸o型密封圈沟槽尺寸(单位:mm)截面直径w径向动态和静态仅限于轴向密封半径沟槽深度E1+0.06沟槽宽度沟槽深度E2+0.2沟槽宽度G+0.2无挡圈R有挡圈R G0+0.2挡圈G1+0.2挡圈G2+0.21.20 1.251.52 1.78 1.801.902.402.623.503.53 5.33 5.707.008.40 0.801.001.201.451.451.652.002.253.103.104.705.006.107.501.401.801.902.202.202.502.903.104.204.206.206.708.209.702.903.603.603.904.304.505.605.607.908.4010.7012.203.905.005.005.305.705.907.007.009.6010.1013.2014.700.651.851.001.201.201.401.701.902.702.704.304.605.806.901.401.802.102.402.402.503.203.604.804.807.107.709.5011.700.200.200.200.400.400.500.500.601.001.001.201.201.502.000.200.200.200.200.300.300.400.400.400.600.600.90如果需要有较大的膨胀,沟槽宽度可增大20%对不同种类固定密封或动密封应用场合,o型密封圈为设计者提供了一种既有效又经济的密封元件。
一、常用O型圈有两个系列1.内径系列(GB/T3452.1-1992),内径x截面直径,应用广泛。
截面直径:1.80, 2.65,3.55, 5.30,7.002.外径系列(GB1235-76),外径x截面直径,多用于液压系统。
截面直径:1.90, 2.40,3.10,4.60,5.70,8.60二、安装图一、常用O型圈有两个系列1.内径系列(GB/T3452.1-1992),内径x截面直径,应用广泛。
截面直径:1.80, 2.65,3.55, 5.30,7.002.外径系列(GB1235-76),外径x截面直径,多用于液压系统。
截面直径:1.90, 2.40,3.10,4.60,5.70,8.60二、安装图一、常用O型圈有两个系列1.内径系列(GB/T3452.1-1992),内径x截面直径,应用广泛。
截面直径:1.80, 2.65,3.55, 5.30,7.002.外径系列(GB1235-76),外径x截面直径,多用于液压系统。
截面直径:1.90, 2.40,3.10,4.60,5.70,8.60二、安装图一、常用O型圈有两个系列1.内径系列(GB/T3452.1-1992),内径x截面直径,应用广泛。
截面直径:1.80, 2.65,3.55, 5.30,7.002.外径系列(GB1235-76),外径x截面直径,多用于液压系统。
截面直径:1.90, 2.40,3.10,4.60,5.70,8.60二、安装图。
o型圈开槽尺寸标准
好的,以下是用口语化方式重写的O型圈开槽尺寸标准段落:
你知道吗,O型圈开槽的尺寸可是有点讲究的。
沟槽宽度得稍微比O型圈宽那么一丢丢,这样它才能稳稳地待在里面,不会晃来晃去。
沟槽深度也很重要。
你得挖得够深,才能让O型圈有个舒服的家,不会随便被挤出去。
当然,也别挖太深了,不然它待在里面会不舒服。
再说说沟槽直径吧。
这个得刚刚好,不能太大也不能太小。
大了,O型圈就待不稳;小了,它就塞不进去。
得找个平衡点,让它待得舒服又不跑出来。
底部半径也得注意一下。
弄得太尖了,O型圈会痛;弄得太平了,它又待不住。
得让它有点弧度,这样它才能稳稳地待在里面,不会觉得挤。
总之,给O型圈开槽,得考虑周全。
宽度、深度、直径、底部
半径,一个都不能少。
只有这样,O型圈才能安心待在里面,做好它的密封工作。
O型圈一、O型圈自身优点:1)O型圈重量较轻,所占用空间较小,可适用于大范围压力、温度和间隙场合;2)O型圈适合多种不同的密封介质;3)O型圈易于维修,不易损伤;4)O型圈功能失效一般是渐进的,并且易于发现和识别;5)O型圈具有高耐磨性,O型圈密封面磨损后具有自动弹性补偿功能;6)O型圈使用寿命较长,在正确使用条件下,可达到O型圈材料的老化期;7)O型圈适合多种密封形式,O型圈可用于旋转运动、轴向往复运动或组合运动。
二、如何合理设计O型圈沟槽尺寸沟槽中的O型圈在介质压力驱使下会发生变形,O型圈边缘部分会流入间隙位置达到O型圈密封功能。
O型圈受到的压力越大,致使O型圈变形越大,则O型圈将获得更好的密封效果。
在O型圈受到的压力超出其承受极限时,则O型圈会被挤入到间隙中,造成O型圈密封失效。
为此O型圈沟槽设计时,必须合理搭配O型圈硬度、工作压力和间隙公差之间关系。
并且在O型`圈沟槽设计时,应使O型圈沟槽间隙尽可能小。
实际作业中,不可避免地会遇到O型圈沟槽间隙较大,为避免O型圈被挤入到间隙中,应考虑选用抗挤出能力强和尺寸稳定性较好的材质做成O型圈,如聚氨酯材料O型圈。
O型圈硬度、工作压力、间隙公差之关系三、O型圈使用与O型圈保管?-?注意事项1)O型圈一般不可重复使用;2)O型圈装入沟槽中时,注意不要将O型圈发生扭曲;3)O型圈安装时,可考虑在沟槽及O型圈上涂上密封介质;4)O型圈在不使用的情况下尽量不要打开O型圈原包装,以免O型圈上附着有灰尘或混入异物可能造成O型圈损伤;5)O型圈应尽量避免阳光直射或放置在锅炉等高温热源附近以免促使O型圈老化;6)O型圈应避免捆扎挂在针或金属线上以免O型圈变形及唇口端损伤;7)需要特别说明的是:O型圈在保管时偶尔会出现变色的情况,即O 型圈表面产生白粉,此种情况不会对O型圈的功能产生不良影响。
O型密封圈沟槽尺寸o型密封圈沟槽尺寸(单位:mm)如果需要有较大的膨胀,沟槽宽度可增大20%对不同种类固定密封或动密封应用场合,o型密封圈为设计者提供了一种既有效又经济的密封元件。
一、O形圈是在沟槽中安装的、适度压缩的截面为O形(圆形)的密封圈。
可作为油、水、空气、气体等各种各样流体的密封使用。
用法静止的与运动的两类。
与其它密封圈相比,具有如下的优越性能:①、密封部位结构简单,安装部位紧凑,而且重量较轻。
②、有自密封作用,往往只用一个密封件便能完成密封效果。
③、密封性能好,用作固定密封时几乎没有泄漏,用作运动密封时,只在速度较高时才有些泄漏。
④、运动摩擦阻力很小,对于压力交变的场合也能适应。
⑤、尺寸和沟槽已标准化,成本低,产品易得,便于使用和外购。
与其它密封圈相比,也存在下列三个问题:①、起动时的摩擦阻力大。
②、用作气动装置的密封时,必须加润滑油,防止磨损。
③、对偶合配件,如运动面、沟槽、间隙等的加工尺寸及精度要求很严。
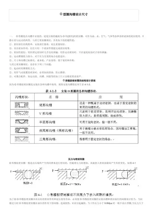
O形橡胶密封圈的结构设计原理因为O形橡胶密封圈是安装在各种沟槽中使用,现将安装沟槽情况列于表4-1-3。
压力与密封间隙O形橡胶密封圈一般是由压缩所产生的回弹来进行密封的,但随着压力的增加,其被挤入密封浊隙而产生形状变化,如图4-1为了使O形橡胶密封圈具有良好的密封作用和延长使用寿命,必须使O形橡胶密封圈的安装沟槽和密封部位的间隙设计恰当,当间隙过大时O形橡胶密封圈在油压的作用下挤间隙,造成损伤,从而引起漏损。
当工作压力小于9.8Mpa时一般不设计挡圈,当压力大于9.8Mpa时O形橡胶密封圈承压面易被挤出,应加挡圈;若单向受压,在承压面设置一个挡圈,若是双向受压则要设置二个挡圈,如图4-2O型圈执行标准O型圈的硬度与沟槽最大间隙及工作压力关系密封间隙的大小与压力等级、橡胶硬度及O形橡胶密封圈断面的直径相关情况,见下表:活塞杆密封中沟槽深度缸孔密封时沟槽的深度径向密封沟槽的深度一般径向密封沟槽宽度;见表4-1-5不同截面O形橡胶密封圈轴向沟槽宽度和深度轴向密封沟槽宽度和深度;轴向密封沟槽宽度和深度见表4-1-8O型圈橡胶材料的硬度与工作压力的关系在橡胶材料标准中,以硬度和压缩永久变形两项性能最为主重。
模具运水O型圈沟槽加工标准
*此标准综合供应商提供的O型圈规格并参照HASCO的O型圈沟槽标准编制。
*此标准以硬度为70IRHD的合成橡胶材料的耐高温密封圈为基础编制。
1、O型圈标记(图一)
Фd1--O型圈最大外圆直径
Фd0--O型圈截面直径
标记方法为d1×d0 ,如Ф12×2
2、沟槽直径尺寸(图二)
ФD1--沟槽最大外径
ФD2--沟槽最小内径
Фd --运水孔直径
3
O型圈沟槽深度沟槽宽度水孔直径O型圈规格
d0H WФdФd1×Фd0
一系列++Ф6Ф14XФ++Ф8Ф16XФ++Ф10,Ф11Ф19XФ++Ф15,Ф16Ф25XФ++Ф18Ф28XФ++Ф20Ф30XФ
二系列++ ++
第一系列有成型刀,加工效率高。
设计时请优先选用第一系列O型圈.
4、表面粗糙度要求
A、电火花加工方法:纹路不粗于MT-11040纹板。
B、机械加工方法:。
O型圈一、O型圈自身优点:1)O型圈重量较轻,所占用空间较小,可适用于大范围压力、温度和间隙场合;2)O型圈适合多种不同的密封介质;3)O型圈易于维修,不易损伤;4)O型圈功能失效一般是渐进的,并且易于发现和识别;5)O型圈具有高耐磨性,O型圈密封面磨损后具有自动弹性补偿功能;6)O型圈使用寿命较长,在正确使用条件下,可达到O型圈材料的老化期;7)O型圈适合多种密封形式,O型圈可用于旋转运动、轴向往复运动或组合运动。
二、如何合理设计O型圈沟槽尺寸沟槽中的O型圈在介质压力驱使下会发生变形,O型圈边缘部分会流入间隙位置达到O型圈密封功能。
O型圈受到的压力越大,致使O型圈变形越大,则O型圈将获得更好的密封效果。
在O型圈受到的压力超出其承受极限时,则O型圈会被挤入到间隙中,造成O型圈密封失效。
为此O 型圈沟槽设计时,必须合理搭配O型圈硬度、工作压力和间隙公差之间关系。
并且在O型`圈沟槽设计时,应使O型圈沟槽间隙尽可能小。
实际作业中,不可避免地会遇到O型圈沟槽间隙较大,为避免O型圈被挤入到间隙中,应考虑选用抗挤出能力强和尺寸稳定性较好的材质做成O型圈,如聚氨酯材料O型圈。
O型圈硬度、工作压力、间隙公差之关系三、O型圈使用与O型圈保管?-?注意事项1)O型圈一般不可重复使用;2)O型圈装入沟槽中时,注意不要将O型圈发生扭曲;3)O型圈安装时,可考虑在沟槽及O型圈上涂上密封介质;4)O型圈在不使用的情况下尽量不要打开O型圈原包装,以免O 型圈上附着有灰尘或混入异物可能造成O型圈损伤;5)O型圈应尽量避免阳光直射或放置在锅炉等高温热源附近以免促使O型圈老化;6)O型圈应避免捆扎挂在针或金属线上以免O型圈变形及唇口端损伤;7)需要特别说明的是:O型圈在保管时偶尔会出现变色的情况,即O型圈表面产生白粉,此种情况不会对O型圈的功能产生不良影响。
O型密封圈沟槽尺寸o型密封圈沟槽尺寸(单位:mm)如果需要有较大的膨胀,沟槽宽度可增大20%对不同种类固定密封或动密封应用场合,o型密封圈为设计者提供了一种既有效又经济的密封元件。
O型密封圈的开槽标准通常根据其沟槽尺寸和设计要求来确定。
以下是几个重要的开槽标准:
沟槽宽度(W):沟槽宽度是指沟槽的横向尺寸,也是O型圈密封十分重要的尺寸之一。
根据相关标准规范,O型圈沟槽的标准尺寸应该在以下范围内:1. 沟槽直径应该比O型圈直径的直径大出1-2mm;2. 沟槽深度应该等于或略大于O型圈的厚度;3. 沟槽的开口长度应该比直径的大小多出25-30%。
注意,O型圈沟槽的尺寸应该在精确控制范围内,以确保O型圈与沟槽之间的接触面积最大化,从而实现最佳的密封效果。
沟槽深度(H):沟槽深度是指沟槽的纵向尺寸,也是O型圈密封十分重要的尺寸之一。
沟槽直径(D):沟槽直径是指沟槽的内径,也是O型圈密封十分重要的尺寸之一。
沟槽底部半径(R):沟槽底部半径是指沟槽底部的圆弧半径,也是O型圈密封十分重要的尺寸之一。
沟槽横向公差(W1):沟槽横向公差是指沟槽宽度的正负公差。
沟槽纵向公差(H1):沟槽纵向公差是指沟槽深度的正负公差。
沟槽内径公差(D1):沟槽内径公差是指沟槽直径的正负公差。
沟槽底部半径公差(R1):沟槽底部半径公差是指沟槽底部半径的正负公差。
5.3 o型密封圈开槽标准涉及到很多参数,包括槽深、槽宽、公差等。
对于O型密封圈的槽深,其公差为±0.05;对于槽宽,其公差范围为0到+0.1。
另外,O型密封圈在压力作用下会发生相对运动,此时压力的方向就显得非常重要。
如果压力来自于内部,O型密封圈的外缘将和沟槽的外缘相接触。
此外,O型橡胶密封圈有两种常用的系列:内径系列和外径系列。
内径系列的标注方式通常为:内径X截面直径,应用于液压气动;而外径系列的标注方式则为:外径X截面直径,应用于液压系统。
o型圈沟槽尺寸标准
一、强度标准
外侧圈沟槽强度根据表(1)中给出:
表1 所用材料有关抗拉强度(MPa)及SE(%)材料加工方法抗拉强度/MPa SE/% HD590 普通过硬状态 1100–1450 ≤1.0 H450 高性能过硬状态 1350–1600 ≤0.7
二、精度标准
1、外侧圈沟槽加工精度按ISO987中的法兰精度等级,其精度等级如表2所示:
表1 外侧圈沟槽尺寸要求尺寸/mm H6 2H6 a b c d<e d 限界尺寸偏差
±0.04 ±0.02 0-10 0~1 0-10 0-4 0-4 0-4 >10 >1 ≥10 ≥4 ≥4 ≥4 ±0.05 ±0.025
三、加工方法
外侧圈沟槽分为内槽和外槽,它们可以通过多种加工方法实现:
(1)内槽可以采用钻床和切削头加工,切削头可以用于精确加工小角度内槽;
(2)外槽可以采用切削头加工,拉刀机进行大型外槽加工;
(3)圆柱轴可以采用拉刀机和摩擦刀加工,以便满足大型加工工件的需求;
(4)金属材料的外侧圈沟槽可以采用水刀加工技术,这可以满足对精密部件的加工要求。
四、防呆设计
外侧圈沟槽容易出现行程防呆问题,为了避免此问题,可以采取以下措施:
(1)设置工件的锁紧夹具,利用它将工件锁定在CNC机器主轴上;
(2)在程序中设定加工范围,也就是距离中心点的偏移量;
(3)编写程序时要考虑工序偏差,程序中可以设定几何特征的复杂度;
(4)当出现防呆情况时,要及时终止程序,以确保加工的安全;
(5)部件的型号要以图纸为依据,利用图纸中的尺寸标记和标准进行精度检验。
o型圈槽:O型密封圈及其槽的设计O形圈密封是典型的挤压型密封。
O形圈截面直径的压缩率和拉伸是密封设计的主要内容,对密封性能和使用寿命有重要意义。
O形圈一般安装在密封沟槽内起密封作用。
O 形密封圈良好的密封效果很大程度上取决于O形圈尺寸与沟槽尺寸的正确匹配,形成合理的密封圈压缩量与拉伸量。
密封装置设计加工时,若使O形圈压缩量过小,就会引起泄漏;压缩量过大则会导致O形密封圈橡胶应力松弛而引起泄漏。
同样,O形圈工作中拉伸过度,也会加速老化而引起泄漏。
世界各国的标准对此都有较严格的规定。
1、O形圈密封的设计原则1)压缩率压缩率W通常用下式表示:W= (do-h)/do%式中do——O形圈在自由状态下的截面直径(mm)h ——O形圈槽底与被密封表面的距离,即O形圈压缩后的截面高度(mm)。
在选取O形圈的压缩率时,应从如下三个方面考虑:a.要有足够的密封接触面积b.摩擦力尽量小c.尽量避免永久变形。
从以上这些因素不难发现,它们相互之间存在着矛盾。
压缩率大就可获得大的接触压力,但是过大的压缩率无疑会增大滑动摩擦力和永久变形。
而压缩率过小则可能由于密封沟槽的同轴度误差和O形圈误差不符合要求,消失部分压缩量而引起泄漏。
因此,在选择O形圈的压缩率时,要权衡个方面的因素。
一般静密封压缩率大于动密封,但其极值应小于30%(和橡胶材料有关),否则压缩应力明显松弛,将产生过大的永久变形,在高温工况中尤为严重。
O形圈密封压缩率W的选择应考虑使用条件,静密封或动密封;静密封又可分为径向密封与轴向密封;径向密封(或称圆柱静密封)的泄漏间隙是径向间隙,轴向密封(或称平面静密封)的泄漏间隙是轴向间隙。
轴向密封根据压力介质作用于O型圈的内径还是外径又分受内压和外压两种情况,内压增加的拉伸,外压降低O形圈的初始拉伸。
上述不同形式的静密封,密封介质对O形圈的作用力方向是不同的,所以预压力设计也不同。
对于动密封则要区分是往复运动还是旋转运动密封。
O型圈一、O型圈自身优点:1)O型圈重量较轻,所占用空间较小,可适用于大范围压力、温度和间隙场合;2)O型圈适合多种不同的密封介质;3)O型圈易于维修,不易损伤;4)O型圈功能失效一般是渐进的,并且易于发现和识别;5)O型圈具有高耐磨性,O型圈密封面磨损后具有自动弹性补偿功能;6)O型圈使用寿命较长,在正确使用条件下,可达到O型圈材料的老化期;7)O型圈适合多种密封形式,O型圈可用于旋转运动、轴向往复运动或组合运动。
二、如何合理设计O型圈沟槽尺寸沟槽中的O型圈在介质压力驱使下会发生变形,O型圈边缘部分会流入间隙位置达到O型圈密封功能。
O型圈受到的压力越大,致使O型圈变形越大,则O型圈将获得更好的密封效果。
在O型圈受到的压力超出其承受极限时,则O型圈会被挤入到间隙中,造成O型圈密封失效。
为此O型圈沟槽设计时,必须合理搭配O型圈硬度、工作压力和间隙公差之间关系。
并且在O 型`圈沟槽设计时,应使O型圈沟槽间隙尽可能小。
实际作业中,不可避免地会遇到O型圈沟槽间隙较大,为避免O型圈被挤入到间隙中,应考虑选用抗挤出能力强和尺寸稳定性较好的材质做成O型圈,如聚氨酯材料O型圈。
O型圈硬度、工作压力、间隙公差之关系三、O型圈使用与O型圈保管?-?注意事项1)O型圈一般不可重复使用;2)O型圈装入沟槽中时,注意不要将O型圈发生扭曲;3)O型圈安装时,可考虑在沟槽及O型圈上涂上密封介质;4)O型圈在不使用的情况下尽量不要打开O型圈原包装,以免O型圈上附着有灰尘或混入异物可能造成O型圈损伤;5)O型圈应尽量避免阳光直射或放置在锅炉等高温热源附近以免促使O型圈老化;6)O型圈应避免捆扎挂在针或金属线上以免O型圈变形及唇口端损伤;7)需要特别说明的是:O型圈在保管时偶尔会出现变色的情况,即O 型圈表面产生白粉,此种情况不会对O型圈的功能产生不良影响。
O型密封圈沟槽尺寸o型密封圈沟槽尺寸(单位:mm)如果需要有较大的膨胀,沟槽宽度可增大20%对不同种类固定密封或动密封应用场合,o型密封圈为设计者提供了一种既有效又经济的密封元件。
o型圈槽:O型密封圈及其槽的设计O形圈密封是典型的挤压型密封。
O形圈截面直径的压缩率和拉伸是密封设计的主要内容,对密封性能和使用寿命有重要意义。
O形圈一般安装在密封沟槽内起密封作用。
O 形密封圈良好的密封效果很大程度上取决于O形圈尺寸与沟槽尺寸的正确匹配,形成合理的密封圈压缩量与拉伸量。
密封装置设计加工时,若使O形圈压缩量过小,就会引起泄漏;压缩量过大则会导致O形密封圈橡胶应力松弛而引起泄漏。
同样,O形圈工作中拉伸过度,也会加速老化而引起泄漏。
世界各国的标准对此都有较严格的规定。
1、O形圈密封的设计原则1)压缩率压缩率W通常用下式表示:W= (do-h)/do%式中do——O形圈在自由状态下的截面直径(mm)h ——O形圈槽底与被密封表面的距离,即O形圈压缩后的截面高度(mm)。
在选取O形圈的压缩率时,应从如下三个方面考虑:a.要有足够的密封接触面积b.摩擦力尽量小c.尽量避免永久变形。
从以上这些因素不难发现,它们相互之间存在着矛盾。
压缩率大就可获得大的接触压力,但是过大的压缩率无疑会增大滑动摩擦力和永久变形。
而压缩率过小则可能由于密封沟槽的同轴度误差和O形圈误差不符合要求,消失部分压缩量而引起泄漏。
因此,在选择O形圈的压缩率时,要权衡个方面的因素。
一般静密封压缩率大于动密封,但其极值应小于30%(和橡胶材料有关),否则压缩应力明显松弛,将产生过大的永久变形,在高温工况中尤为严重。
O形圈密封压缩率W的选择应考虑使用条件,静密封或动密封;静密封又可分为径向密封与轴向密封;径向密封(或称圆柱静密封)的泄漏间隙是径向间隙,轴向密封(或称平面静密封)的泄漏间隙是轴向间隙。
轴向密封根据压力介质作用于O型圈的内径还是外径又分受内压和外压两种情况,内压增加的拉伸,外压降低O形圈的初始拉伸。
上述不同形式的静密封,密封介质对O形圈的作用力方向是不同的,所以预压力设计也不同。
对于动密封则要区分是往复运动还是旋转运动密封。
1.静密封:圆柱静密封装置和往复运动式密封装置一样,一般取W=10%~15%;平面密封装置取W=15%~30%。
2.对于动密封而言,可以分为三种情况:a.往复运动密封一般取W=10%~15%。
b.旋转运动密封在选取压缩率时必须要考虑焦耳热效应,一般来说,旋转运动用O形圈的内径要比轴径大3%~5%,外径的压缩率W=3%~8%。
c.低摩擦运动用O形圈,为了减小摩擦阻力,一般均选取较小的压缩率,即W=5%~8%。
此外,还要考虑到介质和温度引起的橡胶材料膨胀。
通常在给定的压缩变形之外,允许的最大膨胀率为15%,超过这一范围说明材料选用不合适,应改用其他材料的O形圈,或对给定的压缩变形率予以修正。
压缩变形的具体数值,一般情况下,各国都根据自己的使用经验制订出标准或给出推荐值。
2)拉伸量O形圈在装入密封沟槽后,一般都有一定的拉伸量。
与压缩率不一样,拉伸量的大小对O形圈的密封性能和使用寿命也有很大的影响。
拉伸量大不但会导致O形圈安装困难,同时也会因截面直径do发生变化而使压缩率降低,以致引起泄漏。
拉伸量α可用下式表示:α=(d+do)/(d1+do)式中d——轴径(mm);d1——O形圈的内径(mm);do——O形圈的截面直径(mm)。
3)接触宽度O形圈装入密封沟槽后,其横截面产生压缩变形。
变形后的宽度及其与轴的接触宽度都和O形圈的密封性能和使用寿命有关,其值过小会使密封性受到影响;过大则增加摩擦,产生摩擦热,影响O形圈的寿命。
O形圈变形后的宽度BO(mm)与O形圈的压缩率W和截面直径dO有关,可用下式计算BO={1/(1-W)-0.6W}dO (W取10%~40%)O形圈与轴的接触面宽度b(mm)也取决于W和dO:b=( 4W2+0.34W+0.31)dO ( W取10%~40%)对摩擦力限制较高的O形圈密封,如气动密封、液压伺服控制元件密封,可据此估算摩擦力。
2、O形圈的设计绝大多数的O形圈是用合成橡胶材料制成的。
合成橡胶O形圈的尺寸由国际标准(ISO3601/1)国家标准和组织标准等确定。
如有些国家将O形圈的尺寸系列分为P 系列(运动用)、G系列(固定用)、V系列(真空用)和ISO系列(一般工业用)四个系列组成。
我国的O形圈内径、截面直径尺寸及公差由GB/T34542.1—1992规定。
密封装置的密封可靠性主要取决于O形圈的压缩量。
在一般的情况下,这种压缩量都是很小的,只有十几微米到几十微米,这就要求O形圈的尺寸公差具有很高的精度。
因此,O形圈需要采用高精度的模具进行加工,同时必须准确地掌握作为设计依据的O形圈材质的收缩率。
一般只能通过实测,来获得O形圈的收缩率。
值得注意的是:1)O形圈截面收缩率很小,一般不予考虑。
只有在其截面直径大于8mm的情况下,才予以考虑。
2)在配方和工艺条件一定的情况下,O形圈的收缩率会随着材质硬度的提高而减小,也会随着其内径的减小而提高。
具有中等硬度(HS75±5),以及中等大小(内径d=40~70mm)的O形圈,其内径的收缩率大约为1.5%。
一般,在静密封场合,可选择截面较小的密封圈;在动密封场合,应选择截面较大的密封圈。
通常,压力较高和间隙较大时,应选择较高硬度的材料;也可以选择一般硬度的材料,再安装一个聚四氟乙烯挡圈。
3、O形密封圈密封沟槽设计O形密封圈的压缩量与拉伸量是由密封沟槽的尺寸来保证的,O形密封圈选定后,其压缩量、拉伸量及其工作状态由沟槽决定,所以,沟槽设计与选择对密封装置的密封性和使用寿命的影响很大,沟槽设计是O形圈密封设计的主要内容。
密封沟槽设计包括确定沟槽的形状、尺寸、精度和表面粗糙等,对动密封,还有确定相对运动间隙。
沟槽设计原则是:加工容易,尺寸合理,精度容易保证,O形圈装拆较为方便。
常见的槽形为矩形槽。
1)沟槽形状矩形沟槽是液压气动用O形密封圈使用最多的沟槽形状。
这种沟槽的优点是加工容易,便于保证O形密封圈具有必要的压缩量。
除矩形沟槽外,还有V形、半圆形、燕尾形和三角形等型式的沟槽。
三角形沟槽截面形状是以M为直角边的等边直角三角形。
截面积大约为O形圈截面面积的1.05~1.10倍。
三角形沟槽式密封装置在英国、美国、日本等国家均有应用。
设计的原则是O形密封圈内径的公称尺寸相等。
密封沟槽即可开在轴上,也可开在孔上;轴向密封则沟槽开在平面上。
2)槽宽的设计密封沟槽的尺寸参数取决于O形密封圈的尺寸参数。
沟槽尺寸可按体积计算,通常要求矩形沟槽的尺寸比O形圈的体积大15%左右。
这是因为:a.O形圈装入沟槽后,承受3%~30%的压缩,而橡胶材料本身是不可压缩的,所以应有容纳O形圈变形部分的空间。
b.处于油液中的O形圈,除了存在由于油液的浸泡而可能引起的橡胶材料的膨胀外,还有可能存在随着液体工作温度的增高,而引起橡胶材料的膨胀现象。
所以沟槽必须留有一定的余量。
c.在运动状态下,能适应O形圈可能产生的轻微的滚动现象。
一般认为,装配后的O形密封圈与槽壁之间留有适当的间隙是必要的。
但是这个间隙不能过大,否则在交变压力的作用下就会变成有害的“游隙”,而增加O形圈的磨损。
槽不宜太窄,如果O形圈截面填满了槽的截面,那么运动时的摩擦阻力将会特别大,O 形圈无法滚动,同时引起严重的磨损。
槽也不宜过宽,因为槽过宽时O形圈的游动范围很大,也容易磨损。
特别是静密封时,如果工作压力是脉动的,那么静密封就不会静,它将在不适宜的宽槽内以同样的脉动频率游动,出现异常磨损,使O形圈很快失效。
O形圈的截面面积至少应占矩形槽截面面积的85%,槽宽必须大于O形圈压缩变形后的最大直径。
在许多场合下保证取槽宽为O形圈截面直径的1.1~1.5倍。
当内压很高时,就必须使用挡圈,这时槽宽也应相应加大。
工作方式不同,径向密封或轴向密封,动密封或静密封,液压密封或气动密封,密封沟槽尺寸不同。
我国O形圈密封圈与密封沟槽尺寸系列根据国家标准GB/T3452.3—1988),也可根据对根据对密封圈压缩量与拉伸量的要求计算设计沟槽尺寸。
3)槽深的设计沟槽的深度主要取决于O形密封圈所要求的压缩率,沟槽的深度加上间隙,至少必须小于自由状态下的O形圈截面直径,以保证密封所需的O形圈压缩的变形量。
O形圈压缩变形量由O形圈内径处的压缩变形量δ’ 和外径处的压缩变形量δ’’ 组成,即δ=δ’+δ’’。
当δ’=δ’’时,O形圈的截面中心与槽的截面中心重合,两中心圆的圆周相等,说明O形圈安装时未受到拉伸。
如果δ’>δ’’,则O形圈截面中心圆的周长小于槽中心圆的周长,说明O形圈以拉伸状态装在槽内;若δ’<δ’’,则O形圈截面中心圆的周长大于槽的截面中心圆周长,此时,O形圈受周向压缩,拆卸时,O形圈会出现弹跳现象。
设计槽深时,应首先确定O形圈的使用方式,然后再去选定合理的压缩变形率。
4)槽口及槽底圆角的设计沟槽的外边口处的圆角是为了防止O形圈装配时刮伤而设计的。
它一般采用较小的圆角半径,即r=0.1~0.2mm。
这样可以避免该处形成锋利的刃口,O形圈也不敢发生间隙挤出,并能使挡圈安放稳定。
沟槽槽底的圆角主要是为了避免该处产生应力集中设计的。
圆角半径的取值,动密封沟槽可取R=0.3~1mm,静密封沟槽可取其O形圈截面直径的一半,即R=d/2。
5)间隙往复运动的活塞与缸壁之间必须有间隙,其大小与介质工作压力和O形圈材料的硬度有关。
间隙太小,制造、加工困难;间隙太大,O形圈会被挤入间隙而损坏。
一般内压越大,间隙越小;O形圈材料硬度越大,间隙可放大。
当间隙值在曲线的左下方时,将不发生间隙咬伤即“挤出”现象。
间隙的给定数值与零件的制造精度有很大关系。
6)槽壁粗糙度密封沟槽的表面粗糙度,直接影响着O形圈的密封性和沟槽的工艺性。
静密封用O形圈工作过程中不运动,所以槽壁的粗糙度用Ra=6.3~3.2μm,对于往复运动用O形圈,因常在槽内滚动,槽壁与槽底的粗糙程度应到低一些,要求在Ra=1.60μm以下。
旋转运动用的O形圈一般在沟槽内是静止的,要求轴的粗糙度Ra=0.40μm或者抛光。
4、挡圈挡圈的作用在于防止O形圈发生“间隙咬伤”现象,提高其使用压力。
安有挡圈的O 形圈在高压作用下,首先向挡圈靠拢。
随着压力的增加,O形圈与挡圈互相挤压。
由于它们是弹性体,两者同时发生变形,此变形首先向它们的上下两角扩展,直到压力超过10.5MPa。
这种变形一直在两者之间进行,而不致使挡圈发生“挤出”现象。
根据挡圈材料和结构形式的不同,其承压能力提高的程度也不同。
当压力足够大时,挡圈也会产生“挤出”现象。
O形圈使用挡圈后,工作压力可以大大提高。
静密封压力能提高到200~700MPa;动密封压力也能提高到40MPa。
挡圈还有助于O形圈保持良好的润滑。
如果单向受压,则在承受侧用一个挡圈;如果双向受压则用两个挡圈。