房间空气调节器能源效率标识实施规则
- 格式:doc
- 大小:313.50 KB
- 文档页数:16
中华人民共和国实行能源效率标识的产品目录(第一批)
中华人民共和国实行能源效率标识的产品目录(第二批)
中华人民共和国实行能源效率标识的产品目录(第三批)
中华人民共和国实行能源效率标识的产品目录(第四批)
中华人民共和国实行能源效率标识的产品目录(第五批)
中华人民共和国实行能源效率标识的产品目录(第六批)
中华人民共和国实行能源效率标识的产品目录(第七批)
中华人民共和国实行能源效率标识的产品目录(第八批)
中华人民共和国实行能源效率标识的产品目录(第九批)
中华人民共和国
实行能源效率标识的产品目录(第十批)。
编号:CEL—002房间空气调节器能源效率标识实施规则1总则1.1 本规则依据《能源效率标识管理办法》(国家发展改革委和国家质检总局第17号令,以下简称《办法》)制定。
1.2 本规则适用于空气冷却冷凝器、全封闭型电动机-压缩机,制冷量在14000W及以下,气候类型为T1的空气调节器(以下简称空调器)能源效率标识(以下简称标识)的使用、备案和公告。
本规则不适用于移动式、变频式、多联式空调机组。
2 标识的样式和规格2.1 标识为蓝白背景的彩色标识,长为109毫米,宽为66毫米。
2.2 标识名称为:中国能效标识(英文名称为CHINA ENERGY LABEL),包括以下内容:(1)生产者名称;(2)产品规格型号;(3)能源效率等级;(4)能效比;(5)制冷量(瓦);(6)输入功率(瓦);(7)依据的能源效率国家标准编号。
2.3 标识的具体样式和规格见附件1。
3 标识信息的标注3.1 生产者名称是指产品的品牌所有者。
3.2 产品规格型号应依据GB/T7725或GB/T17758的现行有效版本的要求编制,亦可同时使用企业自己的编号,并与铭牌上的标注相一致。
3.3 能源效率等级应依据GB12021.3的现行有效版本和《房间空气调节器能源效率检测报告》(以下简称检测报告)确定。
检测报告的格式见附件3。
3.4制冷量、输入功率应依据GB/T7725或GB/T17758的现行有效版本和检测报告确定。
3.5能效比应依据GB12021.3、GB/T7725或GB/T17758的现行有效版本和检测报告确定,不应大于能源效率等级的上限值。
3.6 依据国家标准为GB12021.3的现行有效版本。
4 标识的印制和粘贴4.1 生产者或进口商自行印制标识,并对印制的质量负责。
4.2 标识应采用100克及以上铜版纸印制。
4.3 标识应采用不干胶方式粘贴,去除后不应玷污面板。
4.4 出厂或进口的每一台空调器均应粘贴标识。
4.5 标识应粘贴在分体式空调器室内机正面明显部位,立式空调器室内机正面面板的右上部位。
《房间空调器能源效率限定值及能效等级》国家标准修订编制说明一、修订标准的背景1. 2004年颁布的房间空调器超前性能效国家标准将于2009年到期生效为了留出时间让生产企业安排调节开发、生产进度,避免强制性标准对企业生产和经营的冲击,在2004年颁布的GB12021.3-2004中规定了2009年将要实施的超前能效限定值指标。
这也是我国开展超前性能效标准的试点项目。
2009年即将到来,需要在原标准的基础上进一步修改节能评价值、能效等级等指标,使新标准中的各项内容配套成体系。
2.节能政策及措施的出台首先,当前实现“十一五”节能20%的目标已成为国家和各级政府的主要任务之一。
国家在国民经济和社会发展“十一五”规划中提出了两个约束性指标:节能20%、减排10%。
空调节能对节能目标的实现意义重大。
其次,节能中长期专项中规定了设备能效达到国际领先水平的要求。
在国家《节能中长期专项规划》中明确提出:“主要耗能设备能效指标:2010年新增主要耗能设备能源效率达到或接近国际先进水平,部分汽车、电动机、家用电器达到国际领先水平”。
空调新能效标准可以促进产品实现规划中的要求。
第三,空调节能不仅能取得显著的环保效果,还能够缩小峰谷差异。
由于空调使用时间比较集中,在大中城市夏季的高峰负荷中占30%-40%,这已导致多个省市区采取拉闸限电的措施来保证基本的电力供应,即高峰时供不应求,低谷时电力设备闲置浪费。
空调节能可以有效解决峰谷差异,减小电力高峰负荷。
3.空调的市场发展相对滞后,企业节能任务重近年来,一方面我国成为世界上最大的房间空调器生产基地和出口国,规模效益突出;另一方面,市场陷于激烈的价格竞争,导致市场销售中以5级低能效低价产品为主,企业面临原材料涨价等困扰,致使空调的能效水平提升缓慢,影响了空调的节能技术进步。
空调新的能效标准将有力促使空调能效水平的提高,规范市场竞争。
二、任务来源房间空气调节器能效标准的修订工作列入国家质检总局2007年标准制修订计划,计划号为20075062-Q-469,由全国能标委合理用电分技术委员会归口。
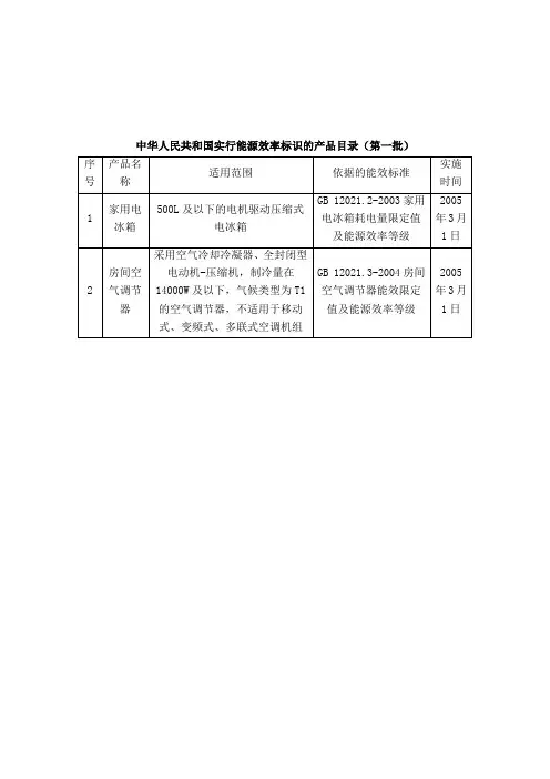
中华人民共和国实行能源效率标识的产品目录(第一批)
中华人民共和国实行能源效率标识的产品目录(第二批)
中华人民共和国实行能源效率标识的产品目录(第三批)
中华人民共和国实行能源效率标识的产品目录(第四批)
中华人民共和国实行能源效率标识的产品目录(第五批)
中华人民共和国实行能源效率标识的产品目录(第六批)
中华人民共和国实行能源效率标识的产品目录(第九批)
中华人民共和国
实行能源效率标识的产品目录(第十批)。
国家发展和改革委员会、国家质量监督检验检疫总局、国家认证认可监督管理委员会公告2004年第71号——能源效率标识的公告【法规类别】质量管理监督机构与人员认证认可综合规定【发文字号】国家发展和改革委员会、国家质量监督检验检疫总局、国家认证认可监督管理委员会公告2004年第71号【失效依据】国国家发展和改革委员会、国家质量监督检验检疫总局、中国国家认证认可监督管理委员会公告2016年第14号――关于制订和修订《中华人民共和国实行能源效率标识的产品目录(2016年版)》、《中国能源效率标识基本样式》(修订)等33类产品能源效率标识实施规则的公告【部分失效依据】国家发展改革委、国家质检总局、国家认监委公告2009年第17号--制定《中华人民共和国实行能源效率标识的产品目录(第五批)》、《自动电饭锅能源效率标识实施规则》、《交流电风扇能源效率标识实施规则》等的公告国家发展改革委、国家质检总局、国家认监委公告2010年第3号--《中华人民共和国实行能源效率标识的产品目录(第六批)》、《电力变压器能源效率标识实施规则》、《通风机能源效率标识实施规则》和《房间空气调节器能源效率标识实施规则》(修订)的公告【发布部门】国家发展和改革委员会(含原国家发展计划委员会、原国家计划委员会)国家质量监督检验检疫总局国家认证认可监督管理委员会【发布日期】2004.11.29【实施日期】2005.03.01【时效性】失效【效力级别】XE0303国家发展和改革委员会、国家质量监督检验检疫总局、国家认证认可监督管理委员会公告(2004年第71号)根据《能源效率标识管理办法》(国家发展改革委和国家质检总局第17号令)规定,国家发展改革委、国家质检总局和国家认监委组织制定了《中华人民共和国实行能源效率标识的产品目录(第一批)》、《中国能源效率标识基本样式》、《家用电冰箱能源效率标识实施规则》和《房间空气调节器能源效率标识实施规则》,现予公告,自2005年3月1日起实施。
、|
!_
一个人总要走陌生的路,看陌生的风景,听陌生的歌,然后在某个不经意的瞬间,你会发现,原本费尽心机想要忘记的事情真的就这么忘记了..
中华人民共和国实行能源效率标识的产品目录(第一批)
国家发改委2004年第71号公告
1.
2.
中华人民共和国实行能源效率标识的产品目录(第二批)
国家发改委2006年第65号公告
中华人民共和国实行能源效率标识的产品目录(第三批)
国家发改委2008年第8号公告
中华人民共和国实行能源效率标识的产品目录(第四批)
国家发改委2008年第64号公告
中华人民共和国实行能源效率标识的产品目录(第五批)
国家发改委2009年第17号公告
中华人民共和国实行能源效率标识的产品目录(第六批)
国家发改委2010年第3号公告
中华人民共和国实行能源效率标识的产品目录(第七批)
国家发改委2010年第28号公告。
房间空气调节器能效限定值及能效等级 2005房间空气调节器能效限定值及能效等级 2005随着人们对室内空气质量和能源消耗的关注日益提高,房间空气调节器的能效问题逐渐受到重视。
为了促进能源节约和减少对环境的负面影响,许多国家和地区纷纷制定了相关的能效限定值和能效等级标准。
在本文中,我们将深入探讨房间空气调节器能效限定值及能效等级2005。
1. 能效限定值的概念及其背景房间空气调节器的能效限定值是指设备在特定工况条件下的能效性能要求。
通过制定能效限定值,能够有效地引导制造商改进产品设计和生产工艺,提高产品的能效水平,降低能源消耗。
能效限定值的制定可以激励企业在研发和生产过程中注重能效,并通过技术创新减少能源浪费。
在2005年,房间空气调节器的能效限定值及能效等级开始得到广泛应用。
这一规定的出台旨在应对不断增长的能源需求和全球气候变化的挑战。
通过设立能效等级,人们可以更容易地辨识出高效能的产品,从而在购买和使用过程中节省能源和费用。
2. 房间空气调节器能效等级及其划分标准房间空气调节器能效等级是根据产品的能效性能参数进行划分的。
通常,能效等级从高到低依次为一级能效、二级能效、三级能效等。
在制定能效等级标准时,通常会考虑以下几个方面的因素:(1) 能效比:能效比是用于衡量设备的能效水平的重要指标。
能效比越高,表示设备在单位能源消耗下提供的制冷或制热能力越强,能效越高。
(2) 耗电量:房间空气调节器的耗电量直接关系到产品的能效水平。
低耗电量的产品能够更高效地转化能源,减少能源浪费。
(3) 起动功率:起动功率是设备启动时所需要的电力。
较低的起动功率可以减少能源消耗,提高设备的能效性能。
(4) 附加功能:附加功能指的是房间空气调节器在能效性能上的附加特点。
支持智能控制、定时开关、自动调温等功能。
这些附加功能的有无和性能也可以作为能效等级的判定标准。
3. 房间空气调节器能效限定值对产品设计和制造的影响房间空气调节器能效限定值的制定对产品设计和制造产生了积极的影响。
中国节能产品认证规则CQC31-439122-2010房间空气调节器节能认证规则Energy Conservation Certification Rules forRoom Air Conditioners2010年09月21 日发布 2010年09月25日实施中国质量认证中心前言本规则由中国质量认证中心发布,版权归CQC所有,任何组织及个人未经CQC许可,不得以任何形式全部或部分使用。
制定单位:中国质量认证中心参与制定单位:珠海格力电器股份有限公司、广东美的制冷设备有限公司、青岛海尔空调器有限总公司、海信(山东)空调有限公司、大金空调(上海)有限公司、宁波奥克斯电气股份有限公司、四川长虹空调有限公司、广东美的暖通设备有限公司、威凯检测技术有限公司、中家院(北京)检测认证有限公司、合肥通用机电产品检测院有限公司、中国赛宝实验室、中国质量认证中心华南实验室、中认英泰检测技术有限公司。
主要起草人:袁雅青、范建波、王继伟、高宝华、谢业勤、陈杰、白韡、刘帆、李燕龙、叶檀、吴志东、吴晓丽、朱风雷、陈军、王攀、曾月。
本规则历次版本发布情况:CSC/G1102-2006。
CQC31-439122-2009代替CSC/G1102-2006, 发布日期2009-9-21,实施日期2009-9-25。
——2009年11月23日第1次修订,修订内容为环保指标依据CQC5107-2009《房间空气调节器环保认证技术规范》。
——2010年3月10日第2次修订,修订内容为节能认证依据标准换版,执行标准为GB 12021.3-2010《房间空气调节器能效限定值及能效等级》。
——2010年8月31日第3次修订,修订内容为删除环保认证的相关内容。
——2018年9月3日第4次修订,修订内容为增加认证模式2;初始工厂检查时间修改为2人·日。
——2019年3月5日第5次修订,主要修订内容为:1.认证证书有效期改为5年;2.修订“7.4监督抽样”,修改监督抽样实施要求。
中国节能产品认证规则CQC31-439121-2013转速可控型房间空气调节器节能认证规则Energy Conservation Certification Rules forVariable Speed Room Air Conditioners2013年7月30日发布 2013年7月30日实施中国质量认证中心前言本规则由中国质量认证中心发布,版权归中国质量认证中心所有,任何组织及个人未经中国质量认证中心许可,不得以任何形式全部或部分使用。
制定单位:中国质量认证中心参与制定单位:珠海格力电器股份有限公司、广东美的制冷设备有限公司、青岛海尔空调器有限总公司、海信(山东)空调有限公司、大金空调(上海)有限公司、宁波奥克斯电气股份有限公司、四川长虹空调有限公司、广东美的暖通设备有限公司、威凯检测技术有限公司、中家院(北京)检测认证有限公司、合肥通用机电产品检测院有限公司、中国赛宝实验室、中国质量认证中心华南实验室、中认英泰检测技术有限公司。
主要起草人:袁雅青、范建波、王继伟、高宝华、谢业勤、陈杰、白韡、刘帆、李燕龙、叶檀、吴志东、吴晓丽、朱风雷、陈军、王攀、曾月。
本规则历次版本发布情况:CQC31-439121-2009,发布日期2009-9-21,实施日期2009-9-25。
CQC31-439121-2013代替CQC31-439121-2009。
主要变化如下:1.认证依据标准GB 21455-2013替代GB21455-2008;2.修改了产品认证单元划分原则;3.修改了样品送样原则;4.对检测依据和项目进行了修改;5.样品描述中增加了功能类型、去掉了外型尺寸的要求。
本规则2018年9月3日第1次修订,主要修订内容如下:1.增加认证模式2;2.初始工厂检查时间修改为2人·日。
本规则2019年3月5日第2次修订,主要修订内容如下:1.认证证书有效期改为5年;2.修订“7.4监督抽样”,修改监督抽样实施要求;3.修订8.2认证证书覆盖产品的扩展。
我国已发布的12批能源效率标识产品目录
2004年11月,国家发展改革委、国家质检总局联合发布《中华人民共和国
实行能源效率标识的产品目录(第一批)》开始,我国实施能源效率标识制度已
经11个年头,到2015年6月,已经发布了12批产品目录,先后有36个设备(产品)被列入。
能源效率标识是附在产品或产品最小包装上的一种信息标签,用于表示用能
产品的能源效率等级等性能指标,为用户和消费者的购买决策提供必要的信息,以引导用户和消费者选择高效节能产品。
下表是1-12批产品目录汇总。
建立和实施能源效率标识制度,是市场经济条件下政府节能管理的一项重要措施;是发挥市场机制作用,促进企业节能技术进步,不断提高产品能效水平的有效途径;是规范节能产品市场,创造公平的市场环境的有力手段;是提高我国节能产品市场竞
争力,积极应对绿色贸易壁垒的客观要求。
建立和实施能源效率标识制度,对提高耗能设备能源效率,提高消费者的节能意识,加快建设节能型社会具有十分重要的意义。
中国节能产品认证规则CQC31-439122-2010房间空气调节器节能认证规则Energy Conservation Certification Rules forRoom Air Conditioners2010年09月21 日发布 2010年09月25日实施中国质量认证中心前言本规则由中国质量认证中心发布,版权归CQC所有,任何组织及个人未经CQC许可,不得以任何形式全部或部分使用。
制定单位:中国质量认证中心参与制定单位:珠海格力电器股份有限公司、广东美的制冷设备有限公司、青岛海尔空调器有限总公司、海信(山东)空调有限公司、大金空调(上海)有限公司、宁波奥克斯电气股份有限公司、四川长虹空调有限公司、广东美的暖通设备有限公司、威凯检测技术有限公司、中家院(北京)检测认证有限公司、合肥通用机电产品检测院有限公司、中国赛宝实验室、中国质量认证中心华南实验室、中认英泰检测技术有限公司。
主要起草人:袁雅青、范建波、王继伟、高宝华、谢业勤、陈杰、白韡、刘帆、李燕龙、叶檀、吴志东、吴晓丽、朱风雷、陈军、王攀、曾月。
本规则历次版本发布情况:CSC/G1102-2006。
CQC31-439122-2009代替CSC/G1102-2006, 发布日期2009-9-21,实施日期2009-9-25。
——2009年11月23日第1次修订,修订内容为环保指标依据CQC5107-2009《房间空气调节器环保认证技术规范》。
——2010年3月10日第2次修订,修订内容为节能认证依据标准换版,执行标准为GB 12021.3-2010《房间空气调节器能效限定值及能效等级》。
——2010年8月31日第3次修订,修订内容为删除环保认证的相关内容。
——2018年9月3日第4次修订,修订内容为增加认证模式2;初始工厂检查时间修改为2人·日。
——2019年3月5日第5次修订,主要修订内容为:1.认证证书有效期改为5年;2.修订“7.4监督抽样”,修改监督抽样实施要求。
2008年第64号
根据《能源效率标识管理办法》(国家发展改革委和国家质检总局第17号令)规定,国家发展改革委、国家质检总局和国家认监委组织制定了《中华人民共和国实行能源效率标识的产品目录(第四批)》、《转速可控型房间空气调节器能源效率标识实施规则》、《多联式空调(热泵)机组能源效率标识实施规则》、《储水式电热水器能源效率标识实施规则》、《家用电磁灶能源效率标识实施规则》、《计算机显示器能源效率标识实施规则》和《复印机能源效率标识实施规则》,现予公告,自2009年3月1日起实施。
2008年12月31日前出厂的产品,可延迟至2010年3月1日前加施能效标识。
国家发展改革委
国家质检总局
国家认监委
二〇〇八年十月十七日
附件点击下载:
1、《中华人民共和国实行能源效率标识的产品目录(第四批)》;
2、《转速可控型房间空气调节器能源效率标识实施规则》;
3、《多联式空调(热泵)机组能源效率标识实施规则》;
4、《储水式电热水器能源效率标识实施规则》;
5、《家用电磁灶能源效率标识实施规则》;
6、《计算机显示器能源效率标识实施规则》;
7、《复印机能源效率标识实施规则》。
中华人民共和国实行能源效率标识的产品目录(第四批)。
制度编号:房间空气调节器能源效率标识实施规则1、制度总则1.1 本规则依据《能源效率标识管理办法》(以下简称《办法》) 制定。
1.2 本规则适用于采用空气冷却冷凝器、全封闭电动压缩机,额定制冷量不大于 14000 W 、气候类型为 T1 的房间空气调节器和名义制热量不大于 14000 W 的低环境温度空气源热泵热风机能源效率标识的使用、备案和公告。
不适用于移动式空调器、多联式空调机组、风管送风式空调器。
2、标识的样式和规格2.1 标识为蓝白背景的彩色标识,长度为 109 mm,宽度为 66 mm。
2.2 标识名称为:中国能效标识(以下简称能效标识,英文名称为 CHINA ENERGY LABEL )。
热泵型房间空气调节器能效标识包括以下内容:( 1 ) 生产者名称(或简称);( 2 ) 规格型号;( 3 ) 能效等级;( 4 ) 全年能源消耗效率[(W·h)/ (W ·h)];( 5 ) 额定制冷量(W);( 6 ) 额定制热量(W);( 7 ) 制冷季节耗电量(kW·h);( 8 ) 制热季节耗电量(kW·h);( 9 ) 依据的能源效率强制性国家标准编号;( 10 ) 能效信息码;( 11 ) 能效“领跑者”信息(仅针对列入国家能效“领跑者”目录的产品)。
单冷式房间空气调节器能效标识包括以下内容:( 1 ) 生产者名称(或简称);( 2 ) 规格型号;( 3 ) 能效等级;( 4 ) 制冷季节能源消耗效率[(W·h)/ (W ·h)];( 5 ) 额定制冷量(W);( 6 ) 制冷季节耗电量(kW·h);( 7 ) 依据的能源效率强制性国家标准编号;( 8 ) 能效信息码;( 9 ) 能效“领跑者”信息(仅针对列入国家能效“领跑者”目录的产品)。
低环境温度空气源热泵热风机能效标识包括以下内容:( 1 ) 生产者名称(或简称);( 2 ) 规格型号;( 3 ) 能效等级;( 4 ) 制热季节能源消耗效率[(W·h)/ (W ·h)];( 5 ) 名义制热量(W);( 6 ) 制热季节耗电量(kW·h);( 7 ) 依据的能源效率强制性国家标准编号;( 8 ) 能效信息码;( 9 ) 能效“领跑者”信息(仅针对列入国家能效“领跑者”目录的产品)。
房间空气调节器能源效率标识实施规则
1总则
1.1 本规则依据《能源效率标识管理办法》(国家发展改革委和国家质检总局第17号令,以下简称《办法》)制定。
1.2 本规则适用于空气冷却冷凝器、全封闭型电动机-压缩机,制冷量在14000W及以下,气候类型为T1的空气调节器(以下简称空调器)能源效率标识(以下简称标识)的使用、备案和公告。
本规则不适用于移动式、变频式、多联式空调机组。
2 标识的样式和规格
2.1 标识为蓝白背景的彩色标识,长为109毫米,宽为66毫米。
2.2 标识名称为:中国能效标识(英文名称为CHINA ENERGY LABEL),包括以下内容:
(1)生产者名称;
(2)产品规格型号;
(3)能源效率等级;
(4)能效比;
(5)制冷量(瓦);
(6)输入功率(瓦);
(7)依据的能源效率国家标准编号。
2.3 标识的具体样式和规格见附件1。
3 标识信息的标注
3.1 生产者名称是指产品的品牌所有者。
3.2 产品规格型号应依据GB/T7725或GB/T17758的现行有效版本的要求编制,亦可同时使用企业自己的编号,并与铭牌上的标注相一致。
3.3 能源效率等级应依据GB12021.3的现行有效版本和《房间空气调节器能源效率检测报告》(以下简称检测报告)确定。
检测报告的格式见附件3。
3.4制冷量、输入功率应依据GB/T7725或GB/T17758的现行有效版本和检测报告确定。
3.5能效比应依据GB12021.3、GB/T7725或GB/T17758的现行有效版本和检测报告确定,不应大于能源效率等级的上限值。
3.6 依据国家标准为GB12021.3的现行有效版本。
4 标识的印制和粘贴
4.1 生产者或进口商自行印制标识,并对印制的质量负责。
4.2 标识应采用100克及以上铜版纸印制。
4.3 标识应采用不干胶方式粘贴,去除后不应玷污面板。
4.4 出厂或进口的每一台空调器均应粘贴标识。
4.5 标识应粘贴在分体式空调器室内机正面明显部位,立式空调器室内机正面面板的右上部位。
4.6 粘贴在空调器上的标识应符合本规则第2条的规定,图案、文字、规格和颜色不得进行更改。
4.7 使用在产品说明书、外包装物以及宣传中的标识可按比例放大和缩小,可以黑白印刷标识,但标识中的文字应清晰可辨。
5标识的备案
5.1 生产者或进口商应当按产品型号逐一备案。
型号不同但制冷系统结构相同、能效比一致的产品在备案时可不提交检测报告。
5.2 生产者或进口商应当自使用标识之日起30日内,通过信函、电报、电传、传真、电子邮件等方式提交或在相关网站上填写《房间空气调节器能源效率标识备案表》(见附件2)。
生产者或进口商应按照《办法》的规定同时提交相关的备案材料。
备案表、备案材料应完备、真实。
5.3 授权机构应自收到备案材料之日起10个工作日内,完成标识信息的核查和备案工作(因生产者或进口商补充材料的时间不计算在内)。
对符合本规则第5.2条要求的,由授权机构对标识信息进行登记、存档、编备案号,并以书面或电子邮件方式通知生产者或进口商。
对不符合本规则第5.2条要求的,由授权机构通知生产者或进口商及时补充材料或者更换已使用的标识。
5.4 生产者或进口商应在每年3月15日前,向授权机构提交上一年度的标识使用情况报告。
报告应包括以下主要内容:各型号的标识备案情况;标识的监督处罚情况;标识使用情况等能效标识相关的资料。
5.5 外文材料应当附有中文译本,并以中文文本为准。
6 标识的公告
6.1 授权机构应在完成备案材料的核验之日起10个工作日内,在相关网站上公告已备案产品的标识信息,并每个季度在相关媒体上公告已备案产品的标识信息。
6.2 按标识的备案号公告备案信息。
6.3 授权机构应建立产品能源效率数据库,向生产者和消费者等提供产品能源效率信息查询服务,及时公告标识的核验和监督检查情况。
6.4授权机构应公布热线电话和网址,接受生产者和消费者等对标识的投诉。
房间空气调节器能源效率标识样式
房间空气调节器能源效率标识规格
房间空气调节器能源效率标识备案表
一、备案方声明
本组织保证如下:
使用的能源效率标识信息与备案信息一致;
本型号产品变更能源效率标识时,向授权机构重新备案;
确保该型号产品始终符合能源效率标识使用的相关要求;
该备案表请备案企业加盖齐缝章。
二、能源效率标识标注的信息
生产者:
产品规格型号:
三、初始使用日期
本标识于年月日,使用于型号。
四、其他信息
关键部件
备案方: 公章:
日期:
房间空气调节器能源效率检测报告
报告编号:
检测单位(盖章):
主检:日期:
审核:日期:
批准:日期:
产品名称:
规格型号:
生产者/商标:
委托单位:
制造单位:
注意事项
1.报告无“检验报告专用章”或检验单位公章无效。
2.复制报告未重新加盖“检验报告专用章”或“检验单位公章”无效。
未经委托单位书面同意,不得复制本报告的任何部分。
3.报告无主检、审核、批准人签章无效。
4.报告涂改无效。
5.若对检验报告持有异议,应于收到报告之日起15日内向检验单位提出,逾期不予处理。
6.委托检验仅对来样负责。
检验报告
报告编号:共页第页
报告编号:共页第页
检验结果
压缩机清单。