基础梁计算书
- 格式:doc
- 大小:72.00 KB
- 文档页数:5
(一)修正后的地基承载力特征值计算一、工程名称: 吊车梁基础计算二、勘察报告: 《岩土工程勘察报告》南侧1m埋深部位平均fak = 218 kPa;北侧1m埋深部位平均fak = 159 kPa;计算取fak = 150 kPa三、计算参数fak = 150.000 kPa(根据钎探平均结果及经验)ηb = 0ηd = 1γ = 18.000 kN/m3γm = 18.000 kN/m3b = 3.000 md = 1.000 m四、计算修正后的地基承载力特征值【5.2.4】fa=fak+ηb*γ*(b-3)+ηd*γm*(d-0.5)=150.000+0*18.000*(3.000-3)+1*18.000*(1.000-0.5)=159.000 kpa(二)梁基底应力及基础内力计算一、基底宽度计算假设基础梁高1m,基底宽度按1.5m,上部吊车单个轮子荷载在纵向分布宽度2m,在两个1.8m间距部位两个两个计算:P=(360+20*1*2*1.5)/(1.5*2)=140 kPa< fa(159.000 kpa)K1=(360*2+20*1*3.8*1.5)/(1.5*3.8)=146 kPa< fa(159.000 kpa) PK2假设基础梁采用1.4m宽度;=(360*2+20*1*3.8*1.4)/(1.4*3.8)=155 kPa< fa(159.000 kpa) PK2通过计算采用1.4m宽基础较接近承载力极限,因此选用1.5m宽基础梁。
二、基础梁内力计算基础梁按弹性地基梁考虑,地基反力系数根据经验分别取10Mpa及20Mpa,按不利情况内力考虑,基础梁内力计算结果如下图所示:图1 最不利弯矩计算结果图2 最不利剪力计算结果三、基础梁配筋计算1 已知条件及计算要求:(1)已知条件:矩形梁b=500mm,h=1000mm。
砼强度等级 C30,fc=14.30N/mm2,纵筋级别 HRB335,fy=300N/mm2,箍筋级别 HPB235,fy=210N/mm2。
基础计算一、基础 已知条件:1、已知最大轴力设计值2、基础梁、墙自重约按50KN/桩ZH1:m q ND N pk 00.12800950832.1832.1950509005353maxmax ≈⎪⎭⎫ ⎝⎛⨯=⎪⎪⎭⎫ ⎝⎛⨯≥=+=按构造及保护层要求d 取800mm ,故a=100mm )1539(1410 :实配钢筋2.150741%3.0222mm A mm d A s s =Φ=⨯=πZH2:m q N D KNN pk 20.128001300832.1832.113005012505353max max ≈⎪⎭⎫ ⎝⎛⨯=⎪⎪⎭⎫ ⎝⎛⨯≥=+=按构造及保护层要求d 取800mm ,故a=200mmZH3:m q N D KNN pk 30.128001450832.1832.114505014005353max max ≈⎪⎭⎫ ⎝⎛⨯=⎪⎪⎭⎫ ⎝⎛⨯≥=+=按构造及保护层要求d 取800mm ,故a=250mmZH4:m q N D KNN pk 4.128001650832.1832.116505016005353max max ≈⎪⎭⎫ ⎝⎛⨯=⎪⎪⎭⎫ ⎝⎛⨯≥=+=按构造及保护层要求d 取800mm ,故a=300mmZH6(组合椭圆桩):m q N D KNN pk 40.128001750832.1832.117505028505353max max max ≈⎪⎭⎫ ⎝⎛⨯=⎪⎪⎭⎫ ⎝⎛⨯=+⨯=按构造及保护层要求d 取900mm ,假设a=150mm 则D=1200;且已知轴线间距为500,设b=500,Sm D Db S S m D S D B ≥=+=+==2222max 73.14153.141ππ 根据计算结果确定以上假设满足要求,故: d=900,b=500,a=150,D=1200)4.2462(1461 :实配钢筋6.2214)41(%25.0222mm A mm bd d A s s =Φ=+⨯=按构造要求π ZH7(组合椭圆桩):m q N D KNN pk 6.128002150832.1832.1215050212005353max max max ≈⎪⎭⎫ ⎝⎛⨯=⎪⎪⎭⎫ ⎝⎛⨯=+⨯=按构造及保护层要求d 取900mm ,假设a=250mm则D=1400;且已知轴线间距为500,设b=500,Sm D Db S S m D S D B ≥=+=+==2222max 2.2410.241ππ 根据计算结果确定以上假设满足要求,故: d=900,b=500,a=250,D=1400)4.2462(1461 :实配钢筋6.2214)41(%25.0222mm A mm bd d A s s =Φ=+⨯=按构造要求π。
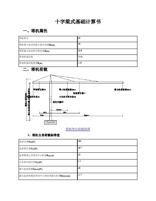
十字梁式基础计算书一、塔机属性二、塔机荷载塔机竖向荷载简图1、塔机自身荷载标准值k三、基础验算十字梁板式基础布置图基础底面积:A=2bl-l2+2a2=2×8.5×1.1-1.12+2×12=19.49m2基础中一条形基础底面积:A0=bl+2(a+l)a=8.5×1.1+2×(1+1.1)×1=13.55m2 基础及其上土的自重荷载标准值:G k=AhγC=19.49×1.25×25=609.06kN基础及其上土的自重荷载设计值:G=1.2G k=1.2×609.06=730.88kN1、偏心距验算条形基础的竖向荷载标准值:F k''=(F k+G k)A0/A=(341.1+609.06)×13.55/19.49=660.58kNF''=(F+G)A0/A=(417.32+730.88)×13.55/19.49=798.26kNe=(M k+F Vk·h)/ F k''=(275.12+10.41×1.25)/660.58=0.44m≤b/4=8.5/4=2.12m满足要求!2、基础偏心荷载作用应力(1)、荷载效应标准组合时,基础底面边缘压力值e=0.44m≤b/6=8.5/6=1.42mI=lb3/12+2×al3/12+4×[a4/36+a2/2(a/3+l/2)2]=1.1×8.53/12+2×1×1.13/12+4×[14/36+12/2×(1/3+1.1/2)2]=58.19 基础底面抵抗矩:W=I/(b/2)=58.19/(8.5/2)=13.69m3P kmin= F k''/A0-(M k+F Vk·h)/W=660.58/13.55-(275.12+10.41×1.25)/13.69=27.71kPa P kmax= F k''/A0+(M k+F Vk·h)/W=660.58/13.55+(275.12+10.41×1.25)/13.69=69.8kPa(2)、荷载效应基本组合时,基础底面边缘压力值P min= F''/A0-(M+F V·h)/W=798.26/13.55-(429.22+14.57×1.25)/13.69=26.23kPa P max= F''/A0+(M+F V·h)/W=798.26/13.55+(429.22+14.57×1.25)/13.69=91.59kPa 3、基础轴心荷载作用应力P k=(F k+G k)/A=(341.1+609.06)/19.49=48.75kN/m24、基础底面压应力验算(1)、修正后地基承载力特征值f a=f ak+εdγm(d-0.5)=160+1.6×19.3×(1.5-0.5)=190.88kPa(2)、轴心作用时地基承载力验算P k=48.75kPa≤f a=190.88kPa满足要求!(3)、偏心作用时地基承载力验算P kmax=69.8kPa≤1.2f a=1.2×190.88=229.06kPa满足要求!5、基础抗剪验算基础有效高度:h0=H-δ-D/2=1250-40-25/2=1198mm塔身边缘至基础底边缘最大反力处距离:a1=(b-20.5B)/2=(8.5-20.5×1.45)/2=3.22m 塔身边缘处基础底面地基反力标准值:P k1=P kmax-a1(P kmax-P kmin)/b=69.8-3.22×(69.8-27.71)/8.5=53.83kPa基础自重在基础底面产生的压力标准值:P kG=G k / A=609.06 / 19.49=31.25kPa基础底平均压力设计值:P=γ((P kmax+P k1)/2-P kG)=1.35×(( 69.8+53.83)/2-31.25)=41.26kPa基础所受剪力:V=pa1l=41.26×3.22×1.1=146.35kNh0/l=1198/1100=1.09≤40.25βc f c lh0=0.25×1×11.9×1100×1198/1000=3920.46kN≥V=146.35kN满足要求!6、软弱下卧层验算基础底面处土的自重压力值:p c=dγm=1.5×19.3=28.95kPa下卧层顶面处附加压力值:p z=lb(P k-p c)/(2(b+2ztanζ)2)=1.1×8.5×(70.12-28.95)/(2×(8.5+2×2×tan20°)2)=1.94kPa软弱下卧层顶面处土的自重压力值:p cz=zγ=2×20=40kPa软弱下卧层顶面处修正后地基承载力特征值f az=222.64kPa作用在软弱下卧层顶面处总压力:p z+p cz=1.94+40=41.94kPa≤f az=222.64kPa满足要求!四、基础配筋验算基础底部配筋HRB335 6Φ25 基础上部配筋HRB335 6Φ18基础腰筋配筋HPB235 4Φ14 基础箍筋配筋HPB235 Φ10@180 基础箍筋肢数n 41、基础底弯矩计算基础底均布荷载设计值:q1=pl=41.26×1.1=45.38kN/m塔吊边缘弯矩:M=q1a12/2=45.38×3.222/2=235.97kN·m2、基础配筋计算(1)、基础梁底部配筋αS1= M/(α1f c lh02)=235.97×106/(1×11.9×1100×11982)=0.013δ1=1-(1-2αS1)0.5=1-(1-2×0.013)0.5=0.013γS1=1-δ1/2=1-0.013/2=0.994A s1=M/(γS1h0f y1)=235.97×106/(0.994×1198×300)=661mm2最小配筋率:ρ=max(0.2,45f t/f y1)=max(0.2,45×1.27/300)=max(0.2,0.19)=0.2%基础底需要配筋:A1=max(661,ρlh0)=max(661,0.002×1100×1198)=2636mm2基础梁底实际配筋:A s1'=2944mm2≥A1=2636mm2满足要求!(2)、基础梁上部配筋基础梁上部实际配筋:A s2'=1526mm2≥0.5A s1'=1472mm2满足要求!(3)、基础梁腰筋配筋梁腰筋按照构造配筋HPB235 4Φ14(4)、基础梁箍筋配筋箍筋抗剪截面高度影响系数:βh=(800/h0)0.25=(800/1198)0.25=0.90.7βh f t lh0=0.7×0.9×1.27×103×1.1×1.198=1059.03kN≥V=146.35kN按构造规定选配钢筋!配箍率验算ρsv=nA sv1/(ls)=4×78.5/(1100×180)=0.16%≥ρsv,min=0.24f t/f yv=0.24×1.27/210=0.15% 满足要求!(5)、基础加腋处配筋基础加腋处,顶部与底部配置水平构造筋Φ12@200mm、竖向构造箍筋Φ8@200mm,外侧纵向筋Φ10@200mm。
基础地梁计算书--说明
天然地基上的地梁,我简单分为自承重和不承重..目前做浅基础的时候主要用到这两种
申明:此表仅学习交流之用,为平时算一两个东西而简单做的表格,觉得有用的话可以讨论完善。
这个表格只能算墙下的地梁(轴心受压),计算内容仅仅是地梁的受弯(不包括剪扭计算)、荷载统计、基底反力及翼缘抗剪切的厚度简单查看下,属于单跨检查用的。
1.对于竖向传力不规整的比如有幕墙+墙+构造柱这个力是不均匀的建议pkpm建地梁模型做。
2.对于选择自承重为了满足承载力而做了翼缘的基础梁底部受拉筋也要额外计算。
(自承重理论上每个部位共同沉降,实际肯定有出入的,比如有的地方反力特别小,但是自承重毕竟反力在承载力之内,除非特殊情况,沉降理论上想象也差不多)
3.对于做桩基承台的宜考虑全部由桩承台来承受(非自承重下此表意义不大算的东西偏少,你得在PKPM中建模型做)
4.若做桩基但地梁底下是已知承载力的持力层可以考虑做自承重地梁并使用此表,所以独立基础基本上都可以考虑用此表。
水池底板还打算做地梁的,建议将地梁在PKPM建模做。
对于楼下的问题,水池我总觉得有筏板就可以了,当然因为某些原因做地梁更好些,那么我也不懂这个地梁应该按什么类型考虑,你说两端有支座么就是墙吧,至多是个暗柱当支点,原则上可以用反
力算弯矩算受拉筋,但是这个水池上浮跟往下沉作用在板上有两种荷载情况~~~当然再大也大不过水池里面灌满水就是往下沉的了。
你们觉得该怎么处理比较好?我觉得还是PKPM建模灌满水这样算地梁~
另外还有一种仅仅拉结作用的地梁....也可以用这个表算,很小的话你得注意满足构造配筋。
可编辑修改精选全文完整版基础工程课程设计计算书一、 工程概况某写字楼为钢筋混凝土框架结构,楼高6层,采用钢筋混凝土柱下条形基础。
底层平面见示意图。
框架柱截面尺寸为500×500,二、 根据地质资料可知确定基础埋深:根据地质资料进入土层 1.7m 为粘土层,其基本承载理fak =175kPa,为最优持力层,基础进入持力层大于30cm ,基础埋深为2m 。
杂填土γ=15kN/m3粘土γ=18kN/m3;基本承载力fak=175kPa淤泥γ=18.5kN/m3;基本承载力fak=90kPa1.7m3.5m未钻穿地基地质构造情况三、确定基础梁的长度和外伸尺寸。
设基础梁两端外伸的长度为a1、a2,两边柱之间的轴线距离为a。
为使其合力作用点与根据荷载的合力通过基底形心,按形心公式确定基础两端向外延伸出边柱外。
但伸出长度也不宜太大,这里取第一跨距(AB跨)的0.25倍,即取a=0.25×6=1.5m。
xc确定后,可按合力作用点与基底形心相重合的原则,定出基础梁的长度L,则有:L= 2(xc+La)= 2×(15+1.5) = 33m三、确定基础受力:表1 柱荷载值表轴号①②③④⑤⑥A 1775 2150 2587 2400 2150 1775B 1775 2150 2587 2400 2150 1775C 1775 2150 2587 2400 2150 1775注:单位kN。
按地基持力层的承载力确定基础梁的宽度b。
初定基础的埋置深度2m >0.5m ,应对持力层承载力进行深度修正,即:f '= f k +ηd ·γ0(d- 0.5 )= 175 + 1.0×((15×1.7 + 18 × 3.5)/5.2)×(2.0-1.0)= 192.0 kPa < 1.1f k = 192.5kPa b≥)20'(d f L Fi-∑ =)2200.192(33177521502400258721501775⨯-⨯+++++= 2.56m ,取 b = 2.7m则持力层的地基承载力设计值f = f ' = 192.5 kPa四、 条形基础地基承载力验收. 1. 上部结构荷载和基础剖面图∑F i =1775+2150+2587+2400+2150+1775=12837kN ∑M=(2587-2150) ×3KN.m=1311KN.M为了增加抗弯刚度,将基础长度L 平行于弯度作用方向,则基础底部抗弯刚度W=bL 2/6=(2.7×332)/6=490.05M 3 折算成线荷载时,Pjmax= F A/Lb+∑M/w=12837kN/(33×2.7)+ 1311KN.M/490.05M3=144.07+2.68=146.75 KN/M2Pjmin= F A/Lb-∑M/w=12837kN/(33×2.7)-1311KN.M/490.05M3=144.07-2.68=141.39 KN/M2Pjmax=146.75 KN/M2<1.2 fak=1.2×175=210 KN/M21/2(Pjmax+ Pjmin)=1/2(146.75+141.39)=144.07<175 KN/M2满足要求.五、地基软弱下卧层的验算第一步:地基承载力特征值修正fa=fak+ηd×rm(d-0.5)=(175+1.0×18(2-0.5) kPa =202 kPa 第二步:验算基础底面面积A=F A/(fa-r G d)= 12837kN/(202-20×2)= 12837/214.04=79.2m2L×b=(2.7×33)=89.1 m2>A=79.2m2符合要求第三步:计算基底附加压力P0=P k-r m d=(F A+G k)/A-r m d=(12837+20×2×33×2.7)/(33×2.7) -15×1.7 KPa =158.57Kpa第四步:计算下卧层顶面附加压力和自重应力为Z=1.7+3.5-2=3.2m>0.5b=0.5×2.7=1.35mα=E S1/ E S2=9/3=3由表1-17查的θ=230,下卧层顶面的附加压力为 P Z =)tan 2)(l tan 2(0θθz z b lb p++=KPa KPa 12.3)424.035.12)(33424.035.127.2(57.1587.233=⨯⨯+⨯⨯+⨯⨯下卧层顶面处的自重应力 P CZ =(15×1.7+18×3.5)=88.5Kpa 第五步:验算下卧层承载力下卧层顶面以上土的加权平均重度 r m =33/01.17/5.37.1185.3157.1m KN m KN =+⨯+⨯下卧层顶面处修正后的地基承载力特征值)05.(-+=d m d fak faz γη=[90+1.0×17.01×(5.2-0.50)]=170.23kPaPZ+PCZ=(3.12Kpa +88.5Kpa)=91.62 Kpa ≤faz=170.23kPa 满足要求.六、底板配筋计算第一步:确定混凝土及钢筋强度选用混凝土强度等级为C25,查得ft=1.27Mpa,采用HPB235钢筋得fy=210Mpa.第二步:确定地基净反力Pjmax= F A /Lb+∑M/w=12837kN/(33×2.7)+ 1311KN.M /490.05M 3=144.07+2.68=146.75 KN/M 2Pjmin= F A /Lb-∑M/w=12837kN/(33×2.7)-1311KN.M/ 490.05M 3=144.07-2.68=141.39 KN/M 2第三步:计算截面I 距基础边缘的距离 bi=0.5×(2.7-0.24)=1.23m第四步:计算截面的剪力设计值 VI=bi/2b[(2b -bi)pjmax+bi ×pjmin] =()[]m KN m KN /179/39.14123.175.14623.17.227.2223.1=⨯+⨯-⨯⨯第五步:确定基础的有效高度 h0≥mm ft VI 34.20127.17.01797.0=⨯= 基础高度可根据构造要求确定,边缘高度取250mm,基础高度取h=350mm,有效高度h0=(350-50)=300mm >201.34mm,合适.第六步:验算基础截面弯矩设计值MI=0.5VI ×bi=0.5×179×1.23=110.1KN.m/m 第七步:计算基础每延长米的受力钢筋截面面积并配筋 As=261941103002109.01.11009.0mm fyh MI =⨯⨯⨯=配受力钢筋Ф20@150(As=2094.7mm 2),配Ф8@250的分布筋.七、基础梁纵向内力计算及配筋 第一步:确定基础净反力∑F i =1775+2150+2587+2400+2150+1775=12837kN ∑M=(2587-2150) ×3KN.m=1311KN.MW=bL 2/6=(2.7×332)/6=490.05M 3Pjmax= F A /Lb+∑M/w=12837kN/(33×2.7)+ 1311KN.M /490.05M 3=144.07+2.68=146.75 KN/M 2Pjmin= F A /Lb -∑M/w=12837kN/(33×2.7)-1311KN.M/490.05M 3 =144.07-2.68=141.39 KN/M 2折算为线荷载时: Pjmax=(146.75×2.7) KN/m =396.225KN/m pjmin=(141.39×2.7) KN/m =381.753 KN/m 为计算方便,各柱距内的反力分别取该段内的最大值 第二步确定固端弯矩m KN m KN M BA •=•⨯⨯=4465.12.396212 m KN m KN M CB •-=•⨯⨯-=75.177965.395812 m KN m KN M CD•=•⨯⨯=117969.3921212 m KN M DC •-=1179 m KN m KN M DE •=•⨯⨯=117163.3901212 m KN M ED •-=1171m KN m KN M EF •=•⨯⨯=116367.3871212 m KN M FE •-=1163m KN m KN M FG •=•⨯⨯=173361.385812m KN m KN M GH •=•⨯⨯-=4305.15.382212⑵ 分配系数EI EI EI 各杆线刚度 iAB = ─── ; iBC = ─── ; iCD = ───1.5 6 6分配系数 μBA =BC AB i i 433i AB + =0.43 ; μBC =BC AB i i 433i BC += 74=0.57μCB =CD BC i i 344i BC +=178=0.47; μCD =BC CD i i 343i CD + =179=0.53(三)、地基梁正截面抗弯强度设计地基梁的配筋要求基本上与楼面梁相同。
一、设计资料:1、本设计的任务是设计一多层办公楼的钢筋混凝土柱下条形基础,框架柱的截面尺寸均为b×h=500mm×600mm,柱的平面布置如下图所示:2、办公楼上部结构传至框架柱底面的荷载值标准值如下表所示:注:表中轴力的单位为KN,弯矩的单位为;所有1、2、3轴号上的弯矩方向为逆时针、4、5、6轴号上的弯矩为顺时针,弯矩均作用在h方向上。
3、该建筑场地地表为一厚度为1.5m的杂填土层(容重为17kN/m3),其下为粘土层,粘土层承载力特征值为F ak=110kPa,地下水位很深,钢筋和混凝土的强度等级自定请设计此柱下条形基础并绘制施工图。
二、确定基础地面尺寸:1、确定合理的基础长度:设荷载合力到支座A的距离为x,如图1:则:x=∑∑∑+i iiiF Mx F=300700700700700350)5.17300147005.1070077005.37000(++++++⨯+⨯+⨯+⨯+⨯+=8.62mG图1因为x=〈21=⨯, 所以,由《建筑地基基础设计规范》(GB50007-2002)8.3.1第2条规定条形基础端部应沿纵向从两端边柱外伸,外伸长度宜为边跨跨距的倍取a 2=(与41l=⨯相近)。
为使荷载形心与基底形心重合,使基底压力分布较为均匀,并使各柱下弯矩与跨中弯矩趋于均衡以利配筋,得条形基础总长为:L=2(a+a 2-x)=2⨯+19.36m ≈19.4m 121.1m 、确定基础底板宽度b : 竖向力合力标准值:∑KiF=350+700+700+700+700+300=3450kN选择基础埋深为,则m γ=(⨯+⨯)÷=m 3深度修正后的地基承载力特征值为:()5.0-+=d f f m d ak a γη=110+⨯⨯由地基承载力得到条形基础b 为: b ≥)20(d f L Fa Ki-∑=)8.120529.132(4.193450⨯-⨯=1.842m取b=2m ,由于b 〈3m ,不需要修正承载力和基础宽度。
十字交叉梁基础计算书克旗车管所综合楼工程;工程建设地点:省际大通道K188+100处北侧;属于框架结构;地上3层;建筑高度:12.3m;标准层层高:4.2m ;总建筑面积:2685.2平方米;总工期:218天。
本工程由赤峰市克旗交警队投资建设,中城建北方建筑勘察设计研究院设计,中城建北方建筑勘察设计研究院地质勘察,内蒙古金鹏建设监理公司克旗监理部监理,赤峰市方圆建筑工程有限责任公司组织施工;由张晓军担任项目经理,李洪波担任技术负责人。
本计算书主要依据施工图纸及以下规范及参考文献编制:《塔式起重机设计规范》(GB/T13752-1992)、《地基基础设计规范》(GB50007-2002)、《建筑结构荷载规范》(GB50009-2001)、《建筑安全检查标准》(JGJ59-99)、《混凝土结构设计规范》(GB50010-2002)、《建筑桩基技术规范》(JGJ94-94)等编制。
一、塔吊的基本参数信息塔吊型号: QTZ40;塔吊起升高度H: 29.000m;塔吊自重G: 274kN;最大起重荷载Q: 40.000kN;桩间距l: 3m;桩边长d: 0.700m;桩钢筋级别: HPB235;混凝土强度等级: C35;交叉梁截面宽度: 1.4m;交叉梁截面高度: 1.200m;交叉梁长度: 6m;桩入土深度: 3.000m;保护层厚度: 50.00mm;交叉梁钢筋级别:HPB235;塔吊倾覆力矩M: 400kN·m;塔身宽度B: 1.600m;二、塔吊对交叉梁中心作用力的计算1. 塔吊自重: G=274kN2. 塔吊最大起重荷载: Q=40kN作用于塔吊的竖向力: F=1.2×274+1.2×40=376.8kN3、塔吊弯矩计算风荷载对塔吊基础产生的弯矩计算:M kmax=400kN·m;塔吊倾覆力矩: M= 1.4 ×400.00 = 560.00kN·m三、交叉梁最大弯矩和桩顶竖向力的计算计算简图:十字交叉梁计算模型(最大弯矩M方向与十字交叉梁平行)。
白下杨庄5号地块经济适用住房项目15栋工程塔吊工程安全专项施工方案编制人: 职务:校对人:职务:审核人:职务:审批人:职务:南京华淳建筑安装工程有限公司公司编制时间:年月日第一节、工程概况--------------------------------------------------------------------------------------------- - 2 - 第二节、编制依据--------------------------------------------------------------------------------------------- - 3 - 第三节、安装位置平面和立面图-------------------------------------------------------------------------- - 4 - 第四节、所选用的塔式起重机型号及性能技术参数------------------------------------------------- - 6 - 第五节、基础和附着装置的设置-------------------------------------------------------------------------- - 8 - 第六节、爬升工况及附着节点详图----------------------------------------------------------------------- - 9 - 第七节、安装顺序和安全质量要求--------------------------------------------------------------------- - 11 - 第八节、主要安装部件的重量和吊点位置 ----------------------------------------------------------- - 13 - 第九节、安装辅助设备的型号、性能及布置位置-------------------------------------------------- - 14 - 第十节、电源的设置 --------------------------------------------------------------------------------------- - 15 - 第十一节、施工人员配置 --------------------------------------------------------------------------------- - 16 - 第十二节、吊索具和专用工具的配备------------------------------------------------------------------ - 17 - 第十三节、安装工艺程序 --------------------------------------------------------------------------------- - 18 - 第十四节、安全装置的测试 ------------------------------------------------------------------------------ - 21 - 第十五节、重大危险源和安全技术措施 -------------------------------------------------------------- - 24 - 第十五节、应急预案 --------------------------------------------------------------------------------------- - 26 - 第十五节、附件---------------------------------------------------------------------------------------------- - 28 - 【计算书】---------------------------------------------------------------------------------------------- - 28 -二、资格证书------------------------------------------------------------------------------------------- - 33 -第一节、工程概况1、工程概况项目名称:白下杨庄5号地块经济适用住房项目15栋;工程建设地点:南京市高桥门;周边环境:紧凑;总建筑面积:12658.00平方米;占地面积:1000平方米;建筑高度:33.60m;地上11层;地下1层;主体结构:框剪;QTZ40塔机台数:3台;。
地基梁计算(一)构件编号:LL-1负弯矩0.00 kN*m,裂缝0.05mm上钢筋 :6f14, 实际面积 :923.63 mm 2,计算面积____ ___ 2:495.00 mm 下钢筋 :6f14,实际面积:923.63 mm 2,计算面积■ ___ ___ 2:495.00 mm箍筋:f8@200 (4),实际面积:1005.31 mm 2/m,计算面积:749.05 mm 2/m上钢筋 :6f14, 实际面积 :923.63 mm 2,计算面积 ___ ____ 2:495.00 mm 下钢筋 :6f14,实际面积:923.63 mm 2,计算面积■ __ ____ 2:495.00 mm箍筋:f8@200 (4),实际面积:1005.31 mm 2/m,计算面积:749.05 mm 2/m正弯矩0.00 kN*m, 负弯矩 36.27 kN*m, 剪力左-196.45 kN, 剪力右196.45 kN,上钢筋 :6f14,实际面积 :923.63 mm 2,计算面积 ____ ___ 2:495.00 mm 下钢筋 :6f14, 实际面积:923.63 mm 2,计算面积____ ___ 2:495.00 mm裂缝0.05mm 正弯矩 18.46 kN*m, 负弯矩 0.00 kN*m, 剪力 -226.67 kN, 挠度0.07mm($), 位置:跨中裂缝0.02mm上钢筋 :6f14, 实际面积 :923.63 mm 2,计算面积____ ___ 2:495.00 mm 下钢筋 :6f14,实际面积:923.63 mm 2,计算面积____ ___ 2:495.00 mm箍筋:f8@200 (4),实际面积:1005.31 mm 2/m,计算面积:749.05 mm 2/m正弯矩 0.00 kN*m,位置: 0.00m 负弯矩 54.40 kN*m,位置: 0.00m剪力 166.23 kN,上钢筋:6f14, 实际面积 :923.63 mm 2, 计算面积 ___ ____ 2 :495.00 mm 下钢筋:6f14, 实际面积 :923.63 mm 2,计算面积 ___ ____ 2:495.00 mm裂缝0.00mm正弯矩 39.18 kN*m,负弯矩 0.00 kN*m,剪力 -256.90 kN,挠度 0.07mm($ ),位置:跨中1跨中:正弯矩 0.00 kN*m, 位置: 0.00m负弯矩 54.40 kN*m , 位置: 0.00m 男力左 -256.90 kN, 位置: 1.20m 男力右 226.67 kN, 位置: 0.00m上钢筋 :6f14, 实际面积:923.63 mm2,计算面积:495.00 mm 2下钢筋 :6f14, 实际面积:923.63 mm 2,计算面积:495.00 mm 21支座: 裂缝0.07mm 正弯矩 18.46 kN*m, 位置: 0.64m 负弯矩 0.00 kN*m, 位置: 0.00m 剪力 226.67 kN, 位置: 0.00m 挠度 0.07mm($), 裂缝0.02mm 位置: 跨中 2跨中:2支座:3跨中:正弯矩0.00 kN*m, 负弯矩 0.00 kN*m, 剪力 -166.23 kN,裂缝0.00mm地基梁计算(二)(取最大桩间距计算)几何数据及计算参数J 550 X4501e 550X4501L550X02.100H2,100ni2.100md 1 -------------- — ----------------- /ee----------------------------------------------------------构件编号:LL-1 混凝土: C30主筋:HRB400 箍筋:HRB400纵筋合力点边距as (mm ): 35.00 指定主筋强度: 无跨中弯矩调整系数:1.00 支座弯矩调整系数:1.00(说明:弯矩调整系数只影响配筋 ) 自动计算梁自重:是恒载系数:1.20 活载系数:1.40二、荷载数据荷载工况1 (恒载):上钢筋:6f14, 实际面积:923.63 mm 2,下钢筋:6f14, 实际面积:923.63 mm 2,2计算面积:495.00 mm 计算面积:495.00 mm 2裂缝0.07mm正弯矩 39.18 kN*m, 位置:0.73m 负弯矩 0.00 kN*m, 位置:0.00m 剪力256.90 kN,位置:0.00m 挠度0.07mm ($),位置:跨中裂缝0.05mm 上钢筋:6f14, 实际面积:923.63mm 2,计算面积___ ____ 2:495.00 mm 下钢筋:6f14,实际面积:923.63 mm 2,计算面积___ ____ 2:495.00 mm箍筋:f8@200 (4),实际面积:1005.31 mm 2/m,计算面积:749.05 mm 2/m4跨中:剪力左-226.67 kN, 位置:1.20m 剪力右256.90 kN, 位置:0.00m4支座:上钢筋:6f14,下钢筋:6f14, 实际面积:923.63 mm 2, 实际面积:923.63 mm 2,计算面积:495.00 mm 计算面积:495.00 mm0支座: 止拶矩0.00 kN*m,负弯矩0.00 kN*m,剪力211.14 kN,上钢筋 :6f14,实际面积 2 :923.63 mm下钢筋 :6f14,实际面积 2:923.63 mm裂缝0.00mm1跨中: 止拶矩88.68 kN*m,负弯矩0.00 kN*m,剪力-316.70 kN,3.截面内力及配筋 位置:跨中计算面积:495.00 mm 计算面积:495.00 mm上钢筋 :6f14, 实际面积 2 :923.63 mm 下钢筋 :6f14,实际面积2:923.63 mm挠度 0.47mm( 裂缝0.16mm 计算面积:495.00 mm 计算面积:614.37 mm 2/m,计算面积:749.05mm 2/m正弯矩 0.00 kN*m,位置 :0.00m负弯矩 110.85 kN*m,位置:0.00m男力左 -316.70 kN,位置 :2.10m 男力右263.92 kN,位置 :0.00m上钢筋 :6f14, 实际面积 ! : 923.63 mm 2,计算面积:775.08 mm 下钢筋 :6f14, 实际面积 ':923.63 mm 2,计算面积:495.00 mm裂缝0.26mm正弯矩 27.71 kN*m, 位置 :1.05m箍筋:f8@200 1支座:2 22跨中:(4),实际面积:1005.31 mm负弯矩 0.00 kN*m,位: 0.00m剪力 263.92 kN, 位置: 0.00m挠度 0.32mm(、 [),位置:跨中裂缝0.02mm上钢筋:6f14,实际面积:923.63 mm 2, 计算面积___ ____ 2:495.00 mm下钢筋:6f14,实际面积:923.63 mm 2,计算面积 ■ __ ____ 2:495.00 mm箍筋:f8@200 (4),实际面积:1005.31 mm 2/m,计算面积:749.05 mm 2/m2支座: 正弯矩 0.00 kN*m,负弯矩 110.85 kN*m, 剪力左-263.92 kN, 剪力右316.70 kN,上钢筋:6f14, 实际面积: 923.63 mm 2,计算面积____ ____ 2 :775.08 mm下钢筋:6f14,实际面积: 923.63 mm 2,计算面积___ ____ 2:495.00 mm裂缝0.26mm3跨中:皿矩 88.68 kN*m,负弯矩 0.00 kN*m,剪力 316.70 kN,挠度 0.47mm( $ ),位 置:跨中裂缝0.16mm上钢筋:6f14, 实际面积: 923.63 mm 2,计算面积___ ____ 2:495.00 mm下钢筋:6f14,实际面积: 923.63 mm 2,计算面积________ 2:614.37 mm箍筋:f8@200 (4),实际面积、:1005.31 mm 2/m,计算面积:749.05 mm 2/m3支座: 止骂■矩 0.00 kN*m,位置: 2.10m负弯矩0.00 kN*m,位置: 2.10m剪力-211.14 kN,位置:2.10m上钢筋:6f14, 实际面积:923.63 mm 2,计算面积 ___ ____ 2:495.00 mm 下钢筋:6f14, 裂缝0.00mm实际面积 :923.63 mm 2,计算面积2:495.00 mm。
墙模板计算书一、墙模板基本参数计算断面宽度400mm ,高度800mm ,两侧楼板厚度200mm 。
模板面板采用普通胶合板。
内龙骨间距200mm ,内龙骨采用38×80mm 木方,外龙骨采用双钢管48mm×2.8mm。
对拉螺栓布置1道,在断面内水平间距400mm ,断面跨度方向间距600mm ,直径14mm 。
面板厚度15mm ,剪切强度1.4N/mm 2,抗弯强度15.0N/mm 2,弹性模量6000.0N/mm 2。
木方剪切强度1.3N/mm 2,抗弯强度15.0N/mm 2,弹性模量9000.0N/mm 2。
模板组装示意图二、墙模板荷载标准值计算强度验算要考虑新浇混凝土侧压力和倾倒混凝土时产生的荷载设计值;挠度验算只考虑新浇混凝土侧压力产生荷载标准值。
新浇混凝土侧压力计算公式为下式中的较小值:其中 γc —— 混凝土的重力密度,取24.000kN/m 3;t —— 新浇混凝土的初凝时间,为0时(表示无资料)取200/(T+15),取5.714h ; T —— 混凝土的入模温度,取20.000℃; V —— 混凝土的浇筑速度,取2.500m/h ;800mmH —— 混凝土侧压力计算位置处至新浇混凝土顶面总高度,取1.200m ; β—— 混凝土坍落度影响修正系数,取0.850。
根据公式计算的新浇混凝土侧压力标准值 F1=28.800kN/m 2考虑结构的重要性系数1.00,实际计算中采用新浇混凝土侧压力标准值: F1=1.00×27.000=27.000kN/m 2考虑结构的重要性系数1.00,倒混凝土时产生的荷载标准值: F2=1.00×4.000=4.000kN/m 2。
三、墙模板面板的计算面板为受弯结构,需要验算其抗弯强度和刚度。
模板面板的按照连续梁计算。
面板的计算宽度取0.60m 。
荷载计算值 q = 1.2×27.000×0.600+1.40×4.000×0.600=22.800kN/m 面板的截面惯性矩I 和截面抵抗矩W 分别为: 本算例中,截面惯性矩I 和截面抵抗矩W 分别为:截面抵抗矩 W = bh 2/6 = 60.00×1.50×1.50/6 = 22.50cm 3;截面惯性矩 I = bh 3/12 = 60.00×1.50×1.50×1.50/12 = 16.88cm 4; 式中:b 为板截面宽度,h 为板截面高度。
梁模板(350x750)计算书计算依据:1、《建筑施工模板安全技术规范》JGJ162-20082、《建筑施工扣件式钢管脚手架安全技术规范》JGJ 130-20113、《混凝土结构设计规范》GB50010-20104、《建筑结构荷载规范》GB 50009-20125、《钢结构设计规范》GB 50017-2003一、工程属性二、荷载设计三、模板体系设计设计简图如下:平面图立面图四、面板验算面板类型覆面木胶合板 面板厚度(mm)15 面板抗弯强度设计值[f](N/mm 2)15面板弹性模量E(N/mm 2)4500取单位宽度1000mm ,按二等跨连续梁计算,计算简图如下:W =bh 2/6=1000×15×15/6=37500mm 3,I =bh 3/12=1000×15×15×15/12=281250mm 4q1=0.9max[1.2(G1k+ (G2k+G3k)×h)+1.4Q2k,1.35(G1k+(G2k+G3k)×h)+1.4×0.7Q2k]×b=0.9max[1.2×(0.1+(24+1.5)×0.75)+1.4×2,1.35×(0.1+(24+1.5)×0.75)+1.4×0.7×2]×1=25.12kN/mq1静=0.9×1.35×[G1k+(G2k+G3k)×h]×b=0.9×1.35×[0.1+(24+1.5)×0.75]×1=23.36kN/m q1活=0.9×1.4×0.7×Q2k×b=0.9×1.4×0.7×2×1=1.76kN/mq2=(G1k+ (G2k+G3k)×h)×b=[0.1+(24+1.5)×0.75]×1=19.22kN/m1、强度验算M max=0.125q1L2=0.125q1l2=0.125×25.12×0.182=0.1kN·mσ=M max/W=0.1×106/37500=2.56N/mm2≤[f]=15N/mm2满足要求!2、挠度验算νmax=0.521qL4/(100EI)=0.521×19.22×1754/(100×4500×281250)=0.074mm≤[ν]=l/400=175/400=0.44mm满足要求!3、支座反力计算设计值(承载能力极限状态)R1=R3=0.375 q1静l +0.437 q1活l=0.375×23.36×0.18+0.437×1.76×0.18=1.67kNR2=1.25q1l=1.25×25.12×0.18=5.5kN标准值(正常使用极限状态)R1'=R3'=0.375 q2l=0.375×19.22×0.18=1.26kNR2'=1.25q2l=1.25×19.22×0.18=4.21kN五、小梁验算为简化计算,按四等跨连续梁和悬臂梁分别计算,如下图:q1=max{1.67+0.9×1.35×[(0.3-0.1)×0.35/2+0.5×(0.75-0.14)]+0.9max[1.2×(0.5+(24+1.1)×0.14)+ 1.4×2,1.35×(0.5+(24+1.1)×0.14)+1.4×0.7×2]×max[0.5-0.35/2,(1-0.5)-0.35/2]/2×1,5.5+0.9×1.35×(0.3-0.1)×0.35/2}=5.54kN/mq2=max[1.26+(0.3-0.1)×0.35/2+0.5×(0.75-0.14)+(0.5+(24+1.1)×0.14)×max[0.5-0.35/2,(1-0.5)-0.35/2]/2×1,4.21+(0.3-0.1)×0.35/2]=4.24kN/m1、抗弯验算M max=max[0.107q1l12,0.5q1l22]=max[0.107×5.54×0.82,0.5×5.54×0.12]=0.38kN·m σ=M max/W=0.38×106/42670=8.89N/mm2≤[f]=12.87N/mm2满足要求!2、抗剪验算V max=max[0.607q1l1,q1l2]=max[0.607×5.54×0.8,5.54×0.1]=2.689kNτmax=3V max/(2bh0)=3×2.689×1000/(2×40×80)=1.26N/mm2≤[τ]=1.39N/mm2满足要求!3、挠度验算ν1=0.632q 2l 14/(100EI)=0.632×4.24×8004/(100×7480×1706700)=0.86mm≤[ν]=l/400=800/400=2mmν2=q 2l 24/(8EI)=4.24×1004/(8×7480×1706700)=0mm≤[ν]=l/400=100/400=0.25mm 满足要求! 4、支座反力计算梁头处(即梁底支撑小梁悬挑段根部) 承载能力极限状态R max =max[1.143q 1l 1,0.393q 1l 1+q 1l 2]=max[1.143×5.54×0.8,0.393×5.54×0.8+5.54×0.1]=5.06kN同理可得,梁底支撑小梁所受最大支座反力依次为R 1=R 3=2.92kN ,R 2=5.06kN 正常使用极限状态R'max =max[1.143q 2l 1,0.393q 2l 1+q 2l 2]=max[1.143×4.24×0.8,0.393×4.24×0.8+4.24×0.1]=3.88kN同理可得,梁底支撑小梁所受最大支座反力依次为R'1=R'3=2.55kN ,R'2=3.88kN六、主梁验算主梁类型钢管 主梁材料规格(mm) Φ48×2.75 可调托座内主梁根数1 主梁弹性模量E(N/mm 2) 206000 主梁抗弯强度设计值[f](N/mm 2) 205 主梁抗剪强度设计值[τ](N/mm 2) 125 主梁截面惯性矩I(cm 4)10.04主梁截面抵抗矩W(cm 3)4.18主梁自重忽略不计,计算简图如下:1、抗弯验算主梁弯矩图(kN·m)σ=M max/W=0.274×106/4180=65.56N/mm2≤[f]=205N/mm2满足要求!2、抗剪验算主梁剪力图(kN)V max=2.446kNτmax=2V max/A=2×2.446×1000/391=12.51N/mm2≤[τ]=125N/mm2 满足要求!3、挠度验算主梁变形图(mm)νmax=0.1mm≤[ν]=l/400=500/400=1.25mm满足要求!4、扣件抗滑计算R=max[R1,R3]=0.47kN≤8kN单扣件在扭矩达到40~65N·m且无质量缺陷的情况下,单扣件能满足要求!同理可知,左侧立柱扣件受力R=0.47kN≤8kN单扣件在扭矩达到40~65N·m且无质量缺陷的情况下,单扣件能满足要求!七、立柱验算长细比验算顶部立杆段:l01=kμ1(h d+2a)=1×1.386×(1500+2×100)=2356.2mm非顶部立杆段:l02=kμ2h =1×1.755×1500=2632.5mmλ=l0/i=2632.5/16=164.53≤[λ]=210长细比满足要求!顶部立杆段:l01=kμ1(h d+2a)=1.217×1.386×(1500+2×100)=2867.495mmλ1=l01/i=2867.495/16=179.218,查表得,φ1=0.223立柱最大受力N=max[R1+N边1,R2,R3+N边2]=max[0.47+0.9max[1.2×(0.5+(24+1.1)×0.14)+1.4×1,1.35×(0.5+(24+1.1)×0.14)+1.4×0.7×1]×(0.8+0.5-0.35/2)/2×0.8,9.95,0.47+0.9max[1.2×(0.5+(24+1.1)×0.14)+1.4×1,1.35×(0.5+(24+1.1)×0.14)+1.4×0.7×1]×(0.8+1-0.5-0.35/2)/2×0.8]=9.95kNf=N/(φA)=9.95×103/(0.22×391)=114.14N/mm2≤[f]=205N/mm2满足要求!非顶部立杆段:l02=kμ2h =1.217×1.755×1500=3203.752mmλ2=l02/i=3203.752/16=200.234,查表得,φ2=0.18立柱最大受力N=max[R1+N边1,R2,R3+N边2]=max[0.47+0.9max[1.2×(0.75+(24+1.1)×0.14)+1.4×1,1.35×(0.75+(24+1.1)×0.14)+1.4×0.7×1]×(0.8+0.5-0.35/2)/2×0.8,9.95,0.47+0.9max[1.2×(0.75+(24+1.1)×0.14)+1.4×1,1.35×(0.75+(24+1.1)×0.14)+1.4×0.7×1]×(0.8+1-0.5-0.35/2)/2×0.8]=9.95kNf=N/(φA)=9.95×103/(0.18×391)=141.41N/mm2≤[f]=205N/mm2满足要求!八、梁底立柱扣件抗滑移验算由"主梁验算"一节计算可知扣件最大受力N=max[R2]×1=9.95kN≤R c=k c×12=0.85×12=10.2kN满足要求!九、立柱地基基础计算地基土类型碎石土地基承载力设计值f ak(kPa) 300立柱垫木地基土承载力折减系数m f0.4 垫板底面面积A(m2) 0.1 立柱底垫板的底面平均压力p=N/(m f A)=9.95/(0.4×0.1)=248.8kPa≤f ak=300kPa 满足要求!。
龙门吊条形基础梁计算一、概况两台龙门吊组合,单台龙门吊自重G=76t,最大起重量为g=30t,吊车轮距6m。
其条形基础梁持力层为回填碎石,修正后地基承载力特征值取为fa=150kPa,条形基础梁采用C30级混凝土,钢筋采用HRB400级。
该条形基础梁依据《地基基础设计规范》(GB50007-2011)及《混凝土结构设计规范》(GB50010-2010),采用倒梁法进行设计。
二、计算简图取最不利情况为:两列龙门吊进行组合,并同时满载于同一侧,该侧四个轮压同时达到最大,且此时龙门吊处于条形基础梁最边缘处(根据《地基基础设计规范》第8.3.1条第2款要求,最边缘轮压处基础梁挑出l/4=5/4=1.25m)。
最不利荷载作用简图如图1所示,基础梁采用倒梁法进行设计,其计算简图如图2所示:图1 最不利荷载作用简图图2 基础梁内力计算简图其中最大轮压标准值为:Pmax,k=760/4+300/2=340kN。
三、确定基底尺寸根据地基承载力要求确定条形基础基底尺寸,由图1可看出,基础总长度按保守可取为:l=5×2+1.25×2=12.5m那么根据地基承载力要求,基础宽度为:b≥4×340/(100×12.5)=1.08m实际取基础宽度为b=1.2m,并据此取条形基础高度为h=0.5m,验算地基承载力如下:p k=(4×340+25×1.2×0.5×12.5)/(12.5×1.2)=103.2kPa<f a=150kPa 满足要求。
四、基础梁内力及配筋计算(一)内力计算在对称荷载作用下,基底反力呈均匀分布,单位长度的基底净反力设计值为:p j=(1.4×4×340+1.2×25×1.2×0.5×12.5)/12.5=170.32kN/m按连续梁模型,其计算简图如图2所示,采用理正工具箱计算内力如图3所示:图3 计算内力图(二)内力调整根据《地基基础规范》第8.3.2条第1款的规定,边跨跨中弯矩及第一内支座的弯矩值乘以1.2的系数。
梁场台座基础计算书(最终版)麻竹高速公路大悟段项目部梁场预制(存)台座基础、龙门轨道基础地基承载力验算书二〇一六年一月20m箱梁制梁台座基础承载力设计验算书箱梁梁场制梁台采用C30钢筋混凝土台座,台边预埋6#槽钢,防止台座棱角在施工过程中发生掉角现象,台座表面铺设厚度为8mm钢板做为预制梁底模、施工时边棱角钢与台座钢筋焊接固定,台面钢板与边棱角钢焊接,台座厚度为30cm台座宽度90cm、台座两端由于预应力张拉后受力较大,为满足支承能力所以在台座两端3m范围内加深处理厚度为30cm。
预应力张拉台须满足强度和刚度,台座及台座端头15cm×15cm的Φ12钢筋网片。
制梁台座相关计算如下:(1)荷载计算按构件最大重量计算根据设计图纸最大构件为边跨边梁砼数量为:21.6m3,钢筋重为6405kg,构件自重:21.6m3×26kN/m3+6.405×10=625.65KN(2)台座砼强度计算根据台座受力情况台座可按竖向压力作用下受压构件计算计算如下:按均布线荷载计算:q1=625.65÷20= 31.283KN/m台面砼强度为:σ=31.283KN÷0.90m2=34.758KPa台座砼设计为C30砼,其允许抗压强度为:[σ]=30MPa ,σ<[σ]台座强度合格。
(3)台座下地基承载力计算台座地基承受梁体砼自重和台座砼自重按均布荷载沿台座纵向线荷载为:q2=q1+(0.9×0.3×1)×26KN/m3 =31.283+7.02=38.303KN/m 计算地基承载力为: σ地=q2÷0.90=42.558KPa要求台座下地基承载力不小于150Kpa,故满足要求。
(4)台座两端砼强度和地基承载力计算根据现场实际施工情况,因梁体张拉后梁体会起反拱,主要是台座两端受力最为不利,根据台座两端台座尺寸计算台座砼的强度和地基承载力计算如下:1座两端砼强度台座两端各取3m计算,宽度为1.90m,受力面积A=3○×1.9×2=11.4m2台座两端砼强度计算:σ砼=625.65KN÷11.4m2=54.846KPa台座砼设计为C30砼,其允许抗压强度为:[σ]=30MPa ,σ砼<[σ]台座两端砼强度合格。
十字交叉梁天然基础计算书十字交叉梁天然基础计算书本计算书主要依据施工图纸及以下规范、参考文献编制:《建筑结构荷载规范》(GB50009-2001)、《建筑地基基础设计规范》(GB50007-2002)、《混凝土结构设计规范》(GB50010-2002)、《塔式起重机设计规范》(GB/T13752-1992)、《建筑安全检查标准》(JGJ59-99)、本工程用《塔吊使用说明书》、地质勘探报告和施工现场总平面布置图等编制。
基本参数1、塔吊基本参数塔吊型号:QT60;塔吊自重Gt:245kN;标准节长度b:2.5m;最大起重荷载Q:60kN;塔身宽度B:1.6m;主弦杆材料:角钢/方钢;塔吊起升高度H:37m;主弦杆宽度c:200mm;非工作状态时:额定起重力矩Me:600kN·m;基础所受的水平力P:20kN;工作状态时:额定起重力矩Me:600kN·m;基础所受的水平力P:50kN;2、风荷载基本参数所处城市:北京;风荷载高度变化系数μz:1.02;地面粗糙度类别:D类密集建筑群,房屋较高;非工作状态时,基本风压ω:0.45kN·m;工作状态时,基本风压ω:0.45kN·m;3、基础基本参数交叉梁宽t:0.5m;基础底面宽度Bc:6m;基础截面高度h1:1m;基础底板厚度h2:0.4m;基础上部中心部分正方形边长a1:3m;混凝土强度等级:C35;承台混凝土保护层厚度:50mm;基础埋置深度d:0.6m;十字交叉梁上部钢筋直径:25mm;十字交叉梁上部钢筋型号:HRB335;十字交叉梁底部钢筋直径:25mm;十字交叉梁底部钢筋型号:HRB335;十字交叉梁箍筋直径:10mm;十字交叉梁箍筋型号:HPB235;十字交叉梁箍筋肢数:6;十字交叉梁腰筋直径:14mm;十字交叉梁腰筋型号:HRB335;基础底板钢筋直径:20mm;基础底板钢筋型号:HRB335;4、地基基本参数:325kN/m2;地基承载力特征值fak基础宽度的地基承载力修正系数η:0.3;b:1.3;基础埋深的地基承载力修正系数ηd基础底面以下土的重度γ:20kN/m3;:22kN/m3;基础底面以上土的加权平均重度γm地基承载力设计值f:345.86kN/m2;a非工作状态下荷载计算一、塔吊对交叉梁中心作用力的计算1、塔吊竖向力计算塔吊自重:G=245.000kN;塔吊最大起重荷载:Q=60.000kN;作用于塔吊的竖向力:F=1.2×G+1.2×Q=1.2×245.000+1.2×60.000=366.000kN;2、塔吊风荷载计算依据《建筑结构荷载规范》(GB50009-2001)中风荷载体型系数:=0.45kN/m2;地处北京,基本风压为ω=1.02;查表得:荷载高度变化系数μz挡风系数计算:φ = [3B+2b+(4B2+b2)1/2]c / Bbφ=[(3×1.60+2×2.50+(4×(1.60)2+(2.50)2)0.5)]×0.20/(1.60×2.50)=0.693=1.90;因为是角钢/方钢,体型系数μs高度z处的风振系数取:β=1.0;z所以风荷载设计值为:ω=0.7×βz×μs×μz×ω0=0.7×1.00×1.90×1.02×0.45=0.61kN/m2;3、塔吊弯矩计算风荷载对塔吊基础产生的弯矩计算:Mω=ω×φ×B×H×H×0.5=0.61×0.693×1.60×37.00×37.00×0.5=463.36kN·m;M=Me+Mω+P×h1=600.00+463.36+20.00×1.00=1083.4kN·m;M=1.4×1083.4=1516.70kN·m;max二、塔吊抗倾覆稳定验算基础抗倾覆稳定性按下式计算:e = M/(F+G)≤Bc/3式中 e──偏心距,即地面反力的合力至基础中心的距离;M──作用在基础上的弯矩;F──作用在基础上的垂直载荷;G──混凝土基础重力,G = 25×1.2×21.963=658.90kN;Bc──为基础的底面宽度;计算得:e=1516.700/(366.000+658.900)=1.480m ≤ 6.000/3=2.000m;基础抗倾覆稳定性满足要求!三、地基承载力验算e = M/(F+G)=1516.700/(366.000+658.900)=1.480 ≥ Bc/6=6.000/6=1.000 地面压应力计算:P = 2(F+G)/3a2式中 M──倾覆力矩,包括风荷载产生的力矩和最大起重力矩;F──作用在基础上的垂直载荷;G──混凝土基础重力;a──合力作用点至基础底面最大压力边缘距离(m),按下式计算:a = Bc/20.5-Mmax/(F+G)=6.000/20.5-1516.700/(366.000+658.900)=2.763m;不考虑附着基础设计值:Pmax=2×(366.000+658.90)/(3×2.762)=89.515kPa;地基承载力特征值计算依据《建筑地基基础设计规范》(GB50007-2002)第5.2.3条,计算公式如下:fa = fak+ηbγ(Bc-3)+ηdγm(d-0.5)式中 fa--修正后的地基承载力特征值;fak--地基承载力特征值,按本规范第5.2.3条的原则确定,取325.000kN/m2;ηb 、ηd--基础宽度和埋深的地基承载力修正系数;γ--基础底面以上土的重度,地下水位以下取浮重度,取γ=20.000kN/m3;Bc--基础底面宽度,当基宽小于3m按3m取值,大于6m按6m取值,取Bc=6.000m;γm --基础底面以上土的加权平均重度,地下水位以下取浮重度,取γm=22.000kN/m3;d--基础埋置深度(m) ,取d=0.600m;解得修正后的地基承载力特征值:fa=325.000+0.3×20.000×(6.000-3)+1.3×20.000×(0.600-0.5)=345.860kPa;实际计算取的地基承载力设计值为:fa=345.860kPa;地基承载力特征值fa 大于有附着时压力设计值Pmax= 89.515kPa,满足要求!四、基础受冲切承载力验算依据《建筑地基基础设计规范》(GB50007-2002)第8.2.7条。
龙门吊基础计算1.计算模型场内基础模拟为弹性地基,反力系数取30kPa/mm。
取龙门吊一个立柱的8个轮子作用于轨道梁上,轮子间距1.5m,单个轮压282kN。
轨道梁为倒T形C30钢筋混凝土梁,梁高1.0m,腹板厚40cm,底板宽1.2m,底板厚20cm。
场内天然地基的承载力达120~130kPa,又基础拟采用CFG桩加强处理,承载力易于满足,地基承载力此处不再计算。
h0=920mm 。
受压区高度:mm a mm x s 802383.14/400/300)8041520('=<=×−=受弯承载力:m kN mm N M u −=−×=−××=3.401103.401)40920(30015206 m kN M m kN M u −=≤−=×=3.4017.3473.3869.00γ受弯满足。
受拉钢筋配筋率:%2.0%41.0400/920/1520≥==ρ抗剪,因:kNV N bh f t 1.2453.2729.0104.36892040043.17.07.0030=×=≥×=×××=γ只需按构造配箍。
4.轨道梁底板分布钢筋验算取沿轨道梁长度方向取1m 板跨计算,板根部弯矩设计值为:m kN M −=×××=4.174.07.155214.12A.不配筋若底板采用不配分布钢筋方式,底板厚取35cm 。
则素混凝土受弯承载力:mm N bh f M ctu −×=×××××==622109.1935010006143.155.024.161γ m kN Mu m kN M −=≤−=×=9.197.154.179.00γ表明底板厚35cm 时不需要配筋。
B.配筋厚度取20cm ,配筋为d12@200mm (As=565mm2/m ),h0=120mm 。
地基梁计算(一)
(取最大线荷载计算)
一、几何数据及计算参数
构件编号: LL-1
混凝土: C30 主筋: HRB400 箍筋: HRB400
纵筋合力点边距as(mm): 35.00 指定主筋强度:无
跨中弯矩调整系数: 1.00 支座弯矩调整系数: 1.00 (说明:弯矩调整系数只影响配筋)
自动计算梁自重:是
恒载系数: 1.20 活载系数: 1.40
二、荷载数据
荷载工况1 (恒载):
三、内力及配筋
1. 弯矩图
2. 剪力图
3. 截面内力及配筋
0支座: 正弯矩 0.00 kN*m,
负弯矩 0.00 kN*m,
剪力166.23 kN,
上钢筋: 6f14, 实际面积: 923.63 mm2, 计算面积: 495.00 mm2
下钢筋: 6f14, 实际面积: 923.63 mm2, 计算面积: 495.00 mm2
裂缝 0.00mm
1跨中: 正弯矩 39.18 kN*m,
负弯矩 0.00 kN*m,
剪力-256.90 kN,
挠度0.07mm(↓),位置:跨中
裂缝 0.05mm
上钢筋: 6f14, 实际面积: 923.63 mm2, 计算面积: 495.00 mm2
下钢筋: 6f14, 实际面积: 923.63 mm2, 计算面积: 495.00 mm2
箍筋: f8@200(4),实际面积: 1005.31 mm2/m, 计算面积: 749.05 mm2/m 1支座: 正弯矩 0.00 kN*m, 位置: 0.00m
负弯矩 54.40 kN*m, 位置: 0.00m
剪力左 -256.90 kN, 位置: 1.20m
剪力右 226.67 kN, 位置: 0.00m
上钢筋: 6f14, 实际面积: 923.63 mm2, 计算面积: 495.00 mm2
下钢筋: 6f14, 实际面积: 923.63 mm2, 计算面积: 495.00 mm2
裂缝 0.07mm
2跨中: 正弯矩 18.46 kN*m, 位置: 0.64m
负弯矩 0.00 kN*m, 位置: 0.00m
剪力226.67 kN, 位置: 0.00m
挠度0.07mm(↓),位置:跨中
裂缝 0.02mm
上钢筋: 6f14, 实际面积: 923.63 mm2, 计算面积: 495.00 mm2
下钢筋: 6f14, 实际面积: 923.63 mm2, 计算面积: 495.00 mm2
箍筋: f8@200(4),实际面积: 1005.31 mm2/m, 计算面积: 749.05 mm2/m 2支座: 正弯矩 0.00 kN*m,
负弯矩 36.27 kN*m,
剪力左 -196.45 kN,
剪力右 196.45 kN,
上钢筋: 6f14, 实际面积: 923.63 mm2, 计算面积: 495.00 mm2
下钢筋: 6f14, 实际面积: 923.63 mm2, 计算面积: 495.00 mm2
裂缝 0.05mm
3跨中: 正弯矩 18.46 kN*m,
负弯矩 0.00 kN*m,
剪力-226.67 kN,
挠度0.07mm(↓),位置:跨中
裂缝 0.02mm
上钢筋: 6f14, 实际面积: 923.63 mm2, 计算面积: 495.00 mm2
下钢筋: 6f14, 实际面积: 923.63 mm2, 计算面积: 495.00 mm2
箍筋: f8@200(4),实际面积: 1005.31 mm2/m, 计算面积: 749.05 mm2/m 3支座: 正弯矩 0.00 kN*m, 位置: 0.00m
负弯矩 54.40 kN*m, 位置: 0.00m
剪力左 -226.67 kN, 位置: 1.20m
剪力右 256.90 kN, 位置: 0.00m
上钢筋: 6f14, 实际面积: 923.63 mm2, 计算面积: 495.00 mm2
下钢筋: 6f14, 实际面积: 923.63 mm2, 计算面积: 495.00 mm2
裂缝 0.07mm
4跨中: 正弯矩 39.18 kN*m, 位置: 0.73m
负弯矩 0.00 kN*m, 位置: 0.00m
剪力256.90 kN, 位置: 0.00m
挠度0.07mm(↓),位置:跨中
裂缝 0.05mm
上钢筋: 6f14, 实际面积: 923.63 mm2, 计算面积: 495.00 mm2
下钢筋: 6f14, 实际面积: 923.63 mm2, 计算面积: 495.00 mm2
箍筋: f8@200(4),实际面积: 1005.31 mm2/m, 计算面积: 749.05 mm2/m 4支座: 正弯矩 0.00 kN*m,
负弯矩 0.00 kN*m,
剪力-166.23 kN,
上钢筋: 6f14, 实际面积: 923.63 mm2, 计算面积: 495.00 mm2
下钢筋: 6f14, 实际面积: 923.63 mm2, 计算面积: 495.00 mm2
裂缝 0.00mm
地基梁计算(二)
(取最大桩间距计算)
一、几何数据及计算参数
构件编号: LL-1
混凝土: C30 主筋: HRB400 箍筋: HRB400
纵筋合力点边距as(mm): 35.00 指定主筋强度:无
跨中弯矩调整系数: 1.00 支座弯矩调整系数: 1.00
(说明:弯矩调整系数只影响配筋)
自动计算梁自重:是
恒载系数: 1.20 活载系数: 1.40
二、荷载数据
荷载工况1 (恒载):
三、内力及配筋
1. 弯矩图
2. 剪力图
3. 截面内力及配筋
0支座: 正弯矩 0.00 kN*m,
负弯矩 0.00 kN*m,
剪力211.14 kN,
上钢筋: 6f14, 实际面积: 923.63 mm2, 计算面积: 495.00 mm2
下钢筋: 6f14, 实际面积: 923.63 mm2, 计算面积: 495.00 mm2
裂缝 0.00mm
1跨中: 正弯矩88.68 kN*m,
负弯矩 0.00 kN*m,
剪力-316.70 kN,
挠度 0.47mm(↓), 位置:跨中
裂缝 0.16mm
上钢筋: 6f14, 实际面积: 923.63 mm2, 计算面积: 495.00 mm2
下钢筋: 6f14, 实际面积: 923.63 mm2, 计算面积: 614.37 mm2
箍筋: f8@200(4),实际面积: 1005.31 mm2/m, 计算面积: 749.05 mm2/m 1支座: 正弯矩 0.00 kN*m, 位置: 0.00m
负弯矩110.85 kN*m, 位置: 0.00m
剪力左-316.70 kN, 位置: 2.10m
剪力右263.92 kN, 位置: 0.00m
上钢筋: 6f14, 实际面积: 923.63 mm2, 计算面积: 775.08 mm2
下钢筋: 6f14, 实际面积: 923.63 mm2, 计算面积: 495.00 mm2
裂缝 0.26mm
2跨中: 正弯矩27.71 kN*m, 位置: 1.05m
负弯矩 0.00 kN*m, 位置: 0.00m
剪力263.92 kN, 位置: 0.00m
挠度 0.32mm(↓), 位置:跨中
裂缝 0.02mm
上钢筋: 6f14, 实际面积: 923.63 mm2, 计算面积: 495.00 mm2
下钢筋: 6f14, 实际面积: 923.63 mm2, 计算面积: 495.00 mm2
箍筋: f8@200(4),实际面积: 1005.31 mm2/m, 计算面积: 749.05 mm2/m 2支座: 正弯矩 0.00 kN*m,
负弯矩110.85 kN*m,
剪力左-263.92 kN,
剪力右316.70 kN,
上钢筋: 6f14, 实际面积: 923.63 mm2, 计算面积: 775.08 mm2
下钢筋: 6f14, 实际面积: 923.63 mm2, 计算面积: 495.00 mm2
裂缝 0.26mm
3跨中: 正弯矩88.68 kN*m,
负弯矩 0.00 kN*m,
剪力316.70 kN,
挠度 0.47mm(↓), 位置:跨中
裂缝 0.16mm
上钢筋: 6f14, 实际面积: 923.63 mm2, 计算面积: 495.00 mm2
下钢筋: 6f14, 实际面积: 923.63 mm2, 计算面积: 614.37 mm2
箍筋: f8@200(4),实际面积: 1005.31 mm2/m, 计算面积: 749.05 mm2/m
3支座: 正弯矩 0.00 kN*m, 位置: 2.10m
负弯矩 0.00 kN*m, 位置: 2.10m
剪力-211.14 kN, 位置: 2.10m
上钢筋: 6f14, 实际面积: 923.63 mm2, 计算面积: 495.00 mm2
下钢筋: 6f14, 实际面积: 923.63 mm2, 计算面积: 495.00 mm2
裂缝 0.00mm。