吊篮检验报告
- 格式:docx
- 大小:50.46 KB
- 文档页数:5
高处作业吊篮检查评分表背景高处作业是一项高风险的工作,为了确保工作安全和工作质量,我们需要对吊篮进行定期检查。
本文将介绍一种检查吊篮的评分表,以便对吊篮的情况进行全面评估和改进。
评分表第一部分 - 设备1.吊篮的延长轨道是否损坏或变形?2.吊篮的安全扣具是否完好?3.吊篮的防护网是否完好?4.吊篮的复位装置是否正常?5.吊篮的紧急停机开关是否正常工作?评分标准: - 优秀:所有项均满足标准 - 良好:少于2项不满足标准 - 一般:2-3项不满足标准 - 差:4-5项不满足标准第二部分 - 操作1.操作人员是否经过培训?2.操作人员是否正确穿着安全防护装备?3.操作人员是否遵守操作规程?4.操作人员是否与地面人员进行有效沟通?5.操作人员是否定期接受安全培训?评分标准: - 优秀:所有项均满足标准 - 良好:少于2项不满足标准 - 一般:2-3项不满足标准 - 差:4-5项不满足标准第三部分 - 工作环境1.工作区域是否设置警示标志?2.工作区域是否清洁干净?3.工作区域是否有防护设施?4.工作区域是否有人员闲杂行为?5.工作区域是否有危险品?评分标准: - 优秀:所有项均满足标准 - 良好:少于2项不满足标准 - 一般:2-3项不满足标准 - 差:4-5项不满足标准第四部分 - 文件管理1.工作票是否齐全、准确、规范?2.工作票是否有签名、盖章、日期?3.工作票是否有前后关系?4.吊篮检验报告是否齐全、准确?5.吊篮管理制度是否齐全?评分标准: - 优秀:所有项均满足标准 - 良好:少于2项不满足标准 - 一般:2-3项不满足标准 - 差:4-5项不满足标准结论根据评分表的结果,我们可以发现吊篮存在的问题,针对问题进一步加强改进,以确保高处作业的安全和工作质量。
电动吊篮自检报告报告编号:2022-001报告名称:电动吊篮自检报告1. 项目背景电动吊篮是一种用于高空施工作业的装置,为了确保吊篮的使用安全和正常运行,进行定期的自检是必要的。
本报告旨在记录电动吊篮自检的结果和发现的问题,并提出相应的解决方案。
2. 自检内容2.1 人员安全:检查吊篮工作区域是否有明显障碍物,确认工作人员是否佩戴安全帽、安全绳等个人防护设备。
2.2 电气系统:检查电动吊篮的电气连接是否良好,电源线是否损坏,电源插座是否正常。
2.3 操控系统:检查吊篮的控制按钮、指示灯等是否正常工作,确认手动和自动操作是否正常。
2.4 装卸机构:检查吊篮的起升装置、平衡装置、安全锁等是否完好,是否有异常声音或震动。
2.5 安全绳:检查安全绳的连接是否牢固,是否有明显的损伤或磨损,确认吊篮是否正确使用安全绳。
2.6 运行轨道:检查吊篮的运行轨道是否干净平整,有无障碍物,轨道轮是否正常。
2.7 检查记录:记录各项自检内容的结果,包括异常情况的详细描述和发现时间。
3. 自检结果3.1 人员安全:所有工作人员均佩戴安全帽、安全绳等个人防护设备,区域内无明显障碍物。
3.2 电气系统:电源连接良好,电源线未发现损坏,电源插座正常。
3.3 操控系统:控制按钮、指示灯正常工作,手动和自动操作功能正常。
3.4 装卸机构:起升装置、平衡装置、安全锁完好,无异常声音或震动。
3.5 安全绳:安全绳连接牢固,无明显损伤或磨损,吊篮正确使用安全绳。
3.6 运行轨道:运行轨道干净平整,无障碍物,轨道轮正常运转。
3.7 检查记录:详细记录了各项自检内容的结果,包括异常情况的描述和发现时间。
4. 发现的问题及解决方案4.1 问题:电动吊篮控制按钮存在松动现象。
解决方案:拆卸控制按钮,检查紧固螺丝是否松动,如有松动,重新紧固。
4.2 问题:安全绳出现轻微磨损。
解决方案:更换磨损程度较轻的安全绳,并加强对安全绳的日常保养。
4.3 问题:吊篮起升装置存在异常声音。
电动吊篮自检报告一、引言电动吊篮是进行高空施工作业的重要设备,为确保施工安全,定期进行自检是必要且重要的。
本报告将对电动吊篮在本次自检中的情况进行详细说明。
二、外观检查1. 主梁:主梁表面无明显裂纹、变形或划痕,焊接部位均牢固且无松动现象。
2. 钢丝绳:钢丝绳无明显断裂、锈蚀或变形,固定端连接处良好,无松动。
3. 升降机构:升降机构运转正常,无异常声音,制动装置可靠。
4. 安全锁:安全锁装置完好,灵活可靠,无卡滞、断裂或脱落现象。
三、电气系统检查1. 电源插头:插头无损坏或变形,接触良好,无发热现象。
2. 控制箱:控制箱内部线路清晰、整齐,无接触不良或短路情况。
3. 限位开关:限位开关安装位置正确,与运动部件配合良好,可靠性高。
四、安全装置检查1. 安全绳:安全绳没有明显损伤、断裂或锈蚀,固定牢固,无松动。
2. 防坠器:防坠器安装位置正确,操作灵活,无异常声音或卡滞现象。
3. 地漏检测装置:地漏检测装置灵敏可靠,无误报或漏报情况。
五、操作系统检查1. 操纵台:操纵台按钮正常灵敏,显示屏幕无故障现象。
2. 紧急停止装置:紧急停止装置操作正常,能够迅速切断电源。
3. 手动备用系统:手动备用系统可靠灵活,能够正常切换。
4. 动力系统:电动吊篮电动机及传动系统正常运转,无明显异常声音或震动。
六、总结本次对电动吊篮进行自检,各项检查均符合要求,设备处于正常可使用状态。
但仍需定期进行检测和维护,以确保日常施工的安全性和稳定性。
七、附录1. 检查时间:XXXX年XX月XX日2. 检查人员:XXX3. 电动吊篮型号:XXX4. 电动吊篮编号:XXX以上为电动吊篮自检报告,旨在确认设备的运行状态和安全性,为今后的施工提供保障。
建议按照报告中的问题进行逐项检查,并做好相关维护工作,确保施工人员的安全和工作效率。
注:该报告仅供内部使用,未经许可禁止外传。
文件遍号:AHTJ/OD-QZ79-2012
65Z
报告编号:OQW4880-1503-11716
高处作业吊篮
委托检验报告
委托单位:
使用单位: 检验日期:2015年5月28日
检验单位:安徽省特种设备检测院
安徽省特种设备检测院
注意事项
1、本报告书适用高处吊篮委托检验报告。
2、报告书应由计算机打印输出,涂改无效。
3、本报告书无检验、审核、批准人员的签字和检验机构的检验专用章或者公章无效。
4、报告一式二份,由检验机构和使用单位分别保存。
5、受检单位对本报告结论如有异议,请在收到报告书之日起15个工作日内,向检验机构提出书面意见。
6、本报告对检验时的设备状况负责。
检验单位地址:安徽省合肥市包河工业区大连路45号
邮政编码:230051
联系电话:0626
高处作业吊篮委托检验报告
报告编号:OQW4880-1503-11716 共3页第1页
批准:审核:检验:
高处作业吊篮委托检验报告附页
报告编号:OQW4880-1503-11716 共3页第2页
高处作业吊篮委托检验报告附页
报告编号:OQW4880-1503-11716 共3页第3页。
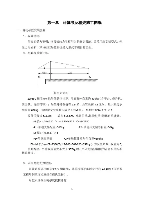
第一章计算书及相关施工图纸一、电动吊篮安装验算1.验算说明:吊架的受力说明:该吊架的力学模型为超静定系统,虽采用高支架型式,但受力形式和计算与标准吊篮搭设受力形式常规计算类似。
2.抗倾覆系数计算:ZLP630按照6m长吊篮蓝体计算,吊篮蓝体自重约410kg(含平台、提升机、安全锁、电控箱等);吊架外伸数值在1.5米、后臂长在4.6米时,最大额定承载重量630kg,抗倾覆安全系数应满足n=M抗/M倾=G•b / F•a >3按前吊臂长a=1.5m 后为b=4.6m,单臂吊重=按物料重+篮体自重计算。
M抗=(G1+G2)×b=(500+50)×4.6=2530G1=单边支架配重=500kg G2=单边后支架等自重=50kgM倾=(F1+F2)×aF1=吊篮载重量F2=单边篮体及附件自重=205kgF1= M抗/n/a-F2=2530/3/1.5-260=562-205=357kg (n为安全系数,取值为3)由此得出,吊篮载重最大不大于357kg时,吊架的抗倾翻能力符合相关标准规范要求。
3.钢丝绳的受力检验:吊篮系统采用的是Φ8.3钢丝绳,其单根最小破断拉力为41.4KN(依据本工程用钢丝绳检测报告提供数据)。
吊篮系统钢丝绳强度校核计算:ZLP630吊架外伸数值在1.5米、后臂长在4.6米时,经抗倾覆计算,在满足抗倾覆安全系数的情况下,本工程限定吊篮承载重量G限=350kg;悬吊平台按照最长的吊篮(6m吊篮)自重G自=410kg;工作钢丝绳每根55米*0.3kg/米=16.5kg;吊篮工作时通过两端提升机中的两根钢丝绳将载荷传递给两个支架的吊杆,工作时荷载为:单根钢丝绳工作荷载Q1=(G自+G额+G钢丝绳)*9.8/2=(0.41+0.35+0.0165*2)*9.8/2=3.88KN安全系数n=41.4KN/3.88KN=10.67﹥9经计算验证安全系数符合相关规范标准要求,所以钢丝绳满足使用安全要求。
电动吊篮检验报告1. 引言本文是一份关于电动吊篮检验的报告。
电动吊篮作为一种高空作业设备,广泛应用于建筑施工等行业。
为了确保电动吊篮的安全使用,本次检验旨在评估电动吊篮的各项性能指标,并对其进行必要的维护和修复。
2. 检验目的本次检验旨在验证电动吊篮是否符合国家标准和相关安全规范的要求,确保其在使用过程中的安全性和可靠性。
具体包括以下几个方面:2.1 结构检查检查电动吊篮的整体结构是否完好,包括钢丝绳、电动机、控制系统、平衡装置等组成部分。
2.2 功能检测测试电动吊篮的各项功能是否正常运作,如升降、前后移动、旋转等。
2.3 安全装置检验检验电动吊篮的安全装置是否齐全、可靠,如限位开关、急停按钮、防坠器等。
3. 检验方法本次检验采用以下方法进行:3.1 目视检查通过目视观察,对各部件进行外观检查,包括检查是否有明显的损坏、变形或磨损等情况。
3.2 功能测试对电动吊篮的各项功能进行测试,如升降测试、前后移动测试、旋转测试等。
3.3 安全装置测试通过模拟真实使用场景,测试电动吊篮的安全装置是否能够正常启动和运作,以确保在出现意外情况时能够及时停止作业。
4. 检验结果根据本次检验的过程和结果,整理出以下检验报告:4.1 结构检查经过目视检查,发现电动吊篮的钢丝绳有轻微磨损,但未达到需要更换的程度。
其余部件结构完好,无明显损坏。
4.2 功能检测经过功能测试,升降、前后移动和旋转功能均正常运作,没有明显异常。
4.3 安全装置检验安全装置测试结果显示,各项安全装置工作正常,能够在必要时及时启动并停止作业,保证操作人员的安全。
5. 建议和修复根据检验结果,提出以下建议和修复方案:5.1 钢丝绳维护建议对电动吊篮的钢丝绳进行维护,及时清洁和润滑,以延长其使用寿命。
5.2 定期检测建议定期进行电动吊篮的检测和维护,确保其长期安全稳定运行。
5.3 修复工作如发现任何故障或损坏,应及时进行修复工作,以确保电动吊篮的正常使用。
高处作业吊篮检查内容引用标准:GB19155—2003:高处作业吊篮GB/T5972—2009:起重机械用钢丝绳检验和报废实用规范一。
安全装置:(GB19155-2003第5。
4。
5)1. 安全锁:1)安全锁未设或残缺.2)安全锁超期使用或标牌标识不全.3)防倾安全锁无效或控制吊篮倾斜角超过8度。
2. 安全钢丝绳:(GB19155-2003第5.4。
6。
5、5。
4.6.6)1)安全钢丝绳未设.2)安全钢丝绳未独立于工作钢丝绳另行悬挂.3)安全钢丝绳有缺陷。
4)安全钢丝绳直径与使用说明书不符.5)安全钢丝绳绳端固定不规范或不可靠。
6)安全钢丝绳长度不够。
7)安全钢丝绳张紧装置未设置或不合理。
3. 上行程限位装置:(GB19155—2003第5.2。
3)1)上行程限位装置或挡块未设。
2)上行程限位装置或挡块不全。
3)上行程限位装置变形、破损.开关与挡块错位.4)上行程限位装置或挡块固定不可靠。
5)上行程挡块未设或不全。
6)上行程限位装置无效。
4。
安全绳:1)安全绳未设.2)安全绳破损。
3)安全绳固定不牢固.4)安全绳缺防护措施。
5)安全绳与他物有干涉。
6)安全绳长度不够.7)安全绳数量不够。
5。
手动下降:(GB19155-2003第5.2.7)1)手动下降无效。
2)手动下降手柄未设或残缺。
6。
制动器:(GB19155—2003第5.2。
2)1)制动器制动不可靠。
2)制动器制动距离过大。
二。
金属钢结构:1. 主要结构件:(悬挂机构、悬吊平台、提升机架)(GB19155—2003第5.2。
11)1)有可见裂纹。
2)有明显变形或破损。
3)有严重锈蚀.4)非出厂原配结构件。
2。
主要连接螺栓:(GB19155-2003第5.2.10)1)主要连接螺栓不全。
2)重要连接螺栓无性能标记。
3)主要连接螺栓长度不够。
4)主要连接螺栓缺防松措施.5)主要连接螺栓松动。
3. 主要连接销轴:1)主要连接销轴非原配.2)主要连接销轴无轴向定位措施。
吊篮自检报告范文一、背景信息吊篮作为高空作业的主要设备之一,用于在建筑物外墙进行维护、装修等作业。
为了确保吊篮的安全使用,每隔一段时间需要进行自检,以确保其工作状态良好,无任何安全隐患。
二、自检内容本次吊篮自检包括以下内容:1.结构检查:检查吊篮上下部分的钢丝绳、减速器、传动桥架等关键部件是否完整,是否有裂纹、锈蚀等缺陷。
2.电气部分检查:检查电缆是否完好无损,连接是否牢固,电源线是否漏电等。
3.安全保护装置:检查吊篮的安全保护装置是否完好,包括安全锁、限位器、过载保护装置等。
4.操作设备:检查操作台是否正常工作,按钮开关是否灵敏可靠,紧急制动器是否灵活。
5.外部设备:检查外围配件是否正常,如遮阳罩、护栏等是否完整、牢固。
三、自检过程1.结构检查:a.检查吊篮钢丝绳:检查吊篮的钢丝绳是否有磨损、断裂现象,是否需要进行更换。
b.检查减速器:检查减速器的工作状态,如有异响或不正常工作现象需检修或更换。
c.检查传动桥架:检查传动桥架的润滑情况,添加或更换润滑油。
2.电气部分检查:a.检查电缆完整性:检查电缆的外皮是否有破损,是否需要进行更换或修补。
b.检查连接牢固性:检查电缆连接头、插头等连接是否松动,如有问题需重新连接。
c.检查电源线是否漏电:使用电压表等工具检测电源线是否有漏电现象,如有需进行维修。
3.安全保护装置检查:a.检查安全锁:检查安全锁的工作状态,如有异常需检修或更换。
b.检查限位器:检查限位器是否灵敏可靠,是否能准确控制吊篮的上下运动。
c.检查过载保护装置:检查过载保护装置是否灵敏可靠,能否在超载时及时停止吊篮的运行。
4.操作设备检查:a.检查操作台:检查操作台上按钮、开关等是否灵敏可靠,如有损坏需及时更换。
b.检查紧急制动器:检查紧急制动器的工作状态,保证在紧急情况下能够及时停止吊篮的运行。
5.外部设备检查:a.检查遮阳罩:检查遮阳罩是否完好无损,能否有效遮阳。
b.检查护栏:检查护栏的稳定性,是否能有效防止坠落事故的发生。
监理单位吊篮验收报告一、工程概况:x项目座落于x市国家旅游度假区内,滇池路六公里西贡码头前段迎海路旁,西临海艺花园小区,东临x别墅群,南临国宾馆,所处地理位置优越,交通方便。
以高原湖泊滇池为依托,西山睡美人为屏障,依山旁水,拥有满面苍翠的自然景观和清新的空气,项目建筑造型独特,具有西方式建筑特色和风格,就是涌入购物、消闲、娱乐为一体的综合商业区。
本工程规划许可证号:昆规建证(20xx)04x号和(20xx)0x号;施工许可证号:度建字20x第x号;施工图审查批准号昆施审hj 20x-0x,其总建筑面积为xx平方米。
共x个单位工程,建筑功能为商铺,建筑最高17.45m。
基础为静压预制管桩上独立承台基础,地梁连通,全钢筋混凝土现浇框架结构,抗八度地震设防。
工程于20xx年x月x日开工,20xx年xx月xx日提交验收。
二、该项目工程顺利完成简况:根据参建各方合同约定的内容,工程设计、施工等均按要求的项目完成任务,达到合同的质量等级要求,在本工程设计、施工过程中,严格执行各项法律、法规、规范及云南省x市有关规定。
本工程地下土质土层复杂,属于软土地基,工程造型独特、美观,跨度大,施工工序复杂,质量要求高,施工单位编制了有针对性的施工组织设计和分部施工方案。
施工技术、质量保证资料、施工管理及建筑材料、构配件和设备的出厂检验报告等档案资料齐全有效。
根据各方合同约定的内容,审查完成情况如下:1、顺利完成设计项目情况:基础、主体、室内外装饰工程;给排水工程、消防工程;建筑电气加装工程;电梯加装工程;室外工程;小区市政道路工程。
经审查基础工程合格、主体工程合格、室内外装饰工程合格、屋面工程合格;给排水工程合格;建筑电气工程合格。
2、完成合同约定情况:总承包合同约定、分包合同约定、专业承包合同约定经审查已按照合同(约定内容完成。
3、技术档案和施工管理资料:经审查建设前期、施工图设计审查等技术档案齐全;监理技术档案和管理资料齐全;施工技术档案和管理资料齐全。
吊篮检验报告
Document number:WTWYT-WYWY-BTGTT-YTTYU-2018GT
文件遍号:A H T J/O D-Q Z79-201 2
报告编号:OQW4880-1503-11716
高处作业吊篮
委托检验报告
委托单位:
使用单位:
检验日期:2015年5月28日
检验单位:安徽省特种设备检测院
安徽省特种设备检测院
注意事项
1、本报告书适用高处吊篮委托检验报告。
2、报告书应由计算机打印输出,涂改无效。
3、本报告书无检验、审核、批准人员的签字和检验机构的检验专用章或者公章无效。
4、报告一式二份,由检验机构和使用单位分别保存。
5、受检单位对本报告结论如有异议,请在收到报告书之日起15个工作日内,向检验机构提出书面意见。
6、本报告对检验时的设备状况负责。
检验单位地址:安徽省合肥市包河工业区大连路45号
邮政编码:230051
高处作业吊篮委托检验报告
报告编号:OQW4880-1503-11716 共3页第1页
批准:审核:检验:
高处作业吊篮委托检验报告附页
报告编号:OQW4880-1503-11716
高处作业吊篮委托检验报告附页报告编号:OQW4880-1503-11716 共3页第3页。