HH15(QSA)系列隔离开关熔断器组
- 格式:doc
- 大小:97.50 KB
- 文档页数:3
u 概述HH15(QSA)系列隔离开关熔断器组主要用于有高短路电流的配电电路和电动机电路中,作为手动 不频繁操作的开关、隔离开关和应急开关,并作电路保护之用。
开关可直接开闭电动机等高电感负载,特别适用于抽屉式开关柜成套装置中使用。
本系列开关由刀型静触头、滚动动触头及灭弧装置组成的接触系统均组装在由耐弧工程塑料制成的封闭底座内,能达到零飞弧。
操作机构由具有弹簧储能的连杆传动机构构成,靠弹簧力完成开关的分、合,使开关动作无关人力操作。
手柄由操作手柄和传动轴等构成,属旋转操作方式。
当手柄旋转操作时,使操作机构弹簧储能,靠储能的弹簧力释放带动动触头与静触头形成合、分两种状态,从而达到开关分合主电路的目的。
本开关的上部可装一个或二个辅助开关,每个辅助开关有一对电器上分开的常开触头和常闭触头,能使控制回路明确指示开关主电路的通断情况。
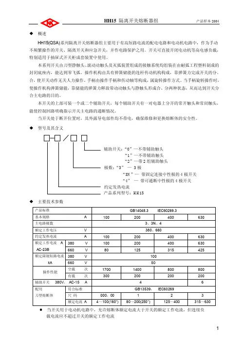
u 主要技术参数产品标准GB14048.3 IEC60269.3 基本规格 A 100200400630主电路极数 3、3N 、4 额定工作电压 V 380、660约定发热电流 A 100 200 400 630 380 V 100 200 400 630 额定工作电流 A AC-23B660 V80125315425380 V100 额定限制短路电流 kA 660 V 50空载 次 1700 1400 800 800 操作性能有载 次300200 200200 辅助开关 380V , AC-15 A 46符合标准 GB13539, IEC60269尺 码 000,00 1 2 3 配用 刀型熔断体额定电流 A4~100(160*)80~200(250*)125~400315~630l当开关用于电动机电路中,允许熔断体额定电流大于开关的额定工作电流,但连续负u产品外貌。
电容补偿柜原理介绍以及特点(附加原理图)来源:电⼯维修学习1、电⼒电容器的补偿原理电容器在原理上相当于产⽣容性⽆功电流的发电机。
其⽆功补偿的原理是把具有容性功率负荷的装置和感性功率负荷并联在同⼀电容器上,能量在两种负荷间相互转换。
这样,电⽹中的变压器和输电线路的负荷降低,从⽽输出有功能⼒增加。
在输出⼀定有功功率的情况下,供电系统的损耗降低。
⽐较起来电容器是减轻变压器、供电系统和⼯业配电负荷的简便、经济的⽅法。
因此,电容器作为电⼒系统的⽆功补偿势在必⾏。
当前,采⽤并联电容器作为⽆功补偿装置已经⾮常普遍。
2、电⼒电容器补偿的特点2.1、优点电⼒电容器⽆功补偿装置具有安装⽅便,安装地点增减⽅便;有功损耗⼩(仅为额定容量的0.4 %左右);建设周期短;投资⼩;⽆旋转部件,运⾏维护简便;个别电容器组损坏,不影响整个电容器组运⾏等优点。
2.2、缺点电⼒电容器⽆功补偿装置的缺点有:只能进⾏有级调节,不能进⾏平滑调节;通风不良,⼀旦电容器运⾏温度⾼于70 ℃时,易发⽣膨胀爆炸;电压特性不好,对短路稳定性差,切除后有残余电荷;⽆功补偿精度低,易影响补偿效果;补偿电容器的运⾏管理困难及电容器安全运⾏的问题未受到重视等。
以上是对电容柜的特点和知识简介下⾯是详细解说关于电容补偿柜的⼀些知识低压电容补偿柜也叫低压⽆功补偿装置MSCGD,⼯作原理是根据电⽹向⽤电设备提供的负载电流由有功电流和⽆功电流两部分组成,⽆功电流在电源和负载之间往复交换,⼤⼤占⽤电⽹,使供电设备的供电能⼒⼤⼤降低,使功率因数降低。
就是⽤装置产⽣的容性⽆功电流快速、准确地跟踪抵消电⽹中的感性⽆功电流,从⽽提⾼功率因数,保证⽤电质量,提⾼供电设备的供电能⼒,并减⼩电路中的损耗。
⼀般来说,低压电容补偿柜由柜壳、母线、断路器、隔离开关,热继电器、接触器、避雷器、电容器、电抗器、⼀、⼆次导线、端⼦排、功率因数⾃动补偿控制装置、盘⾯仪表等组成。
电容器柜功能及其结构电容器补偿柜的作⽤电容补偿柜的作⽤是提⾼负载功率因数,降低⽆功功率,提⾼供电设备的效率;电容柜是否正常⼯作可通过功率因数表的读数判断,功率因数表读数如果在0.9左右可视为⼯作正常。
一、适用范围HH15(QSA)系列隔离开关熔断器组,HH15A(QA)、HH15P (QP)系列隔离开关,HH15S(QSS)、HH15AS(QAS)、HH15PS (QPS)系列双投转换开关(以下简称开关),主要适用于具有高短路电流的配电电路和电动机电路中,作为手动不频繁操作的主开关或总开关。
当中QSA系列开关可作电路短路保护之用。
开关符合GB14048.3、IEC60947-3标准,广泛用于较高级的抽屉式低压成套装置中。
二、正常工作条件1、周围空气温度不高于+40℃,不低于-5℃,24h内的平均温度不超过+35℃。
2、安装地点的海拔不超过2000m。
3、在周围空气温度为+40℃时相对湿度不超过50%,在较低的温度下有较高的相对湿度,例如+20℃时相对湿度可达90%,并考虑到因温度变化发生在产品表面上的凝露。
4、周围环境的污染等级为3级。
5 、安装类别为Ⅲ、Ⅳ类。
三、开关型号及含义HH15 □□ - □ / □□辅助开关数量:0:无辅助开关1:带1个辅助开关2 :带2个辅助开关极数:2、3、4、3N约定发热电流类别号:无字母:单投S:双投类组号:无字母:隔离开关熔断器组A、P:隔离开关隔离开关熔断器组注:4极(即3极+可通断中性极)、3N(即3极+无分断中性极)表1:HH15(QSA)系列隔离开关熔断器组的主要参数约定自由空气发热电流Ith(A)额定工作电流Ie(A)额定限制短路电流(kA r.m.s)机械寿命(次)电寿命(次)选 用熔断体操作力矩(N ·m) 质量(kg 不含手柄)380V/AC-23B 660V/AC-22B 380V/AC-23B 660V/AC-22B636363501700300NT00-63NT00-125NT00-100NT00-160NT1-250NT2-400NT2-315NT3-630NT3-425NT3-800NT3-500125125100501400200160160160501400200250250250501400200400400315508002006306304255080020080080050050500100NT1-250NT00-160NT00-637.516301.74.14.54.714.014.51.6表2:HH15A(QA)系列隔离开关的主要参数约定自由空气发热电流Ith(A)额定工作电流Ie(A)380V/AC-23B660V/AC-21B 660V/AC-22B机械寿命(次)电寿命(次)操作力矩(N ·m)质量(kg 不含手柄)额定短路接通能力(kA )额定短时耐受电流(kA r.m.s)12512512512520414002007.5161.520020020016020414002001.640040040031550158002004.163063063042550158002004.310001000100063050155001003011.7表3:HH15P(QP)系列隔离开关的主要参数约定自由空气发热电流Ith(A)额定工作电流Ie(A)380V/AC-23B660V/AC-21B 660V/AC-22B机械寿命(次)电寿命(次)操作力矩(N ·m)质量(kg 不含手柄)额定短路接通能力(kA)额定短时耐受电流(kA r.m.s)25025025025039814002007.51.963063063063060328002005.010001000100063060325001005.4125012501250800855050010014.0160016001500800855050010014.5250025002500/130********49.0315031502500/130********52.5703016六、开关外形与安装尺寸1、HH15(QSA)-63~800A 的外形与安装尺寸(见图1-3、表4)图1:HH15(QSA)-63、125A(3N 和4极开关在3极开关的基础上增加图中所示虚线部分)图2:HH15(QSA)-160、250、400A(3N 与4极开关在3极开关的基础上增加图中所示虚线部分)图3:HH15(QSA)-630、800A(3N 开关在3极开关的基础上增加图中所示虚线部分)表4:HH15(QSA)-63~800A 的外形与安装尺寸产品型号HH15(QSA)-63/2HH15(QSA)-63/3外 形 尺 寸安 装 尺 寸端 子 尺 寸ABCDEFLRS T X 1201551001689813390 6.5238-2801262M5M52612238-2806.590168100续表4:HH15(QSA)-630~800A 的外形与安装尺寸产品型号HH15(QSA)-125/2HH15(QSA)-125/3HH15(QSA)-160/2HH15(QSA)-160/3HH15(QSA)-250/2HH15(QSA)-250/3HH15(QSA)-400/2HH15(QSA)-400/3HH15(QSA)-630/2HH15(QSA)-630/3HH15(QSA)-800/2HH15(QSA)-800/3外 形 尺 寸安 装 尺 寸ABCDEF12015518724019524819524825634425634498133100100100100100100226314226314238-280238-280320-370320-370320-370320-370320-370320-370335-380335-380335-380335-3806.56.57.07.07.07.07.07.09.09.09.09.090901281281281281281282142142142141681681901902102102102102532532532531161161461461601601601602702703503502、HH15(QA)-125~1000A 的外形与安装尺寸(见图4-6、表5)图4:HH15A(QA)-125、200A(3N 与4极开关在3极开关的基础上增加图中所示虚线部分)端 子 尺 寸LRST X M6M6M8M8M10M10M10M10M12M122-M122-M123344446666667.57.5101012.512.512.512.5202020/4020/40151520202525252540405050图5:HH15A(QA)-400、630A(3N 与4极开关在3极开关的基础上增加图中所示虚线部分)图6:HH15A(QA)-1000A(3N 开关在3极开关的基础上增加图中所示虚线部分)表5:HH15A(QA)-125~1000A 的外形与安装尺寸产品型号HH15A(QA)-125/2HH15A(QA)-125/3外 形 尺 寸安 装 尺 寸端 子 尺 寸ABCDEFLRST X 1201551161161309813390 6.5238-280157.53M6M637.515238-2806.513090续表5:HH15A(QA)-125~1000A 的外形与安装尺寸表6:HH15P(QP)-250~1600A 的外形与安装尺寸3、HH15P(QP)-250~3150A 的外形与安装尺寸(见图7-10、表6、7)产品型号HH15A(QA)-200/2HH15A(QA)-200/3HH15A(QA)-400/2HH15A(QA)-400/3HH15A(QA)-630/2HH15A(QA)-630/3HH15A(QA)-1000/2HH15A(QA)-1000/3外 形 尺 寸安 装 尺 寸端 子 尺 寸ABCDEFLRS T X 12015518724018724025634412812816016017017027027098133100100100100226314M8M8M10M10M10M10M12M1233446666101012.512.5151520202020252530304040238-280238-280320-370320-370320-370320-370335-380335-3806.56.57.07.07.07.09.09.01301301521521521521901909090128128128128214214产品型号HH15P(QP)-250/2HH15P(QP)-250/3HH15P(QP)-630/2HH15P(QP)-630/3HH15P(QP)-1000/2HH15P(QP)-1000/3HH15P(QP)-1250/2HH15P(QP)-1250/3HH15P(QP)-1600/2HH15P(QP)-1600/3外 形 尺 寸安 装 尺 寸端 子 尺 寸ABCDEFLRSTX 12015518724018724025634425634414214217017022022035035035035098133100100100100226314226314M10M10M10M10M12M122-M122-M122-M122-M124455661010101012.512.5151520202020202025253030404040405050238-280238-280320-370320-370320-370320-370335-380335-380335-380335-3806.56.57.07.07.07.09.09.09.09.01301301521521521521901901901909090128128128128214214214214产品型号HH15P(QP)-2500/3外 形 尺 寸安 装 尺 寸端 子 尺 寸ABCDEFLYT1T23903903683688101214226230505-550505-5509.09.0142142360360416424HH15P(QP)-3150/3表7:HH15P(QP)-2500、3150A 的外形与安装尺寸图7:HH15P(QP)-250A(3N 与4极开关在3极开关的基础上增加图中所示虚线部分)图8:HH15P(QP)-630、1000A(3N 与4极开关在3极开关的基础上增加图中所示虚线部分)图9:HH15P(QP)-1250、1600A(3N 开关在3极开关的基础上增加图中所示虚线部分)图10:HH15P(QP)-2500、3150A4、双投转换开关由两台相应的单投开关在底板上左右并排组装而成,其外形与安装尺寸见图11、表85、面板开孔尺寸(见图12)表8:双投转换开关的外形与安装尺寸图11:双投转换开关图12:面板开孔尺寸产 品 型 号外 形 尺 寸安 装 尺 寸A430630950170190263192242254BCD385588908118128180999EFL220-280300-380400-480QSS-63.125;QAS-125.200;QPS-250QSS-160.250.400;QAS-400.630;QPS-630.1000QSS-630.800;QAS-1000;QPS-1250~3150七、安装与调整1、安装深度安装深度指安装板(脚)至面板表面的距离,安装尺寸中“L”为开关出厂时正常给定的安装深度,若用户要求“L”以外的安装深度时,请在订货时说明。
hh15刀熔开关工作原理
HH15刀熔开关(也称为熔断器)是一种常见的电气保护装置,用于保护电路免受电流过载或短路的损害。
其工作原理如下:
1. 熔断器的主要组成部分是熔断器芯,其材料一般为低熔点合金。
熔断器芯的截面积较小,使得通过熔断器芯的电流较大时产生的热量能使合金熔化,从而断开电路。
2. 当电流超过熔断器芯所能承受的额定电流时,熔断器芯内部的温度会上升。
合金的熔化温度一般低于母线电流进入熔断器芯内部时产生的温度。
3. 一旦内部温度超过了合金的熔化温度,熔断器芯中的合金便会迅速熔化,形成电弧。
电弧的产生会导致电路中的电阻增加,从而限制电流流过。
4. 同时,电弧也会切断电路,阻止电流继续流动。
电弧在熔断器芯中的断开距离较短,因此能较快地将电流切断。
5. 在电流断开后,熔断器芯中的电弧熄灭,电路断开。
如果需要恢复电路通电,需更换损坏的熔断器芯。
总之,HH15刀熔开关通过使用低熔点合金,在发生电流过载
或短路时熔断芯内部产生电弧,将电路切断,以保护电路和设备的安全运行。
HH15P400S 隔离开关HH15P(QP)-400A手柄套56 0 HH15AS1000S 隔离开关HH15(QAS)-1000A手柄套165 0 HH15160SZ 隔离开关HH15(QSA)-160A~400A手柄(只) 只30 0 HH15A160 隔离开关HH15A(QA)-160A 只400 12 HH15P400 隔离开关HH15P(QP)-400A 只750 2 HH15S63 隔离开关HH15S(QSS)-63 只1580 1 HH15PS2500 隔离开关HH15PS(QPS)-2500 只13610 1 HH15800 隔离开关HH15(QSA)-800A 只1850 1 HH15400 隔离开关HH15(QSA)-400A 只795 2 HH15A400 隔离开关HH15A(QA)-400A 只765 2 HH15P1600 隔离开关HH15P(QP)-1600A 只2318 1 HH15S250 隔离开关HH15S(QSS)-250 只2560 1 HH15PS1000 隔离开关HH15PS(QPS)-1000 只2760 1 HH15630SZ 隔离开关HH15(QSA)-630A-800A手柄(只) 只60 0 HH1516031S 隔离开关HH15(QSA)-160A/31 只705 0 HH15A400S 隔离开关HH15A(QA)-400手柄套50 0 HH15A40031 隔离开关HH15A(QA)-400A/31 只795 0 HH15125 隔离开关HH15(QSA)-125A 只390 4 HH15A125S 隔离开关HH15A(QA)-125A-200A手柄套40 0 HH156304 隔离开关HH15(QSA)-630A/4P 只1690 0 HH151604 隔离开关HH15(QSA)-160A/4P 只755 0 HH15125S 隔离开关HH15(QSA)-63A~125A手柄套40 0 HH15P1600S 隔离开关HH15P(QP)-1600A手柄套165 0 HH15PS400 隔离开关HH15PS(QPS)-400 只2300 1 HH15250 隔离开关HH15(QSA)-250A 只735 2 HH152504 隔离开关HH15(QSA)-250A/4P 只815 2 HH154004 隔离开关HH15(QSA)-400A/4P 只875 0 HH15A630 隔离开关HH15A(QA)-630A 只805 1 HH15P1000 隔离开关HH15P(QP)-1000A 只970 1HH15S800 隔离开关HH15S(QSS)-800 只5500 1 HH15A100031 隔离开关HH15A(QA)-1000A/31 只1700 0 HH15P125032 隔离开关HH15P(QP)-1250A/32 只2032 0 HH15PS10004 隔离开关HH15PS(QPS)-1000/4P 只2920 0 HH15A600S 隔离开关HH15A(QA)-600/1000手柄套60 0 HH156331J 隔离开关HH15(QSA)-63A/31(方轴加长150) 只420 0 HH15A12521 隔离开关HH15A(QA)-125A/21 只430 0 HH15A400A4 隔离开关HH15A(QA)-400A/4 只845 0 HH15P100032 隔离开关HH15P(QP)-1000A/32 只1030 0 HH15A2004 隔离开关HH15A(QA)-200A/4 只480 0 HH15A630A4 隔离开关HH15A(QA)-630A/4 只885 0 HH15P2504 隔离开关HH15P(QP)-250A/4P 只490 0 HH15P630L 隔离开关HH15P(QP)-630A铝头只60 0 HH1540032S 隔离开关HH15(QSA)-400A/32 只855 0 HH15A2504 隔离开关HH15A(QA)-250A/4 只845 0 HH15S160 隔离开关HH15S(QSS)-160 只2510 1 HH15630LG 隔离开关HH15(QSA)-630A联杆只28 0 HH15P6304 隔离开关HH15P(QP)-630A/4P 只830 1 HH15S125 隔离开关HH15S(QSS)-125 只1620 1 HH15AS1000 隔离开关HH15AS(QAS)-1000 只4130 1 HH15PS3150 隔离开关HH15PS(QPS)-3150 只14760 1 HH15400FZ 辅助开关HH15-125/400 辅助开关只30 0 HH1512521 隔离开关HH15(QSA)-125A/21 只420 0 HH156331 隔离开关HH15(QSA)-63A/31 只400 0 HH15P12504 隔离开关HH15P(QP)-1250A/4 只2022 0 HH1540031S 隔离开关HH15(QSA)-400A/31 只825 0 HH15250N 隔离开关HH15(QSA)-250A/3N 只815 0 HH15P16004 隔离开关HH15P(QP)-1600A/4 只2418 0 HH15P10004 隔离开关HH15P(QP)-1000A/4P 只1050 0HH15634 隔离开关HH15(QSA)-63A/4P 只450 4 HH15A125 隔离开关HH15A(QA)-125A 只400 12 HH15P250S 隔离开关HH15P(QP)-250A手柄套40 0 HH15P2500S 隔离开关HH15P(QP)-2500A手柄套165 0 HH15PS1600 隔离开关HH15PS(QPS)-1600 只6198 1 HH15A1604G 隔离开关HH15A(QA)-160/4(柜内式) 只490 0 HH15PS1250S 手柄HH15PS(QPS)-1250~3150A手柄只200 0 HH1512531 隔离开关HH15(QSA)-125A/31 只420 0 HH15125N 隔离开关HH15(QSA)-125A/3N 只460 0 HH15A2003N 隔离开关HH15A(QA)-200A/3N 只480 0 HH15AS1254 隔离开关HH15AS(QAS)-125/4P 只1690 0 HH15PS125031 隔离开关HH15PS(QPS)-1250/31 只4560 0 HH15PS100031 隔离开关HH15PS(QPS)-1000/31 只2820 0 HH15PS16004 隔离开关HH15PS(QPS)-1600/4P 只6398 0 HH15A1604 隔离开关HH15A(QA)-160A/4 只480 0 HH15A1603N 隔离开关HH15A(QA)-160A/3N 只480 0 HH15S1252 隔离开关HH15S(QSS)-125/2 只1620 0 HH15PS6303P 隔离开关HH15PS(QPS)-630/3P+N 只2515 0 HH15630G 隔离开关HH15(QSA)-630A(隔弧板) 片10 0 HH15630S 隔离开关HH15(QSA)-630A-800A手柄套80 0 HH15160L 隔离开关HH15(QSA)-160~400A铝头只40 0 HH1512541 隔离开关HH15(QSA)-125A/41 只500 0 HH1525031S 隔离开关HH15(QSA)-250A/31 只765 0 HH1563032 隔离开关HH15(QSA)-630A/32 只1700 0 HH15400N 隔离开关HH15(QSA)-400A/3N 只875 0 HH1560041 隔离开关HH15(QSA)-630A/41 只1740 0 HH15A250 隔离开关HH15A(QA)-250A 只765 0 HH15P63031 隔离开关HH15P(QP)-630A/31 只780 0 HH15P250031 隔离开关HH15P(QP)-2500A/31 只6330 0HH15800J 隔离开关HH15(QSA)-800A(手柄长370) 只1870 0 HH1563N 隔离开关HH15(QSA)-63A/3N 只450 0 HH15160N 隔离开关HH15(QSA)-160A/3N 只755 0 HH15A4003N 隔离开关HH15A(QA)-400A/3N 只845 0 HH15P40031 隔离开关HH15P(QP)-400A/31 只780 0 HH15P315031 隔离开关HH15P(QP)-3150A/31 只8080 0 HH1540041 隔离开关HH15(QSA)-400A/41 只905 0 HH15250B 隔离开关HH15(QSA)-250A(不带机构) 只675 0 HH15P25031 隔离开关HH15P(QP)-250A/31 只440 0 HH15P630S 隔离开关HH15P(QP)-630A手柄套60 0 HH15P100031 隔离开关HH15P(QP)-1000A/31 只1000 0 HH15PS6304 隔离开关HH15PS(QPS)-630/4P 只2515 0 HH1563 隔离开关HH15(QSA)-63A 只370 4 HH15P630 隔离开关HH15P(QP)-630A 只750 2 HH15S400 隔离开关HH15S(QSS)-400 只2640 1 HH15AS160 隔离开关HH15AS(QAS)-160 只1532 1 HH15AS400 隔离开关HH15AS(QAS)-400 只2290 1 HH15PS1250 隔离开关HH15PS(QPS)-1250 只4500 1 HH15AS1604 隔离开关HH15AS(QAS)-160/4 只1690 0 HH15PS40031 隔离开关HH15PS(QPS)-400/31 只2360 0 NT41000H 熔断器NT4-1000A(配:HH15/1000A) 只160 0 HH15A20031 隔离开关HH15A(QA)-200A/31 只430 0 HH15P160032 隔离开关HH15P(QP)-1600A/32 只2418 0 HH15P4004 隔离开关HH15P(QP)-400/4P 只830 0 HH15P40032 隔离开关HH15P(QP)-400A/32 只830 0 HH151000SB 手柄手柄加连杆HH15(QSA)-1000A 套100 0 HH15P250SZ 隔离开关HH15P(QP)-250A手柄(只) 只25 0 HH15PS25042 隔离开关HH15PS(QPS)-250/42 只1756 0 HH15125FZCT 辅助触头HH15(QSA)-125 辅助触头只63 0HH158004 隔离开关HH15(QSA)-800A/4P 只2073 0 HH15P63032 隔离开关HH15P(QP)-630A/32 只830 0 HH15P1600SZ 隔离开关HH15P(QP)-1600A手柄(只) 只60 0 HH1563A 辅助触头HH15(QSA)-63A 辅助触头只40 0 HH151254 隔离开关HH15(QSA)-125A/4P 只460 4 HH15A200 隔离开关HH15A(QA)-200A 只400 12 HH15S630 隔离开关HH15S(QSS)-630 只4800 1 HH15PS630 隔离开关HH15PS(QPS)-630 只2355 1 HH1563LT 隔离开关HH15(QSA)-63~125A铝头只28 0 HH15400G 隔离开关HH15(QSA)-400A(隔弧板) 片9 0 HH15PS25004 隔离开关HH15PS(QPS)-2500/4P 只13830 0 HH15A63031 隔离开关HH15A(QA)-630A/31 只835 0 NT3800 熔断器NT3-800A(配:HH15/800A) 条78 0 HH15PS10003N 隔离开关HH15PS(QPS)-1000/3N 只2920 0 HH1580031 隔离开关HH15(QSA)-800A/31 只1902.05 0 HH15160S 隔离开关HH15(QSA)-160A~400A手柄套50 0 HH15P1000SZ 隔离开关HH15P(QP)-1000A手柄(只) 只45 0 HH156303N 隔离开关HH15(QSA)-630A/3N 只1546.82 0 HH1563031 隔离开关HH15(QSA)-630A/31 只1650 0 HH15630 隔离开关HH15(QSA)-630A 只1600 1 HH15P1250S 隔离开关HH15P(QP)-1250A手柄套165 0 HH15P1250L 隔离开关HH15P(QP)-1250A 联杆只45 0 HH15A10004 隔离开关HH15A(QA)-1000A/4 只1740 0 HH15P6303N 隔离开关HH15P(QP)-630/3N 只830 0 HH1563L 隔离开关HH15(QSA)-63A 联杆只20 0 HH15A4002 隔离开关HH15A(QA)-400A/2 只765 0 HH15A12531 隔离开关HH15A(QA)-125A/31 只430 0 HH15P1250 隔离开关HH15P(QP)-1250A 只1932 1 HH15AS125 隔离开关HH15AS(QAS)-125 只1530 1HH15PS31504 隔离开关HH15PS(QPS)-3150/4P 只14980 0 HH15P630SZ 隔离开关HH15P(QP)-630A手柄(只) 只45 0 HH15AS4004 隔离开关HH15AS(QAS)-400/4 只2450 0 HH15PS400S 手柄HH15PS(QPS)-400~1000A手柄只80 0 HH15a1254 隔离开关HH15A(QA)-125A/4 只480 0 HH15A125FZ 辅助开关HH15A-125A 辅助只30 0 HH15P250 隔离开关HH15P(QP)-250A 只410 12 HH15PS250 隔离开关HH15PS(QPS)-250 只1535 1 HH15160 隔离开关HH15(QSA)-160A 只675 2 HH15P3150 隔离开关HH15P(QP)-3150A 只7980 1 HH156332 隔离开关HH15(QSA)-63A/32 只430 0 HH15A10003N 隔离开关HH15A(QA)-1000A/3N 只1740 0 HH15P3150S 隔离开关HH15P(QP)-3150A手柄套165 0 HH15S125AS 隔离开关HH15S(QSS)-125A手柄只56 0 HH15P1250SZ 隔离开关HH15P(QP)-1250A手柄(只) 只60 0 HH15P2500SZ 隔离开关HH15P(QP)-2500A手柄(只) 只160 0 HH15630FZ 辅助开关HH15-630 辅助开关只50 0 HH1525041 隔离开关HH15(QSA)-250A/41 只845 0 HH15P2500 隔离开关HH15P(QP)-2500A 只6230 1 HH158003N 隔离开关HH15(QSA)-800A/3N 只1940 0 HH15PS63031 隔离开关HH15PS(QPS)-630/31 只2415 0 HH15125SZ 隔离开关HH15(QSA)-63A~125A手柄(只) 只25 0 HH15630J 隔离开关HH15(QSA)-630A(方轴加长) 只1620 0 HH15a1253N 隔离开关HH15A(QA)-125A/3N 只480 0 HH15P160031 隔离开关HH15P(QP)-1600A/31 只2368 0 HH15P1000S 隔离开关HH15P(QP)-1000A手柄套165 0 HH15S632 隔离开关HH15S(QSS)-63/2 只1580 0 HH1510004 隔离开关HH15(QSA)-1000A/4P 只7207 0 HH15400J 隔离开关HH15(QSA)-400A(方轴加长) 只739 0HH15AS630 隔离开关HH15AS(QAS)-630 只2376 1 HH151000 隔离开关HH15(QSA)-1000A 只5800 0 HH15S1254 隔离开关HH15S(QSS)-125/4 只1780 0 HH15250L 隔离开关HH15(QSA)-250A 联杆只20 0 HH15A1000 隔离开关HH15A(QA)-1000A 只1650 1 HH15P400SZ 隔离开关HH15P(QP)-400A手柄(只) 只45 0 HH15P3150SZ 隔离开关HH15P(QP)-3150A手柄(只) 只160 0。
ZYI乐清市中一电气有限公司 0577-********开关电器负荷开关| |隔离开关刀开关 |闸刀开关|倒顺开关|组合开关|转换开关HH3系列封闭式负荷开关(HH3-60/3 HH3-100/3 HH3-150/3 HH3-200/3 HH3-300/3 HH3-400/3 HH3-500/3 HH3-600/3)适用于额定工作电压380V,额定工作电流至600A,频率为50Hz的交流电路中,可作为手动不频繁地接通分断有负载的电路,并对电路有过载和短路保护作用。
本产品符合IEC60947-3 GB14048.3-2008标准HH4系列封闭式负荷开关(HH4-15/3z HH4-30/3z HH4-60/3z HH4-100/3z HH4-150/3z HH4-200/3z)适用于额定工作电压380V,额定工作电流至200A,频率为50Hz的交流电路中,可作为手动不频繁地接通分断有负载的电路,并对电路有过载和短路保护作用。
本产品符合IEC60947-3 GB14048.3-2008标准HR11(NHF)开关详细介绍1. HR11系列熔断器式开关,适用于交流50~60Hz,额定绝缘电压至500V,额定工作电压415V(包括380V)有,约定发热电流至400安培的电路中,作为手动不频繁地接通与分断负载电路和线路的过载与短路保护之用。
.型号:HR11-100/3 HR11-200/3HR11-315/3 HR11-400/3 HR11-600/3 HR11-1000/3 .HR3系列熔断器式刀开关适用于交流50Hz、380V,额定电流至1000A的配电系统中作为短路保护和电缆、导线的过载保护之用。
在正常情况下,可供不频繁地手动接通和分断正常电流与过载电流,在短路情况下,由熔断体熔断来切断电流。
HD系列单投刀开关、HS系列双投刀开关适用于交流50Hz、额定电压380V, 直流220V,额定电流至1500A的成套配电系统装置中,用作手动不频繁接通与分断交、直流电路或用作为电气隔离之用。
HH15系列隔离开关熔断器组HH15(QSA)系列隔离开关熔断器组,HH15A(QA)、HH15P(QP)系列隔离开关,HH15S(QSS)、HH15AS(QAS)、HH15PS(QPS)系列双投转换开关以下简称开关,主要适用于具有高短路电流的配电电路和电动机电路中,作为手动不频繁操作的主开关或总开关。
当中QSA 系列开关可作电路短路保护之用。
GB/T 14048.3IEC60947-3 ()产品符合:、标准。
产品概述选型指南结构特征□ □ 具有独特的滚动插入式触头系统。
每相都有两组这种双断点的触头系统,两组触头系统或 是串联、或是并联,就可以满足电流大小不同的电路及不同工作类别的要求;□ 触头系统使电流分别从几个滚柱通过,其结果使得每个滚柱所受到的电动反力大大减小。
在运动过程中,滚柱与静触头的接触既有滚动又有滑动摩擦,这样能有效地避免发送熔焊;□ 操作机构有储能弹簧,因此动触头组的运动速度与操作力的大小、操作速度无关;□ 操动器由装在面板上手柄、与手柄啮合的驱动连轴节、延伸轴、轴连轴节及驱动轴组成。
延伸轴及轴连轴节只在驱动轴不够长时才使用;□ 开关在成套装置柜内安装的深度可以根据各电器元件成套组合安装的需要来考虑,有相当 大的活动范围。
开关采用全封闭式结构,以保证提高工作可靠性及性能的稳定;146HH15(QSA)-63、125AHH15(QSA)系列隔离开关熔断器组主要技术参数HH15(QSA)系列隔离开关熔断器组外形及安装尺寸147HH15(QSA)系列隔离开关熔断器组外形及安装尺寸HH15(QSA)-160、250、400AHH15(QSA)-630A148HH15系列隔离开关熔断器组HH15(QSA)-800A149150HH15系列隔离开关熔断器组HH15A(QA)系列隔离开关外形及安装尺寸HH15A(QA)系列隔离开关主要技术参数151152HH15系列隔离开关熔断器组HH15P(QP)系列隔离开关外形及安装尺寸HH15P(QP)系列隔离开关主要技术参数153154HH15系列隔离开关熔断器组HH15a 1b 5(HH15)c 1d 1□ □ 我公司所提供的开关价格是不含熔断器的,若用户在订货时提出,我公司可配套提供熔断器,但一般不装在开关本体上。
HH15-□/QSA系列HH15-□/QA系列HH15-800/QSA HH15-1000/QSA HH15-1250/QSAE66.1 HH15外形及安装尺寸:6.1.1 HH15-63、125的外形及安装尺寸(见图1、表4)。
表4(mm)开关规格HH15-63HH15-125HH15-160HH15-250HH15-400HH15-630HH15-800HH15-1000HH15-1250L2165385~165385~220390~220390~220390~250529~L1165225~165225~220270~220270~220270~250265~350550~350550~350550~G M5M6M8M10M10M12M12M12M12E 135±1.25135±1.25100±1.1100±1.1100±1.1315±1.6480±2.5480±2.5480±2.5F 88±1.10101±1.10126±1.25135±2.0135±2.0230±2.3230±2.3230±2.3230±2.3D 90±0.7590±0.75130±1.25130±1.25130±1.25208±1.6220±1.8220±1.8220±1.8C 175±1.25175±1.25178±2.0198±2.3198±2.3242±2.6320±2.6320±2.6320±2.6B 100±1.10116±1.10146±1.25160±1.25160±1.25270±2.6320±2.6320±2.6320±2.6A 155±1.25155±1.25240±1.45240±1.45240±1.45345±1.8500±2.5500±2.5500±2.5外形及安装尺寸(mm)A 430430430430430630630630630630630630950950950950950950型号HH15-63/QSS HH15-125/QSS HH15-125/QAS HH15-160/QAS HH15-250/QPS HH15-160/QSS HH15-250/QSS HH15-400/QSS HH15-400/QAS HH15-630/QAS HH15-630/QPS HH15-1000/QPS HH15-630/QSS HH15-1000/QAS HH15P-1250/QPS HH15P-1600/QPS HH15P-2500/QPS HH15P-3150/QPSB 170170170170170190190190190190190190250250250250265265C 386386386386386590590590590590590590906906906906906906D 120120120120120120120120120120120120180180180180180180F 252525252525252525252525282828282828E 141414141425252525252525282828282828G 101010101012121212121212121212121212M 140140140140140200200200200200200200200200200200400400L 3003003003003003003003003003003003004004004004004004005.2 HH15-□/□□□S系列双投隔离开关:5.2.1 适用范围HH15-□/□□QSS(HH15□/□□QAS、HH15□/□□QPS)双投开关。
如何选择刀开关前些天,有个客户购买HD13系列刀开关,一开始已经确定了型号,可是后来在与工程师的最终确定中发现该型号的额定电流比设计中的小,幸亏及时发现并更换了产品,才减少了很多不必要的麻烦。
经过这起事件,并考虑到有些人在邮件中询问我们关于刀开关的一些型号及选择问题,我稍微总结了下,并参考了网上的意见,在这里提点建议,以帮助大家关于了解如何选择刀开关。
刀开关作为低压电器的一类重要产品,其主要作用有隔离电源保证电路在维修时的安全,分断负载如不频繁的通断小容量的低压电路等。
同时刀开关由于结构简单,操作方便,很适合于工作场合,特别是分断和闭合状态明显、易于观察,能确保安全和判断的正确性。
首先从总体上谈下刀开关的分类。
从级数上看,主流产品有单极刀开关、双极刀开关和三极刀开关。
从型号分,常用的刀开关有HD单投刀开关、HS双投刀开关、HR熔断器式刀开关(也称为刀熔开关)、HK型闸刀开关等。
接下来谈下具体如何选择刀开关,个人认为主要考虑两个方面:1.结构形式根据到刀开关在线路中的起到的作用或在成套配电装置中的安装位置来确定它的结构形式。
比方属只是用于隔离电源时,则只需选用不带灭弧罩的产品;如用来分断负载时,就应选带灭弧罩的,而且是通过杠杆来操作的产品;如中央手柄式刀开关不能切断负荷电流,其他形式的可切断一定的负荷电流,但必须选带灭弧罩的刀开关。
此外,还应根椐是正面操作还是侧面操作,是直接操作还是杠杆传动,是板前接线还是板后接线来选择结构形式(在设计与问价时应该说明白所有的情况)。
我用上海人民电器开关厂的HD、HS系列刀开关说明下:HD11,HS11主要适用用于磁力站,不能切断带有负载的电路,仅作隔离电流之用;HD12,HS12主要用于正面侧方操作前面维修的开关柜中,其中有灭弧装置的刀开关可以切断额定电流以下的负载电路;HD13,HS13主要用于正面操作后面维修的开关柜中,其中有灭弧装置的刀开关可以切断额定电流以下的负载电路;HD14可用于动力配电箱中,其中带有灭弧装置的刀开关可以带负载操作。
HH15(QSA)63A~630A隔离开关熔断器组
佚名
【期刊名称】《机电新产品导报》
【年(卷),期】1994(000)012
【摘要】<正> 我厂同机电部上海电器科学研究所联合设计开发的
HH15(QSA)63A~630A隔离开关熔断器组新产品,于1992年9月通过省级鉴定,产品达到国外同类产品八十年代末的先进水平,并获1993年江苏省新产品“金牛奖”。
【总页数】1页(P58-58)
【正文语种】中文
【中图分类】TH-39
【相关文献】
1.大容量隔离开关熔断器组及其应用 [J], 曹重华
2.新版IEC60947-3《低压开关设备和控制设备第3部分:开关、隔离器、隔离开关以及熔断器组合电器》标准 [J], 陈培国
3.高短路电流HH15系列开关熔断器组的设计 [J], 万正明
4.配电变压器低压隔离开关熔断器组常见故障分析 [J], 曲双林
5.QSA系列隔离开关熔断器QP及QA系列隔离开关 [J],
因版权原因,仅展示原文概要,查看原文内容请购买。
隔离开关一些基本知识:CDB5系列模数化隔离开关HGW9-12型户外单极隔离开关HH15系列隔离开关熔断器组HR6熔断器式隔离开关HR17系列熔断器式隔离开关HR5系列熔断器式隔离开关NEW9系列墙壁开关NH4-100隔离开关NH2-100(HL30)隔离开关NH3-63隔离开关QA(HH15A)隔离开关熔断器组QAS(HH15)隔离开关熔断器组QPS (HH15)双投隔离开关熔断器组QP(HH15P)隔离开关熔断器组QSS(HH15)双投隔离开关熔断器组QSA(HH15)隔离开关熔断器组TIG1 1P隔离开关TIG1 2P隔离开关TIG1 3P隔离开关TIG1 4P隔离开关户外隔离开关(GW4) 户外隔离开关(GW5)隔离开关又称隔离刀闸,是一种高压开关电器。
使用时应与断路器配合,只有在断路器断开时才能进行操作。
一、隔离开关的作用与要求在电力系统中,隔离开关的主要作用有:(1)隔离电源。
(2)倒闸操作。
(3)接通和断开小电流电路。
1)通和开断10KV电压互感器和106KV高压避雷器线路;2接通和开断电压为10KV容量为320KV A及以下的空载变压器3接通和开断电压为35KV长度为10KM或电压为10KV长度为5KM以内的空载架空输电线路其电容电流不超过5A 按照隔离开关所担负的任务,应满足以下要求:(1)隔离开关应具有明显的断开点,便于确定被检修的设备或线路是否与电网断开。
(2)隔离开关断开点之间应有可靠的绝缘,以保证在恶劣的气候条件下也能可靠工作,并在过电压及相间闪烙的情况下,不致从断开点击穿而危及人身安全。
(3)隔离开关应具有足够的热稳定性和动稳定性,尤其不能因电动力的作用而自动断开,否则将引起严重事故。
(4)隔离开关的结构要简单,动作要可靠。
(5)带有接地闸刀的隔离开关必须有连锁机构,以保证先断开隔离开关后,再合上接地闸刀,先断开接地闸刀后,再合上隔离开关的操作顺序。
(6)隔离开关要装有和断路器之间的连锁机构,以保证正确的操作顺序,杜绝隔离开关带负荷操作的事故发生。