楼梯配筋图.ppt
- 格式:ppt
- 大小:257.50 KB
- 文档页数:5
实用文档标准文案楼梯钢筋楼梯要计算哪些钢筋量在实际工程中楼梯有很多种,这里只讲最简单的AT型楼梯,AT型楼梯要计算的钢筋量如图1.6.1所示:图1.6.1楼梯钢筋的计算原理楼梯的休息平台和楼梯梁可参考板和梁的算法。
这里只讲解楼梯斜跑的算法。
(一)、梯板底筋1、受力筋(1)、长度计算AT型楼梯第一斜跑受力筋长度按图1.6.2~4进行计算图1.6.2~4标准文案=思考与练习1、请用手工计算一号写字楼一层楼梯斜跑的底部受力筋长度。
(2)、根数计算楼梯受力筋根数根据图1.6.5进行计算图1.6.5标准文案思考与练习1、请用手工计算一号写字楼一层楼梯斜跑的底部受力筋根数。
2、受力筋的分布筋(1)、长度计算楼梯斜跑梯板分布筋长度根据图1.6.6进行计算图1.6.6根据图1.6.6我们推导出楼梯斜跑梯板底受力筋的分布筋长度计算如表1.6.3 表1.6.3:梯板底受力筋的分布筋长度计算表标准文案思考与练习1、请用手工计算一号写字楼一层楼梯斜跑的底部分布筋的长度。
(2)、根数计算梯板分布筋根数根据图1.6.7进行计算标准文案图1.6.7根据图1.6.7我们推导出楼梯斜跑梯板分布筋根数计算如表1.6.4 表1.6.4:楼梯斜跑梯板分布筋根数计算表标准文案思考与练习1、请用手工计算一号写字楼一层楼梯斜跑的底部分布筋的根数。
(二)、梯板顶筋1、支座负筋(1)、长度计算楼梯支座负筋长度根据图1.6.8~10进行计算标准文案图1.6.8~10根据图1.6. 8~10我们推到出梯板支座负筋的长度计算公式如表1.6.5 表1.6.5:AT楼梯梯板底支座负筋长度计算表标准文案标准文案思考与练习1、请用手工计算一号写字楼一层楼梯斜跑的支座负筋的长度(2)、根数计算楼梯支座负筋根数根据图1.6.11进行计算标准文案图1.6.11根据图1.6.11可以推导出楼梯斜跑梯板受力筋根数计算如表1.6.6 表1.6.6:楼梯斜跑梯板支座负筋根数计算表1、请用手工计算一号写字楼一层楼梯斜跑的支座负筋的根数1、支座负筋的分布筋(1)、长度计算楼梯斜跑梯板分布筋长度根据图1.6.12进行计算标准文案图1.6.12根据图1.6.12我们推导出楼梯斜跑梯板分布筋长度计算如表1.6.7 表1.6.7:楼梯斜跑梯板分布筋长度计算表1、请用手工计算一号写字楼一层楼梯斜跑的支座负筋分布筋的长度(2)、根数计算梯板分布筋根数根据图1.6.13进行计算标准文案图1.6.13根据图1.6.13我们推导出楼梯斜跑梯板分布筋根数计算如表1.6.8标准文案标准文案。
梁、柱配筋-楼梯、基础各构件结构
钢筋图文教程
楼梯
1、一跑梯板AT
2、有低端平板的一跑梯板(BT)
3、有高端平板的一跑梯板(CT)
4、有低端和高端平板的一跑梯板DT
5、有中位平板的一跑梯板ET
6、有层间和楼层平台板的双跑楼梯(全部平板三边支承)FT
7、有层间和楼层平台板的双跑楼梯(层间平台板三边支承,另一端的梯板段单边支承)GT
8、一跑楼梯(低端楼梯梁上设滑动支座)ATa
9、一跑楼梯(低端楼梯梁挑板上设滑动支座)ATb
10、一跑楼梯(参与框架结构整体抗震计算)ATc
11、有高端平板的一跑梯板(低端梯梁上设滑动支座)C Ta
12、有高端平板的一跑梯板(低端梯梁挑板上设滑动支座)CTb
13、梯梁TL,63、平台板PTB,64、梯柱TZ
基础
1、普通阶形独立基础DJj
2、普通坡形独立基础DJp
3、杯口阶形独立基础BJj
4、杯口坡形独立基础BJp
5、基础梁JL
6、条形基础坡形底板TJBp
7、条形基础阶形底板TJBj
8、梁板式筏板基础主梁(柱下)JL
9、梁板式筏板基础次梁JCL
10、梁板式筏板基础平板LPB
11、平板式筏板基础柱下板带ZXB
12、平板式筏板基础跨中板带KZB
13、平板式筏板基础平板BPB
14、灌注桩GZH
15、扩底灌注桩GZHk
16、独立阶形承台CTj
17、独立坡形承台CTp
18、承台梁CTL
19、基础连系梁JLL
20、基础后浇带HJD
21、上柱墩SZD
22、下柱墩XZD
23、基坑(沟)JK
24、窗井墙CJQ
25、防水板FBPB。
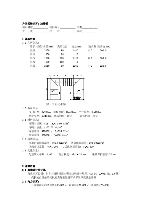
异型楼梯计算: B1楼梯项目名称____________ 构件编号____________ 日期____________设计____________ 校对____________ 审核____________1 基本资料1.1 几何信息:形状长度/半径(mm) 夹角(度) 高差(mm) 踏步数踏步宽(mm)直线 2050 90 1440 8.0 200.0直线 450 90 0直线 1840 180 1440 8.0 230.0直线 450 180 0直线 2050 90 1260 7.0 228.6(图1 平面尺寸图)1.2 截面信息:板宽度: B=900mm 斜板厚度: H s=120mm 平台厚度: H p=120mm踏步高度: H t=180mm 底端约束: 固定顶端约束: 固定1.3 材料信息:混凝土等级: C25 ,f c=11.90 N/mm2混凝土容重:γ=27.00 kN/mm3纵筋等级: HRB335 ; f y=335 N/mm2箍筋等级: HPB300 ;f y=300 N/mm21.4 荷载信息:附加恒荷载标准值: g=1.000kN/m2活荷载标准值: q=3.500kN/m2恒载分项系数: γG=1.200 ,活载分项系数: γQ=1.4001.5 其他信息:配筋放大系数: 1.00 剖分粒度: nSize=20 mm 纵筋保护层厚=25 mm2 计算内容2.1 荷载设计值计算自重计算说明: 参考<<钢筋混凝土薄壳结构设计规程>>(JGJ/T 22-98)第3.2.6条壳板的自重按照壳板的实际重量折算成平均厚度重量计算2.2 内力计算:计算横截面的法向弯矩Mn(kN.m),径向弯矩Mr(kN.m),法向剪力Vn(kN)径向剪力Vr(kN),轴力N(kN),扭矩T(kN)说明(1)采用有限元计算方法,单元为厚薄通用的壳单元(2)基本假定:对于楼梯斜段,把锯齿状变截面简化成等厚度的截面,截面高度取锯齿最小处的厚度(3)内力示意图:如下图所示:(图2 截面内力示意图)2.3 配筋计算: 计算并配置横截面的上下纵筋、左右纵筋和箍筋配筋计算方法说明:(a)根据输入的搜索步距得到本段内的计算截面数(b)根据每个截面的内力去计算每个截面的三个配筋:上下纵筋、左右纵筋和箍筋(c)分别得到本段内所有截面的三个配筋的最大面积及其位置(d)然后以该三个配筋,通长配置钢筋(e)代号及单位上下纵筋面积:AsX(mm2 ) 左右纵筋面积:AsY(mm2 ) 箍筋面积Asv(mm2/m) 尺寸(mm)3 计算过程以及计算结果3.1 荷载计算3.1.1 第一段(楼梯):(1)计算自重均布荷载g s:踏步宽度B t=200.00mm, 踏步高度H t=180.00mm把结构自重等效成沿着结构投影平面均匀分布的荷载:g s=(Hs*sqrt(B t*B t+H t*H t)/B t+H t/2)*γ=6.79kN/m2(2)计算均布荷载设计值:恒荷载g k=g+g s=1.000+6.789=7.789kN/m2本段荷载设计值Q=1.40*3.500+1.20*7.789=14.247kN/m2将水平投影荷载转换成沿着斜板分布的荷载:10.59kN/m23.1.2 第二段(平台):(1)计算自重均布荷载g s:平台板的自重荷载取: g s=γ*H p=120/1000*27.00=3.24kN/m2(2)计算均布荷载设计值:恒荷载g k=g+g s=1.000+3.240=4.240kN/m2本段荷载设计值Q=1.40*3.500+1.20*4.240=9.988kN/m23.1.3 第三段(楼梯):(1)计算自重均布荷载g s:踏步宽度B t=230.00mm, 踏步高度H t=180.00mm把结构自重等效成沿着结构投影平面均匀分布的荷载:g s=(Hs*sqrt(B t*B t+H t*H t)/B t+H t/2)*γ=6.54kN/m2(2)计算均布荷载设计值:恒荷载g k=g+g s=1.000+6.544=7.544kN/m2本段荷载设计值Q=1.40*3.500+1.20*7.544=13.953kN/m2将水平投影荷载转换成沿着斜板分布的荷载:10.99kN/m23.1.4 第四段(平台):(1)计算自重均布荷载g s:平台板的自重荷载取: g s=γ*H p=120/1000*27.00=3.24kN/m2(2)计算均布荷载设计值:恒荷载g k=g+g s=1.000+3.240=4.240kN/m2本段荷载设计值Q=1.40*3.500+1.20*4.240=9.988kN/m23.1.5 第五段(楼梯):(1)计算自重均布荷载g s:踏步宽度B t=228.57mm, 踏步高度H t=180.00mm把结构自重等效成沿着结构投影平面均匀分布的荷载:g s=(Hs*sqrt(B t*B t+H t*H t)/B t+H t/2)*γ=6.55kN/m2(2)计算均布荷载设计值:恒荷载g k=g+g s=1.000+6.554=7.554kN/m2本段荷载设计值Q=1.40*3.500+1.20*7.554=13.965kN/m2将水平投影荷载转换成沿着斜板分布的荷载:10.97kN/m23.2 内力以及配筋计算3.2.1 第一段(楼梯):(1)本段计算截面数: 5(2)计算5个截面的内力和配筋(略)截面验算: 满足(3)最大上下配筋(AsX=max),位置: 0.0 m 截面代号:S1-1有限元计算内力得到: Mr=-14.77; Mn=21.80; Vr=7.66; Vn=-19.28; N=-41.34; T=-5.38配筋: AsX(max)=1046.9; Asy=216.0; Asv=1185.3该截面计算过程如下1)根据T,Vn,Vr,验算截面尺寸:按经验公式,验算双向抗剪扭截面尺寸=1.19 < 0.25βc f c=2.97 截面满足2)根据Mn进行受弯承载力计算,求纵筋面积Asn:As=ξa1f c bh0/f y=85mm2ρ=0.08% < ρmin=0.20% 按构造配筋As=216mm2Asn=216.00mm23)根据Vn,T进行抗剪扭承载力计算,求箍筋面积Asv,及纵筋面积Ast:Asv/s=-2123.27mm2/m ρsv=-0.24% < ρsvmin=0.11% 按构造配筋Av/s=1016mm2/mV/(bh0)+T/W t=1.12(N/mm2) > 0.7f t=0.89(N/mm2)且 V=19.28kN < 0.35f t bh0=34.00kN 且 T/W t=0.87(N/mm2) < 0.7f t=0.89(N/mm2) 剪扭按构造配筋(2*Avt+Asv)/s=0.00mm2/m ρsv=0.00% < ρsvmin=0.13% 抗剪扭箍筋构造配筋Av/s=1185mm2/mAsv = 1185.33mm2/mAst=0.00mm2ρtl=0.00% < ρtlmin=0.14% 按构造配筋Ast=153mm24)根据Mr,N进行偏拉压承载力计算,求纵筋面积Asr:Asr=As=N*(η*ei-0.5*h+0.5*x)/(fy*(h0-as'))=971mm25)配筋计算结果:上下纵筋AsX=Asr+Ast/2=1047mm2, 配筋7D14(1078mm2, 1.00%)左右纵筋AxY=Asn=216mm2, 配筋2D14(308mm2, 0.29%)箍筋Asv=1185mm2/mm, 配筋d10@200(4肢箍, 1571mm2/m, 0.17%)(4)最大左右配筋(AsY=max):位置:0.0 截面代号: S1-2内力: Mr=-14.77; Mn=21.80; Vr=7.66; Vn=-19.28; N=-41.34; T=-5.38配筋: Asx=1046.9; Asy(max)=216.0; Asv=1185.3(5)最大箍筋(AsV=max):位置:0.0 截面代号: S1-3内力: Mr=-14.77; Mn=21.80; Vr=7.66; Vn=-19.28; N=-41.34; T=-5.38配筋: Asx=1046.9; Asy=216.0; Asv(max)=1185.3(6)本段通长配筋结果: 三种钢筋面积分别取最大值,截面代号: 1-1 得:上下纵筋: 7D14(1046.9)左右纵筋: 2D14(216.0)箍筋: d10@200(1185.3)3.2.2 第二段(平台):(1)本段计算截面数: 1(2)计算1个截面的内力和配筋(略)截面验算: 满足(3)最大上下配筋(AsX=max),位置: 636.4 m 截面代号:S2-1有限元计算内力得到: Mr=-4.39; Mn=11.66; Vr=41.65; Vn=19.41; N=-25.59;T=-0.33配筋: AsX(max)=283.9; Asy=216.0; Asv=1016.0(4)最大左右配筋(AsY=max):位置:0.0 截面代号: S2-2内力: Mr=1.26; Mn=10.17; Vr=4.38; Vn=6.67; N=-7.60; T=-1.41配筋: Asx=282.5; Asy(max)=216.0; Asv=1185.3(5)最大箍筋(AsV=max):位置:0.0 截面代号: S2-3内力: Mr=1.26; Mn=10.17; Vr=4.38; Vn=6.67; N=-7.60; T=-1.41配筋: Asx=282.5; Asy=216.0; Asv(max)=1185.3(6)本段通长配筋结果: 三种钢筋面积分别取最大值,截面代号: 2-2 得:上下纵筋: 4D14(283.9)左右纵筋: 2D14(216.0)箍筋: d10@200(1185.3)3.2.3 第三段(楼梯):(1)本段计算截面数: 4(2)计算4个截面的内力和配筋(略)截面验算: 满足(3)最大上下配筋(AsX=max),位置: 2336.5 m 截面代号:S3-1有限元计算内力得到: Mr=-6.56; Mn=-13.76; Vr=11.21; Vn=-3.91; N=-11.71; T=0.24配筋: AsX(max)=433.5; Asy=216.0; Asv=1016.0(4)最大左右配筋(AsY=max):位置:0.0 截面代号: S3-2内力: Mr=-6.16; Mn=11.91; Vr=9.00; Vn=3.46; N=9.88; T=0.02配筋: Asx=427.2; Asy(max)=216.0; Asv=1016.0(5)最大箍筋(AsV=max):位置:0.0 截面代号: S3-3内力: Mr=-6.16; Mn=11.91; Vr=9.00; Vn=3.46; N=9.88; T=0.02配筋: Asx=427.2; Asy=216.0; Asv(max)=1016.0(6)本段通长配筋结果: 三种钢筋面积分别取最大值,截面代号: 3-3 得:上下纵筋: 4D14(433.5)左右纵筋: 2D14(216.0)箍筋: d10@200(1016.0)3.2.4 第四段(平台):(1)本段计算截面数: 1(2)计算1个截面的内力和配筋(略)截面验算: 满足(3)最大上下配筋(AsX=max),位置: 0.0 m 截面代号:S4-1有限元计算内力得到: Mr=-4.38; Mn=-14.40; Vr=50.43; Vn=-20.55; N=30.05; T=-0.17配筋: AsX(max)=341.9; Asy=216.0; Asv=1016.0(4)最大左右配筋(AsY=max):位置:0.0 截面代号: S4-2内力: Mr=-4.38; Mn=-14.40; Vr=50.43; Vn=-20.55; N=30.05; T=-0.17配筋: Asx=341.9; Asy(max)=216.0; Asv=1016.0(5)最大箍筋(AsV=max):位置:450.0 截面代号: S4-3内力: Mr=-2.50; Mn=-11.51; Vr=35.62; Vn=-14.58; N=9.18; T=1.56配筋: Asx=263.3; Asy=216.0; Asv(max)=1185.3(6)本段通长配筋结果: 三种钢筋面积分别取最大值,截面代号: 4-4 得:上下纵筋: 4D14(341.9)左右纵筋: 2D14(216.0)箍筋: d10@200(1185.3)3.2.5 第五段(楼梯):(1)本段计算截面数: 5(2)计算5个截面的内力和配筋(略)截面验算: 满足(3)最大上下配筋(AsX=max),位置: 2036.6 m 截面代号:S5-1有限元计算内力得到: Mr=-15.87; Mn=-27.25; Vr=8.05; Vn=21.05; N=39.54; T=5.52配筋: AsX(max)=1254.0; Asy=216.0; Asv=1185.3(4)最大左右配筋(AsY=max):位置:0.0 截面代号: S5-2内力: Mr=2.37; Mn=-12.58; Vr=4.22; Vn=-4.75; N=9.28; T=2.00配筋: Asx=309.9; Asy(max)=216.0; Asv=1185.3(5)最大箍筋(AsV=max):位置:0.0 截面代号: S5-3内力: Mr=2.37; Mn=-12.58; Vr=4.22; Vn=-4.75; N=9.28; T=2.00配筋: Asx=309.9; Asy=216.0; Asv(max)=1185.3(6)本段通长配筋结果: 三种钢筋面积分别取最大值,截面代号: 5-5 得:上下纵筋: 5D18(1254.0)左右纵筋: 2D14(216.0)箍筋: d10@200(1185.3)4 支座反力(1)底部: Mn=-21.804kN.m Mr=14.765kN.m T=5.381kN.m N=41.340kN Vn=19.279kN Vr=-7.663kN(2)顶部: Mn=27.253 Mr=15.866kN.m T=-5.524kN.m N=-39.535kN Vn=-21.053kN Vr=-8.052kN参考资料:[1] 混凝土结构构造手册中国有色工程设计研究院主编中国建筑工业出版社 2003.6[2] 混凝土结构设计规范 GB 50010-2010[3] 钢筋混凝土薄壳结构设计规程 JGJ/T 22-98[4] 楼梯.阳台和雨蓬设计程文瀼主编东南大学出版社 1993.1第一版[5] 异形楼梯内力分析及结构设计齐志成著中国建筑工业出版社 1992.6-----------------------------------------------------------------------【理正结构设计工具箱软件 6.5免费注册版】计算日期: 2014-06-28 17:50:21-----------------------------------------------------------------------。
现浇楼梯配筋图示楼梯钢筋楼梯要计算哪些钢筋量在实际工程中楼梯有很多种,这里只讲最简单的AT型楼梯,AT型楼梯要计算的钢筋量如图1。
6。
1所示:图1。
6.1楼梯钢筋的计算原理楼梯的休息平台和楼梯梁可参考板和梁的算法。
这里只讲解楼梯斜跑的算法。
1 / 14(一)、梯板底筋1、受力筋(1)、长度计算AT型楼梯第一斜跑受力筋长度按图1.6。
2~4进行计算图1.6。
2~42 / 14梯板底受力筋长度=梯板投影净长×斜度系数+伸入左端支座内长度+伸入右端支座内长度+弯勾×2(弯勾只光圆筋有)梯板投影净长斜度系数伸入左端支座内长度伸入右端支座内长度弯勾Ln k=max(5d,h)max(5d,h) 6.25d 梯板底受力筋长度=Ln×k+max(5d,h)×2+6.25d×2(弯勾只光圆筋有)思考与练习1、请用手工计算一号写字楼一层楼梯斜跑的底部受力筋长度。
(2)、根数计算楼梯受力筋根数根据图1.6.5进行计算图1。
6.53 / 14梯板受力筋根数=(梯板净宽-保护层×2)/受力筋间距+1梯板净宽保护层受力筋间距Kn C S梯板受力筋根数=(Kn-2C)/S+1(取整)思考与练习1、请用手工计算一号写字楼一层楼梯斜跑的底部受力筋根数.2、受力筋的分布筋(1)、长度计算楼梯斜跑梯板分布筋长度根据图1.6。
6进行计算图1.6。
6根据图1.6。
6我们推导出楼梯斜跑梯板底受力筋的分布筋长度计算如表1。
6。
34 / 14表1.6.3:梯板底受力筋的分布筋长度计算表1、请用手工计算一号写字楼一层楼梯斜跑的底部分布筋的长度。
(2)、根数计算梯板分布筋根数根据图1。
6.7进行计算5 / 14图1.6。
7根据图1。
6.7我们推导出楼梯斜跑梯板分布筋根数计算如表1.6.4表1.6。
4:楼梯斜跑梯板分布筋根数计算表起步距离判断梯板分布筋根数=(梯板投影净跨×斜度系数-起步距离×2)/分布筋间距+1梯板投影净跨斜度系数起步距离分布筋间距起步距离为50mm Ln k50MM S 梯板分布筋根数=(Ln×k—50×2)/S+1(取整)6 /14思考与练习1、请用手工计算一号写字楼一层楼梯斜跑的底部分布筋的根数。
板式楼梯的设计方法及构造荷载传递路线:荷载--梯段板(平台板)--平台梁结构简化:梯段板简支于平台梁上,为简支斜板,再简化成水平梁。
平台梁简支于横墙上,简化为简支梁。
平台板为四边支承的单区格板,视实际情况简化。
梯段板1)计算计算,,计算计算。
•考虑到梯段板、平台梁和平台板的整体性,并非理想铰接,设计中跨中截面最大弯矩一般取为:2101n max pl M=3030取1m宽带板作为梯段板的计算单元__________________________________________________________________恒荷载标准值3030mkN /875.13.01250.115.03.021=×××××mkN /36.325894.012.00.13.0125112.0cos 3.0=××=××××αm kN /45.0894.02002.00.1=××m kN /693.03.015.03.00.103.04.15=+×××可变荷载起控制作用:P=1.2×6.38+1.4×2.5=11.16kN/m 永久荷载起控制作用:P=1.35×6.38+1.4×0.7×2.5=11.063kN/m 取1m宽带板作为梯段板的计算单元荷载统计恒荷载——三角形踏步板自重120厚踏步板自重20厚板底抹灰30厚花岗岩面层 6.38kN/m 活荷载标准值 2.5kN/mk q kg2) 2) 平台板平台板平台板一般为单向板,其一边与平台梁连接,另一边与过梁连接或支承于墙上。
当另一边与过梁连接时,取跨中弯矩,当另一边支承于墙上时,取跨中弯矩。
28/1pl M ax m =210/1pl M max =3) 3) 平台梁平台梁与普通梁相同。
六、钢筋混凝土板式楼梯设计楼梯设计包括建筑设计和结构设计两部分。
一、设计资料建筑设计1、楼梯间建筑平面,开间:3300mm。
进深:4800mm。
5楼梯形式尺寸:双跑楼梯,层高4600mm,踏步采用180mm×270mm,每层共需4600/180=25步。
如图建筑图中所示。
二、结构设计采用板式楼梯1、楼梯梯段板计算:混凝土采用C20,单d≤10mm时,采用Ⅰ级钢筋;单d≥12mm时,采用Ⅱ级钢筋,fc=9.6kN/mm2,fy=210 kN/mm22假定板厚:h=l/30=2700/30=90mm,取h=100mm。
3荷载计算(取1米板宽计算)楼梯斜板倾角: a=tg-1(180/270)=26.530cosa=0.895恒载计算:踏步重(1.0/0.3)×0.5×0.15×0.3×25=1.875 kN/m斜板重(1.0/0.895)×0.1×25=2.8kN/m20mm厚面层粉刷层重:[(0.3+0.15)/0.3]×0.02×20×1.0=0.6kN/m15mm厚板底抹灰:(1.0/0.895)×0.015×17=0.32kN/m恒载标准值 gk=1.875+2.8+0.60+0.29=5.57 kN/m恒载设计值 gd=1.2×5.57=6.68 kN/m活载计算:活载标准值 Pk=2.5×1.0=2.5 kN/m活载设计值 Pd=1.4×2.5=3.5 kN/m总荷载设计值 qd=gd+pd=6.68+3.5=10.18kN/m(3)内力计算跨中弯矩:M=qdl2/10=10.18×2.72/10=7.42 kN.m=1.0)(4)配筋计算(结构重要系数r活载标准值:Pk=2.5x1=2.5 kN/m活载设计值:Pd=1.4x2.5=3.5 kN/m总荷载设计值:q d =3.186+3.5=6.686 kN/m (2)内力计算计算跨度:l=l0+h/2=1.6-0.2-0.15+0.08/2=1.29mfc b΄fh′f=9.6x588x80x(265-80/2)=101.61 kN.m>32.2kN.m属第二类型截面。
楼梯结构钢筋配筋(图解)1、一跑梯板AT
2、有低端平板的一跑梯板(BT)
3、有高端平板的一跑梯板(CT)
4、有低端和高端平板的一跑梯板DT
5、有中位平板的一跑梯板ET
6、有层间和楼层平台板的双跑楼梯(全部平板三边支承)FT
7、有层间和楼层平台板的双跑楼梯(层间平台板三边支承,另一端的梯板段单边支承)GT
8、一跑楼梯(低端楼梯梁上设滑动支座)ATa
9、一跑楼梯(低端楼梯梁挑板上设滑动支座)ATb
10、一跑楼梯(参与框架结构整体抗震计算)ATc
11、有高端平板的一跑梯板(低端梯梁上设滑动支座)CTa
12、有高端平板的一跑梯板(低端梯梁挑板上设滑动支座)CTb
13、梯梁TL、平台板PTB、梯柱TZ。
楼梯钢筋楼梯要计算哪些钢筋量在实际工程中楼梯有很多种,这里只讲最简单的AT型楼梯,AT型楼梯要计算的钢筋量如图1.6.1所示:图1.6.1楼梯钢筋的计算原理楼梯的休息平台和楼梯梁可参考板和梁的算法。
这里只讲解楼梯斜跑的算法。
(一)、梯板底筋1、受力筋(1)、长度计算AT型楼梯第一斜跑受力筋长度按图1.6.2~4进行计算图1.6.2~4根据图1.6.2~4我们推到出受力筋的长度计算公式如表1.6.1表1.6.1:AT楼梯第一跑梯板底受力筋长度计算表思考与练习1、请用手工计算一号写字楼一层楼梯斜跑的底部受力筋长度。
(2)、根数计算楼梯受力筋根数根据图1.6.5进行计算图1.6.5根据图1.6.5可以推导出楼梯斜跑梯板受力筋根数计算如表1.6.2表1.6.2:楼梯斜跑梯板受力筋根数计算表思考与练习1、请用手工计算一号写字楼一层楼梯斜跑的底部受力筋根数。
2、受力筋的分布筋(1)、长度计算楼梯斜跑梯板分布筋长度根据图1.6.6进行计算图1.6.6根据图1.6.6我们推导出楼梯斜跑梯板底受力筋的分布筋长度计算如表1.6.3表1.6.3:梯板底受力筋的分布筋长度计算表思考与练习1、请用手工计算一号写字楼一层楼梯斜跑的底部分布筋的长度。
(2)、根数计算梯板分布筋根数根据图1.6.7进行计算图1.6.7根据图1.6.7我们推导出楼梯斜跑梯板分布筋根数计算如表1.6.4表1.6.4:楼梯斜跑梯板分布筋根数计算表思考与练习1、请用手工计算一号写字楼一层楼梯斜跑的底部分布筋的根数。
(二)、梯板顶筋1、支座负筋(1)、长度计算楼梯支座负筋长度根据图1.6.8~10进行计算图1.6.8~10根据图1.6. 8~10我们推到出梯板支座负筋的长度计算公式如表1.6.5 表1.6.5:AT楼梯梯板底支座负筋长度计算表思考与练习1、请用手工计算一号写字楼一层楼梯斜跑的支座负筋的长度(2)、根数计算楼梯支座负筋根数根据图1.6.11进行计算图1.6.11根据图1.6.11可以推导出楼梯斜跑梯板受力筋根数计算如表1.6.6表1.6.6:楼梯斜跑梯板支座负筋根数计算表思考与练习1、请用手工计算一号写字楼一层楼梯斜跑的支座负筋的根数1、支座负筋的分布筋(1)、长度计算楼梯斜跑梯板分布筋长度根据图1.6.12进行计算图1.6.12根据图1.6.12我们推导出楼梯斜跑梯板分布筋长度计算如表1.6.7 表1.6.7:楼梯斜跑梯板分布筋长度计算表思考与练习1、请用手工计算一号写字楼一层楼梯斜跑的支座负筋分布筋的长度(2)、根数计算梯板分布筋根数根据图1.6.13进行计算图1.6.13根据图1.6.13我们推导出楼梯斜跑梯板分布筋根数计算如表1.6.8 表1.6.8:楼梯斜跑梯板支座负筋的分布筋根数计算表。
÷8图集号16G101-2-29DT 型楼梯双分平行楼梯/交叉楼梯/剪刀楼梯光面钢筋时,除梯板上部纵筋的跨内端头做90º直角弯钩外,所有末端做180º的弯钩。
2.图中上部纵筋锚固长度0.35Lab用于设计按铰接的情况,括号内数据0.6Lab用于设计考虑充分发挥钢筋抗拉强度的情况,具体3.上部纵筋有条件时可直接伸入平台板内锚固,如图中虚线所示。
4.上部纵筋需伸至支座对边再向下弯折。
低端梯梁锚入长度≥5d 且至少伸过支座中线弯锚长度15d上部纵筋下部受力筋梯板分布筋上部纵筋高端梯梁图集号16G101-2-30DT 型楼梯配筋构造形式/也可直锚见平面图梯板分布筋上部纵筋15d≥0.35L ab (≥0.6L ab )L a高端梯梁L sn/5h≥5d ,>b /2下部纵筋L aL a下部纵筋b sb s,>b /2L aL a≥20dL L n低端平板长踏步段水平长L sn(=d s ×m )≥L n/4上部纵筋h (梯板厚度)L n 梯板跨度h sD型楼梯板配构造筋L L n高端平板长bT型楼梯的适用条件为:两梯梁之间的矩形梯板由低端平板,中位平板和高端踏步段构成,高,低踏步段项为楼梯类型代号与序号ETXX;第2项为项为上部纵筋及下部纵筋;第5项为梯板分布筋。
设计配筋可参照【混凝土结构施工图平面整体表示方法制图规制和构造详图(现浇混图集号16G101-2-31 ET型楼梯平面注写方式与适用条件光面钢筋时,除梯板上部纵筋的跨内端头做90º直角弯钩外,所有末端做180º的弯钩。
高端楼层梯梁低端楼层梯梁锚入长度≥5d 且至少伸过支座中线弯锚长度15d上部受力筋下部受力筋下部受力筋梯板分布筋上部受力筋h sb s h上部纵筋≥0.35L (≥0.6L a b )≥5d 且至少伸过支座中线高端楼层梯梁梯板分布筋下部纵筋Lmn 中位平板长(以上表面为准)高端踏步段水平长b s×m h =L hsnL n 梯板跨度b15dL aL ahE 型楼梯板配筋构造T型楼梯的适用条件为:①矩形楼梯由楼层平板,两跑踏步段与层间平板三部分构成,楼梯间内不设置梯梁;墙体位于平板外侧;②楼层平板及层间平板均采用三边支撑,另一边与踏步段相连;③同一楼层内各踏步段的水平相等,高度相等(即等分楼层高度)凡是满足以上条件的楼梯项为楼梯类型代号与序当平板厚度与梯板厚度不同时,板厚标注方式见本图集制图规则第5项为梯板分布筋(梯板分布钢筋也可在平面图中注写或统一说明)原位注写的内容为楼层与层间平板上部横向配筋与伸出长度。