简易数字温度计课程设计课程设计草稿图
- 格式:doc
- 大小:2.13 MB
- 文档页数:9
目录引言 ------------------------------------------------------------------------------------ 1 设计目的-------------------------------------------------------------------------- 1 设计背景-------------------------------------------------------------------------- 1 1设计方案----------------------------------------------------------------------------- 21.1度计软件设计流程图 -------------------------------------------------------- 21.2元器件的选取:-------------------------------------------------------------- 21.3系统仿真图------------------------------------------------------------------- 2 2设计框图----------------------------------------------------------------------------- 32.1硬件电路框图:-------------------------------------------------------------- 32.2硬件电路概述:-------------------------------------------------------------- 32.3显示电路---------------------------------------------------------------------- 32.4温度传感器DS18B20 -------------------------------------------------------- 4 3软件设计----------------------------------------------------------------------------- 83.1主程序 ------------------------------------------------------------------------ 83.2读出温度子程序-------------------------------------------------------------- 93.3计算温度子程序 ------------------------------------------------------------ 103.4显示数据刷新子程序------------------------------------------------------- 103.51602的液晶显示程序设计 ------------------------------------------------- 103.6P ROTEUS程序设计 ---------------------------------------------------------- 11 4总结与体会 ------------------------------------------------------------------------- 12 参考文献------------------------------------------------------------------------------ 13 附录1 --------------------------------------------------------------------------------- 14 附录2 --------------------------------------------------------------------------------- 15 附录3 --------------------------------------------------------------------------------- 16引言设计目的本文主要介绍了一个基于AT89C51单片机的测温系统,详细描述了利用数字温度传感器DS18B20开发测温系统的过程,重点对传感器在单片机喜爱的硬件连接,软件编程以及各模块系统流程进行了详尽分析,对各部分的电路也进行一一介绍,该系统可以方便的是实现温度采集和显示。
摘要本设计是单片机控制的数字温度计,随着时代的进步和发展,单片机技术已经普及到我们生活,学校,工作,科研等各个领域,已经成为一种比较成熟,要求越来越高,需求越来越迫切的技术,由于世界经济的快速发展,经济竞争已经成为各国经济实力和综合国力的竞争,所以单片机已成为衡量一个国家科学技术发展水平的重要标志之一。
又因为温度计在实际生产和人们的生活中都有广泛应用,为此我选择了设计一个数字温度计。
本文将介绍一种基于单片机控制的数字温度计,本温度计属于多功能温度计,基本范围-50℃~110℃,精度误差小于0. 5℃,LED数码直读显示可以设置上下报警温度,当温度不在设置范围内时,可以报警。
本设计以STC89C52单片机为核心,DS18B20数字式温度传感器为温度传感器,74HC573锁存器及数码管构成显示电路。
单片机控制DS18B20进行温度采集,在接收到DS18B20传回数据后进行处理,通过74HC573锁存器及数码管显示实时温度的动态显示。
由于采用的是可编程器件作为控制核心,与传统的温度计相比该温度计具有示数直观,精度可调,功能易扩展等优点。
关键词:数字温度计,单片机,DS18B20目录1 前言 (3)1.1 设计概述 (3)2 总体方案设计 (4)2.1 方案选择 (4)3 单元模块设计 (5)3.1 各单元模块功能介绍及电路设计 (5)3.2 电路参数的计算及元器件的选择 (7)3.3 各单元模块的联接 (9)4 软件设计 (10)4.1 主要软件设计流程 (10)4.2 原理图的绘制与仿真 (10)4.3 单片机程序的调试与编译 (11)5 系统调试 (14)5.1 系统单片机程序的调试 (14)5.2 系统电路的调试 (14)6 系统功能、指标参数 (15)6.1 系统能实现的功能 (15)6.2 系统功能及指标参数分析 (15)7 总结与体会 (16)8 参考文献 (16)附录1:数字温度计的电路原理图附录2:DS18B20测温子程序1前言随着“信息时代”的到来,作为获取信息的手段——传感器技术得到了显著的进步,其应用领域越来越广泛,对其要求越来越高,需求越来越迫切。
数字温度计DS18B20课程设计报告专业名称:自动化专业班级:全文结束》》级自动化1班学号:全文结束》》4786 摘要本设计采用的主控芯片是ATMEL公司的AT89C51单片机,数字温度传感器是DALLAS公司的DS18B20。
本设计用数字传感器DS18B20测量温度,测量精度高,传感器体积小,使用方便。
所以本次设计的数字温度计在工业、农业、日常生活中都有广泛的应用。
单片机技术已经广泛应用社会生活的各个领域,已经成为一种非常实用的技术。
51单片机是最常用的一种单片机,而且在高校中都以51单片机教材为蓝本,这使得51单片机成为初学单片机技术人员的首选。
本次设计采用的AT89C51是一种flash型单片机,可以直接在线编程,向单片机中写程序变得更加容易。
本次设计的数字温度计采用的是DS18B20数字温度传感器,DS18B20是一种可组网的高精度数字式温度传感器,由于其具有单总线的独特优点,可以使用户轻松地组建起传感器网络,并可使多点温度测量电路变得简单、可靠。
本设计根据设计要求,首先设计了硬件电路,然后绘制软件流程图及编写程序。
本设计属于一种多功能温度计,温度测量范围是-55℃到125℃。
温度值的分辨率可以被用户设定为9-12位,可以设置上下限报警温度,当温度不在设定的范围内时,就会启动报警程序报警。
本设计的显示模块是用液晶显示屏1602实现温度显示。
在显示实时测量温度的模式下还可以通过查询按键查看设定的上下限报警温度。
一、实验设计概述本系统所设计的数字温度计采用的是DS18B20数字温度传感器测温,测温上下限为10°C~40°C。
DS18B20直接输出的就是数字信号,与传统的温度计相比,具有读数方便,测温范围广,测温准确,上下限报警功能。
其输出温度采用LCD1602显示,主要用于对测温比较准确的场所。
该设计控制器使用的是51单片机AT89C51,AT89C51单片机在工控、测量、仪器仪表中应用还是比较广泛的。
课程设计任务书2015—2016学年第二学期专业:学号姓名:课程设计名称:电子技术课程设计设计题目:简易数字温度计的设计完成期限:自2016年6月13日至2016年6月26日共2周一、设计依据本课题要求利用电子技术相关知识设计出一个能够实现±0.1℃精度的数字温度计。
电路由温度采集电路、数字频率计电路和LED显示电路构成。
通过本课题练习,学生的综合知识应用能力、设计能力将有较大提高,对今后从事电子产品的研制、生产、经营维修等打下基础。
二、主要内容及要求主要内容:1、给出详细的总体设计方案;2、完成各部分具体功能电路设计,主要包括基于热敏电阻的温度信号采集电路、555振荡电路、频率计电路、LED显示电路设计;3、给出正确的电路图,仿真、调试验证各部分设计的正确性;4、整理设计成果,完成课程设计说明书的撰写。
要求所设计数字温度计的输出温度的范围-20~+45℃、误差范围±0.1℃,具体温度显示采用数码管实现。
三、途径和方法利用模拟电子技术和数字电子技术的相关知识设计一个数控温度计,可以先查阅相关资料(网上查找或参考相关书籍手册),明确课题的方向和目的,然后学习完成课题所需的理论知识,了解温度信号采集电路、555振荡电路、频率计电路、LED显示电路设计的工作原理;在理解的基础上确定设计电路方案,完成电路设计,画出原理图及PCB印制版图,通过仿真分析验证设计的正确性,最后提交课程设计说明书一份。
四、时间安排课题讲解:2小时阅读资料:10小时撰写设计说明书:12小时修订设计说明书:6小时五、主要参考资料[1]孙丽霞.数字电子技术[M].北京:高等教育出版社,2006:174-196.[2]杨素行.模拟电子技术基础简明教程[M].北京:高等教育出版社,2007:40-92.[3]高吉祥.全国大学生电子设计竞赛培训系列教程-基本技能训练与单元电路设计[M].北京:电子工业出版社,2007:24-57.[4]黄智伟.全国大学生电子设计竞赛训练教程[M].北京:电子工业出版社,2005.1:43-66.[5]彭介华.电子技术课程设计指导[M].北京:高等教育出版社,2002.12:37-228.[6]陈永甫.新编555集成电路应用800例[M].北京:电子工业出版,2000:80-130.[7]萧宝瑾.protel99SE操作指导与电路设计实例(第一版)[M].太原:太原理工大学,2004:198-230.[8]张义申,陆坤.电子设计技术[M].西安:电子科技大学出版,1996:48-62.指导教师(签字):教研室主任(签字):批准日期:年月日简易数字温度计的设计摘要温度在现实生活中起着相当重要的作用,在电子科技越来越发达的当今时代,工业生产中对温度的测量又有了更精确的要求。
数字温度计课程设计..(共18页)--本页仅作为文档封面,使用时请直接删除即可----内页可以根据需求调整合适字体及大小--课程设计(论文)题目名称数字温度计课程名称电子技术课程设计学生姓名学号系、专业指导教师2011年 12 月 16 日摘要温度计是工农业生产及科学研究中最常用的测量仪表。
使用温度测量仪,首先经过AD590集成温度传感器的作用,使外界温度转换为电流用表示。
因为上述为绝对温度K和电流之间的转换关系,而在设计中我们需要采用℃,所以我们必须使其转换成摄氏温度℃和电流之间的关系,这就要用到K—℃变换器。
通过K—℃变换器的作用,我们便得到想要的℃和电流之间的直接转换关系。
得到的电流再经过放大器的放大,即可直接用电压表读出被测对象的温度值。
然后放大后的电压接一比较器,比较器的输出端接报警设备。
报警设备可由一个发光二极管组成。
在设置了预警温度后,由比较器输出端的电压决定二极管是否发光,从而起到警报作用。
经TC7017AD 转换后,再通过数码管显示。
关键词:AD590放大器TC7107 数码管目录摘要……………………………………………………………………….1 系统总体设计 (1)总体方案设计 (1)系统原理框图及电路图 (1)2 系统详细设计 (2)温度传感器 (2)转换与放大电路 (3)K-C转换电路 (3)放大器 (4)比较器 (4)报警设备 (5)电路原理图 (5)A/D转换电路 (6)数码管显示 (10)3 仿真与调试 (11)电路的仿真 (11)仿真结论 (13)4 总结 (13)附录元件清单 (14)参考文献 ...................................................................... 错误!未定义书签。
1 系统总体设计总体方案设计图1所示为数字温度计的原理框图。
其工作原理是将被测的温度信号通过传感器转换成温度变化的电压信号,此电压信号经过放大电路后,通过模-数转换器把模拟量转变成数字量,最后将数字量送显示电路,用4位LED 数码管显示。
单片机课程设计说明书1 引言随着人们生活水平的不断提高,单片机控制无疑是人们追求的目标之一,它所给人带来的方便也是不可否定的,其中数字温度计就是一个典型的例子,但人们对它的要求越来越高,要为现代人工作、科研、生活、提供更好的更方便的设施就需要从数单片机技术入手,一切向着数字化控制,智能化控制方向发展。
2 总体设计方案2.1 方案论证根据系统的设计要求,选择DS18B20作为本系统的温度传感器,选择单片机AT89C51为测控系统的核心来完成数据采集、处理、显示、报警等功能。
选用数字温度传感器DS18B20,省却了采样/保持电路、运放、数/模转换电路以及进行长距离传输时的串/并转换电路,简化了电路,缩短了系统的工作时间,降低了系统的硬件成本。
该系统的总体设计思路如下:温度传感器DS18B20把所测得的温度发送到AT89C51单片机上,经过51单片机处理,将把温度在显示电路上显示,本系统显示器用4位共阳LED 数码管以动态扫描法实现。
检测范围-55摄氏度到125摄氏度。
按照系统设计功能的要求,确定系统由3个模块组成:主控制器、测温电路和显示电路。
数字温度计总体电路结构框图如图1所示。
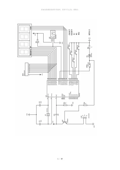
图1 数字温度计总体电路结构框图AT89C51 主 控 制 器显示电路温度传感器 DS18B20扫描驱动2.2 系统硬件电路的设计温度计电路设计原理图如图2所示,控制器使用单片机AT89C51,温度传感器使用DS18B20,用4位共阳LED数码管实现温度显示。
图2 数字温度计设计电路原理图2.2.1 主控制器AT89C51是一种带4K字节闪烁可编程可擦除只读存储器的低电压,高性能CMOS8位微处理器。
该器件采用ATMEL高密度非易失存储器制造技术制造,与工业标准的MCS-51指令集和输出管脚相兼容。
由于将多功能8位CPU和闪烁存储器组合在单个芯片中,ATMEL的AT89C51是一种高效微控制器,为很多嵌入式控制系统提供了一种灵活性高且价廉的方案。
河南机电高等专科学校电子技术课程设计报告设计课题:简易数字温度计的设计题目:简易数字温度计的设计一、设计任务与要求设计任务:设计出一个简易的数字温度计,用来测量0-100度之间的温度,使其度数显示在数字显示器上。
设计要求:1、制作出一个数字温度计。
2、画出整体电路图,写出课程设计报告。
3、同组同学的的设计不能雷同。
4、电路图中的图形必须本人亲自绘制。
5、每个同学必须有实物,并基本能工作。
二、方案设计与论证(1)方案一:本方案采用AD590单片集成两段式敢问电流源温度传感器对温度进行采集,采集的电压经过放大电路将信号放大,然后经过3.5位A/D转换器转换成数字信号,在进行模拟/数字信号转换的同时, 还可直接驱动LED显示器,将温度显示出来。
系统方框图如下:系统方案框图(2)方案二:使用数字传感器采集温度信号,然后将被测温度变化的电压或电流采集过来放大适当的倍数,进行A/D转换后,将转换后的数字进行编码,然后再经过译码器通过七段数字显示器将被测温度显示出来。
系统方案框图(3)方案三:使用温度频率转变电路,根据温度与频率的线性关系先将温度转变为频率,将转换的频率输入频率计中,频率计电路中通过放大整形电路、主门电路、计数器、锁存器、七段译码输出,在七段显示器中将频率显示出来,显示的频率即为对应的温度值。
方案的分析和比较方案一中的模数转换器ICL7107集A/D 转换和译码器于一体,可以直接驱动数码管,不仅省去了译码器的接线,使电路精简了不少,而且成本也不是很高。
ICL7107只需要很少的外部元件就可以精确测量0到200mv 电压,AD590可以将温度线性转换成电压输出。
而方案二经过A/D 转换后,需要先经过编码器再经过译码器才能将数字显示出来。
方案三只经过温度频率转换就可把温度用相应的频率显示出来,成本较低,可操作性较强。
比较上述三个方案,方案三明显优越于前两个方案,它用热敏电阻采集温度信号,用NE555将温度转化为频率输入频率计中,用CD40110驱动数码管直接实现数字信号的显示,实现数字温度计的设计;省去了另加编码器和译码器的设计,所以线路更简单、直观; 即采用方案三.三、单元电路设计与参数计算通过热敏电阻对温度进行采集,通过温度与频率近乎线性关系,以此来确定输出频率与其对应的温度,不同的温度对应不同的频率值,故我们可以通过频率值的改变来判断温度值,再由数码管表示出来。
基于单片机的简易数字温度计的设计张逊摘要本文介绍了一种基于单片机的简易数字温度计的设计。
该设计主要由三个模块组成:温度采集模块,数据处理模块及显示模块。
温度采集主要由温度传感器DS18B20来完成,它负责把采集到的模拟量转换为相应的数字量在传送到数据处理模块。
数据处理则由芯片STC89C52RC来完成,其负责把DS18B20传送来的数字量经过一定的数据处理,产生相应的显示码送到显示模块进行显示;此外,它还控制着芯片DS18B20相互通讯。
该系统的数字温度计电路简单,所用的元件较少,成本低,且测量精度和可靠性较高。
此数字温度计可以测量得温度范围—55~+125℃并通过一个四位一体的7段数码管显示出来。
关键词单片机;数字温度计;温度传感器;STC89C52RC;DS18B20Based on single chip simple digitalthermometer designZhangXunAbstract This paper introduces a kind of based on single chip simple digital thermometer design. This design mainly consists of three modules: temperature acquisition module, data processing module and display module. Temperature acquisition is mainly composed of temperature sensor DS18B20 to complete, it is responsible for the collection of the analog conversion to the corresponding digital quantity in the transfer to the data processing module. Data processing by the chip STC89C52RC to complete, which is responsible for the DS18B20 transfer to the digital quantity in the course of data processing, produce the corresponding display code to display module display; In addition, it also control the chip DS18B20 mutual communication.The system of the digital thermometer circuit is simple, the element used less, low cost, and high measuring accuracy and reliability. The digital thermometer can measure temperature range - 55 ~ + 125 ℃ and through a quaternity seven period of digital tube display.Keywords Single-chip microcontroller; Digital thermometer; Temperature sensor; AT89C51; DS18b20目录1 引言 (1)2 设计总体方案 (2)2.1设计要求 (3)2.2 设计思路 (4)2.3 设计方案 (5)3 硬件电路设计 (6)3.1 温度采集模块 (3)3.2 单片机系统 (9)3.3 复位电路和时钟电路 (16)3.4 数码管显示系统设计 (18)3.5 总体电路设计 (21)4 程序设计 (14)4.1 程序设计总方案 (23)4.2 系统子程序设计 (23)5面包电路的搭建 (25)5.1 硬件的调试 (25)5.2 显示结果分析 (18)6实物的制作 (19)结论 (37)参考文献 (38)附录程序代码 (22)致谢 (39)1 引言在环境的舒适度测量中,温度、湿度和空气质量是最基本的三个被测量,其中温度的测量最为经常。
数字温度计课程设计一、引言本文档旨在设计一门名为“数字温度计”的课程,旨在教授学生如何设计并制作一个简单的数字温度计。
通过这门课程,学生将了解温度的概念、温度测量的原理,并通过实践操作来设计、制作和调试一个数字温度计原型。
二、课程大纲1. 课程简介在本节课中,我们将介绍本门课程的内容、目标和教学方法。
2. 温度的概念和单位这一节课中,我们将学习温度的基本概念,温度的不同单位以及它们之间的转换关系。
3. 温度测量的原理在本节课中,我们将讲解温度测量的一些基本原理,包括使用热敏电阻、红外线传感器和半导体温度传感器等。
4. 温度传感器的选择和使用这节课我们将学习如何选择合适的温度传感器,并了解它们的使用方法和注意事项。
5. 数字温度计的设计与制作在本节课中,我们将介绍数字温度计的基本原理和电路设计。
学生们将分组进行设计并制作一个数字温度计原型。
6. 数字温度计的调试和应用这节课中,学生需要将制作好的数字温度计原型进行调试,并学习如何将其应用到实际生活中。
7. 课程总结和展望在最后一节课中,我们将对整个课程进行总结,并展望学生们在将来可以进一步深入研究的方向。
三、教学方法本门课程采用以下教学方法:1.授课:教师将通过讲解的方式,将温度概念、温度测量原理等知识传达给学生。
2.实验:学生将参与到温度计设计与制作的实验中,通过实际操作来理解概念和原理。
3.小组讨论:学生将分组进行温度计设计的讨论和合作,提高团队合作和问题解决能力。
4.实际应用:学生将通过调试和应用数字温度计原型,加深对温度测量的理解和实践能力。
四、课程评估本门课程的评估主要分为以下几个方面:1.实验成果:学生根据实验设计制作的数字温度计原型的质量和完成情况。
2.调试和应用:学生能否成功调试数字温度计原型,并将其应用到实际生活中。
3.报告和展示:学生需要撰写相关实验报告,并进行课程展示,展示他们的学习成果和理解。
五、参考资料以下是一些参考资料,供学生们深入了解和学习:1.电子技术基础教程2.温度传感器原理与应用3.温度计原理与设计以上是对《数字温度计课程设计》的简要说明,希望这门课程能够为学生们提供实践操作和实际应用的机会,帮助他们更深入地理解温度测量的原理与方法,培养他们的实践能力和问题解决能力。
新型数字温度计课程设计一、课程目标知识目标:1. 学生能理解新型数字温度计的工作原理与构造,掌握其使用方法。
2. 学生能描述温度的物理意义,并运用温度单位进行换算。
3. 学生了解新型数字温度计与传统温度计的区别及各自的优势。
技能目标:1. 学生能够正确使用新型数字温度计进行温度测量,并准确读取数据。
2. 学生通过实验操作,培养动手能力和观察分析能力。
3. 学生能够运用所学知识解决实际生活中的温度测量问题。
情感态度价值观目标:1. 学生对物理学产生兴趣,认识到物理知识与日常生活的紧密联系。
2. 学生在实验中培养合作意识,学会分享与交流,增强团队协作能力。
3. 学生在探索新型数字温度计的过程中,培养创新意识和科学探究精神。
本课程针对初中生设计,结合学生好奇心强、动手能力逐步提高的特点,注重理论知识与实践操作的相结合。
通过学习新型数字温度计的知识,使学生能够更好地理解物理学科,提高科学素养,同时培养其解决实际问题的能力。
教学过程中,注重启发式教学,引导学生主动探索,激发学生的学习兴趣和积极性。
课程目标的设定旨在让学生在学习过程中获得具体、可衡量的学习成果,为后续教学设计和评估提供依据。
二、教学内容1. 新型数字温度计的原理与构造- 温度测量的基本概念- 数字温度计的工作原理- 新型数字温度计的构造及功能特点2. 温度单位与换算- 摄氏度、华氏度等温度单位- 温度单位之间的换算方法3. 新型数字温度计的使用方法- 新型数字温度计的操作步骤- 正确读取温度数据的方法- 注意事项及安全操作规范4. 实践操作与数据分析- 实验室温度测量实践- 数据记录与处理- 分析新型数字温度计与传统温度计的优缺点5. 温度测量在生活中的应用- 生活中常见的温度测量场景- 新型数字温度计在实际应用中的优势教学内容依据课程目标,紧密结合教材,按照以下进度安排:第一课时:新型数字温度计的原理与构造,温度单位与换算第二课时:新型数字温度计的使用方法,实践操作与数据分析第三课时:温度测量在生活中的应用,总结讨论教学内容注重科学性和系统性,结合实验操作,使学生在实践中掌握新型数字温度计的相关知识,提高学生的实际操作能力。
课程设计(论文)题目名称数字温度计课程名称电子技术课程设计学生姓名沈煌学号0941201075系、专业电气工程系、09电力一班指导教师陈源2011年12月9日注:1.此表由指导教师填写,经系、教研室审批,指导教师、学生签字后生效;指导教师(签字):学生(签字):邵阳学院课程设计(论文)评阅表学生姓名沈煌学号0941201075系电气工程系专业班级09电力一班题目名称数字温度计课程名称电子技术课程设计一、学生自我总结二、指导教师评定2、表中的“评分项目”及“权重”根据各系的考核细则和评分标准确定。
目录1.绪论 (6)2.设计任务与要求 (6)2.1设计任务 (6)2.2设计要求 (6)3.系统功能描述 (6)4.系统总体设计 (7)4.1、总体方案设计 (7)4.2、系统原理框图及电路图 (7)5.系统详细设计 (8)5.1、传感器及其应用电路 (8)5.1.1、温度传感器 (8)5.1.2、应用电路 (9)5.2、放大电路 (10)5.3、A/D转换电路 (10)5.4、显示电路........................... 错误!未定义书签。
5.5、主要计算........................... 错误!未定义书签。
6、系统实现与测试 (12)6.1、系统功能及测试指标 (12)6.2、安装调试过程 (12)6.3、设计测试中出现的问题及解决办法 (12)7、课程设计总结 (13)7.1、收获 (13)7.2、心得体会 (13)参考文献 (14)1.前言电子技术课程设计是在低频电子线路、数字电子技术课程之后,安排的实践性教学环节。
它是高等学校电子信息专业类的学生必须进行的一种综合性训练。
其目的是学生运用所学的知识,动脑又动手,在教师指导下,结合某一专题独立地开展电子电路的设计与实验,更好地将理论和实际课题相结合,培养学生的综合应用能力,培养创新意识和提高学生的综合素质。
提高对设计课题的分析能力、解决实际问题的综合能力、动手能力。
唐山学院单片机原理课程设计题目简易数字温度计系 (部) 智能与信息工程学院班级姓名学号指导教师2017 年 1 月 2 日至 1 月 6 日共 1 周2017年1月4日《单片机原理》课程设计任务书课程设计成绩评定表目录1.方案论证 (1)2.硬件设计............................................ 错误!未定义书签。
2.1系统构成 (2)2.2器件选择 (2)2.2.1 AT89C51概述 (2)2.2.2 AT89C51引脚功能 (3)2.2.3复位电路的设计 (4)2.3数字温度传感器 (5)2.3.1 DS1621的技术指标 (5)2.3.2 DS1621的工作原理 (6)2.4 单片机和DS1621接口电路 (6)2.5 七段LED数码显示电路 (7)3.系统软件设计 (9)3.1 编程语言选择 (9)3.2 主程序的设计 (9)3.3 温度采集模块设计 (10)3.4 温度计算模块设计 (10)3.5 串行总线编程 (11)4.软硬件调试结果分析 (12)5.设计总结 (13)6.参考文献 (14)附录A 多点温度采集系统电路原理图 (15)1.方案论证该系统可以使用方案一:热敏电阻;方案二:数字温度芯片DS1621实现。
采用数字温度芯片DS1621 测量温度,输出信号全数字化。
便于单片机处理及控制,省去传统的测温方法的很多外围电路。
且该芯片的物理化学性很稳定,它能用做工业测温元件,此元件线形较好。
在0—100摄氏度时,最大线形偏差小于1摄氏度。
DS1621 的最大特点之一采用了单总线的数据传输,由数字温度计DS1621和微控制器AT89C51构成的温度测量装置,它直接输出温度的数字信号,可直接与计算机连接。
这样,测温系统的结构就比较简单,体积也不大。
采用51 单片机控制,软件编程的自由度大,可通过编程实现各种各样的算术算法和逻辑控制,而且体积小,硬件实现简单,安装方便。
数字温度计的设计与制作一、课程设计任务要求1、课题来源:老师和学生共同拟定。
2、类型:实做。
3、目的和意义:掌握单片机的编程。
4、基本要求:设计和制作一个温度显示器,可用键盘设置温度的上限和下限,测量的温度高于或低于设置的温度时,温度显示器报警。
5、完成时间:2011年3月9日。
二、方案论证选择由于用汇编语言编程比较麻烦,不容易修改。
我们仍然选择使用单片机C语言进行编程,设计思路如下:1、计时方案同样利用AT89C52单片机内部的定时器/计数器进行中断定时。
(1)、计数初值计算把定时器设为工作方式2,定时时间为0.25ms,则计数溢出4000次即得到时钟计时最小单位-----秒,而4000次计数可用软件方法实现。
假设使用T/C0,方式2,0.25ms定时,f(osc)=12MHZ. 则初值X满足(2^8-X)*1/12MHZ*12us=250usX=6---(0110)---(0006h)(2)、采用中断方式进行溢出次数累计,计数满4000次为秒计时(1s)。
2、键盘/显示方案AT89C52的P0口和P2口外接由8个LED数码管(LED7~LED0)构成的显示器,用P0口作LED的段码输出口,P2口作8个LED数码管的位控输出线,在内部RAM中设置显示缓冲区共8个单元。
P1口外接4个按键set1,set2,set3,set4构成键盘电路,可以调节测温的上下限。
复位电路由按钮,电容,电源接于AT89C52的9脚。
3、利用DS18B20数字温度计来组成一个测温系统。
只要求一个端口即可实现通信,不需要任何外部器件即可实现测温,通过程序编译可实现温度上、下限报警设置。
4、报警电路由蜂鸣器、三极管、电阻组成,超低温报警功能。
三、原理设计1、基本工作原理基于AT89C52单片机的数字温度计由AT89C52单片机控制器、电源、显示电路、温度传感器、复位电路、按键电路、报警电路和时钟电路组成,框图如系统框图所示。
数字温度计课程设计mul一、课程目标知识目标:1. 学生能理解数字温度计的工作原理,掌握温度测量单位摄氏度(℃)和华氏度(℉)的转换方法。
2. 学生能描述数字温度计在日常生活和科学实验中的应用,了解不同场合下温度测量的重要性。
3. 学生了解温度对环境、生物及物体性质的影响,理解温度变化与自然现象之间的关系。
技能目标:1. 学生能够正确使用数字温度计进行温度测量,并准确读取温度值。
2. 学生能够运用所学知识解决实际生活中的温度测量问题,如体温测量、气温观测等。
3. 学生通过小组合作和实验探究,培养观察、分析、解决问题的能力。
情感态度价值观目标:1. 学生养成对温度测量数据的严谨态度,注重实验操作的准确性和安全性。
2. 学生认识到温度测量在科学研究、生活实践等方面的重要意义,增强对科学技术的兴趣和好奇心。
3. 学生通过学习数字温度计相关知识,培养环保意识,关注气候变化对环境的影响。
4. 学生在小组合作中学会沟通、协作,培养团队精神和尊重他人意见的品质。
本课程设计针对学生年级特点,结合数字温度计相关知识,注重理论与实践相结合,旨在提高学生的科学素养和实践能力。
课程目标具体、可衡量,便于教学设计和评估。
在教学过程中,教师需关注学生个体差异,充分调动学生的积极性,引导他们主动探究、合作交流,实现课程目标。
二、教学内容本章节教学内容依据课程目标,紧密结合教材,确保科学性和系统性。
主要包括以下几部分:1. 数字温度计工作原理:介绍数字温度计的基本结构、传感器原理以及温度测量方法。
2. 温度单位及转换:讲解摄氏度与华氏度的定义,引导学生掌握两者之间的转换公式及计算方法。
3. 数字温度计的使用方法:教授如何正确使用数字温度计进行温度测量,包括操作步骤、注意事项等。
4. 温度测量的应用:分析数字温度计在日常生活、科学实验、医疗健康等领域的应用,强调温度测量在实际生活中的重要性。
5. 温度对生物及物体性质的影响:探讨温度对生物生长、物体状态变化等方面的影响,引导学生了解温度与自然现象之间的关系。
目录摘要 (1)1系统设计 (1)1.1设计任务 (1)1.2设计要求 (1)2系统方案论证 (1)2.1主控模块的论证与选择 (1)2.2显示模块的论证与选择 (2)2.3按键模块的论证与选择 (2)3系统理论分析与计算 (2)3.1 DS18B20的理论分析与计算 (2)4电路与程序设计 (3)4.1电路的设计 (3)4.2程序的设计 (6)5测试方案与测试数据 (7)5.1测试方案 (7)5.2 测试条件与仪器 (8)5.3 测试结果 (8)6 总结 (8)附录主要源程序 (9)摘要:本系统利用单片机AT89C52采用程序设计方法来测试温度,还可以通过两个按键设置温度报警上限,当测试温度超过设定的温度上限时,蜂鸣器器就会报警且绿灯关闭,红灯点亮;当温度低于上限时蜂鸣器关闭且红灯关闭,绿灯点亮。
并通过液晶屏1602显示其测试温度以及设置的上限温度。
关键词:STC89C52、LCD1602、DS18B20简易数字温度计设计1系统设计1.1设计任务设计一数字温度测量系统,能自动实现实际温度的测量与显示。
1.2设计要求1.2.1基本功能(1)测温范围-30℃~+120℃。
(2)测量误差在±0.5℃之内。
(3)能正常显示测量的温度。
1.2.2扩展功能(1)增加温控功能,并可修改设置温控的上下限。
(2)增加温控报警功能。
2系统方案论证本系统主要由主控模块、显示模块、按键模块、蜂鸣器模块、LED模块、传感器模块组成,下面分别论证这几个模块的选择。
2.1主控模块的论证与选择方案一:AT89C52单片机是一种高性能8位单片微型计算机。
内核本身具有丰富的指令集,足够实现本次作品的全部基本功能和部分拓展功能,相比Atmega16我们对AT89C52更为熟悉,且芯片价格较低,性价比高。
方案二:采用ATmega16芯片作为主控芯片。
由于对芯片的不熟悉,导致如果想要实现温度计全部基本功能和部分拓展功能,较为困难。
数字温度计设计课程设计引言数字温度计是一种用于测量温度的设备,它将温度转换为数字信号来表示。
在本课程设计中,我们将探讨数字温度计的设计原理和实现方法。
通过本设计,学生将能够理解数字温度计的工作原理,掌握数字信号的转换方式,并通过实际搭建一个数字温度计的电路来锻炼实践能力。
设计目标本课程设计旨在帮助学生达到以下目标:1.理解数字温度计的基本原理和工作机制;2.掌握数字信号的转换方式;3.学会使用模拟传感器完成温度测量;4.能够使用电路和编程工具实现数字温度计。
设计步骤步骤一:理解数字温度计的原理在本步骤中,学生将学习数字温度计的基本原理和工作机制。
他们需要学习关于传感器、模拟信号和数字信号的知识。
可以使用实验示意图、图表和实际温度计来帮助学生理解。
步骤二:选择传感器和电路元件在本步骤中,学生将学习如何选择合适的传感器和电路元件来实现数字温度计。
他们需要学习传感器的种类和特性,并选择合适的传感器来测量温度。
此外,学生还需要选择合适的电路元件来转换模拟信号为数字信号。
步骤三:搭建电路在本步骤中,学生将使用所选的传感器和电路元件来搭建数字温度计的电路。
他们需要按照电路图纸的指导,正确地连接电路,并确认电路的正常工作。
步骤四:测试和校准在本步骤中,学生将测试他们搭建的数字温度计的性能和准确性。
他们可以使用已知温度源来测试数字温度计的响应和精度,并根据需要调整传感器和电路的参数。
步骤五:实现数字温度显示在本步骤中,学生将使用数字信号转换器和显示设备来实现数字温度的显示。
他们需要学习如何将数字信号转换为合适的格式,并将其显示在合适的设备上。
步骤六:编写文档和报告在本步骤中,学生需要撰写关于数字温度计设计的文档和实验报告。
他们需要描述设计的原理、电路图纸、实验步骤和测试结果,并对设计中遇到的问题和解决方法进行讨论。
实验工具和材料•Arduino Uno开发板•温度传感器•电阻、电容和电路连接线•电脑和编程软件•调试工具:万用表、示波器等总结通过本课程设计,学生将能够理解数字温度计的工作原理,掌握数字信号的转换方式,并通过实际搭建一个数字温度计的电路来锻炼实践能力。