通风与空调工程施工质量验收资料
- 格式:doc
- 大小:265.50 KB
- 文档页数:16
建筑工程施工质量验收资料使用说明为认真贯彻执行国家《建筑工程施工质量验收统一标准》(GB50300-2001)及各专业规范,促进和帮助施工企业做好资料的收集和整理工作,使工程技术资料管理工作做到规范化、标准化、系统化。
我站依据《建筑工程施工质量验收统一标准》GB50300-2001和有关专业规范编制了《建筑工程施工质量验收资料》。
全套共8个分册。
本册是建筑电气部分,另7册分别是土建部分、建筑给水排水及采暖部分、桩基部分、玻璃幕墙部分、钢结构部分和通风空调及电梯部分。
现将使用中应注意事项说明如下:一、建筑工程质量验收资料的收集(一)分项工程检验批1、各分项工程检验批在班组自检合格的基础上,由企业专职质检员根据国家专业规范中相应条款在下道工序施工前进行验收,填写验收记录并经监理工程师(建设单位项目专业技术人员)确认。
2、分项工程检验批质量验收记录,应按下列要求填写:①分项工程检验批质量验收记录表中“主控项目”的质量情况,应简明扼要地说明该项目实际达到的质量状况,填写质保书编号和试验报告编号,避免填写“符合规范要求”、“符合质量要求”等空洞无物的笼统结论。
②“一般项目”的质量情况,如有具体数据的就填写数据。
无数据的,填写实际情况。
当分项工程检查时发现不合格者必须进行处理。
否则,不得进行下一道工序的施工。
③施工单位检查评定结果栏目由项目专业质量检查员填写。
监理(建设)单位验收结论栏由监理工程师在核查资料、现场实测旁站后填写。
未实行监理的工程由建设单位项目专业技术负责人在核查资料、现场实测旁站后填写。
④分项工程及检验批项数,本资料中表格不够可复印,无此项及多余部分应抽掉。
3、分部子分部工程质量应由总监理工程师(建设单位项目负责人)组织施工单位项目负责人和技术、质量负责人等进行验收;必要时,可邀请设计单位参加验收。
4、如有特殊分项工程,由施工企业按有关或技术标准自制表格进行评定,并将验收资料移交总包单位归入工程质量验收资料中。
1 总则1.0.1 为了加强建筑工程质量管理,统一通风与空调工程施工质量的验收,保证工程质量,制定本规范.1.0.2 本规范适用于建筑工程通风与空调工程施工质量的验收。
1.0.3 本规范应与现行国家标准建筑工程施工质量验收统一标准)GB 50300—2001配套使用。
1.0.4通风与空间工程施工中采用的工程技术文件、承包合同文件对施工质量的要求不也低于本规范的规定.1.0.5通风与空调工程施工质且的验收除应执行本规范的规定外,尚应符合国家现行有关标准规范的规定.2 术语2.0.l 风管air duct采用金属、非金属薄板或其他材料制作而成,用于空气流通的管道。
2.0.2 风道air channel采用混凝土、砖等建筑材料砌筑而成,用于空气流通的通道.2.0.3 通风工程ventilation worb送风、排风、除尘、气力输送以及防燃烟系统工程的统称.2.0.4 空调工程air conditioning works空气调节、空气净化与洁净室空调系统的总称.2.0.5 风管配件duct fittings风管系统中的弯管、三通、四通、各类变径及异形管、导流叶片和法兰等。
2.0.6 风管部件duct accessory通风、空调风管系统中的各类风口、阀门、排气罩、风帽、检查门和测定孔等.2.0.7 咬口seam金用薄板边缘弯曲成一定形状,用于相互固定连接的构造.2.0.8 漏风量air leakage。
ie风管系统中,在某一静压下通过风管本体结构及其接口,单位时间内泄出或渗入的空气体积量。
2.0.9 系统风管允许漏风量airsystempermlsslbleleakag。
rate按风管系统类别所规定平均单位面积、单位时间内的最大允许漏风量.2.0.10 漏风率air system leakage rat;。
空调设备、除尘器等,在工作压力下空气渗入或泄漏量与其额定风量的比值.2.0.11 净化空调系统air cleaning system用于洁净空间的空气调节、空气净化系统。
通风与空调节能工程检验批质量验收记录一、项目基本情况项目名称:通风与空调节能工程项目地址:XXX区XXX路XXX号验收时间:XXXX年X月X日二、质量验收内容根据通风与空调节能工程设计文件,合同要求及有关规范,对工程的质量进行全面检查和验收。
1.设备安装质量检验:a.检查设备的安装基座、膨胀螺栓、安装间隙等是否符合设计要求;b.检查设备的连接管道、接头、套管等是否焊接牢固、安装正确;c.检查设备的电源、信号线连接是否正确,是否存在短路、漏电等情况;d.检查设备的油液、气体等介质的供给管道是否密封良好,无泄漏现象。
2.管道系统质量检验:a.检查管道材料及配件的型号、规格是否符合设计要求;b.检查管道的焊接、螺纹连接是否牢固,是否存在裂纹、漏气现象;c.检查管道的支撑、固定是否牢固可靠,是否存在松动、变形等情况;d.检查管道的绝热层是否均匀、紧密,是否存在脱落、破损等现象。
3.控制系统质量检验:a.检查控制设备的型号、规格是否符合设计要求;b.检查控制设备的接线是否正确,是否存在接触不良、线路松动等现象;c.检查控制系统的程序和参数是否正确设置,是否能实现预期的控制功能;d.检查控制系统的运行记录、报警记录等是否能正常存储、查询。
4.试运行情况检验:a.根据设计要求、工艺流程等标准,对通风与空调节能设备进行试运行;b.检查设备运行时的温度、湿度、气流速度等参数是否符合设计要求;c.检查设备运行时的噪音、振动等是否超过规定的标准值;d.检查设备运行时的能耗,与设计要求进行对比分析。
三、质量验收结论1.设备安装质量检验结论:符合设计要求,合格。
2.管道系统质量检验结论:符合设计要求,合格。
3.控制系统质量检验结论:符合设计要求,合格。
4.试运行情况检验结论:设备运行稳定,各项参数指标符合设计要求,合格。
四、质量问题及整改要求根据质量验收过程中发现的问题,提出以下整改要求:1.设备安装中存在部分连接螺栓松动的情况,要求进行紧固处理。
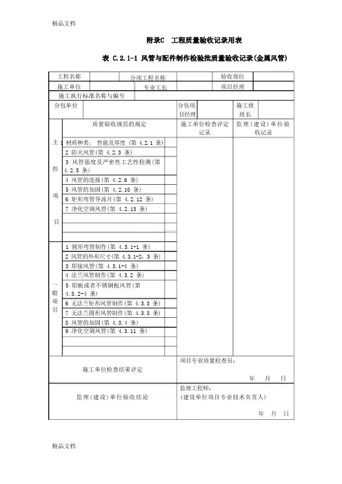
分项工程名称专业工长质量验收规范的规定主 1 材质种类、 性能及厚度 (第 4.2.1 条)2 防火风管(第 4.2.3 条)3 风管强度及严密性工艺性检测(第 控 4.2.5 条)4 风管的连接(第 4.2.6 条)5 风管的加固(第 4.2.10 条)6 矩形弯管导流片(第 4.2.12 条)7 净化空调风管(第 4.2.13 条)目验收部位 项目经理分包项 目经理施工单位检查评定 记录施工组 组长监理(建设)单位验收记录1 圆形弯管制作(第 4.3.1-1 条)2 风管的外形尺寸(第 4.3.1-2,3 条) 3 焊接风管(第 4.3.1-4 条)4 法兰风管制作(第 4.3.2 条)5 铝板或者不锈钢板风管(第 4.3.2-4 条)6 无法兰矩形风管制作(第 4.3.3 条)7 无法兰圆形风管制作(第 4.3.3 条)8 风管的加固(第 4.3.4 条)9 净化空调风管(第 4.3.11 条)施工单位检查结果评定监理(建设)单位验收结论项目专业质量检查员:年 月 日监理工程师:(建设单位项目专业技术负责人)年 月 日施工执行标准名称与编号 分包单位工程名称 施工单位项一 般 项 目分项工程名称专业工长主控项目 质量验收规范的规定1 材质种类、性能及厚度(第 4.2.2 条)2 复合材料风管的材料(第 4.2.4 条)3 风管强度及严密性工艺性检测(第 4.2.5 条)4 风管的连接(第 4.2.6、4.2.7 条)5 复合材料风管的连接(第 4.2.8 条)6 砖、混凝土风道的变形缝(第 4.2.9 条)7 风管的加固(第 4.2.11 条) 8 矩形弯管导流片(第 4.2.12 条) 9 净化空调风管(第 4.2.13 条)验收部位 项目经理分包项 目经理施工单位检查评 定记录施工组 组长监理(建设)单位验收记录1 风管的外形尺寸(第 4.3.1 条)2 硬聚氯乙烯风管(第 4.3.5 条)3 有机玻璃钢风管(第 4.3.6 条)4 无机玻璃钢风管(第 4.3.7 条)5 砖、混凝土风道(第 4.3.8 条)6 双面铝箔绝热板风管(第 4.3.9 条)7 铝箔玻璃纤维板风管 (第 4.3.10 条)8 净化空调风管(第 4.3.11 条)施工单位检查结果评定监理(建设)单位验收结论项目专业质量检查员:年 月 日监理工程师:(建设单位项目专业技术负责人)年 月 日施工执行标准名称与编号 分包单位 工程名称 施工单位一 般 项 目工程名称 施工单位 施工执行标准名称与编号 分包单位分项工程名称专业工长分包项 目经理验收部位 项目经理施工组 组长质量验收规范的规定1 普通风阀(第 5.2.1 条)2 电动风阀(的 5.2.2 条)3 防火阀、 排烟阀 (口) (第 5.2.3 条)4 防爆风阀(第 5.2.4 条)5 净化空调系统风阀(第 5.2.5 条)6 特殊风阀(第 5.2.6 条)7 防排烟柔性短管(第 5.2.7 条) 8 消声弯管、消声器(第 5.2.8 条)施工单位检查评 定记录监理(建设)单位验收记录1 调节风阀(第 5.3.1 条)2 止回风阀(第 5.3.2 条)3 插板风阀(第 5.3.3 条)4 三通调节阀(第 5.3.4 条)5 风量平衡阀(第 5.3.5 条)6 风罩(第 5.3.6 条)7 风帽(第 5.3.7 条)8 矩形弯管导流片(第 5.3.8 条) 9 柔性短管(第 5.3.9 条) 10 消声器(第 5.3.10 条) 11 检查门(第 5.3.11 条) 12 风口(第 5.3.12 条)项目专业质量检查员:施工单位检查结果评定监理(建设)单位验收结论年 月 日监理工程师:(建设单位项目专业技术负责人)年 月 日一 般 项 目主控 项 目工程名称施工单位施工执行标准名称与编号分包单位分项工程名称专业工长分包项目经理验收部位项目经理施工组组长主质量验收规范的规定1 风管穿越防火、防爆墙(第 6.2.1 条) 施工单位检查评定记录监理(建设)单位验收记录控项目2 风管内严禁其他管线穿越(第 6.2.2条)3 室外立管的固定拉索(第 6.2.2-3 条)4 高于80℃风管系统(第 6.2.3 条)5 风阀的安装(第 6.2.4 条)6 手动密闭阀的安装(第 6.2.9 条)7 风管严密性检验(第 6.2.8 条)1 风管系统的安装(第 6.3.1 条)2 无法兰风管系统的安装(第 6.3.2 条)3 风管安装水平、垂直质量(第 6.3.3条)4 风管的支、吊架(第 6.3.4 条)5 铝板、不锈钢板风管安装(第 6.3.1-8条)6 非金属风管的安装(第 6.3.5 条)7 风阀的安装(第 6.3.8 条)8 风帽的安装(第 6.3.9 条)9 吸、排风罩的安装(第 6.3.10 条)10 风口的安装(第 6.3.11 条)项目专业质量检查员:施工单位检查结果评定监理(建设)单位验收结论年月日监理工程师:(建设单位项目专业技术负责人)年月日一般项目工程名称施工单位施工执行标准名称与编号分包单位分项工程名称专业工长分包项目经理验收部位项目经理施工组组长主质量验收规范的规定1 风管穿越防火墙、防爆墙(第 6.2.1 条) 施工单位检查评定记录监理(建设)单位验收记录控项目2 风管内严禁其他管线穿越(第 6.2.2条)3 室外立管的固定拉索(第 6.2.2-3 条)4 高于80℃风管系统(第 6.2.3 条)5 风阀的安装(第 6.2.4 条)6 手动密闭阀的安装(第 6.2.9 条)7 风管严密性检验(第 6.2.8 条)1 风管系统的安装(第 6.3.1 条)2 无法兰风管系统的安装(第 6.3.2 条)3 风管安装水平、垂直质量(第 6.3.3条)4 风管的支、吊架(第 6.3.4 条)5 铝板、不锈钢板风管安装(第 6.3.1-8条)6 非金属风管的安装(第 6.3.5 条)7 复合材料风管安装(第 6.3.6 条)8 风阀的安装(第 6.3.8 条)9 风口的安装(第 6.3.11 条)10 变风量末端装置安装(第 7.3.20 条)项目专业质量检查员:施工单位检查结果评定年月日一般项目监理工程师:(建设单位项目专业技术负责人)年 月 日分项工程名称专业工长主控项目质量验收规范的规定1 风管穿越防火墙、防爆墙(第 6.2.1 条)2 风管内严禁其他管线穿越(第 6.2.2条) 3 室外立管的固定拉索(第 6.2.2-3 条) 4 高于 80℃风管系统(第 6.2.3 条)5 风阀的安装(第 6.2.4 条)6 手动密闭阀的安装(第 6.2.5 条)7 净化风管安装(第 6.2.6 条)8 真空吸尘系统安装(第 6.2.7 条)9 风管严密性检验(第 6.2.8 条)验收部位 项目经理分包项 目经理施工单位检查评 定记录 施工组 组长监理(建设)单位验收记录1 风管系统的安装(第 6.3.1 条)2 无法兰风管系统的安装(第 6.3.2 条)3 风管安装水平、垂直质量(第 6.3.3 条)4 风管的支、吊架(第 6.3.4 条)5 铝板、不锈钢板风管安装(第 6.3.1-8 条)6 非金属风管的安装(第 6.3.5 条)7 复合材料风管安装(第 6.3.6 条)8 风阀的安装(第 6.3.8 条)9 净化空调风口的安装 (第 6.3.12 条) 10 真空吸尘系统安装(第 6.3.7 条) 11 风口的安装(第 6.2.12 条)施工执行标准名称与编号 分包单位 监理(建设)单位验收结论工程名称 施工单位一 般 项 目年 月 日监理工程师:(建设单位项目专业技术负责人)年 月 日分项工程名称专业工长施工组 组长监理(建设)单位验收记录1 通风机的安装(第 7.2.1 条) 控2 通风机安全措施(第 7.2.2 条)项目1 离心风机的安装(第 7.3.1-1 条)2 轴流风机的安装(第 7.3.1-2 条)3 风机的隔振支架(第 7.3.1-3、 一 7.3.1-4 条) 般 项 目工程名称 施工单位施工执行标准名称 与编号 分包单位施工单位检查评 定记录 主 质量验收规范的规定监理(建设)单位验收结论验收部位 项目经理分包项 目经理监理(建设)单位验收结论年月日监理工程师:(建设单位项目专业技术负责人)年月日工程名称施工单位施工执行标准名称与编号分包单位分项工程名称专业工长分包项目经理验收部位项目经理施工组组长主控项目质量验收规范的规定1 通风机的安装(第 7.2.1 条)2 通风机安全措施(第 7.2.2 条)3 除尘器的安装(第 7.2.4 条)4 布袋与静电除尘器的接地(第7.2.4-3 条)5 静电空气过滤器安装 (第 7.2.7 条)6 电加热器的安装(第 7.2.8 条)7 过滤吸收器的安装(第 7.2.10 条)施工单位检查评定记录监理(建设)单位验收记录一般项目1 通风机的安装(第 7.3.1 条)2 除尘设备的安装(第 7.3.5 条)3 现场组装静电除尘器的安装(第7.3.6 条)4 现场组装布袋除尘器的安装(第7.3.7 条)5 消声器的安装(第 7.3.13 条)6 空气过滤器的安装(第 7.3.14 条)7 蒸汽加湿器的安装(第 7.3.18 条)8 空气风幕机的安装(第 7.3.19 条)项目专业质量检查员:施工单位检查结果评定年 月 日监理工程师:(建设单位项目专业技术负责人)年 月 日分项工程名称专业工长分包项 目经理监理(建设)单位验收记录1 通风机的安装(第 7.2.1 条)2 通风机安全措施(第 7.2.2 条)3 空调机组的安装(第 7.2.3 条)4 静电空气过滤器安装(第 7.2.7 条5 电加热器的安装(第 7.2.8 条)6 干蒸汽加湿器的安装(第 7.2.9 条)目1 通风机的安装(第 7.3.1 条)2 组合式空调机组的安装(第 7.3.2 条)3 现场组装的空气处理室安装(第 7.3.3 条)4 单元式空调机组的安装(第 7.3.4 条)5 消声器的安装(第 7.3.13 条)6 风机盘管机组安装(第 7.3.15 条)7 粗、中效空气过滤器的安装(第 7.3.14 条)8 空气风幕机的安装(第 7.3.19 条) 9 转轮式换热器安装(第 7.3.16 条) 10 转轮式去湿器安装(第 7.3.17 条)工程名称 施工单位施工执行标准名称 与编号 分包单位 施工单位检查评 定记录 监理(建设)单位验收结论验收部位 项目经理质量验收规范的规定施工组 组长一般 项 目控 主项11 蒸汽加湿器安装(第 7.3.18 条)项目专业质量检查员:施工单位检查结果评定年 月 日监理工程师:(建设单位项目专业技术负责人)年 月 日分项工程名称专业工长分包项 目经理监理(建设)单位验收记录1 通风机的安装(第 7.2.1 条)2 通风机安全措施(第 7.2.2 条)3 空调机组的安装(第 7.2.3 条)4 净化空调设备的安装(第 7.2.6 条)5 高效过滤器的安装(第 7.2.5 条)6 静电空气过滤器安装(第 7.2.7 条) 7 电加热器的安装(第 7.2.8 条) 8 干蒸汽加湿器的安装(第 7.2.9 条)1 通风机的安装(第 7.3.1 条)2 组合式净化空调机组的安装(第 7.3.2 条)3 净化室设备安装(第 7.3.8 条)4 装配室洁净室的安装(第 7.3.9 条)5 洁净室层流罩的安装(第 7.3.10 条)6 风机过滤单元安装(第 7.3.11 条)7 粗、中效空气过滤器的安装(第 7.3.14 条)8 高效过滤器安装(第 7.3.12 条) 9 消声器的安装(第 7.3.13 条)施工执行标准名称与编号 分包单位 施工单位检查评 定记录 监理(建设)单位验收结论验收部位 项目经理工程名称 施工单位质量验收规范的规定施工组 组长一 般 项 目控 主项 目10 蒸汽加湿器安装(第 7.3.18 条)项目专业质量检查员:施工单位检查结果评定年 月 日监理工程师:(建设单位项目专业技术负责人)年 月 日工程名称 施工单位分项工程名称专业工长验收部位 项目经理施工执行标准名称与编号分包单位分包项 目经理施工组 组长监理(建设)单位验收记录1 制冷设备与附属设备安装(第 8.2.1-1、 控 3 条)2 设备混凝土基础的验收(第 8.2.1-2 条)3 表冷器的安装(第 8.2.2 条)4 燃气、燃油系设备的安装(第 8.2.3 条)5 制冷设备的严密性试验及试运行(一8.2.4 条)6 管道及管配件的安装(第 8.2.5 条)7 燃油管道系统接地(第 8.2.6 条)8 燃气系统的安装(第 8.2.7 条)9 氨管道焊缝的无损检测(第 8.2.8条) 10 乙二醇管道系统的规定(第 8.2.9 条)11 制冷剂管路的试验(第 8.2.10 条) 1 制冷设备安装(第 8.3.1-1、2、4、5 条)2 制冷附属设备安装(第 8.3.1-3 条) 3 模块化冷水机组安装(第 8.3.2 条)4 泵的安装(第 8.3.3 条)5 制冷剂管道的安装(第 8.3.4-1、2、 3、4 条)施工单位检查评 定记录 主 质量验收规范的规定监理(建设)单位验收结论一般 项项 目目 6 管道的焊接(第 8.3.4-5、6 条)7 阀门安装(第 8.3.5-2~5 条) 8 阀门的试压(第 8.3.5-1 条) 9 制冷系统的吹扫(第 8.3.6 条)项目专业质量检查员:施工单位检查结果评定年 月 日监理工程师:(建设单位项目专业技术负责人)年 月 日分项工程名称专业工长分包项 目经理质量验收规范的规定主1 系统的管材与配件验收(第 9.2.1 条)2 管道柔性接管的安装(第 9.2.2-3 条) 3 管道的套管(第 9.2.2-5 条)4 管道补偿器安装及固定支架(第 9.2.5 条)5 系统的冲洗、排污(第 9.2.2-4 条)6 阀门的安装(第 9.2.4 条)7 阀门的试压(第 9.2.4-3 条)8 系统的试压(第 9.2.3 条)9 隐蔽管道的验收(第 9.2.2-1 条)1 管道的焊接(第 9.3.2 条) 2 管道的罗纹连接(第 9.3.3 条) 3 管道的法兰连接(第 9.3.4 条) 4 管道的安装(第 9.3.5 条 ) 5 钢塑复合管道的安装(第 9.3.6 条)6 管道沟槽式连接(第 9.3.6 条)7 管道的支、吊架(第 9.3.8 条) 8 阀门及其他部件的安装(第 9.3.10 条)施工组 组长监理(建设)单位验收记录施工执行标准名称与编号 分包单位施工单位检查评 定记录监理(建设)单位验收结论工程名称 施工单位验收部位 项目经理一 般 项 目控 项 目工程名称施工单位施工执行标准名称与编号分包单位分项工程名称专业工长分包项目经理验收部位项目经理施工组组长一般项目质量验收规范的规定1 系统的管材与配件验收(第 9.2.1 条)2 管道柔性接管的安装(第 9.2.2-3 条)3 管道的套管(第 9.2.2-5 条)4 管道补偿器安装及固定支架(第9.2.5 条)5 系统的冲洗、排污(第 9.2.2-4 条)6 阀门的安装(第 9.2.4 条)7 阀门的试压(第 9.2.4-3 条)8 系统的试压(第 9.2.3 条)9 隐蔽管道的验收(第 9.2.2-1 条)1PVC-U 管道的安装(第 9.3.1 条)2PP-R 管道的安装(第 9.3.1 条)3PEX 管道的安装(9.3.1 条)4 管道安装的位置(第 9.3.9 条)5 管道的支、吊架(第 9.3.8 条)6 阀门的安装(第 9.3.10 条)7 系统放气阀与排水阀(第 9.3.10-4条)施工单位检查评定记录监理(建设)单位验收记录控主项目项目专业质量检查员:年月日监理工程师:(建设单位项目专业技术负责人)年月日9 系统放气阀与排水阀(第 9.3.10-4条)施工单位检查结果评定监理(建设)单位验收结论分项工程名称专业工长质量验收规范的规定1 系统的设备与附属设备(第 9.2.1 条)控 2 冷却塔的安装(第 9.2.6 条)3 水泵的安装(第 9.2.7 条)4 其他附属设备的安装(第 9.2.8 条) 项验收部位 项目经理分包项 目经理施工单位检查评 定记录 施工组 组长监理(建设)单位验收记录目一 1 风机盘管的管道连接(第 9.3.7 条) 般 2 冷却塔的安装(第 9.3.11 条)项 3 水泵与附属设备的安装(第 9.3.12 目 条)4 水箱、集水缸、分水缸、储冷罐等设 备的安装(第 9.3.13 条)5 水过滤器等设备的安装(第 9.3.10-3 条)施工执行标准名称与编号 工程名称 施工单位分包单位 主项目专业质量检查员:年 月 日监理工程师:(建设单位项目专业技术负责人)年 月 日施工单位检查结果评定监理(建设)单位验收结论分项工程名称专业工长主控项目质量验收规范的规定1 材料的验证(第 10.2.1 条)2 防腐涂料或者油漆质量 (第 10.2.2 条)3 电加热器与防火墙2m 管道(第 10.2.3 条)4 低温风管的绝热(第 10.2.4 条)5 洁净室内风管(第 10.2.5 条) 验收部位 项目经理分包项 目经理施工单位检查评 定记录施工组 组长监理(建设)单位验收记录一 般 项 目1 防腐涂层质量(第 10.3.1 条)2 空调设备、部件油漆或者绝热(第 10.3.4 条)3 绝热材料厚度及平整度(第 10.3.4 条)4 风管绝热粘贴接固定 (第 10.3.5 条) 5 风管绝热层保温钉固定(第 10.3.6 条)6 绝热涂料(第 10.3.7 条)施工执行标准名称与编号分包单位 工程名称 施工单位项目专业质量检查员:年 月 日监理工程师:(建设单位项目专业技术负责人)年 月 日施工单位检查结果评定监理(建设)单位验收结论分项工程名称专业工长一 般 项 目质量验收规范的规定1 材料的验证(第 10.2.1 条)2 防腐涂料或者油漆质量 (第 10.2.2 条) 3 电加热器与防火墙2m 管道(第 10.2.3 条)4 冷冻水管的绝热(第 10.2.4 条)5 洁净室内风管(第 10.2.5 条)1 防腐涂层质量(第 10.3.1 条)2 空调设备、部件油漆或者绝热(第 10.3.4 条)3 绝热材料厚度及平整度(第 10.3.4 条)4 绝热涂料(第 10.3.7 条)5 玻璃布保护层的施工 (第 10.3.8 条)6 管道阀门的绝热(第 10.3.9 条)7 管道绝热层的施工(第 10.3.10 条)8 管道防潮层的施工(第 10.3.11 条)验收部位 项目经理分包项 目经理施工单位检查评 定记录施工组 组长监理(建设)单位验收记录施工执行标准名称与编号分包单位 工程名称 施工单位控 主项 目 8 金属保护壳的施工(第 10.3.12 条)施工单位检查结果评定监理(建设)单位验收结论项目专业质量检查员:年 月 日监理工程师:(建设单位项目专业技术负责人)年 月 日分项工程名称专业工长主控项目 质量验收规范的规定1 通风机、空调机组单机试运转及调试(第 11.2.2-1 条)2 水泵单机试运转及调试(第 11.2.2-2 条)3 冷却塔单机试运转及调试(第11.2.2-3 条)4 制冷机组单机试运转及调试(第 11.2.2-4 条)5 电控防、排烟阀的动作试验(第 11.2.2-5 条)6 系统风量的调试(第 11.2.3-1 条)7 空调水系统的调试 (第 11.2.3-2 条)8 恒温、恒湿空调(第 11.2.3-3 条) 9 防、排系统调试(第 11.2.4 条)10 净化空调系统的调试(第 11.2.5 条) 1 风机、空调机组(第11.3.1-2.3 条)2 水泵的安装(第 11.3.1-1 条)3 风口风量的平衡(第 11.3.2-2 条)4 水系统的试运行(第 11.3.3-1、3 条)验收部位 项目经理分包项 目经理施工单位检查评 定记录 施工组 组长监理(建设)单位验收记录施工执行标准名称与编号分包单位 工程名称 施工单位10 机房内制冷管道色标(第 10.3.13 条)施工单位检查结果评定监理(建设)单位验收结论项目专业质量检查员:年 月 日监理工程师:(建设单位项目专业技术负责人)年 月 日工程名称施工单位分包单位序号检验批部位、区、段检验批数项目技术负责人分包项目经理监理(建设)单位验收结论结构类型项目经理分包单位负责人施工单位检验评定结果一 5 水系统检测元件的工作(第 11.3.3-2 般条)项 6 空调房间的参数 (第 11.3.3-4、5、6 目条)7 洁净空调房间的参数 (第 11.3.3 条)8 工程的控制和监测元件和执行结构(第 11.3.4 条)施工单位检查结果评定监理(建设)单位验收结论项目专业质量检查员:年月日监理工程师:(建设单位项目专业技术负责人)年月日精品文档项目专业技术负责人:监理工程师:(建设单位项目专业技术负年 月 日责人)年 月 日层数 质量部门负责人 分包技术负责人施工单位检查评定意见2 部件制作3 风管系统安装4 风机与空气处理设备安装5 消声设备制作与安装6 风管与设备防腐7 系统调试质量控制资料安全和功能检验(检测)报告观感质量验收结构类型 技术部门 负责人 分包单位 负责人 检验批数工程名称 施工单位分包单位 风管与配件制作分项工程名称 验收意见序号1检查 结 论验收 结 论精品文档项目经理:分包单位验年月日项目经理:施工单位收年月日项目负责人:勘察单位单年月日项目负责人:设计单位年月日总监理工程师:(建设单位项目专业负责人)监理(建设)单位年月日工程名称施工单位分包单位序号分项工程名称1风管与配件制作2 部件制作3 风管系统安装4 风机与空气处理设备安装5 排烟风口、常闭正压风口安装6 风管与设备防腐7 系统调试8 消声设备制作与安装(合用系统时检查)质量控制资料安全和功能检验(检测)报告层数质量部门负责人分包技术负责人施工单位检查评定意见结构类型技术部门负责人分包单位负责人检验批数验收意见位观感质量验收项目经理:分包单位施工单位勘察单位设计单位监理(建设)单位年月日项目经理:年月日项目负责人:年月日项目负责人:年月日总监理工程师:(建设单位项目专业负责人)年月日工程名称施工单位分包单位序号分项工程名称1风管与配件制作2 部件制作3 风管系统安装4 风机安装5 除尘器与排污设备安装6 风管与设备防腐7 风管与设备绝热8 系统调试质量控制资料安全和功能检验(检测)报告观感质量验收层数质量部门负责人分包技术负责人施工单位检查评定意见结构类型技术部门负责人分包单位负责人检验批数验收意见验收单位年月日项目经理:施工单位年月日项目负责人:勘察单位年月日项目负责人:设计单位监理(建设)单位年月日总监理工程师:(建设单位项目专业负责人)年月日工程名称施工单位分包单位序号分项工程名称1风管与配件制作2 部件制作3 风管系统安装4 风机与空气处理设备安装5 消声设备制作与安装6 风管与设备防腐7 风管与设备绝热8 系统调试质量控制资料安全和功能检验(检测)报告观感质量验收层数质量部门负责人分包技术负责人施工单位检查评定意见结构类型技术部门负责人分包单位负责人检验批数验收意见验收单位年月日项目经理:施工单位年月日项目负责人:勘察单位年月日项目负责人:设计单位监理(建设)单位年月日总监理工程师:(建设单位项目专业负责人)年月日工程名称施工单位分包单位序号分项工程名称1风管与配件制作2 部件制作3 风管系统安装4 风机与空气处理设备安装5 消声设备制作与安装6 风管与设备防腐7 风管与设备绝热8 高效过滤器安装9 净化设备安装10 系统调试质量控制资料安全和功能检验(检测)报告观感质量验收层数质量部门负责人分包技术负责人施工单位检查评定意见结构类型技术部门负责人分包单位负责人检验批数验收意见验收单位年 月 日项目经理:施工单位年 月 日项目负责人:勘察单位年 月 日项目负责人:设计单位监理(建设)单位年 月 日总监理工程师:(建设单位项目专业负责人)年 月 日层数 质量部门负责人 分包技术负责人施工单位检查评定意见1 制冷机组安装2 制冷剂管道及配件安装3 制冷附属设备安装4 管道及设备的防腐和绝热5 系统调试质量控制资料安全和功能检验(检测)报告观感质量验收工程名称 施工单位 分包单位序号 分项工程名称 结构类型 技术部门 负责人 分包单位 负责人 检验批数验收意见验收 单 位年月日项目经理:施工单位年月日项目负责人:勘察单位年月日项目负责人:设计单位监理(建设)单位年月日总监理工程师:(建设单位项目专业负责人)年月日工程名称施工单位分包单位序号分项工程名称1 冷热水管道系统安装2 冷却水管道系统安装3 冷凝水管道系统安装4 管道阀门和部件安装5 冷却塔安装6 水泵及附属设备安装7 管道与设备的防腐和绝热8 系统调试质量控制资料安全和功能检验(检测)报告层数质量部门负责人分包技术负责人施工单位检查评定意见结构类型技术部门负责人分包单位负责人检验批数验收意见验收单位工程名称 施工单位 分包单位序号 分项工程名称 1送、排风系统2 防、排烟系统3 除尘系统4 空调系统5 净化空调系统6 制冷系统7 空调水系统结构类型 技术部门 负责人 分包单位 负责人 检验批数层数 质量部门负责人 分包技术负责人施工单位检查评定意见验收意见质量控制资料安全和功能检验(检测)报告观感质量验收 观感质量验收项目经理:分包单位年 月 日项目经理:施工单位年 月 日项目负责人:勘察单位年 月 日项目负责人:设计单位年 月 日总监理工程师:(建设单位项目专业负责人)年 月 日监理(建设)单位验收 单 位项目经理:分包单位年月日项目经理:施工单位年月日项目负责人:勘察单位年月日项目负责人:设计单位监理(建设)单位年月日总监理工程师:(建设单位项目专业负责人)年月日验收单位。
附录C工程质量验收记录用表
表 C.2.1-1 风管与配件制作检验批质量验收记录(金属风管)
表 C.2.1-2 风管与配件制作检验批质量验收记录
(空调系统)
表 C.2.3-3 风管系统安装检验批质量验收记录
(净化空调系统)
表 C.2.5-1 通风与空调设备安装检验批质量验收记录
(通风系统)
表 C.2.5-2通风与空调设备安装检验批质量验收记录
(空调系统)
表 C.2.5-3通风与空调设备安装检验批质量验收记录
表 C.2.7-1 空调水系统安装检验批质量验收记录
表 C.2.7-2 空调水系统安装检验批质量验收记录
表 C.2.7-3 空调水系统安装检验批质量验收记录
表 C.2.8-1 腐蚀与绝热施工检验批质量验收记录
(风管系统)
表 C.2.8-2 腐蚀与绝热施工检验批质量验收记录
表C.4.1-1通风与空调子分部工程质量验收记录
表C.4.1-2通风与空调子分部工程质量验收记录
表C.4.1-3通风与空调子分部工程质量验收记录
表C.4.1-4通风与空调子分部工程质量验收记录
表C.4.1-5通风与空调子分部工程质量验收记录
表C.4.1-6通风与空调子分部工程质量验收记录
表C.4.1-7通风与空调子分部工程质量验收记录
(空调水系统)
表C.4.2通风与空调子分部工程质量验收记录。
通风与空调工程质量验收报告通风与空调工程质量验收报告一、工程简介本工程是XX大厦的通风与空调工程,包括了通风系统、冷水机组、风管及末端设备等。
该工程由专业的设计和施工团队完成,旨在为建筑物提供一个舒适、健康、高效的室内环境。
二、验收标准与方法本工程验收按照《建筑通风与空气调节工程验收标准》(GB 50343)及相关行业标准执行,采用现场查验、抽检实验室及检测仪器等方式进行检验和测试。
三、通风系统验收1. 通风系统设计、安装符合规范,各部件连接牢固,未出现漏气、漏水、油污等现象。
2. 风机启停运行平稳,噪声低于规定值,风机叶轮静平衡正确。
3. 滤网和空气净化器工作良好,能有效过滤室内外空气中的有害微颗粒物。
4. 管道安装合理,密封性能良好,未出现锈蚀或明显损坏。
5. 通风系统能实现进出口新风量和循环风量的精确调节控制。
四、空调系统验收1. 冷水机组设计、安装合理,与风机组整体配套,稳定运行,能满足设计要求。
2. 各种制冷剂管道、阀门等连接牢固,未出现泄漏现象。
3. 冷凝器、蒸发器及其附件安装完整,易于观察、维护、更换,未出现冻融、渗漏等现象。
4. 控制系统精确灵敏,能满足房间温度、湿度等调节要求。
5. 室内温度、湿度符合设计规范,能满足室内人员的相关舒适要求。
五、建议和意见在本次通风与空调工程质量验收过程中,未发现严重的质量问题,但也有一些需要改进或完善的地方。
建议在后续的使用过程中,加强对设备的维护保养,确保设备的长期正常运行。
此外,建议在清洁通风系统和空气调节设备时,使用环保型清洁剂,防止对人体和设备造成不利影响。
综上所述,本工程的通风与空调系统质量达到验收要求,可以交付使用。
通风与空调工程施工质量验收规范一、引言通风与空调工程施工质量验收是在工程竣工后,对通风与空调工程的施工质量进行检查和评估,以确保工程符合相关标准和要求。
本文档旨在制定通风与空调工程施工质量验收规范,为施工单位和监理单位提供具体的验收要求和指导,以保证工程的质量和安全。
二、验收范围通风与空调工程施工质量验收的范围包括但不限于以下内容:1.通风与空调设备的安装质量;2.风管、风机及其他管道的连接和密封;3.送风与排风口的定位和设置;4.控制系统的调试和运行;5.风量和空气质量的测试;6.施工图纸设计的符合性。
三、验收要求3.1 设备安装质量验收要求1.通风与空调设备应按照相关标准和设计要求进行安装,并经过正确的接地处理;2.设备安装位置合理,与建筑结构不发生冲突,保证设备的运行和维护;3.设备的安装应牢固可靠,不存在松动或晃动的情况;4.设备的接线应符合电气规范,线路的绝缘和接头质量良好;5.设备的防震、降噪处理到位,满足相关噪音和振动标准要求。
3.2 管道连接和密封验收要求1.管道的连接应采用专用接头,连接牢固,无漏气现象;2.管道的连接处应进行密封处理,确保无泄露;3.管道的布局应合理,保证通风与空调系统的正常运行。
3.3 送风与排风口定位和设置验收要求1.送风与排风口的位置设置应符合设计要求,保证空气流通良好;2.送风口和排风口应使用防火材料进行处理,防止火灾蔓延;3.送风口和排风口的尺寸和数量应满足通风与空调系统的需要;4.送风与排风口的设置应方便清洁和维护。
3.4 控制系统调试和运行验收要求1.控制系统应按照设计图纸和规范进行调试和运行,确保各部分设备正常工作;2.控制系统的操作界面清晰明了,操作简便;3.控制系统应具备故障自动报警和排除的功能;4.控制系统的运行稳定,反应灵敏,能够及时调整温度、湿度等参数;3.5 风量和空气质量测试验收要求1.对通风与空调系统的风量进行测试,确保与设计要求一致;2.对室内空气质量进行测试,确保符合相关标准和要求。
《通风与空调工程施工质量验收规范》(GB50243-2016)简介2017年8月3日·北京目录一简介1 编制依据2 适用范围3 特点4 规范修编的主要内容5 新规范(2016)与原规范(2002)总体的比较6 对取消原“综合效能的测试与调整”章节的说明二通风与空调工程施工质量验收规范强制性条文1 强制性条文的含义2 通风与空调工程施工质量的强制性条文3 与原规范强制性条文的比较三对2016规范章节及部分条文的说明(省略,不再讲)1 前言2 术语3 基本规定4 风管与配件5 风管部件6 风管系统安装7 风机及空气处理设备安装8 空调用冷热源与辅助设备安装9 空调水系统管道与设备安装10防腐与绝热11系统调试12竣工验收13 附录 A 工程质量验收记录用表14 附录 B 抽样检验15 附录 C 风管耐压强度及严密性测试(风管系统漏风量测试方法及取消漏光检测)16 附录 D 洁净室(区域)工程测试17 附录 E 通风空调系统运行基本参数测试四分项施工质量检验验收批记录表填写示范说明一、修订简介直接到三章强制性条文1修编依据根据住房和城乡建设部《关于印发(2012年工程建设标准规范制定修订计划)的通知》(建标{2012}5号)文的要求,规范编制组经广泛调查研究,认真总结实践经验,参考有关国际标准和国外先进标准,并在广泛征求意见的基础上编制本标准,完成了对《通风与空调工程施工质量验收规范》GB50243-2002以下简称原规范)的全面修订。
原规范从颁布执行至今有十余年,已经不能满足当前通风与空调工程建设与施工质量验收的需要。
具体理由如下:其一,原规范标龄十五年,符合国家对工程建设标准管理的规定,即标准施行五年及以上时应进行认证复审或予以修订。
其二,自原规范执行十多年来建筑空调工程有众多新材料、新设备、新技术与新工艺得到开发与应用,如多联机组、蓄能技术、地源热泵、室内环境的空气品质、低碳、节能等方面新工程技术的推广使用,使原规范无法全面覆盖,需要通过考证予以增补。
通风与空调设备安装检验批质量验收记录一、引言通风与空调设备是建筑物中维持室内空气质量的重要设备。
为了确保设备的安装质量和运行效果,进行质量验收是十分必要的。
本文档记录了通风与空调设备安装质量验收的过程和结果。
二、验收标准根据相关国家标准和设计要求,通风与空调设备的安装质量验收应包括以下内容: 1. 设备的基础和支架安装是否符合要求; 2. 设备的连接管道、风道及绝缘材料是否符合要求; 3. 设备与电源的连接是否正确可靠; 4. 设备的控制系统是否正常运行; 5. 设备的性能参数是否符合设计要求; 6. 设备的安全保护装置是否完好有效;7. 设备的噪音和振动是否在规定范围内;8. 设备的外观是否整洁、无损坏。
三、验收过程1. 设备基础和支架安装验收检查通风与空调设备的基础和支架是否符合设计要求和相关标准。
包括支架的固定是否牢固、基础的平整度是否合理等。
2. 连接管道、风道及绝缘材料验收检查设备的连接管道、风道及绝缘材料的安装是否符合要求。
包括管道的连接是否紧密、绝缘材料的覆盖是否完整等。
3. 设备与电源连接验收检查设备与电源的连接是否正确可靠。
包括电源线的接线是否规范、接线盒的密封是否良好等。
4. 控制系统验收测试设备的控制系统是否正常运行。
包括设备的启停、温度调节、风量调节等功能是否正常。
5. 性能参数验收测试设备的性能参数是否符合设计要求。
包括设备的制冷/制热效果、换气量等参数是否达标。
6. 安全保护装置验收检查设备的安全保护装置是否完好有效。
包括温度保护器、过载保护装置等是否能够正常工作。
7. 噪音和振动验收测试设备的噪音和振动是否在规定范围内。
通过测量设备的噪声水平和振动幅度来评估其运行状态。
8. 外观验收检查设备的外观是否整洁、无损坏。
包括设备表面是否存在划痕、变形等问题。
四、验收结果经过以上的验收过程,我们对通风与空调设备的安装质量进行了全面的评估。
根据检查结果,设备的安装质量符合设计要求和相关标准,各项性能指标均达到预期要求。
通风与空调系统竣工验收时需提交哪些资料范本一:1. 通风与空调系统竣工验收资料清单1.1 设计文件1.1.1 通风与空调系统设计方案1.1.2 通风与空调系统施工图纸1.2 施工合同文件1.2.1 通风与空调系统施工合同1.2.2 工程进度计划1.3 施工报告1.3.1 通风与空调系统施工报告1.3.2 竣工检测报告1.4 供货商及材料资料1.4.1 各类通风与空调设备供货商合格证书1.4.2 通风与空调系统设备清单1.4.3 设备质量检测报告1.5 安装验收资料1.5.1 通风与空调系统设备安装图纸1.5.2 安装记录及验收报告1.6 调试与试运行资料1.6.1 通风与空调系统调试记录1.6.2 试运行记录及验收报告1.7 监测数据1.7.1 通风与空调系统相关工艺参数监测数据 1.7.2 通风与空调系统性能测试报告1.8 培训与使用说明1.8.1 培训记录及培训讲义1.8.2 通风与空调系统操作使用说明书1.9 保养与维修资料1.9.1 保养维修合同与计划1.9.2 通风与空调系统保养维修记录2. 附件附件一:通风与空调系统设计方案附件二:通风与空调系统施工图纸...3. 法律名词及注释- 通风与空调系统:对建筑物内外的空气进行流通与净化的系统。
- 竣工验收:对工程项目的完工质量与性能进行检验与确认的过程。
...4. 本文档涉及附件:附件一至附件十:详见附件部分。
5. 本文所涉及的法律名词及注释:详见法律名词及注释部分。
范本二:1. 通风与空调系统竣工验收资料一览1.1 设计资料1.1.1 通风与空调系统设计方案1.1.2 通风与空调系统施工图纸1.2 合同与合约1.2.1 通风与空调系统施工合同1.2.2 工程进度计划1.3 施工报告与检测报告1.3.1 通风与空调系统施工报告1.3.2 通风与空调系统竣工检测报告1.4 供应商及材料资料1.4.1 各类通风与空调设备供应商合格证书 1.4.2 通风与空调系统设备清单1.4.3 设备质量检测报告1.5 安装验收资料1.5.1 通风与空调系统设备安装图纸1.5.2 安装记录及验收报告1.6 系统调试与试运行1.6.1 通风与空调系统调试记录1.6.2 试运行记录及验收报告1.7 监测与性能测试数据1.7.1 通风与空调系统相关工艺参数监测数据1.7.2 通风与空调系统性能测试报告1.8 使用与操作说明1.8.1 培训记录及培训材料1.8.2 通风与空调系统操作使用说明书1.9 保养与维修资料1.9.1 保养维修合同与计划1.9.2 通风与空调系统保养维修记录2. 附件清单附录一:通风与空调系统设计方案附录二:通风与空调系统施工图纸...3. 法律名词及注释- 通风与空调系统:对建筑物内外空气进行流通与净化的设备组合。
最新版通风与空调节能分项工程检验批质量验收记录为了确保通风与空调节能分项工程的质量,经过本单位相关人员的精心筹备和施工工人的努力,我单位完成了通风与空调节能分项工程的施工任务。
现在对该项目进行质量验收,以确保工程质量符合相关标准和要求。
一、工程概况:项目名称:通风与空调节能分项工程项目地点:建设单位:施工单位:监理单位:工程内容:1.通风系统的建设和安装2.空调系统的建设和安装3.风管、水管、电缆等管道的敷设和连接4.空调机组、风机、过滤器等设备的安装和调试二、质量验收情况:1.工程质量检查和验收依据:根据国家建设工程质量验收标准及相关规范要求2.质量验收时间:3.施工单位出具的施工合格证明及相关资料:(1)通风系统施工合格证明(2)空调系统施工合格证明(3)其他相关资料3.空调与通风系统运行状态:(1)空调系统空调机组是否正常运行空调温度、湿度是否符合设计要求空调系统的噪音是否超标空调系统的能耗是否符合节能要求(2)通风系统风机正常运行是否稳定通风系统的送风量是否达到设计要求通风系统的噪音是否超标通风系统的能耗是否符合节能要求4.施工单位配合情况:(1)施工单位是否按照施工图纸和技术要求进行施工(2)施工单位是否站在建设单位和用户的立场上,合理建议和安排施工方案(3)施工单位是否按时、按量完成工程任务5.工程质量验收结论:根据以上内容和相关文件资料的审核,通风与空调节能分项工程的质量符合相关规范和要求,工程验收合格。
6.还存在的问题及后续处理措施:(1)问题描述:(2)处理措施和整改要求:(3)整改责任单位和责任人:(4)整改期限:7.验收人员:建设单位代表:施工单位代表:监理单位代表:8.验收记录:(1)现场验收照片;(2)《工程质量验收报告》;(3)其他相关证明材料。
以上是针对通风与空调节能分项工程的质量验收记录,希望能够帮助到您。
空调与通风系统工程检验批质量验收记录空调与通风系统工程是建筑工程中的一个重要部分,对于保障室内空气质量和人员舒适度起着至关重要的作用。
因此,在工程完工后,对空调与通风系统进行检验批质量验收,以确保其正常运行和达到设计要求,是非常必要的。
下面是一份空调与通风系统工程检验批质量验收记录,供参考。
项目名称:XX大厦空调与通风系统工程验收记录工程概况:1.工程名称:XX大厦空调与通风系统工程2.工程地点:XX市XX区3.工程范围:安装XX台中央空调系统、XX台新风系统一、检查项目及要求:1.设备安装:保证设备安装位置合理、固定可靠。
2.管道及风管安装:保证管道及风管连通性,防漏、防水、防火。
3.风口及排风口安装:保证风口布局合理,无堵塞现象。
4.温度、湿度及压力检测:确保系统可调节各项指标达到设计要求。
5.电气接线:保证接线规范,确保电气设备正常运行。
二、检验批质量验收记录:日期:XX年XX月XX日地点:XX大厦工程现场检查人员:XXX、XXX、XXX检查项目:1.设备安装-检查设备是否按照设计要求安装,位置是否合理。
-检查设备的固定方式,确保设备固定牢固,不易摇晃。
-检查设备安装是否符合安全规范,如是否设置防护措施和警示标志。
结果:设备安装符合要求,通过验收。
2.管道及风管安装-检查管道及风管布局是否合理,长度是否符合设计要求。
-检查管道及风管是否连接紧密,无松动现象。
-检查管道及风管的防漏、防水、防火措施是否到位。
结果:管道及风管安装符合要求,通过验收。
3.风口及排风口安装-检查风口及排风口布局是否合理,位置是否与设计相符。
-检查风口及排风口是否有堵塞现象,通风效果是否达到设计要求。
结果:风口及排风口安装符合要求,通过验收。
4.温度、湿度及压力检测-使用测试仪器对空调系统的温度、湿度和压力进行检测。
-比对检测结果与设计要求进行对比,确保各项指标符合设计要求。
结果:温度、湿度及压力检测符合要求,通过验收。
通风与空调子分部工程质量验收记录一、验收目的:二、验收原则:1.合规性原则:验收过程需按照相关设计要求、技术标准和规范进行,确保工程的合规性。
2.实用性原则:工程验收需确保工程设施的可靠性、安全性和实用性,符合使用需求。
3.可维护性原则:工程验收需保证工程设施可方便的进行维护和使用,确保设施的可持续运营。
三、验收内容:1.材料验收:对工程所使用的材料进行检查,包括通风管道、空调设备、风口、风机等材料的材质、规格、数量是否符合设计要求,是否有质量问题。
2.施工质量验收:对通风与空调工程的施工质量进行检查,包括通风管道的连接是否紧密、牢固,管道的漏风情况、管道悬挂支架是否运用到位等;空调设备的安装是否牢固、位置是否合理;风口和风机的安装是否符合要求等。
3.管道防腐处理:对通风管道的防腐处理进行检查,确保通风管道的反腐蚀工程符合规定要求。
4.工程安全性检查:对通风与空调工程的安全性进行检查,包括设备的接地情况、电气线路的绝缘性、防火隔离措施等,确保施工质量符合安全要求。
5.系统功能测试:对通风与空调系统进行功能性测试,包括风机的启停情况、风口的开闭情况、空调设备的制冷、制热效果等,以确保系统的正常运行和工作效果。
四、验收结果及结论:根据以上验收内容及过程,对通风与空调子分部工程进行综合评价,以下为评价结论:1.合格验收:工程的材料、施工质量、防腐处理、工程安全性和系统功能测试符合设计要求和相关标准的要求,可以正常投入使用。
2.不合格验收:工程的材料、施工质量、防腐处理、工程安全性和系统功能测试未符合设计要求和相关标准的要求,存在严重的质量问题,需要整改达到要求方可使用。
五、不合格处理:对于不合格的验收结果,应按照相关规定进行整改,并进行复验,确认整改后的工程符合设计要求和相关标准要求方可接受。
六、验收记录:对于通风与空调子分部工程的质量验收,需详细记录下来,包括验收时间、验收人员、验收内容、验收结果等,以备后续的使用和维护工作。
通风与空调设备安装工程检验批质量验收记录一、项目基本情况项目名称:XXX通风及空调设备安装工程施工单位:XXX建筑工程有限公司项目地点:XXX市验收日期:年月日二、验收范围本次通风及空调设备安装工程包括通风系统和空调系统的安装工作的全面验收,包括设备安装、管道敷设、电气连接、调试等方面的检验。
三、完成情况本次通风及空调设备安装工程已按照合同要求完成,施工单位已完成所有工程任务。
具体完成情况如下:1.通风系统安装1.1通风设备安装情况所有通风设备包括风管、排风机、送风机等均安装到位,与机房、走道等建筑物组织结构连接良好。
1.2风管敷设情况风管敷设符合设计要求,风管与建筑物墙面、天花板等之间留有适当的间隙,连接紧密且防水处理到位。
1.3风机安装情况通风设备中的风机安装稳定可靠,紧固件固定牢固,无松动现象。
2.空调系统安装2.1空调设备安装情况空调设备安装到位,设备防护措施到位,符合相关规范和安装要求。
2.2管道敷设情况冷却水、冷冻水、制冷剂等供水和回水管道有序敷设,管道连接紧密,无渗漏现象。
2.3电气连接情况空调设备的电气连接按照规范要求进行,电气线路设置合理,连接牢固。
四、质量评定经检验,通风与空调设备安装工程符合相关规范和设计要求,质量合格。
五、存在问题及处理意见在验收过程中,发现以下问题:1.部分风管连接处未进行密封处理,需要进行修补;2.有些冷却水管道的保温层存在破损现象,需要更换;3.部分空调设备接线不规范,需要整理和调试。
对于以上问题,建议施工单位尽快进行整改和修复,并在整改完成后重新通知验收单位进行复验。
六、总结本次通风与空调设备安装工程的验收工作圆满完成,施工单位已达到设计要求并按时交付。
在验收过程中,及时发现并处理了一些问题,为后续的设备运行维护提供了基础。
七、附件1.图纸设计及批准文件2.完工照片3.设备设施说明书签名:。
通风与空调工程系统调试检验批质量验收记录工程地址:XXX省XXX市XXX区XXX街X号一、项目概况XXX大厦通风与空调工程系统是一项重要的建筑设备工程,旨在维持大厦内部空气的流通和温度的调节,以提供舒适的室内环境。
本次工程的设计、施工、调试均按照相关标准和规范进行,以确保系统的安全运行和有效性。
二、工程范围本次通风与空调工程系统调试检验批质量验收涵盖以下内容:1.通风系统调试与检验2.空调系统调试与检验3.空调配管及维护检验三、质量验收内容本次质量验收的主要内容有:1.通风系统调试与检验记录2.空调系统调试与检验记录3.空调配管及维护检验记录4.系统安全性能测试报告四、质量验收程序1.施工单位按照设计方案进行系统调试和检验,并记录所检验项目的结果。
2.监理单位进行系统调试和检验结果的审核,核对其中是否存在问题。
3.监理单位对系统安全性能进行测试,并记录测试结果。
4.监理单位组织验收单位对调试和检验记录进行审核,确认质量合格。
1.通风系统调试与检验记录施工单位已完成通风系统的调试与检验,并记录了以下项目的结果:(1)通风系统风速和风量调整情况;(2)通风系统噪音水平检测结果;(3)通风系统温度调节效果及回风温度检测结果;(4)通风系统过滤器的清洁度检测结果。
2.空调系统调试与检验记录施工单位已完成空调系统的调试与检验,并记录了以下项目的结果:(1)空调系统制冷和制热效果检测结果;(2)空调系统湿度调节效果检测结果;(3)空调系统制冷剂的充注量及压力检测结果;(4)空调系统外部机组的噪音水平检测结果。
3.空调配管及维护检验记录施工单位已完成空调配管及维护的检验,并记录了以下项目的结果:(1)空调冷水和热水管路的密封性检测结果;(2)空调系统管路的绝缘性检测结果;(3)空调系统阀门的通畅性和密封性检测结果;(4)空调系统水泵的运行情况和噪音水平检测结果。
4.系统安全性能测试报告经由监理单位进行系统安全性能测试,并记录了以下项目的结果:(1)系统电气设备及线路的安全性能测试结果;(2)系统机械设备的安全性能测试结果;(3)系统防火性能测试结果;(4)系统漏电保护装置的测试结果。
通风与空调工程施工质量验收资料
工程名称
建设单位
监理单位
施工单位
项目专业技术负责人
编制人
竣工日期年月日
建筑安装工程设备成品半成品材料合格证汇总表
施工单位: (公章) 监理(建设)单位: (公章) 年月日
设备(开箱)进场验收记录
合格证贴条
(合格证粘贴处)
管道(设备)冲(吹)洗记录
工程名称施工单位
分项工程名称
监理(建设)
单位
环境温度℃试验日期
系统(设备)
名称
规格
及
数量
试验
介质
加药
种类
及数
量
留置时
间
冲(吹)
洗压力
冲
(吹)洗
时间
水质情
况
(附有
关部门检验
报告)
制冷系统气密性试验记录
绝热施工记录
分部(子分部)工程观感检查记录
单位工程名称
包括的子分部(分项)工程
名称
施工单位项目技术负责人
序号项目
施工单位自评
验收检查记录
验收质量评价
好
一
般
差好
一
般
差
1风管、支架
2风口、风阀
3风机、空调设备
4阀门、支架
5水泵、冷却塔
6防腐、绝热
7制冷机组
8制冷管道
9空调水管道
1
消声器、除尘器1
1
观感质量综合评价
结论
注:质量评价为差的项目,应进行返修。
空调制冷系统安装检验批质量验收记录表
工程系统调试验收记录表
防腐与绝热施工检验批质量验收记录
(管道系统)
设备单机试运转记录
试验人员试验
日期
施工单位检查意见:
项目专业质量检查员:年月日
监理(建设)单位验收结论:
建设单位项目专业技术负责人年月日。