【CN209758118U】一种防渗漏勾臂式垃圾箱【专利】
- 格式:pdf
- 大小:462.90 KB
- 文档页数:7
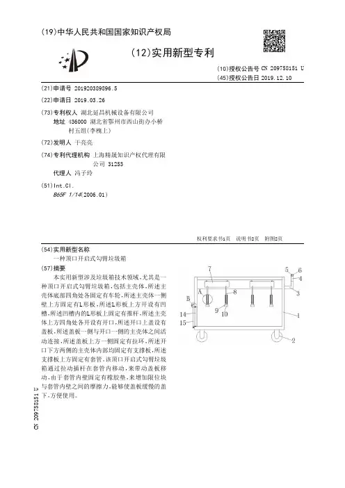
(19)中华人民共和国国家知识产权局(12)实用新型专利(10)授权公告号 (45)授权公告日 (21)申请号 201920389896.5(22)申请日 2019.03.26(73)专利权人 湖北延昌机械设备有限公司地址 436000 湖北省鄂州市西山街办小桥村五组(李槐上)(72)发明人 干亮亮 (74)专利代理机构 上海精晟知识产权代理有限公司 31253代理人 冯子玲(51)Int.Cl.B65F 1/14(2006.01)(54)实用新型名称一种顶口开启式勾臂垃圾箱(57)摘要本实用新型涉及垃圾箱技术领域,尤其是一种顶口开启式勾臂垃圾箱,包括主壳体,所述主壳体底部四角处各固定有车轮,所述主壳体一侧壁上方固定有L形板,所述L形板上方开设有凹槽,所述凹槽内的L形板上固定有推杆,所述主壳体上方四角处各开设有开口,所述开口上盖设有盖板,所述盖板一侧与开口一侧的主壳体之间活动连接,所述盖板上方一侧固定有拉环,所述开口下方两侧的主壳体内部均固定有支撑板,所述支撑板上方固定有套管。
该顶口开启式勾臂垃圾箱通过拉动插杆在套管内移动,来带动盖板移动,由于套管内壁固定有橡胶垫,来增加限位块与套管内壁之间的摩擦力,能够使盖板缓慢的盖下,方便使用。
权利要求书1页 说明书2页 附图2页CN 209758151 U 2019.12.10C N 209758151U权 利 要 求 书1/1页CN 209758151 U1.一种顶口开启式勾臂垃圾箱,包括主壳体(1),所述主壳体(1)底部四角处各固定有车轮(2),其特征在于,所述主壳体(1)一侧壁上方固定有L形板(3),所述L形板(3)上方开设有凹槽(4),所述凹槽(4)内的L形板(3)上固定有推杆(5),所述主壳体(1)上方四角处各开设有开口,所述开口上盖设有盖板(7),所述盖板(7)一侧与开口一侧的主壳体(1)之间活动连接,所述盖板(7)上方一侧固定有拉环(20),所述开口下方两侧的主壳体(1)内部均固定有支撑板(10),所述支撑板(10)上方固定有套管(9),所述套管(9)内部固定有橡胶垫(12),所述套管(9)内插设有插杆(8),所述插杆(8)插设在套管(9)内的一端固定有限位块(13),所述插杆(8)另一端固定在盖板(7)下方一侧,所述套管(9)上方固定有环形限位板(11),所述主壳体(1)一侧下方开设有出口,所述出口一侧的主壳体(1)上活动连接有外板盖(15),所述外板盖(15)一侧固定有内板盖(14),且内板盖(14)插设在出口内,所述外板盖(15)上方内部两侧均安装有螺栓(21),所述螺栓(21)贯穿外板盖(15)并延伸至主壳体(1)内。
(19)中华人民共和国国家知识产权局(12)实用新型专利(10)授权公告号 (45)授权公告日 (21)申请号 201920387504.1(22)申请日 2019.03.25(73)专利权人 浙江金保科技有限公司地址 321000 浙江省金华市婺城区蒋堂镇开化村(72)发明人 周方俊 周家帅 (74)专利代理机构 合肥道正企智知识产权代理有限公司 34130代理人 武金花(51)Int.Cl.B65F 1/16(2006.01)(54)实用新型名称一种移动式的防尘防臭垃圾箱(57)摘要本实用新型公开了一种移动式的防尘防臭垃圾箱,垃圾箱本体(1),具有上开口(111)以及与上开口直通的盛放垃圾的垃圾容纳腔(112);推进垃圾箱本体(1)移动的推进式机构(2),装在垃圾箱本体(1)的底部;以及与垃圾箱本体(1)铰接并启闭所述上开口(111)的盖板(3),所述上开口(111)的外缘轨迹延伸地设有承接部(4),所述盖板(3)上设有沿着上开口(111)外缘轨迹延伸的橡胶圈(5),所述承接部(4)上设有与橡胶圈(5)的形状轨迹相吻合的凹部(411),所述橡胶圈(5)与凹部(411)在盖板(3)与上开口(111)盖合之后形成压紧结构。
垃圾箱内的腐败气味不易散出,达到防臭目的。
权利要求书1页 说明书3页 附图6页CN 209777351 U 2019.12.13C N 209777351U权 利 要 求 书1/1页CN 209777351 U1.一种移动式的防尘防臭垃圾箱,其特征在于:垃圾箱本体(1),具有上开口(111)以及与上开口直通的盛放垃圾的垃圾容纳腔(112);推进垃圾箱本体(1)移动的推进式机构(2),装在垃圾箱本体(1)的底部;以及与垃圾箱本体(1)铰接并启闭所述上开口(111)的盖板(3),所述上开口(111)的外缘轨迹延伸地设有承接部(4),所述盖板(3)上设有沿着上开口(111)外缘轨迹延伸的橡胶圈(5),所述承接部(4)上设有与橡胶圈(5)的形状轨迹相吻合的凹部(411),所述橡胶圈(5)与凹部(411)在盖板(3)与上开口(111)盖合之后形成压紧结构。
专利名称:一种一体式防泄漏垃圾箱专利类型:实用新型专利
发明人:敖志平,刘忠山,雷利平
申请号:CN201820007600.4
申请日:20180103
公开号:CN208165833U
公开日:
20181130
专利内容由知识产权出版社提供
摘要:本实用新型公开了一种一体式防泄漏垃圾箱,包括垃圾箱本体,所述垃圾箱本体的尾部设有卸料口,垃圾箱本体尾部连接有与卸料口相适配的尾门,所述尾门一端铰接在垃圾箱本体上,所述垃圾箱本体尾部设有密封挡墙,所述尾门的另一端与密封挡墙之间通过尾门锁紧机构相连;本实用新型通过尾门和密封挡墙的设置,将密封挡墙和垃圾箱本体一体成型抬高垃圾箱了尾门污水密封线高度,做到了结构性杜绝污水泄漏,避免了由于尾门密封失效,导致的严重的污水泄漏问题,同时通过尾门的设置,装垃圾时关闭,卸垃圾时打开,使用便利。
申请人:遂宁市东乘车辆有限公司
地址:629000 四川省遂宁市安居区工业集中发展区
国籍:CN
代理机构:成都弘毅天承知识产权代理有限公司
代理人:谢建
更多信息请下载全文后查看。
专利名称:一种用于钩臂垃圾车的电动钩臂系统专利类型:发明专利
发明人:金学军,邵国斌,王强
申请号:CN201510802174.4
申请日:20151119
公开号:CN105346896A
公开日:
20160224
专利内容由知识产权出版社提供
摘要:本发明提供了一种用于钩臂垃圾车的电动钩臂系统,至少包括钩臂和由齿轮泵、液压缸、液压管路、油箱与油路换向电路构成的液压回路,钩臂通过液压缸驱动,所述齿轮泵通过电控系统驱动,所述电控系统包括控制器、电位器、控制器开关和驱动电机,电位器和控制器开关连接控制器的输入端,驱动电机连接控制器的输出端,驱动电机的输出轴连接齿轮泵的主动齿轮轴;钩臂的下方安装有行程开关,行程开关的常闭触点和常开触点均接入油路换向电路;该钩臂系统运行无噪音、效率高、能耗低,对环境无二次污染,可大大降低垃圾处理运行的成本、改善钩臂垃圾车作业的舒适性。
申请人:湖北精功科技有限公司
地址:430312 湖北省武汉市黄陂区盘龙城经济开发区巨龙大道211号
国籍:CN
代理机构:武汉华旭知识产权事务所
更多信息请下载全文后查看。
专利名称:带报警功能的勾臂式垃圾箱
专利类型:实用新型专利
发明人:代仁军,张平,杨乃,关庆锋,高传敏,谭文国申请号:CN202022592875.9
申请日:20201111
公开号:CN215624341U
公开日:
20220125
专利内容由知识产权出版社提供
摘要:本实用新型公开一种带报警功能的勾臂式垃圾箱,包括:箱体;烟雾报警器;GPS定位器;罩体,罩设在烟雾报警器和GPS定位器的外侧,包括背向箱体延伸且呈圆柱状的环形侧板和固定在环形侧板的自由端的挡板,环形侧板的底部设有多个透气孔;控制器,将烟雾报警器发送的报警信号和GPS定位器发送的位置信号传送至监控中心;电源。
本实用新型中,当勾臂式垃圾箱内发生火灾时,控制器将报警信号和位置信号传送至监控中心,以使工作人员能够及时获取火灾信号,并及时处理火灾;由罩体保护各部件,防止垃圾对各部件造成损坏。
申请人:南漳县恒达机械制造销售有限公司
地址:441534 湖北省襄阳市南漳县涌泉经济技术开发区威利邦大道
国籍:CN
代理机构:北京天方智力知识产权代理事务所(普通合伙)
代理人:贾耀梅
更多信息请下载全文后查看。
(19)中华人民共和国国家知识产权局
(12)实用新型专利
(10)授权公告号 (45)授权公告日 (21)申请号 201920390261.7
(22)申请日 2019.03.26
(73)专利权人 湖北延昌机械设备有限公司
地址 436000 湖北省鄂州市西山街办小桥
村五组(李槐上)
(72)发明人 干亮亮
(74)专利代理机构 上海精晟知识产权代理有限
公司 31253
代理人 冯子玲
(51)Int.Cl.
B65F 1/00(2006.01)
B65F 1/14(2006.01)
B65F 1/16(2006.01)
(54)实用新型名称
一种防渗漏勾臂式垃圾箱
(57)摘要
本实用新型涉及生活垃圾处理技术领域,尤
其是一种防渗漏勾臂式垃圾箱,包括箱体,箱体
下端固定安装有箱体底座,箱体一端开设有卸料
口,卸料口处铰接有卸料门,箱体内固定安装有
污水渗透网,污水渗透网平面低于卸料口低端,
箱体靠近卸料口的一侧内底部固定安装有辅助
卸料板,辅助卸料板位于污水渗透网的下端,箱
体顶部固定安装有顶板,箱体两侧上固定安装有
侧板,顶板和侧板之间开设有投放口,顶板和侧
板内相对开设有滑槽,滑槽内滑动设置有盖板,
盖板一端固定连接有紧固装置,紧固装置远离卸
料口,箱体与卸料口相对的一端面上固定安装有
挂钩装置。
该实用新型通过污水渗透网的设置避
免了因污水的渗出造成的二次污染。
权利要求书1页 说明书3页 附图2页CN 209758118 U 2019.12.10
C N 209758118
U
权 利 要 求 书1/1页CN 209758118 U
1.一种防渗漏勾臂式垃圾箱,包括箱体(1),其特征在于,所述箱体(1)下端固定安装有箱体底座(2),所述箱体(1)一端开设有卸料口(3),所述卸料口(3)处铰接有卸料门(4),所述箱体(1)内固定安装有污水渗透网(5),所述污水渗透网(5)平面低于卸料口(3)低端,所述污水渗透网(5)靠近卸料口(3)的一端未接触箱体(1)内壁,所述箱体(1)靠近卸料口(3)的一侧内底部固定安装有辅助卸料板(6),所述辅助卸料板(6)位于污水渗透网(5)的下端,所述箱体(1)顶部固定安装有顶板(7),所述箱体(1)两侧上固定安装有侧板(8),所述顶板(7)和侧板(8)之间开设有投放口(9),所述顶板(7)和侧板(8)内相对开设有滑槽(10),所述滑槽(10)内滑动设置有盖板(11),所述盖板(11)的大小大于投放口(9)的大小,所述盖板(11)一端固定连接有紧固装置(12),所述紧固装置(12)远离卸料口(3),所述箱体(1)与卸料口(3)相对的一端面上固定安装有挂钩装置(13)。
2.根据权利要求1所述的一种防渗漏勾臂式垃圾箱,其特征在于,所述紧固装置(12)包括固定安装在顶板(7)和侧板(8)之间的辅助底板(121),所述辅助底板(121)一侧面上固定安装有套筒(122),所述套筒(122)内有套杆(123),所述套杆(123)的一端与盖板(11)固定连接,所述套杆的另一端固定连接有压缩弹簧(124),所述压缩弹簧(124)的另一端与套筒(122)内底部相接触。
3.根据权利要求1所述的一种防渗漏勾臂式垃圾箱,其特征在于,所述挂钩装置(13)包括固定安装在箱体(1)未开设卸料口(3) 一端上的两块倾斜肋板(131),所述倾斜肋板(131)之间固定安装有吊钩(132),所述吊钩(132)两端固定连接在倾斜肋板(131)上,所述吊钩(132)中部弯曲。
4.根据权利要求1所述的一种防渗漏勾臂式垃圾箱,其特征在于,所述箱体底座(2)下端四周固定安装有可制动的万向轮(14),所述箱体底座(2)下端中间部位固定安装有辅助滑轨(15)。
5.根据权利要求1所述的一种防渗漏勾臂式垃圾箱,其特征在于,所述盖板(11)上固定安装有把手(16)。
2。