成品住房装修分户验收表格(2010版)
- 格式:doc
- 大小:311.00 KB
- 文档页数:10
附录B成品住房装修主要部品、材料、设备表工程名称; 幢单元室注:1、表中项目可删减或增加,应如实填写。
2、备注栏可填写保修灯内容。
附表D 工程交接验收移交表注:交接验收中增加或不包含的验收项目应在验收记录中增加或删除。
附表D.0.2 室内净高及开间(进深)净尺寸交接表工程名称:注:1、偏差为实测值与推算值之差的绝对值;极差为实测值中最大值与最小值之差,抽测不合格点数据在表内用红笔圈出。
2、室内每户为一个检查单元,每个检查单元填写本表一张,检查完毕及时签字;本表一式四份,建设、监理、总包及装修施工单位各一份。
3、当房间净高的正偏差大于或等于30mm时,应对该房间楼板、顶板钻孔复核板厚。
注:1、室内每户为一个检查单元,每个检查单元填写本表(一式四份),检查完毕及时签字;建设(监理)、总包、装修施工及住户(《住宅工程质量保证书》的附件)各一份;2、工程中增加或不包含的装修项目应在验收记录中增加或删除;3、对分户验收前可能提前专项验收的项目如吊顶内管道、通风与空调工程、建筑智能工程等,应在分户验收记录的备注栏中记录过程验收时间以及建设、施工、监理单位参加验收人员;4、全装修分户验收中所指的空调系统不包括挂机和柜机。
5、本表在江苏省《成品住房装修技术标准》DGJ32/J99-2010附录E表基础上,新增“空间尺寸”栏目,有关检查方法及允许偏差及极差值,参照江苏省《住宅工程质量分户验收规程》DGJ32/J103-2010中第条内容执行。
附录F 成品住房装修功能性检查汇总表工程名称:幢单元室附录G 成品住房装修工程质量分户验收汇总表附录H 成品住房装修工程质量分户验收合格证注:1、该合格证应置于室内醒目位置,并作为成品住房交付时向住户提供的资料。
2、备注栏中应提供维修联系机使用中要说明的事项等。
分户验收表格(全部)住宅工程分户验收汇总记录工程名称建设单位施工单位内容总户数验收户数监理单位验收情况每户验收项目公共部分功能性能试验验收结论备注建设单位:(公章)监理单位:施工单位:其它单位:(公章)(公章)(公章)项目负责人:XXX工程师:项目经理:单位负责人:年月日年月日年月日年月日住宅工程质量分户验收记录(户内部分)总页第页工程名称建设单位施工单位序号1验收项目楼地面、墙面和顶棚验收内容房(户)号开竣工日期监理单位号楼单元户年月日~年月日验收结论及记录裂缝、空鼓、脱层、地面起砂、墙面爆灰窗台高度、门窗开启、安全玻璃标识、玻璃层2门窗、护栏数、窗户密封、护栏装置高度;门净口尺寸、门装置质量3防水工程屋面渗漏、卫生间等防水地面渗漏、外墙渗漏4室内空间、构件尺寸室内净高、净开间、梁、窗台等构件尺寸设计做法是否通过图纸审查、保温层厚度、细部处理管道渗漏、管道堵塞、管道坡度、安装固定、地漏水封、热表和温控阀插座相序、接地、户内照明配电箱配置、开关、插座位置5外墙保温6水暖安装7电气8别的分户验收结论建设单位验收人员:(公章)年月日监理单位验收人员:(公章)年月日年月日施工单位验收人员:(公章)别的单元验收人员:(公章)年月日住宅工程质量分户验收记录(公共部位)总页第页工程名称搜检项目及部位建设单元开竣工日期年月日~年月日施工单元序号监理单位验收项目验收内容验收结论及记录1外墙窗角斜裂缝、墙面裂缝2栏杆及护栏装置材料规格、栏杆稳定性及表面质量、放攀爬措施、栏杆高度、竖杆净距楼梯踏步、梯段及平台净宽电梯侯梯厅深度、3楼(电)梯、通道电梯净宽高层首层疏散门外及通道宽度公用走道净高墙面及天棚渗漏、裂缝地面裂缝、起砂、通道净高4地下室5其它综合验收结论建设单元验收人员:(公章)年月日监理单元验收人员:(公章)年月日施工单元验收人员:(公章)年月日别的单元验收人员:(公章)年月日住宅工程质量分户验收记录表(一)分户验收户型示意检查定位图单位工程名称:户型:总页第页简图制图人员(建设单位)监理单位年月日制图申明:施工单位其它单位年月日年月日年月日1、按照确定的分户验收实施方案,绘制一切户型的平面示意图,住宅工程质量分户验收在此图根蒂根基上举行(该表仅适用于户内部分)2、形成分分户验收户型示意图及检查地位图,即在平面示意图上,按一定的顺序明确标注住宅工程质量分户验收记录表(二)~(九)中触及的房间编号(客厅、卧室、书房、餐厅、厨卫等)、门窗编号、栏杆编号(阳台护栏、落地窗栏杆、室内楼梯护栏、屋面天台栏杆等)、防水部位编号(屋面、沿沟、露台、阳台、厨房、外墙等),确保验收记录表中检查记录明确、真实,并有可追溯性;3、质量监督机构按照建设单元提供的“分户验收户型示意图及检修定位图”与“宅工程质量分户验收记录汇总表”对建设单元、监理单元、施工单元、物业单元已举行的分户检修随机抽查,质量监督机构需储存“住宅工程质量分户验收记录汇总表”及已抽查的房(户)相关分户验收的搜检资料,以备核查。
表 A .0 .1室内空间尺寸、室内楼地面分户验收记录表单位工程名称房间净高推算编号值 H( mm)12860 22860 32860 42860 52810 62860验收部位 ( 户号 )二层 201 室净开间推算实测值( mm )计算值(mm)值L ( mm )净高净开间L1L2H1H2H3H4H5L1-1 L1-2 L2-1 L2-2偏差偏差286128652856287828691828532849286428552845-15287728722861285528591728492843285828652857-17281328232828281828271828452855286328592869-15现场检查项目质量要求质量验收记录水泥砂浆找平层第 5.0. 1条找平层部分空鼓,经整改后符合质量验收要求。
板块面层第 5.0. 2条/室内楼地面室内楼梯踏步第 5.0. 3条/厕浴、阳台地面第 5.0. 4条地面表面坡度符合设计要求,排水通畅,无积水,符合质量验收要求。
测点合格率:建设单位监理单位施工单位物业公司:项目经理:参加人员验收意见:(项目)负责人:总监理工程师:质量检查员:年月日年月日年月日年月日表 A .0 .2室内墙面、顶棚面层工程、烟囱道、排气道与穿墙预留管工程质量分户验收记录表单位工程名称现场检查项目质量要求水泥砂浆第 6.0.1 条找平层室内墙面面腻子面层第 6.0.2条层工程墙体内保温层第 6.0.3 条抹灰层第 7.0.1条顶棚面层工程腻子面层第 7.0.2 条烟囱道、排烟囱道、排气道第 13.0.1条气道与穿墙预留管工程穿墙预留管工程第 13.0.2 条验收意见:建设单位监理单位验收部位(户号)二层 201 室质量验收记录抹灰层部分空鼓,经整改后符合质量验收要求。
/墙体内保温层与基层粘贴牢固,无脱层、空鼓、损伤等缺陷,符合质量验收要求。
/腻子面层与基层粘结牢固,表面平整、光滑、洁净,符合质量验收要求。
附件一:住宅工程质量分户验收汇总表住宅工程质量分户验收表附表01 住宅工程质量分户验收记录表(一)分户验收户型示意及检查定位图单位工程名称: 施工单位:户型: 制图时间:制图说明:1、根据确定的分户验收实施方案,绘制所有户型的平面示意简图,住宅工程质量分户验收在此图根底上进行;2、形成分户验收户型示意及检查定位图,即在平面示意简图上,按一定的顺序明确标注住宅工程质量分户验收记录表〔一〕—〔九〕中涉及的房间编号〔客厅、卧室、书房、餐厅、厨卫等〕、门窗编号、栏杆编号〔阳台护栏、落地窗栏杆、室内楼梯护栏、屋面露台栏杆等〕、防水部位编号〔屋面、沿沟、露台、阳台、厨房、外墙等〕,确保验收记录表中检查记录明确、真实,并有可追溯性;3、质量监督机构根据建设单位提供的“分户验收户型示意及检查定位图〞与“住宅工程质量分户验收记录汇总表〞对建设单位、监理单位、施工单位、物业单位已进行的分户验收随机抽查,质量监督机构需保存“住宅工程质量分户验收记录汇总表〞及已抽查的房〔户〕相关分户验收的检查资料,以备核查。
附表02住宅工程质量分户验收记录表〔二〕楼地面、墙面、顶棚检查表单位工程名称:施工单位:1、室内墙面应全数检查,墙面无脱层、空鼓、裂缝、爆灰为合格,反之为不合格;2、楼地面应全数检查空鼓、裂缝,裂缝应分别记录找平层和结构层裂缝。
空鼓面积不大于400cm2且每自然间不多于2处;踢脚线空鼓长度不大于300㎜且不多于2处为合格,反之为不合格;3、顶棚要求阴角顺直、外表平顺。
顶棚应全数检查,未发现脱层、空鼓、裂缝、爆灰为合格,反之为不合格;4、涉及结构层的裂缝,应绘制形状图,并将相关处理材料作为本检查表附页。
附表03住宅工程质量分户验收记录表〔三〕门窗及其安装检查表单位工程名称:施工单位:房〔户〕号:检查时间:1、窗台高度尺寸满足设计及相关强制性条文要求为合格,反之为不合格。
楼地面粗装修的,应考虑装饰层的厚度,具体数值由设计明确;2、门窗品种类型与设计要求相符,填写“符合设计要求〞,反之,填写“不符合设计要求〞;3、门窗外表质量,外表洁净、平整、光滑、大面无划痕无碰伤为合格,反之为不合格;4、门窗扇开启性能及密封条安装,开关灵活、关闭严密、无倒翘,推拉门窗扇必须有防脱落措施,密封条不得脱槽,旋转窗间隙根本均匀为合格,反之为不合格。
分户验收表格全版集团档案编码:[YTTR-YTPT28-YTNTL98-UYTYNN08]
住宅工程质量检查记录
表1 住宅工程室内空间尺寸检查记录表
2、允许极差值:净高及净开间、净进深均为20mm。
表2 住宅工程楼板结构层厚度偏差检查记录
2、当超过允许偏差的测点超过总测点数20%,或有其中一点超过最大偏差的,验收即为“不符合”。
3、当验收结论为不符合,必要时,其结构安全可由原设计单位确认。
4、本项检查应在主体结构验收前完成。
表3住宅工程楼(地)面、墙面和顶棚质量检查记录
不计
2、板块楼(地)面凡单块板块有局部空鼓(不大于单块板块面积的20%),且每自然间不多于总数的5%可不计。
表4 住宅工程门窗、栏杆安装质量检查记录
表5 住宅工程各部位防水质量检查记录
表6 住宅工程给水排水安装质量检查记
表7 住宅工程室内电气安装质量检查记录
表8 住宅工程通风设施空调预留孔洞质量检查记录。
住宅工程质量分户验收记录表(2)
(成品住宅室内装修工程质量)工程名称:
注:1、室内以每户为一个检查单元
2、工程中增加或不包含的项目应在验收记录中增加或删除;
3、本表一式一份,在单位工程竣工验收过程中使用后,施工单位存档使用。
住宅工程质量分户验收记录表(4)
(安装工程质量)
工程名称:
楼 单元 号
施工单位
检查日期
年 月 日至 年 月 日
验收内容、数量
验收结果
(实测数据、观察情形)
/套)
/套)
(全数/套)
质量缺陷
及整改结果
验收(核查)结论
检验单位建设单位施工单位监理单位其它单位
单位(项目)负
责人:
年月日
项目经理:
年月日
总监理工程师:
年月日年月日
注:1、工程中增加或不包含的项目应在验收记录中增加或删除;
2、本表一式一份,住宅工程交付使用时,《住宅工程质量分户分户验收结果表》应当作为《住宅质量保证书》的附件一并交给业主。
附表一住宅工程质量分户验收表工程名称:附表二:分户验收记录表(16项)住宅工程质量分户验收记录表目录(一)建筑结构外观及尺寸偏差1、现浇结构外观及尺寸偏差质量分户验收记录表(二)门窗安装质量2、铝合金门窗安装工程质量分户验收记录表3、塑料门窗安装工程质量分户验收记录表(三)墙面、地面和顶棚面层质量4、墙面一般抹灰工程质量分户验收记录表5、地面水泥混凝土面层质量分户验收记录表6、地面水泥砂浆面层质量分户验收记录表(四)防水工程质量7、隔离层质量分户验收记录表(五)采暖系统安装质量8、室内采暖辅助设备及散热器及金属辐射板安装工程质量分户验收记录表9、室内采暖管道及配件安装工程质量分户验收记录表10、低温热水地板辐射采暖系统安装工程质量分户验收记录表(六)给水、排水系统安装质量11、室内给水管道及配件安装工程质量分户验收记录表12、室内排水管道及配件安装工程质量分户验收记录表(七)室内电气工程安装质量13、普通灯具安装质量分户验收记录表14、开关、插座、风扇安装质量分户验收记录表15、成套配电柜、控制柜(屏、台)和动力、照明配电箱(盘)安装质量分户验收记录表16、建筑物等电位联结质量分户验收记录表现浇结构外观及尺寸偏差质量分户验收记录表表铝合金门窗安装质量分户验收记录表塑料门窗安装质量分户验收记录表墙面一般抹灰工程质量分户验收记录表地面水泥混凝土面层质量分户验收记录表水泥砂浆面层质量分户验收记录表地面隔离层质量分户验收记录表室内采暖辅助设备及散热器及金属辐射板安装质量分户验收记录表室内采暖管道及配件安装质量分户验收记录表低温热水地板辐射采暖系统安装质量分户验收记录表室内给水管道及配件安装质量分户验收记录表室内排水管道及配件安装质量分户验收记录表普通灯具安装质量分户验收记录表开关、插座、风扇安装质量分户验收记录表安装质量分户验收记录表(Ⅲ)照明配电箱(盘)建筑物等电位联结质量分户验收记录表。
住宅工程质量分户验收表2010住宅工程质量分户验收汇总表注:对验收结论为经整改合格、设计认可、质量认定、协商通过验收和未通过验收的分户应注明具体房(户)号。
分户验收户型示意及检查定位图制图说明:1、绘制所有户型的平面示意简图,住宅工程质量分户验收在此图基础上进行;在图纸上注明并形成分户验收实施方案;2、形成分户验收户型示意及检查定位图,即在平面示意简图上,按一定的顺序明确标注住宅工程质量分户验收记录表(附件4-1~4-7)中涉及的房间编号(客厅、卧室、书房、餐厅、厨卫等)、门窗编号、防水部位编号(屋面、沿沟、露台、阳台、厨房、外墙等),确保验收记录表中检查记录明确、真实,并有可追溯性;室内净高、开间净尺寸抽测表注:1、室内应做到半成品、成品保护良好,外观完好无破损,无交叉污染,做到窗明地净;2、园弧、多边形等异形平面的开间尺寸视具体可测量部位另作示意图。
住宅工程质量范虎验收记录表楼地面、墙面、顶棚检查表注:1、对检查发现的裂缝、空鼓等问题应及时进行相应处理;2、涉及结构层的裂缝,应绘制形状图,并将相关处理材料作为本检查表附页。
住宅工程质量范虎验收记录表防水工程检查表注:建设单位宜在雨后(淋水)、蓄水后及时组织检查验收。
住宅工程质量范虎验收记录表门窗及安装检查表住宅工程质量分户验收记录表给排水工程安装质量检查表住宅工程质量分户验收记录表电气分部工程质量检查表注:范虎验收检查前已一笔的项目以建立(业主)单位已签认的检验批为准。
住宅工程质量分户验收记录表配电箱检查表插座检查用表住宅工程质量分户验收记录(公共部位)注:1、公共部位检查单元划分:每个单元的外墙为一个检查单元;每个单元通道为一个检查单元,应检查每层楼(电)梯及上下梯段、通道(平台);地下室(地下车库等大空间的除外)每个单元或每个分隔空间为一个检查单元。
2、每个检查单元填写一张本表,本表一式两份,建设(监理)、施工各一份。
住宅工程质量分户验收表示牌住宅工程质量分户验收表注:1、每个验收项目的验收结论分为“合格”、“不合格”。
成套配电柜、控制柜(屏、台)和动力、照明配电箱(盘)安装分户质量验收记录表
低温热水地板辐射采暖系统安装工程分户质量验收记录表
隔离层分户质量验收记录表
建筑物等电位联结分户质量验收记录表
建筑中水系统及游泳池水系统安装工程分户质量验收记录表
表6―3
开关、插座、风扇安装分户质量验收记录表
铝合金门窗安装工程分户质量验收记录表
表2―1
木门窗安装工程分户质量验收记录表
表2―3
普通灯具安装分户质量验收记录表
室内采暖辅助设备及散热器及金属辐射板安装工程分户质量验收记录表
表5―2
表6―1
水泥混凝土面层分户质量验收记录表
水泥砂浆面层分户质量验收记录表
水性涂料涂饰工程分户质量验收记录表
表3―2
塑料门窗安装工程分户质量验收记录表
特种门安装工程分户质量验收记录表
现浇结构外观及尺寸偏差分户质量验收记录表
表1―1
一般抹灰工程分户质量验收记录表
表3―1
住宅工程质量分户验收表工程名称:。
附表一住宅工程质量分户验收表工程名称:附表二:分户验收记录表(58项)住宅工程质量分户验收记录表目录(一)建筑结构外观及尺寸偏差1.现浇结构外观及尺寸偏差质量分户验收记录表2、砖砌体(混水)工程质量分户验收记录表(二)门窗安装质量1.铝合金门窗安装工程质量分户验收记录表2.塑料门窗安装工程质量分户验收记录表3.木门窗安装工程质量分户验收记录表4.特种门安装工程质量分户验收记录表5、钢门窗安装质量分户验收记录表6、涂色镀锌钢板门窗安装质量分户验收记录表7、门窗玻璃安装质量分户验收记录表(三)墙面、地面和顶棚面层质量1、墙面一般抹灰工程质量分户验收记录表2、水性涂料涂饰质量分户验收记录表3、地面水泥混凝土面层质量分户验收记录表4、地面水泥砂浆面层质量分户验收记录表5、溶剂型涂料涂饰工程质量分户验收记录表6、墙面饰面砖粘贴质量分户记录表7、裱糊工程质量分户记录表8、地面砖面层质量分户验收记录表9、地面大理石和花岗石面层质量分户验收记录表10、实木复合地板面层质量分户验收记录表11、中密度(强化)复合地板面层质量分户验收记录表12、地毯面层质量分户验收记录表13、明龙骨吊顶工程质量分户验收记录表14、暗龙骨吊顶工程质量分户验收记录表15、地面找平层质量分户验收记录表(四)防水工程质量1、隔离层质量分户验收记录表(五)采暖系统安装质量1.室内采暖辅助设备及散热器及金属辐射板安装工程质量分户验收记录表2.室内采暖管道及配件安装工程质量分户验收记录表3.低温热水地板辐射采暖系统安装工程质量分户验收记录表(六)给水、排水系统安装质量1.室内给水管道及配件安装工程质量分户验收记录表2.室内排水管道及配件安装工程质量分户验收记录表3.建筑中水系统及游泳池水系统安装工程质量分户验收记录表4、室内热水管道及配件安装质量分户验收记录表5、雨水管道及配件安装质量分户验收记录表6、卫生器具及给水配件安装质量分户验收记录表7、卫生器具排水管道安装质量分户验收记录表8、公共部分室内消火栓系统安装质量分户验收记录表(七)室内电气工程安装质量1.普通灯具安装质量分户验收记录表2.开关、插座、风扇安装质量分户验收记录表3.成套配电柜、控制柜(屏、台)和动力、照明配电箱(盘)安装质量分户验收记录表4.建筑物等电位联结质量分户验收记录表5、电线导管、电缆导管和线槽敷设质量分户验收记录表6、电线、电缆穿管和线槽质量分户验收记录表7、槽板配线质量分户验收记录表8、电缆头制作、接线和线路绝缘测试质量分户验收记录表9、建筑物照明通电试运行质量分户验收记录表10、公共部分电缆桥架安装和桥架内电缆敷设质量分户验收表(八)其他分户检查内容1、门窗套制作与安装质量分户验收记录表2、橱柜制作与安装质量分户验收记录表3、护栏和扶手制作与安装质量分户验收记录表4、窗帘盒、窗台板和散热器罩制作与安装质量分户验收记录表5、金属风管与配件制作质量分户验收记录表6、非金属、复合材料风管与配件制作质量分户验收记录表7、风管部件与消声器制作质量分户验收记录表8、风管系统安装质量分户验收记录表9、金属管道空调水冷系统质量分户验收记录表10、非金属管道空调水系统安装质量分户验收记录表11、设备空调水系统安装质量分户验收记录表12、公共部分通风与空调设备安装质量分户验收记录表(※表格具体内容可登陆河南建设工程质量安全网查询,网址:。
房屋全装修分户验收表格全装修分户验收表格使用时期说明关于各施工时期使用表格见下表(监理复查表)分户验收表格使用流程1施工总承包单位必须自检所有验收项,并达到100%合格后,填写以下表格和报审表,并与自检资料一起送监理机构复查。
2.监理机构复查完毕,应及时将复查结果告知施工总承包单位。
房间尺寸检查表〔砌筑工程〕001 项目名称:___×××__________验收房〔户〕号:_×栋_×单元×室房间尺寸检查表〔粉刷工程〕002 项目名称:________________验收房〔户〕号:__栋__单元__室内墙面、顶棚检查表〔高级抹灰工程〕项目名称:________________验收房〔户〕号:__栋__单元__室内墙面、顶棚检查表〔涂饰工程〕004 项目名称:________________验收房〔户〕号:__栋__单元__室表面质量要求:指颜色平均一致,表面光滑,无泛缄、咬色、流坠、疙瘩、砂眼、刷纹、皱皮、裹棱、划痕、损害、污染等现象。
内墙面检查表〔裱糊、木饰面〕005 项目名称:________________验收房〔户〕号:__栋__单元__室外墙面检查表〔涂饰工程〕006 项目名称:________________验收房〔户〕号:__栋__单元__室工程具体情形确定。
2.表面质量要求见表004。
顶棚检查表〔吊顶工程〕007 项目名称:________________验收房〔户〕号:__栋__单元__室地坪检查表〔水泥混凝土面层〕008 项目名称:________________验收房〔户〕号:__栋__单元__室1.表面质量指,面层表面不应有裂纹、脱皮、麻面、起砂等缺陷。
2.按照«导那么»中〝5 室内地面〞中的要求卫生间和阳台地坪进行盛水试验。
地坪检查表〔实木地板〕009 项目名称:________________验收房〔户〕号:__栋__单元__室内墙面、地面检查表〔饰面砖工程〕010 项目名称:________________验收房〔户〕号:__栋__单元__室1.表面观感指:表面平坦、洁净,无裂痕和缺损等缺陷,接缝平直、光滑,勾缝连续、密实。
住宅工程质量分户验收表格(楼板本)(总6页)--本页仅作为文档封面,使用时请直接删除即可----内页可以根据需求调整合适字体及大小--附表一住宅工程质量分户验收方案工程名称:中源名都8号楼及8、9号楼地下室建设单位:(公章)肇庆市新中源房产开发有限公司2010年 8 月 1 日住宅工程质量分户验收方案已装修□未装修平屋面露台阳台厕浴间地面厨房地面坡屋面□外墙外门窗厕浴间墙面给排水开通情况强电开通情况弱电系统开通情况附表二住宅工程分户验收观感质量检查验收表地面无空鼓地面无裂缝墙面线角顺直墙面阴阳角方正墙面无裂缝墙面无空鼓墙面无脱层、爆灰墙面无渗漏顶棚无脱层、爆灰顶棚无裂缝顶棚无渗漏安装牢固开启灵活关闭严密门窗洞周边无裂缝外门窗框无渗漏推拉门窗扇有防脱落措施防水胶嵌缝节能措施与设计相符合阳台无渗漏露台无渗漏厨房无渗漏厕浴间无渗漏阳台、厕浴间地面无积水窗台无渗漏栏杆、护栏的形式采用了安全玻璃□栏杆、护栏安装牢固栏杆的整体安全性能阀门安装地漏标高及水封高度检查□伸缩节洁具及给水配件安装□分色施工导线敷设分户配电箱开关插座灯具□局部等电位□厨、卫间插座的防潮□ PE(PEN)线在插座间不串联连接□管道敷设气压试验□燃气表、阀门安装□暗敷燃气管道标识□一次验收合格□经整改验收合格整体面层板块面层□木、竹面层□抹灰工程饰面板(砖)工程□涂饰工程□裱糊与软工程□抹灰工程吊顶工程□铝合金窗塑钢窗□幕墙□固定大玻璃□木门铝铝合金门塑钢门屋面阳台□露台□厨房□厕浴间外墙门、窗墙交接处□厕浴间墙面全钢□铝合金木质□钢木□玻璃□玻璃金属□钢化玻璃普通玻璃□有机玻璃□接至入户总闸接至各功能间伸缩节已安装检查口已安装排水口已全部或部分安装地漏接至户内配电箱接至各功能间□户内配电箱漏电保护器注:本表一式五份,建设、监理、设计、施工各执一份,并在分户验收前7个工作日向当地工程质量监督机构报送一份。
分户验收组组长:张芳文电话:联系人:仰明亮电话:附表三住宅工程质量分户验收现场实测记录表工程名称:中源名都10号楼栋号: 10号楼序号:实测人:记录:年月日建设单位:监理单位:附表四住宅工程质量分户验收汇总表。
2101211201201附表A.0.1:
室内地面、楼梯、墙面、顶棚抹灰、门窗工程验收记录表
2120101021
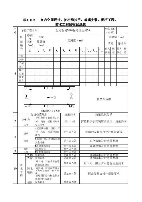
附表A.0.2
室内空间尺寸、护栏和扶手、玻璃安装、橱柜工程、防水工程
2222222221000
附表A.0.3
给排水工程、室内采暖系统、电气工程、智能建筑、
附表A.0.4
附录B
住宅工程质量分户验收汇总表
附录C
住宅工程质量分户验收合格证
注:1、该合格证置于室内醒目位置,并作为房屋交付时向住户提供的资料。
2、如存在不影响结构安全和使用功能又无法整改的缺陷,应在备注栏中说明。
附表E:
住宅工程竣工验收监督复核单元、户号抽签记录表
注:1、该表格为质量监督机构在竣工验收监督中对分户验收进行复核抽签记录,记录结果存入监督档案。
见证人应为建设、施工及监理各工程质量主体方,要求见证人为各方项目负责人并加盖项目章。
附录F
住宅单位工程竣工验收监督抽查记录表
果存入监督档案。
备注栏中填写存在问题所违反的验收依据。
2、监督抽查内容中应包括楼梯、地下室及屋面等公共部位。
建设单位:监理单位:
施工单位:验收时间:
监督人员:
11。
附录B
成品住房装修主要部品、材料、设备表
工程名称; 幢单元室
注:1、表中项目可删减或增加,应如实填写。
2、备注栏可填写保修电话灯内容。
附表D.0.1 工程交接验收移交表
注:交接验收中增加或不包含的验收项目应在验收记录中增加或删除。
附表D.0.2 室内净高及开间(进深)净尺寸交接表
工程名称:
注:1、偏差为实测值与推算值之差的绝对值;极差为实测值中最大值与最小值之差,抽测不合格点数据在表内用红笔圈出。
2、室内每户为一个检查单元,每个检查单元填写本表一张,检查完毕及时签字;本表一式四份,建设、
监理、总包及装修施工单位各一份。
3、当房间净高的正偏差大于或等于30mm时,应对该房间楼板、顶板钻孔复核板厚。
注:1、室内每户为一个检查单元,每个检查单元填写本表(一式四份),检查完毕及时签字;建设(监理)、总包、装修施工及住户(《住宅工程质量保证书》的附件)各一份;
2、工程中增加或不包含的装修项目应在验收记录中增加或删除;
3、对分户验收前可能提前专项验收的项目如吊顶内管道、通风与空调工程、建筑智能工程等,应在分
户验收记录的备注栏中记录过程验收时间以及建设、施工、监理单位参加验收人员;
4、全装修分户验收中所指的空调系统不包括挂机和柜机。
5、本表在江苏省《成品住房装修技术标准》DGJ32/J99-2010附录E表基础上,新增“空间尺寸”栏
目,有关检查方法及允许偏差及极差值,参照江苏省《住宅工程质量分户验收规程》DGJ32/J103-2010中第6.0.1条内容执行。
附录F 成品住房装修功能性检查汇总表
工程名称:幢单元室
附录G 成品住房装修工程质量分户验收汇总表
附录H 成品住房装修工程质量分户验收合格证
注:1、该合格证应置于室内醒目位置,并作为成品住房交付时向住户提供的资料。
2、备注栏中应提供维修联系电话机使用中要说明的事项等。