橡套电缆检验报告单
- 格式:doc
- 大小:48.00 KB
- 文档页数:1
电缆送检报告
报告编号:xxxxxx
报告日期:xxxx年xx月xx日
送检单位:xxx有限公司
送检时间:xxxx年xx月xx日
受检单位:xxxx有限公司
送检项目:电缆
检测标准:国家相关标准
检测项目:
1. 外观质量检测:
经检测,送检电缆外观无损伤、划痕、腐蚀等质量问题。
2. 电性能测试:
1) 直流电阻检测:送检电缆直流电阻值符合国家相关标准。
2) 绝缘电阻检测:送检电缆绝缘电阻值符合国家相关标准。
3) 介电强度检测:经检测,送检电缆介电强度值符合国家相关标准。
4) 输电距离纵向电压检测:送检电缆输电距离纵向电压值符合国家相关标准。
结论:
送检电缆在外观和电性能方面均符合国家相关标准要求,具备正常使用条件。
备注:
1. 本检测报告仅针对送检电缆进行检测,并不代表其他电缆的质量状况。
2. 本检测报告仅适用于送检单位,未经本公司书面同意,不得做为其他用途。
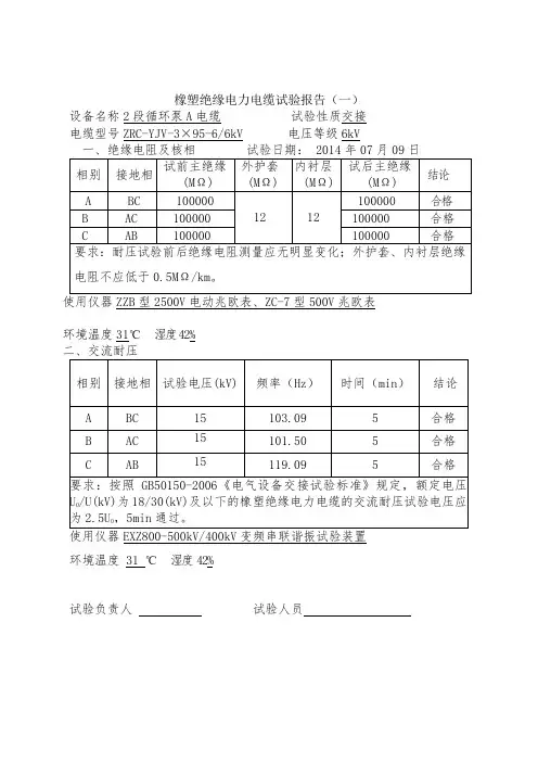
橡塑绝缘电力电缆试验报告(一)设备名称2段循环泵A电缆试验性质交接电缆型号ZRC-YJV-3×95-6/6kV 电压等级6kVZZB型2500V电动兆欧表、ZC-7型500V兆欧表环境温度31℃湿度42%二、交流耐压EXZ800-500kV/400kV变频串联谐振试验装置环境温度 31 ℃湿度42%试验负责人试验人员橡塑绝缘电力电缆试验报告(一)设备名称2段循环泵B电缆试验性质交接电缆型号ZRC-YJV-3×95-6/6kV 电压等级6kVZZB型2500V电动兆欧表、ZC-7型500V兆欧表环境温度31℃湿度42%二、交流耐压EXZ800-500kV/400kV变频串联谐振试验装置环境温度 31 ℃湿度42%试验负责人试验人员橡塑绝缘电力电缆试验报告(一)设备名称2段循环泵C电缆试验性质交接电缆型号ZRC-YJV-3×95-6/6kV 电压等级6kVZZB型2500V电动兆欧表、ZC-7型500V兆欧表环境温度31℃湿度42%EXZ800-500kV/400kV变频串联谐振试验装置环境温度 31 ℃湿度42%试验负责人试验人员橡塑绝缘电力电缆试验报告(一)设备名称1段循环泵A电缆试验性质交接电缆型号ZRC-YJV-3×95-6/6kV 电压等级6kVZZB型2500V电动兆欧表、ZC-7型500V兆欧表环境温度31℃湿度42%EXZ800-500kV/400kV变频串联谐振试验装置环境温度 31 ℃湿度42%试验负责人试验人员橡塑绝缘电力电缆试验报告(一)设备名称1段循环泵B电缆试验性质交接电缆型号ZRC-YJV-3×95-6/6kV 电压等级6kVZZB型2500V电动兆欧表、ZC-7型500V兆欧表环境温度31℃湿度42%EXZ800-500kV/400kV变频串联谐振试验装置环境温度 31 ℃湿度42%试验负责人试验人员橡塑绝缘电力电缆试验报告(一)设备名称1段循环泵C电缆试验性质交接电缆型号ZRC-YJV-3×95-6/6kV 电压等级6kVZZB型2500V电动兆欧表、ZC-7型500V兆欧表环境温度31℃湿度42%二、交流耐压EXZ800-500kV/400kV变频串联谐振试验装置环境温度 31 ℃湿度42%试验负责人试验人员橡塑绝缘电力电缆试验报告(一)设备名称1段进线电缆1 试验性质交接电缆型号ZRC-YJV-3×185-6/6kV 电压等级6kVZZB型2500V电动兆欧表、ZC-7型500V兆欧表环境温度31℃湿度42%二、交流耐压EXZ800-500kV/400kV变频串联谐振试验装置环境温度 31 ℃湿度42%试验负责人试验人员橡塑绝缘电力电缆试验报告(一)设备名称1段进线电缆2 试验性质交接电缆型号ZRC-YJV-3×185-6/6kV 电压等级6kVZZB型2500V电动兆欧表、ZC-7型500V兆欧表环境温度31℃湿度42%二、交流耐压EXZ800-500kV/400kV变频串联谐振试验装置环境温度 31 ℃湿度42%试验负责人试验人员橡塑绝缘电力电缆试验报告(一)设备名称1段备用进线电缆1 试验性质交接电缆型号ZRC-YJV-3×185-6/6kV 电压等级6kVZZB型2500V电动兆欧表、ZC-7型500V兆欧表环境温度31℃湿度42%二、交流耐压EXZ800-500kV/400kV变频串联谐振试验装置环境温度 31 ℃湿度42%试验负责人试验人员橡塑绝缘电力电缆试验报告(一)设备名称1段备用进线电缆2 试验性质交接电缆型号ZRC-YJV-3×185-6/6kV 电压等级6kVZZB型2500V电动兆欧表、ZC-7型500V兆欧表环境温度31℃湿度42%二、交流耐压EXZ800-500kV/400kV变频串联谐振试验装置环境温度 31 ℃湿度42%试验负责人试验人员橡塑绝缘电力电缆试验报告(一)设备名称2段工作进线电缆1 试验性质交接电缆型号ZRC-YJV-3×185-6/6kV 电压等级6kVZZB型2500V电动兆欧表、ZC-7型500V兆欧表环境温度31℃湿度42%二、交流耐压EXZ800-500kV/400kV变频串联谐振试验装置环境温度 31 ℃湿度42%试验负责人试验人员橡塑绝缘电力电缆试验报告(一)设备名称2段工作进线电缆2 试验性质交接电缆型号ZRC-YJV-3×185-6/6kV 电压等级6kVZZB型2500V电动兆欧表、ZC-7型500V兆欧表环境温度31℃湿度42%二、交流耐压EXZ800-500kV/400kV变频串联谐振试验装置环境温度 31 ℃湿度42%试验负责人试验人员橡塑绝缘电力电缆试验报告(一)设备名称2段备用进线电缆1 试验性质交接电缆型号ZRC-YJV-3×185-6/6kV 电压等级6kVZZB型2500V电动兆欧表、ZC-7型500V兆欧表环境温度31℃湿度42%二、交流耐压EXZ800-500kV/400kV变频串联谐振试验装置环境温度 31 ℃湿度42%试验负责人试验人员橡塑绝缘电力电缆试验报告(一)设备名称2段进线电缆2 试验性质交接电缆型号ZRC-YJV-3×185-6/6kV 电压等级6kVZZB型2500V电动兆欧表、ZC-7型500V兆欧表环境温度31℃湿度42%二、交流耐压EXZ800-500kV/400kV变频串联谐振试验装置环境温度 31 ℃湿度42%试验负责人试验人员橡塑绝缘电力电缆试验报告(一)设备名称1段脱硫变压器电缆试验性质交接电缆型号ZRC-YJV-3×105-6/6kV 电压等级6kVZZB型2500V电动兆欧表、ZC-7型500V兆欧表环境温度31℃湿度42%二、交流耐压EXZ800-500kV/400kV变频串联谐振试验装置环境温度 31 ℃湿度42%试验负责人试验人员橡塑绝缘电力电缆试验报告(一)设备名称2段脱硫变压器电缆试验性质交接电缆型号ZRC-YJV-3×105-6/6kV 电压等级6kVZZB型2500V电动兆欧表、ZC-7型500V兆欧表环境温度31℃湿度42%EXZ800-500kV/400kV变频串联谐振试验装置环境温度 31 ℃湿度42%试验负责人试验人员天业电厂脱硫脱硝工程电缆试验报告2014年07月09日。
电力电缆检验报告
自查报告。
为了确保电力电缆的质量和安全性,我公司进行了一次自查检验,并编制了以下报告。
一、检验对象,公司仓库中存放的所有电力电缆产品。
二、检验内容:
1. 外观检查,检查电缆外皮是否完整,有无明显破损或变形。
2. 规格检查,检查电缆的规格和型号是否与采购文件一致。
3. 包装检查,检查电缆包装是否完好,有无受潮或损坏。
4. 标识检查,检查电缆标识是否清晰可见,包括生产日期、批号、生产厂家等信息。
三、检验结果:
经过检查,发现存放的电力电缆外观完好,规格型号与采购文件一致,包装完好无损,标识清晰可见。
四、存在问题:
在检查过程中未发现任何质量问题或安全隐患。
五、整改措施:
针对发现的问题,我们将继续加强仓库管理,确保电力电缆产品的质量和安全性。
同时,加强对员工的培训,提高他们对电缆产品的认识和重视程度。
六、结论:
经过自查检验,我们对公司仓库中存放的电力电缆产品质量和安全性感到满意。
我们将继续加强管理,确保产品质量,为客户提供更好的服务。
报告人,XXX。
日期,XXXX年XX月XX日。
电缆检验报告一、检验目的。
本次检验旨在对电缆的质量进行全面检测,确保其符合相关标准要求,以保障电缆在使用过程中的安全可靠性。
二、检验对象。
本次检验的对象为XX型号电缆,规格为XXX,用途为XXX。
三、检验内容。
1. 外观检查,对电缆外观进行全面检查,包括外观平整度、表面损伤、印字标识等。
2. 绝缘电阻测试,使用绝缘电阻测试仪对电缆的绝缘电阻进行测试。
3. 导通测试,利用导通测试仪对电缆的导通情况进行测试。
4. 绝缘耐压测试,使用绝缘耐压测试仪对电缆的绝缘耐压性能进行测试。
5. 弯曲试验,对电缆进行弯曲试验,测试其在弯曲状态下的性能表现。
6. 耐火性能测试,对电缆的耐火性能进行测试,确保其在火灾情况下的安全性能。
四、检验结果。
经过全面检验,本次电缆的检验结果如下:1. 外观检查,电缆外观平整,无明显损伤,印字标识清晰。
2. 绝缘电阻测试,电缆绝缘电阻符合标准要求。
3. 导通测试,电缆导通正常,无短路情况发生。
4. 绝缘耐压测试,电缆绝缘耐压性能符合标准要求。
5. 弯曲试验,电缆在弯曲状态下未出现断裂或损伤。
6. 耐火性能测试,电缆在火灾情况下表现良好,未出现明显燃烧或蔓延情况。
五、检验结论。
根据以上检验结果,本次电缆的质量符合相关标准要求,可以正常投入使用。
同时,建议在使用过程中定期进行检查和维护,确保电缆的长期安全可靠性。
六、检验人员。
本次检验由XXX单位的专业人员进行,检验过程严格按照相关标准进行操作,确保检验结果准确可靠。
七、附录。
1. 电缆型号及规格参数。
2. 检验设备及仪器清单。
3. 检验记录表格。
以上为本次电缆检验报告的全部内容,如有疑问或需要进一步了解,请随时与我们联系。
引言概述:
电缆检测报告是对电缆系统进行检测的一种重要工作,有助于确保电缆系统的安全运行。
本文将对电缆检测报告进行详细阐述,包括正文内容分为五个大点:电缆检测目的、检测方法、检测结果、问题分析和建议以及结论。
正文内容:
一、电缆检测目的
1.1确定电缆系统的可靠性
1.2检测电缆的电气性能
1.3评估电缆是否存在故障隐患
1.4指导维护和维修工作
二、检测方法
2.1可视检查
2.1.1外观检查
2.1.2焊接接头检查
2.1.3绝缘层检查
2.2电气测试
2.2.1绝缘电阻测试
2.2.2耐压测试
2.2.3电阻测试
2.2.4地线测试
2.3热红外检测
2.4超声波检测
三、检测结果
3.1电缆绝缘性能
3.2接地情况
3.3耐电压指标
3.4电缆电流负载能力
3.5电缆连接性能
四、问题分析和建议
4.1发现的问题
4.2问题的原因分析
4.3针对问题提出的建议和解决方案
4.4注意事项和预防措施
五、结论
总结:
电缆检测报告是对电缆系统进行检测的重要工作,通过采用多种检测方法,能够全面了解电缆系统的电气性能和潜在问题。
本文
详细阐述了电缆检测目的、检测方法、检测结果、问题分析和建议以及结论等五个大点,对每个大点又进行了细致的分点解析。
通过电缆检测报告的编写与分析,能够指导电缆系统的维修和维护工作,确保电缆系统的安全运行。
电缆检查报告报告编号:2021-0001报告日期:2021年10月15日一、检查目的本次电缆检查旨在评估已安装电缆的状态和性能,确保其正常运行,并提供进一步维护和改进建议。
二、检查范围本次电缆检查主要涉及以下方面:1. 电缆外观检查:检查电缆外皮是否完好,有无明显损伤或磨损。
2. 绝缘层检查:测量绝缘层的电阻,评估其绝缘性能。
3. 引线连接检查:检查引线连接是否牢固,是否有松动或氧化现象。
4. 绝缘电阻测试:在一定电压下测量电缆的绝缘电阻。
5. 导通测试:测试电缆是否存在导通故障。
三、检查方法1. 外观检查:使用目测和触摸的方式检查电缆外皮。
2. 绝缘层检查:使用绝缘电阻测试仪测量电缆绝缘层的电阻。
3. 引线连接检查:检查引线连接处的紧固情况,并使用电阻测试仪测量连接处的电阻。
4. 绝缘电阻测试:使用绝缘电阻测试仪进行测试。
5. 导通测试:使用导通测试仪进行测试,检查电缆是否正常导通。
四、检查结果1. 电缆外观检查结果:所有电缆外皮均完好,未发现明显损伤或磨损。
2. 绝缘层检查结果:电缆绝缘层的电阻均符合标准要求,绝缘性能良好。
3. 引线连接检查结果:所有引线连接处均牢固,无松动或氧化现象。
各连接处电阻正常,符合标准。
4. 绝缘电阻测试结果:电缆的绝缘电阻均在正常范围内,达到设计要求。
5. 导通测试结果:所有电缆均正常导通,无导通故障。
五、维护和改进建议根据本次电缆检查结果,我们提出以下维护和改进建议:1. 定期进行电缆外观检查,发现损坏及时修复或更换有问题的电缆。
2. 引线连接处可使用防氧化膏进行涂抹,预防氧化导致的连接问题。
3. 定期进行绝缘电阻测试,确保电缆绝缘性能稳定。
4. 在电缆敷设或维护过程中,注意防止电缆受到过度拉扯或挤压等损坏。
六、总结本次电缆检查结果显示,所检测的电缆状态良好,绝缘性能正常,连接牢固,导通正常。
我们建议按照维护和改进建议进行相应的操作,以保证电缆的长期稳定运行。
上海申工电线电缆有限公司
电线电缆出厂(确认)检验报告单
试样名称:型号规格:
试验依据:温度:℃米数: m
试验项目标准要求试验结果单项
评定
备注
受检绝缘线芯颜色
导体
导体单丝根数根
单丝直径最大 mm 20℃时导体电阻≤Ω/km
绝缘
平均厚度≥ mm 最薄点厚度≥ mm
护套
平均厚度≥ mm 最薄点厚度≥ mm
外径平均外径
下限: mm
上限: mm 椭圆度
≤15%×
= mm
标志
电缆表面印字完整、耐擦、清晰标志间距离≤ mm 电压试验
施加Ac
KV/5min,不击穿
绝缘机械性能
绝缘老化前抗张
强度——中间值
≥ N/mm2绝缘老化前断裂
伸长率——中间值
≥ %
护套机械性能
护套老化前抗张
强度——中间值
≥ N/mm2护套老化前断裂
伸长率——中间值
≥ %
试验结论
经本公司质量部质检员对该批电线电缆抽样试验,所检项目均能满足标准
要求,属合格品,准予出厂。
检验员:日期:审核:日期:
备注
注:“P”表示该项目合格,“F”表示该项目不合格,“N”表示该项目不要求检测。
电缆检查报告1. 概述本报告旨在对电缆进行检查,并记录相应的检查结果与存在的问题。
通过对电缆的检查,可以及时发现潜在的故障风险,以采取适当的维修与保养措施,确保电缆的正常运行和使用。
2. 检查对象受检电缆的基本信息:- 电缆类型:(填写电缆的型号或名称)- 电缆规格:(填写电缆的长度、截面积等信息)- 安装位置:(填写电缆的具体安装位置)- 使用环境:(描述电缆的使用环境,如温度、湿度等)3. 检查方法(根据电缆类型和规格,选择合适的检查方法。
例如,对于地下电缆,可以采用红外热像仪检测其温度分布情况。
对于海底电缆,可以采用水下机器人进行检查。
)4. 检查结果根据对电缆的详细检查,以下是我们检测到的问题与建议的维护措施:(在此列举各个电缆存在的问题,包括但不限于绝缘损坏、接地问题、外部损伤等。
对每个问题,提供相应的解决方案或维护建议,确保电缆的正常运行。
)5. 维修与保养建议根据检查结果,我们建议采取以下维修与保养措施,保障电缆的良好状态:(根据实际情况,列举需要采取的具体维修与保养措施,如更换受损部分、提供附加的绝缘保护措施等。
)6. 维修后检验在完成维修后,请及时进行检验以确保维修效果:(描述维修后的检验方法和标准。
如绝缘电阻测试、电缆电压升降试验等。
)7. 结论通过本次电缆检查,我们发现了一些存在的问题,并提供了相应的维修与保养建议。
为了确保电缆的正常运行,我们建议尽快采取相应措施来解决这些问题。
以上报告仅供参考,具体的维修与保养方案请根据实际情况制定,并遵循相关的安全操作规程。
如有任何疑问或需要进一步的咨询,请随时与我们联系。
电缆送检检测报告模板
1. 检测项目
本次电缆送检包括以下项目:
1.外观检查
2.阻燃性能检测
3.输电性能检测
4.可靠性检测
2. 检测设备
本次检测使用以下设备:
1.可调电源
2.数字万用表
3.接地电阻测量仪
4.高电压绝缘测试仪
3. 检测方法
1.外观检查:对送检电缆进行外观检查,检查包括电缆外皮是否有明显
损伤、表面是否有划痕和污损等。
2.阻燃性能检测:将试样置于火焰中定时间隔离,观察试样的燃烧程度,
根据燃烧程度判断阻燃性能。
3.输电性能检测:利用可调电源和数字万用表进行电压和电流的调整和
测量,检测电缆的输电性能。
4.可靠性检测:将试样置入恒温恒湿环境中,在一定时间后拿出试样进
行外观检查和各项性能测试,判断试样可靠性。
4. 报告结果
经过以上检测方法,本次电缆送检总体情况良好,各项性能指标符合标准要求。
具体结果如下:
1.外观检查:电缆外皮无明显损伤、表面无划痕和污损。
2.阻燃性能检测:试样未发生明显燃烧,且燃烧时间短,符合阻燃性能
标准要求。
3.输电性能检测:电缆的输电性能符合标准要求,在给定电压和电流下
传输正常。
4.可靠性检测:试样在恒温恒湿环境中经过一定时间后,外观无明显损
伤,各项性能指标无异常。
5. 结论
本次电缆送检结果显示,电缆的各项性能指标符合标准要求,经过检测认证,可以放心使用。
电缆电线检测报告模板1. 概述本报告是对电缆电线进行检测的结果展示和分析。
通过本次检测,可以评估电线电缆的安全性和可靠性,及时发现潜在的故障和隐患,并提出改进建议。
2. 检测对象本次检测对象为 [电线电缆名称]。
3. 检测标准本次检测按照 [检测标准名称] 进行。
4. 检测结果检测项目检测数值结论导体电阻[检测数值] Ω/km[结论]绝缘电阻[检测数值] MΩ·km[结论]屏蔽性能[检测数值] dB [结论]线间电容[检测数值] nF/km [结论]说明:•导体电阻:描述导体的电导率大小,数值应该接近于标称值;•绝缘电阻:描述绝缘材料的绝缘性能,数值越大绝缘能力越好;•屏蔽性能:描述屏蔽能力大小,数值越大屏蔽能力越好;•线间电容:描述不同导体之间的电容大小,数值越小表示不同导体之间的干扰越小;5. 结论与建议本次检测表明 [电线电缆名称] 的检测结果符合 [检测标准名称] 的要求,综合着重考虑 [结论] 等因素,我们认为该电线电缆目前处于良好的使用状态。
但是为了提高电线电缆的可靠性和延长其使用寿命,我们建议 [建议内容]。
6. 检测人员本次检测由以下人员执行:•[检测人员1名称] [监理工程师、注册电气工程师、注册安全工程师、电线电缆技术工程师]•[检测人员2名称] [监理工程师、注册电气工程师、注册安全工程师、电线电缆专业工程师]7. 检测仪器本次检测使用以下仪器:•[仪器1名称] [仪器型号]•[仪器2名称] [仪器型号]•[仪器3名称] [仪器型号]8. 检测日期本次检测日期为 [检测日期]。
9. 检测地点本次检测地点为 [检测地点]。
10. 结论本次检测结果表明,[电线电缆名称] 目前处于良好状态,但为了提高其可靠性和延长其使用寿命,我们依据检测结果提出了 [建议内容],期望能够得到采纳并得到改进。
电缆检验合格报告模板概述本文档为电缆检验合格报告的模板,旨在为检验人员提供规范的报告书写格式,便于管理和归档。
报告内容电缆检验合格报告应具备以下内容:1. 项目概述项目概述部分应包括以下内容:•项目名称•项目编号•检验单位名称•检验所在地•检验日期•检验标准2. 检验内容检验内容部分应包括以下内容:•检验对象:被检查的电缆的规格、型号和数量等详细信息。
•检验标准:检验依据的标准及其版本。
•检验方法:检验所采用的方法,包括标准和非标准的检验方法。
•检验内容:对电缆的各项指标进行检验,如电气性能、物理性能、防腐性能、机械性能等。
3. 检验结论检验结论部分应包括以下内容:•电缆的各项指标是否合格;•合格的指标是否符合相应的标准要求;•不合格的指标如何处理。
4. 检验记录检验记录部分应包括以下内容:•检验仪器仪表的名称、型号及准确度等信息;•对电缆样品的检验结果;•不合格项的原因及处理情况;•相应的检验记录和检验报告。
报告示例项目概述:项目名称:XXX市某工程项目项目编号:XXX-2021-001检验单位:XXX检验有限公司检验地点:XXX市检验日期:2021年5月20日检验标准:DL/T 766-2011检验内容:检验对象:三芯交联聚乙烯电缆 300V/500V检验标准:GB/T 12706.1-2016检验方法:外观检验、尺寸测量、电性能测试、物理性能测试检验内容:完好性、绝缘电阻、电弧击穿、电压持久、卷曲半径、燃烧性能等检验结论:电缆样品通过检验,各项指标符合标准要求。
检验记录:- 外观检验:电缆外观无破损、氧化等异常情况。
- 尺寸测量:电缆尺寸符合要求,误差在标准规定范围内。
- 电性能测试:电缆绝缘电阻大于50MΩ,电弧击穿电压大于3.5KV,电压试验无异常情况。
- 物理性能测试:电缆经过弯曲试验、扭转试验、拉伸试验和压扁试验,均无损坏、脱落等异常情况。
结论本文档介绍了电缆检验合格报告的具体内容与格式,这些内容都是保证检验报告规范、准确的关键。
电缆质量检测报告模板
1. 检测标准
根据国家《电力工程质量检测标准》的要求,对以下内容进行了检测:
1.电缆外观和尺寸;
2.绝缘电阻;
3.介质损耗角正切值;
4.绝缘电阻波动;
5.金属护套电阻;
6.屏蔽层绝缘电阻;
7.包层对地电阻;
8.金属护套对地电阻;
9.双层屏蔽层耐压试验。
2. 检测设备
本次检测使用了以下设备:
1.电缆绝缘电阻测试仪;
2.介质损耗测试仪;
3.金属护套电阻测试仪;
4.屏蔽层绝缘电阻测试仪;
5.耐压测试仪。
3. 检测结果
检测项目单位标准要求实际值判定
电缆外径mm ±0.5 ±0.2 √
绝缘电阻MΩ/km≥50005600 √
介质损耗角正切值- ≤0.00250.0023 √
绝缘电阻波动% ≤±5±4.2 √
金属护套电阻mΩ/m≤6 5.8 √
屏蔽层绝缘电阻MΩ/km≥10001250 √
包层对地电阻kΩ/km≥10001120 √
金属护套对地电阻kΩ≥1012 √
双层屏蔽层耐压试验kV/5min 4.69 4.72 √
4. 检测结论
根据上表中的检测结果,本次电缆质量检测符合国家《电力工程质量检测标准》的要求,可以通过验收。
5. 注意事项
1.检测过程中应严格按照国家《电力工程质量检测标准》的要求进行;
2.检测设备应经过校准和验证,确保准确可靠;
3.检测完成后,应将检测报告及时提交相关部门和责任人。
电缆成品检验报告模板
摘要
本报告根据相关标准和检验要求,对电缆成品进行了全面的检验测试,结果表
明该批电缆成品质量良好,符合相关标准要求。
检验范围
本次检验范围为一批电缆成品的全面检验测试。
检验依据和方法
本次检验依据以下标准和方法进行:
•GB/T 9330.1-2008 电缆试验方法通用规则第1部分:试验的一般规定
•GB/T 2951.1-1997 绝缘材料耐热性试验方法第1部分:热老化浸漆铜丝试验法
•GB/T 3048.2-2007 绝缘材料用试验方法第2部分:绝缘电阻和电导率测量
•GB/T 5169.20-2008 电气设备安装工程施工质量验收第20部分:电缆安装工程
采用标准规定进行各项检验,直接读数与合格标准比对,通过率≥97%为合格。
检验结果
物理性能测试
检验项目标准值实测值检验方法检验结果
极限拉力40N/mm^2 39.8N/mm^2 GB/T 2951.1-1997 合格
绝缘电阻1×10^14Ω·m 1.05×10^14Ω·m GB/T 3048.2-2007 合格
电缆外观无损伤无损伤目测合格安装质量测试
各项电缆安装工程均符合GB/T 5169.20-2008的规定。
其他测试
经过对电缆成品的检验测试,各项指标均符合相关标准要求,合格率为100%。
结论
本次检验结果表明,该批电缆成品质量良好,各项参数符合标准规定要求,可以正常投入使用。
引言概述:电线电缆是现代工业生产和生活中不可或缺的重要电力传输装置。
为了确保电线电缆的质量和安全性能,进行检验和测试是非常必要的。
本报告是对电线电缆进行的第二阶段的检验报告,主要包括材料和外观检验、绝缘和电阻测试、物理性能测试、电缆结构测试和耐火性能测试五个大点,详细阐述了小点中的各项测试内容和结果,并对整个检验过程进行总结。
正文内容:一、材料和外观检验1.检验电线电缆的原材料,包括导体、绝缘层和护套材料的规格与质量。
2.对电线电缆的外观进行检测,包括外观色泽、光洁度、表面平整度等方面,确保外观无明显缺陷。
二、绝缘和电阻测试1.绝缘测试:使用绝缘电阻测试仪器对电线电缆的绝缘层进行测试,检测其绝缘性能是否达到标准要求。
2.电阻测试:使用电阻测试仪器对电线电缆的导体进行测试,检测导体的电阻值是否符合标准要求。
三、物理性能测试1.弯曲性能测试:对电线电缆进行弯曲测试,检测其在不同弯曲角度下的性能表现。
2.拉伸性能测试:对电线电缆进行拉伸测试,检测其在不同负荷下的性能表现。
3.抗挤压性能测试:对电线电缆进行挤压测试,检测其在不同压力下是否受到严重损坏。
四、电缆结构测试1.线芯排列结构测试:对电线电缆的线芯排列结构进行检测,确保线芯正常排列,不出现错位或交叉现象。
2.护套材料测试:对电线电缆的护套材料进行测试,检测其抗压性能是否达到标准要求。
3.导体规格测试:对电线电缆的导体规格进行测试,确保导体的直径、外径等参数符合标准要求。
五、耐火性能测试1.燃烧性能测试:使用燃烧测试仪对电线电缆进行燃烧测试,检测其燃烧速度和火焰蔓延情况。
2.阻燃性能测试:使用阻燃测试仪对电线电缆进行阻燃性能测试,检测其在火焰作用下的抗燃烧能力。
总结:通过对电线电缆的材料和外观检验、绝缘和电阻测试、物理性能测试、电缆结构测试和耐火性能测试,我们可以全面了解电线电缆的质量和安全性能。
本次检验报告显示,电线电缆在各项测试中均符合标准要求,具备良好的绝缘性能、物理性能和耐火性能,可以安全可靠地使用。