影响电阻大小的因素练习
- 格式:doc
- 大小:30.50 KB
- 文档页数:2
备考2023年中考科学一轮复习-影响电阻大小的因素(二)影响电阻大小的因素专训单选题:1、(2018深圳.中考真卷) 下列关于电学知识说法正确的是()A . 验电器的工作原理是异种电荷相互排斥B . 金属靠自由电子导电C . 导体的电阻大小只跟导体的长度、横截面积有关D . 电学中规定正电荷的运动方向为电流的方向2、(2020西城.中考模拟) 下列说法中正确的是()A . 负电荷定向移动的方向规定为电流的方向B . 用电器的额定电压越高,其额定功率就越大C . 导体的长度越长、横截面积越大,导体的电阻越大D . 教室里再多几盏灯同时使用,电路中总电流会变大3、(2020禅城.中考模拟) 下列关于电阻的说法正确的是()A . 导体的电阻与导体两端的电压成正比,与通过导体的电流成反比B . 不考虑温度的影响,同种材料制成的长短相同的两条导线,细导线的电阻较大C . 一切导体的电阻都随着温度的升高而增大D . 当导体中电流为零时,导体的电阻也为零4、(2017莒.中考模拟) 下列实验没有到控制变量法的是()A . 测量物体运动的平均速度B . 探究影响压力作用效果的因素C . 探究影响导体电阻大小的因素D . 探究物体的动能跟哪些因素有关5、(2017丰台.中考模拟) 通常情况下,关于一段粗细均匀的镍铬合金丝的电阻,下列说法中正确的是()A . 合金丝的电阻跟该合金丝的横截面积有关B . 合金丝的电阻跟该合金丝的长度无关C . 合金丝两端的电压越大,合金丝的电阻越大D . 通过合金丝的电流越大,合金丝的电阻越大6、(2017顺义.中考模拟) 下列说法中正确的是()A . 磁场和磁感线都是客观存在的B . 能自由转动的小磁针静止后,N极指向地理南极附近C . 两段粗细、长度均相同的金属丝,其电阻也可能不同D . 通电铜导线中的电流方向与该导线中自由电子定向移动的方向相反7、(2019融安.中考模拟) 下列说法正确的是()A . “尘土飞扬”就是分子在做无规则运动B . 铝芯电线的电阻一定比铜芯电线的电阻大C . 电饭锅是利用电流的热效应工作的用电器D . 在压缩冲程中,汽油机将内能转化为机械能8、(2019湘潭.中考真卷) 下列说法中正确的是()A . 折射角一定小于入射角B . 电能表是测量电功的仪表C . 导体的横截面积越大,电阻越大D . 声音不能传递能量9、(2016三明.中考真卷) 如表列出了一些导体材料的信息.现有长度和横截面积都相同的锰铜合金丝甲和镍铬合金丝乙各一根,若将它们串联后接到电路中,不计温度对电阻的影响,则在相同时间内它们产生的热量之比Q甲:Q乙为()几种长1m,横截面积1mm2的导体材料在20℃时的电阻材料电阻R/Ω铁0.096锰铜合金0.44镍铬合金 1.1A . 1:1B . 2:5C . 5:2D . 4:110、(2017牡丹江.中考模拟) 如图所示,物理实验中经常需要对物体加热,下列描述中与实际吻合的是()A . 甲图中,加热时磁铁吸引铁钉的数量将增多B . 乙图中,对沸腾的水继续加热,温度计的示数将不断增大C . 丙图中,对电阻丝加热,灯泡将变暗D . 丁图中,用完全相同的装置给初温、质量均相同的水和花生油加热,水的温度升高得快一些11、(2017攀枝花.中考真卷) 下列因素中,对导体电阻大小有决定作用的是()A . 导体是否接入电路 B . 导体的长度 C . 通过导体的电流 D . 导体两端的电压12、(2019承德.中考模拟) 针对如图所示实验有关说法不正确的是()A . 甲:紫色石蕊溶液变蓝,无色酚酞溶液变红,则溶液一定是碱溶液B . 乙:燃烧的蜡烛质量会变小是因为生成了无色气体C . 丙:小灯泡亮度不同,说明同型号不同材质的导线的电阻不同D . 丁:悬挂着的小磁铁分开,说明同名磁极相互排斥13、(2020雅安.中考真卷) 如图所示,对于课本上的四个实验,下列说法错误的是()A . 用同一滑轮组将不同数目的钩码提升相同的高度,研究滑轮组的机械效率与物重的关系 B . 将长度相同、粗细相同的镍铬、锰铜丝分别接人相同电路中,研究电阻大小与导体材料的关系 C . 将底面积相同、质量不同的两个物体分别放在相同的海绵上,研究压力作用效果与受力面积大小的关系 D .用完全相同的酒精灯将质量相同的水和煤油加热相同时间,根据升高温度的情况比较不同物质吸热能力的强弱14、(2018河北.中考模拟) 关于导体的电阻,下列说法中正确的是A . 导体导电说明它对电流没有任何阻碍作用B . 导体的电阻越大,说明它对电流的阻碍作用越小C . 相同条件下,铜导线比铁导线的导电性能好,说明导体的电阻与材料有关D . 导体的电阻由它两端的电压和通过的电流决定15、(2021凤翔.中考模拟) 下列说法正确的是()A . 金属导电时,电子定向移动的方向与电流方向相同B . 相同材料制成长度相同的导线,横截面积越大电阻越小C . 温度高的物体具有的内能多,温度低的物体具有的内能少D . 人工湖能调节温度,是因为水的沸点高填空题:16、(2017松北.中考模拟) 图中甲、乙、丙都是镍铬合金丝,甲、乙长度相同,乙、丙粗细相同.小文想利用此电路探究“导体电阻的大小与其横截面基的关系”,实验中是根据________来判断接入 M、N两点间电阻的大小,应该选用________两根电阻丝.17、(2018贵港.中考真卷) 在用实验探究“电阻的大小与哪些因素有关”时,如图是某实验小组进行探究的实验装置,演示板上固定了四条合金电阻线,a、b、c 的长度均是1m,d的长度是0.5m;a、b、d的横截面积相同,c的横截面积比a、b的小,a、c是镍铬合金线,b、d是锰铜合金线。
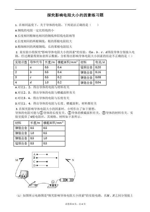
探究影响电阻大小的因素练习题1. 在相同温度下,关于导体的电阻,下列说法正确的是()A.铜线的电阻一定比铝线的小B.长度相同粗细也相同的铜线和铝线电阻相等C.长度相同的两根铜线,粗的那根电阻较大D.粗细相同的两根铜线,长的那根电阻较大2. 某实验小组探究“影响导体电阻大小的因素”的实验,将a、b、c、d四段导体分别接入电路,经过测量得到如表所示数据,分析得出影响导体电阻大小因素的结论不正确的是()实验次数导体代号长度/m横截面积/mm2材料电流/A1a0.50.4锰铜合金0.202b0.50.4镍铬合金0.163c0.50.2镍铬合金0.084d 1.00.2镍铬合金0.04B.对比2、3,得出导体的电阻与横截面积有关C.对比3、4,得出导体的电阻与长度有关D.对比1、4,得出导体的电阻与长度、横截面积、材料都有关3. 在探究影响导体电阻大小的因素时,小明作出了如下猜想:导体的电阻可能与①导体的长度有关、②导体的横截面积有关、③导体的材料有关。
实验室提供了4根电阻丝,其规格、材料如下表所示。
材料长度/m横截面积/mm2镍铬合金0.50.5镍铬合金 1.00.5镍铬合金0.5 1.0锰铜合金0.50.5(1)如图所示电路图是“探究影响导体电阻大小因素”的实验电路,在M、N之间分别接上不同的导体,则通过观察________来比较导体电阻的大小,这种研究方法叫________。
(2)为了验证上述猜想①,应该选用编号________两根电阻丝分别接入电路进行实验。
(3)为了验证上述猜想________,将A电阻丝接入电路,电流表示数为I1,将C电阻丝接入电路,电流表的示数为I2,则I1________I2(选填“>”、“<”或“=”)。
(4)分别将A和D两电阻丝接入如图电路中M、N两点间,电流表示数不相同,由此,初步得到的结论是:当长度和横截面积相同时,导体电阻跟________有关。
4. 为探究影响导体电阻大小的因素,甲同学利用同一种合金材料制成的a、b、c三条电阻丝进行实验,a、b长度相同,b、c粗细相同,实验电路如图甲所示。
根底稳固1.以下措施中,在导体温度不变的情况下,不可能改变导体电阻大小的是()A.改变导体的长度B.改变导体的材料C.改变导体的横截面积D.改变导体在电路中连接的位置2.下面有关导体电阻的说法中,正确的选项是()A.粗细相同的两根导线,长度大的,电阻一定大B.长度相同的两根导线,横截面积小的,电阻一定大C.在温度不变的情况下,用同种材料制成的长度相同的两根导线,横截面积小的,电阻一定大D.铝导线的电阻一定比铜导线的电阻大3.下面的几种说法中正确的选项是()A.比拟铜丝和铁丝电阻的大小就看哪一根长,长的电阻就大B.比拟铜丝和铁丝电阻的大小就看谁的横截面积大,横截面积大的电阻就小C.比拟铜丝和铁丝电阻的大小就看谁的质量大,质量大的电阻越大D.粗细和长短都相同,温度也相同的铜丝和铁丝相比拟,铁丝的电阻大4.在“探究影响导体电阻大小的因素〞的活动中,小明发现实验器材中金属丝只有一根,其他器材足够,如果要他完成下面的一些实验探究活动,其中他不可能完成的是() A.探究导体电阻与长度的关系B.探究导体电阻与横截面积的关系C.探究导体电阻与材料的关系D.探究导体电阻与温度的关系5.将电流表、一只白炽灯和开关串联在电路中,当开关闭合时,电流表指针指到0.8 A,然后慢慢回到0.3 A,电流表指针回偏的原因是()A.因为电流表的指针有惯性B.灯丝电阻随温度升高而增大C.一定是电流表发生了故障D.在开关闭合瞬间,灯两端的电压增大6.甲、乙两段电阻线,接在相同电压下,甲线中的电流小于乙线中的电流,不考虑温度影响,以下判断中错误的选项是()A.假设它们材料、粗细都相同,甲线长乙线短B.假设它们材料、长度都相同,甲线粗乙线细C.假设它们长度、粗细都相同,它们的材料一定不同D.甲、乙两电阻组成的材料、长短、粗细不完全相同7.铅笔芯是石墨和黏土混合制成的。
不同类型的铅笔的笔芯软硬程度不同,其中6H 的铅笔芯最硬,6B的铅笔芯最软,HB的铅笔芯软硬居中。
中考物理一轮复习专题练习——影响导体电阻大小的因素实验题专练有答案1.某学习小组在探讨影响导体电阻大小的因素时,阅读资料发现在导体材料和粗细相同时,其电阻大小与长度成正比,即可以用下述表达式表示:R=kx,其中k为比例常数,x为导体的长度.于是他们用下面的器材:电压恒定的电源、开关、粗细均匀的镍铬合金丝、电压表等及图甲电路来探究此问题,图中AB为镍铬合金丝,P为滑动片,图乙为实物连线图.(1)他们的实验方法是控制_________不变.(2)调节镍铬合金丝上的滑动片,电压表的示数_______(填“能”或“不能”)反映镍铬合金丝AP间电阻的变化,理由是____________________________.(3)要完成此实验,除了记录电压表示数外,还需要的测量器材是_____________________.2.在探究“电阻的大小与哪些因素有关”的实验中,采用如图甲所示的实验装置,a、b、c是镍铬合金制成的三根导线,a、b长度相同但粗细(横截面积)不同,a、c粗细相同而长短不同,导线d由锰铜合金制成,长短、粗细与导线b相同。
(1)实验中电流表的示数越大,对应的导线电阻越_____;(2)将导线a接在M、N之间,闭合开关,电流表示数如图乙所示,此时电流为_____A;(3)依次将导线b、c、d替换导线a接入电路,电流表对应的示数如下表所示:①选导线a、b比较是为了探究导线电阻的大小与_____的关系;探究导线电阻的大小与材料的关系,应选用的两根导线是_____(填写导线代号);②由此可知:导线电阻的大小与材料有关,用相同材料制成的导线长度越_____,横截面积越_____,电阻越大:(4)若想进一步用“伏安法”测量导线a的电阻,除了如图甲所示的器材外,至少还需要在此电路接入一个_____表和一个变阻器,连好电路后,经多次测量,绘得导线a 的U﹣I图象如图丙所示,则其电阻为_____Ω。
3.在研究导体电阻与哪些因素有关的实验中,小明采用了图中所示的电路.闭合开关,夹子P向左滑动时,电阻丝连入电路的长度变长,观察到电流表示数变小,灯的亮度变暗.小明在得出导体电阻与长度关系的同时,还得出”灯泡的亮度由电流大小决定“的结论.(1)你认为小明关于灯泡的亮度由电流大小决定的结论是_______的.(2)小丽用L1“6V 3W“和L2”6V 2W“的两个小灯泡及6V的电源等器材,设计如下实验来验证小明的结论是否正确,请你帮她将实验步骤填写完整:①将两个小灯泡串联,接到6V的电路中,则通过两灯的电流_________;灯_____两端的电压较大;可观察到灯_______较亮;②将两个小灯泡并联,接到6V的电路中,则两灯两端的电压____;通过灯__的电流较大,可观察到灯____较亮.(3)由以上实验可以得出灯泡的亮度由______决定.4.小芳在探究影响导体电阻大小的因素时,猜想导体的电阻可能与下列因素有关:A.导体的材料 B.导体的长度 C.导体的横截面积为验证上述猜想,小芳用图甲的器材进行实验,其中①、②、③是镍洛合金丝,④是锰铜丝(1)连接电路时,开关应处于___状态,在M、N之间分别接上不同的导体,闭合开关后通过观察_____来比较导体电阻的大小.(2)为验证猜想B,应选用编号为_____两根金属丝分别接入电路进行实验(3)分别将①、③两金属丝接入图中M、N两点间,电流表的示数不同,由此得到的结论是:当材料和长度相同时,导体电阻跟________有关(4)小芳同学想进一步测出②的电阻大小,把②接在M、N的同时并联上电压表测出其两端的电压为1V,电流表的示数如图乙所示,此读数为____A,则②的电阻为______Ω5.在探究决定电阻大小的因素时,研究小组中甲、乙、丙三位同学作出如下猜想:甲:导体的电阻与导体的长度有关。
备考2023年中考科学二轮复习-影响电阻大小的因素-单选题专训及答案(二)影响电阻大小的因素单选题专训1、(2016沈河.中考模拟) 小明用如图所示的电路.探究影响金属丝电阻大小的因素.他手边除了有电路中的器材外.还有一根金属丝,则()A . 只能探究电阻与金属丝长度的关系B . 只能探究电阻与金属丝横截面积的关系C . 电阻与金属丝长度、横截面积的关系都能探究D . 电阻与金属丝长度、横截面积的关系都不能探究2、(2017薛城.中考模拟) 有一根镍铬合金丝,要使它接入电路的电阻变大,可以采取的方法有(不考虑温度变化)()A . 将这根合金丝对折后接入电路B . 将这根合金丝拉长后接入电路C . 提高合金丝两端的电压D . 使通过这根合金丝的电流变小3、(2020广东.中考模拟) 导体的电阻与下列哪个因素无关()A . 导体的材料B . 导体的粗细C . 导体的长度D . 导体两端的电压4、(2016通辽.中考模拟) 在“探究影响导体电阻大小的因素”的活动中,小明发现实验器材中金属丝只有一根,其他器材足够,那么下面的一些探究活动他不能完成的是()A . 探究导体电阻与材料的关系B . 探究导体电阻与长度的关系C . 探究导体电阻有横截面积的关系D . 探究导体电阻与温度的关系5、(2017顺义.中考模拟) 下列说法中正确的是()A . 磁场和磁感线都是客观存在的B . 能自由转动的小磁针静止后,N极指向地理南极附近C . 两段粗细、长度均相同的金属丝,其电阻也可能不同D . 通电铜导线中的电流方向与该导线中自由电子定向移动的方向相反6、(2017北京.中考模拟) 小强用两根镍铬合金丝在探究导体的电阻与横截面的关系时,除了要保持温度相同外,还需要保持不变的物理量有()A . 电压B . 电流C . 长度D . 横截面积7、(2017池州.中考模拟) 由欧姆定律公式I= 变形得R= ,结合所学电学知识,判断下列说法正确的是()A . 导体的电阻跟通过导体的电流成反比B . 如果导体被拉长,则其电阻将变小C . 如果通过导体的电流变小,导体的电阻将变大D . 导体两端电压增大时,电流也增大,但其比值不变8、(2017兰州.中考模拟) 为了研究电阻的大小是否与长度有关,采用了如图所示的电路,其中,AC和DF分别为直径与长度均相同的铜导线和镍铬合金线,B和E分别为AC和DF的中点.在对比研究时,下列选择正确的是()A . 第一次接入AB,第二次接入DEB . 第一次接入DE,第二次接入AC C . 第一次接入AB,第二次接入DFD . 第一次接入DE,第二次接入DF9、(2019平邑.中考模拟) 电炉通电后,电炉丝热得发红,而与电炉丝相连的导线却不怎么热,其原因是()A . 通过电炉丝的电流大B . 电炉丝与导线是并联的C . 电炉丝的通电时间长D . 导线的电阻远小于电炉丝的电阻10、(2020河池.中考真卷) 下列说法正确的是()A . 同种电荷互相吸引B . 电流表可以直接连在电源两极上C . 长度相同的两根铝线,粗的比细的电阻大D . 电路中有电流,电路两端就一定有电压11、(2016湖南.中考真卷) 实验室里将一根粗细均匀的铜导线减去一半,那么剩下部分与原来比较电阻将()A . 不变B . 变大C . 变小D . 不能判定12、(2014丹东.中考真卷) 关于影响导体电阻大小的因素说法正确的是()A . 导体电阻大小取决于通过它电流的大小,电流越小的导体电阻越大B . 导体电阻大小取决于加在它两端电压的大小,电压越大的导体电阻越大C . 相同材料制成粗细相同的导线,长度越长电阻也越大D . 铜导线的电阻一定比铁导线的电阻小13、(2012柳州.中考真卷) 导体的电阻是导体本身的一种性质,它的大小()A . 只决定于导体的材料 B . 只决定于导体的长度 C . 只决定于导体的横截面积 D . 决定于导体的材料、长度和横截面积14、(2014柳州.中考真卷) 电阻是导体本身的一种性质,在不考虑温度影响的情况下,它的大小()A . 只跟导体的材料有关B . 只跟导体的长度有关C . 只跟导体的横截面积有关D . 跟导体的材料、长度、横截面积均有关15、(2011百色.中考真卷) 有一段镍铬合金丝,下列措施中能减小它的电阻是()A . 减小它的长度B . 减小它的横截面积C . 减小它两端电压D . 增大通过它的电流16、(2012宿迁.中考真卷) 利用干电池、导线、小灯泡、电动机、铅笔芯、橡皮、塑料尺探究①物质导电性;②电动机转向;③电磁感应;④电阻与长度的关系.能够完成的实验个数有()A . 1个B . 2个C . 3个D . 4个17、(2018辽阳.中考真卷) 下列说法中,正确的是()A . 灯丝、碳棒、发光二极管(LED)都由导体制成B . 给手机充电时,手机的电池相当于电源C . 闭合电路中,电流方向从电源正极流出,经过用电器,流向电源的负极D . 导体的电阻跟导体两端的电压成正比,跟导体中的电流成反比18、(2017静安.中考模拟) 甲、乙是由同种材料制成且横截面相等的两导体,若将它们并联在同一电路中,则关于甲、乙的长度L及通过电流I的大小判断正确的是()A . 若L甲>L乙,则I甲=I乙B . 若L甲<L乙,则I甲=I乙C . 若L甲>L乙,则I甲>I乙D . 若L甲<L乙,则I甲>I乙19、(2017虹口.中考模拟) 当温度一定时,关于两根铜导线电阻的大小,下列判断中正确的是()A . 细的电阻大B . 长的电阻大C . 粗细相同,长的电阻大D . 长度相同,粗的电阻大20、(2017长宁.中考模拟) 如图所示,AC和DF为直径,长度均相同的铜导线和镍铬合金,B和E分别为AC和DF的中点,为了研究导体的电阻大小是否与长度有关,应分别接入()A . AB和DEB . DE和AC C . AB和DFD . DE和DF21、(2016沈河.中考模拟) 楼道中的一盏白炽灯,使用几年后,小明发现它的灯丝变细了,根灯丝变细前相比,下列有关说法正确的是()A . 灯丝的电阻变小了B . 灯泡两端的电压不变C . 通过灯丝的电流变大了D . 灯泡的实际功率变大了22、(2017贺州.中考真卷) 导体的电阻与下列哪个因素无关()A . 导体的材料B . 导体的粗细C . 导体的长度D . 导体两端的电压23、(2017临沂.中考真卷) 小明用两个不同的白炽灯做“探究串联电路的电流特点”实验时,发现一个灯泡较亮而另一个灯泡较暗,则较亮的灯泡()A . 电阻小B . 灯丝粗C . 电流大D . 功率大24、(2015百色.中考真卷) 下列关于导体电阻的说法,正确的是()A . 长度长的导体,电阻一定大B . 横截面积大的导体,电阻一定大C . 导体电阻与导体材料、长度、横截面积等因素有关D . 导体电阻由其两端电压和通过的电流来决定25、(2020镇江.中考模拟) 为了使电热器在单位时间内产生的热量增加一倍,下列措施中可行的是( )A . 并联一根阻值相等的电阻丝B . 串联一根阻值相等的电阻丝C . 使电热器两端的电压增加一倍D . 将电阻丝从中间剪成两段,将它们并联起来使用26、(2019静安.中考模拟) 实验室常用滑动变阻器的“变阻”是改变其接入电路中电阻线的()A . 长度B . 材料C . 温度D . 横截面积27、(2020雅安.中考真卷) 如图所示,对于课本上的四个实验,下列说法错误的是()A . 用同一滑轮组将不同数目的钩码提升相同的高度,研究滑轮组的机械效率与物重的关系 B . 将长度相同、粗细相同的镍铬、锰铜丝分别接人相同电路中,研究电阻大小与导体材料的关系 C . 将底面积相同、质量不同的两个物体分别放在相同的海绵上,研究压力作用效果与受力面积大小的关系 D .用完全相同的酒精灯将质量相同的水和煤油加热相同时间,根据升高温度的情况比较不同物质吸热能力的强弱28、(2017海淀.中考模拟) 给你两根长度相同但横截面积不同的镍铬合金线、一个电源、一个电流表、一个滑动变阻器、一个开关、若干带有导线夹的导线,现需要研究的问题有:①导体的电阻跟导体的横截面积是否有关;②导体的电阻跟导体的长度是否有关;③导体的电阻跟导体的材料是否有关.利用上述实验器材,可以完成的研究问题是()A . 只有①B . 只有②C . ①和②D . ①②和③29、(2021九台.中考模拟) 如图甲是某款手持式电子测温仪,图乙是它工作的原理图,其中电源电压保持不变,R是热敏电阻,用于靠近人体测温,定值电阻R0为保护电阻,显示仪是由电流表或电压表改装而成。
九年级物理电阻知识点归纳及专项练习知识点一:电阻1.定义:导体对电流的阻碍作用叫电阻,用R表示,国际制单位的主单位是欧姆,简称欧,符号是Ω。
常用单位有千欧(KΩ)和兆欧(MΩ),1MΩ=1000 KΩ=106Ω。
2.。
知识点二:决定电阻大小的因素影响电阻大小的因素有:导体的材料种类、长度、横截面积。
电阻是导体本身的一种特性,它不会随着电压、电流的变化而变化。
(1)当导体的材料和长度一定时,导体的横截面积越大,导体的电阻越小;(2)不同种类的导体电阻一般不同;(3)当导体的材料和横截面积相同时,长度越长,导体的电阻越大。
知识点三:半导体和超导体(1)某些导体在温度下降到某一温度时,就会出现其电阻为0的情况,这就是超导现象,这时这种导体就叫超导体。
(2)半导体的导电性能介于导体和绝缘体之间。
深刻理解电阻大小的影响的因素导体的电阻是导体本身的一种性质,它的大小决定于导体的材料、长度和横截面积,还与温度有关。
与导体是否连入电路、是否通电,及它的电流、电压等因素无关。
说明:①导体材料不同,在长度和横截面积相同时,电阻也一般不同;②在材料和横截面积相同时,导体越长,电阻越大;③在材料和长度相同时,导体的横截面积越小,电阻越大;④导体的电阻与导体的温度有关。
对大多数导体来说,温度越高,电阻越大。
只有极少数导体电阻随温度的升高而减小(例如玻璃)。
课后练习:基础训练:1.电阻表示导体对电流的阻碍作用,符号为____,基本单位是_____,单位符号是____。
电阻是导体本身的一种属性,它的大小决定于导体的材料、长度和_________。
还受温度的影响,对大多数导体,温度越高,电阻越大。
【答案】R,欧姆,Ω。
横截面积。
2.某些导体在温度下降到某一温度时,就会出现其电阻为0的情况,这就是_____现象,这时这种导体就叫超导体。
_____的导电性能介于导体和绝缘体之间。
【答案】超导。
半导体。
3.下列说法中正确的是()【答案】DA.绝缘体不容易导电是因为绝缘体中几乎没有电荷B.两个完全相同的灯泡串联,靠近电源正极的灯泡较亮C.电压一定的情况下,导体的电阻与导体中的电流成反比D.把导线A剪为相等的两段,其中一段拉长到原来的长度,其阻值大于导线A的原阻值。
11.6影响电阻大小的因素练习题-(1)(总3页)--本页仅作为文档封面,使用时请直接删除即可----内页可以根据需求调整合适字体及大小--影响电阻大小的因素练习题一、填空:1.物理学中,电阻表示导体对________的________作用,通常用字母R表示。
在国际单位制中,电阻的单位是________,简称________,符号是________,电阻的常用单位还有________、________。
2.实验室中常用的小灯泡的电阻约为8Ω,合________kΩ。
在电路图中电阻的符号是。
3.如图所示的电路中,小红把5Ω、50Ω的不同导体分别接在同一电路中,哪种情况灯泡较亮。
这是因为。
6.64.有一些元素的导电能力介于______ 之间,比_____差,比_____强,常常称做_____.利用______对它的性能的影响,可制成热敏电阻;利用_____对它的性能的影响,可制成光敏电阻.5.在温度一定的条件下,做“研究决定导体电阻大小因素”的实验,采用了的方法。
6.如图所示,开关闭合,将一铜丝触头在一铅笔芯上向右移动,可观察到的现象是:小灯泡的亮度。
由此可知:接入电路中的电阻,则电路中的电流;此实验还可以得出的结论是:。
二、选择1.若不考虑温度对电阻的影响,下列关于电阻的说法,正确的是().A.铜导线的电阻比铝导线的电阻小B.短导线的电阻比长导线的电阻小C.粗导线的电阻比细导线的电阻小D.长度相同而粗细不同的两条铜钱,其中较粗铜线的电阻小2.以下有关电阻的观点中,你认为错误的是().A.不同的导体,电阻一般不同B.导体被加热后,电阻一般会随温度升高而增大C.一个导体两端的电压越大,电流越大,则它的电阻就越小D.导体的电阻大小决定于导体的材料、长度、横截面积和温度3.下面说法正确的是()A .金属和纯水都是导体B .木头是绝缘体,它就一定不会导电C .玻璃不容易导电,但在条件改变时可以变成导体D .绝缘体不容易导电,所以绝缘体不是重要的电工材料4.关于半导体和超导体,以下说法中正确的是()A.石墨是半导体B.没有半导体就没有我们今天的现代化生活C.水银在高温时是超导体D.半导体和超导体还没有应用于生活5.常温下,小明拿来一根电阻丝,上面标有5Ω字样,回答下列问题:①若这根电阻丝接在3V的电压下,它的电阻是,接在5V的电压下,它的电阻是,不通电,它的电阻是。
“影响电阻大小的因素”练习一.选择题(共15小题)1.两条长度相等,横截面积不相等的铜导线,串联在电路里,则粗的铜导线()A.对电流的阻碍作用大B.对电流的阻碍作用小C.通过的电流要大D.通过的电流要小2.在“探究影响导体电阻大小的因素”的活动中,小李发现实验器材中金属丝只有一根,其他器材足够.如果要他完成下面的一些实验探究活动,其中他不可能完成的是()A.探究导体电阻与长度的关系B.探究电阻大小与横截面积的关系C.探究导体电阻与材料的关系D.探究导体电阻与温度的关系3.ab和cd是由同种材料制成的长度相同、横截面积不同的两端导体(S ab<S cd),将它们并联后连入电路中,这两端导体两端的电压及通过它们的电流的大小关系是()A.U ab>U cd,I ab<I cd B.U ab=U cd,I ab>I cdC.U ab<U cd,I ab<I cd D.U ab=U cd,I ab<I cd4.在学习电阻时,某小组同学分别把长度和粗细都相同的铜、铁、铝(ρ铜>ρ铁>ρ铝)长导线接在同一电源两端,测得通过它们的电流如图所示,以下假设最合理的是()A.导体的电阻与导体的种类有关B.导体的电阻与导体的密度有关C.导体的电阻与导体的长度有关D.导体的电阻与导体的温度有关5.如图所示,AB和BC是由同种材料制成的长度相同、横截面积不同的两段导体,将它们串联后连入电路中.比较通过它们的电流的大小,有()A.AB段电阻大,电流小B.BC段电阻大电流大C.AB段电阻大,电流与BC段相等D.BC段电阻大电流与AB段相等6.关于导体的电阻,下列说法中正确的是()A.根据公式R=可知,导体两端的电压、通过导体的电流决定导体电阻的大小B.当温度一定时,长度不同的两条镍铬合金导线,它们的电阻相等,则长度较长的导线横截面积较大C.忽略温度的影响,导体电阻的大小由导体的长度和横截面积决定D.忽略温度的影响,两根长度相同的铝导线,电阻一定相等7.一根铜导线的电阻为R,要使电路中的电阻变为4R,以下方法可行的是()A.将铜导线对折起来,接在电路中B.将铜导线用拉丝机拉长至原来2倍C.将同样长,同样粗的铝导线代替铜导线接在电路中D.将两根相同的铜导线连起来二.填空题(共5小题)8.如图所示,粗细、长短都相同的铜丝和铁丝分别连入电路中,闭合开关后,观察到电路中小灯泡的亮度不同,这个现象说明了.9.小东同学在做课外小实验时,需要10Ω的电阻一个,但实验室里没有10Ω的电阻,实验室里有1.2m长的电阻丝,经过测量,这根电阻丝的电阻为30Ω,则他可以在这根电阻丝上截取cm长的一段就可使用.“影响电阻大小的因素”练习1.答案:B解答:(1)两条铜导线的长度相等,由可知,电阻的大小和长度成正比,和横截面积成反比,很显然粗铜线电阻小,电阻小,对电流的阻碍作用就小,故A不正确,B正确;(2)串联电路各处电流相等,故两条铜线通过的电流相等,故C、D不正确;故选B.2.答案:C.解答:要探究电阻的大小与材料、横截面积、长度之间的关系,需要用控制变量法.因为实验器材中的电阻丝只有一根,所以材料只有一种,不能改变,所以不能研究电阻与材料之间的关系.故选C.3.答案:D解答:因两电阻并联,故通过两部分导体的电压相等,同时AB和BC是由同种材料制成的长度相同、横截面积不同的两端导体,S AB<S CD,所以AB段电阻大;再由欧姆定律可以知道在并联电路中,电流的分配与电阻成反比可以得出结论。
电阻1.电阻:导体对电流阻碍作用的大小叫做电阻。
k)用符号R表示,单位是欧姆(Ω),千欧(Ω2.影响电阻大小的因素:(1)材料。
长度相同、横截面积相同的不同材料组成的导体,电阻一般不同。
(2)长度。
由同一种材料组成的导体,横截面积相同时,导体越长电阻越大。
用一个比喻:街道越长,行人受到阻碍的机会越多。
(3)横截面积。
由同一种材料组成的导体,长度相同时,横截面积越大的导体电阻越小。
用一个比喻:街道越宽行人受到阻碍的机会越少,越畅通;管道越粗,水越容易流过去。
(4)导体电阻还随着温度的变化而变化。
对于大多数导体来说,温度升高时,电阻变大,如金属导体;但也有少数导体,其电阻随温度的升高而降低,如石墨。
【典型例题】类型一、电阻影响电阻大小的因素1.下面有关导体电阻的说法中正确的是()A.导体没有电阻,绝缘体有电阻B.铜的电阻比铁的电阻小C.粗细、长短都相同的铜丝和铁丝比较,铁丝的电阻较大D.要改变导体的电阻,可以改变通过的电流【思路点拨】电阻为导体一种属性,其大小取决于导线长度、粗细及导体的材料,与是否有电流无关;横截面积、长度相同的铜丝和铁丝,铁丝的电阻大。
【答案】C【解析】导体和绝缘体的区别在于电阻的大小,绝缘体是指电阻无穷大的物体,故A错误;要比较电阻的大小,需要比较导线长度、粗细及导体的材料,故B错误;粗细相同,长度相同的铜丝的电阻要比铁丝小,故C正确;导体的电阻与通过导体的电流无关,故改变电流无法改变导体的电阻,故D错误;故选C。
类型二、滑动变阻器的原理2.常用的变阻器有滑动变阻器和电阻箱,下列说法中正确的是()A.电阻箱能逐渐地改变它连入电路的电阻,但不能表示出连入的阻值B.滑动变阻器能够表示出它连入电路的阻值C.电阻箱能表示出它连入电路的阻值D.种变阻器规定有最大的阻值,对通过它们的电流没有任何限制【答案】C【解析】电阻箱能表示出连入电路的阻值,但不能逐渐地改变连入电路的电阻,所以A错误,C正确;滑动变阻器能连续地改变接入电路中的阻值,但不能读数,所以B错;滑动变阻器和电阻箱都有允许通过的最大电流,所以D错误。
1、在“探究影响导体电阻大小的因素”实验中。
小明实验小组设计了如图所示的探究电路图,AB间可接入所研究的导体,此电路的设计是通过观察对比灯泡的亮度现象来比较电阻大小的。
(1)下表中给出了四种导体,如果想探究电阻与材料的关系,应选择编号 的两种导体接入电路的AB间。
(2)如果在A、B问先后接入编号为2和3的导体,这是在探究导体电阻与 关系。
发现接入导体3时小灯泡更亮些,则由此可初步得出的结论为 。
(3)实验小组还想检测HB、2B铅笔芯的导电性,他们取两段HB和2B铅笔芯,分别接入电路A、B间观察比较灯泡的亮度就可以验证它们的导电性了。
请指出他们设计中的错误: 。
(4)请你评价此电路设计上的不足 ;你对此设计的改进意见是 。
2023中考物理电学实验探究测试一、探究影响电阻大小的因素2、在探究影响导体电阻大小的因素是,小明作出了如下猜想:导体的电阻可能与a 导体的长度有关、b 导体的横截面积有关、c 导体的材料有关。
实验室提供了4根电阻丝,其规格、材料如表所示。
(1)如图1所示的电路中,连接电路是开关应 (“闭合”或“断开”),连接好电路后,在M 、N 之间分别接上不同的电阻丝,则通过观察 来比较导体电阻的大小;(2)为了验证上述猜想a ,应该选用编号 两根电阻丝分别接入电路进行实验;(3)为了验证上述猜想b ,应该选用编号 两根电阻丝分别接入电路进行实验;(4)分别将A 和D 两电阻丝接入图甲电路中M 、N 两点间,电流表示数不相同,由此,初步得到的结论是:当 和横截面积相同时,导体电阻跟 有关。
(5)为了进一步探究电阻是否受温度的影响,按图2所示。
接通电路后,用酒精灯给电阻丝缓慢加热,观察加热前后电流表的示数,发现示数变小了,由此现象可得出结论: 。
3、电阻是导体本身的一种属性,它的大小取决于导体的材料、长度、横截面积。
实验证明:在温度不变时,导体的电阻跟它的长度成正比,跟它的横截面积成反比。
(1)如果用表示长1m、横截面积为1mm 的导线的电阻值,R表示导线的电阻,L表示导线的长度,S表示导线的横截面积,则 。
16.3 电阻一.选择题(共7小题)1.(2021•武汉)利用如图所示的电路探究影响导体电阻大小的因素,演示板上固定有a、b、c、d四根合金丝,长度关系为L a=L b=L c=L d,横截面积关系为S a=S b=S c=S d,其中a、c、d均为镍铬合金丝,b为锰铜合金丝。
将导线P、Q分别接在同一根合金丝两端的接线柱上,下列说法正确的是()A.选用a和b进行实验,可以探究导体电阻跟导体材料的关系B.选用c和d进行实验,可以探究导体电阻跟导体长度的关系C.选用a和c进行实验,可以探究导体电阻跟横截面积的关系D.选用b和d进行实验,可以探究导体电阻跟导体材料的关系2.(2021•湖州)2020年10月15日,《自然》杂志报道了一种可以在15℃下实现超导的新材料,向创造没有电阻的高效电力系统迈出了重要一步。
超导材料可以应用在()A.电热毯B.电动汽车动力系统C.电热水壶D.充电暖手宝3.(2020•长沙)如图所示的钨丝是将一个白炽灯去除玻璃罩制成的,闭合开关S,小灯泡L发光,钨丝不发光,向钨丝吹气时,小灯泡L变亮,用酒精灯给钨丝加热,小灯泡L 逐渐变暗直至熄灭,由实验可知()A.钨丝的电阻随温度升高而减小B.向钨丝吹气时,钨丝电阻变小C.给钨丝加热时,电路中的电流变大D.小灯泡L发光而钨丝不发光是因为通过钨丝的电流小于小灯泡L的电流4.(2020•陕西)二十世纪初,科学家发现温度很低时,某些物质的电阻会变成零,这就是超导现象,发生超导现象的物质叫作超导体。
下列可以用超导体制作的是()A.电热丝B.输电线C.保险丝D.灯丝5.(2020•怀化)在新超导体研究领域,我国取得了令人瞩目的成就。
常温下的超导体可以用它制作()A.电炉的电阻丝B.家用保险丝C.远距离输电线D.白炽灯泡的灯丝6.(2020•徐州)计算机芯片中有大量用硅、锗等材料制成的电路元件,硅和锗属于下列哪些材料()A.导体B.半导体C.绝缘体D.超导体7.(2020•广州)小明测量不同型号铅笔在纸上涂划所得线条的电阻,实验步骤如下:(1)用铅笔在纸上画出两段长为15cm的线条,在其中一段线条上重复涂划3次,另一段6次;(2)换用不同型号铅笔重复(1)的操作,得到多组等长等宽的线条如图;(3)测出每段线条两端的电阻记录在表中。
实验07-探究影响导体电阻大小的因素实验07探究影响导体电阻大小的因素典例在“探究导体的电阻跟哪些因素有关”的实验中:(1)甲同学的猜想是:①电阻可能与导体的材料有关。
乙同学的猜想是:②电阻可能与导体的温度有关。
丙同学的猜想是:③电阻可能与导体的横截面积有关。
根据你掌握的电学知识,你认为:④电阻还与有关。
(2)现有金属材料甲和金属材料乙制成的各种不同规格的金属丝,规格如下表。
选用导线A和B进行实验,可以探究______________ (选填“甲”“乙”或“丙”)同学的猜想。
要想探究猜想① 应该选用(选上面表格中导线的字母代号)两根导线进行实验。
解析:(1)电阻是导体本身的一种性质,它的大小决定于导体的材料、长度、横截面积以及温度,所以我认为电阻还与导体的长度有关.(2)因为A、B导线的长度和材料均相同,而横截面积不同,因此选用导线A和B进行实验,可以探究丙同学的猜想;要探究猜想①,根据控制变量法的思路,应该控制导体的长度、横截面积、温度都不变,因此应该选择导线B和C .答案:(1)长度(2)③;AC点评:控制变量法是物理探究实验中经常采用的一种方法,只有熟练掌握解答相关题型才会得心应手。
《实验07探究影响导体电阻大小的因素》针对练习1.下列实验或调查活动中,应用了控制变量方法的是()A .测液体温度时,温度计的玻璃泡要与被测液体充分接触B.用显微镜观察人体口腔上皮细胞时,观察前要对光将视野调亮C .调查流感的发病率与季节的关系时,男女的发病率要分开统计D.研究导体电阻与粗细的关系时,要保持导体的材料、长度和温度等不变1.D 解析:当要探究一个量与其他多个量(至少2个)之间的关系时,采用控制变量法。
选项AB属于器具的使用方法,选项C阐述的是统计方法,故选项ABC 均错误;选项D明显属于控制变量法。
本题答案为D。
点评:本题考查了控制变量法的应用条件。
2•小明用如图所示的电路.探究影响金属丝电阻大小的因素.他手边除了有电路中的器材外.还有一根金属丝,则()A•只能探究电阻与金属丝长度的关系B•只能探究电阻与金属丝横截面积的关系C •电阻与金属丝长度、横截面积的关系都能探究D •电阻与金属丝长度、横截面积的关系都不能探究2.C3.下列四个实例中,采用控制变量法进行研究的是哪些?____________A.研究压力作用效果与压力、受力面积的关系B.用一条带箭头的直线表示光的传播路线和方向C.用水流的形成来类比电流的形成D.探究影响电阻大小的因素3.A D. 解析:当要探究一个量与其他多个量(至少2个)之间的关系时,采用控制变量法。
备考2023年中考科学一轮复习-影响电阻大小的因素-实验探究题专训及答案(二)影响电阻大小的因素实验探究题专训1、(2020房山.中考模拟) 小倩用图所示器材探究影响导体电阻大小的因素,实验板上固定了四根金属丝。
A、B、C的长度均为1m,D的长度为0.5m;A、B的横截面积相同,材料不同;B、C的材料相同,但横截面积不同;B、D的材料和横截面积都相同。
探究导体电阻大小与导体长度是否有关应选用________和________两段金属丝接入M、N两点间。
2、(2016丰台.中考模拟) 物理课上老师讲到导体电阻的大小与导体横截面积有关,小邹同学想导体的电阻大小与横截面积究竟有什么关系呢,小邹用自己家8弦古筝(古筝弦为铁铬铝合金丝,长度均为1m,古筝弦的横截面积近似圆形,直径分别为0.25mm、0.30mm、0.40mm、0.45mm、0.50mm、0.55mm、0.70mm、0.90mm)自制了一个实验板,在实验板两端分别有接线柱与合金丝导通.物理实验室还为小邹提供了:符合实验要求的电源、导线、开关、电流表、电压表、滑动变阻器.请你使用上述器材,设计一个实验证明“当导体的材料、长度和温度一定时,导体电阻大小与导体横截面积成反比”,请你运用所学物理知识.⑴画出实验电路图.⑵写出实验步骤.⑶画出实验数据表格.3、(2020南通.中考真卷) 小明探究铅笔芯的电阻大小与长度的关系时,找来一支铅笔芯,测量其长度并用两枚金属回形针夹住其两端进行实验。
(1)图甲是测铅笔芯电阻的电路,请用笔画线代替导线将其连接完整________。
①闭合开关,发现两电表均无示数,为排查故障他将电压表改接在变阻器两端,发现电压表有示数,则电路故障可能是________。②排除故障,移动滑片P,电流表示数为0.14A时,电压表示数如图乙,为________V,测出的电阻为________Ω。(2)移动回形针,改变并测量铅笔芯接入电路的长度,实验时发现电流表损坏,他又设计了图丙电路测量电阻。
欧姆定律练习二
班级姓名
1、导体的电阻是指导体对的作用,电阻的大小与导体
的、、和有关。
2、一根粗细均匀的铜丝减掉一半,剩余部分的电阻将,若把两段拧到一起,电
阻将,若把它均匀的拉长,它的电阻将。
(均选填“变大”、“变小”
或“不变”)
3、某导体两端电压为12伏,通过的电流为0.8安,该导体的电阻为__________欧;若导体
两端的电压是18伏,则通过的电流为_________安,这时导体的电阻为________欧。
4、某电路中两端的电压一定,当接入一个15欧电阻时,通过电阻的电流是1.2安;如果用
45欧电阻来代替15欧电阻接入该电路,这时通过45欧电阻的电流为__________安。
5、在做“决定电阻大小的因素”实验时,为了便于研究,而采用控制变量法,即每次需挑
选两根合适的导线,测出通过它们的电流,然后进行比较,最后得出结论。
(1)为了研究导体的电阻与导体材料的关系,应选用的两根导线是_________;
(2)为了研究导体的电阻与导体长度的关系,应选用导线C和导线_________;
(3)为了研究导体的电阻与________的关系,应选用导线A和导线_________;
6、某导体阻值为30欧,两端的电压为12伏。
求:(1)导体中的电流;(2)5分钟通过导
体的电量。
7、某电阻丝的电阻为6欧,当8秒内通过它的电量为4库时,求:(1)导体中的电流强度;
(2)此时它两端的电压。
8、某小组为了研究导体的电阻与哪些因素有关,设计了实验:在常温下用材料、长度和横
截面积不同的金属丝接在电路中的两点之间,利用电流表和电压表测量后计算出了阻值,将数据记录在下表中。
(1)分析实验序号1与2或3与4或7与8与9可得出结论:
在常温下,。
(2)要想探究导体电阻与长度的关系,应选择实验序号的组进行比较,可得出结论:。
(3)如果要选择序号6来探究材料对于导体电阻的影响,在表格中找到对比的组来进行探究。
(填“能”或“否”)
(4)进一步综合分析表格中的相关数据,并归纳得出结论。
①分析比较序号1与3或2与4的数据及相关条件,可初步得出结论:
常温下,铝丝长度与横截面积的相同时,电阻相同。
②分析比较序号1与3和2与4的数据及相关条件,可初步得出结论:。
如有侵权请联系告知删除,感谢你们的配合!。