液压-方向控制阀
- 格式:ppt
- 大小:6.99 MB
- 文档页数:30
按照用途液压控制阀有哪些液压控制阀按照用途可以分为以下几类:1. 流量控制阀:流量控制阀用于控制液压系统中的流体流量。
其主要功能是根据系统需求,通过调节阀门开度来调整流量,实现对流量的精确控制。
流量控制阀通常可分为节流阀和调速阀两种。
- 节流阀:节流阀通过收缩或扩大流体流通的通道,实现对流量的控制。
常见的节流阀有节流口阀、节流槽阀、节流圆盘阀等。
节流阀可根据系统需求进行调整,达到需要的流量大小。
- 调速阀:调速阀常用于液压系统中的运动控制。
调速阀通过调节液压缸的流量,实现对运动速度的控制。
常见的调速阀有安全阀、限压阀、比例阀等。
调速阀可以根据系统要求进行调整,以实现所需的速度。
2. 压力控制阀:压力控制阀用于控制液压系统中的压力值。
其主要功能是根据系统需求,通过调节阀门开度来调整压力,实现对压力的精确控制。
压力控制阀通常可分为安全阀、溢流阀和逆止阀等。
- 安全阀:安全阀用于保护液压系统中的设备和管路免受过高压力的影响。
当系统中的压力超过预设值时,安全阀会自动打开,将过高压力导流至低压区域,保护系统的安全。
- 溢流阀:溢流阀用于控制液压系统中的最大工作压力。
当系统中的压力超过设定值时,溢流阀会自动打开并导流,从而限制系统的工作压力在安全范围内。
- 逆止阀:逆止阀用于控制液压系统中的流体方向。
它允许流体在一个方向上自由流动,而另一个方向上则会阻止流动。
逆止阀通常用于防止流体倒流或反向启动。
3. 方向控制阀:方向控制阀用于控制液压系统中的流体流向。
其主要功能是根据系统需求,通过调整阀门的位置来控制液压流体的流向。
常见的方向控制阀有旋转阀、插装阀、换向阀等。
- 旋转阀:旋转阀通常用于控制旋转液压马达或旋转液压缸的方向。
旋转阀通过旋转阀芯来切换液压系统的流向,实现对旋转部件的控制。
- 插装阀:插装阀常用于液压系统中的组合控制。
插装阀通过插入或拔出阀芯来实现对液压流体的流向控制。
插装阀通常具有结构简单、安装方便等特点。
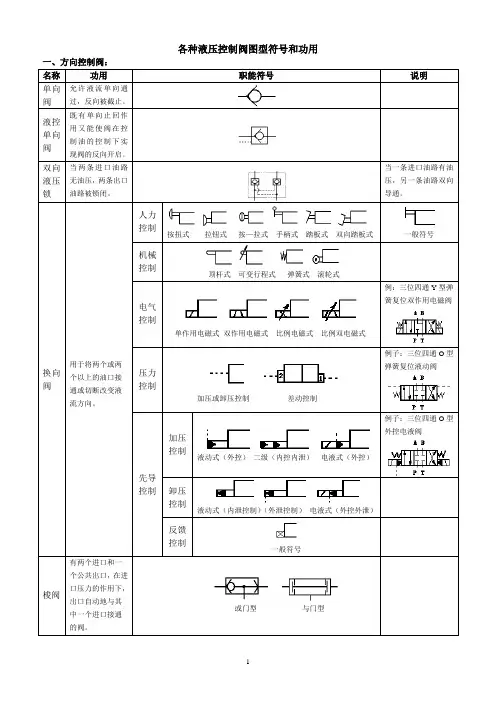
各种液压控制阀图型符号和功用一、方向控制阀:按—拉式手柄式踏板式双向踏板式或门型与门型二、压力控制阀:先导型溢流阀先导型电磁溢流阀卸荷溢流阀直动型减压阀先导型减压阀定比减压阀定差减压阀直动型外控顺序阀先导型顺序阀单向顺序阀(平衡阀)可调节流阀单向节流阀温度补偿型调速阀先导型比例减压阀先导型比例顺序阀比例溢流节流阀大管轮41、42期《船舶辅机》各部分试题量1.液压元件及设备(甲板机械)48题;2.船舶制冷装置40题;3.船舶辅锅炉装置12题。
《船舶辅机》试题库需要掌握的试题一、液压元件、设备【共593题】:232~261 30题644~651 8题 662~683 22题687~788 2题689~829 41题830~910 67题(扣除不要求的径向泵)911~1008 98题 1056~1254 199题1255~1325 71题 1352~1406 55题二、船舶制冷装置【共312题】:1407~1418 12题1419~1529 111题15-30、31、33、38、39、48~51、55、62~73 22题1574~1618 45题1653~1735 83题1736~1831 150题三、船舶辅锅炉装置【共161题】:2004~2014 11题2080~2088 9题2089~2150 62题2151~2157 7题2178~2192 15题2193~2216 24题2268~2300 33题注:1. 注意叶片马达结构、特点,《船舶辅机》试题库无此类题目。
2. 注意螺杆式制冷压缩机结构、特点,《船舶辅机》试题库无此类题目。
3.注意起货机、自动绞缆机液压系统图各元件的功用,《船舶辅机》试题库较少此类题目。
三管轮41期《船舶辅机》各部分试题量1.船用泵30题;2.空压机8题;3.液压元件及设备(甲板机械)23题;4.船舶制冷装置15题;5.空调6题;6.船舶辅锅炉装置13题;7.海水淡化5题。
课题15 液压阀概述方向控制阀(一)目的要求了解液压阀的分类,对阀的基本要求,明确单向阀的结构组成及应用;掌握换向阀位和通的概念。
重点:普通式和液控式单向阀;位和通的概念;三位四通换向阀的中位机能。
复习五种不同形式的液压缸,供油量为q,压力为P,活塞直径为D,活塞杆直径为d,那其F1、F2和V1、V2分别为:1)双杆活塞式2)单杆活塞式3)差动油缸4)柱塞式油缸5)双杆双活塞油缸教具: 示教板及课件作业: 5-2,5-3教学内容和步骤(附后)第5章液压控制元件第1节液压控制阀概述一、液压阀的分类1.按用途分:方向、流量、压力控制三大类。
2.按安装连接方式分:螺纹(管)式、板式、法兰(Dg32mm)、叠加式和插装式。
3.按工作压力等级分:低、中、高压阀。
4.按控制原理分:开关阀、比例阀、伺服阀和数字阀。
二、液压阀的结构特点及对阀的基本要求1.动作灵敏,工作平稳可靠,冲击、振动和噪声尽可能小。
2.油液流经阀时的阻力损失要小。
3.密封性要好,泄漏量要小。
4.结构要简单紧凑,体积小,通用性大,寿命长。
第2节方向控制阀一、单向阀1、普通单向阀作用:控制液流单向流动,反向截止。
结构和动作原理:图5-1;性能要求:动作灵敏,正向流动压力损失小,反向截止时密封性好。
开启压力:一般0.035-0.5Mpa。
背压时:0.2-0.6Mpa。
额定流量时的压力损失:不超过0.1~0.3MPa应用举例:(1)整流;(2)产生背压。
2.液控单向阀作用:除具有普通单向阀的功能外,必要时可反向流动。
结构:图5-2动作原理:正向流动时:p1口→p2口反向流动时:使用时的注意事项:(1)~(5)二、换向阀作用:控制(二条或二条以上)油路的通断,或改变液流方向。
1.分类及对换向阀的性能要求换向阀的分类见表5-1对换向阀的主要性能要求是:换向动作灵敏、可靠、平稳、无撞击;能获得准确地终止位置;内部泄露和压力损失要小。
2.滑阀工作原理及图形符号(1) 原理滑阀的工作原理如图5-3所示。
第五章方向控制阀方向控制阀(方向阀)是控制液压系统中的液流方向的阀,用来对系统中各个支路的液流进行通、断的切换,以适应工作的要求。
一个液压系统所应用的各个控制阀中,方向阀占的数量相当多。
§5-1 方向阀的功能及分类常规方向阀的基本作用是对液流进行通、断(开、关)切换。
因此,工作原理比较简单,它的结构也并不复杂。
但是,为了满足不同液压系统对液流方向的控制要求,方向阀的品种规格名目繁多。
一、分类方向阀按其功能,大致可分成以下几种类型:有时把压力表开关也归到方向控制阀中。
除了上述一般的方向控制阀外,还有可以进行阀芯位置连续控制的电液比例方向阀。
从阀芯的结构特征来区分,又有锥阀式、球阀式、滑阀式和转阀式等。
(一)单向阀单向阀类似于电路中的二极管。
在液压系统中单向阀只允许液流沿一个方向通过,反方向流动则被截止。
它是一种结构最简单的控制阀。
图5-1(图5-1省略p89)分别是钢球式直通单向阀和锥阀式直通单向阀。
液流从1P流入时,克服弹簧力而将阀芯顶开,再从2P流出。
当液流反向流入时,由于阀芯被压紧在阀座密封面上,所以流动被截止。
钢球式单向阀的结构简单,但密封性不如锥阀式,并且由于钢球没有导向部分,所以工作时容易产生振动,一般用在流量较小的场合。
锥阀式应用最多,虽然加工要求较钢球式高一些,但是它的导向性好,密封可靠。
图5-1所示单向阀是管式结构,尺寸小巧紧凑,可以直接安装在管路中。
此外还有板式结构的单向阀(图5-2)(图5-2省略p90),它的装拆维修比较方便,不过需要另行设置安装底板。
此外,由于板式单向阀内的流道有转弯,所以流动阻力损失较管式结构大。
单向阀中的弹簧主要是用来克服摩擦力、阀芯的重力和惯性力,使阀芯在液流反方向流动时能迅速关闭。
但弹簧过硬会影响阀的开启压力并造成过大的流动损失。
一般单向阀的开启压力大约0.03~0.05MPa,并可根据需要更换弹簧。
例如,单向阀作为背压阀使用时,需要具有与系统工作相适应的开启压力,因此采用较硬的弹簧。
方向控制阀名词解释
方向控制阀,也称为方向阀,是用来控制液压系统中油液流动方向的元件。
它是液压阀的一种,主要用来控制油液的流动方向,从而控制执行元件的运动方向。
方向控制阀可以分为单向型方向控制阀和换向型方向控制阀两类。
在液压系统中,方向控制阀的作用是控制油液的流动方向,使执行元件实现启、停或改变运动方向。
通过改变流道的开口度和流动方向,方向控制阀可以控制油液的流动路径,以满足不同的系统需求。
此外,方向控制阀还可以分为单向阀、液控单向阀、换向阀、行程减速阀、充液阀、梭阀等不同类型。
这些不同类型的方向控制阀具有不同的工作原理和用途,可以在不同的液压系统中发挥重要的作用。
以上内容仅供参考,如需更全面准确的信息,可以查阅机械工程学相关书籍获取。
液压方向控制阀故障处理实战步骤
(一)普通方向控制阀出现问题时(主要是液压缸无动作):
第1步:先让电控操作,看电磁阀线圈是否得电,若没电,由电气检查,从而避免混淆电气和液压问题
第2步:若电气正常,应先确认实现该动作时哪几个(有一个或几个)电磁阀线圈得电,然后手动操作这几个电磁阀,看液压缸是否
动作。
第3步:若无动作,应将压力表接起,检查该腔压力,压力是否满足要求或是否出现压力不稳,时高时低,若出现该情况,应检查该
控制阀组的溢流阀、减压阀等调压阀和系统压力是否正常,控
制阀或其他阀组是否出现串油现象造成泄压(可耳听阀组是否
有泄漏声),同时查看液压缸胶管是否进油,以及液压缸是否出
现时快时慢动作。
第4步:若仍无动作,再考虑液压缸是否串油,以及是否机械卡阻。
检查液压缸串油方法:手摸液压缸是否温度过高;或拆除液压缸
一端胶管,另一端充压力油,看拆胶管除一端是否有油流出。
第5步:对于不容易判断控制阀是否有问题时,可通过更换新阀或者与正常阀组的控制阀进行对调来排除。
(二)比例方向控制阀出现问题时:
第1步:因比例方向控制阀不能直接手动操作,出现问题时应先有电气人员检查,看电气信号是否到达,电压是否够,从而避免混淆
电气和液压问题
第2步:若电气正常,可用比例检测仪来控制操作比例换向阀,看液压缸是否有动作
第3步:若无动作,可通过更换新阀来排除,同时检查压力是否正常,液压缸是否串油或出现机械卡阻
以上步骤为基本步骤,可根据现场情况灵活处理,并考虑其他相关控制阀以及特殊情况。
电气、机械检查过程中,我们应该做好相关检查及准备工作(如备件、检测工具等),排除本专业原因。
液压阀种类及作用液压阀是液压系统中的重要组成部分,用于控制液压流体的流量、压力和方向。
下面是一些常见的液压阀种类及其作用:1. 方向控制阀:- 单向阀(Check Valve):防止液压流体逆流,只允许单向流动。
- 换向阀(Directional Valve):控制液压系统中液压流体的流向,可以实现单向、双向或多向流动。
2. 流量控制阀:- 节流阀(Throttle Valve):通过调节液流的截面积来控制流量,用于控制液压系统中的流量速度。
- 溢流阀(Relief Valve):当液压系统中的压力超过设定值时,通过溢流来保护系统,控制流量和压力。
3. 压力控制阀:- 定压阀(Pressure Relief Valve):用于限制液压系统中的最大工作压力,保护系统免受过高压力的损害。
- 压力序列阀(Sequence Valve):在液压系统中按照一定的顺序控制压力的释放,用于实现多级动作。
4. 定位控制阀:- 电磁阀(Solenoid Valve):通过电磁力控制阀门的开启和关闭,实现液压系统的远程控制。
- 比例阀(Proportional Valve):根据输入信号的变化,精确控制液压系统中的流量、压力和位置。
5. 安全控制阀:- 逃逸阀(Escape Valve):用于在紧急情况下快速释放液压系统中的压力,以确保系统和人员的安全。
- 断电阀(Shut-off Valve):在断电或紧急情况下,迅速切断液压系统中的液流,保持系统稳定和安全。
以上仅列举了一些常见的液压阀种类及其作用,实际应用中还有其他特殊功能的阀门。
液压阀的选择取决于液压系统的需求和工作条件,通过合理的组合和控制,实现液压系统的稳定运行和精确控制。
方向控制阀的分类及应用方向控制阀是一种用于调节流体力学系统中流体流向的阀门。
根据其不同的工作方式和应用条件,可以将方向控制阀分为多种类型。
下面将根据其分类和应用进行详细阐述。
1. 手动方向控制阀手动方向控制阀是一种通过手动操纵杆或手轮来改变阀门位置和流体流向的阀门。
它通常用于一些小型设备或实验室中,具有结构简单、价格较低等优点。
手动方向控制阀常用于气动控制系统和液压行业等领域。
2. 电动方向控制阀电动方向控制阀是一种使用电动机驱动的阀门,通过电动机控制阀门的开启和关闭,从而实现流体的流向控制。
这种阀门可以根据需要通过遥控或自动化系统进行控制,广泛应用于化工、电力、冶金等行业的流体控制领域。
3. 气动方向控制阀气动方向控制阀是一种使用气体压力来驱动的阀门,通过气体的压力控制阀门的启闭和流体的流向。
气动方向控制阀具有动作速度快、反应灵敏等特点,广泛应用于气动控制系统和工业自动化领域。
4. 液压方向控制阀液压方向控制阀是一种使用液体流压力力来驱动的阀门,通过控制液体的流向和压力来实现对流体系统的控制。
液压方向控制阀具有承压能力强、操作力矩小等特点,被广泛应用于液压动力领域、工程机械和船舶等行业。
5. 电磁方向控制阀电磁方向控制阀是一种利用电磁力来驱动的阀门,通过改变电磁线圈的通电和断电来控制阀门的开闭和流体的流向。
电磁方向控制阀具有动作迅速、可远程控制等特点,被广泛应用于自动化生产线、流体控制系统和供水领域。
在实际应用中,方向控制阀扮演着重要的角色。
它可以用于调节液体和气体的流向,控制工艺过程和设备的运行状态。
具体应用包括以下几个方面:1. 工业领域方向控制阀广泛应用于石油化工、电力、冶金、造纸等工业生产中的流体控制系统。
通过方向控制阀可以实现流体管道的切换、分配和控制,保证设备的正常运行和生产的顺利进行。
2. 自动化生产线方向控制阀在自动化生产线中起到关键作用。
它可以实现自动化生产过程中的流体管道的切换和控制,确保物料流动的顺畅和机械设备的高效运行。
方向控制阀工作原理
方向控制阀是一种用于控制液压系统中液压液的流动方向的装置。
它通常由阀体、阀芯、控制元件和执行元件等多个部分组成。
工作原理如下:
1. 当方向控制阀处于中位时,阀芯处于停止位置,液压液被阀体密封,流动被阻止。
2. 当控制元件(如手柄、电磁铁等)操作时,通过机械力或电磁力的作用,使阀芯移动。
3. 当阀芯移动到一定位置时,通过阀芯与阀体的密封面的开启或闭合,改变阀体内液压液的流动通道。
4. 当流动通道打开时,液压液就可以由一个通道流向另一个通道,从而改变液压系统中的液压力和流动方向。
5. 当控制元件操作结束时,阀芯回到停止位置,将液压液再次封闭起来,阻止流动。
方向控制阀的工作原理可以通过机械触发、电磁操控、压力传感器等方式实现,具体的原理与具体的方向控制阀型号和工作要求有关。
液压方向的工作原理
液压方向的工作原理是通过液压传动系统,将液压能转化为机械能来实现方向控制。
以下是液压方向的工作原理:
1. 液压方向阀:液压方向阀用于控制液压系统中的液流方向。
它通常由一个或多个阀芯和阀体组成。
阀芯的移动位置决定了液压流体的流向。
液压方向阀可以是手动操作、电动操作或自动操作的。
2. 液压泵供油:液压方向的工作需要液压泵提供高压油液。
液压泵通过正压力将液压油送入液压方向阀,从而实现方向控制。
3. 液压缸执行机构:液压方向的工作中,液压缸是一个常见的执行机构。
当液压泵向液压缸供油时,液压缸的活塞会受到高压力的作用而运动。
液压缸的运动方向和行程由液压方向阀控制。
4. 控制信号传输:液压方向的工作中,液压方向阀需要接收控制信号以确定流体流向。
控制信号可以是人工操作、电磁信号、压力信号等。
总的来说,液压方向的工作原理是通过液压传动系统,利用液压方向阀控制液压流体的流向,进而调度液压泵向液压执行机构供油,最终实现方向控制。
这样,液压方向系统可以在各种工程和机械装置中实现精确的方向控制。
方向控制阀的用途是控制方向控制阀(Directional Control Valve)是一种用于控制液压流体的流动方向的装置。
它根据控制信号的输入来改变其内部的阀芯位置,从而实现液压系统中介质的不同流向。
方向控制阀广泛应用于工业生产中的机械设备和液压系统中,具有以下主要用途:1.确定液压系统液压作用元件的运动方向:方向控制阀可以通过改变流体的流向,控制液压执行器(如液压缸、液压马达)的运动方向。
通过控制阀芯的位置,可以实现液压系统中活塞的伸缩、定位、顶升、夹紧等各种运动。
例如,在工业生产中的机床设备中,方向控制阀可以控制机床床台、工作台、刀架等的运动方向和位置。
2.实现液压系统中的流程切换:方向控制阀可以通过切换阀芯的位置,改变液压系统内流体的流向,实现不同液压元件或管路之间的流程切换。
例如,在机械设备中,方向控制阀可以实现循环油路与工作油路之间的切换,使液压系统在工作时能够高效地利用液压能力,提高工作效率。
3.控制液压系统中的压力控制阀:方向控制阀有时也可以用于控制液压系统中的压力。
例如,在液压系统中应用泵的启停控制时,可以通过方向控制阀配合压力控制阀来实现泵的启停和压力的控制。
总之,方向控制阀作为液压系统中的核心元件之一,其主要作用是控制液压介质的流向,从而实现液压系统中液压元件的动作和流程的切换。
方向控制阀不仅广泛应用于工业生产中的机械设备和液压系统中,还在冶金、石化、采矿、农业等领域中发挥着重要的作用。
随着科技的不断进步和液压技术的不断发展,方向控制阀的性能和功能也在不断提高,满足了各种复杂工况下的应用需求。
各种方向控制阀的原理图
液压阀是用来控制液压系统中油液的流动方向或调节其流量和压力的。
方向控制阀作为液压阀的一种,利用流道的更换控制着油液的流动方向
单向型方向控制阀是只允许气流沿一个方向流动的方向控制阀,如单向阀、梭阀、双压阀等
换向型方向控制阀是可以改变气流流动方向的方向控制阀,简称换向阀。
按照控制方式还可分为电磁阀,机械阀,气控阀,人控阀。
单向型方向控制阀
单向阀
单向阀是气流只能朝一个方向流动,而不能反向流动的阀。
单向阀常与节流阀组合,用来控制执行元件的速度。
1、组成:阀体、阀芯、弹簧等。
2、作用:只允许液流一个方向流动,反向则被截止。
3、工作原理:正向导通、反向截止。
4、应用:常被安装在泵的出口,一方面防止压力冲击影响泵的正常工作,另一方面防止泵不工作时系统油液倒流经泵回油箱。
被用来分隔油路以防止高低压干扰。
液控单向阀
液控单向阀是依靠控制流体压力,可以使单向阀反向流通的阀。
这种阀在煤矿机械的液压支护设备中占有较重要的地位。
液控单向阀与普通单向阀不同之处是多了一个控制油路K,当控制油路未接通压力油液时,液控单向阀就象普通单向阀一样工作,压力油只从进油口流向出油口,不能反向流动。
当控制油路有控制压力输入时,活塞顶杆在压力油作用下向右移动,用顶杆顶开单向阀,使进出油口接通。
若出油口大于进油口就能使油液反向流动。
41 500/107 EDSOLENOID OPERATEDDIRECTIONAL CONTROL VALVESWITH MONITORED SPOOLSOPERATING PRINCIPLEA wide range of configurations and different solenoid operated - hydropiloted directional control valve spool positions at rest are available:DS3M ISO 4401-03 (CETOP 03)DS5M ISO 4401-05 (CETOP 05)E4P4M CETOP P05E07P4M ISO 4401-07 (CETOP 07)E5P4M ISO 4401-08 (CETOP 08)p max (see performances table)Q max (see performances table)PERFORMANCES (working with mineral oil of viscosity of 36 cSt at 50°C)–Type S*: 4-way, 3-position directional control valve, with two solenoids; positioning of spool at rest is obtained by centering springs.–Type “T*”: 4-way, 2-position directional control valve with one solenoid; for piloted versions positioning of the spool at rest is determined hydraulically by the pilot valve and mechanically(even without pressure) by the main stage return spring.1 - IDENTIFICATION CODE1.1 Identification code for DS3M solenoid valves1.2 - Spool types for DS3M solenoid valvesMonitoredSpool types: see paraghraph 1.2Series No. (the overall and mounting dimensions remain unchanged from 10 to 19)D S 3M -/10-K1NOTE : In compliance with prEN 693 standards, valves are without manual override.Solenoid operateddirectional control valve ISO 4401-03 (CETOP 03) size Seals:N = NBR seals for mineral oil (standard )V = FPM seals for special fluidsCoil electrical connection:plug for connector type DIN 43650(standard )DC supply voltage D12= 12 V D24= 24 V D110= 110 V D220= 220 V1.3 - Identification code for DS5M solenoid valvesSolenoidoperated directional control valveISO 4401-05 (CETOP 05)sizeConfiguration and spool type (see par. 1.4)DC supply voltage D12= 12 V D24= 24 V D110= 110 V D220= 220 VSeries No. (the overall and mounting dimensions remain unchanged from 10 to 19)Coil electrical connection:plug for connector type DIN 43650(standard )External subplate drain port (standard )Seals:N = NBR seals for mineral oil (standard )V = FPM seals for special fluidsD S 5M -/ 11-K1 /Y1.4 - Spool type for DS5M solenoid valvesMonitoredNOTE : In compliance with prEN 693 standards, valves are without manual override1.5 - Identification code for E4P4M, E07P4M and E5P4M solenoid valvesPilot-solenoid operated directional control valve Size:4=CETOP P0507=ISO 4401-07(CETOP 07)5=ISO 4401-08(CETOP 08)P = Subplate mounting R = Mounting interfaceISO 4401-05 (CETOP R05) - only for valve E4 (not available for version H high pressure)Number of ways MonitoredSpool type: S* - TA (see paraghaph 1.6)Options:D = main spool shifting speed control (see par. 11.1)PF = subplate with restrictor Ø0.8 on port P placed under pilot operated solenoid valve (see par. 11.2)Piloting:E = external piloting (mandatory for spool S4)omit for internal pilotingDrainage:I = internal drainageomit for external drainage which isrecommended when the valve is used with back pressure on the outletSeals:N = NBR seals for mineral oil (standard )V = FPM seals for special fluidsDC power supply D12= 12 V D24= 24 V D110= 110 V D220= 220 V NOTE 1: voltages for alternating current are available on requestSeries No. (the overall and mounting dimensions remain unchanged from 20 to 29)H = high pressure version (pmax = 420 bar)Omit for standard version (pmax = 320 bar)EP 4M 20-K1-//1.6 - Spool type for E4P4M - E07P4M - E5P4M solenoid valvesNOTE : In compliance with prEN 693 standards, valves are without manual overrideCoil electrical connection:plug for connector type DIN 43650(standard )3 - PERFORMANCE CHARACTERISTICS (values obtained with viscosity 36 cSt at 50 °C)3.1 - Pressure drops Δp-Q2 - HYDRAULIC FLUIDSUse mineral oil-based hydraulic fluids HL or HM type, according to ISO 6743-4. For these fluids, use NBR seals (code N).For fluids HFDR type (phosphate esters) use FPM seals (code V).For the use of other fluid types such as HFA, HFB, HFC, please consult our technical department.Using fluids at temperatures higher than 80 °C causes a faster degradation of the fluid and of the seals characteristics.The fluid must be preserved in its physical and chemical characteristics.DS3M3.2 - Performance limits for DS3M and DS5M solenoid valvesThe curves state the flow rate functioning range according to the pressure.The values are obtained with solenoids at a standard temperature power supplied with a voltage equal to 90% of the rated voltage.DS3ME07P4ME5P4M3.3 - Performance limits for E4P4M - E07P4M - E5P4M solenoid operated directional control valves PRESSURES [bar] M I NMAX Piloting pressure5210*Pressure on line T with internal drainage -140 Pressure on line T with external drainage-250MAXIMUM FLOW RATES E4P4M E07P4ME5P4MPRESSURESSpool type210 bar 320 bar 210 bar 320 bar 210 bar 320 bar S4 - 6TA18 [l/min]120100250200500450S1 - TA [l/min]150120300250600500* For the H execution maximum piloting pressure is 280 barDS5MThe indicated values had obtained according to ISO 6403standards, using mineral oil with viscosity 36 cSt at 50 °C.The indicated values refer to a solenoid operated directional control valve operating with piloting pressure = 100 bar and with PA and BT connections.The switch on and off times are obtained at the time a pressure variation occurs on the line.The values indicated refer to a solenoid valve in configuration S1with Q = 60 l/min, p = 150 bar and with PA and BT connections. The switch on times are obtained at the time the spool switches over. The switch on and off times are obtained at the time a pressure variation occurs on the line.3.4 - Switching timesX : plug M5x6 for external pilot Y: plug M5x6 for external drainX : plug M6x8 for external pilot Y: plug M6x8 for external drainX : plug M6x8 for external pilot Y: plug M6x8 for external drainE5P4ME07P4ME07P4M 4 - PILOTING AND DRAINAGEThe E*P4 valves are available with piloting and drainage, both internal and external.The version with external drainage allows for a higher back pressure on the outlet.Plug assembly TYPE OF VALVEX Y E *P4M-**INTERNAL PILOT AND NO YES EXTERNAL DRAIN E *P4M-**/l INTERNAL PILOT AND NO NO INTERNAL DRAIN E *P4M-**/E EXTERNAL PILOT AND YES YES EXTERNAL DRAIN E *P4M-**/ElEXTERNAL PILOT AND YESNOINTERNAL DRAIN5.1 SolenoidsThese are essentially made up of two parts: tube and coil. The tube is threaded into the valve body and includes the armature that moves immersed in oil, without wear. The inner part, in contact with the oil in the return line, ensures heat dissipation.The coil is fastened to the tube by a threaded ring, and can be rotated and locked to suit the available space.NOTE 1: In order to further reduce the emissions, use of type H connectors is recommended. These prevent voltage peaks on opening of the coil supply electrical circuit (see catalogue 49000).NOTE 2: The IP65 protection degree is guaranteed only with the connector correctly connected and installed.5 - ELECTRICAL FEATURES5.2 Current and absorbed powerThe tables shows current and power consumption values relevant to the different coil types for DC.de-energized valve = closed contact = LED onenergized valve = open contact = LED offDS3M, E4P4M, E07P4M e E5P4M (values ± 5%)DS5M, (values ± 5%)5.3 Proximity sensor PNP typeCONNECTION SCHEMENOTE : On the DS3M and DS5M valves the led is placed straight on the proximity sensor and its light is RED.On the E4P4M, E07P4M e E5P4M valves the led is placed in the connector and its light is YELLOW.8 - E4P4M OVERALL AND MOUNTING DIMENSIONS9 - E07P4M OVERALL AND MOUNTING DIMENSIONS10 - E5P4M OVERALL AND MOUNTING DIMENSIONS12.1 - Proximity sensor connectorsConnectors for proximity sensors must be ordered separately, by specifying the descriptions here below, depending on the type of valve ordered.CONNECTOR FOR DS3M AND DS5M description: ECM3S / M8L / 10Connector: pre-wired connector M8 - IP68Cable: with 3 conductors 0.34 mm 2 - length 5 mt - cable material:polyurethane resin (oil resistant)Without LED. Leds are placed straight on the proximity sensor.CONNECTOR FOR E4P4M, E07P4M AND E5P4M description: ECM3S / M12L / 10Connector: pre-wired connector M12 - IP68cable: with 3 conductors 0.34 mm 2- length 5 mt - cable material:polyurethane resin (oil resistant)LEDS:GREEN LED: show the presence of power supply voltage to the connector. If the LED is off, the connector is not supplied.YELLOW LED: show the valve condition:- valve at rest yellow LED on - green LED on - switched valve yellow LED off - green LED off12.1 - Coil connectorsConnectors are never supplied with the solenoid valves, but theymust be ordered separately.For the identification of the connector type to be ordered, please see catalogue 49 000.11.1 - Control of the main spool shifting speedBy placing a MERS type double flow control valve between the pilot solenoid valve and the hydropiloted valve, the piloted flow rate can be controlled and therefore the change over smoothness can be varied.Add the letter D to the identification code to request this device (see paragraph 1.5).13.3 Subplate with throttle on line PIt is possible to introduce a subplate with a restrictor of Ø0,8 on line P between the pilot solenoid valve and the main distributor. The subplate thickness is 10 mm.Add PF to the identification code to request this option (see paragraph 1.5).11 - OPTIONSdimensions in mm 12 - ELECTRIC CONNECTORS 13 - INSTALLATIONThe valves can be installed in any position without impairing correct operation.Valve fastening takes place by means of screws or tie rods, laying the valve on a lapped surface, with values of planarity and smoothness that are equal to or better than those indicated in the drawing.If the minimum values of planarity or smoothness are not met, fluid leakages between valve and mounting surface can easily occur.14 - SUBPLATES (see catalogue 51 000)DS3M D4M E4P4M E07P4M E5P4M Type with rear ports PMMD-AI3G PMD4-AI4G PME4-AI5G PME07-AI6GType with side ports PMMD-AL3G PMD4-AL4G PME4-AL5G PME07-AL6G PME5-AL8G P, T, A, B, port dimensions3/8” BSP1/2” BSP3/4”1” BSP1½” BSP X, Y port dimensions --1/4” BSP1/4” BSP1/4” BSPDUPLOMATIC OLEODINAMICA SpA20025 LEGNANO (MI) - P.le Bozzi, 1 / Via Edison。