铁塔组立检查记录表
- 格式:doc
- 大小:235.00 KB
- 文档页数:7
铁塔组立检查记录表一、背景介绍铁塔组立是在电信通信行业中常见的一项工作,主要用于支撑无线通信设备。
为了确保铁塔组立工作的质量和安全,需要进行检查和记录。
铁塔组立检查记录表是一种用于记录铁塔组立过程中的各项检查内容和结果的表格,以便后续的评估和整改。
二、填写要求铁塔组立检查记录表需要全面、详细、完整地记录铁塔组立过程中的各项检查内容和结果。
下面是填写铁塔组立检查记录表的要求:1. 填写基本信息在表格的顶部,需要填写基本信息,包括:•日期:记录填写日期。
•项目名称:填写铁塔组立所属的项目名称。
•施工单位:填写负责铁塔组立的施工单位。
•检查人员:填写进行检查的人员姓名。
2. 填写检查内容在表格的主体部分,需要填写各项检查内容,包括:•施工前准备:记录施工前的准备工作是否完成,包括施工图纸、材料准备等。
•塔基施工:记录塔基施工的质量和安全情况,包括混凝土浇筑、钢筋绑扎等。
•铁塔组立:记录铁塔组立的过程和质量情况,包括塔身垂直度、螺栓拧紧等。
•线缆敷设:记录线缆敷设的情况,包括线缆的走向、固定情况等。
•地线接地:记录地线接地的情况,包括接地电阻、接地极的材质等。
•安全防护:记录施工过程中的安全防护措施是否到位,包括安全帽、安全绳等。
•其他事项:记录其他需要检查的事项,例如施工现场的卫生情况等。
3. 填写检查结果在每个检查内容的右侧,需要填写检查结果,包括:•合格:如果该项检查内容符合要求,则填写“合格”。
•不合格:如果该项检查内容不符合要求,则填写“不合格”。
•备注:如果该项检查内容有特殊情况需要备注,则在备注栏中填写详细说明。
三、填写示例下面是一个铁塔组立检查记录表的填写示例:日期项目名称施工单位检查人员2022/1/1 项目A 施工单位A 检查人员A检查内容检查结果备注施工前准备合格塔基施工合格铁塔组立不合格塔身垂直度超标线缆敷设合格地线接地合格安全防护合格其他事项合格四、总结铁塔组立检查记录表的填写需要全面、详细、完整地记录各项检查内容和结果。
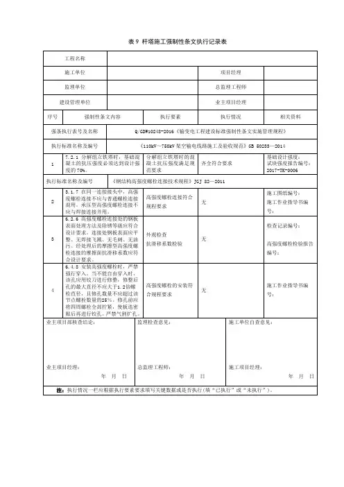
表9 杆塔施工强制性条文执行记录表工程名称施工单位项目经理监理单位总监理工程师建设管理单位业主项目经理序号强制性条文内容执行要素执行情况相关资料强条执行表号及名称Q/GDW10248-2016《输变电工程建设标准强制性条文实施管理规程》执行标准名称及编号《110kV~750kV架空输电线路施工及验收规范》GB 50233—20141 7.2.1 分解组立铁塔时,基础混凝土的抗压强度必须达到设计强度的70%。
分解组立铁塔时的混凝土抗压强度满足规范要求齐全符合要求基础设计强度:试块强度报告编号:2017-TK-0006执行标准名称及编号《钢结构高强度螺栓连接技术规程》JGJ 82—20112 3.1.7 在同一连接接头中,高强度螺栓连接不应与普通螺栓连接混用。
承压型高强度螺栓连接不应与焊接连接并用。
高强度螺栓连接符合规程要求无施工图纸编号:施工作业指导书编号:3 6.2.6 高强度螺栓连接处的钢板表面处理方法及除锈等级应符合设计要求。
连接处钢板表面应平整、无焊接飞溅、无毛刺、无油污。
经处理后的摩擦型高强度螺栓连接的摩擦面抗滑移系数应符合设计要求。
外观检查抗滑移系数检验无检查记录编号:高强度螺栓检验报告编号:4 6.4.8 安装高强度螺栓时,严禁强行穿入。
当不能自由穿入时,该孔应用铰刀进行修整,修整后孔的最大直径不应大于1.2倍螺栓直径,且修孔数量不应超过该节点螺栓数量的25%。
修孔前应将四周螺栓全部拧紧,使板迭密贴后再进行铰孔。
严禁气割扩孔。
高强度螺栓的安装符合规程要求无施工作业指导书编号:业主项目部核查结论:业主项目经理:年月日监理检查意见:总监理工程师:年月日施工单位自查意见:施工项目经理:年月日注:执行情况一栏应根据执行要素要求填写关键数据或是否执行(填“已执行”或“未执行”)。
拉线铁塔紧固件安装检验批质量验收记录表编号:
填表说明:
1. 适用范围及要求:
1) 该表适用于拉线塔组立质量验收。
2. 检查数量:
1)主控项目:全数检查。
2)一般项目:全数检查。
3. 检验批划分:拉线塔组立检验批质量验收检查数量以单基为一个检验批。
4. 其他要求:
1)主控项目第2项,UT型线夹带螺母后的螺杆必须露出螺纹,UT形线夹螺栓的螺母要露一扣以上。
并应留有不小于1/2螺杆的可调螺纹长度,以供运行中调整;NUT线夹安装后应将双螺母拧紧并应装设防盗罩。
2)一般项目第4项,螺栓露扣情况:螺母拧紧后,对单螺母:不应小于两个螺距;对双螺母:可与螺母相平;螺杆露扣长度最长不应超过20mm或10个螺距。
3)螺栓的穿入方向:对立体结构:水平方向由内向外;垂直方向由下向上;斜向者宜由斜下向斜上穿,不便时应在同一斜面内取统一方向。
对平面结构:顺线路方向,按线路方向穿人或按统一方向穿人;横线路方向,两侧由内向外,中间由左向右(按线路方向)或按统一方向穿人;垂直地面方向者由下向上;斜向者宜由斜下向斜上穿,不便时应在同一斜面内取统一方向。
4)每基塔螺栓紧固抽检比例不少于25%,主材连接处、导地线挂点等关键部位螺栓全检。
5)螺栓紧固扭矩值应符合设计要求,当设计未提出要求时按下表执行:
注:M24—250为8.8级螺栓的扭矩值。
注:施工作业人员质量责任登记应按部位和工序分别签名。
注:施工作业人员质量责任登记应按部位和工序分别签名。
注:施工作业人员质量责任登记应按部位和工序分别签名。
注:施工作业人员质量责任登记应按部位和工序分别签名。
注:施工作业人员质量责任登记应按部位和工序分别签名。
注:施工作业人员质量责任登记应按部位和工序分别签名。
注:施工作业人员质量责任登记应按部位和工序分别签名。
杆塔组立、横担组装及绝缘子安装检验批质量验收记录表
09040202
011。
线塔1监理:专职质检员:施工负责人: 检查人:线塔1监理:专职质检员: 施工负责人: 检查人:线塔1监理:专职质检员: 施工负责人:检查人:线塔1监理:专职质检员:施工负责人: 检查人:线塔1监理:专职质检员:施工负责人:检查人:线塔1监理: 专职质检员: 施工负责人:检查人:线塔1监理:专职质检员:施工负责人:检查人:线塔1监理:专职质检员:施工负责人: 检查人:线塔1监理:专职质检员:施工负责人:检查人:线塔1监理:专职质检员:施工负责人:检查人:线塔1监理:专职质检员: 施工负责人:检查人:线塔1监理: 专职质检员:施工负责人:检查人:线塔1监理:专职质检员: 施工负责人:检查人:线塔14监理:专职质检员: 施工负责人: 检查人:线塔15监理:专职质检员:施工负责人: 检查人:线塔16监理:专职质检员:施工负责人:检查人:线塔17监理: 专职质检员:施工负责人:检查人:线塔18监理:专职质检员:施工负责人:检查人:线塔19监理:专职质检员: 施工负责人:检查人:线塔1监理:专职质检员:施工负责人:检查人:线塔1监理:专职质检员:施工负责人:检查人:线塔1监理:专职质检员:施工负责人:检查人:线塔1监理:专职质检员: 施工负责人:检查人:线塔1监理: 专职质检员:施工负责人:检查人:线塔1监理: 专职质检员:施工负责人: 检查人:线塔1监理: 专职质检员:施工负责人:检查人:线塔1监理: 专职质检员:施工负责人:检查人:线塔1监理: 专职质检员:施工负责人:检查人:线塔1监理:专职质检员:施工负责人:检查人:线塔1监理:专职质检员:施工负责人:检查人:线塔1监理: 专职质检员:施工负责人:检查人:线塔1监理: 专职质检员:施工负责人: 检查人:线塔1监理:专职质检员:施工负责人:检查人:线塔1监理:专职质检员:施工负责人:检查人:线塔1监理:专职质检员: 施工负责人:检查人:线塔1监理:专职质检员:施工负责人:检查人:线塔1监理:专职质检员:施工负责人: 检查人:线塔1监理:专职质检员:施工负责人:检查人:线塔1监理: 专职质检员:施工负责人:检查人:线塔1监理:专职质检员:施工负责人: 检查人:线塔1监理: 专职质检员:施工负责人: 检查人:线塔1监理: 专职质检员: 施工负责人:检查人:线塔1监理: 专职质检员: 施工负责人:检查人:线塔1监理:专职质检员:施工负责人: 检查人:线塔1监理:专职质检员:施工负责人:检查人:线塔1监理:专职质检员:施工负责人:检查人:线塔1监理:专职质检员: 施工负责人:检查人:线塔1监理: 专职质检员: 施工负责人: 检查人:线塔1监理:专职质检员:施工负责人:检查人:线塔1监理:专职质检员:施工负责人:检查人:。
施线表1 铁塔基础现场浇制强制性条文执行检查表编号:-001工程名称单位(子单位)工程名称分部(子分部)工程名称施工单位项目经理序号强制性条文规定 执行情况相关资料 《110kV~750kV架空输电线路施工及验收规范》(GB 50233-2014)1 6.1.2 基础混凝土中严禁掺入氯盐。
项目总工:总监理工程师:编号:-001工程名称单位(子单位)工程名称分部(子分部)工程名称施工单位项目经理序号强制性条文规定 执行情况相关资料 《110kV~750kV架空输电线路施工及验收规范》(GB 50233-2014)17.2.1 分解组立铁塔时,基础混凝土的抗压强度必须达到设计强度的70%。
项目总工:总监理工程师:编号:-001工程名称单位(子单位)工程名称分部(子分部)工程名称施工单位项目经理序号强制性条文规定 执行情况相关资料 《110kV~750kV架空输电线路施工及验收规范》(GB 50233-2014)17.2.1 分解组立铁塔时,基础混凝土的抗压强度必须达到设计强度的70%。
项目总工:总监理工程师:施线表4 导、地线(含OPGW)展放强制性条文执行检查表编号:-001工程名称单位(子单位)工程名称分部(子分部)工程名称施工单位项目经理序号强制性条文规定 执行情况相关资料 《110kV~750kV架空输电线路施工及验收规范》(GB 50233-2014)18.4.1 不同金属、不同规格、不同绞制方向的导线或架空地线严禁在一个耐张段内连接。
28.4.7 切割导线外层铝股时严禁伤及钢芯。
《±800kV及以下直流架空输电线路工程施工及验收规程》(DL/T 5235-2010)38.1.1 架线前应有完整有效的架线施工(包括放线、紧线及附件安装等)技术文件。
48.6.3 光纤复合架空地线的架线施工必须符合下列规定:1 光纤复合架空地线的架线施工必须采用张力放线方法。
项目总工:总监理工程师:施线表5 导、地线连接强制性条文执行检查表编号:-001工程名称单位(子单位)工程名称分部(子分部)工程名称施工单位项目经理序号强制性条文规定 执行情况相关资料 《110kV~750kV架空输电线路施工及验收规范》(GB 50233-2014)18.4.1 不同金属、不同规格、不同绞制方向的导线或架空地线严禁在一个耐张段内连接。
铁塔组立检查记录表怎么填写文章标题:探秘铁塔组立检查记录表的正确填写方法在现代社会,通信领域的发展日新月异。
作为通信设施的关键组成部分,铁塔在保障通信网络畅通无阻方面发挥着重要的作用。
然而,铁塔的组立检查至关重要,而正确填写铁塔组立检查记录表更是必不可少的一环。
本文将从铁塔组立检查记录表的正确填写方法、重要性以及个人观点三个方面进行探讨。
一、铁塔组立检查记录表的正确填写方法1. 填写基本信息在填写铁塔组立检查记录表时,首先需要填写基本信息,包括铁塔的具体信息、检查人员的尊称和日期等。
这些基本信息是构成一份完整检查记录的基础,也是方便后续查阅和管理的重要依据。
2. 详细记录检查内容铁塔组立检查记录表需要详细记录检查的内容。
这包括铁塔的外观状况、各个部位的连接情况、设备的工作状态等。
在填写时,应该按部就班地逐项记录,确保不遗漏任何一处细节。
3. 提及关键问题在检查记录表中,不仅要记录铁塔的整体情况,还需要特别提及关键问题。
存在的安全隐患、设备的异常运行情况等。
这有助于快速发现问题并及时处理,确保铁塔的正常运行。
4. 总结和建议在填写铁塔组立检查记录表时,应该对本次检查进行总结和提出建议。
总结当前的检查情况,分析存在的问题,并提出解决方案和改进意见,为日后的维护提供参考。
二、铁塔组立检查记录表的重要性铁塔组立检查记录表的正确填写对于铁塔的安全运行和后续维护至关重要。
它是记录铁塔运行情况的重要依据,为铁塔的管理和维护提供了可靠的资料。
填写检查记录表有助于及时发现问题,做好预防和维护措施,保障铁塔的安全运行。
检查记录表的正确填写也为相关部门的监管和评估提供了参考依据,有利于提高整体通信设施的运行水平。
三、个人观点和理解对于我个人而言,铁塔组立检查记录表的正确填写是非常重要的。
在我看来,填写检查记录表是对铁塔安全的一种责任和担当。
只有做好这一环节,才能更好地保障铁塔的安全运行。
通过填写检查记录表,也能更好地了解铁塔的运行状况,为日后的维护工作提供有力的支持。
表B.8 自立式铁塔组立检查及评级记录(线塔1) (华电光伏)业主代表:专职质检员:施工负责人:检查人:(线塔1)(华电光伏)业主代表:专职质检员:施工负责人:检查人:(线塔1)(华电光伏)业主代表:专职质检员:施工负责人:检查人:(线塔1)(华电光伏)业主代表:专职质检员:施工负责人:检查人:(线塔1)(华电光伏)业主代表:专职质检员:施工负责人:检查人:(线塔1)(华电光伏)业主代表:专职质检员:施工负责人:检查人:(线塔1)(华电光伏)业主代表:专职质检员:施工负责人:检查人:(线塔1)(华电光伏)业主代表:专职质检员:施工负责人:检查人:(线塔1)(华电光伏)业主代表:专职质检员:施工负责人:检查人:(线塔1)(华电光伏)业主代表:专职质检员:施工负责人:检查人:表B.8 自立式铁塔组立检查及评级记录(线塔1)(华电光伏)业主代表:专职质检员:施工负责人:检查人:表B.8 自立式铁塔组立检查及评级记录(线塔1)(华电光伏)业主代表:专职质检员:施工负责人:检查人:表B.8 自立式铁塔组立检查及评级记录(线塔1)(华电光伏)业主代表:专职质检员:施工负责人:检查人:(线塔1)(华电光伏)业主代表:专职质检员:施工负责人:检查人:(线塔1)(华电光伏)业主代表:专职质检员:施工负责人:检查人:(线塔1)(华电光伏)业主代表:专职质检员:施工负责人:检查人:(线塔1)(华电光伏)业主代表:专职质检员:施工负责人:检查人:(线塔1)(华电光伏)业主代表:专职质检员:施工负责人:检查人:(线塔1)(华电光伏)业主代表:专职质检员:施工负责人:检查人:表B.8 自立式铁塔组立检查及评级记录(线塔1)(华电光伏)业主代表:专职质检员:施工负责人:检查人:(线塔1)(华电光伏)业主代表:专职质检员:施工负责人:检查人:(线塔1)(华电光伏)业主代表:专职质检员:施工负责人:检查人:(线塔1)(华电光伏)业主代表:专职质检员:施工负责人:检查人:(线塔1)(华电光伏)业主代表:专职质检员:施工负责人:检查人:(线塔1)(华电光伏)业主代表:专职质检员:施工负责人:检查人:(线塔1)(华电光伏)业主代表:专职质检员:施工负责人:检查人:(线塔1)(华电光伏)业主代表:专职质检员:施工负责人:检查人:(线塔1)(华电光伏)业主代表:专职质检员:施工负责人:检查人:(线塔1)(华电光伏)业主代表:专职质检员:施工负责人:检查人:(线塔1)(华电光伏)业主代表:专职质检员:施工负责人:检查人:(线塔1)(华电光伏)业主代表:专职质检员:施工负责人:检查人:(线塔1)(华电光伏)业主代表:专职质检员:施工负责人:检查人:(线塔1)(华电光伏)业主代表:专职质检员:施工负责人:检查人:(线塔1)(华电光伏)业主代表:专职质检员:施工负责人:检查人:(线塔1)(华电光伏)业主代表:专职质检员:施工负责人:检查人:(线塔1)(华电光伏)业主代表:专职质检员:施工负责人:检查人:(线塔1)(华电光伏)业主代表:专职质检员:施工负责人:检查人:(线塔1)(华电光伏)业主代表:专职质检员:施工负责人:检查人:(线塔1)(华电光伏)业主代表:专职质检员:施工负责人:检查人:(线塔1)(华电光伏)业主代表:专职质检员:施工负责人:检查人:(线塔1)(华电光伏)业主代表:专职质检员:施工负责人:检查人:(线塔1) (华电光伏)业主代表:专职质检员:施工负责人:检查人:。
一、施工过程记录及签证表1、架空线路工程普通基础和拉线基础分坑及开挖检查记录表工程名称:编号:专职质检员:施工负责人:检查人注:此表用于自立式铁塔时拉线部分用“/”划掉。
现浇铁塔基础检验记录工程名称:编号:监理人员:专职质检员:施工负责人:检查人混凝土电杆基础检查记录工程名称:编号:专职质检员:施工负责人:检查人灌注桩基础检验记录工程名称:编号:监理人员:专职质检员:施工负责人:检查人自立式铁塔组立检验记录工程名称:编号:监理人员:专职质检员:施工负责人:检查人自立式钢管杆组立检验记录工程名称:编号:监理人员:质检员:施工负责人:检查人:钢管桩基础检验记录工程名称:编号:监理人员:质检员:施工负责人:检查人:混凝土电杆组立检查记录工程名称:编号:质检员:施工负责人:检查人:注:本表在使用时,同类杆型若检查合格可多基杆填写一张表。
如杆高、杆型(直线、转角、耐张)相同且检查均合格时可将其填写于一张表格内,杆号一栏应填写所有受检杆号。
导、地线展放施工检查记录工程名称:编号:质检员:施工负责人:检查人:导、地线直线液压管施工检验记录工程名称:编号:耐张段桩号号至号耐张段塔号号至号导地线规格施工日期年月日压接管桩号相别线别压前铝管mm压前钢管mm压后铝管mm压后钢管mm外观检查压接人钢印代号外径d2需压长度外径d1需压长度对边距压接长度对边距压接长度最大最小最大最小最大最小1 2最大最小注1: d l、d2分别为压前钢管和铝管的外径;注2: 1、2为压后铝管分别两处各自的压接长度;注3:外观检查包括管弯曲、裂纹等项目;注4:压后推荐值:钢管为 mm;(对边尺寸应满足:s=0.866×(0.993D)+0.2)铝管为 mm。
监理人员:质检员:施工负责人:检查人:注:压后推荐值查阅GB 50233-2005复合光缆OPGW展放施工检查记录工程名称:编号:质检员:施工负责人:检查人:复合光缆OPGW紧线施工检查记录工程名称:编号:质检员:施工负责人:检查人:复合光缆OPGW附件安装施工检查记录工程名称:编号:质检员:施工负责人:检查人:复合光缆OPGW现场开盘测试报告工程名称:编号:2 263 274 285 296 307 318 329 3310 3411 3512 3613 3714 3815 3916 4017 4118 4219 4320 4421 4522 4623 4724 48监理人员:质检员:施工负责人:检查人:注:此表与ADSS通用复合光缆OPGW接头衰减测试报告工程名称:编号:接头桩号接头塔号测试日期年月日OPGW盘号测试波长μm 测试温度生产厂家纤芯序号纤芯色别纤芯衰减dB/km 纤芯序号纤芯色别纤芯衰减dB/km 允许值实测值允许值实测值1 252 263 274 285 296 30监理人员:质检员:施工负责人:检查人:复合光缆OPGW纤芯衰减测试报告工程名称:编号:监理人员:质检员:施工负责人:检查人:紧线施工检查记录 (耐张段)工程名称:编号:质检员:施工负责人:检查人:附件安装施工检查记录工程名称:编号:质检员:施工负责人:检查人:交叉跨越检验记录工程名称:编号:监理人员:质检员:施工负责人:检查人:接地装置施工检验记录工程名称:编号:监理人员:质检员:施工负责人:检查人:1.接地体连接情况,应记录接地体的连接工艺、接地极的间隔;2.引下线安装,应记录使用材料和安装工艺。