自立式铁塔组立检查及评级表
- 格式:doc
- 大小:1.87 MB
- 文档页数:87
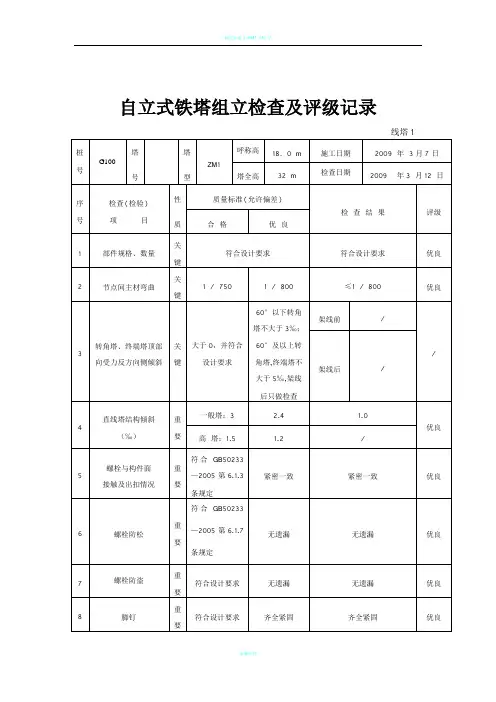
表B.0.8 自立式铁塔组立检查及评定记录表(线塔1)桩号塔号塔型呼称高(m)施工日期塔全高(m)检查日期序号检查(检验)项目性质评定标准(允许偏差)检查结果评定1 部件规格、数量主控符合设计要求2 节点间主材弯曲主控1/7503 转角塔、终端塔倾斜主控符合设计要求架线前架线后4 直线塔结构倾斜(%)一般一般塔:0.3高塔a:0.155 螺栓与构件面接触及出扣情况一般符合现行GB 50233-2014《110kV~750kV架空输电线路施工及验收规范》第7.1.3条规定6 螺栓防松一般符合设计要求7 螺栓防卸一般符合设计要求8 脚钉一般符合设计要求9 螺栓紧固一般符合现行GB 50233-2014《110kV~750kV架空输电线路施工及验收规范》第7.1.6条规定,且紧固率:组塔后不小于95%;架线后不小于97%架线前架线后10 螺栓穿向一般符合现行GB 50233-2014《110kV~750kV架空输电线路施工及验收规范》第7.1.4条规定11 保护帽一般符合设计要求注:a 高塔指塔高在100m以上的铁塔。
评定桩号2塔号2塔型2B7-JC1呼称高(m)24 施工日期2017年6月18日塔全高(m)33.5检查日期2017年6月25日序号检查(检验)项目性质评定标准(允许偏差)检查结果评定1 部件规格、数量主控符合设计要求符合设计要求优良2 节点间主材弯曲主控1/750 1/800优良3 转角塔、终端塔倾斜主控符合设计要求架线前优良架线后4 直线塔结构倾斜(%)一般一般塔:0.3高塔a:0.150.24 优良5 螺栓与构件面接触及出扣情况一般符合现行GB 50233-2014《110kV~750kV架空输电线路施工及验收规范》第7.1.3条规定紧密一致优良6 螺栓防松一般符合设计要求符合设计要求优良7 螺栓防卸一般符合设计要求符合设计要求优良8 脚钉一般符合设计要求符合设计要求优良9 螺栓紧固一般符合现行GB 50233-2014《110kV~750kV架空输电线路施工及验收规范》第7.1.6条规定,且紧固率:组塔后不小于95%;架线后不小于97%架线前98%优良架线后99%10 螺栓穿向一般符合现行GB 50233-2014《110kV~750kV架空输电线路施工及验收规范》第7.1.4条规定一致美观优良11 保护帽一般符合设计要求平整美观优良注:a 高塔指塔高在100m以上的铁塔。
Q/CSG表1- B.12自立式铁塔组立分项工程质量验收记录(线塔1)工程编号: Q/CSG表1- B.12Q/CSG表1- B.12自立式铁塔组立分项工程质量验收记录(线塔1)工程编号: Q/CSG表1- B.12Q/CSG表1- B.12自立式铁塔组立分项工程质量验收记录(线塔1)工程编号: Q/CSG表1- B.12Q/CSG表1- B.12自立式铁塔组立分项工程质量验收记录(线塔1)工程编号: Q/CSG表1- B.12Q/CSG表1- B.12自立式铁塔组立分项工程质量验收记录(线塔1)工程编号: Q/CSG表1- B.12Q/CSG表1- B.12自立式铁塔组立分项工程质量验收记录(线塔1)工程编号: Q/CSG表1- B.12Q/CSG表1- B.12自立式铁塔组立分项工程质量验收记录(线塔1)工程编号: Q/CSG表1- B.12Q/CSG表1- B.12自立式铁塔组立分项工程质量验收记录(线塔1)工程编号: Q/CSG表1- B.12Q/CSG表1- B.12自立式铁塔组立分项工程质量验收记录(线塔1)工程编号: Q/CSG表1- B.12Q/CSG表1- B.12自立式铁塔组立分项工程质量验收记录(线塔1)工程编号: Q/CSG表1- B.12Q/CSG表1- B.12自立式铁塔组立分项工程质量验收记录(线塔1)工程编号: Q/CSG表1- B.12Q/CSG表1- B.12自立式铁塔组立分项工程质量验收记录(线塔1)工程编号: Q/CSG表1- B.12Q/CSG表1- B.12自立式铁塔组立分项工程质量验收记录(线塔1)工程编号: Q/CSG表1- B.12Q/CSG表1- B.12自立式铁塔组立分项工程质量验收记录(线塔1)工程编号: Q/CSG表1- B.12Q/CSG表1- B.12自立式铁塔组立分项工程质量验收记录(线塔1)工程编号: Q/CSG表1- B.12Q/CSG表1- B.12自立式铁塔组立分项工程质量验收记录(线塔1)工程编号: Q/CSG表1- B.12Q/CSG表1- B.12自立式铁塔组立分项工程质量验收记录(线塔1)工程编号: Q/CSG表1- B.12Q/CSG表1- B.12自立式铁塔组立分项工程质量验收记录(线塔1)工程编号: Q/CSG表1- B.12Q/CSG表1- B.12自立式铁塔组立分项工程质量验收记录(线塔1)工程编号: Q/CSG表1- B.12Q/CSG表1- B.12自立式铁塔组立分项工程质量验收记录(线塔1)工程编号: Q/CSG表1- B.12Q/CSG表1- B.12自立式铁塔组立分项工程质量验收记录(线塔1)工程编号: Q/CSG表1- B.12Q/CSG表1- B.12自立式铁塔组立分项工程质量验收记录(线塔1)工程编号: Q/CSG表1- B.12Q/CSG表1- B.12自立式铁塔组立分项工程质量验收记录(线塔1)工程编号: Q/CSG表1- B.12Q/CSG表1- B.12自立式铁塔组立分项工程质量验收记录(线塔1)工程编号: Q/CSG表1- B.12Q/CSG表1- B.12自立式铁塔组立分项工程质量验收记录(线塔1)工程编号: Q/CSG表1- B.12。
自立式铁塔组立检查及评级记录表(线塔1)
监理:专职质检员:施工负责人:检查人:
填写说明
1.所有数值应按法定计量单位填写;
2.施工桩号:填写设计桩号或设计杆塔号;
3.运行塔号空栏不填;
4.塔型:填写设计塔型;
5.呼称高只填1个值,对有长短腿的铁塔,只填铁塔最长腿的呼称高;
6.施工日期:填写实际最后完成日期(最后组塔完成时间);
7.检查日期:填写班组检查日期;
8. 对于转角塔,需在备注栏内注明转角方向、角度(如:右转22°18′30″);9.评级栏:填写由监理公司和施工单位共同评审的评审意见结果,如“不合格”、“合格”、“优良”;要求检查项目对应的评级栏的“优良”或“合格”用打印字,备注对应的评级栏的“优良”或“合格”用手写。
10.无此项内容或不需要检查的内容:填写“/”;
11.签字栏:
检查人:施工班组自检人员;
施工负责人:班组长或队长;
专职质检员:项目部质检人员;
监理:监理人员;
12.装订线要求保证左边30mm;右边没有明确要求;个别栏内如字节过多,允许调整字体大小、栏目大小及行宽。
13.要求本检查与评级记录最终形成手写原始版记录1份,由施工单位保存备查,打印版记录根据归档需要做若干套份.。
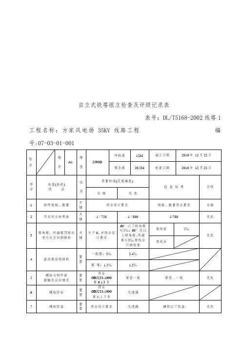
自立式铁塔组立检查及评级记录表表号:DL/T5168-2002线塔1工程名称:方家风电场35KV线路工程编号:07-03-01-001监理:专职质检员:施工负责人:检查人:自立式铁塔组立检查及评级记录表表号:DL/T5168-2002线塔1工程名称:方家风电场35KV线路工程编号:07-03-01-002监理:专职质检员:施工负责人:检查人:自立式铁塔组立检查及评级记录表表号:DL/T5168-2002线塔1工程名称:方家风电场35KV线路工程编号:07-03-01-003监理:专职质检员:施工负责人:检查人:自立式铁塔组立检查及评级记录表表号:DL/T5168-2002线塔1工程名称:方家风电场35KV线路工程编号:07-03-01-004监理:专职质检员:施工负责人:检查人:自立式铁塔组立检查及评级记录表表号:DL/T5168-2002线塔1工程名称:方家风电场35KV线路工程编号:07-03-01-005监理:专职质检员:施工负责人:检查人:自立式铁塔组立检查及评级记录表表号:DL/T5168-2002线塔1工程名称:方家风电场35KV线路工程编号:07-03-01-006监理:专职质检员:施工负责人:检查人:自立式铁塔组立检查及评级记录表表号:DL/T5168-2002线塔1工程名称:方家风电场35KV线路工程编号:07-03-01-007监理:专职质检员:施工负责人:检查人:自立式铁塔组立检查及评级记录表表号:DL/T5168-2002线塔1工程名称:方家风电场35KV线路工程编号:07-03-01-008监理:专职质检员:施工负责人:检查人:自立式铁塔组立检查及评级记录表表号:DL/T5168-2002线塔1工程名称:方家风电场35KV线路工程编号:07-03-01-009监理:专职质检员:施工负责人:检查人:自立式铁塔组立检查及评级记录表表号:DL/T5168-2002线塔1工程名称:方家风电场35KV线路工程编号:07-03-01-010监理:专职质检员:施工负责人:检查人:自立式铁塔组立检查及评级记录表表号:DL/T5168-2002线塔1工程名称:方家风电场35KV线路工程编号:07-03-01-011监理:专职质检员:施工负责人:检查人:自立式铁塔组立检查及评级记录表表号:DL/T5168-2002线塔1工程名称:方家风电场35KV线路工程编号:07-03-01-012监理:专职质检员:施工负责人:检查人:自立式铁塔组立检查及评级记录表表号:DL/T5168-2002线塔1工程名称:方家风电场35KV线路工程编号:07-03-01-013监理:专职质检员:施工负责人:检查人:自立式铁塔组立检查及评级记录表表号:DL/T5168-2002线塔1工程名称:方家风电场35KV线路工程编号:07-03-01-014监理:专职质检员:施工负责人:检查人:自立式铁塔组立检查及评级记录表表号:DL/T5168-2002线塔1工程名称:方家风电场35KV线路工程编号:07-03-01-015监理:专职质检员:施工负责人:检查人:自立式铁塔组立检查及评级记录表表号:DL/T5168-2002线塔1工程名称:方家风电场35KV线路工程编号:07-03-01-016监理:专职质检员:施工负责人:检查人:自立式铁塔组立检查及评级记录表表号:DL/T5168-2002线塔1工程名称:方家风电场35KV线路工程编号:07-03-01-017监理:专职质检员:施工负责人:检查人:自立式铁塔组立检查及评级记录表表号:DL/T5168-2002线塔1工程名称:方家风电场35KV线路工程编号:07-03-01-018监理:专职质检员:施工负责人:检查人:自立式铁塔组立检查及评级记录表表号:DL/T5168-2002线塔1工程名称:方家风电场35KV线路工程编号:07-03-01-019监理:专职质检员:施工负责人:检查人:自立式铁塔组立检查及评级记录表表号:DL/T5168-2002线塔1工程名称:方家风电场35KV线路工程编号:07-03-01-020监理:专职质检员:施工负责人:检查人:自立式铁塔组立检查及评级记录表表号:DL/T5168-2002线塔1工程名称:方家风电场35KV线路工程编号:07-03-01-021监理:专职质检员:施工负责人:检查人:自立式铁塔组立检查及评级记录表表号:DL/T5168-2002线塔1工程名称:方家风电场35KV线路工程编号:07-03-01-022监理:专职质检员:施工负责人:检查人:自立式铁塔组立检查及评级记录表表号:DL/T5168-2002线塔1工程名称:方家风电场35KV线路工程编号:07-03-01-023监理:专职质检员:施工负责人:检查人:自立式铁塔组立检查及评级记录表表号:DL/T5168-2002线塔1工程名称:方家风电场35KV线路工程编号:07-03-01-024监理:专职质检员:施工负责人:检查人:自立式铁塔组立检查及评级记录表表号:DL/T5168-2002线塔1工程名称:方家风电场35KV线路工程编号:07-03-01-025监理:专职质检员:施工负责人:检查人:自立式铁塔组立检查及评级记录表表号:DL/T5168-2002线塔1工程名称:方家风电场35KV线路工程编号:07-03-01-026监理:专职质检员:施工负责人:检查人:自立式铁塔组立检查及评级记录表表号:DL/T5168-2002线塔1工程名称:方家风电场35KV线路工程编号:07-03-01-027监理:专职质检员:施工负责人:检查人:自立式铁塔组立检查及评级记录表表号:DL/T5168-2002线塔1工程名称:方家风电场35KV线路工程编号:07-03-01-028监理:专职质检员:施工负责人:检查人:自立式铁塔组立检查及评级记录表表号:DL/T5168-2002线塔1工程名称:方家风电场35KV线路工程编号:07-03-01-029监理:专职质检员:施工负责人:检查人:自立式铁塔组立检查及评级记录表表号:DL/T5168-2002线塔1工程名称:方家风电场35KV线路工程编号:07-03-01-030监理:专职质检员:施工负责人:检查人:自立式铁塔组立检查及评级记录表表号:DL/T5168-2002线塔1工程名称:方家风电场35KV线路工程编号:07-03-01-031监理:专职质检员:施工负责人:检查人:自立式铁塔组立检查及评级记录表表号:DL/T5168-2002线塔1工程名称:方家风电场35KV线路工程编号:07-03-01-032监理:专职质检员:施工负责人:检查人:自立式铁塔组立检查及评级记录表表号:DL/T5168-2002线塔1工程名称:方家风电场35KV线路工程编号:07-03-01-033监理:专职质检员:施工负责人:检查人:自立式铁塔组立检查及评级记录表表号:DL/T5168-2002线塔1工程名称:方家风电场35KV线路工程编号:07-03-01-034监理:专职质检员:施工负责人:检查人:自立式铁塔组立检查及评级记录表表号:DL/T5168-2002线塔1工程名称:方家风电场35KV线路工程编号:07-03-01-035监理:专职质检员:施工负责人:检查人:自立式铁塔组立检查及评级记录表表号:DL/T5168-2002线塔1工程名称:方家风电场35KV线路工程编号:07-03-01-036监理:专职质检员:施工负责人:检查人:自立式铁塔组立检查及评级记录表表号:DL/T5168-2002线塔1工程名称:方家风电场35KV线路工程编号:07-03-01-037监理:专职质检员:施工负责人:检查人:自立式铁塔组立检查及评级记录表表号:DL/T5168-2002线塔1工程名称:方家风电场35KV线路工程编号:07-03-01-038监理:专职质检员:施工负责人:检查人:自立式铁塔组立检查及评级记录表表号:DL/T5168-2002线塔1工程名称:方家风电场35KV线路工程编号:07-03-01-039监理:专职质检员:施工负责人:检查人:自立式铁塔组立检查及评级记录表表号:DL/T5168-2002线塔1工程名称:方家风电场35KV线路工程编号:07-03-01-040监理:专职质检员:施工负责人:检查人:自立式铁塔组立检查及评级记录表表号:DL/T5168-2002线塔1工程名称:方家风电场35KV线路工程编号:07-03-01-041监理:专职质检员:施工负责人:检查人:自立式铁塔组立检查及评级记录表表号:DL/T5168-2002线塔1工程名称:方家风电场35KV线路工程编号:07-03-01-042监理:专职质检员:施工负责人:检查人:自立式铁塔组立检查及评级记录表表号:DL/T5168-2002线塔1工程名称:方家风电场35KV线路工程编号:07-03-01-043。
…………………………………………装订线…………………………………………业主代表(监理):专职质检员:施工负责人:检查人:…………………………………………装订线…………………………………………业主代表(监理):专职质检员:施工负责人:检查人:…………………………………………装订线…………………………………………业主代表(监理):专职质检员:施工负责人:检查人:…………………………………………装订线…………………………………………业主代表(监理):专职质检员:施工负责人:检查人:…………………………………………装订线…………………………………………业主代表(监理):专职质检员:施工负责人:检查人:…………………………………………装订线…………………………………………业主代表(监理):专职质检员:施工负责人:检查人:…………………………………………装订线…………………………………………业主代表(监理):专职质检员:施工负责人:检查人:…………………………………………装订线…………………………………………业主代表(监理):专职质检员:施工负责人:检查人:…………………………………………装订线…………………………………………业主代表(监理):专职质检员:施工负责人:检查人:…………………………………………装订线…………………………………………业主代表(监理):专职质检员:施工负责人:检查人:自立式铁塔组立检查及评级记录表线塔1…………………………………………装订线…………………………………………业主代表(监理):专职质检员:施工负责人:检查人:自立式铁塔组立检查及评级记录表线塔1…………………………………………装订线…………………………………………业主代表(监理):专职质检员:施工负责人:检查人:…………………………………………装订线…………………………………………业主代表(监理):专职质检员:施工负责人:检查人:…………………………………………装订线…………………………………………业主代表(监理):专职质检员:施工负责人:检查人:…………………………………………装订线…………………………………………业主代表(监理):专职质检员:施工负责人:检查人:…………………………………………装订线…………………………………………业主代表(监理):专职质检员:施工负责人:检查人:…………………………………………装订线…………………………………………业主代表(监理):专职质检员:施工负责人:检查人:…………………………………………装订线…………………………………………业主代表(监理):专职质检员:施工负责人:检查人:…………………………………………装订线…………………………………………业主代表(监理):专职质检员:施工负责人:检查人:…………………………………………装订线…………………………………………业主代表(监理):专职质检员:施工负责人:检查人:…………………………………………装订线…………………………………………业主代表(监理):专职质检员:施工负责人:检查人:…………………………………………装订线…………………………………………业主代表(监理):专职质检员:施工负责人:检查人:…………………………………………装订线…………………………………………业主代表(监理):专职质检员:施工负责人:检查人:…………………………………………装订线…………………………………………业主代表(监理):专职质检员:施工负责人:检查人:…………………………………………装订线…………………………………………业主代表(监理):专职质检员:施工负责人:检查人:…………………………………………装订线…………………………………………业主代表(监理):专职质检员:施工负责人:检查人:…………………………………………装订线…………………………………………业主代表(监理):专职质检员:施工负责人:检查人:…………………………………………装订线…………………………………………业主代表(监理):专职质检员:施工负责人:检查人:…………………………………………装订线…………………………………………业主代表(监理):专职质检员:施工负责人:检查人:…………………………………………装订线…………………………………………业主代表(监理):专职质检员:施工负责人:检查人:…………………………………………装订线…………………………………………业主代表(监理):专职质检员:施工负责人:检查人:…………………………………………装订线…………………………………………业主代表(监理):专职质检员:施工负责人:检查人:…………………………………………装订线…………………………………………业主代表(监理):专职质检员:施工负责人:检查人:…………………………………………装订线…………………………………………业主代表(监理):专职质检员:施工负责人:检查人:…………………………………………装订线…………………………………………业主代表(监理):专职质检员:施工负责人:检查人:…………………………………………装订线…………………………………………业主代表(监理):专职质检员:施工负责人:检查人:…………………………………………装订线…………………………………………业主代表(监理):专职质检员:施工负责人:检查人:…………………………………………装订线…………………………………………业主代表(监理):专职质检员:施工负责人:检查人:…………………………………………装订线…………………………………………业主代表(监理):专职质检员:施工负责人:检查人:…………………………………………装订线…………………………………………业主代表(监理):专职质检员:施工负责人:检查人:…………………………………………装订线…………………………………………业主代表(监理):专职质检员:施工负责人:检查人:…………………………………………装订线…………………………………………业主代表(监理):专职质检员:施工负责人:检查人:…………………………………………装订线…………………………………………业主代表(监理):专职质检员:施工负责人:检查人…………………………………………装订线…………………………………………业主代表(监理):专职质检员:施工负责人:检查人:。
自立式铁塔组立检查及评级记录表表号:DL/T5168-2002线塔1 工程名称:方家风电场35KV线路工程编号:07-03-01-001监理:专职质检员:施工负责人:检查人:自立式铁塔组立检查及评级记录表表号:DL/T5168-2002线塔1 工程名称:方家风电场35KV线路工程编号:07-03-01-002监理:专职质检员:施工负责人:检查人:自立式铁塔组立检查及评级记录表表号:DL/T5168-2002线塔1 工程名称:方家风电场35KV线路工程编号:07-03-01-003监理:专职质检员:施工负责人:检查人:自立式铁塔组立检查及评级记录表表号:DL/T5168-2002线塔1 工程名称:方家风电场35KV线路工程编号:07-03-01-004监理:专职质检员:施工负责人:检查人:自立式铁塔组立检查及评级记录表表号:DL/T5168-2002线塔1 工程名称:方家风电场35KV线路工程编号:07-03-01-005监理:专职质检员:施工负责人:检查人:自立式铁塔组立检查及评级记录表表号:DL/T5168-2002线塔1监理:专职质检员:施工负责人:检查人:自立式铁塔组立检查及评级记录表表号:DL/T5168-2002线塔1监理:专职质检员:施工负责人:检查人:自立式铁塔组立检查及评级记录表表号:DL/T5168-2002线塔1 工程名称:方家风电场35KV线路工程编号:07-03-01-008监理:专职质检员:施工负责人:检查人:自立式铁塔组立检查及评级记录表表号:DL/T5168-2002线塔1 工程名称:方家风电场35KV线路工程编号:07-03-01-009监理:专职质检员:施工负责人:检查人:自立式铁塔组立检查及评级记录表表号:DL/T5168-2002线塔1监理:专职质检员:施工负责人:检查人:自立式铁塔组立检查及评级记录表表号:DL/T5168-2002线塔1 工程名称:方家风电场35KV线路工程编号:07-03-01-011监理:专职质检员:施工负责人:检查人:自立式铁塔组立检查及评级记录表表号:DL/T5168-2002线塔1监理: 专职质检员: 施工负责人: 检查人:自立式铁塔组立检查及评级记录表表号:DL/T5168-2002线塔1工程名称:方家风电场35KV 线路工程编号:07-03-01-013监理:专职质检员:施工负责人:检查人:自立式铁塔组立检查及评级记录表表号:DL/T5168-2002线塔1监理:专职质检员:施工负责人:检查人:自立式铁塔组立检查及评级记录表表号:DL/T5168-2002线塔1 工程名称:方家风电场35KV线路工程编号:07-03-01-015监理:专职质检员:施工负责人:检查人:自立式铁塔组立检查及评级记录表表号:DL/T5168-2002线塔1 工程名称:方家风电场35KV线路工程编号:07-03-01-016监理:专职质检员:施工负责人:检查人:自立式铁塔组立检查及评级记录表表号:DL/T5168-2002线塔1 工程名称:方家风电场35KV线路工程编号:07-03-01-017监理:专职质检员:施工负责人:检查人:自立式铁塔组立检查及评级记录表表号:DL/T5168-2002线塔1 工程名称:方家风电场35KV线路工程编号:07-03-01-018监理:专职质检员:施工负责人:检查人:自立式铁塔组立检查及评级记录表表号:DL/T5168-2002线塔1 工程名称:方家风电场35KV线路工程编号:07-03-01-019监理:专职质检员:施工负责人:检查人:自立式铁塔组立检查及评级记录表表号:DL/T5168-2002线塔1监理:专职质检员:施工负责人:检查人:自立式铁塔组立检查及评级记录表表号:DL/T5168-2002线塔1 工程名称:方家风电场35KV线路工程编号:07-03-01-021监理:专职质检员:施工负责人:检查人:自立式铁塔组立检查及评级记录表表号:DL/T5168-2002线塔1 工程名称:方家风电场35KV线路工程编号:07-03-01-022监理:专职质检员:施工负责人:检查人:自立式铁塔组立检查及评级记录表表号:DL/T5168-2002线塔1监理:专职质检员:施工负责人:检查人:自立式铁塔组立检查及评级记录表表号:DL/T5168-2002线塔1监理:专职质检员:施工负责人:检查人:监理:专职质检员:施工负责人:检查人:监理:专职质检员:施工负责人:检查人:自立式铁塔组立检查及评级记录表表号:DL/T5168-2002线塔1监理:专职质检员:施工负责人:检查人:自立式铁塔组立检查及评级记录表表号:DL/T5168-2002线塔1 工程名称:方家风电场35KV线路工程编号:07-03-01-028监理:专职质检员:施工负责人:检查人:自立式铁塔组立检查及评级记录表表号:DL/T5168-2002线塔1 工程名称:方家风电场35KV线路工程编号:07-03-01-029监理:专职质检员:施工负责人:检查人:自立式铁塔组立检查及评级记录表表号:DL/T5168-2002线塔1 工程名称:方家风电场35KV线路工程编号:07-03-01-030监理:专职质检员:施工负责人:检查人:自立式铁塔组立检查及评级记录表表号:DL/T5168-2002线塔1 工程名称:方家风电场35KV线路工程编号:07-03-01-031监理:专职质检员:施工负责人:检查人:自立式铁塔组立检查及评级记录表表号:DL/T5168-2002线塔1监理:专职质检员:施工负责人:检查人:自立式铁塔组立检查及评级记录表表号:DL/T5168-2002线塔1监理:专职质检员:施工负责人:检查人:自立式铁塔组立检查及评级记录表表号:DL/T5168-2002线塔1监理:专职质检员:施工负责人:检查人:自立式铁塔组立检查及评级记录表表号:DL/T5168-2002线塔1监理:专职质检员:施工负责人:检查人:自立式铁塔组立检查及评级记录表表号:DL/T5168-2002线塔1 工程名称:方家风电场35KV线路工程编号:07-03-01-036监理:专职质检员:施工负责人:检查人:自立式铁塔组立检查及评级记录表表号:DL/T5168-2002线塔1 工程名称:方家风电场35KV线路工程编号:07-03-01-037监理:专职质检员:施工负责人:检查人:自立式铁塔组立检查及评级记录表表号:DL/T5168-2002线塔1监理:专职质检员:施工负责人:检查人:自立式铁塔组立检查及评级记录表表号:DL/T5168-2002线塔1 工程名称:方家风电场35KV线路工程编号:07-03-01-039监理:专职质检员:施工负责人:检查人:自立式铁塔组立检查及评级记录表表号:DL/T5168-2002线塔1监理: 专职质检员: 施工负责人: 检查人:自立式铁塔组立检查及评级记录表表号:DL/T5168-2002线塔1工程名称:方家风电场35KV 线路工程编号:07-03-01-041监理:专职质检员:施工负责人:检查人:自立式铁塔组立检查及评级记录表表号:DL/T5168-2002线塔1监理:专职质检员:施工负责人:检查人:自立式铁塔组立检查及评级记录表表号:DL/T5168-2002线塔1 工程名称:方家风电场35KV线路工程编号:07-03-01-043监理:专职质检员:施工负责人:检查人:自立式铁塔组立检查及评级记录表表号:DL/T5168-2002线塔1 工程名称:方家风电场35KV线路工程编号:07-03-01-044监理:专职质检员:施工负责人:检查人:自立式铁塔组立检查及评级记录表表号:DL/T5168-2002线塔1 工程名称:方家风电场35KV线路工程编号:07-03-01-045监理:专职质检员:施工负责人:检查人:自立式铁塔组立检查及评级记录表表号:DL/T5168-2002线塔1 工程名称:方家风电场35KV线路工程编号:07-03-01-046监理:专职质检员:施工负责人:检查人:自立式铁塔组立检查及评级记录表表号:DL/T5168-2002线塔1 工程名称:方家风电场35KV线路工程编号:07-03-01-047监理:专职质检员:施工负责人:检查人:自立式铁塔组立检查及评级记录表表号:DL/T5168-2002线塔1监理:专职质检员:施工负责人:检查人:自立式铁塔组立检查及评级记录表表号:DL/T5168-2002线塔1 工程名称:辽宁法库叶茂台(49.5MW)风电项目送出线路工程编号:07-03-01-049。
表B.8 自立式铁塔组立检查及评级记录(线塔1) (华电光伏)业主代表:专职质检员:施工负责人:检查人:(线塔1)(华电光伏)业主代表:专职质检员:施工负责人:检查人:(线塔1)(华电光伏)业主代表:专职质检员:施工负责人:检查人:(线塔1)(华电光伏)业主代表:专职质检员:施工负责人:检查人:(线塔1)(华电光伏)业主代表:专职质检员:施工负责人:检查人:(线塔1)(华电光伏)业主代表:专职质检员:施工负责人:检查人:(线塔1)(华电光伏)业主代表:专职质检员:施工负责人:检查人:(线塔1)(华电光伏)业主代表:专职质检员:施工负责人:检查人:(线塔1)(华电光伏)业主代表:专职质检员:施工负责人:检查人:(线塔1)(华电光伏)业主代表:专职质检员:施工负责人:检查人:表B.8 自立式铁塔组立检查及评级记录(线塔1)(华电光伏)业主代表:专职质检员:施工负责人:检查人:表B.8 自立式铁塔组立检查及评级记录(线塔1)(华电光伏)业主代表:专职质检员:施工负责人:检查人:表B.8 自立式铁塔组立检查及评级记录(线塔1)(华电光伏)业主代表:专职质检员:施工负责人:检查人:(线塔1)(华电光伏)业主代表:专职质检员:施工负责人:检查人:(线塔1)(华电光伏)业主代表:专职质检员:施工负责人:检查人:(线塔1)(华电光伏)业主代表:专职质检员:施工负责人:检查人:(线塔1)(华电光伏)业主代表:专职质检员:施工负责人:检查人:(线塔1)(华电光伏)业主代表:专职质检员:施工负责人:检查人:(线塔1)(华电光伏)业主代表:专职质检员:施工负责人:检查人:表B.8 自立式铁塔组立检查及评级记录(线塔1)(华电光伏)业主代表:专职质检员:施工负责人:检查人:(线塔1)(华电光伏)业主代表:专职质检员:施工负责人:检查人:(线塔1)(华电光伏)业主代表:专职质检员:施工负责人:检查人:(线塔1)(华电光伏)业主代表:专职质检员:施工负责人:检查人:(线塔1)(华电光伏)业主代表:专职质检员:施工负责人:检查人:(线塔1)(华电光伏)业主代表:专职质检员:施工负责人:检查人:(线塔1)(华电光伏)业主代表:专职质检员:施工负责人:检查人:(线塔1)(华电光伏)业主代表:专职质检员:施工负责人:检查人:(线塔1)(华电光伏)业主代表:专职质检员:施工负责人:检查人:(线塔1)(华电光伏)业主代表:专职质检员:施工负责人:检查人:(线塔1)(华电光伏)业主代表:专职质检员:施工负责人:检查人:(线塔1)(华电光伏)业主代表:专职质检员:施工负责人:检查人:(线塔1)(华电光伏)业主代表:专职质检员:施工负责人:检查人:(线塔1)(华电光伏)业主代表:专职质检员:施工负责人:检查人:(线塔1)(华电光伏)业主代表:专职质检员:施工负责人:检查人:(线塔1)(华电光伏)业主代表:专职质检员:施工负责人:检查人:(线塔1)(华电光伏)业主代表:专职质检员:施工负责人:检查人:(线塔1)(华电光伏)业主代表:专职质检员:施工负责人:检查人:(线塔1)(华电光伏)业主代表:专职质检员:施工负责人:检查人:(线塔1)(华电光伏)业主代表:专职质检员:施工负责人:检查人:(线塔1)(华电光伏)业主代表:专职质检员:施工负责人:检查人:(线塔1)(华电光伏)业主代表:专职质检员:施工负责人:检查人:(线塔1) (华电光伏)业主代表:专职质检员:施工负责人:检查人:。
自立式铁塔组立检查及评级记录表
业主代表:专职质检员:施工负责人:检查人:
业主代表:专职质检员:施工负责人:检查人:
业主代表:专职质检员:施工负责人:检查人:
业主代表:专职质检员:施工负责人:检查人:
业主代表:专职质检员:施工负责人:检查人:
业主代表:专职质检员:施工负责人:检查人
业主代表:专职质检员:施工负责人:检查人:
业主代表:专职质检员:施工负责人:检查人:
业主代表:专职质检员:施工负责人:检查人:
业主代表:专职质检员:施工负责人:检查人:
业主代表:专职质检员:施工负责人:检查人:
业主代表:专职质检员:施工负责人:检查人:
业主代表:专职质检员:施工负责人:检查人:
自立式铁塔组立检查及评级记录表
业主代表:专职质检员:施工负责人:检查人:
业主代表:专职质检员:施工负责人:检查人:
业主代表:专职质检员:施工负责人:检查人:
业主代表:专职质检员:施工负责人:检查人:
业主代表:专职质检员:施工负责人:检查人:
业主代表:专职质检员:施工负责人:检查人:
业主代表:专职质检员:施工负责人:检查人:
业主代表:专职质检员:施工负责人:检查人:
业主代表:专职质检员:施工负责人:检查人:
业主代表:专职质检员:施工负责人:检查人:
业主代表:专职质检员:施工负责人:检查人:
业主代表:专职质检员:施工负责人:检查人:
业主代表:专职质检员:施工负责人:检查人;。
自立式铁塔组立检查及评级记录表
表号:DL/T5168-2002线塔1工程名称:方家风电场35KV线路工程编号:07-03-01-001
监理:专职质检员:施工负责人:检查人:
自立式铁塔组立检查及评级记录表
表号:DL/T5168-2002线塔1工程名称:方家风电场35KV线路工程编号:07-03-01-002
监理:专职质检员:施工负责人:检查人:
自立式铁塔组立检查及评级记录表
表号:DL/T5168-2002线塔1工程名称:方家风电场35KV线路工程编号:07-03-01-003
监理:专职质检员:施工负责人:检查人:
自立式铁塔组立检查及评级记录表
表号:DL/T5168-2002线塔1工程名称:方家风电场35KV线路工程编号:07-03-01-004
监理:专职质检员:施工负责人:检查人:
自立式铁塔组立检查及评级记录表
表号:DL/T5168-2002线塔1工程名称:方家风电场35KV线路工程编号:07-03-01-005
监理:专职质检员:施工负责人:检查人:
自立式铁塔组立检查及评级记录表
表号:DL/T5168-2002线塔1工程名称:方家风电场35KV线路工程编号:07-03-01-006
监理:专职质检员:施工负责人:检查人:
自立式铁塔组立检查及评级记录表
表号:DL/T5168-2002线塔1工程名称:方家风电场35KV线路工程编号:07-03-01-007
监理:专职质检员:施工负责人:检查人:
自立式铁塔组立检查及评级记录表
表号:DL/T5168-2002线塔1工程名称:方家风电场35KV线路工程编号:07-03-01-008
监理:专职质检员:施工负责人:检查人:
自立式铁塔组立检查及评级记录表
表号:DL/T5168-2002线塔1
工程名称:方家风电场35KV线路工程编号:07-03-01-009
监理:专职质检员:施工负责人:检查人:
自立式铁塔组立检查及评级记录表
表号:DL/T5168-2002线塔1工程名称:方家风电场35KV线路工程编号:07-03-01-010
监理:专职质检员:施工负责人:检查人:
自立式铁塔组立检查及评级记录表
表号:DL/T5168-2002线塔1工程名称:方家风电场35KV线路工程编号:07-03-01-011
监理:专职质检员:施工负责人:
检查人:
自立式铁塔组立检查及评级记录表
表号:DL/T5168-2002线塔1工程名称:方家风电场35KV线路工程编号:07-03-01-012
监理:专职质检员:施工负责人:检查人:
自立式铁塔组立检查及评级记录表
表号:DL/T5168-2002线塔1工程名称:方家风电场35KV线路工程编号:07-03-01-013
监理:专职质检员:施工负责人:检查人:
自立式铁塔组立检查及评级记录表
表号:DL/T5168-2002线塔1工程名称:方家风电场35KV线路工程编号:07-03-01-014
监理:专职质检员:施工负责人:检查人:
自立式铁塔组立检查及评级记录表
表号:DL/T5168-2002线塔1工程名称:方家风电场35KV线路工程编号:07-03-01-015
监理:专职质检员:施工负责人:检查人:
自立式铁塔组立检查及评级记录表
表号:DL/T5168-2002线塔1工程名称:方家风电场35KV线路工程编号:07-03-01-016
监理:专职质检员:施工负责人:检查人:
自立式铁塔组立检查及评级记录表
表号:DL/T5168-2002线塔1工程名称:方家风电场35KV线路工程编号:07-03-01-017
监理:专职质检员:施工负责人:检查人:
自立式铁塔组立检查及评级记录表
表号:DL/T5168-2002线塔1
工程名称:方家风电场35KV线路工程编号:07-03-01-018
监理:专职质检员:施工负责人:
检查人:
自立式铁塔组立检查及评级记录表
表号:DL/T5168-2002线塔1工程名称:方家风电场35KV线路工程编号:07-03-01-019
监理:专职质检员:施工负责人:检查人:
自立式铁塔组立检查及评级记录表
表号:DL/T5168-2002线塔1工程名称:方家风电场35KV线路工程编号:07-03-01-020
监理:专职质检员:施工负责人:检查人:
自立式铁塔组立检查及评级记录表
表号:DL/T5168-2002线塔1工程名称:方家风电场35KV线路工程编号:07-03-01-021
监理:专职质检员:施工负责人:检查人:
自立式铁塔组立检查及评级记录表
表号:DL/T5168-2002线塔1工程名称:方家风电场35KV线路工程编号:07-03-01-022
监理:专职质检员:施工负责人:检查人:
自立式铁塔组立检查及评级记录表
表号:DL/T5168-2002线塔1工程名称:方家风电场35KV线路工程编号:07-03-01-023
监理:专职质检员:施工负责人:检查人:
自立式铁塔组立检查及评级记录表
表号:DL/T5168-2002线塔1工程名称:方家风电场35KV线路工程编号:07-03-01-024
监理:专职质检员:施工负责人:检查人:
自立式铁塔组立检查及评级记录表
表号:DL/T5168-2002线塔1工程名称:方家风电场35KV线路工程编号:07-03-01-025
监理:专职质检员:施工负责人:
检查人:
自立式铁塔组立检查及评级记录表
表号:DL/T5168-2002线塔1工程名称:方家风电场35KV线路工程编号:07-03-01-026
监理:专职质检员:施工负责人:检查人:
自立式铁塔组立检查及评级记录表
表号:DL/T5168-2002线塔1工程名称:方家风电场35KV线路工程编
号:07-03-01-027
监理:专职质检员:施工负责人:
检查人:
自立式铁塔组立检查及评级记录表
表号:DL/T5168-2002线塔1工程名称:方家风电场35KV线路工程编号:07-03-01-028
监理:专职质检员:施工负责人:检查人:
自立式铁塔组立检查及评级记录表
表号:DL/T5168-2002线塔1工程名称:方家风电场35KV线路工程编号:07-03-01-029
监理:专职质检员:施工负责人:检查人:
自立式铁塔组立检查及评级记录表
表号:DL/T5168-2002线塔1工程名称:方家风电场35KV线路工程编号:07-03-01-030
监理:专职质检员:施工负责人:检查人:
自立式铁塔组立检查及评级记录表
表号:DL/T5168-2002线塔1工程名称:方家风电场35KV线路工程编号:07-03-01-031
监理:专职质检员:施工负责人:
检查人:
自立式铁塔组立检查及评级记录表
表号:DL/T5168-2002线塔1
工程名称:方家风电场35KV线路工程编号:07-03-01-032
监理:专职质检员:施工负责人:
检查人:
自立式铁塔组立检查及评级记录表
表号:DL/T5168-2002线塔1工程名称:方家风电场35KV线路工程编号:07-03-01-033
监理:专职质检员:施工负责人:检查人:
自立式铁塔组立检查及评级记录表
表号:DL/T5168-2002线塔1工程名称:方家风电场35KV线路工程编号:07-03-01-034
监理:专职质检员:施工负责人:检查人:
自立式铁塔组立检查及评级记录表
表号:DL/T5168-2002线塔1工程名称:方家风电场35KV线路工程编号:07-03-01-035
监理:专职质检员:施工负责人:检查人:
自立式铁塔组立检查及评级记录表
表号:DL/T5168-2002线塔1工程名称:方家风电场35KV线路工程编号:07-03-01-036
监理:专职质检员:施工负责人:检查人:
自立式铁塔组立检查及评级记录表
表号:DL/T5168-2002线塔1工程名称:方家风电场35KV线路工程编号:07-03-01-037
监理:专职质检员:施工负责人:检查人:
自立式铁塔组立检查及评级记录表
表号:DL/T5168-2002线塔1工程名称:方家风电场35KV线路工程编号:07-03-01-038
监理:专职质检员:施工负责人:检查人:
自立式铁塔组立检查及评级记录表
表号:DL/T5168-2002线塔1工程名称:方家风电场35KV线路工程编号:07-03-01-039
监理:专职质检员:施工负责人:
检查人:
自立式铁塔组立检查及评级记录表
表号:DL/T5168-2002线塔1工程名称:方家风电场35KV线路工程编号:07-03-01-040
监理:专职质检员:施工负责人:检查人:
自立式铁塔组立检查及评级记录表
表号:DL/T5168-2002线塔1工程名称:方家风电场35KV线路工程编
号:07-03-01-041
监理:专职质检员:施工负责人:。