继电保护、自动装置及二次回路
- 格式:doc
- 大小:21.00 KB
- 文档页数:1
继电保护及自动装置运行规定1.电气设备严禁无保护状态下运行,正常应按规定将保护投入,软压板未投的,硬压板不应投入;保护装置有维修工作,必须将一次设备停运办理工作票后方可进行。
2.保护装置及二次回路的操作及工作均须取得值班长同意后方可进行。
3.保护定值的更改,应由专业公司计算经公司技术部门批准后,方可执行。
4.继电保护、自动装置的停、投由运行值班人员完成,定值的设定、输入、修改应由维护和试验人员执行,无试验人员时应由IA电工根据保护定值单设定、输入、修改,然后由值班长核对,并遵照有关规定。
5.继电保护装置每次动作后应作好详细记录,装置的就地复归必须得到值班长的许可,运行人员只有监护状态下在盘面检查、复归报警信号,正常巡视不得擅自触碰设备。
6.电气设备的保护不得同时退出运行,一次设备送电前,除有维护检修特殊交代的不能投入的保护外,其他保护必须投入运行。
7.继电保护定值改变后运行人员必须详细核对保护定值单和保护装置打印的新定值一致,方可根据命令重新投入保护装置,并及时做好台帐记录。
8.投入保护装置压板前必须检查保护装置运行正常,无异常报警信息,由检修维护人员用万用表测量保护输出压板两端对地无异极性电压后方可投入。
9.保护装置投退操作由运行人员负责,并按规定填写操作票。
运行中的设备,在保护压板投入前,应检查保护装置无异常,保护装置投退应相应做好记录。
10.在保护装置及二次回路上工作前,运行人员必须认真审查工作票及其安全技术措施。
更改定值和变更接线一定要有经领导批准的定值通知单和图纸才允许工作,临时性变更定值运行人员应按要求布置好安全措施,特别应将检修设备与运行设备有效隔离,防止可能发生的误动和拒动后果。
11.保护装置检修或定值更改结束后,运行人员应进行验收。
如检查接线、元件、标志、压板是否恢复正常,设备环境卫生是否合格,按继电保护工作记录簿说明栏要求做好正确记录,作为运行操作依据,如属保护装置改接线或定值更改还应在设备异动登记簿内做好记录。
继电保护及二次回路验收规范要求继电保护是电力系统中非常重要的一环,用于监测电力设备的状态并在异常情况下采取保护措施,以保障电力系统的安全运行。
而二次回路验收规范是对继电保护系统进行检验和验证的标准和要求,确保继电保护系统能够正常运行,并达到设计要求。
一、继电保护要求1.运行特性要求:继电保护装置应具有良好的运行特性,能够对不同故障类型和故障位置作出准确的保护决策,并及时采取保护动作。
具体要求有:快速动作、准确性、可靠性、灵敏度等。
2.电气要求:继电保护装置应符合电气性能要求,包括耐电压能力、抗干扰能力、绝缘强度等。
3.可靠性要求:继电保护装置应具备高可靠性,能够长时间连续工作,并具备自动检测和诊断功能。
同时要求装置本身具有故障自动切换和备件自动切换的功能。
4.通信功能要求:继电保护装置应具备通信功能,能够与其他设备进行信息交互,并能够远程监测、调试和控制。
5.操作要求:继电保护装置应具备简单易懂的操作界面,操作方便、人性化,并具备一定的防误操作功能。
同时要求装置故障自动存档和报警提醒功能。
1.设备安装要求:二次回路应按照设计要求进行布置,保证回路的连贯性和合理性。
二次线路应具备良好的传导性能,并远离干扰源,防止干扰对继电保护装置造成影响。
2.电器性能测量:对二次回路各项电气参数进行测量,包括电压、电流、电阻等,确保参数满足设计要求,并与设备参数进行对比。
3.软件程序验证:对继电保护装置的软件程序进行验证,确保其与设计要求一致,并能正确处理电力系统中的各种故障和异常情况。
4.功能与性能验证:对继电保护装置的各项功能进行验证,包括故障检测、保护决策、保护动作等,确保其能够满足设计要求,并进行必要的调整和校正。
5.可靠性验证:对继电保护装置的可靠性进行验证,包括长时间连续工作、自动切换和备件切换等功能的验证,确保在实际运行环境下能够正常工作。
6.通信联络验证:对继电保护装置的通信功能进行验证,包括与其他设备的信息交互、远程监测和调试等功能的验证,确保通信联络能够正常进行。
继电保护和电网安全自动装置检验规程1范围本标准规定了电力系统继电保护和电网安全自动装置及其二次回路接线(以下简称装置)检验的周期、内容及要求。
本标准适用于电网企业、并网运行发电企业及用户负责继电保护运行维护和治理的单位。
有关规划设计、争论制造、安装调试单位及部门均应遵守本标准。
2标准性引用文件以下文件中的条款通过本标准的引用而成为本标准的条款。
但凡注日期的引用文件,其随后全部的修改单(不包括订正的内容)或均不适用于本标准,然而,鼓舞依据本标准达成协议的各方争论是否可使用这些文件的最版本。
但凡不注日期的引用文件,其最版本适用于本标准。
GB/T 7261—2023 继电器及装置根本试验方法GB/T 14285—2023 继电保护及安全自动装置技术规程DL/527—2023 静态继电保护装置逆变电源技术条件3总则3.1本标准是继电保护及电网安全自动装置在检验过程中应遵守的根本原则。
3.2本标准中的电网安全自动装置,是指在电力网中发生故障或消灭特别运行时,为确保电网安全与稳定运行,起掌握作用的自动装置,如自动重合闸、备用电源或备用设备自动投入、自动切负荷、低频和低压自动减载、电厂事故减出力、切机等。
3.3110 kV 及以上电压等级电力系统中电力设备及线路的微机型继电保护和电网安全自动装置,必需依据本标准进展检验。
对于其他电压等级或非微机型继电保护装置可参照执行。
3.4各级继电保护治理及运行维护部门,应依据当地电网具体状况并结合一次设备的检修合理地安排年、季、月的保护装置检验打算。
相关调度部门应予支持协作,并作统筹安排。
3.5装置检验工作应制定标准化的作业指导书及实施方案,其内容应符合本标准。
3.6检验用仪器、仪表的准确级及技术特性应符合要求,并应定期校验。
3.7微机型装置的检验,应充分利用其“自检”功能,着重检验“自检”功能无法检测的工程。
4检验种类及周期4.1检验种类检验分为三种:a)安装装置的验收检验;b)运行中装置的定期检验(简称定期检验);c)运行中装置的补充检验(简称补充检验)。
第七章继电保护自动装置及二次回路1,下列( D )那些属于电气设备的不正常运行状态P 231A,单相短路 B,单相断线C,两相短路 D,系统震荡2,下列(C)不属于电力系统中的事故P 231A,对用户少送电B,电能质量降低到不能允许的程度C,过负荷D,电气设备损坏3,继电保护装置按被保护的对象分类,有电力线路保护、发电机保护、变压器保护、电动机保护、( B )保护P 233A,差动保护 B,母线C,后备保护 D,主保护4、一般的快速保护动作时间为( B )。
P233A、 B、C、 D、,( C )可以提高系统并联运行的稳定性、减少用户在低电压下的工作时间,减少故障元件的损坏程度,避免故障进一步扩大,P 233 A, 可靠性 B,选择性 C,速动性 D,灵敏性6,辅助保护是为了补充主保护和后备保护性能或当主保护和后备保护退出运行而增设的( C )。
P234 A,电流保护 B,电压保护C,简单保护 D,断路器保护7,电流继电器的返回系数要求在( D )之间。
P 234A, B,, D,,过励磁保护属于按(D)分类。
P234A, 按被保护的对象B, 保护原理C, 保护所起的作用D, 保护所反应故障类型9、(D)是指当主保护拒动时,由本电力设备或线路的另一套保护来实现。
P234A、主保护B、远后备保护C、辅助保护D、近后备保护10,( B )是指当主保护或断路器拒动时用来切除故障的保护。
P 234 A,主保护 B,后备保护C,辅助保护 D,失灵保护11,(C)所发出的信号不应随电气量的消失而消失,要有机械或电气自保持。
P 235A,时间继电器B,中间继电器C,信号继电器D,电压继电器12,(D)的触点可以直接闭合断路器的跳闸线圈回路。
A, 电压继电器B, 电流继电器C, 差动继电器D, 中间继电器13,为保证继电保护动作的选择性,一般上下级保护动作的时限差选择(B)。
P233A, — B, —C, 1s D,14、能使继电器动合接点由断开状态到闭合状态的( B )电流称为动作电流。
变电所二次回路方案选择及继电保护的整定在各级电压等级的变电所中,使用各种电气设备,诸如变压器、断路器、隔离开关、电流互感器、电压互感器、母线、补偿电容器等,这些设备的任务是保证变电所安全、可靠的供电,因为选择电气设备时,必须虑及电力系统在正常和故障时的工作情况。
所谓电气设备的选择,则是根据电气设备在系统中所处的地理位置和完成的任务来确定它们的型号和参数。
电气设备选择的总原则是在保证安全、可靠工作的前提下,适当留有裕度,力求在经济上进行节约。
1 二次回路的定义和分类二次设备是指测量表计、控制及信号设备、继电保护装置、自动装置和运动装置等。
根据测量、控制、保护和信号显示的要求,表示二次设备互相连接关系的电路,称为二次接线或二次回路。
按二次接线的性质来分,有交流回路和直流回路,按二次接线的用途来分,有操作电源回路、测量表计回路、断路器控制和信号回路、中央信号回路、继电保护和自动装置回路等。
2 二次回路操作电源的选择操作电源按其性质分,有直流操作电源和交流操作电源两大类。
蓄电池组供电的直流操作电源带有腐蚀性,并且有爆炸危险:有整流装置供电的直流操作电源安全性高,但是经济性差。
考虑到交流操作电源可使二次回路大大简化,投资大大减少,且工作可靠,维护方便。
因此这里采用交流操作电源,并且从电流互感器取得电流源。
3 二次回路的接线要求继电保护装置即各种不同类型的继电器,以一定的方式连结与组合,在系统发生故障时,继电保护动作,作用于断路器脱扣线圈或给出报警信号,以达到对系统进行保护的目的。
继电保护的设计应以合理的运行方式和故障类型作为依据,并应满足速动性、选择性、可靠性和灵敏性四项基本要求:1.选择性:当供电系统发生故障时,要求只离故障点最近的保护装置动作,切除故障,而供电系统的其它部分仍然正常运行。
2.速动性:为了防止故障扩大,减轻其危害程度,并提高电力系统运行的稳定性,因此在系统发生故障时,保护装置应尽快动作,切除故障。
电力装置(二次回路)继电保护和自动装置设计规范1本章适用于继电保护、自动装置、控制、信号的二次回路。
2二次回路的工作电压不应超过500V。
3互感器二次回路连接的负荷,不应超过继电保护和自动装置工作准确等级所规定的负荷范围。
4发电厂和变电所,以及其它重要的或有专门规定的二次回路应采用铜芯控制电缆和绝缘导线。
在绝缘可能受到油侵蚀的地方,应采用耐油的绝缘导线或电缆。
5按机械强度要求,铜芯控制电缆或绝缘导线的芯线最小截面为:强电控制回路,不应小于1.5;弱电回路,不应小于0.5。
电缆芯线截面的选择尚应符合下列要求:a.电流回路:应使电流互感器的工作准确等级,符合本规范第2.0.8条的规定。
短路电流倍数无可靠数据时,可按断路器的断流容量确定最大短路电流,电缆芯线截面不应小于2.5。
b.电压回路:当全部保护装置和安全自动装置动作时(考虑到发展,电压互感器的负荷最大时),电压互感器至保护和自动装置屏的电缆压降不应超过额定电压的3%。
电缆芯线截面不应小于1.5。
c.操作回路:在最大负荷下,操作母线至设备的电压降,不应超过额定电压的10%o 6在安装各种设备、断路器和隔离开关的连锁接点、端子排和接地线时,应能在不断开3KV及以上一次线的情况下,保证在二次回路端子排上安全地工作。
7电压互感器的一次侧隔离开关断开后,其二次回路应有防止电压反馈的措施。
8电流互感器的二次回路应在一点接地,一般在配电装置附近经端子排接地。
但对于有几组电流互感器连接在一起的保护装置,应在保护屏上经端子排接地。
9电压互感器二次侧中性点或线圈引出端之一应接地。
对UoKV直接接地系统的电压互感器,应设置公共接地点。
接地点宜设在控制室内,并应牢固焊接在小母线上。
向交流操作的保护装置和自动装置操作回路供电的电压互感器,应通过击穿保险器接地。
采用B 相直接接地的星形接线的电压互感器,其中性点也应通过击穿保险器接地。
10在电压互感器二次回路中,除开口三角绕组和另有专门规定者外,应装设熔断器或自动开关。
S42 | ・电力电气专刊・2007年第1期/总第2期电气安全连,并保证其接地的可靠性及电气的连续性。
严禁利用存储、输送可燃性介质的金属管道、设备以及与之相关的金属构件进行接地连接。
3.接地干线、接地标识接地干线长度若超过10m或周围有强磁场设备,应采取屏蔽措施,将接地干线穿钢管保护,或采用屏蔽电缆,钢管或电缆的屏蔽层应单端接地。
如接地干线在室外走线并距离超过10m,应采用双层屏蔽,内层单点接地,外层两端接地,以防雷击及电磁脉冲的干扰。
对隐蔽工程,包括在接地网上的接入点和接地基本位置应设置标识,接地线应有颜色标识:接地系统的颜色应为绿色或绿黄色。
接地连接的要求1.连接电阻和接地电阻连接电阻是指从控制系统的接地端子到总接地板间的导体及连接点电阻的总和,DCS控制系统的连接电阻应小于1Ω。
接地电阻是指接地极对地电阻和总接地板、接地总干线及接地总干线两端的连接点电阻之和,DCS控制系统的接地电阻为工频接地电阻,应小于4Ω。
2.接地连线的规格接地系统的导线应采用多股绞合铜芯绝缘电线或电缆。
根据连接设备的数量和长度,可参考下表数据范围进行接地线的截面选用。
3.接地连接结构的要求DCS系统所有接地连线在接到接地汇流排前均应绝缘良好,所有接地分干线在接到接地汇总板前均应绝缘良好,所有接地干线在接到总接地板前均应绝缘良好。
接地汇流排、接地汇总板、总接地板应用绝缘支架固定。
接地系统的各种连接应保证良好的导电性。
接地连线、接地分干线、接地干线、接地总干线与接地汇流排、接地汇总板的连接应采用铜线片和镀锌钢质螺栓,并采用防松和防滑脱件,以保证连接的牢固可靠或采用焊接。
结束语在DCS控制系统的调试运行过程中,从多次排除故障的经验可以看出,接地系统是否完好对DCS控制系统的安全、正常运行非常关键。
不断从该系统的接地完善过程中总结经验、查找技术规范和相关安装要求,逐步完善了接地系统,从而保障了DCS系统安全、稳定运行。
表 接地线截面选用数据。
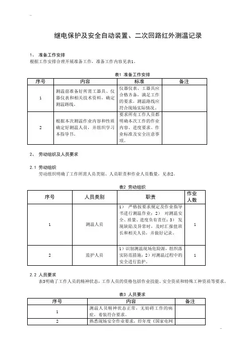
继电保护及安全自动装置、二次回路红外测温记录1、准备工作安排根据工作安排合理开展准备工作,准备工作内容见表1。
表1 准备工作安排2、劳动组织及人员要求2.1 劳动组织劳动组织明确了工作所需人员类别、人员职责和作业人员数量,见表2。
表2 劳动组织2.2 人员要求表3明确了工作人员的精神状态,工作人员的资格包括作业技能、安全资质和特殊工种资质等要求。
3 、环境要求3.1 被检设备是带电运行设备,并尽量移开视线中的封闭遮挡物如玻璃窗、门或盖板。
3.2 环境温度一般不宜低于5℃、空气湿度一般不大于85%。
3.3 不应在有雷、雨、雾、雪的情况下进行检测,风速一般不大于5m/s(树叶和微枝摆动不息,旗帜展开相当于3 级风,3.4~5.4m/s)。
3.4 气候为阴天、多云为宜、晴天要避开阳光直接照射或反射入镜,无雾。
在室内检测应避开灯光的直射,最好闭灯检测。
3.5 检测电流致热的设备,最好在设备负荷高峰状态下进行,一般不低于额定负荷的30%。
4、工器具与仪器仪表工器具与仪器仪表主要包括通信工具、照明工具、防护器具、测温设备、钥匙等,见表4。
5、危险点分析与预防控制措施表6 危险点分析与预防控制措施序号防范类型危险点预防控制措施(1)测温必须有人监护,并与带电设备保持足够的安全距离,10kV—0.7m,110 kV—1.5m,220kV—3m,500kV—5m;(2)测温时不得进行其它工作(严禁进行电气工作),不得移开或越过遮栏;必须打开遮拦门检查时,要在监护人监护下进行,严禁擅自解锁操作;(3)发现缺陷及异常时,应按局缺陷管理制度规定执行,不得擅自处理。
(1)熟悉现场道路情况,现场防摔跌警示标识、措施完备;(2)夜间测温应带照明工具。
砸伤测温时戴好安全帽。
中毒进入SF6 高压室提前进行通风15min,或SF6 检测信息无异常、含氧量正常。
(1)开、关设备门应小心谨慎,防止过大振动;(2)在继电室禁止使用各类移动通讯工具。
水电站机电运行技术问答电气二次设备〔包括继电保护、自动装置〕1、水电站的那些电气设备属于二次设备?答:凡与电网或输电线直接连接,且通过大电流、高电压的发、变电设备和厂用电设备,称为电气一次设备,如水轮发电机,电力变压器,断路器和隔离开关等。
凡为水电站的电气一次设备、水力机械和水工机械设备的正常运行而设置监视、控制、保护、信号等电气设备,称为电气二次设备,如各种电气仪表、控制开关、信号器具、继电器及其他自动装置等。
连接电气二次设备的电路称为二次回路。
2、水电站有那几种根本控制回路和信号回路?答:常用的有:〔1〕电动机的正、反转控制回路〔2〕多地点控制回路〔3〕连锁控制及先后顺序控制回路〔4〕行程控制回路〔5〕时间控制3、红、绿灯和直流电源监视灯为什么都要串联一个电阻?阻值多大?更换电阻时应注意些什么?答:目的是为了防止灯座处短路造成断路器误动。
直流电源监视灯串一个电阻的目的是为了防止灯丝或灯座处短接造成直流短路。
Ω、25W的电阻;110V的串1 KΩ,25W电阻;48— KΩ、8W的电阻。
更换电阻时应使用原规格的电阻。
如果没有原规格的电阻而换成其他规格电阻时,应作以下测量:将灯座短路后测量跳合闸线圈两端的电压降不应大于额定电压的10%。
4、什么叫主保护、后备保护和辅助保护?答:主保护指满足系统稳定及设备平安要求,有选择地切除被保护设备和全线路故障的保护。
例如发电机差动保护,线路高频保护等。
后备保护指主保护或断路器拒动时,用以切除故障的保护。
后备保护又分为远后备保护和近后备保护两种方式,远后备保护为主保护或断路器拒动时,由相邻电力设备或线路的保护实现后备。
近后备保护是指当本元件的主保护拒动作时,由本元件的同一安装处的另一套保护实现后备作用;当断路器拒动作时,由断路器失灵保护实现后备。
辅助保护是为了补充主保护和后备保护的缺乏而增设的简单保护。
如用电流速断保护来加速切除故障或消除方向元件的死区等。
5、断路器失灵保护的构成原理是怎么样的?答:所有连接至一条母线上的元件的保护装置,当其出口继电器动作于跳开本元件断路器的同时,也供电给失灵保护中的公用时间继电器,该时间继电器的延时应大于故障线路断路器跳闸时间及保护返回时间之和,因此并不影响正常切除故障。
继电保护、自动装置、直流系统及二次电缆的管理重点要求为进一步规范电力系统继电保护专业管理工作,提高设备可靠性,全面提升电力设备的技术管理水平,实现电力设备安全、可靠运行,提出如下重点要求。
一、继电保护专业管理提升目标为切实提升电力系统内各企业继电保护专业管理水平,通过开展继电保护专业管理提升行动,实现“无三误,主机及重要辅机保护投入率达到100%,保护正确动作率达到100%,提高继电保护系统设备可靠性、实现零非停”目标。
二、加强设备管理(一)提升装置可靠性1.加强继电保护及安全自动装置运行维护工作,配置足够的备品、备件,缩短缺陷处理时间,装置检验应保质保量,严禁超期和漏项,应特别加强对新投产设备的首年全面校验,提高设备健康水平。
2.全面梳理在运继电保护装置及安全自动装置设备的运行年限,运行超12年以上的老旧设备纳入技改计划。
3.企业应配置统一时钟装置,具备接入统一时钟的继电保护及自动装置设备,应实现全厂、站时钟的统一。
定期对继电保护及自动装置时钟与全厂、站统一卫星时钟进行检查与核对,确保各装置时钟正确。
4.企业严格落实反事故措施要求,梳理国家上级部门下发的家族性缺陷、反事故措施等技术文件,开展“回头看”工作,全面排查相应设备整改完成情况。
(二)继电保护装置管理1.继电保护装置的电源板(电源模块)超6年宜进行更换。
2.加强继电保护保版本管理。
保护程序、SCD文件的变更须经相关保护管理部门同意,并及时更正相关技术资料。
修改内容涉及测量原理、判据、动作逻辑或变动较大的,设备投运前必须进行全面校验与传动。
3.新安装继电保护设备宜在投运后1年内进行首次全部检验,其后全部检验的间隔周期不应大于6年。
4.300MW 及以上容量发电机应配置起、停机保护及断路器断口闪络保护。
5.升压站监控系统的电源、断路器控制回路及保护装置电源,应取自升压站配置的独立直流系统。
6.加强继电保护试验仪器、仪表的管理工作,每1-2年应对微机型继电保护试验装置进行一次全面检测,确保试验装置的准确度及各项功能满足继电保护试验的要求,防止因试验仪器、仪表存在问题造成继电保护误整定、误试验。
第二讲二次回路及继电保护一、二次回路1、二次回路的作用:二次回路是电力系统安全生产、经济运行、可靠供电的重要保障,它是发电厂变电所不可缺少的重要组成部分。
2、二次回路由那几部分组成,各起什么主要作用:二次回路由四部分组成。
它们的名称及作用如下:1)交流电压、电流回路——测量、指示、计量;2)直流回路——控制;3)信号回路——灯光指示、掉牌、音响报警;4)保护与自动装置回路——保护、自动控制。
3、绘制二次接线图的基本原则是什么:绘制二次接线图的基本原则,是将所有的二次设备元件用国家统一规定的相应图形、文字或数学符号表示出来,期间的连线按照实际连接顺序绘出。
4、二次接线图共分那几种:二次接线图按其用途可分为以下几种:1)原理图2)展开图3)屏面布置图4)安装接线图5、什么是原理图:原理图是表示二次回路构成原理的最基本的图。
在图上所有的仪表和继电器都是以整体形式的设备图形符号表示的,不画出其内部的接线,而只画出接点的连接。
并将二次部分的电流回路、电压回路、直流回路和一次回路图绘制在一起。
这种接线图的特点,是能使看图人对整个装置的构成有一个整体概念,并可清楚地了解二次回路各设备间的电气联系和动作原理。
6、什么是展开图:1)把二次回路的设备展开表示,即分成交流电流回路、交流电压回路、直流回路、信号回路,2)将同一设备的线圈和接点分别画在所属回路内,属于同一回路的线圈和接点,按照电路通过的顺序依次从左向右连接,结果就形成各条独立的线路,即所谓展开图的“行”。
各行有按照设备动作的先、后,由上而下垂直排列。
各行从左向右阅读,整个电路图从上到下阅读。
3)对于同一设备的线圈和接点采用相同的文字符号表示。
如果在一个电路中,同样的设备不止一个,还需加上数字序号。
4)展开图的右侧以文字说明该回路的用途,以便于阅读。
7、什么是屏面布置图:屏面布置图是根据二次回路的展开图,选好所用二次设备的型号之后进行的。
屏面布置图是为了屏面开孔及安装设备时用的。
继电保护、自动装置、二次回路
内容提要
继电保护:发电机、输电线路、变压器、母线、电动机常用的、基本的继电保护装置的工作原理与接线。
二次回路:断路器的控制、信号及同期回路。
自动装置:备用电源自动投入装置、自动重合闸装置、自动调节励磁装置、自动按频率减负荷装置的工作原理及组成。
第一章:继电保护的基本知识
基本要求:选择性、快速性、灵敏性、可靠性。
第二章:输电线路的继电保护
包括:{1、反映相间短路的电流电压保护。
2、反映相间短路的方向过电流保护。
3、输电线路的接地保护。
4、输电线路的距离保护。
5、输电线路的差动保护。
6、输电线路的高频保护。
}
第一节:反映相间短路的电流电压保护。
包括:{定时限过电流保护、反时限过电流保护、电流速断保护(瞬时电流速断保护、限时电流速断保护)、电流电压连锁速断保护}
三段式电流保护装置:35KV及以下的单侧电源供电线路常采用。
第一段为瞬时电流速断保护,第二段为限时电流速断保护,第三段为定时限过电流保护。
反时限过电流保护主要用在较低电压线路及电动机保护上。
第二节:反映相间短路的方向过电流保护。
第三节:输电线路的接地保护。
1、中性点直接接地电网的接地保护。
在我国,110KV及以上电压等级的电网,均为中性点直接接地电网,又称为大接地电流电网。
2、中性点非直接接地电网的接地保护。
电压为3~35KV的电网,采用中性点不接地或经消弧线圈接地方式,统称为中性点非直接接地电网。
第四节:输电线路的距离保护。
第五节:输电线路的差动保护。
包括:{线路纵差动保护、平行线路的横联方向差动保护、平行线路的电流平衡保护}
第六节:输电线路的高频保护。
包括:{高频闭锁方向保护、相差高频保护、高频闭锁距离保护}
高频通道的种类:输电线路高频通道,微波通道,光纤通道。