怎么计算梁的配筋图的钢筋用量
- 格式:docx
- 大小:7.27 KB
- 文档页数:3
梁钢筋工程量计算本文主要从预算的角度,结合梁钢筋计算的实例简述梁钢筋的计算方法。
文|王甜甜浙江江南梁钢筋工程量计算在钢筋计算中应该算比较复杂的了,因为梁种类较多,梁中钢筋的种类也较多,且不同的梁钢筋设置存在一些区别,所以在讲述梁钢筋计算之前首先要了解梁的分类、梁中钢筋的种类以及梁的配筋表示方法。
笔者认为在掌握这些知识后,梁钢筋工程量的计算其实不难。
梁的分类梁的分类方式有很多种,如据截面形式,可分为矩形截面梁、T形截面梁、十字形截面梁、工字形截面梁、匚形截面梁、囗形截面梁、不规则截面梁;依据梁与板的相对位置,可分为(正)梁、反梁。
在这里,为方便大家对梁钢筋计算的理解,我们进行如下分类:按照结构工程属性,分为框架梁、剪力墙支承的框架梁、内框架梁、梁、砌体墙梁、砌体过梁、剪力墙连梁、剪力墙暗梁、剪力墙边框梁;按照其在房屋的不同部位,分为屋面梁、楼面梁、地下框架梁、基础梁;依据梁与梁之间的搁置与支承关系,分为主梁和次梁。
而实际上出现于工程项目中一根具体的梁,多数是由上述N种属性的叠加,即不是单纯的某一种梁。
梁钢筋的种类及其作用纵向受力筋。
配置在梁的受拉区(梁下部),承受由弯矩产生的拉力;当荷载比较大时在受压区也配置受力筋,它和混凝土共同承受压力。
弯起筋。
由纵向受力筋在支座处弯起而成,弯起部分用来分担剪力或支座的负弯矩。
架立筋。
配置在梁上部两边,用以固定箍筋的位置以便形成空间骨架,当梁上部设计有纵向受压筋时,可用之代替架立筋。
箍筋。
沿着梁长间隔布置,承担斜截面剪力、限制裂缝的开展及用来固定纵向钢筋。
吊筋。
当主梁上有次梁时,在次梁下的主梁中布置吊筋,承担次梁集中荷载产生的剪力。
腰筋。
当梁在受有弯矩的同时受有扭矩,则应在梁高中部两侧沿梁长布置受扭钢筋,在施工图上用符号“N”表示;当梁的高度超过一定的数值,为保证梁的稳定性,应在梁高中部两侧沿梁长布置构造钢筋,在施工图上用符号“G”表示。
受扭钢筋与构造钢筋一般统称“腰筋”,它需要用拉筋来固定,拉筋的直径一般同箍筋,沿梁长间隔布置,其间距一般为箍筋间距的2倍。
怎么计算梁的配筋图的钢筋用量梁梁的平面表示方法:集中标注-1、梁编号2、截面尺寸3、箍筋4、上部贯通筋或架立钢筋5、侧面纵向构造钢筋或受扭钢筋6、梁顶面标高高差原位标注7、梁支座上部筋8、梁下部钢筋9、吊筋、附加钢筋及构造钢筋钢筋公式上部通长筋:长度=净跨长+左支座锚固+右支座锚固当hc-保护层(直锚长度)>=LaE时,取Max(LaE ,0.5hc+5d)当hc-保护层(直锚长度) <LaE时,必须弯锚,算法1:hc-保护层+15d算法2:取0.4LaE+15d算法3:取Max(LaE ,hc-保护层+15d)算法4:取Max(LaE ,0.4LaE+15d)左、右支座负筋:第一排长度=左或右支座锚固+净跨长/3第二排长度=左或右支座锚固+净跨长/4如有第三排筋伸入跨内1/5,如果一共两排,第一排为通长筋,则第二排按LN/3计算中间支座负筋长度上排长度=2*净跨长/3+支座宽下排长度=2*净跨长/4+支座宽注:净跨长为左右较长的跨架立筋长度=净跨-左负筋伸入长度-右负筋伸入长度+ 150*2注:当贯通筋和架立筋同时存在时,搭接值取150MM。
构造筋长度=净跨长+2*15d抗扭筋长度=净跨长+2*锚固长度拉筋长度=梁宽-2*保护+2*1.9d+2*max(10d,75mm)根数=【(净跨长-50*2)/非加密间距*2+1】*排数当梁宽≤350时,拉筋直径为6mm;梁宽>350时,拉筋直径为8mm。
拉筋间距为非加密区箍筋间距的两倍。
当设有多排拉筋时,上下两排拉筋竖向错开设置。
下部钢筋下部通长钢筋长度=净跨长+左支座锚固+右支座锚固下部不伸入支座钢筋长度=净跨长-0.1*2*净跨长下部非通长钢筋长度=净跨长+左支座锚固+右支座锚固箍筋长度=(梁宽-保护层*2 +梁高-保护层)*2+1.9d*2+max(10d,75mm)*2根数=2*【(加密区长度-50)/加密间距+1】+(非加密区长度/非加密间距-1)当结构为一级抗震时,加密长度为max(2*梁高,500),当结构为二到四级时,加密长度为max(1.5*梁高,500)吊筋长度=2*锚固+2*斜段长度+次梁宽度+2*50斜段角度:高度主梁高>800mm a为60度主梁高<=800mm a为45度。
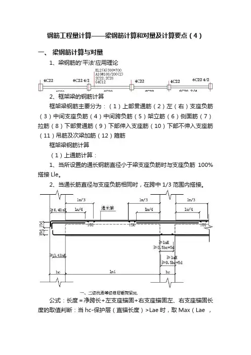
钢筋工程量计算——梁钢筋计算和对量及计算要点(4)一、梁钢筋计算与对量1、梁钢筋的'平法'应用理论2、框架梁的钢筋计算框架梁钢筋主要分为:(1)上部贯通筋(2)左(右)支座负筋(3)中间支座负筋(4)中间跨负筋(5)架立筋(6)侧面筋(7)拉筋(8)下部贯通筋(9)下部伸入支座筋(10)下部不伸入支座筋(11)吊筋及次梁加筋(12)箍筋框架梁钢筋计算(1)上通筋计算:1、当所设置的通长钢筋直径小于梁支座负筋时与支座负筋100%搭接Lle。
2、当通长筋直径与支座负筋相同时,在跨中1/3范围内搭接。
公式:长度=净跨长+左支座锚固+右支座锚固左、右支座锚固长度的取值判断:当hc-保护层(直锚长度)>Lae时,取Max(Lae ,0.5hc+5d)当hc-保护层(直锚长度)≤ Lae时,必须弯锚,算法1:hc-保护层+15d;算法2:取0.4LaE+15d;算法3:取Max(Lae ,hc-保护层+15d);算法4:取Max(Lae ,0.4LaE+15d)。
当框架梁端支座为梁时,该端支座的梁上部纵筋锚固与向跨中的延伸长度可按非框架梁端支座构造,也不需加密区。
屋面框架梁配筋构造:构造屋面框架梁纵向钢筋构造(一)构造屋面框架梁纵向钢筋构造(二)左、右支座负筋的计算:第一排长度=左或右支座锚固+净跨长/3第二排长度=左或右支座锚固+净跨长/4中间支座负筋长度计算:第一排长度=2*max(第一跨,第二跨)净跨长/3+支座宽第二排长度=2*max(第一跨,第二跨)净跨长/4+支座宽第三排长度=2*max(第一跨,第二跨)净跨长/5+支座宽当配置多排纵筋但第一排全部通长时,第二排延伸至Ln/3.第三排延伸至Ln/4.架立筋的计算:注:当梁的上部既有通长筋又有架立筋时,其中架立筋的搭接长度为150架立筋长度=净跨长-净跨长/3*2+150*2架立筋与支座负搭接150MM,应有一道箍筋相绑扎箍筋根数计算:根数=((左加密区长度-50)/加密间距+1)+(非加密区长度/非加密间距-1)+((右加密区长度-50)/加密间距+1)下部通长钢筋计算:长度=净跨长+左支座锚固+右支座锚固左、右支座锚固同上框架梁下部纵筋可在柱支座外内力较小处搭接,即距边缘Ln/3范围内连接。
..梁钢筋工程量计算1:梁钢筋类型:在工程中有地梁、框架梁、连系梁、悬挑梁、圈梁、过梁等等。
梁的平法分类与编号梁的类型代号序号跨数及是否带有悬挑楼层框架梁KL XX (XX)\(XXA)或(XXB) 屋面框架梁WKL XX (XX)\(XXA)或(XXB) 框支梁KZL XX (XX)\(XXA)或(XXB) 非框架梁L XX (XX)\(XXA)或(XXB) 悬挑梁XL XX井字梁JZL XX (XX)\(XXA)或(XXB) 框架梁识读:11G101—1 25页KL平面注写表示方式实例集中标注:KL2(2A) 300×650A8@100/200(2) 2B25G4A10 (—0.100)解释:KL2(2A)表示2号框架梁,2跨,且有一端悬挑。
300×650表示该梁为矩形,截面宽为300mm,高为650mm。
A8@100/200(2)表示箍筋为一级钢筋,直径为8mm加密区间距为100mm,非加密区间距为200mm,均为双肢箍,这里“/”表示箍筋加密区非加密区采用不同间距。
2B25,表示通长筋,G4A10 ,表示有4根直径为10mm的一级构造钢筋。
(—0.100)表明该梁顶面标高比其结构层标高低0.1m。
原位标注梁上部原位标注:2C25+2C22表示:梁支座上部纵筋同排设置,但有两种直径,其中2C25放在角部,为通长筋;2C22放在中部,为负筋。
“+”连接不同种钢筋直径。
6C25 4/2 表示:梁支座上部纵筋两排设置,上一排纵筋为4C25,下一排纵筋为2C25。
其中上一排纵筋中:两侧的两根钢筋为通长筋,中间的两根为负筋;下一排纵筋中2C25为负筋。
这里“/”表示钢筋分排。
4C25(第三个支座左侧)表示:梁支座上部纵筋同排设置。
其中两侧两根为通常筋,中间两根为负筋。
4C25(第三个支座右侧)表示:梁支座上部纵筋同排设置。
其中两侧两根为通常筋,中间两根为负筋。
梁下部原位标注:6C252/4表示:第一跨下部纵筋两排设置,上一排纵筋为2C25,下一排纵筋为4C25。
梁纵向钢筋的配筋率计算公式梁的纵向钢筋配筋率是指钢筋面积与截面面积之比,在设计梁的过程中,合理的纵向钢筋配筋率是非常重要的,它直接影响梁的受力性能和承载能力。
一般来说,纵向钢筋的配筋率与梁的构造类型、设计受力条件和使用要求等因素有关。
以下是几种常用的梁纵向钢筋配筋率计算公式:1.构造类型为矩形或T形截面的梁:对于矩形截面梁来说,一般可采用最简单的截面几何模型,即假设纵向钢筋均匀分布在整个截面中。
此时,梁的纵向钢筋配筋率的计算公式为:ρ=As/(b*d)其中,ρ为纵向钢筋配筋率,As为纵向钢筋面积,b为梁的宽度,d为梁的有效高度(截面高度减去上下盖板的厚度)。
对于T形截面梁来说,纵向钢筋的计算公式为:ρ=(As1+As2)/(b*d)其中,As1和As2分别为截面宽度为b1和b2的部分的纵向钢筋面积。
2.构造类型为梯形或楔形截面的梁:对于梯形或楔形截面梁来说,需要采用转角法计算纵向钢筋的配筋率。
该方法将梁的复杂形状简化为多个矩形截面,然后根据每个矩形截面的配筋率计算总的纵向钢筋配筋率。
具体计算步骤如下:-根据梁的形状和截面高度的变化,将梁截面分割为多个矩形截面。
-对每个矩形截面,根据第一种情况中的计算公式计算纵向钢筋的配筋率。
-将各个矩形截面的纵向钢筋配筋率相加,得到总的纵向钢筋配筋率。
3.构造类型为圆形截面的梁:对于圆形截面梁来说,一般采用极坐标法进行配筋率的计算。
具体计算步骤如下:-将圆形截面划分为多个等宽的扇形片段。
-每个扇形片段中的纵向钢筋配筋率可以根据第一种情况中的计算公式进行计算。
-将各个扇形片段的纵向钢筋配筋率相加,得到总的纵向钢筋配筋率。
需要注意的是,上述计算公式中的纵向钢筋面积As需要根据设计要求、构造类型、受力条件等因素进行合理的选择。
在实际设计中,还需根据梁的受力性能和承载能力要求限制纵向钢筋配筋率的范围,以保证梁的安全与经济。
因此,纵向钢筋配筋率的计算并不是简单地根据公式进行求解,还需结合具体条件进行分析和确定。
钢筋算量公式一、基础1、独立基础:(1)长宽小于2500mm长度=总长—2c(保护层)根数=[总长—2×min(75,s/2)]÷间距+1(2)长宽大于等于2500mm长度=总长—c—0.1L(基础长宽)根数=[总长—min(75,s/2)—c]÷间距+1 2、圆形独立基础:(1)正交配筋长度=2×根号下[R²-(R-h拱高)²]-2c根数=[D—2×min(75,s/2)]÷间距+1(2)放射配筋径向钢筋长度=D—2c 根数=π(R—c)÷间距环行钢筋长度=π(R1—c)根数=[R—min(75,s/2)]÷间距其中R1依次减小3、条形基础:受力筋的长度=板底宽度—2c根数=(总长—2×s/2)÷间距+1分布筋长度=净长+2c+2×150根数=(底板宽度—2×s/2)÷间距+14、基础梁:底部贯通筋=总长+2×50—2c+2×15d顶部贯通筋=总长+2×50—2c+2×12d基础梁柱内有箍筋箍筋起始距离为50mm底部端部不贯通筋=轴间距÷3+伸至端部-c+15d底部中部不贯通筋=(轴间距÷3) ×2顶部端部不贯通筋=轴间距÷3+伸至端部-c+12d顶部中部不贯通筋=(轴间距÷3) ×2梁顶一平变截面的底部外伸贯通筋:伸至外伸尽端弯折12d,外伸段按斜长计算。
顶部伸至外伸尽端弯折12d。
梁底一平变截面的顶部外伸贯通筋:伸至外伸尽端弯折12d,外伸段按斜长计算。
底部伸至外伸尽端弯折12d。
梁底有高差的(高差小于梁高):底部—梁底高差坡度为45°,低部钢筋锚进高粱内la,高部钢筋伸进低梁la。
顶部—低位钢筋锚入lae,高位上排钢筋伸至住外边下弯至低位梁顶再加lae,高位下排钢筋总锚长lae。
每混凝土钢筋用量计算公式混凝土钢筋用量的计算可不是一件简单的事儿,这需要咱们精打细算,不然就容易出岔子。
咱们先来说说为啥要算这个钢筋用量。
就拿盖房子来说吧,假如你要给自己家盖个小别墅,那得先规划好房子的结构,比如柱子要多粗、梁要多长,然后根据这些结构要求来确定需要多少钢筋。
钢筋就像是房子的“骨架”,少了不行,多了又浪费钱。
计算钢筋用量有几个关键的步骤。
首先得知道混凝土构件的尺寸和形状,比如说一根柱子,得知道它的高度、直径。
然后根据设计要求,确定钢筋的布置方式和间距。
给您举个我之前碰到的例子。
有一次,我去一个建筑工地,看到工人们正在绑扎柱子的钢筋。
我就好奇地凑过去问师傅,这钢筋咋算的呀。
师傅一边忙活着手里的活儿,一边跟我说:“小伙子,这可讲究着呢!就说这柱子,先得看它承受多大的力,然后根据力的大小确定钢筋的直径和数量。
” 他拿起一根钢筋比划着:“你看,这钢筋的间距不能太大,也不能太小,不然柱子的强度就不够啦。
”接下来咱具体说说计算公式。
对于常见的矩形梁,钢筋用量等于每米钢筋重量乘以钢筋总长度。
每米钢筋重量可以通过钢筋直径算出,公式是0.00617×钢筋直径的平方。
钢筋总长度呢,就得根据梁的长度、锚固长度、弯钩长度等等来计算。
比如说,有一根梁长 5 米,主筋直径是 20 毫米,两端的锚固长度各是0.4 米,还有180 度的弯钩,每个弯钩长度是6.25 倍的钢筋直径。
那主筋的长度就是 5 + 0.4×2 + 6.25×0.02×2 = 5.8 + 0.25 = 6.05 米。
每米钢筋重量是 0.00617×20×20 = 2.468 千克,所以这根主筋的重量就是2.468×6.05 ≈ 14.9 千克。
再说说柱子的钢筋用量计算。
柱子的钢筋通常由纵筋和箍筋组成。
纵筋的计算和梁的主筋类似,箍筋的长度要根据柱子的周长减去保护层厚度,再加上箍筋的弯钩长度。
混凝土建筑结构中的钢筋用量计算方法混凝土建筑结构中的钢筋用量计算方法钢筋是混凝土结构中非常重要的一部分,它可以增加混凝土的强度和韧性。
因此,在混凝土建筑结构设计中,钢筋的用量计算至关重要。
本文将详细介绍混凝土建筑结构中的钢筋用量计算方法。
一、钢筋基本知识1. 钢筋的种类钢筋可以分为普通钢筋和高强度钢筋两种。
普通钢筋的标准为GB1499.2-2007,高强度钢筋的标准为GB/T 13788-2008。
2. 钢筋的规格钢筋的规格一般以直径表示,常用的规格有Ф6、Ф8、Ф10、Ф12、Ф14、Ф16、Ф18、Ф20、Ф22、Ф25、Ф28、Ф32、Ф36、Ф40、Ф50等。
3. 钢筋的强度等级钢筋的强度等级一般分为Ⅰ、Ⅱ、Ⅲ级。
其中Ⅰ级钢筋的抗拉强度为360MPa,Ⅱ级钢筋的抗拉强度为435MPa,Ⅲ级钢筋的抗拉强度为500MPa。
二、混凝土结构中钢筋用量计算方法1. 混凝土梁的钢筋用量计算混凝土梁的钢筋用量计算需要考虑以下几个因素:(1)梁的截面形状和尺寸;(2)混凝土的强度等级和配筋率;(3)钢筋的种类、直径和强度等级。
计算公式为:As=(M-0.85fcubd)/fy其中,As为钢筋面积,M为弯矩,fcu为混凝土的抗压强度,b为梁的宽度,d为梁的有效深度,fy为钢筋的屈服强度。
2. 混凝土柱的钢筋用量计算混凝土柱的钢筋用量计算需要考虑以下几个因素:(1)柱的截面形状和尺寸;(2)混凝土的强度等级和配筋率;(3)钢筋的种类、直径和强度等级。
计算公式为:As=(N-0.85fcubd)/(fy×0.4)其中,As为钢筋面积,N为柱的轴向受力,fcu为混凝土的抗压强度,b为柱的宽度,d为柱的有效深度,fy为钢筋的屈服强度。
3. 混凝土板的钢筋用量计算混凝土板的钢筋用量计算需要考虑以下几个因素:(1)板的厚度和跨度;(2)混凝土的强度等级和配筋率;(3)钢筋的种类、直径和强度等级。
计算公式为:As=(M-0.85fcubh)/fy其中,As为钢筋面积,M为弯矩,fcu为混凝土的抗压强度,h为板的厚度,fy为钢筋的屈服强度。
梁钢筋算量的基本方法介绍1.清点梁钢筋的类型、规格和长度:首先需要仔细查阅梁的结构设计图纸,了解梁的几何形状和工程要求,包括梁的长度、宽度、高度和截面形状等。
然后根据设计要求和钢筋规范,确定所需的钢筋的类型、规格和长度。
2.计算梁钢筋的截面面积:根据梁的截面形状和规格,计算梁的钢筋截面面积。
梁钢筋通常为矩形钢筋,其截面面积可以通过计算矩形的长乘以宽得出,也可以通过查表得到。
3.计算梁钢筋的长度:根据梁的长度和钢筋的搭接要求,计算出需要的钢筋长度。
梁钢筋通常为长条形,根据钢筋的埋设深度、搭接长度和梁的总长度等因素,计算出适当的钢筋长度。
4.确定梁钢筋的配筋:根据梁的设计要求和钢筋规范,确定梁的钢筋配筋方案。
配筋方案应考虑到梁的强度、抗弯承载力、剪切承载力和变形等要求,以及施工的可行性和经济性等因素。
5.统计梁钢筋的数量:根据梁的结构设计图纸和钢筋配筋方案,统计出梁的每根钢筋的数量。
在统计过程中,需要按照设计要求和钢筋规范,考虑到梁的截面和长度的变化,以及钢筋的搭接和间距等要求。
6.编制梁钢筋算量表:根据统计结果,编制梁钢筋算量表。
梁钢筋算量表应包括梁的基本信息、钢筋的类型、规格和数量,以及钢筋的长度和配筋方案等内容。
梁钢筋算量表是施工准备和材料采购的依据,也是监理验收和质量控制的依据。
需要注意的是,在进行梁钢筋算量时,还需要参考相关的国家和地区的钢筋规范。
不同的规范可能对钢筋的计算和配筋有不同的要求,因此需要合理选择并正确应用。
总之,梁钢筋算量是土木工程中必不可少的一个任务,它涉及到梁的结构设计和施工阶段,对梁的强度和稳定性具有重要影响。
正确地进行梁钢筋算量,可以保证梁结构的安全可靠,提高工程质量。
梁的配筋计算第一节框架梁一、首跨钢筋的计算1、上部贯通筋上部贯通筋(上通长筋1)长度=通跨净跨长+首尾端支座锚固值(15dx2)2、端支座负筋:第一排为Ln/3+端支座锚固值(+15d);第二排为Ln/4+端支座锚固值(+15d)3、中间支座负筋:中间支座负筋:第一排为Ln/3+中间支座值+Ln/3;第二排为Ln/4+中间支座值+Ln/4注意:当中间跨两端的支座负筋延伸长度之和≥该跨的净跨长时,其钢筋长度:第一排为该跨净跨长+(Ln/3+前中间支座值)+(Ln/3+后中间支座值);第二排为该跨净跨长+(Ln/4+前中间支座值)+(Ln/4+后中间支座值)。
4、下部钢筋下部钢筋长度=净跨长+左右支座锚固值(+15d)注意:下部钢筋不论分排与否,计算的结果都是一样的,所以我们在标注梁的下部纵筋时可以不输入分排信息。
以上三类钢筋中均涉及到支座锚固问题,那么,在软件中是如何实现03G101-1中关于支座锚固的判断呢现在我们来总结一下以上三类钢筋的支座锚固判断问题:①支座宽≥Lae且≥+5d,为直锚,取Max{Lae,+5d }。
②钢筋的端支座锚固值=支座宽≤Lae或≤+5d,为弯锚,取Max{Lae,支座宽度-保护层+15d }。
钢筋的中间支座锚固值=Max{Lae,+5d }5、腰筋构造钢筋:构造钢筋长度=净跨长+2×15d抗扭钢筋:算法同贯通钢筋6、拉筋①拉筋长度=(梁宽-2×保护层)+2×(抗震弯钩值)+2d②拉筋直径:当梁宽≥350时,拉筋直径为6mm;当梁宽>350mm,拉筋直径为8mm③拉筋根数:如果我们没有在平法输入中给定拉筋的布筋间距,那么拉筋的根数=(箍筋根数/2)×(构造筋根数/2);如果给定了拉筋的布筋间距,那么拉筋的根数=布筋长度/布筋间距。
7、箍筋(P35)箍筋长度=(梁宽-2×保护层+梁高-2×保护层)+2×+8d箍筋根数=(加密区长度/加密区间距+1)×2+(非加密区长度/非加密区间距-1)+1注意:因为构件扣减保护层时,都是扣至纵筋的外皮,那么,我们可以发现,拉筋和箍筋在每个保护层处均被多扣掉了直径值;并且我们在预算中计算钢筋长度时,都是按照外皮计算的,所以软件自动会将多扣掉的长度在补充回来,由此,拉筋计算时增加了2d,箍筋计算时增加了8d。
造价辅导:梁的钢筋工程量计算,实例讲解[例题]:见下图框架梁配筋图,抗震等级为二级,混凝土C30,框架柱300×300mm,计算梁的钢筋工程量。
[分析解答]:一、上部贯通筋2Φ20分析:解答:L1=柱间净长+(0.4Lae+15d)×2=10.8-0.075×2+(0.4×34×0.02+15×0.02)×2=11.49+0.1=11.79m总长=11.79×2=23.58m二、①轴线支座负弯矩筋6Φ20分析:左边支座上部上排负筋=L(净跨)/3+锚固解答:单根长=Ln/3+0.4Lae+15d=1/3(6.6-0.225)+0.4×34×0.02+15×0.02 =2.70m总长=2.70×4=10.8m三、②轴线支座负弯矩6Φ20分析:中间支座上部上排负筋=L(净跨)/3×2+支座宽注:L(净跨)为该支座相邻两跨跨长值大者。
解答:单根长=Ln/3×2+柱宽=1/3×(6.6-0.225)×2+0.3=4.55m总长=4.55×4=18.2m四、③轴线支座负弯矩筋6Φ20分析:右边支座上部上排负筋=L(净跨)/3+锚固解答:单根长=Ln/3+0.4Lae+15d=1/3(4.2-0.225)+0.4×34×0.02+15×0.02 =1.90m总长=1.90×2=3.8m五、①~②轴线下部通长筋4Φ20分析:解答:单根长=本跨净长+两端锚固长度=6.6-0.225+0.4Lae+15d+Lae=6.6-0.225+0.4×34×0.02+15×0.02+34×0.02=7.63m总长=7.63×4=30.52m六、②~③轴线下部通长筋4Φ20单根长=本跨净长+两端锚固长度=4.2-0.225+0.4Lae+15d+Lae=4.2-0.225+0.4×34×0.02+15×0.02+34×0.02=5.23m总长=5.23×4=20.92m七、箍筋φ8单根箍筋长=(a-2c-d)×2+(b-2c-d)×2+24d=(0.65-0.025×2-0.008)×2+(0.3-0.025×2-0.008)×2+24×0.008=1.86m根数:加密区≥1.5Hb,且≥500mm1.5Hb=1.5×650=975mm>500mm;取975mm第一跨箍筋个数=箍筋设置区域长/箍筋间距+1=[(0.975-0.05)/0.1]×2+(6.6-0.225-0.975×2)/0.2+1 =41.6根=42根第二跨箍筋个数=箍筋设置区域长/箍筋间距+1=[(0.975-0.05)/0.1]×2+(4.2-0.225-0.975×2)/0.2+1 =29.6根=30根箍筋总长=1.86×(42+30)=133.92m八、腰筋Φ16腰筋长度=(10.8-0.15+15×0.016×2)×4=11.13×4=44.52m九、拉筋φ6=(梁宽-两个保护层+两个弯钩长)×(腰筋长度/拉筋间距+1)×每侧腰筋根数=(0.3-0.025×2+0.075×2)×(11.13/0.4+1)×2=23.06m十、计算钢筋工程量Φ20钢筋=(23.58+10.8+18.2+3.8+30.52+20.92)×2.47=266.32kgΦ16钢筋=44.52×1.58=70.34kgΦ8钢筋=133.92×0.375=50.22kgΦ6钢筋=23.06×0.222=5.12kg本文内容纯属个人观点,仅供参考。
单位工程钢筋用量计算
第一步,根据工程图纸和设计要求,进行构件尺寸的测量和分析。
以梁为例,首先确定梁的宽度、高度、长度等尺寸。
然后根据梁的受力特点,计算出需要增设的钢筋,根据设计规范,确定钢筋的强度等级和截面积。
第二步,根据构件的布置方式,确定钢筋的布置形式和间距。
根据设计要求,确定钢筋的保护层厚度。
根据设计规范和实际情况,确定钢筋的直径等参数。
根据受力分析,确定钢筋的截面积和弯钢筋的弯曲半径。
第三步,根据钢筋的长度和截面积,计算钢筋的质量和用量。
根据设计要求,确定钢筋的长度,以确定钢筋的质量和用量。
根据钢筋的截面积和受力分析,计算钢筋的数量和总质量。
第四步,进行钢筋的材料计算。
根据设计要求,确定钢筋的强度等级和抗拉强度。
根据钢筋的直径,计算钢筋的面积。
根据钢筋的密度,计算钢筋的重量。
根据钢筋的长度,计算钢筋的体积。
第五步,进行钢筋的成本计算。
根据钢筋的价格,计算钢筋的成本。
根据钢筋的用量,计算钢筋的总成本。
根据工程的要求,确定钢筋的质量和用量,以保证工程的安全和可靠性。
最后,需要指出的是,单位工程钢筋用量计算是一个复杂的过程,需要综合考虑多个因素,如结构形式、荷载特点、受力性能等。
同时,还需要根据实际情况和设计要求进行合理的调整和优化,以满足工程的需要。
钢筋计算量公式
钢筋计算量的公式通常包括以下几个因素:
1. 钢筋的长度:计算量与钢筋的长度成正比。
2. 钢筋的直径:计算量与钢筋的直径的平方成正比,即计算量∝直径²。
3. 钢筋的数量:计算量与钢筋的数量成正比。
综上所述,钢筋计算量的一般公式为:
计算量 = 钢筋长度 ×钢筋直径² ×钢筋数量
对于具体的钢筋计算量公式,在不同的设计规范和计算方法中会有所差异。
以下是一般情况下常用的计算量公式:
1. 钢筋总长度计算量公式:
计算量 = 钢筋总长度
2. 截面钢筋计算量公式:
计算量 = 钢筋总长度 ×钢筋直径²
3. 柱子钢筋计算量公式:
计算量 = 钢筋截面积 ×柱子高度
4. 梁中钢筋计算量公式:
计算量 = 钢筋截面面积 ×梁的长度
请注意,在具体的工程设计计算中,需根据不同的设计规范和工程要求,结合受力分析等因素,进行详细的计算和设计。
因
此建议在具体项目中参考相应的设计规范和进行专业的工程计算。
梁板的配筋计算方法梁板钢筋的下料长度=梁板的轴线尺寸-保护层(一般25)+上弯勾尺寸180度弯勾=6.25d90度弯勾=3.5d45度弯勾=4.9d再咸去度量差:30度时取0.3d\45度0.5d\60度1d\90度2d\135度3d如果是一般的施工图纸按上面的方法就可以算出来如板的分布筋\负盘\梁的纵向受力筋\架力筋.如果是平法施工图那就要参考03G101-1B了箍筋的长度:外包长度+弯勾长度-6d弯勾长度6加100\8加120\10加140箍筋个数=梁构件长度-(25保护层)*2/箍筋间距+1矩形箍筋下料长度计算公式箍筋下料长度=箍筋周长+箍筋调整值(表1)式中箍筋周长=2(外包宽度+外包长度);外包宽度=b-2c+2d;外包长度=h-2c+2d;b×h=构件横截面宽×高;c——纵向钢筋的保护层厚度;d——箍筋直径。
箍筋调整值见表1。
2.计算实例某抗震框架梁跨中截面尺寸b×h=250mm×500mm,梁内配筋箍筋φ6@150,纵向钢筋的保护层厚度c=25mm,求一根箍筋的下料长度。
解:外包宽度= b-2c+2d=250-2×25+2×6=212(mm)外包长度=h-2c+2d=500-22×25+2×6=462(mm)箍筋下料长度=箍筋周长+箍筋调整值=2(外包宽度+外包长度)+110(调整值)=2(212+462)+110=1458(mm)≈1460(mm)(抗震箍)箍筋下料长度=2(250-2×25)+2(500-2×25)+50(调整值)=1350(mm)(非抗震箍)错误计算方法2:箍筋下料长度=2(250-2×25)+2(500-2×25)=1300(mm)梁柱箍筋的下料,在施工现场,如果给钢筋工一个总长=2b+2h-8c+26.5d的公式,钢筋工不是太欢迎;如果将梁的已知保护层直接代入公式,使表达方式简单一些,钢筋工就容易记住。
梁的平面表示方法:
集中标注-
1、梁编号
2、截面尺寸
3、箍筋
4、上部贯通筋或架立钢筋
5、侧面纵向构造钢筋或受扭钢筋
6、梁顶面标高高差
原位标注
7、梁支座上部筋
8、梁下部钢筋
9、吊筋、附加钢筋及构造钢筋
钢筋公式
上部通长筋:长度=净跨长+左支座锚固+右支座锚固
当he-保护层(直锚长度)>=LaE时,取Max(LaE ,0.5hc + 5d)当he-保护层(直锚长度)<LaE时,必须弯锚,
算法1: he-保护层+ 15d
算法2:取0.4LaE+15d
算法3:取Max(LaE ,hc-保护层+ 15d)
算法4:取Max(LaE ,0.4LaE+15d)
左、右支座负筋:第一排长度=左或右支座锚固+净跨长/3
第二排长度=左或右支座锚固+净跨长/4
如有第三排筋伸入跨内1/5,如果一共两排,第一排为通长筋,则第二排按LN/3 计算中间支座负筋长度上排长度=2*净跨长/3+支座宽下排长度
=2*净跨长/4+支座宽注:净跨长为左右较长的跨
架立筋长度=净跨-左负筋伸入长度-右负筋伸入长度+ 150*2 注:当贯通筋和架立筋同时存在时,搭接值取150MM 。
构造筋长度=净跨长+2*15d
抗扭筋长度=净跨长+2*锚固长度
拉筋长度二梁宽-2*保护+2*1.9d+2*max(10d,75mm) 根数=【(净跨长-50*2)/非加密间距*2+1 】*排数
当梁宽w 350时,拉筋直径为6mm;梁宽>350时,拉筋直径为8mm。
拉筋间距为非加密区箍筋间距的两倍。
当设有多排拉筋时,上下两排拉筋竖向错开设置。
下部钢筋
下部通长钢筋长度=净跨长+左支座锚固+右支座锚固下部不伸入支座钢筋长度=净跨长-0.1*2*净跨长
下部非通长钢筋长度=净跨长+左支座锚固+右支座锚固
箍筋长度=(梁宽-保护层*2 +梁高-保护层)*2+1.9d*2+max(10d,75mm)*2
根数=2*【(加密区长度-50)/加密间距+1】+ (非加密区长度/非加密间
距-1)
当结构为一级抗震时,加密长度为max(2*梁高,500),当结构为二到四
级时,加密长度为max(1.5*梁高,500)
吊筋长度=2*锚固+2*斜段长度+次梁宽度+2*50斜段角度:高度主梁高>800mm a 为60 度主梁高<=800mm a为45度。