吊车梁制作工艺
- 格式:doc
- 大小:298.50 KB
- 文档页数:23
实腹式工字型大型吊车梁制造工法作者简介:方才银同志1984年毕业于抚顺石油学院炼机系,现任金属结构厂压力容器工艺责任师,高级工程师。
该同志有着丰富的工艺设备设计审核经验,除负责审核球罐、再生器、气柜、外取热器等各类塔、罐压力容器非标设备制造工艺文件及各装置钢结构措施的审核外,还参加了槽车修复方案、天津乙烯冷箱气密试验方案、双相不锈钢设备制造及我国第一台多管式第三级旋风分离器等项目的攻关。
该文所编写的工法被评为98年度总公司级(二级),该工法是作者的处女作。
一、前言焊接实腹式工字型吊车梁广泛应用于各种工业厂房的重级工作制吊车梁系统中,它是吊车梁系统中的关键构件。
典型吊车梁系统如图1所示,典型吊车梁结构型式如图2所示。
吊车梁不仅承受一定的静载,还承受由于吊车运行而产生的动载,它的制造质量不仅影响整个结构的外形和承载能力,而且关系到厂房内人身和设备的安全。
因此《钢结构工程施工及验收规范》(GB50205-95)对焊接实腹式吊车梁的制造质量规定相当严格,而要实现这些质量指标,关键是控制吊车梁的制造变形和焊接质量。
我厂采用“自动焊与手工焊相结合,预测控变形与矫形相结合”的制造工艺,成功地制造了大量的焊接实腹式工字型吊车梁。
达到了质量要求,并创造了良好的经济效益和社会效益。
图 1 吊车梁系统示意图1 制动板或制动桁架吊车梁辅助桁架下翼板水平支撑1-1(a)突缘支座1 1-1(b)平板式支座图 2 吊车梁典型结构示意图二、工法特点1、本工法采用予测控变形和矫形相结合的工艺,以予控变形为主,从工艺上控制制造质量,减少了制造成品的矫形后遗症。
2、本工法采用流水线作业,专用胎具组装,劳动组织合理,易于形成系列化产品。
3、质量容易控制,工期短,经济效益好。
三、适用范围1、本工法适用于各种规格、材质的焊接实腹式工字型吊车梁。
2.石油化工装置中管廊、框架及工业炉的H型钢类立柱、横梁的制作可参照执行。
四、工艺程序及要点1、工艺程序吊车梁不管规格大小、材质如何,由于其结构基本相同,其制造工艺基本一致,吊车梁制造工艺流程为:材料检验→板材酸洗除锈→零部件下料和翼腹板配料→翼腹板拼接坡口加工→拼接缝组焊→拼接缝焊后矫形→拼缝检验→翼腹板宽度方向下净料→翼板侧弯矫正→翼腹板组对成工字型→工字梁长角焊缝焊接→翼板倾斜及平面度矫形→角焊缝检验→筋板及连接板位置划线→筋板与梁组焊→筋板焊后矫形→连接板组焊→梁长度划线切割→端板组焊→矫形→钻孔位置划线→钻孔→总体检验。
大型钢吊车梁的制作大型钢吊车梁的制作钢吊车梁是一种用于吊装重物的装备,通常由钢制成。
由于其承托重物的功能,钢吊车梁制作具有重要的意义和价值。
本文介绍了大型钢吊车梁的制作过程。
1. 材料准备制作大型钢吊车梁的首要步骤是选材。
通常应选用高强度且耐腐蚀的钢材作为制作材料。
常见的材质包括Q345B, Q345D, Q690D等高强度钢材, 碳素结构钢等。
在选材时应根据吊装的重量、长度、形状等要素来选择合适的材质。
2. 设计图纸在制作钢吊车梁前,需要进行详细的设计和计算,绘制出详细的图纸。
设计的要素包括吊车梁的结构、形状、尺寸等。
在设计过程中,必须考虑到吊车梁在使用中的内力和外力,以尽可能地确保吊车梁的安全和稳定。
3. 制作钢吊车梁制作的过程中需要进行多次加工和组装,具体包括以下几个步骤:(1)剪切:将选好的钢材按照设计要求进行剪切。
常见的工具有电动剪切机、火焰切割机等。
(2)缝焊:将剪切好的钢材进行缝焊。
缝焊的质量直接关系到钢吊车梁的安全性和承受能力。
在缝焊时应遵循相关的技术规范,具体内容包括焊接的位置、焊缝的间距、焊接的速度、温度及其他相关因素。
(3)组装:将缝焊好的钢材组装成吊车梁的形态。
在组装时,需要注意各组部位之间的间隙和相互连接的方式,以确保组装的牢固和稳定。
(4)热处理:在完成组装后需要进行热处理。
热处理的目的是使组装好的钢吊车梁的结构更加牢固和耐用。
热处理的过程中会使钢材内部的晶格结构进行变化,促使其结构更加均匀和密实。
(5)表面处理:热处理完成后,需要进行表面处理。
表面处理的目的是防止钢吊车梁在使用中出现腐蚀。
可选择喷涂防腐漆等方式。
4. 检测在制作完成后,需要进行严格的检测来确保钢吊车梁的质量和性能。
常见的检测项目包括外观检查、尺寸测量、材质测试等。
通过检测,排除制造过程中的缺陷,确保钢吊车梁的质量安全。
总结钢吊车梁制作需要进行详细的设计和计算,选定材料、实现剪切、缝焊、组装、热处理和表面处理等环节,要求钢吊车梁经过严格检测,从而确保其质量和性能。
吊车梁制作工艺1、吊车梁制作工艺:1.1、工艺流程:焊接工艺评定→腹板排版定尺→下料→切割→翼板、腹板接料→矫平探伤→组焊H型钢→矫直→端头加工→搭设整体组装胎具→零件组装焊接→调整→涂装1.2、技术要点1.2.1、号料切割:吊车梁的翼板、部分腹板、筋板及钢柱的腹板、翼板使用多头数控切割机进行切割,其允许偏差±1.5mm。
其余零部件采用裁条机切割,其允许偏差为±2mm。
腹板、翼板的接口形式及连接坡口按图施工。
需刨光顶紧的板材预留3mm加工余量。
1.2.2、吊车梁上、下翼缘板在跨中1/3范围内,应尽量避免拼接。
上、下翼缘板及腹板的拼接,应采用加引弧板(其厚度和坡口与主材相同)的对接焊缝,并保证焊透,三者的对接焊缝不应设置在同一截面上,应相互错开200mm以上。
与加劲肋亦应错开200mm以上1.2.3、吊车梁上翼缘板与腹板的T形连接焊缝,必须焊透。
1.2.4、吊车梁上、下翼缘与腹板的连接焊缝,应采用自动焊或半自动焊接。
1.3一般焊缝质量等级要求:1.3.1、吊车梁下翼缘拼接焊缝质量为一级;1.3.2、吊车梁上翼缘板与腹板间的角焊缝为全熔透一级焊缝;1.3.3、除(1)、(2)项以外焊缝质量均为二级。
1.4吊车梁的角焊缝表面,应做成直线形或凹形,焊接中应避免咬肉和弧坑等缺陷,焊接加劲肋的直角焊缝的始末端,应采用回焊等措施避免弧坑,回焊长度不小于三倍直角焊缝尺寸。
跨中1/3范围内的加劲肋靠近下翼缘的直角焊缝末端,必须避免弧坑和咬肉情况的发生。
1.5、吊车梁上翼缘板对接焊缝的上表面、下翼缘板对接焊缝的上下表面及所有引弧板割去处,均应用机械加工,一般可用砂轮修磨使之与主体金属平整。
1.6、吊车梁支座加劲肋的下端应刨平,在与梁焊接时,必须保证加劲板与腹板的垂直度和加劲板下端刨平的水平度。
平板式支座(下翼缘板伸过支座中心)的加劲板下端应刨平与下翼缘板顶紧后焊接;梁下支座处的窄垫板应与下翼缘板夹紧后焊接。
钢吊车梁制作钢用车梁为厂房内承受和传递天车动力荷载的主要受力构件。
其制作特点是:截面较大,由多块钢板和零件组合而成,焊接工作量大,变形较难控制,尺寸精度要求高,质量要求严,制作难度大。
本工艺标准适用于工业厂房建筑钢吊车梁的制作工程。
一、材料要求1、钢材:多采用16Mn或Q235钢,要求抗拉强度、伸长率、屈服点、冷弯、冲击韧性等五项机械性能合格,此外尚应控制化学成分中碳、硫、磷的极限含量,所用钢材必须有材质合格证明书。
2、焊条、螺栓、涂料等材料要求与“13.1钢柱制作’湘同。
二、主要机具设备主要机具设备与“13.1钢柱制作”相同。
三、作业条件作业条件与“13.1钢柱制作”相同。
四、施工操作工艺(一)制作工艺流程原材料矫正→放样、号料→下料(剪切和气割)→零件平直除渣→刨边、钻孔→半成品分类堆放,清理坡口油、锈→钢板接料→焊接→超声波或X光探伤→矫平→工型部件拼装→船位焊→焊缝检查、T型接头超声探伤→工型翼缘板矫正→梁总组装→焊接→焊缝检查→矫正→成品钻孔→摩擦面处理→检查几何尺寸→除锈→油漆→成品出厂。
(二)下料1、下料时,要绘制排板图。
上、下翼板接板应避免在三分之一跨中处。
上、下翼板及腹板接板应相互错开200mm以上,与加劲板的位置亦应错开200mm以上。
2、下料时,须根据不同情况考虑留有切割加工余量和焊接火爆后收缩余量。
吊车架两端支承板(刀板)在刨平下端时,亦应预留加工余量和焊接收缩余量。
3、吊车梁的上、下翼板的下料切割,必须采用自动或半自动切割机切割,切割边必须整齐。
为保证切割边能连续切割,应采用双瓶供氧气切割工艺。
个别处出现缺欠要修磨。
4、钢吊车架承受动荷载较大,梁腹板下料拼接时,必须考虑预起拱,根据实践,12m钢吊车架起拱值宜为5~10mm;24m钢吊车架起拱值为15~20mm。
(三)组装1、组装前必须将接料工作进行完毕,并应经无损探伤检查合格。
2、实腹梁的工型拼装,可采用马凳和活动夹具,用小型千斤顶调位找正(图a)。
钢吊车梁制作安装施工方案
在钢结构施工中,钢吊车梁的制作和安装是至关重要的环节。
本文将从钢吊车梁的设计、制作及安装施工方案等方面进行详细阐述。
一、钢吊车梁设计
1.1 材料选择
首先,钢吊车梁的设计应符合相应的国家标准和规范。
在选材过程中,应根据承重要求选择优质的钢材,并确保质量可靠。
1.2 结构设计
钢吊车梁的结构设计应迎合实际工程需求,包括梁的长度、截面形状、连接方式等,确保其符合承载要求并有良好的稳定性。
二、钢吊车梁制作
2.1 工艺流程
钢吊车梁的制作过程主要包括选材、切割、焊接、表面处理等环节。
在制作过程中,要严格按照设计要求进行操作,确保制作的钢梁符合相关标准。
2.2 质量控制
在制作过程中应进行质量控制,包括检测材料质量、焊接工艺检验、尺寸精度检测等,确保制作出的钢吊车梁质量可靠。
三、钢吊车梁安装施工
3.1 安装前准备
在施工前,需要进行施工现场勘察、材料准备、安全防护等工作,并制定详细的安装计划。
3.2 施工步骤
钢吊车梁的安装一般分为吊装、定位、连接等步骤,施工过程中应按照安装顺序进行,确保安装的安全性和稳定性。
3.3 安装验收
安装完成后,需要进行验收工作,包括检查梁的安装质量、连接牢固性等,确保钢吊车梁能够正常使用。
四、总结
通过对钢吊车梁的设计、制作和安装施工方案的详细介绍,可以有效指导相关工程人员在实际工程中的操作,确保钢结构施工质量和安全性。
希望本文对您有所帮助。
A.选料
B.矫直
C.下料,开坡口
一、下翼缘下料长度L的计算:
1.T型接头焊缝纵向收缩量:
△L=0.052*FH*L*1.15/F=0.052*100*18000*1.15/(400*25+1950*16)=2.61(mm/m)
18m长的下翼缘共收缩18*2.61=46.98≈47(mm)下料长度=17960+2.61*18=18006(mm) 2.起拱的影响:
假设起拱f=1/1000(规范的具体要求记不大清了,暂用1/1000代替)则吊车梁成型后应起拱
f=18000/1000=18≈20mm
由此计算出拱弧长为18006.06≈18006(mm)
3.结论:
由以上1、2点可知下翼缘下料长度L=18006(mm).
二、腹板下料计算
1.考虑到吊车梁成型后有1/1000的扰度,则腹板下料时应有约20mm的矢高;
2.考虑到吊车梁的焊接顺序为1→2→3(见焊接顺序图),当焊接1焊缝时,下翼缘与腹板组成的T型截面将产生弯曲(弯曲方向指向腹板,但产生的弯曲究竟有多大一直没有理论计
算依据,我想该理论应该是有的,请好心的朋友帮忙找一下;此处暂估40mm);
3.结论:
由以上1、2点可知腹板下料时应切成弧线,其矢高为40-20=20mm(弯曲方向指向翼缘). 三、上翼缘下料计算
按平直板下料,下料长度为17960mm.
D.喷砂
E.涂装(刷一道底漆,留下焊接边不刷)
F.焊接
按照先焊下翼缘再焊上翼缘最后焊加劲肋的顺序焊接.即先将上下翼缘按焊接顺序图2顺序将上下翼缘与腹板全部焊好再焊加劲肋.
G.涂装(留下最后一道面漆不刷)
H.发运
I.涂装(刷最后一道面漆)
J.吊装。
大型吊车梁制作工艺首先,材料准备是制作大型吊车梁的重要一环。
大型吊车梁常用的材料主要有钢板、钢管和焊接材料。
在材料准备阶段,需要对所需材料进行材质检验以及尺寸检查,确保材料的质量和尺寸精度满足设计要求。
其次,零部件制作是大型吊车梁制作的核心环节。
在零部件制作过程中,需要进行焊接、切割、冲压、钻孔等工艺。
首先,钢板和钢管根据设计要求进行切割。
然后,使用焊接工艺将不同的零部件焊接在一起,形成大型吊车梁的主要骨架。
随后,通过冲压和钻孔等工艺对骨架进行加工,制作各个部件。
在零部件制作的过程中,需要注意对焊接接头的质量进行检查,确保焊接接头牢固可靠。
接下来是组装阶段。
在组装过程中,将零部件按照设计要求进行组装,并使用螺栓等连接件将各个零部件连接在一起。
大型吊车梁的组装需要精确控制各个零部件的位置和角度,以确保整体结构的稳定性和承载能力。
同时,在组装过程中需要进行测量和调整,以保证吊车梁的几何形状和吊装能力满足设计要求。
最后是检验阶段。
制造完成后,需要对大型吊车梁进行全面的检验。
首先,对各个焊接接头进行无损检测,以确保焊接接头的质量满足要求。
此外,还需要进行吊装试验,测试吊装能力和稳定性。
同时,对吊车梁的尺寸、外观、表面质量等进行检查,以确保吊车梁的整体质量和外观满足要求。
总结起来,大型吊车梁的制作工艺包括材料准备、零部件制作、组装和检验等环节。
通过精确的工艺控制和全面的检验,可以制造出高质量和稳定可靠的大型吊车梁,满足各个工程项目的需要。
5.3.4大型吊车梁的工艺在本工程中,吊车梁的制作是难点之一,在工业厂房中,钢吊车梁主要承受桥式行车的轮压,在交变荷载的作用下,吊车梁极易发生疲劳破坏,因此,吊车梁腹板与上翼板之间要求全熔透。
吊车梁的主体材料为Q345-C,焊接性比较良好,在焊接工艺上,将采用先进的埋弧焊不清根工艺,焊缝等级按一级;在铳平工艺上,将主要依靠先进的铳削设备,吊车梁的腹板及加劲板等的刨边将利用12m铳边机进行铳削加工。
吊车梁结构形式如下图所示:另外由于本工程采用的吊车梁大部分高度为3m,该高度超过了 H型钢流水线的作业要求。
需要在工厂设置吊车梁加工制作专用组立胎架和焊接胎架。
上理吊车,............................... ... ... ...............................................................................5.3.4.1大型吊车梁制作的工艺流程5.3.4.2大型吊车梁关键技术焊接H钢的组立采用H钢组立机及人工胎架组立两种方式;翼板宽度 90-800mm,腹板高度300-1500 mm的可采用H型钢流水线进行制作,其余部分可设置专用胎具组立。
腹板采用数控下料,起拱值预先在切割程序中设定好。
采用刨边机进行上翼缘坡口加工,预留2mm钝边。
由于上翼缘为熔透焊缝,并且有加固板,因此,上翼缘的焊接填充量比下翼缘大得多,根据经验,腹板下料时,比设计多预设5mm的起拱量,以弥补焊接收缩不平衡;但是本工程的吊车梁上翼缘比下翼缘宽,上翼缘的收缩趋势比下翼缘小,以上两方面综合,最后梁的起拱度仍按照设计进行。
1、腹板的下料与坡口加工一方面,与上翼缘的连接焊缝为熔透焊缝,焊缝金属填充量比下翼缘大,因此,焊接收缩使钢梁反向弯曲;另一方面,上翼缘板比下翼缘板厚度大,宽度大,在接受同样热量的情况下,下翼缘的收缩比上翼缘大;两个方面可以有一个相互抵消的趋势。
编制者:周志刚201003050117前言:工字钢也称钢梁(英文名称 I Beam),是截面为工字形的长条钢材。
工字钢分普通工字钢和轻型工字钢,H形钢三种。
工字钢广泛用于各种建筑结构、桥梁、车辆、支架、机械等。
工字钢普通工字钢和轻型工字钢的翼缘由根部向边上逐渐变薄的,有一定的角度,工字钢结构示意图普通工字钢和轻型工字钢的型号是用其腰高厘米数的阿拉伯数字来表示,腹板、翼缘厚度和翼缘宽度不同其规格以腰高( h)×腿宽(b)×腰厚(d)的毫数表示,如“普工160×88×6”,即表示腰高为160毫米,腿宽为88毫米,腰厚为6毫米的普通工字钢。
/“轻工160×81×5”,即表示腰高为160毫米,腿宽为81毫米,腰厚为5毫米的轻型工字钢。
普通工字钢的规格也可用型号表示,型号表示腰高的厘米数,如普工16#。
腰高相同的工字钢,如有几种不同的腿宽和腰厚,需在型号右边加a b c 予以区别,如普工32a# 32b# 32c#等。
热轧普通工字钢的规格为10-63#。
经供需双方协议供应的热轧普通工字钢规格为12-55#。
吊车梁工字钢焊接制作工艺1、工程概论1.1材料:1.1.1划线、号料前首先根据料单检查清点样板与样杆。
按号料要求整理好样板。
1.1.2号料的钢材必须摆平放稳,不得弯曲。
为方便摊料,两根型钢之间要留有10mm以上的间距,以便于划线。
1.1.3不同规格、不同钢号的零件分别号料。
1.1.4钢板的剪切线、气割线必弹直,弹线时注意风的影响,粉线要拉紧。
弹好的线可用样板进行复量,两端与中间的宽度应一致。
1.1.5矩形板板号料,重点检查原材料钢板两边是否垂直,如果不垂直则要划好垂直线后再号料。
1.1.6钢板长度不够需要电焊接长时,在接缝处必须注明坡口形状及大小,在焊接矫正后再划线。
焊拼接口加装同等材质、角度坡口引弧板,焊后切割打磨干净,严禁击落。
1.1.7工字钢和H型钢划线时,可用特制的卡板在两端划出工字钢或H型钢上下翼缘及腹板的中心点,有粉线弹出中心线,把样杆放在腹板中心线旁划出相应长度再用样板和卡板划端头。
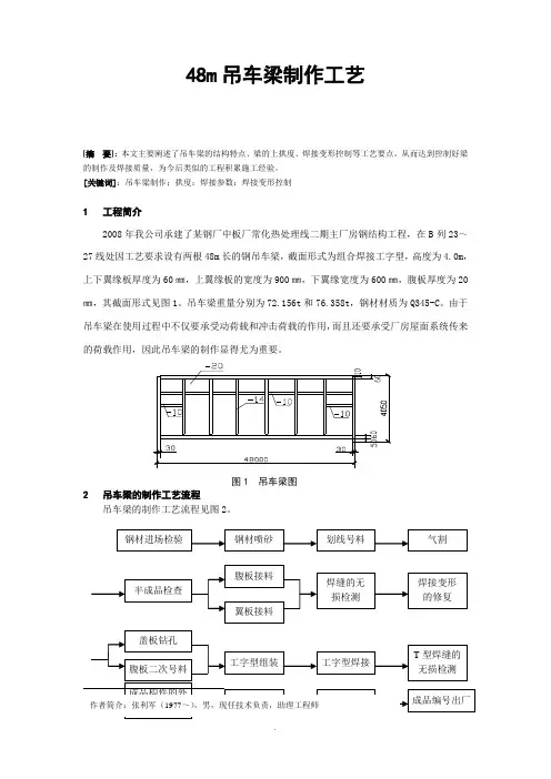
48m吊车梁制作工艺[摘要]:本文主要阐述了吊车梁的结构特点、梁的上拱度、焊接变形控制等工艺要点,从而达到控制好梁的制作及焊接质量,为今后类似的工程积累施工经验。
[关键词]:吊车梁制作;拱度;焊接参数;焊接变形控制1 工程简介2008年我公司承建了某钢厂中板厂常化热处理线二期主厂房钢结构工程,在B列23~27线处因工艺要求设有两根48m长的钢吊车梁,截面形式为组合焊接工字型,高度为4.0m,上下翼缘板厚度为60㎜,上翼缘板的宽度为900㎜,下翼缘宽度为600㎜,腹板厚度为20㎜,其截面形式见图1。
吊车梁重量分别为72.156t和76.358t,钢材材质为Q345-C。
由于吊车梁在使用过程中不仅要承受动荷载和冲击荷载的作用,而且还要承受厂房屋面系统传来的荷载作用,因此吊车梁的制作显得尤为重要。
图1 吊车梁图2 吊车梁的制作工艺流程吊车梁的制作工艺流程见图2。
图2 吊车梁制作工艺流程3 吊车梁的特点此次制作的吊车梁与我公司以前施工的吊车梁比较有如下特点:3.1 材质不一样,以前施工的吊车梁材质大多数为Q345-B ,而此次施工的吊车梁材质为Q345-C ,因此必须制定合理的焊接工艺参数来保证吊车梁的焊接质量。
3.2 盖板的厚度为60㎜,厚度较厚,给施工带来极大难度,由于焊接量加大,焊接变形及质量的控制带来诸多难点。
3.3 吊车梁高度为4m ,重为76t 。
吊车梁较重,而我公司现场实际的生产能力及施工设备的加工能力有限。
基于以上3条特点,在施工中根据以往的施工经验,结合现场实际,抓住重要的难点施工部位进行讨论、研究和试验,制定了切实可行的吊车梁制作工艺,从而确定了吊车梁制作工艺的要点。
4 吊车梁的制作要点4.1 吊车梁拱度的确定设计要求吊车梁中间最高处要求上拱25㎜,全长以抛物线变化,影响吊车梁拱度的因素很多,主要是吊车梁自重、起吊荷载、屋面系统传来的荷载、装配顺序、焊接顺序及方法以及现场总体的装配精度。
实腹式工字型大型吊车梁制造工法摘要:本文将介绍实腹式工字型大型吊车梁的制造工法。
文章以概述大型吊车梁的概念和作用,详细描述了实腹式工字型大型吊车梁制造的步骤和工艺流程,并对梁体结构的质量控制和检验进行了说明。
实腹式工字型大型吊车梁制造工法具有较高的安全性能、稳定性和耐久性,适用于各种大型工程和建筑项目。
1. 引言实腹式工字型大型吊车梁是现代建筑和工程项目中广泛使用的一种承载结构,它可以用于起重吊装大型重物和物料。
其制造工艺的良好控制对确保梁体结构的安全性和可靠性至关重要。
2. 实腹式工字型大型吊车梁制造工法的概述实腹式工字型大型吊车梁制造工法是一种将多种材料进行着装、焊接和组装的过程,以制造出具有强度和稳定性的梁体结构。
该方法采用了先进的工艺和设备,以确保梁体制造的高质量和高效率。
3. 实腹式工字型大型吊车梁制造的步骤和工艺流程3.1 材料准备制造实腹式工字型大型吊车梁需要各种材料,包括钢板、钢管和焊接材料。
这些材料需要经过精确的尺寸测量和筛选,以确保制造出的梁体具有所需的材料性能和尺寸准确性。
3.2 切割和成形根据设计要求,将准备好的钢板进行切割和成形,以制造出梁体的截面形状。
切割和成形的精确性对于确保梁体结构的稳定性和准确性至关重要。
3.3 焊接和连接将切割和成形好的钢板进行焊接和连接,以形成梁体的整体结构。
焊接过程需要严格控制焊接温度和焊接质量,以确保焊缝的强度和可靠性。
3.4 表面处理对焊接完成的梁体进行表面处理,包括除锈和涂漆等,以提高梁体的防腐性能和外观质量。
4. 实腹式工字型大型吊车梁制造的质量控制和检验实腹式工字型大型吊车梁制造过程中需要进行严格的质量控制和检验,以确保梁体的质量和安全性能。
质量控制工作包括材料的质量检查、焊接的质量控制和梁体结构的尺寸测量等。
5. 结论实腹式工字型大型吊车梁制造工法是一种高效、安全和可靠的方法,适用于各种大型工程和建筑项目。
通过严格的质量控制和检验,可以确保制造出的梁体具有良好的结构稳定性和安全性能。
钢吊车梁的制作钢吊车梁为工业厂房内承受和传递天车动力荷载的主要受力构件。
其特点是截面尺寸较大,组合零件较多,焊接工作量大,容易产生焊接变形。
1 制作工艺流程生产准备→原材料矫正→放样→号料→剪、冲、据、气割→零件平直→刨边→制孔(冲、钻)→半成品库分类堆放→接板→超声波探伤→矫正→拼装→埋弧焊→焊缝检查→矫正→总装配→焊接→焊缝检查→矫正→成品钻孔→摩擦面处理→尺寸检查→除锈→涂装→成品堆放2 放样在样台上1:1的比例放出大样,制作样板和样杆,作为下料、铣刨和制孔等加工的依据。
放样前应与土建施工部门核对钢尺,放样与号料时,应根据工艺要求预放焊接收缩余量及切割、刨边和铣平等加工余量。
3 配料根据来料尺寸和用料要求,统筹安排合理配料,并绘制排版图。
4 下料(1)用自动切割机或半自动切割机以及剪板机下料,用半自动切割或割矩手工切割时,需搭设切割平台。
(2)根据材料的实际需要安排拼接,确定拼接位置。
并预留焊接收缩量及二次加工余量。
(3)焊接吊车梁的翼、腹板拼接缝应尽量避免在同一断面处,上下翼缘板拼接位置应与腹板拼接位置错开200mm以上。
翼缘板拼接长度不应小于2倍板宽;腹板拼接宽度不应小于300mm,长度不应小于600mm。
5 制作工艺(1)刨边设计中要求的焊接剖口,用刨边机、半自动割进行加工。
对半自动切割加工的剖口要用磨光机进行修整。
刨边时要注意剖口角度及深度尺寸要求,保证其切割准确。
(2)制孔制孔的方法有冲孔和钻孔两种。
冲孔在冲孔机上进行,钻孔在钻床上进行。
对于铆接构件,为使板束的孔眼一致和孔壁光滑,有时先在零件中冲成或钻成较小的孔,待结构装配后,再将孔扩钻到设计孔径。
对于孔群位置要求严格的构件,可先制成钻模,而后将钻模覆在零件上进行钻孔。
为提高钻孔效率,可采用迭钻和多轴钻的钻孔方法。
(3)摩擦面处理高强螺栓连接板摩擦面要进行喷砂或抛丸处理,要保证图纸要求的摩擦因数。
6 拼装工艺(1)拼装应在拼装平台上进行(见图5-1)拼装平台的模胎应测平,并加以固定,以保证构件组装的精确度。
大型钢吊车梁的制作工艺一、吊车梁的基本结构吊车梁是由上翼板、下翼板、腹板、薄板、端头板组成,它的俯视和正视均为“一”字型,断面为“工”字型制作特点,(1)部件下料几何尺寸严格,边沿整齐。
(2)组对尺寸水平度、垂直度、精确度要求严格、准确。
(3)焊接量大,自身质量大,翻转移位困难。
(4)焊接工艺复杂,变形不易控制。
(5)制作场地放样平台需平整。
(6)吊车梁组拼时,不能在翼板、腹板上任意打火与焊接临时部件,腹板与翼板采用K 形焊缝,均要求坡口焊透,焊缝质量二级。
因以上特点这给大型吊车梁的制作带来更大的困难。
二、钢吊车梁的单元划分1 、由于钢梁的板厚,长度大,部件数量多,但尺寸统一,适合大批量板件进行流水线生产。
确定其板件尺寸,绘制排版图,进行钢板定尺,统一下料,大大减少损耗量,工作工期,提高了流水线工作胎架的利用率,工位数也降低了。
我们把吊车梁划分为5个单元,上、下翼板单元,腹板单元,支座板单元,加筋板单元。
2 、单元制造流水线钢吊车梁分解后的单元件按类型设置生产流水线,单元件制造工序为:材料预处理——划线——下料——拼接——焊接——矫正——存放。
3 、单元件制造中的应用技术火焰半自动切割及无余量下料单元件的零件在火焰切割机上切割时,将焊接收缩量及切割缝量等要考虑到,使切割好的零件制作成后无余量成品。
切割几何尺寸=施工图几何尺寸+焊接收缩量+切割缝余量,无余量下料就是将零件一次下料后,经过单元件装焊矫正后,到钢梁拼装施工焊后,其零件经过多次冷热处理,最终零件尺寸的变化正好是施工完后的所需尺寸,这样零件不需二次切割加工,既节约钢材又节省大量劳动力。
一般情况下,火焰自动切割余量为1~2mm。
而H 型钢的组对焊接,与筋板的多少,翼、腹板的厚度等情况而定,如某条天车梁48mm 的翼板,28mm 腹板,筋板为共10 对20 块,经过试验与实践操作,焊接收缩余量在10 mm~15 mm 左右。
断面高h=1200mm>1000mm,四条纵焊缝每米共缩0.2mm,焊透梁高收缩1.0mm,每对加劲焊缝。
本工程为宁钢新技术烧结主厂房钢结构工程,其中1-18线、19-21线A-D轴有吊车梁设计,材质均为Q235B。
1-6线吊车梁梁顶标高+32.870m,吊车梁截面高1800mm,截面规格为BH1800*600(500)*16*25,其中11m跨(端跨)计2件、15m 跨计4件(其中端跨2件)、15.5m跨计4件,最大吊车梁重计约为7.4吨。
7-18线吊车梁梁顶标高+32.870m,吊车梁截面高1200mm,截面规格为BH1200*350(250)*12*25,其中7.8m跨(端跨)计2件,8m跨计18件,9m跨(端跨)计2件,最大吊车梁重计约为2.3吨。
19-21线A-D轴吊车梁梁顶标高44.38m,其中截面BH600*400*(300)*10*16计4件,截面BH900*550*(450)*12*20计1件,跨度18.5m跨,重量约计4.6吨。
2、执行标准2.1《钢结构工程施工质量验收规范》GB50205-2001。
2.2《高层民用建筑钢结构技术规程》JGJ99-1998。
2.3《建筑钢结构焊接技术规程》JGJ 81-2002。
2.4《焊缝符号表示方法》GB324—2008。
2.5《埋弧焊的推荐坡口》GB/T985.2-20082.6《气焊、焊条电弧焊、气体保护焊和高能束焊的推荐坡口》GB/T985.1-20084.1下料4.1.1吊车梁长度>12m时需要起拱,起拱度1/1000,要求腹板下料按起拱值要求在数控切割机上切割。
4.1.2焊接H型钢的翼缘板与腹板的接口应相互错开200mm以上,且翼缘板尽量避免设置在一个平面。
吊车梁的拼接,尽量避免在跨中1/3范围内设置。
主材宽度切割允许偏差±1㎜,长度方向预留30~40mm 荒料。
拼接长度;腹板最短不得小于600㎜,翼缘板最短不得小于宽度的2倍。
4.1.3材料的平面度超出允许偏差时,应进行矫平,矫平后的材料应符合表4.1.3-1。
表4.1.3-1 钢材矫正后的允许偏差4.2 制孔3.2.1零件的制孔,首选数控钻床,在钻制前,应将零件表面的氧化铁打磨干净,钢板必须进行平直,并根据图纸确定基准边,以基准边开始钻制。
浅谈某项目大截面吊车梁现场焊接制作工艺发布时间:2023-01-10T02:28:41.012Z 来源:《中国建设信息化》2022年第16期8月作者:陶学成张峰[导读] 背景情况:钢铁类行业的特殊性,钢厂的厂房内桁车吨位一般高达100t以上,陶学成张峰长江精工钢结构(集团)股份有限公司,安徽六安 237161 [摘要]背景情况:钢铁类行业的特殊性,钢厂的厂房内桁车吨位一般高达100t以上,且设计的厂房吊车梁跨度大,所以吊车梁截面大,自重高。
针对某钢厂铸造车间常见的超长超重超高吊车梁的加工制作,以国内某钢厂金属材料有限公司中厚板连铸项目为例,浅淡一下大截面吊车梁的制作工艺.本工艺主要通过将超长吊车梁分成三个分段单元在现场,利用组焊胎架进行焊接加工制作,栓焊连接成整体。
加工构件质量检测结果表明,构件质量符合规范要求,可为今后类似的工程大截面钢构件现场的加工焊接提供借鉴和参考。
[关键词]吊车梁大截面现场焊接工艺分段拼焊胎架0 引言某金属材料有限公司3500mm中厚板轧机工程位于六安市霍邱县马店镇,本项目钢结构吊车梁截面尺寸大,跨度最大的长达49.0m长,最小的也有37.0m长度,整个厂房的该类型的吊车梁基本沿着厂房的长度方向满布,因此对该类构件的加工方面有着极大的难度和要求。
本项目吊车梁主要为H型截面,截面尺寸:2段H4200*800/550*18*60*40(51t)、10段H5200*800/550*22*60*40(87t) 1、因宽度过宽、长度过长,针对36米长吊车梁,分2段发现场,一段24m(重量约34T)、另一段12m(重量约17T);48米长吊车梁,分3段发现场,每段长度均为16m(每段重量约29T)具体分段见下图:焊接要求:对接焊缝达到一级焊缝要求,且100%超声波检测合格,翼缘板与腹板T形焊缝达到二级焊缝要求,且20%超声波检测合格;1 大型吊车梁现场焊接技术1.1 起拱量要求36m吊车梁及48m吊车梁起拱量如下图所示:1.2 拼焊胎架、吊车梁标高及水平调整为保证焊接质量,需对拼焊胎架及吊车梁的水平标高进行校正、调整,现场投入若干厚度为6mm、8mm、12mm 的钢板,在拼焊胎架底部垫入一定量的钢板,经测量仪器测量后,使得拼焊胎架保持水平。
吊车梁制作工艺1、吊车梁制作工艺:1.1、工艺流程:焊接工艺评定→腹板排版定尺→下料→切割→翼板、腹板接料→矫平探伤→组焊H型钢→矫直→端头加工→搭设整体组装胎具→零件组装焊接→调整→涂装1.2、技术要点1.2.1、号料切割:吊车梁的翼板、部分腹板、筋板及钢柱的腹板、翼板使用多头数控切割机进行切割,其允许偏差±1.5mm。
其余零部件采用裁条机切割,其允许偏差为±2mm。
腹板、翼板的接口形式及连接坡口按图施工。
需刨光顶紧的板材预留3mm加工余量。
1.2.2、吊车梁上、下翼缘板在跨中1/3范围内,应尽量避免拼接。
上、下翼缘板及腹板的拼接,应采用加引弧板(其厚度和坡口与主材相同)的对接焊缝,并保证焊透,三者的对接焊缝不应设置在同一截面上,应相互错开200mm以上。
与加劲肋亦应错开200mm以上1.2.3、吊车梁上翼缘板与腹板的T形连接焊缝,必须焊透。
1.2.4、吊车梁上、下翼缘与腹板的连接焊缝,应采用自动焊或半自动焊接。
1.3一般焊缝质量等级要求:1.3.1、吊车梁下翼缘拼接焊缝质量为一级;1.3.2、吊车梁上翼缘板与腹板间的角焊缝为全熔透一级焊缝;1.3.3、除(1)、(2)项以外焊缝质量均为二级。
1.4吊车梁的角焊缝表面,应做成直线形或凹形,焊接中应避免咬肉和弧坑等缺陷,焊接加劲肋的直角焊缝的始末端,应采用回焊等措施避免弧坑,回焊长度不小于三倍直角焊缝尺寸。
跨中1/3范围内的加劲肋靠近下翼缘的直角焊缝末端,必须避免弧坑和咬肉情况的发生。
1.5、吊车梁上翼缘板对接焊缝的上表面、下翼缘板对接焊缝的上下表面及所有引弧板割去处,均应用机械加工,一般可用砂轮修磨使之与主体金属平整。
1.6、吊车梁支座加劲肋的下端应刨平,在与梁焊接时,必须保证加劲板与腹板的垂直度和加劲板下端刨平的水平度。
平板式支座(下翼缘板伸过支座中心)的加劲板下端应刨平与下翼缘板顶紧后焊接;梁下支座处的窄垫板应与下翼缘板夹紧后焊接。
1.7、吊车梁的下翼缘板(受拉),不得焊接悬挂设备的零件,禁止在其上打火或焊接夹具。
2、吊车梁的制作过程2.1号料2.1.1划线、号料前首先根据料单检查清点样板与样杆。
按号料要求整理好样板。
2.1.2号料的钢材必须摆平放稳,不得弯曲。
为方便摊料,两根型钢之间要留有10mm以上的间距,以便于划线。
2.1.3不同规格、不同钢号的零件分别号料。
2.1.4钢板的剪切线、气割线必弹直,弹线时注意风的影响,粉线要拉紧。
弹好的线可用样板进行复量,两端与中间的宽度应一致。
2.1.5矩形板板号料,重点检查原材料钢板两边是否垂直,如果不垂直则要划好垂直线后再号料。
2.1.6钢板长度不够需要电焊接长时,在接缝处必须注明坡口形状及大小,在焊接矫正后再划线。
焊拼接口加装同等材质、角度坡口引弧板,焊后切割打磨干净,严禁击落。
2.1.7工字钢和H型钢划线时,可用特制的卡板在两端划出工字钢或H型钢上下翼缘及腹板的中心点,有粉线弹出中心线,把样杆放在腹板中心线旁划出相应长度再用样板和卡板划端头。
附:号料允许偏差:2.2、切割2.2.1下料划线后的钢材,必须按其所需的形状和尺寸进行下料切割。
2.2.2切割方法有:2.2.2.1机械切割包括:剪切机、锯割机、砂轮切割机等机械设备。
2.2.2.3气割:气割常采用氧—乙炔进行。
工程吊车梁翼腹板腹板、翼板以及焊接坡口均采用数控设备切割或自动切割;该制动板节点板、水平支撑节点板采用剪切。
附:切割允许偏差:2.3、制孔2.3.1制孔通常有钻孔和冲孔两种。
针对本工程特点,采用划线钻孔和钻模钻孔。
2.3.2划线钻孔:钻孔前先在构件上划出孔的中心和直径,在孔的圆周上(90度位置)打四只冲眼,作钻孔后检查用。
少量钻孔将采用此法。
2.3.3钻模钻孔:适用于批量大、孔距要求较高时采用。
2.4、组装2.4.1组装前准备2.4.1.1 翼、腹板装配区域用砂轮打磨去除其氧化层,区域范围是装配接缝两侧30~50mm内。
2.4.1.2 H胎模调整,根据H断面尺寸分别调整其纵向腹板定位工字钢水平高差,使其符合施工图要求尺寸。
2.4.1.3 在翼板上分别标志出腹板定位基准线,便于组装时核查。
2.4.2组装方法:先把腹板平放在胎模上(见下图1、2),然后,分别把翼缘竖放在靠模架上,先用夹具固定好一块翼缘板,再从另一块翼缘板的水平方向,增加从外向里的推力,直至翼腹板紧密贴紧为止.最后用90度尺测其二板组合垂直度,当符合标准即用电焊定位(见图3)。
一般装配顺序从中心向二面组装或由一端向另一端组装,这种装配顺序是为了减少其装配产生内应力。
并增加其工艺撑杆,来防止其角变形产生(见图4)。
4、纵向腹板定位工字梁。
5、翼缘板夹紧工具组成2.5、吊车梁加劲肋技术要求吊车梁横向加劲肋在支座处的横向加劲肋应在腹板两侧成对设置,并与梁上下翼缘刨平顶紧。
中间横向加劲肋的上端应与梁上翼缘刨平顶紧。
在焊接吊车梁中,横向加劲肋(含短加劲肋)不得与受拉翼缘相焊,但可与受压翼缘相焊。
端加劲肋可与梁上下翼缘相焊,中间横向加劲肋的下端宜在距受拉下翼缘60mm处断开,其与腹板的连接焊缝不宜在肋下端起落弧。
焊接梁的横向加劲肋与翼缘板相接处按图纸要求切角。
突缘加劲板的伸出长度按图纸尺寸加工制作。
2.6、焊接吊车梁系统将采用埋弧自动焊。
吊车梁一般采用Q345-C钢,焊丝采用H08A型,并配以相应的焊剂。
制动梁、辅助桁架、下翼缘水平支撑采用Q235B-F。
2.6.1焊接顺序:2.6.1.1拼接焊缝的焊接,先拼接要求横向接口,焊横向收缩量大的焊缝;再拼接纵向接口,焊纵向收缩量小的焊缝;要求全熔透焊缝正面焊完成后,背面用电弧气刨清根,刨到漏出焊缝金属为止,使用磨光机修磨后再进行焊接。
2.6.1.2 H型钢梁或钢柱加劲肋的焊接,先焊筋板与腹板的连接缝,附:焊剂的烘焙要求2.6.2.2.1选择合适的接头型式和尺寸,装配时保证坡口的装配精度要求。
2.6.2.2.2选择合适的焊接条件(电流、电压、速度等)。
2.6.2.2.3保持良好的坡口状态。
(如果焊接时坡口表面有锈、水分、油污等杂质,则在焊接过程中容易产生气孔等缺陷,因此焊前应将坡口表面及其附近进行清理。
)做好每焊一遍进行焊道清理后再焊第二遍。
2.7质量等级及标准:2.7.1质量等级及缺陷分级2.7.2对接焊缝及完全熔透组合焊缝尺寸允许偏差应符合下表的规二级、三级焊缝外观质量标准2.7.4部分焊透组合焊缝和角焊缝外形尺寸允许偏差应符合下表的规3、吊车梁制作缺陷预防控制措施3.1裂纹预防措施3.1.1适当降低焊接速度,对母材预热;3.1.2、进行焊后热处理;3.1.3、降低焊接电流和增加电弧电压,使焊缝宽度和增高同步进行。
3.2咬边预防措施3.2.1、选择适当的焊接速度;3.2.2、仔细安装衬垫板;3.2.3、调节电流、电压,使之配合适当;3.2.4、调节焊丝位置。
3.3焊瘤预防措施3.3.1降低电流;3.3.2增大焊接速度;3.3.3调节电压。
3.4夹渣预防措施3.4.1焊丝距坡口侧的距离至少要大于焊丝直径;3.4.2应使连接处接头厚度和坡口形状与母材相同。
3.5气孔预防措施3.5.1焊接之前对接头和坡口附近进行清理;3.5.2按规定要求烘焙焊剂。
对容易发生以上现象一旦发生要清根、打磨、再补焊,下翼缘板处理不能用气焊切割,补焊后立即打磨,使之与原焊道相同;3.5.3检查焊丝是否有锈蚀;3.5.4焊剂的保存和回收时应避免混入杂质。
3.6吊车梁垂直度、水平度的控制措施钢构件或钢材由于受外力或内应力作用会引起拉伸、压缩、弯曲、扭曲等变形。
因此,在制作过程中,务必严格执行预防钢构件变形措施。
了解变形原因,以便采取合理的矫正措施及方法。
使钢构件垂直度、水平度偏差达到规范要求。
3.7预防吊车梁焊接变形的措施:3.7.1、焊条的材质、性能要与母材相符,均应符合设计要求。
焊条与母材应等强或略高于被焊母材的强度,防止因焊缝金属与母材金属的强度不等,焊后构件产生过大的应力,造成变形。
3.7.2、拼装支承面要保证其水平度,并应符合支承的强度要求不使构件因失稳下坠,造成拼装构件焊势头处弯曲变形。
3.7.3焊接过程中要采用正确的焊接规范,防止在焊缝及热影响区产生过大的受热面积,使焊后产生较大的应力,导致构件变形。
3.7.4焊接时应采取相应的反变形措施:3.7.4.1、焊接较厚的钢板或构件,可采用焊前预热来提高塑性,降低焊接残余应力和变形。
3.7.4.2、采取正确的焊接顺序,对焊接长度较长的构件如H型钢、箱形梁柱、拼接缝等,应采取分段逐步退焊法或跳焊法进行焊接,使构件的焊接处及周围的金属受热,冷却均匀,减少应力和变形。
3.7.4.3、刚性固定法:对塑性较好的低碳钢和低合金钢的焊接构件,焊接时,事先用刚性较大的夹具临时加固,增加刚性后再进行焊接。
3.7.4.4、反变形法:拼装时,可根据施工经验或者以试焊件的变形为依据,使构件预先向焊接变形相反方向作适量变性,以达到消除焊接变形的目的。
3.8焊接变形的治理方法3.8.1构件发生弯曲和扭曲变形超过质量标准时,必须进行处理,以达到规定的质量标准。
治理的主要方法有机械矫正法、火焰矫正法和机械与火焰混合矫正法。
3.8.2构件矫正程序构件变形比较复杂,并具有一定的结构刚度,矫正时应按以下程序进行:3.8.2.1矫正总体变形,后矫正局部变形;3.8.2.2、先矫正主要变形,后矫正次要变形;3.8.2.3、先矫正下部变形,后矫正上部变形;3.8.2.4、先矫正主体结构,后矫正副件。
3.8.3根据我公司实际情况常采用机械矫正法:矫正时采用顶弯机、压力机矫正弯曲构件,也可以利用固定的反力架,液压式千斤顶等小型机械工具矫正构件的变形。
使其垂直度、水平度达到规范要求。
4、焊接技术质量要求4.1、焊接H型钢采用自动焊焊接,焊缝的外观检查及接焊缝的无损检验应符合《钢结构工程施工及验收规范》GB50205-2001规定的二级质量标准。
4.2、翼缘板、腹板的拼接,应采用加弧板(其厚度和坡口与母材相同)的对接焊缝并保证焊透;翼缘板与腹板的对接焊缝应相互错开。
焊缝的外观检查及对接焊缝和有焊透要求的焊缝的无损检验应符合二级质量标准。
4.3、翼缘板、腹板对接焊缝的坡口形式根据板厚和施工条件按GB985-88和GB986-88的规定选用。
4.4、吊车梁下翼缘板在跨中三分之一跨长范围内应避免拼接,上下翼缘及腹板的拼接,应采用加引弧板(其厚度和坡口与主材相同),三者的对接焊缝不应设置在同一截面上,应相互错开200mm以上,与加劲肋亦应错开200mm以上。
4.5、对于腹板纵横两方向的对接焊缝,可采用T形交叉也可采用十字形交叉,对T形交叉接头,其交叉点的距离不得小于200mm。
4.6、吊车梁上翼缘板与腹板的T形连接焊缝,应采用自动焊或半自动焊。