建筑钢结构课程设计任务书
- 格式:doc
- 大小:128.50 KB
- 文档页数:3
钢结构课程设计任务书一、课程设计的目的和任务《钢结构》课程设计是土木工程专业的理论实践课。
本实践课的主要目的和任务是:1、文件资料的查询、收集,并初步学习各相关规范的查找及使用;2、掌握钢屋架荷载的计算;3、掌握杆件内力的计算和组合,杆件的计算长度,截面型式,截面选择及构造要求,填板的设置及节点板的厚度选择;4、掌握普通钢屋架节点设计的原则和要求,主要节点的设计和构造;掌握钢屋架施工图的内容和绘制。
二、课程设计题目和内容1、题目:设计某车间的三角形钢屋架2、设计资料1)某厂房跨度为18m/21m/24m/27m,总长120m,柱距6.0m,屋架下弦标高为15m。
车间柱网布置见图1。
无吊车,无天窗、无振动。
不考虑抗震设防。
2)屋架铰支于钢筋混凝土柱顶,上柱截面400×400,混凝土强度等级为C30。
3)屋面采用形式具体见小组分表,槽钢檩条。
钢材选用Q235B,焊条采用E43型。
4)采用三角形钢屋架,荷载分类情况见附录1,屋架几何尺寸和内力系数情况见附录2。
5)采用三角形钢屋架3、设计内容1)确定屋架形式和几何尺寸内容:确定屋架高度;确定节点间距及腹杆图形;按比例画出屋架单线图。
2)屋架支撑布置包括:上弦横向水平支撑,下弦横向水平支撑,下弦纵向水平支撑,垂直支撑,系杆。
按1:600比例尺画出屋架上弦、下弦支撑布置图及垂直支撑布置图。
3)进行荷载和内力计算:包括计算屋架荷载;计算屋架杆件内力(用图解法或结构力学求解器);4)屋面杆件截面选择。
5)设计节点包括屋脊节点,上下弦拼接节点,上下一般节点,支座节点等4-5个典型节点。
6)完成设计计算书,绘制屋架运送单元施工图。
4、内力计算考虑下面4种情况1) 满载(全跨静荷载加全跨可变荷载)2) 全跨静荷载和半跨可变荷载。
3)恒载+风荷载。
4)全跨屋架自重(包括檩条、支撑等)+半跨屋面板荷载+半跨活荷载。
成果要求1、计进度安排(1周),详见进度表。
2、设计计算书,内容包括:(1)设计资料,设计依据。
钢结构课程设计任务书课程设计题目:梯形钢屋架班级:土木工程设计期限:2014年11月21日~2015年1月12日指导教师:一、课程设计的意义与目的钢结构课程设计是建筑工程专业教学计划中一个重要的实践教学环节,对培养学生的基本技能、提高学生对实际结构工作情况的认识和巩固所学的理论知识有重要作用。
课程设计应达到如下目的:了解钢屋盖设计的一般程序和内容,为毕业后从事实际设计工作奠定基础:巩固钢结构课程中所学内容(例如材料性能及材料的选择,连接设计及计算,基本构件的设计计算等),并应用于课程设计中:掌握钢屋架施工图的表达方法和制图规定:学习书写结构计算书学习运用规范及有关技术资料。
二、设计资料机械厂欲建一金工车间,其平面及柱网布置如图所示,厂房的跨度分别取l8m、21m、24m,长度为54m,柱距6m。
车间内设有两台20/5吨中级工作制吊车。
采用1.5×6m预应力钢筋混凝土大型屋面板和卷材屋面。
梯形屋架,屋架端高分别为1.8m、1.9m、2.0m,屋面坡度为i=1/10,屋架支撑在钢筋混凝土柱上,上柱截面400×400mm,混凝土标号为C25;计算温度最低-20℃.L分别为18m、21m、24m。
柱网布置图1. 屋面做法:W1:二毡三油上铺小石子防水层(0.35 kN/m2)20厚水泥砂浆找平层(0.4 kN/m2)80厚泡沫混凝土保温层(0.5 kN/m2)1.5m×6m钢筋混凝土大型屋面板(1.4 kN/m2)钢屋架及支撑自重:0.12+0.011L (kN/m2)基本雪压0.25kN/m2,屋面活荷载0.30kN/m2,不考虑风荷载,积灰荷载和地震荷载。
W2:二毡三油上铺小石子防水层(0.35 kN/m2)20厚水泥砂浆找平层(0.4 kN/m2)80厚泡沫混凝土保温层(0.5 kN/m2)1.5m×6m钢肋GRC大型屋面板(0.55kN/m2)钢屋架及支撑自重:0.12+0.011L (kN/m2)基本雪压0.40kN/m2,屋面活荷载0.70kN/m2,不考虑风荷载,积灰荷载和地震荷载。
钢结构课程设计任务书
一、设计资料
某一室内独立中型普通工作平台,平面尺寸如下图1所示,采用钢铺面板,钢材为Q235。
楼面活荷载标准值为4kN/m2。
图1 普通工作平台平面图
二、结构布置方案及结构布置形式
依题意并经综合分析比较,平台钢结构平面布置如图2所示。
主梁计算跨度为12m,次梁计算跨度为6.3m,次梁与主梁采用平接方式连接。
已知,主梁自重标准值1.11148KN/m,次梁支座压力标准值5.614KN,作用在主梁上的活荷载标准值30.24KN。
1—1
2—2
三、平台板尺寸
根据平台荷载、构造要求及平面布置情况,平台铺板厚度取为6mm。
平台铺板采用有肋铺板,板格尺寸取为700mm×1200mm,即相邻两次梁中心间距为1200mm,加劲肋中心间距为700mm,此处加劲肋间距参考铺板厚度的100~150倍范围取值。
加劲肋采用扁钢,其高度一般为跨度的1/15~1/12,且不小于
60 mm,厚度不小于高度的1/15及5mm,故扁钢肋板高度80mm,厚度6mm。
四、设计内容
1.试设计平台主梁;
五、提交成果
提交计算书一份!。
《建筑结构设计》课程设计任务书(二)——普通钢屋架设计1.题目:××m跨厂房普通钢屋架设计2.目的通过钢结构课程设计,进一步了解钢结构的结构型式、结构布置、受力特点和构造要求等;综合应用钢结构的材料、连接和基本构件的基本理论、基本知识,进行钢屋架的设计计算。
3.设计资料某厂房跨度为18(21、24)m,总长度90m,柱距6m;厂房内设有两台300/50kN中级工作制桥式吊车,地区计算温度高于-200C,无侵蚀性介质,地震设防烈度为6度;屋架采用梯形钢屋架,屋架下弦标高为18m,两端铰支在钢筋混凝土柱上,混凝土柱上柱截面尺寸为400×400mm,混凝土强度等级为C30,屋面坡度i=L/10,L为屋架跨度;采用1.5×6.0m预应力混凝土屋板,屋架采用的钢材为Q235B,焊条为E43型;屋架形式和几何尺寸如附图所示。
荷载:①屋架及支撑自重:按经验公式g=0.12+0.011L,L为屋架跨度,以m为单位,g为屋架及支撑自重,以KN/m2为单位;②屋面活荷载:施工活荷载标准值为0.7KN/m2,雪荷载的基本雪压标准值为S0=0.35KN/m2,施工活荷载与雪荷载不同时考虑,而是取两者的较大值;积灰荷载根据不同学号按附表取。
③屋面各构造层的荷载标准值:三毡四油(上铺绿豆砂)防水层 0.4KN/m2水泥砂浆找平层 0.4KN/m2保温层 KN/m2(按附表取)一毡二油隔气层 0.05KN/m2水泥砂浆找平层 0.3KN/m2预应力混凝土屋面板 1.45KN/m24.设计任务及要求4.1 完成设计计算书一份(1)设计资料、设计依据(2)选择钢屋架的材料,并明确提出对保证项目的要求;(3)确定屋架形式及几何尺寸,屋架及支撑布置(SC——上弦支撑,XC——下弦支撑,CC——垂直支撑,GG——刚性系杆,LG——柔性支撑);(4)进行荷载汇集、杆件内力计算、内力组合,选择各杆件截面;(5)节点设计:设计一个下弦节点、一个上弦节点、支座节点、屋脊节点及下弦中央节点。
《钢结构》课程设计任务书、指导书(建筑工程专业方向)土木建筑工程系年月42014《钢结构》课程设计任务书、指导书一、设计题目简支梯形钢屋架设计二、设计原始资料1.结构平面布置某地区单层单跨工业厂房机加工车间,屋架跨度及厂房长度90m,柱距6m,屋架下弦标高16.5m。
2.排架结构体系钢筋混凝土柱(混凝土强度等级为C20,上柱截面400×400);钢屋架铰支于柱上;1.5×6.0m预应力钢筋混凝土大型屋面板;1。
?i屋面坡度100。
的吊车,计算温度高于-20C.车间内设有中级工作制、起重量?300KN3.材料4型,手工焊。
钢,焊条为E43钢屋架选用Q235-B.荷载(标准值)52kN/m防水层0.352kN/m0.40砂浆找平层(厚20mm)2)( 保温层 kN/m按附表取2kN/m1预应力钢筋混凝土大型屋面板.344(包括灌缝)2kN/m屋架及支撑自重)(0.12+0.011l2kN/m0.15悬挂管道2kN/m0.50屋面活荷载2)(按附表取屋面积灰荷载kN/m2kN/m雪荷载0.35)见附图(6.钢屋架计算简图及构件几何尺寸示意图三、设计任务.绘制钢屋架结构支撑系统布置简图(包括上弦水平支撑、下弦水平支撑、垂直支撑1。
)及系杆.设计该指定跨度的双坡梯形钢屋架,并绘制安装单元施工图及编制整榀屋架材料表。
2四、主要参考资料2004高等教育出版社,张耀春.钢结构设计原理.北京:1.1991:北京中国建筑工业出版社,钢结构2.欧阳可庆..2002中国建筑工业出版社,钢结构基本原理.北京:.3.沈祖炎、陈扬骥、陈以一,2001建筑钢结构设计.4.王肇民.上海:同济大学出版社5.钢结构设计规范(GB50017-2003)6.钢结构施工质量验收规范(GB50205-2001)7.建筑钢结构焊接规程(JGJ81-2002)8.建筑结构荷载规范(GB50009-2001)9.建筑结构制图标准(GB/T50105-2001)10.房屋建筑制图统一标准(GB/T50001-2001)五、设计计算说明书要求1.设计资料;2.结构平面布置简图、支撑体系简图;3.钢屋架计算简图及几何长度;4.荷载计算、荷载组合、节点荷载及支座反力计算;5.屋架内力计算:(1)单位节点荷载(P=1)作用于左半跨屋架的内力图;(2)利用结构的对称特点,当单位节点荷载(P=1)分别作用于屋架左半跨和右半跨时,可将屋架中相互对称的各杆件内力叠加,得到相当于单位节点荷载(P=1)作用在全跨屋架节点上的内力;(3)考虑三种荷载组合:a、全跨恒载+全跨活载(使用阶段);b、全跨恒载+半跨活载(使用阶段);c、屋架自重和支撑自重+半跨屋面板重+半跨屋面活荷载(施工阶段);(4)杆件设计内力的确定:按上述三种荷载组合情况,进行内力组合;6.屋架杆件截面选择(不考虑支撑与弦杆连接的螺栓孔对截面的削弱,不考虑上、下弦杆变截面);.屋架节点计算,至少计算一个下弦节点、一个上弦节点、支座节点、屋脊节点及下7.弦中央节点,并绘制节点大样草图(按1:3~1:5比例尺)。
钢结构设计任务书
一、课程设计的目的、意义
本课程是土木工程专业的一门专业课。
本课程的教学目的是培养学生运用钢结构的基本设计理论和设计方法,进行钢结构的一榀屋架的设计,从而进一步提高运算、制图和使用资料的能力。
通过设计,了解钢结构单层工业厂房设计内容、程序和基本原则,熟悉钢结构构件的布置原则,掌握钢结构屋架的选型、支撑的布置和节点的设计计算,以巩固所学理论知识,培养利用这些知识解决实际问题的能力,逐步树立正确的设计观点,为学生毕业设计和毕业后从事设计或施工工作打下良好的基础。
二、课程设计的主要内容、技术要求
3.对钢屋架进行内力、杆件截面尺寸的计算;设计一个下弦节点、一个上弦节点、支座节点、屋脊节点及下弦中央节点。
四、设计要求
1.计算书须用钢笔书写,插图应用铅笔按一定比例绘制,做到眉目清晰,文图配合;
2.图纸应符合《房屋建筑制图统一标准(GB/T 50001—2001)》和《建筑结构制图标准
(GB/T 50105—2001)》的要求。
学院建筑系土木工程课程设计课程名称:《钢结构》课程设计设计题目:梯形钢屋架院系:建筑系专业:土木工程年级:学号:姓名:指导教师:2020 年12月14 日《钢结构》课程设计任务书开题日期:2020年12月14 日完成日期:2020年12 月20日一、设计题目:梯形钢屋架(角钢构件、无檩体系)二、设计资料某车间跨度30m,长度102m。
车间内设有两台20/5t中级工作制吊车。
计算温度高于-20℃。
采用1.5m×6m预应力混凝土大型屋面板,8㎝厚泡沫混凝土保温层,卷材屋面,积灰荷载为0.60kN/m2。
屋架铰支在钢筋混凝土柱上,上柱截面为400mm×400mm,混凝土强度等级为C30。
在结构方案设计阶段,拟采用三种柱距6.0m、7.5m、9.0m进行比较分析,抗震设防烈度、屋面坡度和荷载取值情况根据序号查表1确定该课程设计的具体初始条件。
三、设计内容及要求要求在一周内完成钢结构课程设计内容,提交设计图纸一张(A1)及计算书一套。
1.设计内容(1)进行屋盖结构布置并选取计算简图;(2)屋架内力计算及内力组合;(3)屋架杆件设计;(4)屋架节点设计;(5)屋架施工图;2.设计要求(1)整理设计计算书一份①设计条件②结构布置③计算简图④荷载选取⑤内力计算⑥内力组合⑦构件设计⑧节点设计(2)绘制施工图①屋架几何尺寸、内力简图②屋架施工图③节点、异形零件详图④材料表二、参考资料(1)钢结构,戴国欣,武汉理工大学出版社(2)钢结构设计基本原理,雷宏刚,科学出版社(3)钢结构设计,黄呈伟,科学出版社(4)建筑结构荷载规范,GB50009-2012(5)钢结构设计手册(上册)第三版,中国建筑工业出版社(6)轻型屋面梯形钢屋架,中国建筑标准设计研究院(7)钢结构设计规范,GB50017-2003(8)混凝土结构设计规范,GB50010-2011目录梯形钢屋架设计 (1)1.1设计资料........................................................ 错误!未定义书签。
《钢结构》课程设计实施方案一、设计目的与要求本课程设计是建筑工程专业学生学完《钢结构》课程后所必须进行的重要的实践教学环节。
通过设计掌握屋盖系统的结构布置要求和构件编号的方法,能综合运用有关力学分析、杆件截面设计、节点设计,正确绘制钢物架进行内力分析、杆件截面设计、节点设计,正确绘制钢屋架施工图。
二、设计题目无檩体系钢屋盖三、设计资料某厂房装配车间,跨度18米,长102米,柱距6米,柱网采用封闭结合;上柱截面400*400,柱混凝土强度等级C20。
车间内设有2台100KN中级工作制吊车。
沈阳地区计算温度-22℃。
屋架形式屋架形式及构造如图所示。
四、设计内容及要求(一)完成设计任务书一份(统一采用16开作业本)内容包括:1.附设计任务书;2.按给定的屋架形式确定主要尺寸;3.布置屋盖支撑系统;4.选择钢材(用牌号表示)并提出保证条件;5.选择焊接方法及焊条型号;6.荷载汇集。
除按荷载规范考虑屋面恒荷载和活荷载外,对于学号为单号的同学尚应考虑屋面积灰荷载(按标准值0.5KN/m2采用);保温层的选用:学号为1~12号的采用加气混凝土120厚,学号为13~21号的采用水泥珍珠岩制品100厚;7.算屋架杆件内力。
运用计算机程序(程序语言不限)进行内力计算,并将计算结果附在计算书中。
8.杆件设计。
9.设计图中指定节点(图1中节点1、2、3、4、5)。
(二)绘制施工图(用白图绘制,1号图纸594*841),图纸上绘制的内容包括:(1)屋架简图;(2)半跨屋架正面图,上下弦杆俯视图,端竖杆、中央竖杆侧面图,屋架支座俯视图,必要的零件大样图;(3)材料表;(4)设计说明。
五、参考资料1.建筑结构荷载规范GB5009-20012.钢结构设计规范GBJ17-883.教科书4.《钢结构设计手册》罗邦富等主编中国建筑工业出版社出版六、时间安排要求在4周时间内完成,具体时间为2004年11月29日~12月25日。
七、成绩评定按要求完成计算书,图文并茂,字迹工整,计算工整,计算准确;制图符合国家现行标准;计算书、图纸和答辩其中一项不及格则本课程设计成绩为不及格。
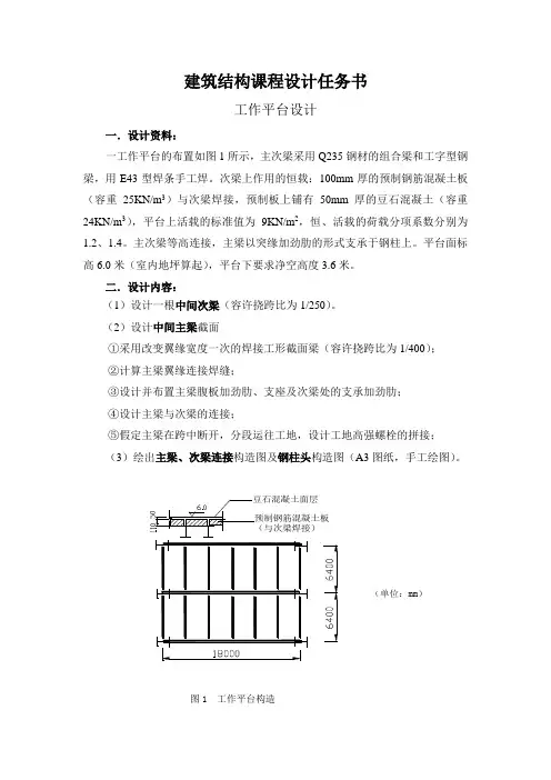
建筑结构课程设计任务书工作平台设计一.设计资料:一工作平台的布置如图1所示,主次梁采用Q235钢材的组合梁和工字型钢梁,用E43型焊条手工焊。
次梁上作用的恒载:100mm厚的预制钢筋混凝土板(容重25KN/m3)与次梁焊接,预制板上铺有50mm厚的豆石混凝土(容重24KN/m3),平台上活载的标准值为9KN/m2,恒、活载的荷载分项系数分别为1.2、1.4。
主次梁等高连接,主梁以突缘加劲肋的形式支承于钢柱上。
平台面标高6.0米(室内地坪算起),平台下要求净空高度3.6米。
二.设计内容:(1)设计一根中间次梁(容许挠跨比为1/250)。
(2)设计中间主梁截面①采用改变翼缘宽度一次的焊接工形截面梁(容许挠跨比为1/400);②计算主梁翼缘连接焊缝;③设计并布置主梁腹板加劲肋、支座及次梁处的支承加劲肋;④设计主梁与次梁的连接;注意:数据根据表格的安排选择,不要按插图数据计算。
三.设计要求:计算书要求:A4纸,打印,标题采用四号黑体字,正文用小四号宋体字。
做到正确,详细,完整,整洁,并装订成册。
图纸要求:绘制铅线图,布局合理,线条粗细分明,字体工整(宋体),尺寸明确、说明、标题栏齐全。
四.设计步骤:次梁设计计算(一)次梁荷载计算1.作用在次梁上的永久荷载:100mm 厚的预制钢筋混凝土板(容重25KN/m 3)和50mm 厚的豆石混凝土(容重24KN/m 3)。
2.作用在次梁上的活荷载:活载的标准值为9KN/m 2(二)荷载组合 1.2恒载+1.4活载(三)内力计算 次梁按支撑于主梁上的简支梁计算内力(四)截面选择:1.根据抗弯强度的要求初步拟定截面高度h ;2.根据抗剪要求及经验公式确定腹板厚度w t ;3.根据抗弯要求及局部稳定要求确定翼缘宽度b 和厚度t 。
(五)截面检算包括强度、刚度、整体稳定及局部稳定计算。
主梁设计计算(一)内力计算:主梁按支承于钢柱上的简支梁计算内力(二)截面选择 同次梁采用在6l 处变截面,厚度不变,根据6l 处的抗弯要求设计该处的翼缘宽度。
钢结构课程设计任务书钢结构课程设计任务书一、设计题目:焊接梯形钢屋架设计二、目的:经过课程设计掌握屋盖系统结构布置方法。
运用有关力学和本课程所学的知识,对钢屋架进行内力分析、杆件截面设计和节点设计。
培养学生解决实际问题的能力。
三、设计资料:1.某单层单跨工业厂房,跨度L(18 m,21 m,24 m),长度102 m。
2.厂房柱距6 m,钢筋混凝土柱,混凝土强度等级C20,上柱截面尺寸400⨯400,钢屋架支承在柱顶。
3.吊车一台150 T,一台30 T,吊车平台标高+12.000 m。
4.荷载标准值(1)永久荷载:屋面材料自重 A1-A3 kN/m2(见附表)屋架及支撑自重:按经验公式L.0+12= kN/m2.0q011(2)可变荷载:屋面活荷载标准值: 0.5 kN/m2雪荷载标准值: B1-B6 kN/m2(见附表)(3)屋面积灰荷载标准值: C1-C5 kN/m2(见附表)(4)不计风荷载注:请将自己的设计方案号、屋架跨度、屋架自重及荷载取值填入课程设计任务书中。
5.屋架计算跨度,几何尺寸及屋面坡度见附图1。
6.钢材Q235号钢、角钢、钢板各种规格齐全;有各种类型的焊条和C级螺栓可供选用。
7.钢屋架的制造、运输荷安装条件:在金属结构厂制造,运往工地安装,最大运输长度16 m,运输高度3.85 m,工地有足够的起重安装条件。
屋架几何尺寸及屋架全跨上弦节点单位荷载作用下构件内力系数见附图1-3。
四、设计内容1.布置屋架荷支撑。
计算书上用小比例尺绘出其布置简图,并进行编号。
支撑代号:屋架上弦横向水平支撑 sc屋架下弦横向水平支撑 xc屋架下弦纵向水平支撑 zc垂直支撑 cc系杆 LG2.设计该厂房的钢屋架,并用1号图纸绘制屋架运送单元施工图。
施工图材料表为一品屋架的材料用量。
五、要求1.计算书板书整洁,打印装订成册。
2.施工图用手工绘制,图面布置合理,图面整洁,线条清楚。
文字采用仿宋体,符合制图标准,达到施工图要求。
钢屋架课程设计任务书一、题目:梯形钢屋架设计设计资料:某工程为单跨双坡封闭式厂房,跨度24m、30m(2种),厂房长60m、96m(2种),采用梯形钢屋架,屋架间距为6m,屋架铰支于钢筋混凝土柱柱顶,柱截面400mmх400mm,其混凝土强度等级C20。
屋面材料采用1.5mх6m预应力钢筋混凝土大型屋面板和卷材屋面。
保温层情况(4种):100mm厚泡沫混凝土保温层(6kN/m3),80mm厚泡沫混凝土保温层(6kN/m3),无保温层,有80mm厚泡沫混凝土保温层并有0.5kN/m2积灰荷载。
结构重要性系数为γ0=1.0,地区基本风压w0=0.40kN/m2,基本雪压s0=0.30 kN/m2、0.60 kN/m2、0.65 kN/m2、0.70 kN/m2、0.75 kN/m2(5种)。
屋架钢材采用Q235B,焊条采用E43型,厂房内有中级工作制桥式吊车,起重量Q≤300KN。
不考虑地震设防。
共2×2×4×5=80题二、设计内容(一)屋架选型:确定各杆件计算长度和截面形式、节点板。
(二)屋盖支撑布置。
(三)荷载计算及内力分析。
(四)各杆件截面设计。
(五)节点设计。
(六)绘制钢屋架施工图。
三、设计要求(一)完成计算书一套(应有封面和目录)。
(二)绘制钢屋架施工图一张。
(三)计算书书写工整,图纸布局均匀、图面整洁,线型正确,比例适当。
四、设计时间:一周。
五、参考文献1、《钢结构设计手册》中国建筑工业出版社2、《钢结构》戴国欣主编武汉理工大学出版社3、《钢结构》(上下册)陈绍蕃中国建筑工业出版社4、《钢结构设计规范》(GB50017--2002)5、《建筑结构荷载规范》(GB50009--2001)钢屋架课程设计指导书一、屋架选型屋面坡度1/12或1/10,屋架跨度(24m),屋架端部高度取2000mm,则跨中高度H=2000+1/12×24000/2=3000mm。
钢 结 构 课 程 设 计 任 务 书班级: 土木工程 学号: 姓名: 一、设计资料某厂房总长度90m ,跨度根据不同的学号从附表中取,屋盖体系可从以下所给的类型中选取。
纵向柱距6m 。
1.结构形式:钢筋混凝土柱,梯形钢屋架.柱的混凝土强度等级为C30,屋面坡度i=L/10;L 为屋架跨度.地区计算温度高于-200C ,无侵蚀性介质,屋架下弦标高为18m.2. 屋架形式及荷载:屋架形式、几何尺寸及内力系数(节点荷载P=1。
0作用下杆件的内力)如附图所示。
屋架采用的钢材、焊条为:同学用Q235钢,焊条为E43型;或用Q345钢,焊条为E50型。
二、屋架形式、尺寸、材料选择及支撑布置:所选跨度为24m ,积灰荷载1。
2,保温层0.65 KN/m 2钢材采用Q235。
其设计强度为215KN/㎡,焊条采用E43型,手工焊接.。
屋架的计算跨度L 。
=24000-2×150=23700,端部高度:h=1990mm(轴线处),h=2140(计算跨度处)。
屋架形式及几何尺寸见图一所示:135022902590289026082859311933702535285931293396150********Aac egB C D F G H 15008=12000×150815081508150815081508图一三、荷载与内力计算:1、荷载计算:活荷载于雪荷载不会同时出现,故取两者较大的活荷载计算。
永久荷载标准值:三毡四油(上铺绿豆砂)防水层 0。
4KN/m2水泥砂浆找平层 0.4KN/m2保温层 0.65 KN/m2一毡二油隔气层 0。
05KN/m2水泥砂浆找平层 0。
3KN/m2预应力混凝土屋面板 1.45KN/m2总计:3。
25 KN/㎡可变荷载标准值:=0.35KN/m2施工活荷载标准值为0.7KN/m2,雪荷载的基本雪压标准值为S雪荷载<屋面活荷载(取两者较大值)0.7KN/㎡积灰荷载1.2KN/㎡(学号700)总计:1。
建筑钢结构课程设计任务书一、设计任务1、车间建设地点:北京、天津、石家庄、上海、佳木斯、黄骅。
2、车间为封闭式采暖车间,其长度、跨度见表1.1,柱距为6m ,车间内设有两台起重量30吨的中极工作制桥式吊车,轨顶标高8.5m 。
厂房为梯形钢屋架,尺寸和形式如图1所示。
屋架上弦坡度起拱前为1/10,起拱后为1/9.6。
屋架简支于钢筋混凝土柱上,混凝土强度等级C20(抗压强度设计值f c =10N/mm 2)拱50图1 半跨屋架及杆件长度(以跨度为24m 为例)3、屋面类型无檩屋面 1.5m ×6.0m 大型屋面板,,上铺泡沫保温层(容重6.5KN/m 3,厚度见表1.2),板直接搁置于屋架上弦节点上。
4、每位同学根据自己的学号最后两位,在表1.1中选择相应的题号,得到长度,跨度,荷载值,进行设计。
注:学号最后两位为00的学生选择题号1,学号最后两位为97、98、99的学生分别减去3再选择题号,也就是94、95、96.表1.2 各地区荷载值二、设计要求1、正确布置钢屋架的支撑;2、掌握钢屋架的设计步骤和方法;3、能正确绘制钢屋架施工图。
三、设计内容1、确定屋架形式尺寸,选择钢材及连接材料;2、布置屋盖支撑并按比例绘出支撑布置图;3、计算结构内力,给出各杆件的最不利内力;4、杆件内力组合;5、选择杆件截面;6、节点设计;7、绘制施工图;8、计算书一份。
四、考核方式与成绩评定标准1、完成计算书一份、A1图纸一份;2、计算书:纸张规格A4,一律采用手写,字迹工整,计算准确,附图可采用铅笔绘制,左侧装订。
封面见附录一;3、施工图:图幅为A1图纸,一律采用铅笔手绘。
图中屋架施工图按1:20比例、节点按1:10比例绘制;4、计算书45分,图纸55分(争优答辩);5、所有设计必须在第17周完成。
五、参考文献[1] 张耀春.钢结构设计原理.北京:高等教育出版社,2011.[2] 中华人民共和国国家标准,钢结构设计规范[3] 中华人民共和国国家标准,冷弯薄壁型钢结构技术规范(GB50018-2002)[4] 实用钢结构设计手册.北京:中国建筑工业出版社,2004.[5] 黎钟.钢结构.北京:高等教育出版社,2000.[6]《钢结构》.钟善桐主编.中国建筑工业出版社,1988[7] 周俐俐,姚勇.大学生课程设计指南丛书.钢结构课程设计指南[8] 沈祖炎,陈杨冀,陈以一.钢结构基本原理.中国建筑工业出版社,2000。
钢结构课程设计任务书及指导书(幕墙)钢结构课程设计任务书及指导书(幕墙)[⼟⽊⼯程专业钢屋盖课程设计任务书及指导书苏州科技学院⼟⽊⼯程学院建⼯系20XX年3⽉钢屋盖课程设计任务书⼀、题⽬设计某车间钢屋架⼆、设计资料1、车间平⾯尺⼨:24m×78m2、车间为单跨:跨度l = 24m 轨顶标⾼ 10m3、柱距6m4、吊车:⼆台桥式吊车Q=20吨/5吨,中级⼯作制。
5、材料:屋架型材,焊条E43型。
6、建造地区:江苏省苏州市7、制造运送⽅案:焊接;铁路运送。
8、建筑结构⽅案:屋盖⽆檩⽅案,⽆天窗,采⽤G410 ×6m预应⼒混凝⼟⼤型屋⾯板;柱钢筋混凝⼟柱,混凝⼟强度等级C25,上柱截⾯400×400mm。
9、屋⾯做法:⼆毡三油防⽔层下20mm厚⽔泥砂浆找平层,再下⾯是80mm厚泡沫混凝⼟保温层。
10、屋⾯坡度:i=1/10 ~1/1211、屋⾯积灰荷载:~/m2,。
三、设计成果:1、设计计算书,内含屋架型式单线图,⽀撑布置图等内容。
2、钢屋架运送单元施⼯图。
四、设计内容及步骤:1、确定屋架图形 (1)确定屋架中⾼及端⾼; (2)确定节点间距及腹杆图形; (3)按⽐例画出屋架单线图12、屋架⽀撑布置按1:600⽐例尺画出屋架上弦、下弦⽀撑布置图及垂直⽀撑布置图。
3、荷载计算4、屋架杆件内⼒分析5、屋架杆件截⾯选择6、绘制钢屋架运送单元施⼯图五、设计参考资料1、《钢结构》,陈绍蕃、顾强主编,中国建筑⼯业出版社,20XX年第⼆版。
2、《钢结构》魏明钟主编,武汉理⼯⼤学出版社,20XX年10⽉第⼆版。
3、《钢结构》刘声扬主编,中国建筑⼯业出版社,1997年6⽉和三版。
4、《钢结构》欧阳可庆主编,中国建筑⼯业出版社,1991年11⽉第⼀版。
5、《钢结构-原理与设计》王国周等主编,清华⼤学出版社,1993年第⼀版。
6、《钢结构设计规范》,中国计划出版社,20XX年10⽉第⼀版。
钢结构课程设计任务书第一篇:钢结构课程设计任务书适用于建筑与土木工程系10土木专业钢结构课程设计任务书《钢结构设计原理》是土木工程专业的重要专业课,为了加强学生对基本理论的理解和《钢结构》设计规范条文的应用,培养学生独立分析问题和解决问题的能力,以提高学生的综合运用能力。
安排学生学期末完成一榀钢屋架设计。
课程设计又是知识深化、拓宽的重要过程,也是对学生综合素质与工程实践能力的全面锻炼,是实现本科培养目标的重要阶段。
通过课程设计,着重培养学生综合分析和解决问题的能力以及严谨、扎实的工作作风。
为学生将来走上工作岗位,顺利完成设计任务奠定基础。
1、钢结构课程设计的目的通过进一步的设计训练,使学生熟悉钢结构基本构件的设计和构造设计的基本原理和方法,具备一般钢结构设计的基本技能;能够根据不同情况,合理地选择结构、构造方案,熟练地进行结构设计计算,并学会利用各种设计资料。
2、钢结构课程设计条件惠州郊区某机械加工厂单跨单层厂房,跨度18米,长36米柱距6米。
厂房设有一台中级工作制桥式吊车,屋面材料采用上下两层多波压型钢板,中间用20毫米厚矿渣棉板保温层,屋架两端支承于截面为400㎜×400㎜的钢筋混凝土柱上,柱混凝土强度等级C20。
钢材选用Q235-A.F,焊条采用E4303型手工焊,檩条采用槽钢,允许挠度「υ」=1150。
杆件允许长细比:屋架压杆「λ」=150,屋架拉杆「λ」=350,支撑压杆「λ」=200 支撑拉杆「λ」=400。
荷载:压型钢板0.08KN/㎡(每层)20毫米厚矿渣棉板保温层0.08KN/㎡不上人屋面活荷载0.5KN/㎡3、钢结构课程设计要求课程设计是综合性很强的专业训练过程,对学生综合素质的提高起着重要的作用。
基本要求如下:时间要求:1周;任务要求:在教师指导下,独立完成一项给定的设计任务,编写出符合要求的设计说明(计算)书,并绘制必要的施工图。
完成的设计成果包括:结构设计计算书一份,绘制施工图。
《钢结构》(钢屋架)课程设计任务书课程设计任务书《钢结构》(钢屋架)课程设计任务书一、设计任务的目的与要求:本次课程设计的任务是设计一个钢屋架结构,要求学生运用所学的钢结构设计知识与技能进行设计,包括荷载计算、结构分析与设计、构件尺寸确定等。
通过本次设计任务,旨在提高学生的综合应用能力,加深对钢结构设计原理的理解,并培养学生的团队合作和解决实际工程问题的能力。
二、设计任务的内容与流程:1. 设计内容:设计一个三层多跨度的钢屋架结构,用于承担一定的荷载和风力荷载。
要求设计满足结构安全、稳定和经济性的要求。
2. 设计流程:(1) 根据设计要求和建筑功能确定结构基本参数,包括跨度、层数、荷载类型和大小等。
(2) 进行荷载计算,包括使用现行规范确定荷载,并对各种荷载进行组合计算。
(3) 进行结构分析与设计,包括确定结构的受力情况和选择适当的材料和截面形式。
(4) 进行构件尺寸确定,包括对主要构件进行动静力分析,确定其合理的尺寸和型号。
(5) 进行结构的耐久性设计,包括使用合适的防腐措施,保证结构的使用寿命。
(6) 进行结构的施工图设计,包括绘制结构的剖面图、节点连接图等。
三、设计任务的要求与评价指标:1. 设计要求:(1) 结构安全可靠,满足国家规范要求的承载能力和稳定性要求。
(2) 结构经济合理,材料使用充分,尺寸合理。
(3) 结构施工方便,构件可制造性好。
(4) 结构具有良好的耐久性,能满足设计寿命要求。
2. 评价指标:(1) 结构的安全性:承载能力满足设计要求,结构稳定性好。
(2) 结构的经济性:材料使用充分,构件尺寸合理。
(3) 结构的可施工性:结构构件制造方便,施工条件易于满足。
(4) 结构的耐久性:防腐措施合理,能满足设计寿命要求。
四、设计任务的开题与验收:1. 开题内容:(1) 设计题目的背景与意义。
(2) 设计任务的目的与要求。
(3) 设计内容与流程。
2. 验收内容:(1) 设计任务书完整准确。
建筑钢结构课程设计任务书
一、设计任务
1、车间建设地点:北京、天津、石家庄、上海、佳木斯、黄骅。
2、车间为封闭式采暖车间,其长度、跨度见表1.1,混凝土柱柱距为6m ,车间内设有两台起重量30吨的中极工作制桥式吊车,轨顶标高8.5m 。
厂房为梯形钢屋架,尺寸和形式如图1所示。
屋架上弦坡度起拱前为1/10,起拱后为1/9.6。
屋架简支于钢筋混凝土柱上,混凝土强度等级C30(抗压强度设计值f c =14.3N/mm 2)
拱50
图1 半跨屋架及杆件长度(以跨度为24m 为例)
3、屋面类型
无檩屋面 1.5m ×6.0m 大型屋面板,,上铺泡沫保温层(容重6.5KN/m 3,厚度见表1.2),板直接搁置于屋架上弦节点上。
4、每位同学根据自己的学号最后两位,在表1.1中选择相应的题号,得到长度,跨度,荷载值,进行设计。
注:学号最后两位为00的学生选择题号1,学号最后两位为97、98、99的学生分别减去3再选择题号,也就是94、95.96.
表1.2 各地区荷载值
二、设计要求
1、正确布置钢屋架的支撑;
2、掌握钢屋架的设计步骤和方法;
3、能正确绘制钢屋架施工图。
三、设计内容
1、确定屋架形式尺寸,选择钢材及连接材料;
2、布置屋盖支撑并按比例绘出支撑布置图;
3、计算结构内力,给出各杆件的最不利内力;
4、杆件内力组合;
5、选择杆件截面;
6、节点设计;
7、绘制施工图;
8、计算书一份。
四、考核方式与成绩评定标准
1、完成计算书一份、A1图纸一份;
2、计算书:纸张规格A4,一律采用手写,字迹工整,计算准确,附图可采用铅笔绘制,左侧装订。
封面见附录一;
3、施工图:图幅为A1图纸,一律采用铅笔手绘。
图中屋架施工图按1:20比例、节点按1:10比例绘制;
4、计算书45分,图纸55分(争优答辩);
5、所有设计必须在第18周周五完成。
五、参考文献
[1] 张耀春.钢结构设计原理.北京:高等教育出版社,2011.
[2] 中华人民共和国国家标准,钢结构设计规范
[3] 中华人民共和国国家标准,冷弯薄壁型钢结构技术规范(GB50018-2002)
[4] 实用钢结构设计手册.北京:中国建筑工业出版社,2004.
[5] 黎钟.钢结构.北京:高等教育出版社,2000.
[6]《钢结构》.钟善桐主编.中国建筑工业出版社,1988
[7] 周俐俐,姚勇.大学生课程设计指南丛书.钢结构课程设计指南
[8] 沈祖炎,陈杨冀,陈以一.钢结构基本原理.中国建筑工业出版社,2000。
[9] 钟善桐.《钢结构》,武汉大学出版社,2001。
[10] 中华人民共和国国家标准,建筑钢结构制图标准(GB2003)。