某厂汽车涂装废水处理实例
- 格式:doc
- 大小:253.51 KB
- 文档页数:8
汽车行业废水处理工程实践摘要汽车制造行业产生的废水具有成分复杂、水质波动大,污染物浓度高,可生化性差的特点。
天津某汽车制造工厂的生产污水处理站选用对于化成废水单独进行除镍的预处理,主体采用一级反应--混凝沉淀—--二级反应--气浮的物化工艺,经监测,水质可以稳定的达到GB8978-1996《污水综合排放标准》中的三级排放标准。
关键词废水;镍;混凝;气浮0引言汽车行业的生产过程中,车身本体及其零部件的喷涂工艺中产生的工业废水是汽车产业过程中废水产生的主要源头。
涂装工艺废水中很有很多污染物,例如国家严格控制的重金属离子镍,表面活性剂LAS、油分、磷酸盐-、化学稀料以及有机溶剂等污染因子。
这种混合的涂装废水具有COD浓度高的特点,如果不能妥善将废水进行处理,就会对环境产生严重污染。
目前,汽车制造业废水处理的最主要办法分为镍处理、混凝沉淀处理和生化处理的方法。
由于镍属于国家严格控制的第一类污染物,因此需要单独对于含镍的废水进行处理,达到国家排放标准后,再与其他废水混合,进行混凝沉淀处理。
混凝沉淀处理主要去除废水中的油、SS和胶体等直接影响COD数值的物质。
天津某整车制造厂所产生的工业废水,主要是涂装车间及其它小部品涂装在生产过程中产生的废水。
还包括成型车间及装焊车间产生的废水。
目前污水处理后要求达到GB8978-1996《污水综合排放标准》中的三级排放标准。
1废水的源头1.1废水的源头及成份生产废水的水源包括预处理和中上涂废水。
其中,预处理包括脱脂废水、磷化废水和电泳废水;中上涂的废水包括喷漆废水、粕池废水等。
主要污染因子为有机物、有机溶剂、磷酸盐、重金属离子、氨氮、油脂、固体悬浮物等污染物。
1.2废水水质情况及处理水量生产产生的涂装废水一部分为生产时产生的连续的清扫水和连续的溢流水,其他均为周期性排放的废水及废液。
2012年该工厂生产废水折算平均流量为2200吨/日。
污泥产生量折算平均为4吨/日(污泥含水率为62%~75%)。
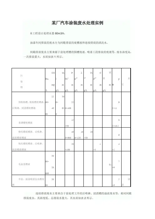
某厂汽车涂装废水处理实例本工程设计处理水量60m3/h。
油漆车间排放的废水分为间歇排放的废槽液和连续排放的清洗水。
间歇排放废水主要来源于前处理槽的倒槽废液、喷漆工段排放的废液等,废水浓度高,一次排放量大,水质如表1所示。
连续排放废水主要来自于前处理工序的后喷淋、浸渍槽的溢流废水等,相对间歇排放废水,其浓度低、总排放水量大,其水质如表2所示。
2.涂装废水处理工艺设计汽车涂装废水处理工艺的关键之一在于合理的清浊分质。
对部分难处理或影响后续处理的废水,根据其性质和排放规律,先进行间歇的预处理,再和其它废水集中连续处理,这样不仅可以取得较好的和稳定的处理效果,而且在经济上也合理可行。
2.1 涂装废水处理工艺流程涂装废水处理工艺流程如图1所示。
2.2 间歇预处理2.2.1 脱脂废液对脱脂废液采用酸化法进行破乳预处理,向脱脂废液中投加无机酸将pH调至2~3,使乳化剂中的高级脂肪酸皂析出脂肪酸,这些高级脂肪酸不溶于水而溶于油,从而使脱脂废液破乳析油。
另外,加酸后使脱脂废液中的阴离子表面活性剂在酸性溶液中易分解而失去稳定性,失去了原有的亲油和亲水的平衡,从而达到破乳。
经预处理后CODCr从2500~4000mg/L 降低到1500~2400mg/L,去除率在40%左右;而含油量从300~950 mg/L降至50~70 mg/L,去除率高达90%~95%。
2.2.2 电泳废液在阴极电泳废水中含有大量高分子有机物,CODCr最高可达20000mg/L,还含大量电泳渣,这些物质在水中呈细小悬浮物或呈负电性的胶体状。
处理中加入适当的阳离子型聚丙烯酰胺(PAM)和聚合氯化铝(PAC)作混凝剂,利用絮凝剂的吸附架桥作用来快速去除废水中的污染物。
电泳废液在预处理时要求pH值在11~12之间,有较好的沉淀效果。
反应后的出水CODCr在2000 mg/L左右。
2.2.3 喷漆废水对喷漆废水先采用Fenton试剂(H2O2+FeSO4)对其进行预处理,使其中的有机物氧化分解,CODCr去除效率约在30%左右,再加入PAC和PAM对其进行混凝沉淀,经过此两步处理,CODCr的总去除率可达到60%~80%,由3000~20000mg/L降至1200~4000mg/L。
分析汽车涂装废水处理工程实践摘要:依据汽车涂装废水的水质特点,介绍了国内汽车涂装废水常用的处理方法,并对湖南某重型汽车厂污水处理站的工艺设计、调试及运行效果进行总结。
实践表明:物化-生化法可有效处理汽车涂装废水;依据废水中所含污染物的不同,对涂装工艺过程中排放的废水进行分质预处理可有效地去除磷酸盐、重金属离子、油类物质等污染物,减轻了后续处理单元的负荷,提高了处理效率。
关键词:汽车涂装废水;物化-生化法;分质预处理汽车涂装工艺一般由漆前表面处理、涂布(电泳)、喷涂和干燥4道基本工序组成。
漆前表面处理是涂装工艺的基础,它包括前处理包括脱脂、表调、磷化、钝化等4个方面,采用喷浸结合方式对车身表面进行处理,室体采用封闭式结构。
涂布系指将涂料在被涂物表面扩散开的操作,目前多用阴极电泳涂装法泳涂阳离子型水溶性漆,电泳后用超滤液进行2~3次回收水洗,再用脱离子水淋洗。
装饰性要求的轿车和轻型载重汽车一般采用静电涂装法涂中间层涂料;面漆一般用三聚氰氨基醇酸树脂磁漆,采用自动喷涂或静电喷涂方法。
1.废水来源1.1废水水源及特点本工程废水由汽车装配制造过程的涂装废水及工厂生活污水混合组成。
涂装废水包括磷化钝化废水、脱脂废水和废液、电泳废水和废液、喷漆废水和废液等,主要含有磷酸盐、有机物、有机溶剂、重金属离子、油脂、氨氮、固体悬浮物等污染物[1]。
1.2废水水质水量汽车涂装生产线产生的涂装废水除部分清洗水连续溢流排放外,涂装废水多为间歇排放。
涂装与生活混合废水水质见表1所示。
表1混合废水水质涂装混合废水折算平均流量为2880m3/d,其中磷化废水:1340m3/d;脱脂废水:1040m3/d;脱脂废液:30m3/d;喷漆废水废液:160m3/d;电泳废水废液:260m3/d;其它废水:50m3/d。
生活污水折算平均流量为300m3/d。
2.废水处理工艺2.1设计进水水量、水质设计进水水量、水质见表2,废水中主要存在高分子树脂、溶剂、碱、聚合碱性盐、乳化油、表面活性剂等污染物。
设计案例| MBR工艺处理汽车涂装废水工程实例株洲某汽车生产基地新建废水处理工程,本工程采用“预处理+缺氧+好氧+MBR+深度处理”的处理技术,处理后产水满足《污水综合排放标准》(GB 8978—1996)的一级标准,第一类污染物废水处理系统出口镍浓度按0.3mg/L控制。
01 废水水质、水量该汽车制造基地规划年产30万辆乘用车,配套建设污水处理系统,处理生产废水与生活废水。
生产废水主要包括脱脂含油废水,表调磷化废水,电泳喷漆废水,总装、冲压车间废水,纯水站浓水等,各类废水水质及水量如表1所示。
02 工艺流程及说明2.1 工艺说明结合以上废水中污染物的特点,采用物化预处理、生化处理及深度处理相结合的三级处理工艺进行废水处理。
其中脱脂含油废水、冲压废水因含油乳化油,采用混凝气浮法预处理,浮渣及沉泥与生化污泥均有较高的黏性,故混合脱水处理;表调磷化废水因含有一类污染物物质镍,采用混凝沉淀工艺预处理工艺,污泥需单独处理;电泳喷漆废水采用混凝沉淀预处理工艺,污泥易脱水,采用板框压滤机单独脱水处理。
不同种类废水经预处理后降低污水中难降解成分,为后续生化处理减轻压力。
为保证出水最后达标,设深度处理工艺。
2.2 工艺流程2.2.1 脱脂含油废水和总装、冲压废水的预处理涂装车间脱脂含油废水采用气浮工艺进行处理,对高浓度脱脂倒槽液,采取提升泵定量加入含油废水槽内进行稀释处理,总装、冲压车间废水含有油脂成分,与脱脂含油废水混合处理。
具体工艺流程如图1所示。
脱脂含油废水首先进入pH调整槽,调节pH值至3左右进行破乳,之后投加Ca(OH)2和PAC进行絮凝反应去除磷和有机物等污染物,通过投加PAM在絮凝槽生成大的絮体,出水在加压气浮槽内进行泥水分离。
处理后的清水溢流入混合水池,与其他废水混合后等待生化处理,浮渣及污泥排入含油污泥槽。
2.2.2 磷化废水预处理表调磷化废水处理系统主要对表调磷化废液、表调磷化废水等进行处理。
汽车废水处理案例
案例简介
一家汽车制造公司在生产过程中产生大量含有有机物和重金属的废水。
公司为了遵守环保法规,要求对废水进行处理后排放。
于是,公司与一家废水处理公司合作进行废水处理。
处理流程
废水处理公司采取了如下步骤处理汽车废水:
1. 混凝剂处理:采用聚合氯化铝进行混凝处理,将废水中的悬浮物和沉淀物凝聚成为大颗粒,方便后续处理。
2. 活性炭吸附:采用活性炭吸附技术处理废水,把水中的腐植酸、色度、异味和有机物等污染物削减到一定程度。
3. 膜处理:采用超滤器膜技术进行处理,将废水中的铜、铁、锰、镉、铅和锌等重金属离子等过滤掉,保证水质达标。
处理效果
经过处理后,废水排放符合当地的环保标准,达到了以下指标:
1. 化学需氧量(COD):50 mg/L 以下
2. 生化需氧量(BOD):20 mg/L 以下
3. 总悬浮物(TSS):30 mg/L 以下
4. 氨氮:15 mg/L 以下
5. PH 值:6-9
经过处理后的水可以通过排放口排放至自然环境中,不会对周
边环境造成污染。
结论
汽车制造公司与废水处理公司的合作,使得汽车废水得到有效处理,成功地保护了周边环境,符合环保法规的要求,达到了理想的处理效果。
汽车废水处理案例概述本文档将介绍一个汽车废水处理的案例。
在汽车生产过程中,废水处理是一个关键的环节,确保废水不会对环境造成污染。
以下是一个汽车废水处理案例的概述。
案例描述该汽车生产厂商采用了多种方法对废水进行处理,以确保废水符合环保标准。
主要的处理步骤如下:1. 预处理:废水首先经过预处理,去除固体颗粒和沉淀物。
这一步骤使用物理和化学方法,如沉淀、过滤和吸附等,以确保废水中的污染物含量降低到安全水平。
2. 生物处理:经过预处理后的废水进入生物处理系统。
在生物反应器中,使用合适的菌群来降解有机物质。
这一步骤可以有效地去除有机物质和生物氧化需求物(BOD),使废水中的有机物质得到进一步降解,减少对环境的影响。
3. 深度处理:经过生物处理后的废水还需要进行深度处理,以进一步降低污染物含量。
这一步骤使用化学物质来进行氧化、还原、沉淀等处理,以达到更高的废水净化效果。
4. 消毒:最后一步是对废水进行消毒以确保其安全。
常用的消毒方法包括紫外线照射、氯处理和臭氧处理等。
该汽车生产厂商在整个处理过程中严格控制废水处理的各项参数,以确保废水处理的效果和稳定性。
同时,他们也进行了废水处理后的监测和检测,以保证废水处理达到了相关的环保标准。
结论通过采用上述废水处理步骤,该汽车生产厂商成功地处理了废水,达到了环保要求。
这个案例为其他汽车生产厂商提供了一个可行的废水处理方案,并促进了整个行业的环境保护工作的改进。
以上是对汽车废水处理案例的简要描述,展示了该汽车生产厂商在废水处理方面的努力和成果。
汽车工业废水的分质处理方法及工程实例摘要:介绍了汽车工业废水的来源、水质特征及分质处理方法,实际案例中某机械公司采用“分流-合流制”形式,通过气浮、混凝沉淀、水解酸化、好氧、活性炭等组合工艺处理汽车生产废水,处理效果良好,出水指标达到《污水综合排放标准》(GB8978-1996)一级标准。
关键词:汽车工业废水,分流制,合流制,气浮、混凝沉淀、水解酸化、好氧、活性炭广西某机械有限公司是一家农业机械专业生产企业,具备年产四轮农用运输车1万辆、耕整机2万台、碾米机5万台和粉碎机5万台的生产能力,项目厂区内设置焊装车间、总装车间、涂装车间、农机车间。
生产工艺包括冲压、焊接、涂装及总装,其中涂装包含表面前处理(除油脱脂+表调磷化)、涂装(电泳底漆+中涂面涂)。
1 废水来源与水质特征企业生产废水来源包括涂装生产线的预脱脂、脱脂、表调、磷化、电泳、打磨、喷漆工序,以及车间洗手槽废水等,其中各工序间歇排放的清槽液和连续排放的清洗水污染物种类相近,但浓度差别很大,具体统计如下表:表1 生产废水来源及水质特征2 处理方法分类及特点如表1所述,汽车工业废水排放主要为间歇排放的高浓清槽液和连续排放的低浓度清洗水组成,污染物成分相近,但污染物浓度差别巨大,基于这一特性,此类废水的处理方式一般分为3种类型:合流制、分流制、分流-合流制。
2.1 合流制处理系统合流制处理系统是将涂装过程中产生的所有废水根据其排放规律兑调均值后,再进行处理。
合流制流程简单,运行操作较容易,适用于粗放管理,但在处理效果及稳定性方面受到限制。
其典型工艺如下:混合废水→调节池→混凝沉淀→混凝气浮→水解酸化→SBR→过滤→吸附→排放。
2.2 合流制处理系统分流制处理系统是把脱脂废水、磷化废水、电泳废水、喷漆废水,根据自身水质特点作单独处理至达标排放,其中清槽液均需单独设储存池,节流打入各自调节池。
分流制对污染物处理针对性强,处理效果好、药品消耗少,但处理流程繁多,运行操作步骤多,对操作人员的素质要求高。
汽车工业涂装生产废水处理工程实践摘要:车漆是汽车表面保护与装潢的一种主要技术手段,但车漆在其表面形成的污染物种类繁多,且组分十分复杂,如果处置不当,会对周边环境造成极大的危害。
因此,在进行喷涂时,应注重工艺与管理。
本文分析了汽车车体喷漆工艺中所产生的废水、污水处理工艺,并提出了一些管理要点,为有关研究工作提供借鉴。
关键词:汽车工业涂装生产废水处理工艺简介管理要点前言:涂装是目前汽车行业普遍采用的一种涂装技术,其生产过程中不可避免地会产生大量的废水,如何有效地治理这些废水,是目前亟待解决的问题。
经过多年来的探索与工程实践,我们认为,利用化学、生物技术来治理汽漆污水是一种既经济又高效的方法,可实现废水回收再利用,从而保证企业的经济效益,有效保护生态环境。
1.喷漆废水污水处理工艺简介1.1喷漆废液预处理系统将油漆废水排入批式反应器,在反应器内加入可调整油漆废水pH的石灰乳粉、可溶于水的聚氯乙烯(PAC)、可溶于水的高分子水处理絮凝剂产物聚丙烯酰胺(PAM),经静置沉淀后,上清液排入废弃水池,污泥排入物理淤渣池。
1.2涂装废水处理系统在汽车涂装前,要处理电泳工序作业中排出的脱脂后清洗废水和电泳后清洗废水,与前处理后产生的脱脂、电泳、喷漆废液和要处理的磷化放废水混合,构成油漆废水。
将涂料废水提升至混凝反应罐,在反应罐中添加石灰乳,对污水的pH进行调整,使出水pH为碱,pH为9-10为碱。
在此基础上,加入聚氯乙烯和聚合物絮凝剂(PAM),分别与聚氯乙烯等高分子絮凝剂混合在一起,形成聚氯乙烯的絮凝剂。
PVC是一种高效率的、反应后的废水,它被引入到斜板沉淀槽,经过斜板的有效的固液分离,上清液被排入PH反调槽,在槽中添加稀盐酸,将废水的PH值调整为中性,也就是PH值在6-9之间方为中性,调整为中性的废水排入混合污水池,将污泥排入物化污泥池。
1.3生化处理系统将混合污水池中的污水提至SBR反应池,经搅拌、曝气、沉淀和排水排泥将污水经过滤器排放至SBR出水池。
CATALOGUE 目录•涂装废水概述•涂装废水处理技术•涂装废水处理流程•涂装废水处理设备与设施•涂装废水处理案例分析01定义来源涂装废水的定义和来源有机物含量高悬浮物含量高酸碱性强温度高涂装废水的特点涂装废水对环境的影响水质污染涂装废水中的重金属和有机物可能渗透到土壤中,对土壤造成污染,影响农作物的生长和生态环境的平衡。
土壤污染空气污染01010203生物膜法利用生物膜上的微生物,去除废水中的有机物、氨氮和重金属离子。
活性污泥法通过曝气池中的活性污泥,去除废水中的有机物和氨氮。
厌氧处理法通过厌氧微生物的作用,分解废水中的有机物,产生沼气和二氧化碳。
生物处理法01收集方式预处理废水收集与预处理分类原则根据废水的污染程度和成分,将其分为高浓度废水和低浓度废水。
处理方法高浓度废水采用厌氧生物处理或化学处理方法进行处理;低浓度废水采用好氧生物处理或膜分离技术进行处理。
采用高级氧化技术(如光催化氧化、电化学氧化)、生物膜反应器技术、活性炭吸附等深度处理技术,进一步去除废水中的微量污染物和有害物质。
效果评估对深度处理后的废水进行水质检测,确保其达到国家排放标准或企业排放标准。
处理方法VS废水排放与资源化利用排放标准资源化利用01废水处理设备通过向废水中充气,增加废水中的溶解氧,促进微生物的生长和分解。
进一步去除废水中的悬浮物和污染物。
利用重力作用使废水中的悬浮物沉淀下来。
用于去除水中的大颗粒物,保用于调节水质和水量,使废水在处理过程中保持稳定。
废水处理设施向废水中投加化学药剂,如混凝剂、氧化剂、还原剂等,以辅助去除污染物。
化学药剂投加系统活性炭吸附装置膜过滤装置消毒装置利用活性炭的吸附性能去除废水中的有机物和重金属。
通过膜过滤技术去除废水中的微小颗粒和溶解物质。
对废水进行消毒,杀死病原微生物,确保废水排放的安全性。
01案例一:某汽车制造公司涂装废水处理项目1. 概况 2. 废水特点3. 处理方案4. 处理效果某汽车零部件制造公司涂装废水处理项目主要涉及涂装车间的清洗、磷化、喷漆等工艺过程产生1. 概况经过深度处理后,废水中的污染物得到了有效去除,出水水质稳定,达到了国家规定的排放标准。
典型汽车涂装废水处理工艺汽车那花花绿绿的外表可漂亮啦,可你知道给它们穿上漂亮“衣服”后产生的废水该咋处理吗?嘿嘿,这可得好好说道说道。
咱就说这汽车涂装废水啊,那可真是个麻烦事儿。
就好像家里打扫卫生,到处都是灰尘和杂物,得想办法清理干净呀。
这废水里面啥都有,颜料啦、各种化学物质啦,乱七八糟的。
那怎么处理呢?就像我们收拾房间一样,得一步一步来。
首先呢,得有个初步的过滤,把那些大块的杂质啥的给筛出去,就像把垃圾先捡起来放到垃圾桶里。
然后呢,再用一些特别的方法来处理那些细小的污染物。
比如说,可以用生物处理法呀。
想象一下,就好像一群勤劳的小蚂蚁,把那些有害物质一点点地分解掉。
这些微生物可厉害啦,它们能把那些难搞的东西都给消化掉呢!或者呢,还可以用化学方法,就像是给废水来个“魔法变身”,让那些不好的物质变成无害的。
这处理过程可不简单呢,就跟我们做一件很难的手工活儿似的。
得细心,得有耐心,还得有技术。
要是随随便便处理,那可不行,就好像做手工做得马马虎虎,最后出来的东西肯定不咋地。
而且啊,处理这废水还得考虑成本呢!不能花太多钱呀,不然谁受得了。
就像咱过日子,得算计着花钱,不能大手大脚的。
要找到既有效又经济实惠的办法,这可不是件容易的事儿。
但咱可不能怕困难呀!就像爬山一样,虽然累,但爬到山顶看到美丽的风景,那感觉多棒呀!处理好这些废水,既能保护环境,又能让我们的生活更美好,这多有意义呀!所以说呀,这汽车涂装废水处理工艺可真是个大学问。
咱得认真对待,不能马虎。
虽然过程可能有点麻烦,但只要我们努力去做,就一定能把这个难题给解决好。
让我们的环境更干净,让我们的生活更美好,这不是大家都希望的嘛!。
2019年第9期广东化工第46卷总第395期·185·汽车涂装车间生产废水处理工程实践王立(中冶赛迪工程技术股份有限公司水资源事业本部,重庆401122)Engineering Practice of the Production Wastewater from Automobile PaintingWorkshopWang Li(Water Resources Department,CISDI Engineering Co.,Ltd.,Chongqing 401122,China)Abstract:The engineering design,treatment process,technological characteristics,treatment effects and running costs of the combined process with Fenton oxidation and air flotation,hydrolysis acidification,biological contact oxidation and sand filtration for treating the production wastewater from automobile painting workshop were introduced.After the painting wastewater was treated,the effluent quality could meet the first class criteria specified in the Integrated Wastewater Discharge Standard (GB 8978-1996).The Engineering practice showed that the system had stable operation and simple operation with a good economic and environmental benefits .Keywords:painting wastewater ;combined process ;Fenton oxidation ;hydrolysis acidification ;biological contact oxidation1概况涂装对工程机械具有很好的防锈、防蚀、美化外观等作用,是汽车及其零部件得以有效保护和装饰的重要手段及主要制造工艺之一[1-4]。
涂装废水处理工艺流程案例一、涂装废水的特点。
1.1 成分复杂。
涂装废水啊,那成分可真是够复杂的。
这里面有涂料的残留物,像各种颜料、树脂之类的。
就好比一个大杂烩,啥都有。
这些东西混在一起,处理起来就像解开一团乱麻,相当棘手。
而且还可能有重金属离子呢,这就更让人头疼了。
1.2 水质波动大。
这涂装废水的水质啊,就像小孩的脸,说变就变。
不同的涂装工艺、不同的生产阶段,废水的水质都不一样。
有时候浓度高得吓人,有时候又相对低一些。
这就给处理工艺的设计和运行带来了很大的挑战,就像在走钢丝,得小心翼翼的。
二、常见的处理工艺流程。
2.1 混凝沉淀。
这混凝沉淀可是处理涂装废水的一把好手。
往废水里加入混凝剂,就像给那些污染物找了个小帮手,让它们能抱团。
然后就像雪花飘落一样,慢慢沉淀下去。
不过呢,这混凝剂的选择可得讲究,就像选对象一样,得选合适的,不然效果就大打折扣。
2.2 气浮法。
气浮法也挺有意思的。
往水里打入空气,让那些微小的气泡把污染物托起来,就像一个个小气球带着它们往上浮。
这就像是一场神奇的魔术表演,那些污染物就这么被分离出来了。
但是这个方法也有它的局限性,不是所有的涂装废水都能被它轻松搞定的。
2.3 生物处理。
生物处理就像是利用大自然的力量来解决问题。
微生物就像一群勤劳的小工人,把废水中的有机物分解掉。
这就好比是一场无声的战斗,微生物在废水里奋勇杀敌,把那些污染物一点点消灭。
不过这微生物也很娇贵,水质、温度啥的不合适,它们就不好好干活了。
三、实际案例分析。
3.1 某汽车涂装车间废水处理。
这个汽车涂装车间的废水处理啊,那可是个典型的例子。
他们先采用了混凝沉淀的方法,把那些大颗粒的污染物先去掉,就像先把大石块搬走一样。
然后再用气浮法进一步处理,把一些细小的、难沉淀的污染物也给揪出来。
最后再用生物处理,来个彻彻底底的净化。
这一整套流程就像一个精心编排的舞蹈,每个环节都配合得很好。
经过处理后的废水,那真是大变样,从原来的脏水变成了干净的水,可以达到排放标准,不会对环境造成危害了。
某厂汽车涂装废水处理实例
更新时间:09-1-14 14:00
本工程设计处理水量60m3/h。
油漆车间排放的废水分为间歇排放的废槽液和连续排放的清洗水。
间歇排放废水主要来源于前处理槽的倒槽废液、喷漆工段排放的废液等,废水浓度高,一次排放量大,水质如表1所示。
2.2 间歇预处理2.2.1 脱脂废液
对脱脂废液采用酸化法进行破乳预处理,向脱脂废液中投加无机酸将pH调至2~3,使乳化剂中的高级脂肪酸皂析出脂肪酸,这些高级脂肪酸不溶于水而溶于油,从而使脱脂废液破乳析油。
另外,加酸后使脱脂废液中的阴离子表面活性剂在酸性溶液中易分解而失去稳定性,失去了原有的亲油和亲水的平衡,从而达到破乳。
经预处理后CODCr从2500~4000mg/L 降低到1500~2400mg/L,去除率在40%左右;而含油量从300~950 mg/L降至50~70 mg/L,去除率高达90%~95%。
2.2.2 电泳废液
在阴极电泳废水中含有大量高分子有机物,CODCr最高可达20000mg/L,还含大量电泳渣,这些物质在水中呈细小悬浮物或呈负电性的胶体状。
处理中加入适当的阳离子型聚丙烯酰胺(PAM)和聚合氯化铝(PAC)作混凝剂,利用絮凝剂的吸附架桥作用来快速去除废水中的污染物。
电泳废液在预处理时要求pH值在11~12之间,有较好的沉淀效果。
反应后的出水CODCr在2000 mg/L左右。
2.2.3 喷漆废水
对喷漆废水先采用Fenton试剂(H2O2+FeSO4)对其进行预处理,使其中的有机物氧化分解,CODCr去除效率约在30%左右,再加入PAC和PAM对其进行混凝沉淀,经过此两步处理,CODCr的总去除率可达到60%~80%,由3000~20000mg/L降至1200~4000mg/L。
出水排入混合废水调节池。
Fenton试剂具有很强的氧化能力,当pH值较低时(控制在3左右),H2O2被Fe2+催化分解生成羟基自由基(•OH),并引发更多的其他自由基,从而引发一系列的链反应[1]。
通过具有极强的氧化能力的•OH与有机物的反应,使废水中的难降解有机物发生部分氧化、使废水中的有机物C—C键断裂,最终分解成H2O、CO2等,使CODCr降低。
或者发生偶合或氧化,改变其电子云密度和结构,形成分子量不太大的中间产物,从而改变它们的溶
解性和混凝沉淀性。
同时,Fe2+被氧化生成Fe(OH)3在一定酸度下以胶体形态存在,具有凝聚、吸附性能,还可除去水中部分悬浮物和杂质。
出水通过后续的混凝沉淀进一步去除污染物,以达到净化的目的。
2.3 连续处理
经预处理的各类废水排入均和调节池中,与其它废水混合后进入连续处理流程。
混合后的废水CODCr约为700~900mg/L。
连续处理分为二级:混凝沉淀和混凝气浮。
在涂装废水中,油、高分子树脂(环氧树脂)、颜料(碳黑)、粉剂、磷酸盐等在表面活性剂、溶剂及各种助剂的作用下,以胶体的形式稳定地分散在水溶液中。
可以靠投加化学药剂来破坏胶体的细微悬浮颗粒在水中形成的稳定体系,使其聚集成有明显沉淀性能的絮凝体,然后形成沉淀或浮渣加以除去。
在废水中加入一定量的无机絮凝剂后,它们可中和乳化油或高分子树脂的电位,压缩双电层,胶粒碰撞促进凝集,完成脱稳过程,形成细小密实的絮凝物。
这样可使涂装废水中的金属离子和磷酸根离子在碱性条件下生成的固体小颗粒形成沉淀物[4]。
所以混凝处理可有效地去除汽车涂装废水中的油、高分子树脂、颜料和粉剂。
重金属离子和磷酸盐中,由于Ni2+生成Ni(OH)2沉淀以及PO43-生成Ca3 (PO4) 2沉淀的最佳pH值是10以上;而Zn2+生成氢氧化物沉淀的最佳pH值范围是8.5~9.5,pH 过高会形成ZnO22-而溶解。
所以要分二级混凝反应以分别去除Ni2+,PO43-和Zn2+ 。
同时,混凝反应后的固液分离分别采用的是斜板沉淀池和气浮池,这样既可以用斜板沉淀池来去除比重较大的重金属化合物沉淀,又可以用气浮池来去除比重较轻的有机物等。
2.3.1 混凝沉淀
第一级为混凝沉淀调节pH值为10~10.5。
反应槽采用推流式反应槽,分为三格。
第一格加碱将pH调高至10~10.5,加入CaCl2,
第二格加FeSO4,第三格加混凝剂PAM,反应后进入斜板沉淀池进行固液分离。
三格停留时间分别为15min、15min、7.5min。
斜板沉淀池表面负荷按2m3/m2•h设计。
一级反应CODCr去除率为50%~60%。
图2为一级反应槽示意图。
图2 一级反应槽示意图
2.3.2 混凝气浮
二级反应的反应槽,也采用推流式反应槽,分为三格。
第一格加酸将pH回调至8.5~9,第二格加PAC,第三格加PAM,反应后进入气浮池进行固液分离。
二级反应槽三格停留时间分别为10min、10min、5min。
气浮池的溶气水按处理水量的30%设计。
二级反应CODCr去除率为20%~25%,同时气浮也去除了Zn2+和一部分的表面活性剂。
2.4 深度处理
深度处理采用砂滤和活性炭过滤。
从运行情况看,经砂滤后的出水即能达到排放标准(CODCr≤300mg/L)。
砂滤装置的过滤速度控制在10~12m3/(m2•h)。
反冲洗水由监测水箱中的水加压后提供,反冲洗强度控制在16~18L/(m2•s)。
砂滤后的出水已能达到排放要求,因此,活性炭过滤只是一个应急保证措施,一般情况下较少使用。
2.5 污泥处理
污泥处理的好坏,直接影响废水处理站的运行。
由于污泥含油量高,直接进行压滤效果较差,在污泥浓缩槽中加入Ca(OH)2,pH调整至10左右,能达到较好的压滤效果。
污泥含水率经板框压滤机后可由99%下降至75%~80%。
2.6 连续处理去除率分析
连续处理过程去除率如表3所示。