高速铁路CTC系统与TCC系统的接口
- 格式:pdf
- 大小:2.08 MB
- 文档页数:2
客专列控中心间接口规范(报批稿) V2.1客专列控中心间接口规范(报批稿)-v2.1列车控制中心之间的接口规范(报批稿)×××-×-××-×××发布×××-×-××××执行中华人民共和国铁道部发布的规定××/t××××―××××列车控制中心之间的接口规范1范围本标准规定了列控中心(以下简称TCC)之间的通信接口、TCC之间发送的数据包、通信异常处理、数据字典等要求。
本标准适用于ctcs-2级和ctcs-3级列控系统下的tcc子系统之间的接口,包括与客专线路衔接的接口站。
2.规范性引用文件下列文件对于本文件的应用是必不可少的。
凡是注日期的引用文件,仅注日期的版本适用于本文件。
凡是不注日期的引用文件,其最新版本(包括所有的修改单)适用于本文件。
(1) CTCS-3列控系统总体技术方案(2)《列控中心技术规范》(交运[2022]138号)(3)运基信号〔2021〕532号《rssp-i铁路信号安全通信协议(v1.0)》(4)运基信号〔2021〕716号《无配线车站信号系统技术方案》(5)运基信号[2022]719号《信号系统与异物入侵监测系统接口技术条件》(6)运基信号[2022]532号《列控系统设备及相关设备编号规则》(v1.0)3通信接口3.1tcc-tcc间采用rj45以太网接口连接,设备与通信网络均按冗余配置,如图1,tcc-tcc间的数据传输采用udp协议。
二××/t××××―××××图1 TCC间通信网络结构示意图环网1odf架环网1odf架txrx1交换机r56txrx2txrx1交换机r56txrx234783478tcca 系abtccb系abtcca系abtccb系ab3456783456781txrx交换机l2txrx1txrx交换机l2txrxodf架odf架环网23.2tcc-tcc间通信应采用rssp-i铁路信号安全通信协议(v1.0)。
科技运[2009]19号CTCS-3级列控系统与GSM-R网络接口规范(V1.0)2009年2月目录修改记录 (1)目录 (2)1.引言 (4)1.1目的和范围 (4)1.2术语和定义 (4)1.3缩略语 (4)1.4参考文献 (6)2.CTCS-3级列控系统与GSM-R网络之间的界面 (8)3.I FIX接口 (8)3.1接口定义 (8)3.1.1一般规定 (8)3.1.2接口协议栈 (8)3.2物理、电气及机械特性 (9)3.3I FIX接口上的数据传输 (9)3.4I FIX接口上的信令传输 (9)3.4.1应符合的规范 (9)3.4.2信令流程 (10)4.I GSM-R接口 (18)4.1接口定义 (18)4.1.1一般规定 (18)4.1.2接口操作模式 (19)4.2物理、电气及机械特性 (19)4.3I GSM-R接口上的数据传输 (21)4.4I GSM-R接口上的信令传输 (22)4.5AT命令 (24)4.5.1AT命令定义 (24)4.5.2AT命令语法 (24)4.5.3TE-TA接口命令 (24)4.5.4呼叫控制命令 (26)4.5.5通用DCE控制命令 (32)4.5.6网络业务相关命令 (32)4.5.7基本呼叫流程 (33)5.编号方案 (35)1.引言1.1目的和范围1.1.1.1为明确CTCS-3级列控系统与GSM-R网络之间的接口要求,为CTCS-3级列控产品的研发、测试、互联互通及承载CTCS-3级列控业务的GSM-R网络设计、测试提供技术依据,特制订本规范。
1.1.1.2本规范规定了CTCS-3级列控系统与GSM-R网络之间各接口的定义、物理、电气、机械特性及各接口的数据传输、信令流程等内容。
1.2术语和定义1.2.1.1移动终端MT0:MT0是完整的移动台,它包括数据终端和适配功能,但不提供外部终端接口。
1.2.1.2移动终端MT1:MT1提供外部终端接口,该接口遵循ISDN用户网络接口规范中的GSM建议子集。
浅谈CBTC和CTCS列车运行控制系统摘要:随着我国城市轨道交通和客运专线及高速铁路的飞速发展,两种列成运行控制系统应运而生,即CBTC(Communications-based Train Control)和CTCS(Chinese Train Control System)列车运行控制系统。
CBTC技术发源于欧洲连续式列车控制系统,经多年的发展,取得了长足的进步。
CTCS是铁道部立项自主研发的适合我国国情的新一代列车运行控制系统。
关键词:列车控制系统;CBTC;CTCS;联锁;轨道电路1 CBTC列控系统基于通信的列车控制(CBTC)系统独立于轨道电路,采用高精度的列车定位和连续、高速、双向的数据通信,通过车载和地面安全实现对列车的控制。
如今包括阿尔卡特、西门子、阿尔斯通等多家列车控制系统设备提供商均开发了自己的CBTC系统,并在温哥华、伦敦、巴黎、香港、武汉等多个城市的轨道交通线上运行。
1.1 CBTC系统的结构:整个无线CBTC系统包括的子系统有列车制动监控(ATS)系统、数据通信系统(DSC)、区域控制器(ZC)、车载控制器(VOBC)及司机显示(TOD)等,子系统之间的通信基于开放的、标准的数据通信系统。
地面与移动的列车之间都基于无线通信进行信息交换。
1.2 CBTC系统的基础CBTC系统引入了无线通信子系统,建立车地之间连续、双向、高速的通信,列车的命令和状态可以在车辆和地面设备之间可靠交换,使系统的主体CBTC 地面设备和受控对象列车紧密的连接在一起。
所以,“车地通信”是CBTC系统的基础,CBTC系统的另外一个基础则是“列车定位”。
只有确定了列车的准确位置,才能计算出列车间的相对距离,保证列车的安全间隔;也只有确定了列车的准确位置,才能保证根据线路条件,对列车进行限速或者与地面设备发生联锁。
1.2.1 车地通信原理CBTC采用无线通信系统进行车地通信。
无线通信系统包括轨旁无线单元(WRU)和车载无线单元(OBRU)两个部分。
七、`FZ-CTC系统与其他系统的接口:新一代调度集中系统New Generation CTC (FZ-CTC),是在铁路跨越式发展的新形势下,在计算机技术、通信技术、信号技术高度发达以及DMIS系统成功实施的基础上, 提出来的一种新型的行车指挥和信号控制设备,同时也将带来一种新的高效的运输组织管理模式。
新一代调度集中系统吸取传统CTC的经验和教训,充分考虑中国铁路客货混跑、调车作业多的实际情况, 采用“分散自律(Distributed Autonomic System)”的理论,将调车控制纳入到CTC功能中来,系统无需切换控制模式即可实现行车作业和调车作业的协调办理,并且能够进行无人值守车站的调车作业,从而将调度集中的优势彻底地发挥出来。
建设新一代CTC本着“以DMIS为平台,以CTC为核心”的原则来进行。
CTC系统包含了DMIS的所有功能,如列车运行监视,车次号自动跟踪,到发点自动采集,实际运行图自动生成、阶段计划的自动调整,调度命令的网络下达,车站行车日志自动生成等,在此基础上进一步实现了车站信号设备的集中控制,列车进路的按图排路和调车控制。
在软件、硬件设备及网络传输通道上,FZ-CTC系统将最大限度地利用既有DMIS系统的资源,以节省铁路局的投资。
1、与计算机联锁系统的接口:计算机联锁系统本身是一个封闭的控制网络,为不影响联锁系统的正常工作,自律机与联锁系统的控显机间通过串行通讯接口进行连接。
自律机从联锁控显机获得表示信息,并将完整的进路操作指令传送给控显机,由控显机将此指令转换为联锁能识别的控制命令。
双自律机与双联锁控显机进行交叉连接,在四个通信连接中只要有一个是正常的,自律机就能和联锁系统通讯,保证CTC系统的可用性。
串行通信接口在自律机端需要通过光电隔离后与控显机连接,实现自律机与控显机间的隔离。
计算机联锁车站信号系统是一种新型的铁路车站信号自动控制设备,在保证安全的前提下,以最经济、合理的技术措施,提高运输效率,改善劳动条件,而且便于联网,有着很多优势。
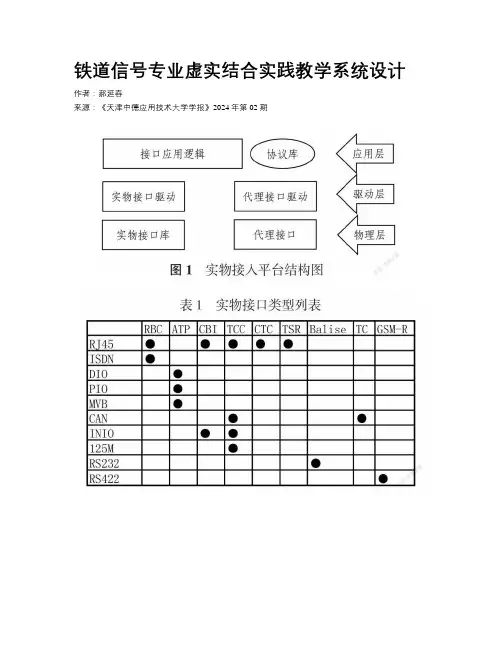
铁道信号专业虚实结合实践教学系统设计作者:***来源:《天津中德应用技术大学学报》2024年第02期摘要:依据实用性和经济性原则,构建内外联动、车地互通、虚实结合的铁路信号实践教学基地,既要支撑各实物信号设备以全真方式运行,又要以人机互动的方式提供虚拟仿真运行环境。
为实现实物信号设备的接入和测试,采用中间件技术构建实物接入平台,作为实物设备与仿真系统之间的软件、硬件接口,可实现二者之间的虚实互换、虚实互控及时序配合。
关键词:铁路信号实训基地;中间件技术;实物接入系统中图分类号:U283 文献标识码:A 文章编号:2096-3769(2024)02-076-05近年来,我国高铁事业蓬勃发展,对高素质的铁道信号专门人才提出了更高的要求。
然而,这些人才的技能训练需要较长的周期和较高的成本,因此必须采用虚实结合的方式来建设实践教学系统。
一、系统设计思路高等职业教育铁道信号专业实践教学基地的建设,需要按照真实的工作场景、真实的设备和界面、真实的作业流程构建,既有实物设备实训的要求,又有结合真实环境仿真模拟的要求。
通过对实物接入平台的抽象化,构建物理层、驱动层和应用层,针对不同子系统/设备的具体连接特性建立接口平台,满足仿真系统运行的需求。
为此需要进行两个方面的研究,一方面研究实物子系统如何接入到仿真平台,另一方面研究实物子系统与仿真模型之间的虚实互换、虚实互控及时序配合。
[1]实物接入是将实物设备作为仿真系统对象接入到综合实训平台的技术和方法,实现在仿真系统环境下实物系统、仿真模型、仿真环境之间的协同运行。
其过程是将仿真系统模拟的逻辑信号转变为与真实运行环境完全一致的物理信号[2],再施加于实物系统,支撑实物设备的设计集成调试和功能测试验证。
同时通过提高实物接入的执行效率和精准度,提高设计仿真平台的可用性和可信度。
实物接入不仅完成实物设备物理、电气特性以及协议的转换工作,还需要接入代理建立实物设备和虚拟对象之间的映射关系。
CTC和TDCS系统简介CTC和TDCS系统属于计算机网络范畴,系统维护可比照计算机联锁系统维护要求和1.0.19条内容进行。
除系统维修外,重点掌握以下内容和功能,有利于系统的维护和安全运行。
1.CTC和CTCS直接涉及行车安全,必须自成体系,单独组网,独立运行,严禁与其他系统直接联网。
联网时应采取物理隔离方式,与其他信息系统连接,采用专用的接口及协议,并在严格可控的条件下进行数据交换。
系统应设有防火墙、入侵监测、病毒防护、身份认证等安全设施。
网络中各网络节点应采用统一的时钟并自动校核。
系统还应具备双套冗余,局部故障不得影响整个系统。
系统设备故障时,不影响车站联锁设备和区间闭塞设备的正常工作,不应导致车站联锁设备和区间闭塞设备的错误动作。
系统必须具备自检、诊断、报警、存储再现等功能,且各类信息保存时间应大于15天。
2.CTC、TDCS系统设备应能实时调度员和其他有关人员提供所辖区段内车站、区间信号设备状态和列车运行情况的表示信息。
CTC、TDCS设备各种显示屏(表示盘)上所显示的图形符合,应与车站、区间联锁设备所表示的含义和状态相符。
系统应能完成运输计划、调度命令的下达,车次号自动追踪、传递与修改,运行图自动描绘及有关运输指挥管理图、表等内容的显示、存储和打印等功能。
3.CTC、TDCS系统应实时显示轨道电路占用与空闲、区间占用与空闲、信号开放与关闭、道岔位置等状态,系统信息变化的响应时间应不大于4S。
TDCS 系统应为CTC系统提供平台和接口。
4.CTC设备应保证调度员能对所辖区段内的行车、调车作业进行集中控制,能下放或收回车站对行车、调车作业的控制权。
5.CTC系统应遵循以下技术原则。
1)系统用各种方式对车站信号设备进行控制时,联锁关系应由车站联锁设备保证。
系统实现各种功能时,应保证车站、区间信号设备既有联锁关系的完整性。
2)系统在办理列车、调车进路时,应受到车站(场)相应联锁关系、照查条件的限制和有关行车特殊要求的约束。
高速铁路CTC系统与TCC系统的接口研究林海香(兰州交通大学 自动化与电气工程学院 甘肃 兰州 730070)摘 要: 高速铁路调度集中系统CTC作为高速铁路的调度指挥中枢,需要包括列车运行信息等多种信息在内的支持,其中与列车运行控制系统TCC信息交换是很重要的一方面,这两者之间的接口设计成为实现信息交换的关键。
结合高速铁路TCC的特点和CTC系统对通道的要求,总结接口的设置原则,详细描述其接口信息管理方式和传输内容,对其中重要的临时限速设置给出流程。
关键词: 高速铁路;CTC;TCC;接口中图分类号:U238 文献标识码:A 文章编号:1671-7597(2012)1110072-01高速铁路需要信号系统保证运营安全,其中的行车调度指临时限速的相关操作,并与临时限速服务器相连接。
在CTCS-挥系统CTC(Centralized Traffic Control,调度集中系统)3下,临时限速服务器首先要完成存储并验证限速命令合法性负责高铁总体运营调度,属于非故障-安全系统;另一个重要的和有效性,校核限速命令在发往两个目标系统RBC和TCC后的一信号系统就是CTCS(中国列车运行控制系统,Chinese Train 致性,其次在该临时限速命令执行时,检查两个目标系统Control System),它是一种先进的铁路列车运行控制系统。
RBC和TCC的临时限速执行情况,最后要记录限速命令的操作其中的TCC(Train Control Center,列控中心)是CTCS地面和状态变化日志。
核心子系统,它综合分析线路限速信息、轨道区段状态和信号 3 接口方式联锁进路信息等,得出列车行车许可,再通过车地通信通道,CTC与TCC系统的结合通过车站自律机与车站列控中心进行传输给车载子系统,确保其管辖内的所有列车运行安全,因此接口,如图1所示,目前工程上多采用RS-422串口连接,而且TCC系统是一个典型的故障-安全系统。
TCC与多个站内信号系统双方之间采用双通道交叉冗余连接,并采取隔离措施。
车站自均有接口,而安全系统TCC与非安全系统CTC系统的接口,成为律机通过标准的4芯双绞屏蔽电缆连接至车站列控中心。
屏蔽线影响高速铁路安全高效运营的关键接口。
采用单端接地,即只在车站列控中心一端接地,通信速率本文主要对高速铁路CTC系统与TCC系统的接口问题进行深38400bps,其中主要数据位8bit,停止位1bit。
入分析,并对该接口在不同CTCS运行级别下的配置与管理进行总结。
1 CTC系统与TCC系统的接口设置原则车站列控中心或无岔站列控中心TCC(Train ControlCenter)与CTC系统直接通信,而中继站列控中心TCC则通过其所属车站列控中心与CTC系统间接通信[1]。
相应的,CTC调度中心处增设临时限速服务器和临时限速操作终端,主要完成临时限速的下达与取消、冲突检测等功能图1 CTC与TCC接口连接[2]。
4 临时限速报文交互流程2 接口信息管理目前我国的高速铁路列控系统应用的主要是CTCS-2级和CTCS-3级,不同等级的列控系统,其TCC与CTC接口配置和管理不同。
对于CTCS-2级,即200-250km/h客运专线,临时限速由CTC调度中心综合维修调度台集中管理,CTC车站终端也应具备设置临时限速功能。
在调度中心综合维修调度台上,综合维修调度员在列车调度员的领导下,通过综合维修工作站完成车站设备日常维护、天窗修、施工以及故障处理方面的登销记手续办理,并结合临时限速操作终端和临时限速服务器,具有设置临时限速,区间、股道封锁等功能。
此时,临时限速服务器主要用于存储临时限速命令计划,另一方面对即将到达执行时间的限速命令,在人机对话界面上给综合维修调度员提示并由其进行激活。
再由临时限速服务器经通信网络分别下达给相关无线闭塞中心RBC(Radio Blocking Center)和列控中心TCC进行执行,并接收已执行信息,再送至综合维修工作站。
RBC的本地操作终端,一般情况下与临时限速服务器操作终端设在一块,通常设在调度中心。
对于CTCS-3级,即300-350km/h客运专线,临时限速直接由临时限速服务器和临时限速操作终端管理。
在CTC综合维修调度台放置临时限速操作终端,用于综合维修调度员进行高速列车在行驶过程中,需要多种信息的支持,才能保证安全运营。
其中,CTC系统与TCC系统接口的重要目的就是临时限速报文的交互,如在某些重要区段进行临时维修作业时,为保证安全,该区段所通行的高铁列车必须临时限速。
临时限速命令属于一种调度命令,在管理上属于CTC统一调度管理,在执行上由TCC下发至高铁列车执行。
同时在接口交互的过程中,CTC和TCC均要进行临时限速命令的合法性、有效性和一致性的校核并记录,这是一个复杂的过程,并且报文的交互不能影响安全系统TCC的工作。
为此,CTC和TCC系统的临时限速报文格式必须一致,为方便交互过程中对限速命令的检查与校核,报文中还应设限速命令标志位,如图2所示,CTC先将限速命令的标志信息置为0x50,同时向主、备TCC均发送临时限速命令;TCC接收到后进行验证,如果该临时限速命令能够执行,TCC将相应的限速状态标志置为0x55,CTC接收到该反馈后,就会提醒值班员该临时限速命令可以正式批准执行。
在经值班员批准执行后,限速命令的标志信息置为0xA0,再发往TCC,经验证后立即执行该限速命令,并更新应答器的报文。
若不可执行,TCC将相应限速状态的标志信息置为0x5A并返回至CTC,而CTC据此限速的反馈来撤销该限速命令。
(下转第75页)及其应用[J].计算机工程与应用,2006(13):200-202.3)元胞自动机转换规则的建立问题。
建立合理的转换规[4]柯长青、欧阳晓莹,基于元胞自动机模型的城市空间变化模拟研则是元胞自动机应用于分布式水文模型取得成效的关键。
在本究进展[J].南京大学学报(自然科学),2006,42(1):103-110.文定义的元胞自动机中,将元胞按照所处的位置分为坡面和河[5]石琴、黄志鹏、张卫华,基于交通流元胞自动机模型的车辆当量道元胞,不同类型的元胞采用不同的转换规则。
如何建立这两换算[J].中国公路学报,2006,19(4):114-117.类转换规则,是需要重点研究的问题。
[6]周成虎、孙战利,地理元胞自动机研究[M].北京:科学出版社,4)元胞自动机与GIS集成的问题。
虽然将元胞自动机与1999.GIS集成可以克服各自的缺点,形成一个全新的优势互补的动态[7]高宝俊、张廷、宣慧玉等,基于异质元胞自动机的SARS传播系统,然而元胞自动机是一个时空动态模型,传统的GIS并不能[J].系统工程理论方法应用,2006,15(3):205-209.完整的表示地理实体的时空信息和时空关系,时空分析能力很[8]赵文杰、刘兆理,元胞自动机在环境科学中的应用[J].东北师大弱。
如何将二者动态的紧密集成,也是需要重点研究的问题。
学报(自然科学版),2003,35(2):87-92.5 结语[9]Ambrosio D, Gregorio S D, Gabriele S et al. A cellular automata 1)近年来GIS、RS等技术的发展,为满足分布式流域水文model for soil erosion by water[J]. Physics and Chemistry of the Earth (B), 模型研究的条件提供了有力的支持,使分布式流域水文模型得2001, 26 (1): 33-39.以迅速发展,成为水文学研究的热点。
同时,分布式水文模型[10]Avolio, M V, Crisci G M, D'Ambrosio, D et al. An extended notion 的发展也面临一些问题和挑战,迫切需要新的技术和方法来进of Cellular Automata for surface flows modeling[J]. WSEAS Transactions on 一步推动分布式水文模型的发展。
Computers, 2003(2):1080-1085.2)元胞自动机是一种时间、空间和状态都离散的分布式[11]Aitkenhead M J,Foster A R, FitzPatrick E A et al. Modelling water 计算模型,理论上非常适合应用于分布式水文模型的研究。
将release and absorption in soils using cellular automata[J].Journal of Hydrology, 元胞自动机和分布式水文模型相结合建立了元胞自动机水文模1999, (220):104-112.型CAHM,该模型有易于建模、具有并行计算能力、易于同[12]Ahmad S, Simonovic S P. Spatial system dynamics: a new approach GIS集成等优势,具有潜在的应用前景。
for simulation of water resources systems[J]. Journal of Computing in Civil 3)由于元胞自动机框架的简单性与水文机理复杂性之间存Engineering, 2004, 18(4): 331-340.[13] Rinaldi P R, Dalponte D D, Venere M J et al. Graph-based 在的矛盾,使得用基于元胞自动机的分布式水文模型来模拟水Cellular Automata for Simulation of Surface Flows in Large Plains[J]. Asian 文过程的时空动态变化也面临尺度问题、水文物理规律不确定Journal of Applied Sciences, 2012, (5): 224-231.性、转换规则的复杂性、与GIS集成等问题和挑战,通过对这些[14]张俊勇、陈立、吴华林等,水系形成与发展的元胞自动机模型问题的进一步研究,使元胞自动机更好地应用于水文学领域。
研究[J].水科学进展,2007,18(5):695-700.4)本文针对水文研究领域的特殊性,扩展了元胞自动机[15]汤富平、李满春、秦奋,基于CA的小流域分布式降雨径流模的定义,提出了基于元胞自动机的分布式水文模型的框架结拟,2010,21(2):173-178.构,为元胞自动机这一新方法工具在水文学研究领域的应用作[16] O'Callaghan J F, Mark D M. The extraction of drainage networks 了一些探索。