数控车床加工件零件图及编程程序
- 格式:docx
- 大小:188.46 KB
- 文档页数:7
数控车床零件的工艺分析及编程典型实例更新日期:来源:数控工作室根据下图所示的待车削零件,材料为45号钢,其中Ф85圆柱面不加工。
在数控车床上需要进行的工序为:切削Ф80mm 和Ф62mm 外圆;R70mm 弧面、锥面、退刀槽、螺纹及倒角。
要求分析工艺过程与工艺路线,编写加工程序。
图1 车削零件图1.零件加工工艺分析(1)设定工件坐标系按基准重合原则,将工件坐标系的原点设定在零件右端面与回转轴线的交点上,如图中Op点,并通过G50指令设定换刀点相对工件坐标系原点Op的坐标位置(200,100)(2)选择刀具根据零件图的加工要求,需要加工零件的端面、圆柱面、圆锥面、圆弧面、倒角以及切割螺纹退刀槽和螺纹,共需用三把刀具。
1号刀,外圆左偏刀,刀具型号为:CL-MTGNR-2020/R/1608 ISO30。
安装在1号刀位上。
3号刀,螺纹车刀,刀具型号为:TL-LHTR-2020/R/60/1.5 ISO30。
安装在3号刀位上。
5号刀,割槽刀,刀具型号为:ER-SGTFR-2012/R/3.0-0 IS030。
安装在5号刀位上。
(3)加工方案使用1号外圆左偏刀,先粗加工后精加工零件的端面和零件各段的外表面,粗加工时留0.5mm的精车余量;使用5号割槽刀切割螺纹退刀槽;然后使用3号螺纹车刀加工螺纹。
(4)确定切削用量切削深度:粗加工设定切削深度为3mm,精加工为0.5mm。
主轴转速:根据45号钢的切削性能,加工端面和各段外表面时设定切削速度为90m/min;车螺纹时设定主轴转速为250r/min。
进给速度:粗加工时设定进给速度为200mm/min,精加工时设定进给速度为50mm/min。
车削螺纹时设定进给速度为1.5mm/r。
2.编程与操作(1)编制程序(2)程序输入数控系统将程序在数控车床MDI方式下直接输入数控系统,或通过计算机通信接口将程序输入数控机床的数控系统。
然后在CRT 屏幕上模拟切削加工,检验程序的正确性。
车床编程实例一半径编程图3.1.1 半径编程%3110 (主程序程序名)N1 G92 X16 Z1 (设立坐标系,定义对刀点的位置)N2 G37 G00 Z0 M03 (移到子程序起点处、主轴正转)N3 M98 P0003 L6 (调用子程序,并循环6 次)N4 G00 X16 Z1 (返回对刀点)N5 G36 (取消半径编程)N6 M05 (主轴停)N7 M30 (主程序结束并复位)%0003 (子程序名)N1 G01 U-12 F100 (进刀到切削起点处,注意留下后面切削的余量)N2 G03 U7.385 W-4.923 R8(加工R8 园弧段)N3U3.215 W-39.877 R60 (加工R60 园弧段)N4 G02 U1.4 W-28.636 R40(加工切R40 园弧段)N5 G00 U4 (离开已加工表面)N6 W73.436 (回到循环起点Z 轴处)N7 G01 U-4.8 F100 (调整每次循环的切削量)N8 M99 (子程序结束,并回到主程序)直线插补指令编程图3.3.5 G01 编程实例%3305N1 G92 X100 Z10 (设立坐标系,定义对刀点的位置)N2 G00 X16 Z2 M03 (移到倒角延长线,Z 轴2mm 处)N3 G01 U10 W-5 F300 (倒3×45°角)N4 Z-48 (加工Φ26 外圆)N5 U34 W-10 (切第一段锥)N6 U20 Z-73 (切第二段锥)N7 X90 (退刀)N8 G00 X100 Z10 (回对刀点)N9 M05 (主轴停)N10 M30 (主程序结束并复位)车床编程实例三圆弧插补指令编程%3308N1 G92 X40 Z5 (设立坐标系,定义对刀点的位置)N2 M03 S400 (主轴以400r/min 旋转)N3 G00 X0 (到达工件中心)N4 G01 Z0 F60 (工进接触工件毛坯)N5 G03 U24 W-24 R15 (加工R15 圆弧段)N6 G02 X26 Z-31 R5 (加工R5 圆弧段)N7 G01 Z-40 (加工Φ26 外圆)N8 X40 Z5 (回对刀点)N9 M30 (主轴停、主程序结束并复位图3.3.8 G02/G03 编程实例倒角指令编程图3.3.10.1 倒角编程实例%3310N10 G92 X70 Z10 (设立坐标系,定义对刀点的位置)N20 G00 U-70 W-10 (从编程规划起点,移到工件前端面中心处)N30 G01 U26 C3 F100 (倒3×45°直角)N40 W-22 R3 (倒R3 圆角)N50 U39 W-14 C3 (倒边长为3 等腰直角)N60 W-34 (加工Φ65 外圆)N70 G00 U5 W80 (回到编程规划起点)N80 M30 (主轴停、主程序结束并复位)车床编程实例五倒角指令编程%3310N10 G92 X70 Z10 (设立坐标系,定义对刀点的位置)N20 G00 X0 Z4 (到工件中心)N30 G01 W-4 F100 (工进接触工件)N40 X26 C3 (倒3×45°的直角)N50 Z-21 (加工Φ26 外圆)N60 G02 U30 W-15 R15 RL=3(加工R15 圆弧,并倒边长为4 的直角)N70 G01 Z-70 (加工Φ56 外圆)N80 G00 U10 (退刀,离开工件)N90 X70 Z10 (返回程序起点位置)M30 (主轴停、主程序结束并复位)图3.3.10.2 倒角编程实例车床编程实例六圆柱螺纹编程螺纹导程为1.5mm,δ=1.5mm,δ'=1mm ,每次吃刀量(直径值)分别为0.8mm、0.6 mm 、0.4mm、0.16mm图3.3.12 螺纹编程实例%3312N1 G92 X50 Z120 (设立坐标系,定义对刀点的位置)N2 M03 S300 (主轴以300r/min 旋转)N3 G00 X29.2 Z101.5 (到螺纹起点,升速段1.5mm,吃刀深0.8mm)N4 G32 Z19 F1.5 (切削螺纹到螺纹切削终点,降速段1mm)N5 G00 X40 (X 轴方向快退)N6 Z101.5 (Z 轴方向快退到螺纹起点处)N7 X28.6 (X 轴方向快进到螺纹起点处,吃刀深0.6mm)N8 G32 Z19 F1.5 (切削螺纹到螺纹切削终点)N9 G00 X40 (X 轴方向快退)N10 Z101.5 (Z 轴方向快退到螺纹起点处)N11 X28.2 (X 轴方向快进到螺纹起点处,吃刀深0.4mm)N12 G32 Z19 F1.5 (切削螺纹到螺纹切削终点)N13 G00 X40 (X 轴方向快退)N14 Z101.5 (Z 轴方向快退到螺纹起点处)N15 U-11.96 (X 轴方向快进到螺纹起点处,吃刀深0.16mm)N16 G32 W-82.5 F1.5 (切削螺纹到螺纹切削终点)N17 G00 X40 (X 轴方向快退)N18 X50 Z120 (回对刀点)N19 M05 (主轴停)N20 M30 (主程序结束并复位)恒线速度功能编程%3314车床编程实例七图3.3.14 恒线速度编程实例N1 G92 X40 Z5 (设立坐标系,定义对刀点的位置)N2 M03 S400 (主轴以400r/min 旋转)N3 G96 S80 (恒线速度有效,线速度为80m/min)N4 G00 X0 (刀到中心,转速升高,直到主轴到最大限速)N5 G01 Z0 F60 (工进接触工件)N6 G03 U24 W-24 R15 (加工R15 圆弧段)N7 G02 X26 Z-31 R5 (加工R5 圆弧段)N8 G01 Z-40 (加工Φ26 外圆)N9 X40 Z5 (回对刀点)N10 G97 S300 (取消恒线速度功能,设定主轴按300r/min 旋转)N11 M30 (主轴停、主程序结束并复位)车床编程实例八%3317M03 S400 (主轴以400r/min 旋转)G91 G80 X-10 Z-33 I-5.5 F100(加工第一次循环,吃刀深3mm)X-13 Z-33 I-5.5(加工第二次循环,吃刀深3mm)X-16 Z-33 I-5.5(加工第三次循环,吃刀深3mm)M30 (主轴停、主程序结束并复位)图3.3.17 G80 切削循环编程实例车床编程实例九G81 指令编程(点画线代表毛坯)图3.3.20 G81 切削循环编程实例%3320N1 G54 G90 G00 X60 Z45 M03 (选定坐标系,主轴正转,到循环起点)N2 G81 X25 Z31.5 K-3.5 F100 (加工第一次循环,吃刀深2mm)N3 X25 Z29.5 K-3.5 (每次吃刀均为2mm,)N4 X25 Z27.5 K-3.5 (每次切削起点位,距工件外圆面5mm,故K 值为-3.5)N5 X25 Z25.5 K-3.5 (加工第四次循环,吃刀深2mm)N6 M05 (主轴停)N7 M30 (主程序结束并复位车床编程实例十G82 指令编程(毛坯外形已加工完成)%3323N1 G55 G00 X35 Z104(选定坐标系G55,到循环起点)N2 M03 S300 (主轴以300r/min 正转)N3 G82 X29.2 Z18.5 C2 P180 F3(第一次循环切螺纹,切深0.8mm)N4 X28.6 Z18.5 C2 P180 F3(第二次循环切螺纹,切深0.4mm)N5 X28.2 Z18.5 C2 P180 F3(第三次循环切螺纹,切深0.4mm)N6 X28.04 Z18.5 C2 P180 F3(第四次循环切螺纹,切深0.16mm)N7 M30 (主轴停、主程序结束并复位)图3.3.23 G82 切削循环编程实例车床编程实例十一外径粗加工复合循环编制图3.3.27 所示零件的加工程序:要求循环起始点在A(46,3),切削深度为1.5mm(半径量)。
模块五数控车床典型零件加工实例本课题主要选取了两个实例,一个是模具数控车加工实例,一个是中级数控车床操作工应会试题。
学习目标知识目标:●了解数控车床典型零件的加工过程了解中级数控车床操作工应掌握的基本技能能力目标:●正确运用数控系统的指令代码,编制一般零件的车削加工程序。
实例1:加工如图1-80所示的对拼模具型腔。
用车床加工成形部分,如果采用普通车床加工,则必须要使用靠模,加工效率极低而且加工精度也较低。
所以采用数控车床进行加工最合适。
图1-80 对拼模具1.加工准备1)将两拼块分别加工成形。
2)在两拼块上装导钉,一端与下模板过渡配合,另一端与上模板间隙配合。
3)两拼块合装后外形尺寸磨正,对合平面磨平并保证两拼块厚度一致。
4)在花盘上搭角铁,将下模板固定在角铁上,拼合上模板并压紧,用千分表校正后固定角铁,安装示意图如图1-81所示。
图1-81 安装示意图2.所需刀具本工件需要通过钻孔、粗车、精车三个工步加工,钻孔时采用在尾架上装夹φ16mm的钻头手动进给,而粗车和精车则采用自动运行的办法。
粗车时用55°的内孔车刀,刀具号为T01,刀补号为01;精车时用35°的内孔车刀,刀具号为T02,刀补为02。
3.编写加工程序N10 M03 S500N20 T0101N30 G00 X0 Z3.0N40 G01 Z-30.0 F0.5N60 G01 Z-57.0N70 G00 X0N80 G00 Z-31.6N90 G01 X24.4 F0.2N100 G01 Z-50.4N110 G00 X0N120 Z3.0N130 G01 X18.3 Z3.0 F0.3N140 Z0N150 X22.0 Z-10.1N160 W-6.3N170 G02 X21.7 W-13.4 I6.45 J-6.8 N180 G03 X24.5 Z-50.4 I-11.1 J-11.0 N190 GO2 X20.8 Z-56.0 I7.55 J-5.6 N200 G01 X0N210 G00 Z200.0N220 G00 X200.0 T0100N230 T0202N240 G00 Z3.0N250 G01 X18.8 Z3.0 F0.3N260 Z0N280 W-6.3N290 G02 X22.2 W-13.4 I6.45 J-6.8N300 G03 X25.0 Z-50.4 I-11.1 J-11N310 G02 X21.3 Z-56.0 I7.55 J-5.6N320 G01 Z-58.0N330 G00 X0N340 G00 Z100.0N350 G00 X200.0 T0200N360 M05N370 M304.加工过程1)在尾架上装φ16mm的钻头,手动进给钻穿工件。
加工件1:根据下图零件,按GSK-980T数控系统要求编制加工程序;刀具装夹位置:粗、精车用1号外圆车刀,切断用4号切断刀;编程参考 1O 1001 ;说明:N10G50 X50 Z100 ;以换刀点定位工件坐标系N20M3 S560 ;启动主轴N30T0101 ;换1号刀N40G0 X25 Z2 ;快速移动到加工出发点N50G71 U0.8 R0.5 ;执行外圆粗加工循环N60G71 P70 Q140 U0.5 W0.2 F100 ;留余量X0.5 Z0.2,进给量100 mm/min N70G0 X0 ;轮廓加工起始行N80G1 Z0 F30 ;精加工进给量30N90G3 X10 Z-5 R5 ;N100G1 Z-15 ;N110X18 W-10 ;N120W-7 ;N130X21 ;N140X23 Z-33 ;N150Z-45 ;轮廓加工结束行N160G70 P70 Q140 ;执行精加工循环N170G0 X50 Z100 ;回换刀点N180T0404 ;换4号切断刀N190G0 X27 Z-40.1 ;定位切断起点,留0.1mm余量N200G1 X12 F15 ;N210G0 X25 ;N220Z-40 ;N230G1 X0 F10 ;切断,进给量10mm/minN240G0 X50 ;N250Z100 M5 ;回换刀点,停主轴N260T0100 ;换回基准刀N270M30 ;结束程序%加工件2:下图为待加工零件,材料:φ25铝合金棒料;粗、精车用1号外圆车刀,切断用4号切断刀;换刀点定在X50,Z100,请根据GSK-980T系统要求编制加工程序;编程参考2O 1002 ;说明:N10G50 X50 Z100 ;以换刀点定位工件坐标系N20M3 S560 ;启动主轴N30T0101 ;换1号刀N40G0 X25 Z2 ;快速移动到加工出发点N50G71 U0.8 R0.5 ;执行外圆粗加工循环N60G71 P70 Q140 U0.5 W0.2 F100 ;留余量X0.5 Z0.2,进给量100 mm/min N70G0 X4.307 ;轮廓加工起始行N80G1 Z0 F30 ;精加工进给量30N90G3 X8.268 Z-1.722 R2 ;N100G1 X12 Z-15 ;N110W-5 ;N120X14 ;N130G2 X23.5 Z-30 R15 ;N140Z-45 ;轮廓加工结束行N150G70 P70 Q140 ;执行精加工循环N160G0 X50 Z100 ;回换刀点N170T0404 ;换4号切断刀N180G0 X26 Z-36 ;定位切槽起点N190G1 X18 F10 ;切槽N200G4 X4 ;槽底暂停4秒N210G0 X26 ;N220Z-40.1 ;定位切断起点,留0.1mm余量N230G1 X12 F15 ;N240G0 X20 ;N250Z-39 ;退刀至倒角起点N260G1 X16 Z-40 F10 ;车尾端倒角N270X0 F10 ;切断,进给量10mm/minN280G0 X50 Z100 ;N290M5 ;回换刀点,停主轴N300T0100 ;换回基准刀N310M30 ;结束程序%加工件3:工件如下图所示,材料:φ25铝合金棒料;粗、精车用1号外圆车刀,60°螺纹刀装在3号刀位,切断用4号切断刀;换刀点定在X50,Z100,请根据GSK-980T系统要求编制加工程序;编程参考3O 1003 ;说明:N10G50 X50 Z100 ;以换刀点定位工件坐标系N20M3 S560 ;启动主轴N30T0101 ;换1号刀N40G0 X25 Z1 ;快速移动到加工出发点N50G71 U0.8 R0.5 ;执行外圆粗加工循环N60G71 P70 Q150 U0.5 W0.2 F100 ;留余量X0.5 Z0.2,进给量100 mm/min N70G0 X7.8 ;轮廓加工起始行N80G1 X11.8 Z-1 F30 ;车前端1×45°倒角N90Z-15 ;N100X12 ;N110X16 Z-27 ;车圆锥面N120W-8 ;N130X18 ;N140G2 X24 Z-40 R5.6 ;车凹圆弧N150Z-55 ;轮廓加工结束行N160G70 P70 Q140 ;执行精加工循环N170G0 X50 Z100 ;回换刀点N180T0303 ;换3号螺纹刀N190G0 X16 Z3 ;定位车螺纹起点N200G92 X11.1 Z-13.5 F1 ;分三刀车F1螺纹,第一刀0.7mmN210X10.7 ;第二刀0.4mmN220X10.5 ;第三刀0.2mmN230G0 X50 Z100 ;N240T0404 ;换4号切断刀N250G0 X27 Z-40.1 ;定位切断起点,留0.1mm余量N260G98 G1 X16 F15 ;预切一槽N270G0 X26 ;退刀N280Z-48 ;N290G1 X22 Z-50 F10 ;车尾端倒角,进给量10mm/minN300X0 ;切断N310G0 X50 ;N320Z100 M5 ;回换刀点,停主轴N330T0100 ;换回基准刀N340M30 ;结束程序。
数控车床编程实例二:直线插补指令G01数控编程直线插补指令G01数控编程零件图样%3305N1 G92 X100 Z10 M03 S500 T010(设立加工工件坐标系,定义对刀点的位置)N2 G00 X16 Z2 (移到倒角延长线,Z轴2mm处)N3 G01 U10 W-5 F300 (倒3×45°角)N4 Z-48 (加工Φ26外圆)N5 U34 W-10(切第一段锥)N6 U20 Z—73 (切第二段锥)N7 X90 (退刀)N8 G00 X100 Z10 (回对刀点)N9 M05 (主轴停)N10 M30(主程序结束并复位)数控车床编程实例三:圆弧插补G02/G03指令数控编程圆弧插补指令编程零件图样%3308N1 G92 X40 Z5(设立工件坐标系,定义对刀点的位置)N2 M03 S400 (主轴以400r/min旋转)N3 G00 X0(到达工件中心)N4 G01 Z0 F60(工进接触工件毛坯)N5 G03 U24 W—24 R15 (加工R15圆弧段)N6 G02 X26 Z—31 R5 (加工R5圆弧段)N7 G01 Z—40 (加工Φ26外圆)N8 X40 Z5 (回对刀点)N9 M30(主轴停、主程序结束并复位)数控车床编程实例四:倒角指令数控编程%3310N10 G92 X70 Z10(设立坐标系,定义对刀点的位置)N20 G00 U—70 W-10(从编程规划起点,移到工件前端面中心处)N30 G01 U26 C3 F100(倒3×45°直角)N40 W-22 R3(倒R3圆角)N50 U39 W-14 C3(倒边长为3等腰直角)N60 W—34(加工Φ65外圆)N70 G00 U5 W80(回到编程规划起点)N80 M30(主轴停、主程序结束并复位)数控车床数控编程实例五:倒角指令数控编程二%3310N10 G92 X70 Z10(设立坐标系,定义对刀点的位置)N20 G00 X0 Z4(到工件中心)N30 G01 W—4 F100(工进接触工件)N40 X26 C3 (倒3×45°的直角)N50 Z—21 (加工Φ26外圆)N60 G02 U30 W-15 R15 RL=3 (加工R15圆弧,并倒边长为4的直角)N70 G01 Z-70 (加工Φ56外圆)N80 G00 U10(退刀,离开工件)N90 X70 Z10(返回程序起点位置)M30(主轴停、主程序结束并复位)数控车床编程实例六:圆柱数控螺纹编程圆柱数控螺纹编程零件图样%3312N1 G92 X50 Z120(设立坐标系,定义对刀点的位置)N2 M03 S300(主轴以300r/min旋转)N3 G00 X29。
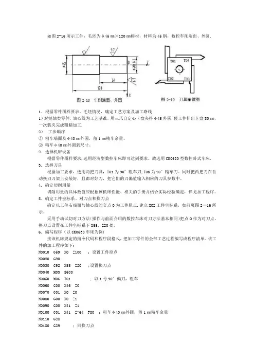
如图2-16所示工件,毛坯为φ45㎜×120㎜棒材,材料为45钢,数控车削端面、外圆.1.根据零件图样要求、毛坯情况,确定工艺方案及加工路线1)对短轴类零件,轴心线为工艺基准,用三爪自定心卡盘夹持φ45外圆,使工件伸出卡盘80㎜,一次装夹完成粗精加工.2)工步顺序①粗车端面及φ40㎜外圆,留1㎜精车余量。
②精车φ40㎜外圆到尺寸。
2.选择机床设备根据零件图样要求,选用经济型数控车床即可达到要求。
故选用CK0630型数控卧式车床. 3.选择刀具根据加工要求,选用两把刀具,T01为90°粗车刀,T03为90°精车刀。
同时把两把刀在自动换刀刀架上安装好,且都对好刀,把它们的刀偏值输入相应的刀具参数中。
4.确定切削用量切削用量的具体数值应根据该机床性能、相关的手册并结合实际经验确定,详见加工程序。
5.确定工件坐标系、对刀点和换刀点确定以工件右端面与轴心线的交点O为工件原点,建立XOZ工件坐标系,如前页图2—16所示。
采用手动试切对刀方法(操作与前面介绍的数控车床对刀方法基本相同)把点O作为对刀点。
换刀点设置在工件坐标系下X55、Z20处。
6.编写程序(以CK0630车床为例)按该机床规定的指令代码和程序段格式,把加工零件的全部工艺过程编写成程序清单。
该工件的加工程序如下:N0010 G59 X0 Z100 ;设置工件原点N0020 G90N0030 G92 X55 Z20 ;设置换刀点N0040 M03 S600N0050 M06 T01 ;取1号90°偏刀,粗车N0060 G00 X46 Z0N0070 G01 X0 Z0N0080 G00 X0 Z1N0090 G00 X41 Z1N0100 G01 X41 Z-64 F80 ;粗车φ40㎜外圆,留1㎜精车余量N0110 G28N0120 G29 ;回换刀点N0130 M06 T03 ;取3号90°偏刀,精车N0140 G00 X40 Z1N0150 M03 S1000N0160 G01 X40 Z—64 F40 ;精车φ40㎜外圆到尺寸N0170 G00 X55 Z20N0180 M05N0190 M02实例二如图2-17所示变速手柄轴,毛坯为φ25㎜×100㎜棒材,材料为45钢,完成数控车削。
数控车床的零件图纸数据处理编程引导这里的原点是指程序坐标系的原点,称为程序原点或编程原点。
同一个零件,同样的加工,由于原点选得不同,程序中尺寸字中的数据就不一样,所以编程之前首先要选定原点。
从理论上说,原点选在任何位置都是可以的。
但实际上,为了换算简便及尺寸直观(至少让部分点的指令值与零件图上的尺寸值相同),应尽可能把原点的位置选得公道些。
车削件的程序原点X向均应取在的回转中心,即车床主轴的轴心线上,所以原点位置只在Z向作选择。
原点Z向位置一般在左端面、右端面两者中作选择。
有的工艺员习惯于选在右端面,此时时程序中的尽大部分尺寸字中的数据是负值;若程序原点选在左端面,则程序中的尺寸字中的数据值是正值。
原点选定后,就应把个对应点的尺寸换算成从原点开始的坐标值,并重新标注。
零件的轮廓曲线一般由很多不同的几何元素构成,如由直线、圆弧、二次曲线等构成。
通常把各个几何元素间的连接点称为基点,如两条直线的交点、直线与圆弧的切点或交点、圆弧与圆弧的切点或交点、圆弧与二次曲线的切点和交点等。
大多数零件轮廓由直线和圆弧段构成,这类零件的基点计算较简单,用零件图上已知尺寸数值就可计算出基点坐标,如若不能,可用联立方程式求解方法求出基点坐标。
CNC系统均具有直线和圆弧插补功能,有的还具有抛物线插补等功能。
当加工由双曲线、椭圆等构成的平面轮廓时,就得用很多直线或圆弧段接近其轮廓。
这种人为的分割线段,其相邻两线段的交点称为节点。
编程时就要计算出各线段长度和节点坐标值。
数控车床一般只能作直线插补和圆弧插补。
碰到回转轮廓是非圆曲线的零件时,数学处理的任务是用直线段或圆弧段往接近非圆轮廓。
非圆曲线又可分为可用方程表达的曲线和列表曲线两类。
对于可用方程描述的二次曲线的接近。
一是直线接近。
假如曲线方程比较简单、又不准备作理论误差验算,那么用手工(借助计算器)就可以完成。
但直线接近的误差较只适用于比较粗糙的加工。
另一种是用圆弧接近。
圆弧接近一般应借助微机来完成。
数控车加工程序编制式中:X、Z- -圆柱面切削的终点坐标值;U、W--圆柱面切削的终点相对于循环起点坐标分量。
例:应用圆柱面切削循环功能加工图3.29所示零件。
N10 G50 X200 Z200 T0101N20 M03 S1000N30 G00 X55 Z4 M08N40 G01 G96 Z2 F2.5 S150N50 G90 X45 Z-25 F0.2N60 X40N70 X35N80 G00 X200 Z200N90 M30(2)圆锥面切削循环编程格式G90 X(U)~ Z(W)~ I~ F~式中:X、Z- 圆锥面切削的终点坐标值;U、W-圆柱面切削的终点相对于循环起点的坐标;I- 圆锥面切削的起点相对于终点的半径差。
如果切削起点的X向坐标小于终点的X向坐标,I值为负,反之为正。
如图3.30所示。
例:应用圆锥面切削循环功能加工图3.30所示零件。
……G01 X65 Z2G90 X60 Z-35 I-5 F0.2X50G00 X100 Z200……端面切削循环是一种单一固定循环。
适用于端面切削加工,如图3.31所示。
(1)平面端面切削循环编程格式G94 X(U)~ Z(W)~ F~式中:X、Z- 端面切削的终点坐标值;U、W-端面切削的终点相对于循环起点的坐标。
例:应用端面切削循环功能加工图3.31所示零件。
……G00 X85 Z5G94 X30 Z-5 F0.2Z-10Z-15……(2)锥面端面切削循环编程格式 G94 X(U)~ Z(W)~ K~ F~式中:X、Z- 端面切削的终点坐标值;U、W-端面切削的终点相对于循环起点的坐标;K- 端面切削的起点相对于终点在Z轴方向的坐标分量。
当起点Z向坐标小于终点Z向坐标时K为负,反之为正。
如图3.32所示。
例:应用端面切削循环功能加工图3.33所示零件。
……G94 X20 Z0 K-5 F0.2Z-5Z-10……3.2.9复合固定循环在复合固定循环中,对零件的轮廓定义之后,即可完成从粗加工到精加工的全过程,使程序得到进一步简化。
车床编程实例一%3110N1 G92 X16 Z1 (取消半径编程) (主轴停)(主程序结束并复位) (子程序名)(进刀到切削起点处,注意留下后面切削的余量)(加工R8园弧段)N3U3.215 W-39.877 R60N4 G02 U1.4 W-28.636 R40 (离开已加工表面)(回到循环起点Z 轴处) (调整每次循环的切削量) (子程序结束,并回到主程序)半径编程 N2 G37 G00 Z0 M03 (移到子程序起点处、主轴正转) N3 M98 P0003 L6 N4 G00 X16 Z1 (调用子程序,并循环 6次) (返回对刀点)N5 G36 N6 M05 N7 M30 %0003N1 G01 U-12 F100N2 G03 U7.385 W-4.923 R8(加工R60园弧段) (加工切R40园弧段) N5 G00 U4 N6 W73.436N7 G01 U-4.8 F100 N8 M99(主程序程序名)(设立坐标系,定义对刀点的位置)(设立坐标系,定义对刀点的位置) (移到倒角延长线,Z 轴2mm 处) (倒3X 45。
角)(加工①26外圆)(切第一段锥) (切第二段锥) (退刀) (回对刀点) (主轴停)(主程序结束并复位)车床编程实例三圆弧插补指令编程%3308N2 M03 S400 N3 G00 X0 N4 G01 Z0 F60N5 G03 U24 W-24 R15 N6 G02 X26 Z-31 R5 N7 G01 Z-40 N8 X40 Z5(回对刀点)直线插补指令编程 ■&q liOS&图335 G01编程实例N1 G92 X40 Z5 (设立坐标系,定义对刀点的位置)%3305N1 G92 X100 Z10 N2 G00 X16 Z2 M03 N3 G01 U10 W-5 F300 N4 Z-48N5 U34 W-10 N6 U20 Z-73 N7 X90N8 G00 X100 Z10 N9 M05 N10 M30(主轴以400r/min 旋转)(到达工件中心) (工进接触工件毛坯) (加工R15圆弧段) (加工R5圆弧段) (加工①26外圆)40图3.3.8 G02/G03编程实例N9 M30 (主轴停、主程序结束并复位车床编程实例四%3310N10 G92 X70 Z10N20 G00 U-70 W-10N30 G01 U26 C3 F100倒角指令编程N40 W-22 R3N50 U39 W-14 C3 N60 W-34N70 G00 U5 W80 N80 M30 (倒R3圆角)(倒边长为3等腰直角)(加工①65外圆)(回到编程规划起点)(主轴停、主程序结束并复位)车床编程实例五倒角指令编程%3310N10 G92 X70 Z10 N20 G00 X0 Z4N30 G01 W-4 F100 N40 X26 C3N50 Z-21(设立坐标系,定义对刀点的位置)(到工件中心)(工进接触工件)(倒3X,(加工①26外圆)45。
数控车床编程实例详解(30个例子)车床编程实例一半径编程图 3.1.1 半径编程%3110 (主程序程序名)N1 G92 X16 Z1 (设立坐标系,定义对刀点的位置)N2 G37 G00 Z0 M03 (移到子程序起点处、主轴正转)N3 M98 P0003 L6 (调用子程序,并循环6 次)N4 G00 X16 Z1 (返回对刀点)N5 G36 (取消半径编程)N6 M05 (主轴停)N7 M30 (主程序结束并复位)%0003 (子程序名)N1 G01 U-12 F100 (进刀到切削起点处,注意留下后面切削的余量)N2 G03 U7.385 W-4.923 R8(加工R8 园弧段)N3U3.215 W-39.877 R60 (加工R60 园弧段)N4 G02 U1.4 W-28.636 R40(加工切R40 园弧段)N5 G00 U4 (离开已加工表面)N6 W73.436 (回到循环起点Z 轴处)N7 G01 U-4.8 F100 (调整每次循环的切削量)N8 M99 (子程序结束,并回到主程序)车床编程实例二直线插补指令编程%3305N1 G92 X100 Z10 (设立坐标系,定义对刀点的位置)N2 G00 X16 Z2 M03 (移到倒角延长线,Z 轴2mm 处)N3 G01 U10 W-5 F300 (倒3×45°角)N4 Z-48 (加工Φ26 外圆)N5 U34 W-10 (切第一段锥)N6 U20 Z-73 (切第二段锥)N7 X90 (退刀)N8 G00 X100 Z10 (回对刀点)N9 M05 (主轴停)N10 M30 (主程序结束并复位)图 3.3.5 G01 编程实例车床编程实例三圆弧插补指令编程%3308N1 G92 X40 Z5 (设立坐标系,定义对刀点的位置)N2 M03 S400 (主轴以400r/min 旋转)N3 G00 X0 (到达工件中心)N4 G01 Z0 F60 (工进接触工件毛坯)N5 G03 U24 W-24 R15 (加工R15 圆弧段)N6 G02 X26 Z-31 R5 (加工R5 圆弧段)N7 G01 Z-40 (加工Φ26 外圆)N8 X40 Z5 (回对刀点)N9 M30 (主轴停、主程序结束并复位图 3.3.8 G02/G03 编程实例车床编程实例四倒角指令编程图 3.3.10.1 倒角编程实例%3310N10 G92 X70 Z10 (设立坐标系,定义对刀点的位置)N20 G00 U-70 W-10 (从编程规划起点,移到工件前端面中心处)N30 G01 U26 C3 F100 (倒3×45°直角)N40 W-22 R3 (倒R3 圆角)N50 U39 W-14 C3 (倒边长为3 等腰直角)N60 W-34 (加工Φ65 外圆)N70 G00 U5 W80 (回到编程规划起点)N80 M30 (主轴停、主程序结束并复位)车床编程实例五倒角指令编程%3310N10 G92 X70 Z10 (设立坐标系,定义对刀点的位置)N20 G00 X0 Z4 (到工件中心)N30 G01 W-4 F100 (工进接触工件)N40 X26 C3 (倒3×45°的直角)N50 Z-21 (加工Φ26 外圆)N60 G02 U30 W-15 R15 RL=3(加工R15 圆弧,并倒边长为 4 的直角)N70 G01 Z-70 (加工Φ56 外圆)N80 G00 U10 (退刀,离开工件)N90 X70 Z10 (返回程序起点位置)M30 (主轴停、主程序结束并复位)图 3.3.10.2 倒角编程实例车床编程实例六圆柱螺纹编程螺纹导程为 1.5mm,δ=1.5mm,δ '=1mm ,每次吃刀量(直径值)分别为0.8mm、0.6 mm 、0.4mm、0.16mm图 3.3.12 螺纹编程实例%3312N1 G92 X50 Z120 (设立坐标系,定义对刀点的位置)N2 M03 S300 (主轴以300r/min 旋转)N3 G00 X29.2 Z101.5 (到螺纹起点,升速段1.5mm,吃刀深0.8mm)N4 G32 Z19 F1.5 (切削螺纹到螺纹切削终点,降速段1mm)N5 G00 X40 (X 轴方向快退)N6 Z101.5 (Z 轴方向快退到螺纹起点处)N7 X28.6 (X 轴方向快进到螺纹起点处,吃刀深0.6mm)N8 G32 Z19 F1.5 (切削螺纹到螺纹切削终点)N9 G00 X40 (X 轴方向快退)N10 Z101.5 (Z 轴方向快退到螺纹起点处)N11 X28.2 (X 轴方向快进到螺纹起点处,吃刀深0.4mm)N12 G32 Z19 F1.5 (切削螺纹到螺纹切削终点)N13 G00 X40 (X 轴方向快退)N14 Z101.5 (Z 轴方向快退到螺纹起点处)N15 U-11.96 (X 轴方向快进到螺纹起点处,吃刀深0.16mm)N16 G32 W-82.5 F1.5 (切削螺纹到螺纹切削终点)N17 G00 X40 (X 轴方向快退)N18 X50 Z120 (回对刀点)N19 M05 (主轴停)N20 M30 (主程序结束并复位)车床编程实例七恒线速度功能编程%3314N1 G92 X40 Z5 N2 M03 S400 N3 G96 S80 N4 G00 X0 N5 G01 Z0 F60N6 G03 U24 W-24 R15 N7 G02 X26 Z-31 R5 N8 G01 Z-40 N9 X40 Z5 N10 G97 S300N11 M30图 3.3.14 恒线速度编程实例(设立坐标系,定义对刀点的位置)(主轴以400r/min 旋转)(恒线速度有效,线速度为80m/min)(刀到中心,转速升高,直到主轴到最大限速)(工进接触工件)(加工R15 圆弧段)(加工R5 圆弧段)(加工Φ26 外圆)(回对刀点)(取消恒线速度功能,设定主轴按300r/min 旋转)(主轴停、主程序结束并复位)车床编程实例八%3317 M03 S400 (主轴以400r/min 旋转)G91 G80 X-10 Z-33 I-5.5 F100(加工第一次循环,吃刀深3mm)X-13 Z-33 I-5.5(加工第二次循环,吃刀深3mm)X-16 Z-33 I-5.5(加工第三次循环,吃刀深3mm)M30 (主轴停、主程序结束并复位)图 3.3.17 G80 切削循环编程实例车床编程实例九G81 指令编程(点画线代表毛坯)图 3.3.20 G81 切削循环编程实例%3320 N1 G54 G90 G00 X60 Z45 M03 (选定坐标系,主轴正转,到循环起点)N2 G81 X25 Z31.5 K-3.5 F100 (加工第一次循环,吃刀深2mm)N3 X25 Z29.5 K-3.5 (每次吃刀均为2mm,)N4 X25 Z27.5 K-3.5 (每次切削起点位,距工件外圆面5mm,故K 值为-3.5)N5 X25 Z25.5 K-3.5 (加工第四次循环,吃刀深2mm)N6 M05 (主轴停)N7 M30 (主程序结束并复位车床编程实例十G82 指令编程(毛坯外形已加工完成)%3323N1 G55 G00 X35 Z104(选定坐标系G55,到循环起点)N2 M03 S300 (主轴以300r/min 正转)N3 G82 X29.2 Z18.5 C2 P180 F3(第一次循环切螺纹,切深0.8mm)N4 X28.6 Z18.5 C2 P180 F3(第二次循环切螺纹,切深0.4mm)N5 X28.2 Z18.5 C2 P180 F3(第三次循环切螺纹,切深0.4mm)N6 X28.04 Z18.5 C2 P180 F3(第四次循环切螺纹,切深0.16mm)N7 M30 (主轴停、主程序结束并复位)图 3.3.23 G82 切削循环编程实例车床编程实例十一外径粗加工复合循环编制图 3.3.27 所示零件的加工程序:要求循环起始点在A(46,3),切削深度为 1.5mm(半径量)。
数控车床加工零件图及程序的编写
数控车床加工零件图及程序编写是加工前的重要工作。
是需要每一位员工都掌握的,是必须要做好的一项工作。
从程序上讲,收到零件图之后要对图纸进行分析,工厂都会制定出一系列加工的方式和工艺。
这里面包括零件的夹装方式和夹具的选择,还有加工过程中的路线。
在什么地方前进,什么地方对刀,什么地方换刀。
还有就是设备的一些参数,如前进速度,切削量,转速等等。
还有就是要根据刀补功能,计算出坐标值,然后控制刀具加工。
数控车床加工零件图及程序中这些方式和参数都是要输入设备的单片机中的。
这个过程非常重要,可以说加工过程中该如何做,都是根据图纸分析出来的。
具体的操作步骤就是要确定加工前进的路线。
确定主次顺序。
数控车床加工零件图及程序中要遵循先粗加工后精加工的原则。
对刀具进行合理指挥。
然后要采用何种夹具和夹装方式。
例如三抓自定心卡盘进行自定心夹装,这就是一种典型的夹具和夹装方式。
接着就是选择刀具,采用何种材质的,什么参数的刀具。
选用几把刀具。
还有切削量和转速也是必须在程序中体现的。
这些工作都做好以后,就必须编制程序了。
确定一个编程原点之后,可以把程序编写出来。
编好程序后输入设备,进行试加工。
数控车床加工件零件图及
编程程序
Prepared on 22 November 2020
加工件1:
根据下图零件,按GSK-980T数控系统要求编制加工程序。
刀具装夹位置:粗、精车用1号外圆车刀,切断用4号切断刀。
编程参考 1
O 1001 ;说明:
N10 G50 X50 Z100 ;以换刀点定位工件坐标系
N20 M3 S560 ;启动主轴
N30 T0101 ;换1号刀
N40 G0 X25 Z2 ;快速移动到加工出发点
N50 G71 ;执行外圆粗加工循环
N60 G71 P70 Q140 W0.2 F100 ;留余量,进给量100 mm/min N70 G0 X0 ;轮廓加工起始行
N80 G1 Z0 F30 ;精加工进给量30
N90 G3 X10 Z-5 R5 ;
N100 G1 Z-15 ;
N110 X18 W-10 ;
N120 W-7 ;
N130 X21 ;
N140 X23 Z-33 ;
N150 Z-45 ;轮廓加工结束行
N160 G70 P70 Q140 ;执行精加工循环
N170 G0 X50 Z100 ;回换刀点
N180 T0404 ;换4号切断刀
N190 G0 X27 ;定位切断起点,留0.1mm余量N200 G1 X12 F15 ;
N210 G0 X25 ;
N220 Z-40 ;
N230 G1 X0 F10 ;切断,进给量10mm/min
N240 G0 X50 ;
N250 Z100 M5 ;回换刀点,停主轴
N260 T0100 ;换回基准刀
N270 M30 ;结束程序
%
加工件2:
下图为待加工零件,材料:φ25铝合金棒料;粗、精车用1号外圆车刀,切断用4号切断刀;换刀点定在X50,Z100,请根据GSK-980T系统要求编制加工程序。
编程参考2
O 1002 ;说明:
N10 G50 X50 Z100 ;以换刀点定位工件坐标系
N20 M3 S560 ;启动主轴
N30 T0101 ;换1号刀
N40 G0 X25 Z2 ;快速移动到加工出发点
N50 G71 ;执行外圆粗加工循环
N60 G71 P70 Q140 W0.2 F100 ;留余量,进给量100 mm/min N70 G0 ;轮廓加工起始行
N80 G1 Z0 F30 ;精加工进给量30
N90 G3 R2 ;
N100 G1 X12 Z-15 ;
N110 W-5 ;
N120 X14 ;
N130 G2 Z-30 R15 ;
N140 Z-45 ;轮廓加工结束行
N150 G70 P70 Q140 ;执行精加工循环
N160 G0 X50 Z100 ;回换刀点
N170 T0404 ;换4号切断刀
N180 G0 X26 Z-36 ;定位切槽起点
N190 G1 X18 F10 ;切槽
N200 G4 X4 ;槽底暂停4秒
N210 G0 X26 ;
N220 ;定位切断起点,留0.1mm余量N230 G1 X12 F15 ;
N240 G0 X20 ;
N250 Z-39 ;退刀至倒角起点
N260 G1 X16 Z-40 F10 ;车尾端倒角
N270 X0 F10 ;切断,进给量10mm/min
N280 G0 X50 Z100 ;
N290 M5 ;回换刀点,停主轴
N300 T0100 ;换回基准刀
N310 M30 ;结束程序
%
加工件3:
工件如下图所示,材料:φ25铝合金棒料;粗、精车用1号外圆车刀,60°螺纹刀装在3号刀位,切断用4号切断刀;换刀点定在X50,Z100,请根据GSK-980T系统要求编制加工程序。
编程参考3
O 1003 ;说明:
N10 G50 X50 Z100 ;以换刀点定位工件坐标系
N20 M3 S560 ;启动主轴
N30 T0101 ;换1号刀
N40 G0 X25 Z1 ;快速移动到加工出发点
N50 G71 ;执行外圆粗加工循环
N60 G71 P70 Q150 W0.2 F100 ;留余量,进给量100 mm/min
N70 G0 ;轮廓加工起始行
N80 G1 Z-1 F30 ;车前端1×45°倒角
N90 Z-15 ;
N100 X12 ;
N110 X16 Z-27 ;车圆锥面
N120 W-8 ;
N130 X18 ;
N140 G2 X24 Z-40 ;车凹圆弧
N150 Z-55 ;轮廓加工结束行
N160 G70 P70 Q140 ;执行精加工循环
N170 G0 X50 Z100 ;回换刀点
N180 T0303 ;换3号螺纹刀
N190 G0 X16 Z3 ;定位车螺纹起点
N200 G92 Z-13.5 F1 ;分三刀车F1螺纹,第一刀0.7mm N210 ;第二刀0.4mm
N220 ;第三刀0.2mm
N230 G0 X50 Z100 ;
N240 T0404 ;换4号切断刀
N250 G0 X27 ;定位切断起点,留0.1mm余量
N260 G98 G1 X16 F15 ;预切一槽
N270 G0 X26 ;退刀
N280 Z-48 ;
N290 G1 X22 Z-50 F10 ;车尾端倒角,进给量10mm/min N300 X0 ;切断
N310 G0 X50 ;
N320 Z100 M5 ;回换刀点,停主轴
N330 T0100 ;换回基准刀
N340 M30 ;结束程序
%。