温控器标准
- 格式:doc
- 大小:57.00 KB
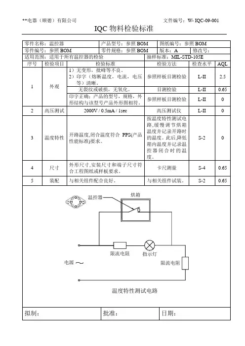
- 文档页数:6
温控器标准
温控器的标准主要涉及到对温控器的性能要求、测试方法、安全性能等方面的规定。
以下是一些常见的温控器标准:
IEC 60730:该标准是关于电触点压力断开式温控器的工作和性能要求的标准,也是很多国家和组织在制定自己的标准时参考的依据。
UL 498:这是美国的电气标准,用于认证安装在墙壁或地面上的电器附件的电气和机械性能。
VDE 0660:这是德国的电气标准,对温控器的电气和机械性能进行了规定。
BS 1360:这是英国的标准,涉及到机械式过载保护装置的要求和测试方法。
JIS C 8307:这是日本的标准,涉及到对双金属温度开关的机械和电气性能要求。
不同的国家或组织可能会有自己的温控器标准,而且随着技术的发展,这些标准也可能会有所更新或修订。
温控器上下限设置方法温控器是一种广泛应用于工业、农业、家用等领域的自动温度控制设备,它能够根据预先设定的温度范围来控制加热或制冷设备的工作,从而保持环境温度在一个合适的范围内。
正确设置温控器的上下限对于保障设备运行安全、节约能源、提高生产效率都具有重要意义。
下面将介绍温控器上下限的设置方法。
首先,确定所需的温度范围。
在设置温控器的上下限之前,首先需要明确所需的温度范围。
不同的应用场景可能对温度范围有不同的要求,因此需要根据实际情况来确定上下限的数值。
比如,在温室种植中,可能需要将温度控制在15-25摄氏度之间,而在工业生产中,可能需要将温度控制在更严格的范围内。
其次,进入设置界面。
大多数温控器都配有液晶显示屏,通过操作面板上的按键可以进入设置界面。
一般来说,按下设置键或者同时按下加减键即可进入设置界面。
进入设置界面后,液晶显示屏上会显示当前的温度以及相应的设定数值。
然后,设置上限数值。
在进入设置界面后,首先需要设置温控器的上限数值。
一般来说,按下上限设定键,液晶显示屏上会闪烁显示上限数值,此时可以通过加减键来调整上限的设定数值。
调整完成后,再次按下设置键或者等待一段时间,系统会自动保存设置并返回到主界面。
接着,设置下限数值。
与设置上限数值类似,设置下限数值也是通过按下下限设定键,调整数值,保存设置的操作来完成。
在设置下限数值时,需要确保下限数值要小于上限数值,这样才能保证温控器在一个合理的范围内工作。
最后,确认设置并测试。
在完成上下限数值的设置后,需要确认一下设置是否正确。
可以通过观察液晶显示屏上的数值来确认当前的设定是否符合预期。
同时,也可以通过手动调节环境温度,观察温控器的工作状态来进行测试。
如果发现设置不正确或者温控器无法正常工作,可以重新进入设置界面进行调整。
总之,正确设置温控器的上下限对于保证设备运行稳定、节约能源、提高生产效率具有非常重要的意义。
通过以上的方法,可以轻松地完成温控器上下限的设置,从而更好地满足实际需求。
化霜温控器组件技术标准1 主题内容与适用范围本标准规定了交流额定电压不大于250V,额定电流15A以下,额定频率50HZ及60HZ化霜温控器组件的技术要求、试验方法、型式试验、包装、标志、贮存等要求。
本标准适用于电冰箱用化霜温控器组件。
2 引用标准JB/T5660 电器附件:家用和类似用途的控制器、保护器的包装和标志GB1019 家用电器包装通则GB/T2423.1 电工电子产品基本环境试验规程试验Ad:低温试验方法GB/T2423.2 电工电子产品基本环境试验规程试验Bd:高温试验方法GB/T2423.3 电工电子产品基本环境试验规程试验Ca:恒定湿热试验方法GB/T2423.5 电工电子产品环境试验第2部分:试验方法试验En和导则:冲击GB/T2423.10 电工电子产品环境试验第2部分:试验方法试验Fc和导则:振动(正弦)GB/T2423.17 电工电子产品基本环境试验规规程试验Ka:盐雾试验方法GB/T2828 逐批检查计数抽样程序和抽样表(适用于连续批的检查)GB/T 2829 周期检查计数抽样程序和抽样表GB4207 固体绝缘材料在潮湿条件下相比漏电起痕指数和耐漏电起痕指数的测定方法GB14536.1 家用和类似用途电自动控制器第一部分:通用要求GB4609 塑料燃烧性试验方法:垂直燃烧法GB4706.1家用和类似用途电器的安全第一部分:通用要求GB4706.13家用和类似用途电器的安全制冷器具、冰淇淋机和制冰机的特殊要求GB/T4942.2 低压电器外壳防护等级3 技术要求3.1 外观及结构3.1.1形状、尺寸应符合图纸要求。
3.1.2化霜温控器表面应无伤痕、污迹等。
3.1.3 PVC塑料管表面应无划伤、毛边和凸起物、热封部分的表面应无伤痕、变形、变色等,并要求封装严密。
3.2工作特性3.2.1化霜温控器的工作特性应符合图纸要求。
3.2.2按4.2.2试验后,动作偏差不应大于1℃,且每次测定值符合图纸要求。
编制部门编制日期ABC 13C一致性检查《元器件清单》√S-31绝缘耐压耐压测试仪√S-32★爬电距离和电气间隙卡尺√1次/年01★外壳材料/触点报告√1次/年1尺寸卡尺√S-31.01★端子与封盖铆接力推拉力计√1次/年12★单件跌落实操√1次/年13插拔力推拉力计√S-31插片端子应无损坏及影响使用的弯曲,且绝缘物无破坏;不会导致功能性的问题。
使端子承受轴向力10Kg、径向力4Kg、 封盖能承受径向力10Kg,10S,试验后。
无妨碍温控器正常工作的损伤,工作温度偏差:100℃以下为±3℃,100℃以上为(标称值±3%)℃;泄漏电流≤0.5mA,绝缘电阻10M Ω以上,接触电阻小于100m Ω。
将试样从1000mm高处自由下落在水泥地板上, 上下左右前后6面各1次后。
见附表拉力计测量xxxx电器有限公司-测试中心二、安规检查№检查项目判定基准检查方法检查工具缺陷分类抽样水平AQL一、关键元器件一致性检查对照《关键元器件清单》、配件承认样品,检查一致性对照《元器件清单》2000Vac/50Hz/60S,漏电流≤0.5mA且不出现击穿和闪络现象。
用500VDC测量绝缘,非带电部件与带电部件之间绝缘电阻应大于100M Ω。
连接在一起的全部带电零件与铝壳之间触点固定片与上下金属固定板间瓷柱的厚度≥4mm;触点间隙≥0.15 mm。
卡尺测量三、材质检查厂家提供材质证明材料(含签字、盖章)厂家每年度提供一次材质证明四、尺寸检查符合图纸规格要求卡尺测量五、机械强度编制部门编制日期ABC xxxx电器有限公司-测试中心№检查项目判定基准检查方法检查工具缺陷分类抽样水平AQL1★接触电阻低电阻测试仪√1次/年1.02★温度特性恒温油槽√1次/年 1.01适配实操√S-31.01外观目测√II 1.52标示目测√II 1.0应有相认证(CQC、UL、VDE等认证)、产品型号、温度标识、额定电压电流和厂家标识。
中央空调温控器说明书介绍空气调节,也称为风机盘管恒温器,是用来控制风机盘管的加热、冷却或通风的。
对于风机的转速,人们可以通过手动控制或自动控制来调节风速按钮,以便有效地控制室温。
那么,让我们来看看空气调节的其他方面吧!空气调节温控器技术参数。
1. 工作温度范围:0-40摄氏度。
2. 工作电压:220v,6a,50hz。
3. 标准负荷:冷热水阀、风扇、继电器。
4. 贮存温度:-20-55 °c 恒温空气调节中央空调温控器的功能和特点。
1. 安装方便,温度设定简单直观。
2. 性能优良,使用寿命长,安全耐用。
3. 使用拨动开关,感觉更舒适。
4. 支持不同类型的电动阀门。
5. 进一步控制温度的热传感器。
就空气调节的操作方法而言。
中央温度控制器的操作主要分为四个步骤:开关机、工作模式设定、温度设定及风速设定。
首先,开关非常简单,打开开关到开位置,关闭开关到关闭位置。
其次,运行方式是指冷却或加热。
要冷却的话,把开关调到冷却位置。
要加热的话,把开关转到上升位置。
然后是温度设置,机械恒温器是一个旋钮设置,你想设置什么温度,只要把红点指向温度指数上标记的恒温器。
最后是风速设置,共有三种选择,低风速、中风速和高风速,只要拨号开关调到低、中、高。
你可以分别控制低、中和高的风速。
空气调节注释。
1. 接线必须按照正确的接线图操作,不要让水、泥浆、灰尘等杂物混入恒温器内,否则会损坏部件。
2. 最好在安装恒温器的地方周围有自由流动的空气,并保持稳定的温度。
3. 避免在阳光直射的地方安装恒温器。
4. 室内装修时,最好不要先安装恒温器。
空气调节现已广泛应用于商业、工业和民用建筑,它在控制温度方面发挥了不可低估的作用!。
標題:跳掣測試標準
1測試項目:
1.1跳掣的動作溫度測試.
注: 有關跳掣的動作溫度在日本規格中的英文名稱為Functioning Temperature,而在UL、CSA 或VDE中,其英文名稱為Opening Temperature.
2測試方法:
2.1跳掣的動作溫度測試步驟:
2.1.1按下圖依次接好線,並將跳掣完全浸沒在32#機油中,記錄下電阻值,然后放入烘箱
加熱,烘箱溫度設置比跳掣動作溫度低10℃左右;當跳掣溫度達到設定之爐溫后,慢
慢調節爐溫,使跳掣溫度約以每分鐘1℃的速度上升.
2.1.2當電阻表顯示跳掣已斷開,溫度表上顯示的溫度為跳掣的動作溫度.
○1溫度表
○2熱偶線
○3跳掣
○432#機油
○5容器
○6烘箱
○7電阻表(數字式)
3合格標準:
3.1跳掣的動作溫度不超過圖紙上要求的範圍;
3.2跳掣的電阻不允許超過50mΩ;
3.3在2.1.1及2.1.3中所測得的電阻值差不能超過4 mΩ.。
规格说明:◆面板尺寸:75×35(单位:mm) ◆建议安装孔尺寸:71×30(单位:mm) ◆外壳:阻燃ABS 塑料◆防护等级:IP45 ◆使用环境:◇工作环境温度:-10℃~+60℃;◇工作环境相对湿度:20%~85%(不凝露)。
◆主要功能及电参数:◇电源电压:12VAC/VDC;◇电源功耗:≤5W;◇温度测量范围:-40℃~+50℃;◇测量精度:±l℃;◇分辩率:1℃;◇开机延时保护时间:0~9min ◇高低温报警设置范围:O℃~20℃并可以取消;◇温度校正范围:-5℃~+5℃;◇除霜周期:0~99h;◇除霜时间:0~99min ◇压缩机输出接点:10A 240VAC;除霜输出接点:10A 240VAC;◇传感器:NTC 103AT。
参数设定操作:◆修改参数值操作:◇按住[Set]键3S 进入参数项选择模式,设置指示灯亮;LED 显示某一参数项;◇按[▲]或[▼]键选择参数项(F1�6�7�6�7F7),按[▲]增加,按[▼]减少,再按[Set]键显示相应参数项的参数值;◇按住[Set]键不松手,同时再按一下[▲]键或[▼]键改变参数值,如连续按[▲]或[▼]键不放,参数值自动快速增大或减小;松开[Set]键,单按[▲]或[▼]键选择下一个参数项,按住[Set]键不松手,同时再按一下[▲]键或[▼] 键改变参数值,重复以上步骤进行所有参数值的设定;◇所有参数设定完毕,按一下[Rst]键保存所有设定值,返回温度测量状态设置指示灯灭。
若30S 后无键操作,机器自动存储设定值并返回温度测量状态,设置指示灯灭。
若在参数设定完成后30S 内未按[Rst]键保存就断电,机器仍按原来的参数值运行。
◆查看参数值操作:◇按一下[▲]键,显示已设定上限值2S,返回当前温度显示状态;◇按一下[▼]键,显示已设定下限值2S,返回当前温度显示状态;◇按一下[Set]键,显示已设定除霜间隔、最大除霜时间各2S,返回当前温度显示状态。
油面温控器检定规程
油面温控器检定规程通常包括以下内容:
1. 检定范围:规定油面温控器的工作温度范围和测量范围,例如-50℃至150℃。
2. 检定准则:根据相关标准或技术规范,规定油面温控器的测量误差要求,例如允许误差为±1℃。
3. 检定方法:描述检定油面温控器的具体方法和步骤,通常包括以下内容:
- 温度校准:使用已经检定准确的温度计作为参照,将油面温控器调整到指定温度并进行比较测量,计算其误差。
- 稳定性测试:检测油面温控器在不同温度下的稳定性,即在一段时间内是否能够保持稳定的测量值。
- 反应时间测试:测试油面温控器的响应时间,即从温度变化到测量值变化的时间。
4. 检定仪器:列出用于检定油面温控器的仪器和设备,例如温度计、温度控制器等。
5. 检定结果评定:根据检定准则和方法,评定油面温控器的检定结果,例如合格、不合格等。
6. 检定周期:规定油面温控器的检定周期,即多长时间进行一次检定。
7. 记录和报告:要求检定人员记录检定过程和结果,并撰写检定报告,包括被检定油面温控器的信息、检定日期、检定人员签名等信息。
需要注意的是,具体的油面温控器检定规程可能会根据不同的国家、行业、应用领域而有所不同,以上内容仅作为参考。
在实际操作中应根据相关标准和技术规范进行具体的检定工作。
变压器温控器通用行业标准及简介
林琦1
摘要:举出及分析了变压器用温控器的各类标准存在的问题,现国内俩大温控器标准的纰漏。
关键词:1.变压器用温控器标准,2.数字式温度显示调节仪标准,3.电力温控器标准,变压器用温度计标准。
变压器用温控器标准大全
作者简介:林琦(1984-),男,高级工程师,从事变压器用温控器研发及生产工作
一.国网公司
Q/GDW 440-2010《油浸式变压器测温装置现场校准规范》
(该标准对温控器的各项检验参数有明确规定,但是对温控器及远方仪表技术
参数要求不明确比较笼统。
)
二、中国机械行业标准
1.JB/T 8450-2010 《变压器用绕组温控器》
2.JB/T 6302-2010 《变压器用油面温控器》
3.JB/T 7631-2010 《变压器用电子温控器》
(该标准区分了绕组,油面及二次远传数显仪,并对次进行了细节的区分,但是检测技术和一些要求过于理想化,与实际温控器检验方法有很多不相符的地方。
)
IEEE/ANSI 美国电气电子工程师协会/美国国家标准
(该标准没有明确的对温控器进行过多要求,但是在每个不同的变压器上都有对温控器的开关等地方做出了部分要求。
)
IEGC 印度电网规范
(该标准对变压器温控器类的产品主要是开关和防护性能等一些关键环节进行了明确的要求。
)
ESOs 欧盟标准化联盟组织
(该标准为致力于欧洲市场的企业所必须了解的标准,主要是对下一代电网既智能电网进行了明确的规划和要求对温控器方面提及要求较多,标准高于同类标准。
)。
Q/NSW 02—2004前言温度控制器是我公司根据市场和用户需要而精心设计和开发的专为家用和类似用途的电热水壶配套使用的元器配件,它是由限温器和热切断器两部分组成,它是采用双金属片为感温材料,具有工作稳定、可靠、反应灵敏,水沸能自动切断,防干烧和最终熔断保险等多种功能。
为了贯彻执行《中华人民共和国标准化法》,确保和提高产品质量,特制定本企业标准。
本标准编制格式按照GB/1.1-1993《标准化工作导则第1单元:标准的起草与表述规则第1部分:标准编写的基本规定》和GB1.3-87《标准化工作导则产品标准编写规定》所采用的计量单位均为法定计量单位。
本标准的要求、试验方法主要参考了GB14536.1-98《家用和类似用途电自动控制器通用要求》GB14536.10-96《家用和类似用途电自动控制器温度敏感控制器的特殊要求》等标准的规定,出厂检验采用GB2828-87《逐批检查计数抽样程序及抽样表(适用于连续批的检查)》进行抽样。
本标准由宁波市鑫洋电器有限公司提出本标准起草单位为:宁波市鑫洋电器有限公司本标准主要起草人:宁波市鑫洋电器有限公司企业标准Q/NXY 02—2004JXB温度控制器1范围本标准规定了温度控制器的要求、试验方法、检验规则、标志及包装、运输、储存。
本标准适用于本企业电热水壶使用的温控开关、热断路器、无绳连接器。
2引用标准下列标准所包含的条文,通过在本标准中引用而构成为本标准的条文。
本标准出版时,所示版本均为有效。
所有标准都会被修订,使用本标准的各方应探讨,使用下列标准最新版本的可能性。
GB2828-1987 逐批检查计数抽样程序及抽样表(适用于连续批的检查)GB14536.1-1998 家用和类似用途电自动控制器通用要求GB14536.10-1996 家用和类似用途电自动控制器温度敏感控制器的特殊要求3要求3.1产品的基本参数,额定交流电压230V,电流10A,频率50/60Hz。
3.2外观要求:3.2.1绝缘体不得有裂纹,凹陷,飞边等缺陷。
3.2.2 镀层不得有起皮、剥落现象。
3.2.3双金属片不得有锈斑、伤痕现象。
3.2.4弹簧件应光洁、无锈斑现象。
3.3功能及寿命3.2.1 温度控制器在处于工作状态时,所有触点应闭合良好,接触电阻不应大于0.02Ω。
3.3.2温度控制器接插片的最大插拔力为80N,经过6次插拔后不小于18N。
3.3.3限温器双金属片工作温度为70℃,偏差为±5℃。
3.3.4限温器工作寿命不低于10000次。
3.3.5热切断器双金属片工作温度为135℃,偏差为±5℃。
对VDE认证要求的热切断器工作寿命要求不低于3000次。
3.3.6热切断器上的保险熔断丝要求:在热切断器双金属片工作温度范围内或工作后不允许动作。
保险熔断丝工作后必需保证电源为永久切断,不引起起火、触电等现象。
3.4电气强度和绝缘电阻3.4.1绝缘电阻不小于7MΩ。
3.4.2在限温器俩接插端子的任一端子与限温器外壳之间施加3750V,50Hz的基本正弦波形1min,不应产生闪烁或击穿现象。
3.4.3在热切断器相线或中性线端子与外壳之间施加2250V,50Hz的基本正弦波形1Min,不应产生闪烁或击穿现象。
宁波市鑫洋电器有限公司2004-01-01批准2004-05-10实施3.5泄漏电流不大于0.5mA。
3.6非金属部件(熔断丝,瓷柱除外)应能耐热、耐燃耐漏电起痕。
3.7 抗冲击:限温器、热切断器从200mm高自由跌落后,动作温度还应符合3.3.1,3.3.3,3.3.5要求.4试验方法4.1外观检查:4.1.1通过目测检验,看限温器、热切断器是否符合本标准3.2.1,3.2.2,3.2.3,3.2.4规定。
4. 2 温度控制器的功能和耐久性检验4.2.1限温器的功能和耐久性检验。
4.2.1.1 用手前后推动限温器上支架,检验限温器开关是否灵活。
4.2.1.2 用数字万用表检验限温器触点闭合情况:将限温器处于工作状态位置,用数字万用表电阻挡测量限温器两个接插片之间的电阻值,电阻值应小于0.1Ω,限温器处于断开状态时,触点应完全断开。
4.2.1.3 限温器动作温度的测定:将温度测试仪的热点偶固定在靠近限温器双金属片边的塑料上,从限温器两插脚引出两根线,将限温器闭合处于工作状态,放置于恒温箱内,关好箱门,万用表置于电阻挡,两表杆连接两引出线,让恒温箱缓慢平稳升温,当万用表数值显示为零即限温器断开,记下测温仪上温度值即为双金属片工作温度。
4.2.1.4 耐久性试验:——将限温器按规定装入电热水壶。
——电热管应符合规定的电器负载要求,水壶内加入不底于70%的额定水量,且在额定电压V R下进行,然后再将此电压升高到1.15V R进行GB14536.1-1998中的17.7和17.10规定的过压实验.——人工动作,“闭合”“断开”各一次为一个工作循环次,动作速度为(10±1)次/m。
——工作循环次数不低于3.3.4规定要求。
4.2.2热切断器功能和耐久性试验:4.2.2.1 用数字万用表检验热切断器触点闭合情况,用数字万用表电阻挡热切断器L极紫铜插腿与对应压簧件电阻值应小于0.1Ω用导线将开关插孔连接,用手按下热熔断丝,测量N极银插腿与对应压簧插腿件电阻值应小于0.1Ω,松开热熔断丝触点应断开。
4.2.2.2热切断器动作温度的测定:把热切断器安装好于仿真工作测试仪上,升温,当双金属片工作时读取仪表上的数字即为双金属片动作温度。
4.2.2.3耐久性试验:——将温控器按规定装入电热水壶,电热管应符合规定的电器负载要求,施以额定电压VR,接通电源,指示灯亮,电热管升温,升到一定温度后温控器工作,断电,指示灯灭,然后加冷水强制冷却,恢复通电,去水再干烧,如此重复循环。
接通分断为一个工作循环,记下循环次数应符合本标准3.3.6规定,最后再将此电压升高到1.15VR进行GB14536.1-1998中的17.7和17.10规定的过压实验。
4.2.2.4热熔断丝工作的检测:把温控器上的双金属片去掉,装入电热水壶,接通电源升温,当限温器熔断丝工作时应保证电热水壶永久切断电源。
4.3 电器强度和绝缘电阻4.3.1 电器强度测定:用高压实验仪在限温器每一级与外壳间施以3750V,50Hz基本正旋波形1min,以是否报警判断是否合格。
用高压试验仪在热切断器火线和中性线与外壳间施以2250V,50Hz基本正弦波形电压1min,以是否报警判断合格。
4.3.2 绝缘电阻测定用电压500V兆欧表测量绝缘电阻,受测部位分别为限温器每一级与外壳间和热切断器每一极与外壳间测量。
4.4 泄漏电流按GB14536.1-1998中第13.3条规定测定泄漏电流.4.5 耐热、耐燃和耐漏电起痕按GB14536.1-1998中第21章要求检测试验,并符合其规定。
4.6 耐跌落试验温度控制器按规定包装好,依本标准3.7规定条件,在水泥地上六面自由跌落各一次,,跌落后还应按3.3.1,3.3.2 ,3.3.5试验,并符合其规定。
4.7 标志检验采用目测,看是否符合规定。
5 检验规则温度控制器的检验分出厂检验和型式试验5.1品需经厂部质检部门检验,合格品出厂,不合格品则整批退回车间100%复查,再提交检验合格后方可出厂。
5.2 出厂检验按GB2828-1987抽样,采用正常检查一次抽样方案,按表1进行。
表15.3 出厂检验项目及合格判定按表2的规定进行.表25.3.1缺陷判定方法a一件产品有一个或几个致命缺陷,无论有无轻缺陷或重缺陷都判定为致命缺陷产品;b一件产品有一个或几个重缺陷,但无致命缺陷,则无论有无轻缺陷都判定为重缺陷产品;c一件产品有一个或几个轻缺陷但无任何重缺陷或致命缺陷,都判定为轻缺陷产品;5.4 型式试验5.4.1 有下列情形之一者,一般应进行型式试验:a 新产品试制定性鉴定;b 正式生产后,如结构、材料、工艺有较大改变,可能影响产品性能时;c 正常生产时,定期或一定批量后,应进行一次型式试验;d 产品长期停产后,恢复生产时;e 出厂检验结果与上次型式试验有较大差异时;5.4.2型式试验样品应从出厂检验合格的产品随机抽取6个,3个作留样备用,另3个作检验用,按本标准第4章逐项进行。
5.4.3型式试验中,如有任何一项不合格,则应加倍抽取样品,对该项目进行复检,如仍有不合格,则该次型式试验为不合格。
5.5其他定货方有权检查产品是否符合本标准。
5.6测试仪器精度要求和测试仪器5.6.1测试仪器精度要求:出厂检验为1.0级,测温仪表分辨率为0.1℃,进行测温测试时室温应保持在20±5℃,如果对测试结果有怀疑,室温应保持在23±2℃。
5.6.2测试仪器a高压测试仪b泄漏电流测试仪c数字万用电表d测温箱e接触电阻测试仪6 标志6.1 限温器必须在中支架上标明商标标志和唯一型号标志,以及额定电压、电流、频率,热切断器外壳上必须标有商标标志和唯一型号标志外,应标明中性线端子(用字母N标明),火线端子(用字母L标明),接地端子(用符号〨标明)。
6.2 合同有特殊要求时按合同执行。
7 包装、运输、贮存7.1 包装7.1.1产品应装在干燥的包装箱内并要防止产品在箱内互相碰撞和串动,包装箱内应有产品说明书。
7.1.2 外包装箱上应有下列标志:a)产品名称型号;b)制造厂名和厂址;c)数量:只;d)毛重:kg;e)净重:kg;f)体积:长×宽×高,cm;g)小心轻放,切勿受潮等。
7.2运输与储存7.2.1适用于任何运输工具运输,运输过程中应避免雨雪淋湿。
7.2.2产品应储存在通风,无腐蚀性物质的库房内。