有载调容变压器
- 格式:doc
- 大小:41.50 KB
- 文档页数:2
调容变压器技术介绍
调容变压器是一种可调节容性的变压器,它可以通过增加或减少其
容性来调整电压的大小。
调容变压器通常用于电力系统中,用于调
整或稳定电压。
以下是调容变压器的一些技术介绍:
1. 结构:调容变压器由两个或多个绕组组成,其中一个绕组用于增
加或减少电容,从而调节电压。
它通常还包括油浸或干式绝缘系统。
2. 原理:调容变压器的原理是通过调节变压器绕组上的电容来改变
电压。
电容通常是通过在绕组之间引入可调节的插入电容器实现的。
3. 控制方式:调容变压器可以通过手动或自动控制来调节电容。
自
动控制通常使用反馈机制来监测并调整电压的大小。
1
4. 应用:调容变压器广泛应用于电力系统中,用于调节电压以满足各种负载要求。
它可以用于稳压、电压调节、电压平衡和电力负荷均衡等应用。
5. 优点:调容变压器具有精确的电压调节能力和较高的效率。
它还可以提供快速响应和稳定的电压输出。
6. 缺点:调容变压器通常较大、较重,成本较高。
此外,它们还需要定期检查和维护以确保其正常运行。
总的来说,调容变压器是一种重要的电力设备,用于稳定和调节电压。
它在电力系统中扮演着重要的角色,确保电力供应的稳定性和可靠性。
2。
有载调容变压器介绍1概述油田供配电系统是典型的分散系统,抽油机井负荷用电所需设备包括6KV配电线路、配电变压器和低压供电线路。
所需设备越来越多,电能在传输过程中的损失也会越大。
因此降低油田供配电系统线损,节约抽油机井电能十分必要。
抽油机是油田地面工程系统中的重要设备,是原油生产的主要工具,也是耗油大户。
据统计到2000年底,大庆杏北油田现有抽油机配电变压器4014台/385380KVA。
由于抽油机多为带负载起停,且负载随机性大,因此为满足抽油机起停的要求,配电变压器留有较大的容量裕度。
而抽油机的工作特性是一旦起动完毕进入正常工作状态,抽油机上电机的负载率仅为305左右,功率因数仅为064左右。
因此变压器的负载率就更低,使得变压器长期处于“大马拉小车”[1]的工作状态,从而造成了变压器容量的浪费及有功和无功功率的损耗。
尽管变压器效率相当高,可是变压器电能损耗仍然相当可观,下面初步估算足以证明这一点。
若变压器的损耗为15%(实际情况比这还低),一年中以最大运行容量2500小时,每一度电为0445元,则一年中杏北油田变压器的损耗价值为385380×1 5%×2600×0445=643万元。
推算到整个油田会更多。
因此降低给抽油机井供电的配电变压器的损耗,提高抽油机的功率因数,对于节能降耗、降低网损具有十分重要的意义。
因此提出了经理论计处优化变压器的铁心和绕组结构,并采用PLC自动控制有载调容开关实现有载调容和无功补偿的配电变压器节能控制系统。
2控制系统的组成及各部分工作原理该控制系统组成如图1所示,它由调容变压器、PLC、有载调容开关、DJB无功补偿电容器组成。
在抽油机起动后,由电流传感器测得负荷电流逐渐减少,当负荷电流趋于稳定并低于大容量工作要求,进入小容量工作的区域时,则由PLC发出控制调容切换开关指令,并由其高速输出口输出脉冲,驱动步进电机,带动开关机构迅速移到目标位置,机构移动过程中并同时检测开关位置。
变压器有载调压原理变压器是电力系统中常用的电气设备,它能够将交流电能从一种电压等级转换到另一种电压等级。
在实际应用中,变压器需要根据电网负荷的变化来调节输出电压,以保证电网的稳定运行。
有载调压是指在变压器负载运行过程中,通过调节变压器的参数或结构来实现输出电压的调节。
本文将介绍变压器有载调压的原理及实现方法。
首先,变压器有载调压的原理是基于变压器的磁通调节特性。
在变压器中,磁通的大小与输入电压和输出电压成正比,通过调节磁通的大小可以实现输出电压的调节。
当变压器负载发生变化时,为了保持输出电压稳定,可以通过调节变压器的励磁电流或变压器的匝数来实现磁通的调节,从而实现输出电压的调节。
其次,实现变压器有载调压的方法有多种,其中一种常用的方法是通过调节变压器的励磁电流来实现输出电压的调节。
在变压器的励磁系统中,可以通过调节励磁电流的大小来改变变压器的磁通,从而实现输出电压的调节。
另一种方法是通过调节变压器的匝数来实现输出电压的调节。
通过改变变压器的匝数比,可以改变变压器的变比,从而实现输出电压的调节。
此外,还可以通过在变压器的输入端或输出端加装调压装置,如调压变压器或调压开关来实现输出电压的调节。
在实际应用中,变压器有载调压需要考虑多种因素,如调压装置的稳定性、可靠性、成本等。
为了保证变压器有载调压的稳定性,需要考虑调压装置的动作速度、动作精度、动作次数等因素,以满足电网对输出电压的稳定要求。
同时,为了保证变压器有载调压的可靠性,需要考虑调压装置的工作环境、工作寿命、维护保养等因素,以确保调压装置能够长期稳定地工作。
此外,为了降低变压器有载调压的成本,需要考虑调压装置的制造成本、安装成本、运行成本等因素,以确保调压装置能够以最低的成本实现输出电压的调节。
综上所述,变压器有载调压是通过调节变压器的参数或结构来实现输出电压的调节。
在实际应用中,需要考虑调压装置的稳定性、可靠性、成本等因素,以满足电网对输出电压的稳定要求。
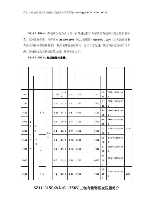
SZ11-3150KV A有载调压电力变压器,在使用过程中对节约型有载调压变压器质量可靠,经济指标合理,符合国家GB1094-1996《电力变压器》GB/T6451-1999《三相油浸式电力变压器技术参数和要求》。
铁芯采用优质硅钢片、生产工艺先进;绕组和油道结构设计合理,机械强度高和抗短路能力强,外型美观大方。
SZ11-3150KV A变压器技术参数:------------------------------------------------------------------------SZ11-3150KVA10~35KV三相有载调压变压器简介适用范围:该产品可在带负荷运行状态下自动(或手动)调整电压,特别适用于对电压要求较稳定和电网电压变化较大、较频繁的场所。
产品特点:性能优越:其性能指标达到国际先进水平。
节能效果显著,与GB6451-1999相比,空载损耗平均下降30%,负载损耗平均下降22.4%。
产品调压范围大(±4*2.5%),并可实行远距离自动(或手动)调压。
线圈温升低,过载能力强,器身采用牢固的结构,抗短路能力强。
波纹油箱,波纹片采用进口设备制成,美观、实用、耐用。
油箱、夹件经酸洗磷化处理,除油除锈后多次涂漆,局漆后的箱体漆膜不脱落。
有载调压变压器,一种可以在不停电的情况下进行手动或自动有级电压调节的油浸式变压器,产品选用日本优质的30ZH120高导磁性能硅钢片,空载损耗低,运行可靠,效率高,损耗低,噪音低,安装简单等优点,各项技术性能指标均超过国家标准,达到国外先进国家水平。
适用于季节性负荷变化幅度比较大的农村电网,还适用于一些昼夜负荷变化显著的城市商业区、开发区、工业区等配电地区。
有载调压变压器的原理介绍其基本原理是从变压器某一侧的线圈中引出若干分接头,通过有载分接开关,在不切断负荷电流的情况下,由一分接头切换到另一分接头,以变换有效匝数,达到调节电压的目的。
SZ11-3150KVA有载调压变压器有两种调压方式,一种是无载调压,一种是有载调压。
自动有载调容调压变压器结构自动有载调容调压变压器主要特点是主体线圈采用圆筒式和带有纵向油道的螺旋式相结合的结构技术,线圈体积缩小,油道散热效率高,冲击电压分布好;线圈出头数上、下相等、对称分布,从而引线布局简洁美观、引线长度缩短,使得变压器整体结构空间缩小,降低产品成本。
标签:调容调压;变压器;圆筒式;纵向油道;螺旋式据资料统计,我国变压器的总损耗约占系统发电量的10%,占电网总损耗50%-60%的中、低压电网损耗中约有70%损耗在配电变压器上。
如果变压器损耗能降低1%;每年就可节约上百亿度电。
目前,在季节性用电高峰和时段性负荷低谷期,配变负荷率低,往往达不到30%;长时间处于“大马拉小车”状态,造成变压器空载损耗严重。
为了避免以上问题,我们推出了一种新型的变压器结构用于解决以上问题。
1、变压器结构及分布这种自动有载调容调压变压器结构包括:变压器主体、高压接线柱、计量电流互感器、有载调容调压分接开关、低压防窃电护罩、低压出线排、共补分补并联电容器、穿墙套管、浪涌保护器、避雷器、进线塑壳断路器、漏电保护塑壳断路器、补偿塑壳断路器、调容调压控制器、熔断器组、智能复合开关、低压补偿控制器、调容调压控制显示器、出线柜、补偿柜、变压器主体;所述高压接线柱设置在变压器主体的右上方;所述计量电流互感器设置在低压出线排的上方;所述有载调容调压分接开关设置在变压器主体的左上方;所述低压防窃电护罩设置在变压器主体的外部;所所述低压出线排设置在计量电流互感器的下方;所述共补分补并联电容器设置在智能复合开关的下方;所述穿墙套管设置在浪涌保护器和进线塑壳断路器的正上方;所述浪涌保护器设置在进线塑壳断路器的左侧;所述避雷器设置在浪涌保护器的下方;所述进线塑壳断路器设置在浪涌保护器的右侧;所述漏电保护塑壳断路器设置在进线塑壳断路器的下方;所述补偿塑壳断路器设置在补偿柜右侧左上方;所述调容调压控制器设置在低压补偿控制器的后方;所述熔断器组设置在智能复合开关的上方;所述智能复合开关设置在熔断器组的正下方;所述低压补偿控制器设置在调容调压控制器的前方;所述调容调压控制显示器设置在低压补偿控制器的左方;所述出线柜设置在变压器主体的左前方;所述补偿柜设置在变压器主体的右前方。
变压器的有载调压电气原理
变压器的有载调压电气原理是通过改变变压器的输入电压或输出电压来实现调压的。
具体的电气原理如下:
1. 基本原理:变压器是由一个或多个线圈(绕组)绕在共同的铁芯上组成的。
当电流通过一个绕组时,它产生的磁场通过铁芯传导到其他绕组。
根据磁感应定律,当磁场的变化导致绕组中的磁通量变化时,会在绕组中产生电动势。
2. 有载调压原理:变压器的输入电压和输出电压之间的比值称为变压器的变比。
通过改变变压器的变比,可以实现调压的目的。
在有载调压时,改变输入电压或输出电压的方式主要有以下几种:
- 改变输入电压:通过改变输入端的电压来调节输出端的电压。
这可以通过提供合适的输入电压来改变变压器的变比。
例如,将输入电压调高,输出电压也会相应增加。
- 改变输出电压:通过改变输出端的电压来调节输入端的电压。
这可以通过调整输出负载电阻来实现。
例如,增加输出电阻将使输出电压下降。
3. 稳压控制电路:为了实现精密的调压控制,常常需要使用稳压控制电路。
稳压控制电路可以实时监测输出电压,并根据需要调节输入电压或输出电压以保持稳定的目标值。
这可以通过反馈控制系统实现,其中输出电压的变化被测量并与
参考电压进行比较,然后通过调节输入电压或输出电压来纠正差异。
总之,变压器的有载调压电气原理是通过改变输入电压或输出电压来实现调压的。
这可以通过改变变压器的变比或使用稳压控制电路来实现。
变压器有载调压原理
变压器的有载调压原理是通过调整输入电压和输出电压的变比来实现电压调节的。
变压器由一个主线圈和一个副线圈组成,通过互感作用使输入电压和输出电压之间产生比例关系。
当输入电压变化时,变压器会自动调整变比,从而保持输出电压的稳定。
在有载调压过程中,主要通过调节变压器的副线圈的接线方式来实现。
一般情况下,变压器的副线圈有多组接线方式,可以选择不同的接线方式来调整输出电压。
通过改变副线圈的接线方式,可以改变副线圈与主线圈的匝数比,进而改变变压器的变比,从而实现电压调节。
常见的有载调压方式有串联、并联和自耦变压器。
串联方式是将副线圈的两端与主线圈的两端串联,使副线圈的匝数比增加,从而使输出电压升高;并联方式是将副线圈的两端与主线圈的两端并联,使副线圈的匝数比减小,从而使输出电压降低;自耦变压器则是通过主线圈与副线圈中的共同部分实现电压调节。
需要注意的是,在进行有载调压时,应根据输入电压和输出电压的要求选择合适的副线圈接线方式,避免电压过高或过低,以保证整个系统的稳定性和安全性。
一、适用范围本说明书适用于额定频率为50Hz,电压等级为10kV,三相额定容量为100(30)kVA~630(200)kVA的有载自动调容配电变压器。
二、术语解释S11-M.ZT型有载自动调容配电变压器是一种具有大小两种额定容量,根据用户所带负荷大小由自动调容控制器自动检测判断,并通过特制的有载调容开关,在变压器不停电状态的下,对变压器两种容量进行自动切换,实现对运行过程中变压器容量大小自动调整,从而实现两种额定容量运行方式自动转换的配电变压器。
三、使用场所S11-M.ZT型有载自动调容配电变压器适用于用电季节性强、负荷波动大、用电集中、年平均负载率低的场所。
在我国农村用电主要集中在夏、秋两季,其余季节主要是照明用电,在农忙季节,变压器过载运行现象严重,而在用电淡季,负载率低,又出现了“大马拉小车”的现象,所以载调容配电变压器特别适用于农网改造中;另外,也适用于白天和晚上用电负荷差异较大的住宅小区和常白班的企事业单位。
四、基本原理有载自动调容配电变压器在大容量时,三相高压绕组接成三角形接法(角接),低压绕组并联结构;在小容量时,三相高压绕组接成星形接法(星接),低压绕组串联结构。
高压绕组的星--角转换和低压绕组的串-并联转换,均由有载调容开关来完成,而有载调容开关的切换是由自动控制器根据检测的负载大小情况来决定的。
当变压器由大容量转换为小容量时,由于线圈匝数增加了1.7倍,铁心磁通密度大幅度降低,硅钢片单位损耗变小,空载损耗和空载电流也大幅下降,从而大大降低了变压器的空载无功损耗(小容量时的空载无功损耗小于大容量时损耗的十分之一)和有功损耗(小容量的空载损耗小于大容量损耗的三分之一),达到了节能降耗的目的。
五、变压器本体结构特点1、铁心变压器铁心结构为叠片式结构,采用优质冷轧取向硅钢片,阶梯形三级全斜接缝,不冲孔,改善了磁路结构,增大了接缝面积,减少了接缝处的磁通阻力,与两级接缝相比,空载损耗可降低5%,空载电流可降低20%~30%。
油田用有载调压调容变压器油田用有载调压调容变压器是新型节能变压器,可以改变变压器运行效率低、电能浪费大的状况,并且经济效益非常可观。
有载调压调容变压器的调容调压是通过有载开关自动调节实现的,高压电压保持不变,低压电压改变。
标签:油田用有载调压调容变压器;经济指标;对比1 前言节能降耗是我国宏观经济面临的一个问题,提高能源使用率,节约能源,是中国现阶段电力发展的主题。
目前,国内外广泛采用的抽油机由于其机械特性的特殊原因,造成了抽油机的动力系统大部分运行在“大马拉小车”的工作状态,动力系统的效率一般低于30%,造成了效率低下、能耗高、采油成本居高不下的局面。
为降低采油成本,我們经过在油田广泛调研和同类产品的基础上,开发生产出了抽油机有载调容调压机电一体化智能变压器---有载调压调容变压器。
2 工作原理有载调压调容变压器的调容实现是通过高压电压不变,低压电压改变,是通过变磁通调压来实现的。
具体工作原理如下:在二次控制箱内有电流互感器,捕捉电流信号后,传到控制器,控制器根据信号进行比较、计算,然后将比较计算的结果信号传给有载开关,有载开关动作,改变输出容量。
当信号是需要变压器的负载率提高时,有载开关动作,使高压线圈匝数减少,低压部分电压升高,这时输出的是高容量;当信号是需要变压器的负载率降低时,有载开关动作,使高压线圈匝数增多,低压部分电压降低,这时输出的是低容量。
有载调压调容变压器的控制简图如下图1:有载调压调容变压器的高压接线原理图如下图2:3 经济性能分析有载调压调容变压器节能效果显著,因此有广阔的发展前景,具体的经济指标对比:以100kV A(30kV A)与11型100kV A变压器性能指标为例,经济指标计算对比如下:3.1 调容变压器(11型,按在小容量下运行时间为1/2)40000+[(4300×235+1100×1785)×0.5+100×144] ×1=15.4万元40000+[(4300×190+1100×205)×0.5+100×144] ×1=1.7万元两个相加等于17.1万元。
浅谈有载调容调压变压器在配电网的应用1 有载调容调压变压器在电网中的有效运用有载调容调压变压器在油田配电网中可以改变抽油机系统很多的问题,如功率因数低,效率低,电能浪费大等。
我们都知道油田配电网的核心设备就是抽油机,抽油机在用电的时候负荷变化非常明显,最高负荷一般是在抽油机启动时才会出现,再根据液量黏度等不同,负荷也会随着不断变化。
当抽油机启动后,用的电量就会相对较少,因为安装的变压器容量是按照抽油机起动时的负荷来选择的,本身的损耗是随变压器容量的增大而相对增大的。
抽油机起动过后,变压器就处在一个轻载和安载的状态中,就会造成大量的电流失。
针对这一现象,第一采油厂做了这样一个测试,他们在原来使用在机采井上的3台变压器,把S7型变压器进行改造,变成jnfd/gsz9型有载调压调容变压器。
我们首先是把三口井的产液量和动液深度进行对比,从中可以看出,经过改造后的三口机采井所使用的有载调容调压变压器对机采井电机的负荷没有任何的影响,依旧正常工作。
我们又进行计算,得出改造后的三口井有载调容调压变压器平均有功节电率是12.64%,平均无功节电率是87.24%,综合节电率达到了18.15%。
有载调容调压变压器除了节能,还有有效防止电能丢失,从而保证了油田的利益。
有载调容调压变压器有着防窃电独特结构,但是在输出电压的数值上更具有其他节能设备没有的独特之处,有载调容调压变压器在进到节能运行状态后,变压器所输出线电压会在280V到300V之间,这时它所输出现相电压只有160V这样子,即使真的有人存心偷电回家使用,也会因为电压过于低而造成无法使用,像一些普通家电是没有办法正常工作的,所以说有载调容调压变压器为油田事业带来了举足轻重的作用。
2 有载调容调压变压器工作原理有载调容调压变压器有自动调整输出电压和输出容量的功能,为了保证电机要有足够的启动转矩,在抽油机启动之前变压器的输出电压为电机的额定电压,这个时候变压器的损耗值是大容量时的数值。
S11-M-ZT型智能有载调容变压器知识讲解一、概述随着我国经济快速增长,经济发展与资源环境的矛盾日趋尖锐。
对电力资源的高效利用、节能减排、已成为国家急需解决的一大课题。
我国现行配电变压器,包括箱式变电站,都是一种固定容量模式,变压器的额定容量均按用户单位最大负荷情况来配制,变压器通常处于大马拉小车状态,造成网络无功分量过大,变压器空载损耗相对输电容量比例过大,使大量电能浪费在网络无功电流损耗及变压器空载损耗中。
国家农村电网的平均负载率仅达到30%~40%,城市电网负载率大部分只有50%~60%,从中看出降低配电变电设备的单位输送电能的空载损耗比例是近期发展趋势,S11--M--ZT型智能有载调容变压器是陕西四方华能电气设备有限公司针对我国电网季节性负荷专业研发的一种多容量配电变压器。
我公司开发的智能有载调容变压器是一种具有大小两个容量,并可根据负荷大小在变压器带负荷情况下进行调整的配电变压器。
高负荷时调至大容量,运行安全;低负荷时调至小容量,此时空载损耗和空载电流都降低,大大节省了电能。
它不但有效地解决了电网负荷大而变压器容量不足时小马拉大车的问题,提高了运行安全指数,而且解决了在低负荷季节变压器长期轻载高空损,浪费电能的症结。
适用于季节负荷或昼夜负荷变化较大的农村和城市商业区、工业开发区、居民小区等10kV配电台区和箱式变电站,成为新时期我国电网,低能耗、低成本、高回报的新型首选变压器设备。
该产品适应了变电领域向节能、智能化、高效率、稳定供电质量的发展方向,它可以通过跟踪负载变化自动改变终端配电变压器额定输出容量,适时适量保证供电,从而大幅度地降低了变压器空载损耗约40%~50%,可提高电网功率因数,降低配电网络中无功分量,减少网络损耗,减少电力电容容量,为节能型配电网络的发展开辟一个新的途径,为社会带来良好的经济效益。
二、工作原理和结构特点1、工作原理智能调容变压器主要是利用安装在变压器外壳上的调容分接开关。
变压器无励磁调压和有载调压的区别和变压器“有载”调压装置。
两者都是指的变压器分接开关调压方式,那两者之间又有什么区别呢?让我们首先了解两种之间的定义:①”无励磁“调压,是在变压器一、二次侧都脱离电源的情况下,变换变压器的高压侧分接头来改变绕组的匝数比进行调压的。
无励磁盘型分接开关双靠国汗尤分橙E胃的一共分接头我祯定电压郅蝮时蚓定通过电流.1舅压方式I瑞部.II中翔.M中博点.lYF-小转换.利亚国刊1ml相]型号说明:IP-,用也恍不阡国•匕卜・5.嗝卜兀3c. /!□用力看审r JU国『*犹安:山出才有户宜看 %『L片'IP-,用也ftWJB • t.嗝卜兀3c. /!□用力看审r JU国『*犹安:ii,坤星I;直酎同c 115B(4..r^Uk- 。
上■皮H*q*L 郎*.T小州餐BH冲”,1. 4. 3 I,卜国比,4 TJLE h.111 I fl41 umu②有载调压:利用有载分解开关,在保证不切断负载电流的情况下,变换变压器绕组的分接头,来改变高压匝数进行调压的。
,一序号i" L£;!M ii/iJi r・L望瓶■阡工修卦, 品留「机朝丁,岭哨3上附稣日司也为Lhn 4B tftS,lfll*^i,-51 钮—1, ■i iwwm 也许市亏i" L£;!M ii/iJi ▼L望瓶■阡工修卦, 品留「机朝丁,岭哨3上附稣日司也为Lhn 411#57,51 钮—1, ■i iwwmSY D ZZ型有载分接开关型号蛹明:s v 口女打-□,口-口开美明匡壬群融定用比最Ail定迤过老魂首感切好天用中咀m度X邛住点,咽正,J中殍凋:绢外浦出有成•三相下!如;3?工”3GC./J0-5枭示三相青打甲,:匕苣明.E:•用池泡包匚限电阻亘麦口就的食七;+美.升主恭定电洸力1:屯,桢京电.压1次¥,奸4岑哈东.恬从上面可以看出,两者区别在于无励磁调压开关不具备带负载转换档位的能力,因为这种分接开关在转换档位过程中,有短时断开过程,断开负荷电流会造成触头间拉弧,损坏分接开关,而有载调压装置因为在调档过程中经过一个过度电阻过渡,不存在短时断开过程,从一个档转换至另一个档位,从而也就不存在负荷电流断开的拉弧过程。
有载调容变压器
1、概述
S11-M-ZT型有载调容变压器是一种新技术节能型配电变压器,该产品具有大小两种额定容量且两种额定容量运行方式可以自动转换,它解决了10kV配电网季节性负荷变化幅度比较大而造成变压器损耗大的问题,克服了无载调容变压器断电手动调节容量而导致的运行维护难题。
除适用于季节性负荷变化幅度比较大的农村电网,还适用于一些昼夜负荷变化显著的城市商业区、开发区、工业区等电
2
2.1 工作原理
有载调容变压器通过智能控制器对调容开关进行调整,从而完成变压器高、低容量的切换过程,具体工作原理如下:智能控制器通过监测变压器低压侧的电压、电流判断当前负荷大小,根据容量整定值并判定相关约束条件,满足设定条件则发出相应调节控制命令给有载调容开关,有载调容开关根据控制指令可靠开合动作,完成变压器内部高、低压线圈的星、角变换和串、并联转换,在不需要停电的状态下,完成变压器容量调节过程。
3技术参数
采用S11-ZT型有载调容变相比两台S11型子母变压器,首先降低了设备购置和安装成本费,而且占地空间缩小,建设周期缩短,运行维护工作量明显减少。
同时S11-ZT型同有载调容变压器S11型普通变压器相比,变压器空载损耗下降50%以上。