危险源辨识汇总表
- 格式:docx
- 大小:83.54 KB
- 文档页数:6
危险源识别一览表
一、危险源评价方法及评价标准
危险性=D=LXEXC L 一发生事故的可能性大小(0.1-7)
E 一人体暴露于危险环境的频繁程度(0.5-7)
C 一发生事故可能造成的后果(1-50)
三个主要因素的评分方法如下表:
表一:
0.1 实际上不可能
评价结果分类及控制要求
表二:
(1)严重不符合法律法规、标准规范和其他要求;
(2)相关方有合理抱怨和要求;
(3)曾发生过事故,但没有采取有效防范措施;
(4)直接观察到可能导致危险的错误,且无适当控制措施;
通过作业条件危险性评价方法。
总分三100分高度危险的一律视为重大危险源。
注:本“危险源识别”为开工初次识别,随工程进度会继续完善、及时调整。
二、识别清单
作业过程:施工准备
作业过程:办公区
作业过程:路基工程(现场便道)
作业过程:工地试验室
作业过程:配电房
作业过程:食堂
作业过程:员工宿舍
作业过程:钢筋工程
作业过程:模板工程
作业过程:混凝土工程
作业过程:桩基、横梁、塔柱等结构工程
作业过程:液压爬模支架
作业过程:起重、提升机械
作业过程:修补工程
作业过程:构件加工
作业过程:建筑电器
作业过程:机械施工
作业过程:设备、仓库管理
作业过程:自然灾害
作业过程:后勤管理。
危险源辨识清单危险源辨识一览表汇总:审核:审批:注,存在形式中:1、正常;2、非正常;3、所有人员;4、人的行为;5、人的能力;6、其他人为因素;7、公司外部且能够施加影响;8、公司以内的周边地区;9、设备设施和材料;10、各类变更(活动、材料、计划、体系)危险源辨识一览表注,存在形式中:1、正常;2、非正常;3、所有人员;4、人的行为;5、人的能力;6、其他人为因素;7、公司外部且能够施加影响;8、公司以内的周边地区;9、设备设施和材料;10、各类变更(活动、材料、计划、体系)危险源辨识一览表汇总:审核:审批:注,存在形式中:1、正常;2、非正常;3、所有人员;4、人的行为;5、人的能力;6、其他人为因素;7、公司外部且能够施加影响;8、公司以内的周边地区;9、设备设施和材料;10、各类变更(活动、材料、计划、体系)危险源辨识一览表汇总:审核:审批:注,存在形式中:1、正常;2、非正常;3、所有人员;4、人的行为;5、人的能力;6、其他人为因素;7、公司外部且能够施加影响;8、公司以内的周边地区;9、设备设施和材料;10、各类变更(活动、材料、计划、体系)危险源辨识一览表注,存在形式中:1、正常;2、非正常;3、所有人员;4、人的行为;5、人的能力;6、其他人为因素;7、公司外部且能够施加影响;8、公司以内的周边地区;9、设备设施和材料;10、各类变更(活动、材料、计划、体系)危险源辨识一览表注,存在形式中:1、正常;2、非正常;3、所有人员;4、人的行为;5、人的能力;6、其他人为因素;7、公司外部且能够施加影响;8、公司以内的周边地区;9、设备设施和材料;10、各类变更(活动、材料、计划、体系)危险源辨识一览表注,存在形式中:1、正常;2、非正常;3、所有人员;4、人的行为;5、人的能力;6、其他人为因素;7、公司外部且能够施加影响;8、公司以内的周边地区;9、设备设施和材料;10、各类变更(活动、材料、计划、体系)危险源辨识一览表注,存在形式中:1、正常;2、非正常;3、所有人员;4、人的行为;5、人的能力;6、其他人为因素;7、公司外部且能够施加影响;8、公司以内的周边地区;9、设备设施和材料;10、各类变更(活动、材料、计划、体系)。
超市危险源辨识及风险评价汇总表
该汇总表旨在辨识超市内的危险源和评估相关风险。
以下是汇总表的内容:
一、危险源辨识
二、风险评价
1. 楼梯
- 描述:楼梯存在陡峭倾斜,可能导致顾客摔倒受伤。
- 风险程度评价:高风险。
- 建议措施:安装扶手,提供警示标志。
2. 电线
- 描述:地上散乱电线,存在绊倒风险。
- 风险程度评价:中风险。
- 建议措施:固定电线,隐藏电线或利用地板线槽。
3. 高架货架
- 描述:货物堆放不稳,存在倾倒风险。
- 风险程度评价:中风险。
- 建议措施:更换更稳定的货架,加强货物堆放的管理和固定。
4. 玻璃门
- 描述:玻璃易碎,存在碎片伤害风险。
- 风险程度评价:低风险。
- 建议措施:使用安全玻璃,加强门的维护和管理。
请根据实际情况对以上危险源和风险评价进行具体化和补充,
以确保超市安全运营。
实验室危险源的识别(汇总表)危险源是指能造成人员伤害、疾病、财产损失、作业环境破坏或其他损失的根源或状态。
通过对实验室中存在的人的不安全行为、物的不安全状态和管理上的缺陷进行分析,根据引发事故的原因对实验室内的危险和有害因素进行分类。
1、物理性危险设备、设施缺陷、防护缺陷、工作环境不良;2、化学性危险易燃、易爆、有毒化学药品;3、行为性危险操作失误、管理不善。
实验室使用种类繁多的化学药品、易燃易爆物品和剧毒物品、包括放射性物质等,有些实验需要在高温高压或超低温、强磁、真空、微波辐射、高电压和高转速等特殊环境和条件下进行;实验过程中会产生多种有害物质;实验设备在运行中也存在诸如光、电、热、射线、高压气体、电磁波等,这些都可以被列为危险源。
以上危险源的存在,决定在围绕实验室开展的各项工作中,稍有疏忽就可能导致火灾、毒害爆炸的发生。
人是实验室安全事故中的主题,各种环境因素往往都是人为造成的,据统计,实验室安全事故中由于人为因素引起的事故比例为98%,对于参与实验室活动的人进行培训和控制,是实验室安全管理最重要的内容。
为保证实验室日常工作的安全,实验室应开展对危险源辨识和风险评价及实验室工作的安全检查,安全检查应包括危险源辨识、风险评价和风险控制措施、人员能力与健康状况、环境、设施和设备、物料、工作流程等的安全检查。
实验室活动所有阶段可预见的危险源,如机械、电气、高低温、火灾爆炸、噪声、振动、呼吸危害、毒物、辐射、化学等危害;或与任务不直接相关的的可预见的危险,如实验室突然停电停水,地震、水灾、台风等特殊状态下的安全。
针对不同的危险源及可能引发的安全事故采取相应的对策措施?实验室有毒有害药品的使用首先为防止试验室内危险化学品中毒、污染最理想的方法是不使用有毒有害和易燃、易爆的化学品,但是这很难做到,因而可选用无毒或低毒的化学品替代有毒有害的化学品或改进工艺。
例如在用重辂酸盐法检测化学需氧量(COD)时,为消除或减少氯化物的干扰需加硫酸汞进行去除,而硫酸汞是极毒物质。
危险源辨识总结表一、带班队长危险源:1)未检查随身携带的便携仪器的完好情况。
2)随身携带的便携仪器不完好。
3)对通风情况未检查或检查不到位。
4)瓦斯浓度超限。
5)人员站位及处理方法不当。
管理措施:1)1、对所有使用更携式瓦检仪的人员每年1次进行操作使用培训。
2、通风队值班队长每天对瓦检员所领用的便携瓦检仪的完好情况进行抽查,发现瓦检员领用的瓦检仪不完好时对其进行批评教育。
2)1、便携式瓦检仪每年鉴定检查1次。
2、便携式仪器管理员每7天对便携式瓦检仪进行1次调校。
3、仪器发放人员发放前对便携工式瓦检仪进行外观检查,电压检查,发现损坏时严禁发放,并将其送回通风队进行修理。
3)1、瓦斯员应按规定进行检查,如工作面出现瓦斯或其它有害气体必须及时向调度室反馈。
2、每班瓦检员发现井下通风,瓦斯,煤尘等隐患情况及时汇报,若情况危急,责令立即停止一切工作,撤出工作面所有人员。
3、若工作面瓦斯浓度达到1.5%时,必须立即切断电源,停止一切工作,撤出人员。
4)1、瓦检员每班对采掘工作及其作业地点风流中,电动机或其开关安设地点附近20m以内瓦斯浓度检测2次,当瓦斯浓度超过1%时,必须继电,撤人,并汇报调度室;2、瓦检员每班对采区回风巷,采掘工作面回,风巷风流中瓦斯浓度检测2次,当瓦斯浓度超过1.0%或二氧化碳度超过1.5%时,必须继电,撤人,向调度室汇报,并在通向采区回风巷和采掘工作面的入口处揭示警标;3、瓦检员每班对总回风流中的瓦斯和二氧化碳浓度检测1次。
当瓦斯浓度超过0.75%时应立即切继总回风巷中的所有电器设备,设好警戒人,禁止人员进入。
5)1、对带班干部定期进行培训,让其更清楚的理解敲帮问顶的重要性。
2、日常工作中不定期监督敲帮问顶人员的作业行为,规范其作业性工作标准。
二、班组长危险源:1)对通风情况未检查或检查不到位。
2)未按领药单上要求的数量、规格,型号进行领药。
3)未按要求装卸火工品。
4)爆破材料码放不符合规定或雷管和炸药没有分开运送。
危险源辨识评价汇总表版本号:A评审人员:全体人员评审时间:2018.01.22危险源识别评价表注:1、L—可能性;E—发生频率;C—危害程度;2、风险等级:如果风险值D≥70则为重大风险,对应危险源为重大危险源;D<70为一般风险;3、风险控制计划:A—制定目标指标、管理方案;B—制定控制程序;C—教育和培训;D—制定应急预案;E—加强现场监督检查。
危险源识别评价表注:1、L—可能性;E—发生频率;C—危害程度;2、风险等级:如果风险值D≥70则为重大风险,对应危险源为重大危险源;D<70为一般风险;3、风险控制计划:A—制定目标指标、管理方案;B—制定控制程序;C—教育和培训;D—制定应急预案;E—加强现场监督检查。
危险源识别评价表2、风险等级:如果风险值D≥70则为重大风险,对应危险源为重大危险源;D<70为一般风险;3、风险控制计划:A—制定目标指标、管理方案;B—制定控制程序;C—教育和培训;D—制定应急预案;E—加强现场监督检查。
危险源识别评价表2、风险等级:如果风险值D≥70则为重大风险,对应危险源为重大危险源;D<70为一般风险;3、风险控制计划:A—制定目标指标、管理方案;B—制定控制程序;C—教育和培训;D—制定应急预案;E—加强现场监督检查。
危险源识别评价表危险源识别评价表危险源识别评价表危险源识别评价表注:1、L—可能性;E—发生频率;C—危害程度;2、风险等级:如果风险值D≥70则为重大风险,对应危险源为重大危险源;D<70为一般风险;3、风险控制计划:A—制定目标指标、管理方案;B—制定控制程序;C—教育和培训;D—制定应急预案;E—加强现场监督检查。
建筑材料危险源辨识和风险控制汇总表
一、背景
建筑材料的安全使用是保障建筑工程施工和使用安全的重要环节。
为了确保建筑材料的安全性,我们需要对建筑材料的危险源进行辨识和控制,从而减少潜在的风险。
二、危险源辨识
下表汇总了常见的建筑材料危险源及其辨识要点:
三、风险控制措施
为了降低建筑材料的风险,我们需要采取相应的风险控制措施。
下表总结了常用的风险控制措施:
四、结论
通过对建筑材料危险源的辨识和风险控制措施的采取,我们可以保障建筑工程的施工和使用的安全。
建筑材料的安全性是保障建筑质量和人身安全的基础,我们应该高度重视建筑材料的危险源辨识和风险控制工作。
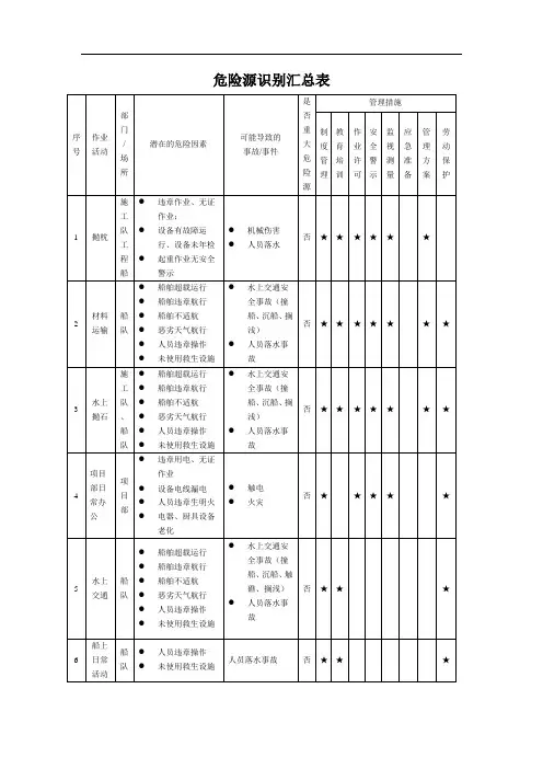
建筑工地危险源辨识、风险评价汇总表本文是一份危险源辨识与风险评价汇总表,用于记录可能存在的危害因素及其产生原因、事故后果等信息。
表格中列出了16个作业活动,包括管理缺陷、施工管理、特种作业、材料使用、现场围挡等方面。
每个作业活动都列出了可能存在的危害因素及其产生原因的详细描述,并对其进行了危险性评价和风险判别。
同时,表格中还列出了已采取的控制措施和备注。
为了更好地管理危险源和降低风险,我们需要对所有可能存在的危害因素进行辨识和评价。
在这个过程中,我们需要考虑到所有可能的风险,并采取相应的措施来降低这些风险。
同时,我们还需要建立健全的制度和监督检查机制,对所有作业活动进行安全交底和安全教育,并按要求进行安全检查和防护用品配置。
在表格中,我们可以看到每个作业活动的危险性评价和风险判别。
其中,危险性评价分为L、E、C、D四个等级,风险判别分为1、2、3三个等级。
我们需要根据这些评价和判别结果,采取相应的控制措施,降低风险等级,确保作业活动的安全进行。
最后,我们需要注意的是,危险源辨识与风险评价是一个持续的过程,需要不断地进行监督和改进。
只有通过不断地完善和优化,才能确保作业活动的安全进行。
作业活动:场地平整及渣土外运可能发生的危害因素及其产生原因的详细描述:渣土外运撞人或辗压人事故后果:死亡或严重伤害作业条件:临建危险性评价:D级,风险判别为126现场已采取的控制措施:监督检查备注:判别依据中d为直接观察到可能导致事故的危险,且无适当控制措施。
作业活动:临时房屋建设可能发生的危害因素及其产生原因的详细描述:搭设脚手架不合格,造成脚手架倒塌;脚手架上面搭设跳板,探头板;脚手架上面材料堆放超重事故后果:人员伤亡或严重伤害作业条件:临建危险性评价:D级,风险判别为135现场已采取的控制措施:安全技术交底检查备注:判别依据中d为直接观察到可能导致事故的危险,且无适当控制措施。
作业活动:易燃易爆物品保管可能发生的危害因素及其产生原因的详细描述:易燃易爆物品不设专库,保管不合要求事故后果:火灾或爆炸作业条件:无危险性评价:E级,风险判别为54现场已采取的控制措施:安全技术交底、检查备注:判别依据中e为LEC法半定量评价。