避雷(网)及接地装置安装检查记录
- 格式:doc
- 大小:42.50 KB
- 文档页数:1
2008年10月15日施管表52008年10月15日施管表52008年10月15日施管表5技术交底记录技术交底记录2008年10月15日施管表5图3.3.1.1接收单位接收人技术交底记录2008年10月15日施管表5图3.3.2沟挖好后,应立即安装接地体和敷设接地扁钢,防止土方坍塌。
先将接地体放在沟的中心线上,打入地中,一般采用手锤打入,一人扶着接地体,一人用大锤敲打接地体顶部。
为了防止将接钢管或角钢打劈,可加一护管帽套入接地管端,角钢接地可采用短角钢<所示。
使用手锤敲打接地体时要平稳,锤击接地体正中,不得打偏,应与地面保持垂时停止打入。
图3.3.3接收单位接收人技术交底记录2008年10月15日施管表5图3.3.41—接地体;2—自然地坪;3—接地卡子焊接处接地体连接完毕后,应及时请质检部门进行隐检、接地体材质、位置、焊接质量,接地体截面规格等均应符合设计及施工验收规范要求,经检验合格后方可进行回填,分层夯实。
最后,将接地电阻摇测数值填写在隐检记录上。
技术交底记录2008年10月15日施管表5技术交底记录2008年10月15日施管表5技术交底记录2008年10月15日施管表5技术交底记录2008年10月15日施管表5技术交底记录2008年10月15日施管表5技术交底记录2008年10月15日施管表5技术交底记录2008年10月15日施管表5技术交底记录2008年10月15日施管表5技术交底记录2008年10月15日施管表5技术交底记录2008年10月15日施管表5技术交底记录2008年10月15日施管表5技术交底记录2008年10月15日施管表5技术交底记录2008年10月15日施管表5。
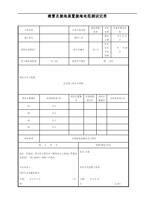
避雷及接地装置接地隐蔽工程验收记录GB50303—2002 技06-04-工程名称雅美新居6#住宅楼子分部工程名称防雷及接地施工单位新乡市获嘉建筑安装工程总公司验收日期2005.设计单位及图纸编号河南省机电设计院电施-1、4类别部位名称材质规格数量连接方法长度(m)埋深(m)排列形式顶端与地表距离(m)利用基础的接地装置条基钢筋12107焊接0.15地圈梁钢筋12焊接筏板立柱(引上线)钢筋147焊接0.15人工接地装置接地体镀锌扁铁-40*4 2 焊接-0.8 接地母线引上线示意图及说明:1、利用基础周边钢筋通焊,搭接12D单面焊。
2、作为引下线的GZ四根通焊与基础钢筋搭接12D单面焊。
3、各类金属管道按规范要求与地网导通。
4、从建筑物北立面东西两角室外地坪-0.8处从引下线焊接引出-40*4镀锌扁铁引至室外散水外0.5以备人工重复接地.施工单位监理(建设)单位验收意见:符合设计及规范要求验收意见:项目专业工长(施工员):项目专业质量检查员:项目专业监理工程师:2005年月日(公章)年月日(公章)郑州市工程质量监督站监制电线、电缆导管隐蔽工程验收记录电线、电缆导管隐蔽工程验收记录GB50303—2002 技电线、电缆导管隐蔽工程验收记录验收意见:符合设计及规范要求。
验收意见:项目专业工长(施工员):项目专业质量检查员:项目专业监理工程师:2005年月日(公章)年月日(公章)避雷及接地引线(侧击雷)隐蔽工程验收记录GB50303—2002 技06-05-工程名称雅美新居6#住宅楼子分部工程名称防雷及接地施工单位新乡市获嘉建筑安装工程总公司验收日期2005.设计单位及图纸编号河南省机电设计院电施-1、4类别部位层段或标高(m)材质规格数量连接方法引线GZ 一层○A/○2、○12钢筋14 7 电渣压力焊○D/○1、○13○E/○3、○6、○11侧击雷外窗均压环接闪器示意图及说明:1、施工详见电施-1、4。
表 C.O。
49隐蔽工程验收记录质控(建)表C。
0。
49 共页第 2 页表C。
O.49隐蔽工程验收记录表C。
O.49隐蔽工程验收记录表C。
O.49隐蔽工程验收记录表 C.O。
49隐蔽工程验收记录表C。
O。
49隐蔽工程验收记录表 C.O.49隐蔽工程验收记录表C。
O。
49隐蔽工程验收记录表 C.O.49隐蔽工程验收记录表 C.O.49隐蔽工程验收记录质控(建)表C。
0.49 共页第页表 C.O。
49隐蔽工程验收记录表C。
O。
49隐蔽工程验收记录质控(建)表C.0.49 共页第页表C。
O.49隐蔽工程验收记录质控(建)表C.0。
49 共页第页表C。
O.49隐蔽工程验收记录质控(建)表C.0。
49 共页第页表 C.O.49隐蔽工程验收记录质控(建)表C.0。
49 共页第页表C。
O。
49隐蔽工程验收记录质控(建)表C.0。
49 共页第页质控(建)表C.0。
49 共页第页表 C.O.49隐蔽工程验收记录质控(建)表C。
0。
49 共页第页质控(建)表C.0.49 共页第页质控(建)表C.0。
49 共页第页表 C.O.49隐蔽工程验收记录质控(建)表C.0。
49 共页第页质控(建)表C.0.49 共页第页质控(建)表C。
0.49 共页第页质控(建)表C.0。
49 共页第页质控(建)表C。
0。
49 共页第页质控(建)表C。
0.49 共页第页质控(建)表C。
0.49 共页第页质控(建)表C.0。
49 共页第页质控(建)表C。
0。
49 共页第页质控(建)表C。
0。
49 共页第页。
防雷及接地安装隐蔽工程检查验收记录编号:(01-18/03-02/04-02/05-16)/06-17 /(08-20/09-01)□□□1 / 30防雷及接地安装隐蔽工程检查验收记录编号:(01-18/03-02/04-02/05-16)/06-17 /(08-20/09-01)□□□2 / 303 / 30防雷及接地安装隐蔽工程检查验收记录编号: (01-18/03-02/04-02/05-16)/06-17 /(08-20/09-01)□□□4 / 30防雷及接地安装隐蔽工程检查验收记录编号:(01-18/03-02/04-02/05-16)/06-17 /(08-20/09-01)□□□5 / 30防雷及接地安装隐蔽工程检查验收记录编号:(01-18/03-02/04-02/05-16)/06-17 /(08-20/09-01)□□□6 / 30防雷及接地安装隐蔽工程检查验收记录编号: (01-18/03-02/04-02/05-16)/06-17 /(08-20/09-01)□□□7 / 30防雷及接地安装隐蔽工程检查验收记录编号: (01-18/03-02/04-02/05-16)/06-17 /(08-20/09-01)□□□防雷及接地安装隐蔽工程检查验收记录编号:(01-18/03-02/04-02/05-16)/06-17 /(08-20/09-01)□□□8 / 30防雷及接地安装隐蔽工程检查验收记录9 / 30编号:(01-18/03-02/04-02/05-16)/06-17 /(08-20/09-01)□□□10 / 30防雷及接地安装隐蔽工程检查验收记录编号:(01-18/03-02/04-02/05-16)/06-17 /(08-20/09-01)□□□11 / 30防雷及接地安装隐蔽工程检查验收记录编号:(01-18/03-02/04-02/05-16)/06-17 /(08-20/09-01)□□□12 / 30电线导管敷设隐蔽工程检查验收记录编号:(01-18/03-02/04-02/05-16)/06-17 /(08-20/09-01)□□□13 / 30防雷及接地安装隐蔽工程检查验收记录编号:(01-18/03-02/04-02/05-16)/06-17 /(08-20/09-01)□□□14 / 3015 / 30防雷及接地安装隐蔽工程检查验收记录编号:(01-18/03-02/04-02/05-16)/06-17 /(08-20/09-01)□□□16 / 30防雷及接地安装隐蔽工程检查验收记录编号:(01-18/03-02/04-02/05-16)/06-17 /(08-20/09-01)□□□17 / 30防雷及接地安装隐蔽工程检查验收记录编号:(01-18/03-02/04-02/05-16)/06-17 /(08-20/09-01)□□□电线导管敷设隐蔽工程检查验收记录18 / 30编号:(01-18/03-02/04-02/05-16)/06-17 /(08-20/09-01)□□□19 / 30防雷及接地安装隐蔽工程检查验收记录编号:(01-18/03-02/04-02/05-16)/06-17 /(08-20/09-01)□□□20 / 30防雷及接地安装隐蔽工程检查验收记录编号:(01-18/03-02/04-02/05-16)/06-17 /(08-20/09-01)□□□21 / 30防雷及接地安装隐蔽工程检查验收记录编号:(01-18/03-02/04-02/05-16)/06-17 /(08-20/09-01)□□□防雷及接地安装隐蔽工程检查验收记录编号:(01-18/03-02/04-02/05-16)/06-17 /(08-20/09-01)□□□23 / 30防雷及接地安装隐蔽工程检查验收记录编号:(01-18/03-02/04-02/05-16)/06-17 /(08-20/09-01)□□□25 / 30防雷及接地安装隐蔽工程检查验收记录编号:(01-18/03-02/04-02/05-16)/06-17 /(08-20/09-01)□□□26 / 30防雷及接地安装隐蔽工程检查验收记录编号:(01-18/03-02/04-02/05-16)/06-17 /(08-20/09-01)□□□27 / 30防雷及接地安装隐蔽工程检查验收记录编号:(01-18/03-02/04-02/05-16)/06-17 /(08-20/09-01)□□□28 / 30防雷及接地安装隐蔽工程检查验收记录编号:(01-18/03-02/04-02/05-16)/06-17 /(08-20/09-01)□□□防雷及接地安装隐蔽工程检查验收记录编号:(01-18/03-02/04-02/05-16)/06-17 /(08-20/09-01)□□□29 / 3030 / 30。