MAPGIS制图
- 格式:docx
- 大小:6.37 MB
- 文档页数:12
绘图规程2011年3月目录一、引用标准和依据 (1)二、采用库和制图原则 (1)三、制图顺序 (1)四、颜色 (2)五、区的填充 (2)六、字的大小 (2)七、线条 (4)八、地形 (5)九、图例 (7)十、剖面图 (8)十一、柱状图 (11)十二、责任表 (12)十三、图框 (13)十三、参考《区域地质及矿区地质图清绘规程》部分内容 (15)13.1、图面配置 (15)13.2 各类地质图件的清绘 (16)13.3 剖面图、投影图类的清绘 (18)13.4、坑、井、槽探素描图类的清绘 (20)13.5、钻孔柱状图的清绘 (20)十四、制图常见问题 (21)十五、mapgis使用小技巧、小常识 (25)15.1、线条重叠处理 (25)15.2、矢量化系统常用功能键 (25)15.3、mapgis常用的术语 (25)15.4、MAPGIS常用文件类型 (28)15.5、拓扑处理工作流程 (29)15.6、拓扑处理系统对数据的要求 (30)应物勘院领导的要求,为了规范我院计算机制图,让大家正确、统一、美观、快速的完成制图,同时针对绘图过程中经常出现的一些问题和注意事项,特做此文。
由于我们对制图方面了解不多,在整理过程中难免疏忽的,请大家谅解,此外希望大家在以后工作中发现新问题和好的方法,多多提出,以便及时增补本文内容。
一、引用标准和依据1、《区域地图图例1:50000》GB958-892、《固体矿产普查勘探地质资料综合整理规范》1980年3、《地质图用色标准及用色原则1:50000》DZ/T0179-19974、《区域地质及矿区地质图清绘规程》DZ/0156-955、《地球物理勘查技术符号》GB/T14499-19936、《地球物理勘查图图式图例及用色标准》DZ/T0069-19937、《地球化学勘查技术符号》GB/T14839-19938、《地球化学勘查图图式、图例及用色标准》DZ/T0075-19939、《固体矿产勘查地质图件规范图式》以上物化探规范在格式上与《固体矿产勘查地质图件规范图式》格式有冲突地方,以《固体矿产勘查地质图件规范图式》格式为准。
Mapgis制图方法步骤及常用功能电脑制图基本步骤:在做一幅图之前,先新建一个文件夹(用来保存与该图有关的所有文件),用图名给该文件夹命名,例:×××矿1号剖面,之后将扫描的图放入该文件夹中。
打开MAPGIS主菜单,进行系统设置,把工作目录设置为刚才新建的文件夹(×××矿1号剖面),其余三项在安装MAPGIS软件时设置好。
因为扫描文件为(*.tif)格式,在MAPGIS中使用不变,因此需要转换成MAPGIS可使用的文件格式(*msi),需要进行数据类型转换:MAPGIS主菜单→图象处理→图象分析(镶嵌配准)→文件→数据输入→转换数据类型:(*.tif)→添加文件(扫描的文件)→转换图形处理→输入编辑→确定:新建工程(把做的这张图看作一个工程),在左区点右键→新建区、新建线、新建点→矢量化→装入光栅文件→描图其它常用功能:做平面图之前,生成标准图框:自动生成图框:MAPGIS主菜单→实用服务→投影变换→系列标准图框→键盘生成矩形图框→矩形图框参数输入:坐标系:国家坐标系;带号:20/40;注记:公里值。
边框参数:内间距10,外间距1,边框宽1。
网线类型:绘制实线坐标线;比例尺:图的比例尺(例:5000);矩形分幅方法:任意公里矩形分幅。
图廓参数:横向起始公里值(去带号):例20556000→556.000,纵向起始公里值:例4820.000,横向结束公里值:,纵向结束公里值:,图廓内网线参数:网起始值(根据起始公里值定):,网间隔(根据比例尺定):;(例横向起始值为556.020,比例尺为5000,网起始值应为:556.500,网间隔为0.5)图幅名称:××××,图框文件名:×××,线参数设置→点参数设置→确定因为扫描图纸过程中会产生变形,为校正所产生的误差,需要用标准图框对扫描图转换后的(*.msi)格式的图纸进行图像校正,如下:图像校对:MAPGIS主菜单→图象处理→图象分析→打开影像(*.msi文件)→镶嵌融合→打开参照文件→参照线文件→镶嵌融合→删除所有控制点→镶嵌融合→添加控制点(点原图(左侧)的某点,再点右侧图对应的点,之后连续三次空格,)→镶嵌融合→控制点浏览(添加足够数量的控制点)→校正预览→影像校正为将野外用GPS实测的地质、物化探点(有大地坐标)一次性投影到所图纸上,需要做投影变换投影变换:先在Excel表格中输入X(数据去掉带号20或40)、Y、Z,另存为文本文件(制表符分隔)(*.txt)MAPGIS主菜单→实用服务→投影变换→投影转换→用户文件投影转换→设置用户文件:打开文件(*.txt)→点第二行数据用户投影参数:椭球参数:北京54坐标系;比例尺分母:1;坐标单位:米;投影带类型:6度带/3度带;结果投影参数:椭球参数:北京54坐标系;比例尺分母:图的比例尺分母(例5000);坐标单位:毫米;投影带类型:6度带/3度带按指定分隔符→设置分隔符:√Tab;数据类型:5:双精度,6:字符串,属性名称所在行:点图元参数设置→√生成点;X位于 Y位于列→投影变换→确定→保存文件做物化探异常等值线图的步骤如下:自动生成等值线:先把Excel(*.xls)电子表格文件转换成(*.dat)文件(可以在Sufer软件中转换)注意:Excel表格中的Z值不可以有空格或符号(如≤),若某一点无数据,便用0补齐→MAPGIS主菜单→空间分析→DTM分析→Grd模型→离散数据网格化→设置参数:X:文件第列数据,Y:文件第列数据,Z:文件第列数据;网格化方法:Kring泛克立格法网格化;文件名:→保存为(*.GRD)格式文件→Grd模型→平面等值线图绘制→设置等值线参数:√等值线套区;√等值线光滑度处理:高程度;等值线层:删除当前分段,起始:,终止:,步增,→确认。
一、如何将mapgis的图形插到word、excel、PowerPoint 中首先点取mapgis菜单“其他->OLE拷贝”,接着打开word,点取“粘贴”。
Mapgis数据就复制到word 文档里。
二、空心字格式使用空心字时,字体采用相应字体编号的负数。
如:-3表示黑体空心字。
三、合并区1、可以在屏幕上开一个窗口,系统就会将窗口内的所有区合并,合并后区的图形参数及属性与左键弹起时所在的区相同。
2、也可以先用菜单中的选择区功能将要合并的区拾取到,然后再使用合并区功能实现。
3、还可以先用光标单击一个区,然后按住 CTRL 键,在用光标单击相邻的区即可。
四、翻转图形在Mapgis中的其它下面整图变换中比例参数的X比例中输入法-1或Y比例中输入-1后确定。
五、CAD转化为MAPGIS1.将CAD文件另存为2004/2000DXF格式。
2.在MAPGIS主程序中选择“文件转换”。
3.输入中选择转入DXF文件,确定并复位4.保存点线文件(面无法转化)六、MAPGIS转化为CAD1.在MAPGIS主程序中选择“文件转换”。
2.分别装入点线文件,复位并全选。
3.输出中选择“部分图形方式输入DXF”全选并确定。
4.打开保存的DXF文件,用CAD复位显示图形,并改字体样式。
5.保存成CAD格式。
七、如何把JPG格式的转成MSI格式图象处理----------图象分析模块。
在里面点:文件--------数据输入--------转换数据类型(选JPG)---------添加文件---------转换转换后的格式为mapgis的msi影像文件!转换为MSI文件格式后再在输入编辑里,导入后矢量化。
八、在电脑里如何做剖面图,不用手画,而且精度更高!1、先把MAPGIS图生成JPG格式,在PHOTOSHOP中图像—图像大小—文挡大小中输入经过变化后的宽度和高度数字(根据剖面图的比例和JPG图的比例关系得出);然后按需要裁剪,以减少图形的所占内存;2、裁剪后旋转使剖面线处于水平位臵;3、在MAPGIS中插入裁剪旋转后光栅文件,新建线和点文件,以剖面线为水平的X轴,画垂直X轴的线为Y轴,以剖面线起点的位臵为坐标原点,以剖面线起点的高程为起始Y轴刻度,在X和Y轴上标上相对应比例尺的刻度。
mapgis地质制图课课程设计一、教学目标本课程的教学目标是使学生掌握MapGIS地质制图的基本原理和方法,能够熟练操作MapGIS软件进行地质图件的编制。
具体包括以下三个方面的目标:1.知识目标:学生需要了解地质制图的基本概念、原理和方法,掌握MapGIS软件的基本操作和功能,了解地质图件的种类和编制要求。
2.技能目标:学生能够熟练操作MapGIS软件,进行数据的输入、编辑、处理和输出,能够独立完成简单的地质图件的编制。
3.情感态度价值观目标:学生能够认识到地质制图在地质勘查和科研中的重要性,培养对地质制图工作的热爱和敬业精神。
二、教学内容本课程的教学内容主要包括MapGIS地质制图的基本原理、MapGIS软件的基本操作和地质图件的编制方法。
具体安排如下:1.MapGIS地质制图的基本原理:介绍地质制图的概念、作用和基本要求,讲解地质图件的种类和编制方法。
2.MapGIS软件的基本操作:讲解MapGIS软件的启动和退出,介绍软件界面及主要功能模块,讲解数据的输入、编辑、处理和输出的方法。
3.地质图件的编制方法:以实际案例为例,讲解地质图件的编制步骤和方法,包括坐标转换、数据处理、图元绘制、图件组合和输出等。
三、教学方法为了提高学生的学习兴趣和主动性,本课程将采用多种教学方法相结合的方式进行教学。
具体方法如下:1.讲授法:教师讲解MapGIS地质制图的基本原理、方法和步骤,引导学生掌握地质制图的知识点。
2.案例分析法:教师通过实际案例,讲解地质图件的编制方法和技巧,培养学生解决实际问题的能力。
3.实验法:学生动手操作MapGIS软件,进行地质图件的编制,巩固所学知识,提高实际操作能力。
4.讨论法:教师学生进行小组讨论,分享学习心得和经验,提高学生的合作能力和沟通能力。
四、教学资源为了支持本课程的教学内容和教学方法的实施,丰富学生的学习体验,我们将准备以下教学资源:1.教材:选用《MapGIS地质制图教程》作为主要教材,为学生提供系统的地质制图知识。
MapGIS 10 制图流程操作手册2014年5 月武汉第 1 章栅格几何校正1.1栅格数据标准图幅校正(DRG校正)流程标准图幅校正主要是对国家绘制的标准地形图进行操作。
由于早期标准地形图以纸质档保存,为便于统一管理和分析应用,将其扫描为电子地图后,可利用标准图幅校正操作,将图幅校正为正确的地理坐标的电子图幅,在标准图幅校正的过程中,不仅可以为标准地形图赋上正确的地理坐标,也可对扫描时造成的形变误差进行修正。
步骤1:影像数据入库管理在实际操作中,为便于统一管理数据,需将影像数据导入到数据库中。
可利用GDBCatalog—栅格数据集右键—导入影像数据功能实现数据的入库操作。
步骤2:启动栅格几何校正在栅格编辑菜单选择标准图幅校正功能,视图显示如下:注意:在进行标准图幅校正前,需对图幅的信息进行读取,如图幅号、网格间距、坐标系信息。
校正影像显示窗口:控制点全图浏览窗口;校正文件局部放大显示窗口:控制点确认窗口,放大在校正影像显示窗口中选择的内容;控制点列表显示窗口:显示图中控制点信息。
步骤3:根据图幅信息生成GCP控制点1、选择栅格数据在标准图幅校正设置窗口的校正图层项浏览选择栅格数据(若当前地图已添加待校正的栅格数据则可直接点下拉条选择添加),如图:2、输入图幅信息点击[下一步],设置图幅信息,如图:在“图幅信息”对话框中各参数说明如下:i.图幅号:读图输入图幅号信息。
ii.网格间距:读图输入格网间距。
iii.坐标系:读图选择选择坐标系信息。
iv.图框类型:加密框是根据图幅信息生成梯形图框,而四点框是直接生成矩形内框,加密框的精度相对较高。
此处是对1:1万的图幅进行校正,用四点框即可。
v.最小间隔:添加的控制点的相邻点间距vi.采用大地坐标:指生成的标准图幅是否采用大地坐标,若采用大地坐标,则单位为米,否则采用图幅自身的坐标单位。
3、定位内图廓点,建立理论坐标和图像坐标的对应关系。
点击[下一步],在该对话框定位内图廓点,建立理论坐标和图像坐标的对应关系。
第1章概述与安装1。
1 概述MAPGIS 是中国地质大学(武汉)开发的、通用的工具型地理信息系统软件。
它是在享有盛誉的地图编辑出版系统MAPCAD 基础上发展起来的,可对空间数据进行采集,存储,检索,分析和图形表示的计算机系统。
MAPGIS 包括了MAPCAD的全部基本制图功能,可以制作具有出版精度的十分复杂的地形图、地质图,同时它能对图形数据与各种专业数据进行一体化管理和空间分析查询,从而为多源地学信息的综合分析提供了一个理想的平台。
MAPGIS 地理信息系统适用于地质、矿产、地理、测绘、水利、石油、煤炭、铁道、交通、城建、规划及土地管理专业,在该系统的基础上目前已完成了城市综合管网系统、地籍管理系统、土地利用数据库管理系统、供水管网系统、煤气管道系统、城市规划系统、电力配网系统、通信管网及自动配线系统、环保与监测系统、警用电子地图系统、作战指挥系统、GPS 导航监控系统、旅游系统等一系列应用系统的开发。
1.2安装1)系统要求:硬件:CPU 486 以上、16M RAM、200M 硬盘、256 色以上显示器;操作系统:Win9x、Win2000、WinNT 、WinXP或Win7系统;输入设备:本单位主要使用的是GRAPHTEC-RS200Pro型扫描仪;输出设备:本单位主要使用的是Canon—IPF700型出图打印机。
2) 硬件的安装:MAPGIS 硬件部分有加密狗,ISA 卡、PCI 卡三种,本单位主要为MAPGIS USB 软件狗,在确保机器BIOS 设置中USB 设备未被禁止的条件下,Windows 98 和Windows2000 自带的标准USB 驱动程序均可支持MAPGIS USB 软件狗工作。
3)软件的安装:MAPGIS 安装程序的安装过程为:找到MAPGIS 系统安装软件,双击SETUP 图标,系统自动安装软件,在WIN2000/NT/XP 下安装时,应先运行WINNT_DRV,提示成功后才可选择SETUP 开始MAPGIS 程序的安装;对于MAPGIS6.1 及MAPGIS6。
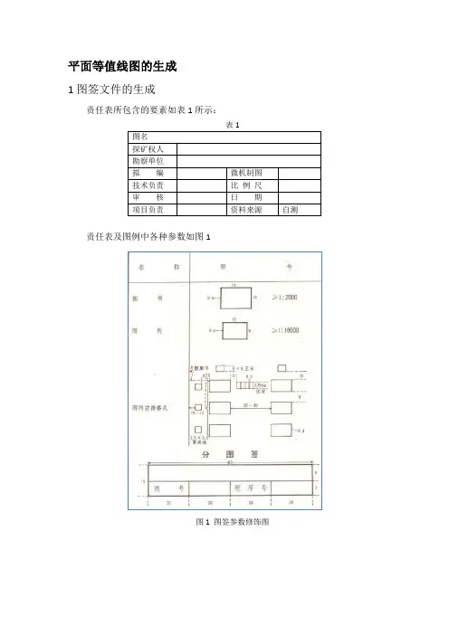
平面等值线图的生成1图签文件的生成责任表所包含的要素如表1所示:责任表及图例中各种参数如图1图1 图签参数修饰图2图框文件的生成MAPGIS主菜单中实用服务-投影变换-系列标准图框-键盘生成矩形图框,弹出矩形图框参数输入对话框,按图2设置各种参数,设置图框文件名及位置。
图2 键盘生成矩形图框操作界面注:可在线参数中设置线参数(线宽0.5)和点参数(2.4)。
如此生成的图框标注有问题,需按图3更改图框的标注。
图3 图框标注3 异常等值文件的生成1)Grid模型文件的生成:MAPGIS主菜单中空间分析-DTM分析-Grid模型-离散数据网格化,打开原始数据文件(*.txt),选择生成数据行列及网格间距(图4),然后确定(生成网格化文件默认保存在原始数据所在文件位置)。
图4 离散数据网格化操作界面2)平面等值线图的绘制:Grid模型-平面等值线绘制,打开生成的网格化文件,设置等值线参数(图5)在设置选项中按要求勾选,图5 等值线设置操作界面制图幅面-选择“原始数据范围”,点击等值线值,打开等值线层设定对话框(图6),图6 等值线色标设定操作界面点击-删除当前分段,然后点击添加分段,添加所需要的分段并设置颜色,同样的操作添加第二个分段(第一个分段的终止和下一个分段的起始不能重合,比如分段0-40-100-240,第一个分段为0-40,第二个分段可以设为40.1-100,第三个分段可设为100.1-240)确定并删除40.1和100.1两个层,最后确定,生成等值线图。
文件-另存数据于-保存点、线、去文件到事先建好的文件夹,并关闭工作区。
4 文件的合并1)MAPGIS主菜单-图形处理-输入编辑-新建工程,将生成的等值线点、线、面文件添加到工作区并对正负异常等值线进行分层并设置其参数。
(1)编辑等值线文件*.WL,线编辑-参数编辑-根据属性赋参数打开对话框(图7),添加表达式(高度==0),将属性“高度”==0的等值线赋予其新的参数,图7确定并打开对话框(图8),勾选线宽度,将0等值线线宽设为0.8。
Mapgis制图流程
在D盘建立自己的文件夹→打开dogserve7→打开MAPGIS6.7主菜单,进入主页→点击主页的“设置”按钮→工作目录修改,把目录改到自己建的文件夹下,单击确定→把鼠标放在“图形处理”上,在下面显示出五个子菜单,点击子菜单中“输入编辑”按钮→进入编辑器,出来提示框“Mapgis编辑器”→选中“新建工程”,点击确定→出现一个“设置工程的地图参数”对话框,点击确定→弹出名为“定制新建项目内容”对话框,选中“自定义可编辑项”→把点性文件名设置为点,线性设置为线,区性设置为面→把网性文件的创建点击“取消”,再点击确定→进入编辑界面
选中左边点线面文件→点击工具栏中“矢量化”→点击装入“光栅文件”→在弹出的对话框中找到自己需要的地理底图确定→点击工具栏中的“输入线”图标,弹出造线信息对话框,可以进行线性和线颜色的修改→左键输入线,右键确定→根据地理底图进行描绘(快捷键参文后注释)→拓扑查错(自动剪断线→清除微短线→清除线重叠坐标→自动线节点平差→线转弧段→装入转换后的弧段文件→拓扑查错)→重建拓扑→修改区颜色→再插入点图元的功能下输出图名→在插入线的图元功能下给地图配图例→根据地图填充的颜色修改图例的颜色→保存点线面文件→保存工程
注释:F5 放大,F6 移动,F7 缩小,F8 加点,F9 退点,F11 改向,F12 靠近线,ctrl加右键闭合。
Mapgis制图方法及技巧目录功能键的用法 (1)生成投影经纬网 (2)图形裁剪 (4)子图 (5)线型 (6)色表 (8)功能键的用法F5放大,F6换屏,F7缩小,F8定点,F9退点,F10暂停,F11换方向,F12接点。
跟完一根线时,按Ctrl+右键,可以自动节点平差。
图签的标准尺寸:大:9(2+2.5+2+2.5)×4.9(7×0.7);小:7(1.5+2+1.5+2)×3.5(7×0.5);或:7(1.5+2+1.5+2)×3.6(6×0.6)。
图例:大:0.8×1.2;小:0.6×0.9。
Ctrl+A全选。
Ctrl++下标。
Ctrl+Shift++上标。
生成投影经纬网可生成带经纬线的方厘网。
“实用服务”—“投影变换”—“投影转换”—“绘制投影经纬网”。
“投影经纬网生成的经纬度参数输入”—度分秒/绘公里网/加绘边框/经纬标记/内边距10/外边距1/外框线宽1mm。
“角度单位”—坐标系类型(地理坐标系)/椭球参数(北京)/坐标单位(度分秒)—“确定”。
“投影参数”—坐标系类型(投影平面直角)/椭球参数(北京)/比例尺分母(如100000)/坐标单位(毫米)/投影带类型(如6度带)/投影带序号(如15)—“确定”。
“线参数”—线宽0.08—“确定”。
“点参数”—注释高度4/注释宽度4/汉字字体3—“确定”。
“确定”—“设置绘制参数”—网格类型(实线网格)/标注内容(图上坐标值或带号+公里)/绘制数字比例尺/直线比例尺(公里)/直线比例尺样式(1∶10万)/图名(输入图名)—“确定”。
图形裁剪“实用服务”—“图形裁剪”—“文件”(装入所需裁剪的文件)。
“编辑裁剪框”—“装入裁剪框”。
“裁剪工程”—“新建”—将最下面自动生成的文件全部删除。
—在结果文件名中输入裁剪后的文件名—“增加”(重复)—OK。
“裁剪工程”—“裁剪”。
mapgis生成标准图框MapGIS生成标准图框。
地图制作是GIS领域中的重要应用之一,而地图的标准图框则是地图制作中的重要元素之一。
MapGIS作为一款专业的地理信息系统软件,提供了丰富的地图制作功能,其中包括了生成标准图框的功能。
本文将介绍如何在MapGIS中生成标准图框,以及一些注意事项和技巧。
首先,打开MapGIS软件,在新建地图文档或者打开已有地图文档后,选择“制图”功能模块。
在“制图”功能模块中,可以找到“生成标准图框”的选项。
点击该选项后,会弹出一个设置窗口,用户可以在其中进行一些参数的设置。
在设置窗口中,用户可以选择标准图框的样式、大小、边框样式等参数。
MapGIS提供了多种标准图框样式可供选择,用户可以根据自己的需求选择合适的样式。
同时,用户还可以自定义标准图框的大小,以及调整边框样式的粗细和颜色等。
在设置完参数后,点击“确定”按钮,即可生成标准图框。
生成标准图框后,用户可以根据实际需求对标准图框进行进一步的调整。
比如,可以调整标准图框的位置和大小,使其更加符合地图的布局。
同时,用户还可以对标准图框的边框样式进行修改,以满足地图制作的风格要求。
除了生成标准图框外,MapGIS还提供了丰富的地图制作功能,用户可以在地图中添加各种地图要素,比如道路、河流、建筑物等。
同时,用户还可以对地图进行符号化、标注等操作,使地图更加直观、易于理解。
在使用MapGIS生成标准图框的过程中,需要注意一些事项。
首先,要根据地图的实际情况选择合适的标准图框样式和大小,保证地图制作的效果。
其次,要注意标准图框与地图要素的搭配,使整个地图看起来和谐统一。
最后,要留意标准图框的比例尺和坐标信息,确保地图的准确性和可读性。
总的来说,MapGIS作为一款专业的地理信息系统软件,提供了便捷、丰富的地图制作功能,其中包括了生成标准图框的功能。
通过本文的介绍,相信读者对MapGIS生成标准图框的方法有了更加清晰的认识,希望能够对大家在地图制作中有所帮助。
MapGIS 10 制图流程操作手册2014年5 月武汉第 1 章栅格几何校正1.1栅格数据标准图幅校正(DRG校正)流程标准图幅校正主要是对国家绘制的标准地形图进行操作。
由于早期标准地形图以纸质档保存,为便于统一管理和分析应用,将其扫描为电子地图后,可利用标准图幅校正操作,将图幅校正为正确的地理坐标的电子图幅,在标准图幅校正的过程中,不仅可以为标准地形图赋上正确的地理坐标,也可对扫描时造成的形变误差进行修正。
步骤1:影像数据入库管理在实际操作中,为便于统一管理数据,需将影像数据导入到数据库中。
可利用GDBCatalog—栅格数据集右键—导入影像数据功能实现数据的入库操作。
步骤2:启动栅格几何校正在栅格编辑菜单选择标准图幅校正功能,视图显示如下:注意:在进行标准图幅校正前,需对图幅的信息进行读取,如图幅号、网格间距、坐标系信息。
校正影像显示窗口:控制点全图浏览窗口;校正文件局部放大显示窗口:控制点确认窗口,放大在校正影像显示窗口中选择的内容;控制点列表显示窗口:显示图中控制点信息。
步骤3:根据图幅信息生成GCP控制点1、选择栅格数据在标准图幅校正设置窗口的校正图层项浏览选择栅格数据(若当前地图已添加待校正的栅格数据则可直接点下拉条选择添加),如图:2、输入图幅信息点击[下一步],设置图幅信息,如图:在“图幅信息”对话框中各参数说明如下:i.图幅号:读图输入图幅号信息。
ii.网格间距:读图输入格网间距。
iii.坐标系:读图选择选择坐标系信息。
iv.图框类型:加密框是根据图幅信息生成梯形图框,而四点框是直接生成矩形内框,加密框的精度相对较高。
此处是对1:1万的图幅进行校正,用四点框即可。
v.最小间隔:添加的控制点的相邻点间距vi.采用大地坐标:指生成的标准图幅是否采用大地坐标,若采用大地坐标,则单位为米,否则采用图幅自身的坐标单位。
3、定位内图廓点,建立理论坐标和图像坐标的对应关系。
点击[下一步],在该对话框定位内图廓点,建立理论坐标和图像坐标的对应关系。
第1章概述与安装1、1 概述MAPGIS 就是中国地质大学(武汉)开发得、通用得工具型地理信息系统软件。
它就是在享有盛誉得地图编辑出版系统 MAPCAD 基础上发展起来得,可对空间数据进行采集,存储,检索,分析与图形表示得计算机系统。
MAPGIS 包括了 MAPCAD得全部基本制图功能 ,可以制作具有出版精度得十分复杂得地形图、地质图,同时它能对图形数据与各种专业数据进行一体化管理与空间分析查询 ,从而为多源地学信息得综合分析提供了一个理想得平台。
MAPGIS 地理信息系统适用于地质、矿产、地理、测绘、水利、石油、煤炭、铁道、交通、城建、规划及土地管理专业 ,在该系统得基础上目前已完成了城市综合管网系统、地籍管理系统、土地利用数据库管理系统、供水管网系统、煤气管道系统、城市规划系统、电力配网系统、通信管网及自动配线系统、环保与监测系统、警用电子地图系统、作战指挥系统、GPS 导航监控系统、旅游系统等一系列应用系统得开发。
1、2安装1)系统要求:硬件:CPU 486 以上、16M RAM、200M 硬盘、256 色以上显示器;操作系统:Win9x、Win2000、WinNT 、WinXP或Win7系统;输入设备:本单位主要使用得就是GRAPHTEC—RS200Pro型扫描仪;输出设备:本单位主要使用得就是Canon—IPF700型出图打印机。
2) 硬件得安装:MAPGIS 硬件部分有加密狗,ISA 卡、PCI 卡三种,本单位主要为 MAPGIS USB 软件狗,在确保机器 BIOS 设置中 USB 设备未被禁止得条件下,Windows 98 与 Windows2000 自带得标准 USB 驱动程序均可支持 MAPGIS USB 软件狗工作。
3)软件得安装:MAPGIS 安装程序得安装过程为:找到 MAPGIS 系统安装软件,双击SETUP 图标,系统自动安装软件,在 WIN2000/NT/XP 下安装时,应先运行 WINNT_DRV,提示成功后才可选择SETUP 开始 MAPGIS 程序得安装;对于 MAPGIS6、1 及 MAPGIS6、5,则无关键字与安装选择 ,但须根据实际需要选择安装组件。
MAPGIS制图培训课件第一讲 MAPGIS地理信息系统的差不多功能…………………………………………1第二讲图形输入 (10)第三讲图形编辑 (15)第四讲拓扑处理及有用工具 (28)第五讲系统库编辑 (32)第六讲误差校正 (36)第七讲图型裁剪 (38)第八讲数字高程模型〔DTM分析〕 (41)第九讲图形输出 (44)第十讲数据接口转换 (47)-第一讲MAPGIS地理信息系统的差不多功能一、地理信息系统概述(一) 地理信息系统的差不多概念地理信息系统〔Geographic Information System,简称GIS〕是在运算机软、硬件支持下,采集、储备、治理、检索、分析和描述地理空间数据,适时提供各种空间的和动态的地理信息,用于治理和决策过程的运算机系统。
它是集运算机科学、地理学、测绘遥感学、空间科学、环境科学、信息科学和治理科学等为一体的边缘学科,其核心是运算机科学,差不多技术是地理空间数据库、地图可视化和空间分析。
(二) GIS的差不多功能GIS的差不多功能有:①数据采集与输入;②地图编辑;③空间数据治理;④空间分析;⑤地势分析;⑥数据显示与输出。
GIS所治理的数据要紧是二维或三维的空间型地理数据,包括地理实体的空间位置、拓扑关系和属性三个内容。
GIS对这些数据的治理是按图层的方式进行的,既可将地理内容按其特点数据组成单独的图层,也可将不同类型的几种特点数据合并起来组成一个图层,这种治理方式对数据的修改和提取十分方便。
(三) GIS与通用数据库的区别尽管数据库系统和图形CAD的一些差不多技术差不多上地理信息系统的核心技术,但地理信息系统和这两者都不同,它是在这两者结合的基础上加上空间治理和空间分析功能构成的。
GIS与通用的数据库技术之间的要紧区别有:①侧重点不同数据库技术侧重于对非图形数据〔非空间数据〕的治理,即使储备图形数据,也不能描述空间实体间的拓扑关系;而GIS的工作过程要紧处理的是空间实体的位置及相互间的空间关系,治理的要紧是空间数据。
MapGis制图过程中基本操作技巧:1 如何在MAPGIS中插入图片?先把JPG格式改成TIF格式,再在MAPGIS的输入点的命令中把右边的输入类型改成“图像”,以后的动作就跟输入注释一样了。
把JPG格式的文件转换为TIF格式的文件,在再GIS“矢量化”菜单下装入《光栅图象》就可以在MAPGIS中插入图片内容来自2 如何在MAPGIS里将1:10000的地形地质图转化为1:2000的?在误差校正中打开所有文件选整图变换(选中所有文件),x,y都放大5倍保存3 mapgis如何描图?我刚刚开始学mapgis,我们扫出来的图是tif格式的,是他们手绘的。
在mapgis中打不开,我们得把手绘的地质图草图描出来请问怎么办?要详细说明问题补充:我问的就是怎么画线扫描完的图了tif格式的但是在mapgis中打开就是条纹状的不是我们的图。
copyright 进mapgis 图形处理)____输入编辑_____ 先把图装进去(矢量化_装入光删文件____)....然后就打开工具箱,点输入线就ok了嘛.....对着描饿或者在mapgis上面一排菜单中点线编辑___输入线...4 请问怎样将mapgis文件转换成CAD文件?在"文件转换"中,装入所有点线文件(区转不了),存DXF文件GIS公园-GIS专业网站mapgis转CAD可以在"文件转换"模块里装入要转换的图形,然后输出成CAD就可以了一般用GIS方式输出,也可以用别的方式copyright mapgis输出打印设置设置:GIS公园-GIS专业网站一:Windows输出copyright Windows输出时,由于具体的Windows打印机驱动程序和打印机硬件本身所带的内存大小的限制(一般激光打印机可能是1MB),所以可能会遇到下列情况:1、打印的成果图丢失图元。
解决的办法:在WINDOWS输出的打印机设置菜单命令下,点击"属性",进入属性设置对话框,并在图形菜单下的图形方式中选择"使用光栅图形",确定生效后退出即可。
实验报告
课程:计算机地图制图专业:
班级:
学生姓名:
学号:
指导教师:
指导教师职称:
完成时间:
实验项目列表
实验报告撰写及批改说明
1.实验报告格式要求统一采用实验报告用纸。
实验报告中的计量单位、制图、
制表、公式、缩略词、符号应符合国家的规定。
2.实验报告内容包括:
1)实验项目名称;
2)实验组号;
3)组内其他成员姓名;
4)目的要求;
5)仪器用具:仪器名称及主要规格(如包括量程、分度值、精度等)、用具名
称;
6)实验原理:简单但要抓住要点,即要写出依据原理的公式名称、公式表
达式、公式中各物理量的名称、公式成立的条件等;
7)实验内容:具体内容因课程由各指导老师具体规定。
设计性实验由学生
自主提出实验步骤或方案、结论等;
8)数据表格:画出数据表格(写明物理量和单位);
9)数据处理及结果(结论):按实验要求处理数据;
10)讨论:对实验中存在的问题、进一步的想法等进行讨论。
3.学生按实验项目撰写实验报告,所有实验项目完成后,填写实验项目列表,
并装订成册,由实验室保存。
4.指导教师按实验项目批改,填写成绩及教师评阅意见,并在实验项目列表中
填写成绩,课程实验全部完成后,填写课程实验总成绩。
第一部分MapGIS图像校正实验
1.进入“图像处理 -> 图像分析”系统,加载给定的扫描图像。
2.选取“镶嵌融合 -> 控制点信息/控制点浏览”。
3.使用“镶嵌融合”增加控制点,具体包括:
(1)“镶嵌融合 -> 删除所有控制点”先删除已有控制点。
(2)计算图像四个内图框点的地理坐标,并增加四个控制点。
(3)在图像四个图框上每隔一个方里网格选取一个控制点,在图像内部均匀选取方里网格交点作为控制点。
(4)“镶嵌融合 -> 保存控制点文件”,将控制点保存到单独的文本文件中,以便下次使用。
文件命名为:图像名称+“_”+控制点.gcp。
(5)“镶嵌融合 -> 校正参数”,设置如下校正类型:
4.“镶嵌融合 -> 预览校正参数”,查看效果。
5.“镶嵌融合-> 图像精矫正”,校正后的文件命名为:图像名称+“_”+校
正.msi。
6.整理实验结果:
本部分实验生成1个图像文件,文件名为:图像名称+“_”+校正.msi。
第二部分MapGIS图像矢量化实验
1.进入“图形处理 -> 输入编辑”系统。
2.创建一个新工程,命名为:班级+“_”+学号+“_”+姓名.mpj。
3.配置工程的地图参数。
坐标系类型:投影平面坐标系
投影类型:横向墨卡托投影
椭球体:海福特椭球体
坐标单位:码
投影带:3度投影带,
带号:根据给定的图像进行计算。
4.由菜单“设置 -> 参数设置”,将符号显示置为还原显示。
5.创建地图要素层。
1)了解要素的地图符号
本次图像矢量化工作需要矢量化如下主题要素:地块(面状,包括建筑高密度区和建筑低密度区)、交通线路(线状,包括道路和铁路)、水域(面状)、水系(线状)、等高线(线状)、高压线(线状)和标注(点状)。
每个要素在地图中的符号参加下图:
2)创建要素图层
在“工程内容面板”中点击右键,新建1)中所规定的7个图形文件,并保存工程。
创建好的地图要素文件如下图所示:
3)面的矢量化:
对地块进行矢量化,将建筑物分为高密度区与低密度区。
将地块进行拓扑重建转为面要素
对水域进行矢量化。
将水域进行拓扑重建转为面要素
4)拓扑创建的步骤如下:
①将线文件改为可编辑状态。
②“其它 -> 自动剪断线”,将相交线剪断。
③“其它 -> 清除微短线”,将剪断后的小线段清除。
④“其它 -> 自动线结点平差”。
⑤“其它 -> 线拓扑错误检查”,对弹出窗口中的错误依次进行修改。
⑥“其它 -> 线转弧段”,创建弧段文件,并按要求对其进行命名。
⑦“工程内容面板”点击右键,“添加项目”,将转换后的弧段文件加入,
设置该弧段文件为可编辑。
⑧“其它 -> 拓扑重建”,生成区。
5)线的矢量化
对交通路线进行矢量化,分为主干道路(双实线),次干道路(双虚线),小路(单虚线),以及铁路(绿色轨道线)。
对水系进行矢量化
6)添加个人信息,图框,图例,比例尺,指北针,经纬格网等。
7)对制作好的地图进行工程输出,保存为JPEG格式的图片。