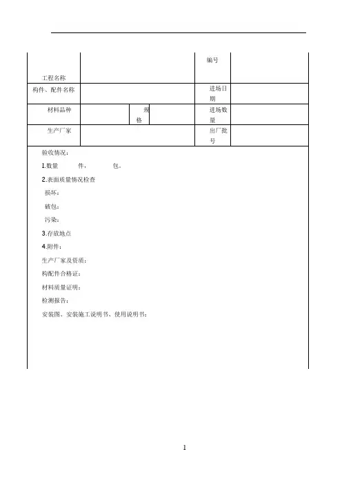
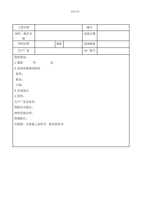
附录C 临时建筑工程质量验收记录表
- 格式:docx
- 大小:13.31 KB
- 文档页数:2
附表临时工程验收记录表正式版
附表3临时工程验收记录表
标段:施工单位:监理单位:
验收结论:
验收组负责人签名:
日期:临时工程规划选址意见书
危大工程验收记录表(基坑工程)
隐蔽工程验收记录表
Q/CSG表BJ2—1 编号:TGY—GYZF —001
隐蔽工程验收记录表
Q/CSG表BJ2—1 编号:TGY-GYZF-002
隐蔽工程验收记录表
Q/CSG表BJ2-1 编号:TGY-GYZF-003
隐蔽工程验收记录表
Q/CSG表BJ2—1 编号:TGY—GYZF —004
隐蔽工程验收记录表Q/CSG表BJ2-1 编号:TGY-GYZF-005
隐蔽工程验收记录表
Q/CSG表BJ2—1 编号:TGY-GYZF —006
隐蔽工程验收记录表Q/CSG表BJ2—1 编号:TGY-GYZF-007
注:本表一式二份,监理单位、施工单位各一份。
注:本表一式二份,监理单位、施工单位各一份。
注:本表一式二份,监理单位、施工单位各一份。