煤炭检测行业采样相关表格汇总
- 格式:doc
- 大小:471.40 KB
- 文档页数:16
号钻孔岩芯回次鉴定表共页第页自检:互检:组检:_________矿区____________井田(煤矿)_______号钻孔岩芯鉴定表共页第页岩石名称:野外镜下_______________矿区_______________井田(煤矿)_______ 号钻孔综合成果表共页第页整理人:校对:审核:日期:年月日瓦斯采样记录表送样时间:年月日煤芯样品瓦斯自然解吸原始记录表计算人:审核人:(签字)送样说明书注:工业分析指Mad、Ad、Vdaf、焦碴特征四项。
煤灰分析指SiO2、Fe2O3、Al2O3、CaO、MgO、SO3、TiO2、K2O、Na2O、MnO2____________矿区____________井田(煤矿)水样送样单采样:检查:送样:____________矿区____________井田(煤矿)岩(土)样采取标签采样:检查:送样:日期:年月日_________矿区_____________井田(煤矿)______号钻孔岩(土)送样表送样人:联系电话:开孔验收书钻机:你钻机准备施工的钻孔,地质、水文、工程及其它有关人员现场开孔验收情况如下:开孔验收综合结果:项目负责人:钻机机长:甲方监理:甲方代表:年月日开孔通知书号孔钻机经云南省煤田地质局________________________项目部研究决定:号孔定位准确,钻机情况良好,安全措施得当,钻具配备齐全,准予开孔。
钻探负责:鉴定员:项目经理:项目部年月日__________号孔开孔须知你单位钻机的施工准备工作已经结束,可在年月日开始施工,施工工作请严格按钻孔预想柱状上的技术要求进行外,须注意以下几个方面的问题:1、本矿区钻孔的验收评级,严格按行业标准《煤炭地质勘探钻孔质量标准》MT/T 1042-2007的有关规定进行。
2、为了顺利施工,提高钻孔质量,请就有关问题提高钻孔煤、岩芯采取率,请采取相关技术措施和管理措施提高采取率,加强钻机操作人员的责任心,尤其是在钻孔施工进入煤系地层后。
煤层的采样方案表格篇一:煤质采样记录表及采样方法太原市环境保护局文件并环办发[20XX] 21号签发:戈新文关于加強煤质监测的紧急通知各城区环保直属分局、市环境监察支队、各有关单位:为从源头控制燃煤污染,改善环境空气质量,依据《太原市燃煤污染防治规定》(市政府令第45号),决定对市区范围内燃煤锅炉的煤质进行监督监测,现将有关要求通知如下:一、检查重点和调查的内容检查重点:①锅炉房的锅炉总容量在10吨以上(含10吨);②煤质情况界线不清楚。
调查内容:①燃料使用单位名称和供货单位全称②供货单位供货合同、供货量和燃料分析报告二、煤质分析项目和具体采样要求(一)煤质项目:干燥基全硫含量(%),干燥基灰分含量(%)。
(二)采样和分析要求:1、采样方法:采样方法:在同一批进煤的煤堆选择其中一堆采样,不同批次的进煤可以采集各批次煤堆的样品,但必须标明进煤时间以区分同一单位的不同批次样品,为了取得有代表性的样品,每个煤堆采样时首先在煤堆的前后左右和上部五个位置各取部分样品,采样深度为15-20厘米,将五个位置采集的样品集中混合均匀后取其中1千克样品作为分析样品。
采样器具可以是不含煤质硫分干扰物质的工具,如铁锹等。
采样容器可以是塑料袋、塑料瓶等不含煤质硫分干扰物质的容器。
每个样品采集后须做好采样记录并同样品一起保存。
2、样品的交接:煤质样品采集后由采样人员负责在最短时间送交,样品交接须填好交接记录(见附件一,煤质监督监测采样和交接记录表)。
3、样品的制备和分析:样品制备和分析应严格按照国家标准规定方法进行,样品制备要注意不同样品间交差污染,样品制备及分析工作应在最短时间内完成。
4、监测质量保证:为保证煤质监测工作的质量和具有代表性,煤质监测工作中,参加煤质监测工作的工作人员必须严格规定进行采样、制备和分析工作,对每个样品从采样、分析到报出结果的监测实行全过程质量控制,采样记录和分析记录须两人以上签字,每批样品应按比例分析平行样和质控样,监测结果三审三校后方可报出,以保证监测结果的准确、可靠。
表5.1 瓦斯抽采工程施工记录表5.2 瓦斯抽采本煤层钻孔施工记录表5.3 瓦斯抽采参数测定记录表5.4 瓦斯抽采泵站记录审核:技术员:交班记录人:接班记录人:附录6表6.1 瓦斯抽采工程年度统计表表6.2 瓦斯抽采量年度统计表89表6.3 瓦斯抽采逐月预测预报表单位:矿10附录7表7.1 瓦斯抽采设备台帐单位:矿年封孔器、孔板流量计、放水器等。
主管: 负责人: 制表人:表7.2 瓦斯抽采工程管理台帐单位:矿人:表7.3 本煤层瓦斯预抽钻孔施工台帐单位:矿年人:表7.4 本煤层瓦斯预抽钻孔抽采统计台帐单位:矿年主管: 负责人: 制表人:附录8瓦斯抽采工程设计、竣工报告目录内容及效果分析表格式1 、瓦斯抽采工程设计文件及竣工报告目录内容:(1)概述。
包括矿井瓦斯抽采工程设计编制依据、工程设计简介、矿井概况(地理概况、矿井地质构造、含煤地层及煤层、瓦斯等级、瓦斯含量情况、井田水文地质简述等基础资料、矿井开拓、开采概况)。
(2)矿井瓦斯储量计算、可抽量及抽采量预测。
(3)矿井瓦斯涌出量预测计算。
包括煤层瓦斯主要参数(实测值),即瓦斯风氧化带深度、煤层瓦斯压力、煤层瓦斯含量、煤中残存瓦斯含量、煤的孔隙率、瓦斯含量分布梯度、煤层透气性系数、百米钻孔瓦斯流量及其衰减系数、瓦斯放散初速度和采用分源预测法对矿井瓦斯涌出量,回采、掘进及采区工作面瓦斯涌出量进行预测计算。
(4)矿井瓦斯抽采的必要性和可行性分析。
包括矿井瓦斯来源分析、瓦斯抽采的必要性、瓦斯抽采的可行性、瓦斯抽采效果预计。
(5)矿井瓦斯抽采方法选择。
包括瓦斯抽采的方法选择、矿井瓦斯抽采系统的选择、瓦斯抽采参数的确定、封孔方式和材料及工艺。
(6)矿井瓦斯抽采系统的管路、设备布置及选型。
包括瓦斯抽采管路布置及选型计算、瓦斯抽采设备布置及选型、瓦斯抽采对管路和设备的要求。
(7)矿井瓦斯抽采工程和施工进度指标及工期预计。
(8)矿井瓦斯抽采安全技术措施。
包括瓦斯抽采系统和瓦斯抽采泵站。
目录全水分(方法B) (2)总水分 (3)全水分(方法A) (4)水分 (6)灰分 (7)挥发分 (8)热容量标定记录 (9)苯甲酸质控记录 (10)全硫 (11)全硫(红外法) (12)氢(电量法) (13)氢(红外法) (14)碳 (15)煤灰熔融性 (16)黏结指数 (17)氟 (18)氯(自动滴定) (19)氯(手动滴定) (20)砷 (21)汞 (22)磷 (23)可磨性指数 (24)铬、镉、铅 (27)哈氏可磨性指数一元线性回归方程建立记录 (28)全水分(方法B)测定开始时间:年月日时分第页共页电子天平仪器编号干燥箱试验人_____________________ 依据标准 GB/T 211- 复核人_____________________总水分测定开始时间:年月日时分第页共页电子天平仪器编号干燥箱试验人_____________________ 依据标准复核人_____________________全水分(方法A)第页共页工业分析测定开始时间:年月日时分第页共页试验人:复核人:水分测定开始时间:年月日时分第页共页电子天平鼓风干燥箱设备编号通氮干燥箱试验人______________________ 依据标准 GB/T 212- 复核人______________________电子天平快灰仪设备编号马弗炉试验人______________________依据标准 GB/T 212- 复核人______________________测定开始时间:年月日时分第页共页电子天平仪器编号马弗炉试验人___________________依据标准 GB/T 212- 复核人___________________热容量标定记录苯甲酸质控记录测定时间:年月日时分第页共页电子天平量热仪仪器编号量热仪试验人______________________ 依据标准 GB/T 213- 复核人 _____________________全硫测定开始时间:年月日时分第页共页电子天平仪器编号测硫仪试验人____________________依据标准 GB/T 214- 复核人____________________全硫(红外法)测定时间:年月日时分第页共页电子天平仪器编号测硫仪试验人____________________依据标准GB/T 25214-2010 复核人____________________氢(电量法)测定开始时间:年月日时分第页共页电子天平碳氢仪仪器编号碳氢仪试验人_____________________ 依据标准 GB/T 476- 复核人_____________________氢(红外法)测定时间:年月日时分第页共页电子天平仪器编号测氢仪试验人_____________________ 依据标准 GB/T 30733- 2014 复核人_____________________碳测定开始时间:年月日时分第页共页电子天平碳氢仪仪器编号碳氢仪试验人_____________________ 依据标准 GB/T 476- 复核人_____________________煤灰熔融性测定开始时间:年月日时分第页共页电子天平箱式电阻炉仪器编号灰熔融仪试验人____________________依据标准 GB/T 219-2008 复核人____________________黏结指数测定开始时间:年月日时分第页共页电子天平箱式电阻炉仪器编号黏结指数测定仪试验人_______________________依据标准GB/T 5447- 复核人_______________________氟测定开始时间:年月日时分第页共页电子天平水解炉仪器编号离子计试验人_____________________ 依据标准 GB/T 4633- 复核人____________________电子天平水解炉仪器编号电位滴定仪试验人__________________ 依据标准 GB/T 3558- 复核人__________________电子天平水解炉仪器编号电位滴定仪试验人__________________ 依据标准 GB/T 3558- 复核人__________________电子天平仪器编号原子吸收分光光度计试验人_____________________ 依据标准 GB/T 3058- 复核人_____________________电子天平仪器编号测汞仪试验人____________________依据标准 SN/T3511- 复核人____________________磷测定开始时间:年月日时分第页共页电子天平仪器编号分光光度计试验人_____________________ 依据标准 GB/T 216- 复核人_____________________可磨性指数测定开始日期:年月日时分第页共页仪器编号_____________________ 试验人依据标准 GB/T2565- 复核人粒度分析测试开始日期:年月日时分第页共页堆积密度(小容器)填表人:复核人:铬、镉、铅测定开始时间:年月日时分第页共页电子天平箱式电阻炉仪器编号原子吸收分光光度计试验人__________________ 依据标准 GB/T 16658- 校核人__________________哈氏可磨性指数一元线性回归方程建立记录测定日期:年月日时分第页共页仪器编号_____________________ 试验人依据标准 GB/T2565- 复核人。
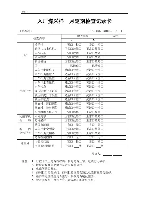
附件4 入厂煤采样 月定期检查记录卡检查人:注意: 1、行程开关上是否有积煤,信号是否正常,电缆有无破损。
2、限位行程开关要检查是否有煤块阻挡;3、电磁阀是否漏油。
4、控制柜门要关好门。
控制柜接线是否凌乱电缆槽盒是否盖好。
5、柜内的电缆槽盒是否盖好,接线是否凌乱整齐。
6、检查结果在□内打“√”,异常项在备注里注明。
工作票号: 工作日期:2010年 月 日检查内容 检查结果 备注 A BPLC 端子排 紧□ 松□ 紧□ 松□通讯(与上位机) 正常□故障□ 正常□故障□运行状态 正常□故障□ 正常□故障□ 输入模块 正常□故障□ 正常□故障□输出模块 正常□故障□ 正常□故障□卫生 已清理□ 已清理□行程开关 大车行走限位1 灵活□卡涩□ 灵活□卡涩□大车行走限位2 灵活□卡涩□ 灵活□卡涩□小车行走左限位 灵活□卡涩□ 灵活□卡涩□小车行走右限位 灵活□卡涩□ 灵活□卡涩□小车读点 灵活□卡涩□ 灵活□卡涩□液压缸提升上限位 灵活□卡涩□ 灵活□卡涩□液压缸提升下限位 灵活□卡涩□ 灵活□卡涩□液压缸读点 灵活□卡涩□ 灵活□卡涩□回旋料斗返回到位 灵活□卡涩□ 灵活□卡涩□回旋料斗接料到位 灵活□卡涩□ 灵活□卡涩□车位检测光电开关 正常□损坏□ 正常□损坏□同翻车机 连 锁 采样完毕正常□故障□ 正常□故障□ 允许采样 正常□故障□ 正常□故障□柜 内空气开关 是否有跳闸 有□ 无□ 有□ 无□大车行走变频器 正常□故障□ 正常□故障□ 小车行走变频器 正常□故障□ 正常□故障□是否有烧糊的 有□ 无□ 有□ 无□液压站 电磁阀接线 紧□ 松□ 紧□ 松□ 电磁阀线圈阻值 正常□ 欧 正常□ 欧。
发热量测定实验原始记录样品编号设备状态样品名称室温、湿度℃、%RH样品状态检验日期检验标准GB/T213-2008《煤的发热量测定方法》使用设备(编号、型号及名称)F-05、 LE104E、电子分析天平化验:校核:第页共页()含碳量测定实验原始记录样品编号设备状态样品名称室温、湿度℃、%RH样品状态检验日期检验标准GB/T212-2008《煤的工业分析方法》使用设备(编号、型号及名称)F-05、LE104E、电子分析天平化验:校核:第页共页样品编号设备状态样品名称室温、湿度℃、%RH样品状态检验日期检验标准使用设备(编号、型号及名称)F-05、LE104E、电子分析天平化验:校核:第页共页样品编号设备状态样品名称室温、湿度℃、%RH 样品状态检验日期检验标准GB/T214-2007《煤中全硫的测定方法》使用设备(编号、型号及名称)F-05、 LE104E、电子分析天平T-13 、KSS-2、库伦测流仪化验:校核:第页共页工业分析(灰分)测定实验原始记录样品编号设备状态样品名称室温、湿度℃、%RH样品状态检验日期检验标准GB/T212-2008《煤的工业分析方法》使用设备(编号、型号及名称)F-05、LE104E、电子分析天平化验:校核:样品编号设备状态样品名称室温、湿度℃、%RH 样品状态检验日期检验标准GB/T212-2008《煤的工业分析方法》使用设备(编号、型号及名称)F-05、LE104E、电子分析天平化验:校核:样品编号设备状态样品名称室温、湿度℃、%RH样品状态检验日期检验标准GB/T212-2008《煤的工业分析方法》使用设备(编号、型号及名称)F-05、LE104E、电子分析天平化验:校核:第页共页工业分析(全水分)的测定实验原始记录样品编号设备状态样品名称室温、湿度℃、%RH 样品状态检验日期检验标准GB/T211-2007《煤中全水份的测定方法》使用设备(编号、型号及名称)F-05、LE104E、电子分析天平T-02、DGG101、电热鼓风干燥箱化验:校核:第页共页碳氢测定实验原始记录样品编号设备状态样品名称室温、湿度℃、%RH样品状态检验日期检验标准GB/T476-2008《煤中碳和氢的测定方法》使用设备(编号、型号及名称)F-05、LE104E、电子分析天平第页共页。
表格目录煤堆表面人工采样装船煤堆分层人工采样煤炭采样记录-火车载煤人工采样煤炭采样记录-汽车载煤人工采样卸煤过程中煤堆人工采样移动煤流机械化采样机采设备巡查记录移动煤流人工采样静止煤机械化采样驳船载煤表面人工采样煤炭采样记录-粒度分析样品采集驳船签封记录液态石油产品油船取制样记录液态石油产品岸罐取制样记录取样现场记录表煤堆表面人工采样第页共页委托单位车次/港方编号报验重量/t 首号品名尾号采样地点采样日期开始时间结束时间采样天气依据标准GB 475-2008标称最大粒度/mm 最小子样质量/kg > 采样人员计划采样方案制定人:采样情况位置子样数/个袋数/袋总样质量/kg一层二层三层四层五层累计垛位及垛形图:实检重量为 (吨) ,年月日时分,由实检重量来源提供。
记录人:备注:填表人:审核人:装船煤堆分层人工采样第页共页垛位品名采样日期采样时间相关信息垛形图煤炭状态子样数/个袋数/袋质量/kg 采样人员采样位置/层分层高度/m子样间距/m采样位置/层分层高度/m子样间距/m采样位置/层分层高度/m子样间距/m采样位置/层分层高度/m子样间距/m采样位置/层分层高度/m子样间距/m累计备注:填表人:审核人:火车载煤人工采样第 页 共 页填表人: 审核人:委托单位 车次/首尾号 报验重量/t 采样天气采样地点 采样日期 港方/电厂编号 依据标准 GB 475-2008标称最大粒度/mm最小子样质量/kg> 煤炭状态描述采样方式 □火车顶部采样 □新卸煤堆表面采样 □装后煤堆新工作面采样采样人员 计划采样方案制定人:采样情况单 元 1 2 3 — 品 名 — 采样位置 — 开始时间 — 结束时间 — 单元重量/t 子样数/个 袋数/袋 总样质量/kg采样位置描述 用“√”标出第一个采样点位置□火车顶部 □新卸煤堆表面 □装后煤堆新工作面1 4 7 10 132 5 8 11 143 6 9 12 151 3 5 7 92 4 6 8实检重量来源 实检重量(吨)为 , 年 月 日 时 分由提供。
煤炭行业地质工程勘查常用监理表格煤炭地质工程监理规程(4.1和4.3条款)4 矿产资源勘查4.1 煤炭资源勘查4.1.1监理工作依据4.1.1.1国家及有关部门颁发的煤炭地质勘查法律、法规、规范、规定、预算标准等。
4.1.1.2 由中国煤田地质总局批准的原各省煤田地质局的质量验收细则。
4.1.1.3 煤炭地质勘查监理合同。
4.1.1.4 煤炭地质勘查合同。
4.1.1.5 勘查设计及批复意见。
4.1.1.6 勘探施工过程中形成的其他方案变更及会议纪要。
4.1.2监理工作4.1.2.1编制监理规划和专业监理细则。
确定关键工序,关键工序原则上应包括:地面物探参数试验、地面物探资料处理、现场测井、抽水试验、封孔。
4.1.2.2主持召开周工地例会,全面了解项目各方及各专业的质量、进度及技术问题,对存在的问题讨论解决方案。
编制周工地例会会议纪要。
编制周监理工作简报,向建设单位呈报项目质量、进度及技术问题,提出监理意见。
4.1.2.3质量控制1、事前控制⑴审查勘查设计并形成监理意见。
对于批准的勘查设计,在熟悉资料的过程中,对设计存在的问题形成监理意见。
⑵协助建设单位选择施工单位。
审查分包单位资质并形成监理意见报建设单位批准。
⑶审查施工单位提交的项目总体施工组织设计或施工方案。
专业监理工程师审查专业施工组织设计或施工方案及单项工程施工方案。
2、事中控制⑴过程质量控制工程施工中根据各单项工程的不同特点及情况进行不同监理控制方法。
针对各单项工程的不同实际情况,制定相应的质量控制措施。
①对关键工序进行旁站监理。
②对设计变更提出监理意见并报建设单位批准。
⑵工程验收质量控制单项工程质量:专业监理工程师验收施工单位自检后的单项工程质量。
项目野外工程质量:协助建设单位组织施工、监理等单位共同验收。
监理单位提出监理意见。
3、事后控制审核综合报告编制质量并向委托方提交质量评价监理报告。
4.1.2.4 进度控制1、审核施工组织中关于施工进度计划及施工方案。
煤矿检测采样点的选择
1、粉尘定点采样点的选择
表4 粉尘定点采样点的选择
2、温度采样点选择
进行高温检测时,作业场所无生产性热源的,选择3个测点,取最大值;存在生产性热源的,选择3~5个测点,取最大值。
作业场所被隔离为不同热源环境或通风环境的,每个区域内设置2个测点,取最大值。
常年从事高温作业的,选择在夏季最热月测量;不定期接触高温作业的,选择在工期内最热月测量;作业环境热源稳定时,每天测3次,工作班开始后及结束前0.5h分别测1次,工作班中间测1次,取最大值。
3、噪声采样点选择
工作场所声场分布均匀(测量范围内A声级差<3dB(A)),选择3个测点,取最大值。
工作场所声场分布不均匀时,应将其划分若干声级区,同一声级区内声级差<3dB(A),每个区域内,选择2个测点,取最大值。
主要检测点有矿井主要通风机、局部通风机、风动凿岩机、风镐、煤电钻、乳化液泵、采煤机、掘进机、带式输送机等工作地点。
表格目录煤堆表面人工采样装船煤堆分层人工采样煤炭采样记录-火车载煤人工采样煤炭采样记录-汽车载煤人工采样卸煤过程中煤堆人工采样移动煤流机械化采样机采设备巡查记录移动煤流人工采样静止煤机械化采样驳船载煤表面人工采样煤炭采样记录-粒度分析样品采集驳船签封记录液态石油产品油船取制样记录液态石油产品岸罐取制样记录取样现场记录表煤堆表面人工采样第页共页委托单位车次/港方编号报验重量/t 首号品名尾号采样地点采样日期开始时间结束时间采样天气依据标准GB 475-2008标称最大粒度/mm 最小子样质量/kg > 采样人员计划采样方案制定人:采样情况位置子样数/个袋数/袋总样质量/kg一层二层三层四层五层累计垛位及垛形图:实检重量为 (吨) ,年月日时分,由实检重量来源提供。
记录人:备注:填表人:审核人:装船煤堆分层人工采样第页共页垛位品名采样日期采样时间相关信息垛形图煤炭状态子样数/个袋数/袋质量/kg 采样人员采样位置/层分层高度/m子样间距/m采样位置/层分层高度/m子样间距/m采样位置/层分层高度/m子样间距/m采样位置/层分层高度/m子样间距/m采样位置/层分层高度/m子样间距/m累计备注:填表人:审核人:火车载煤人工采样第 页 共 页填表人: 审核人:委托单位 车次/首尾号 报验重量/t 采样天气采样地点 采样日期 港方/电厂编号 依据标准 GB 475-2008标称最大粒度/mm最小子样质量/kg> 煤炭状态描述采样方式 □火车顶部采样 □新卸煤堆表面采样 □装后煤堆新工作面采样采样人员 计划采样方案制定人:采样情况单 元 1 2 3 — 品 名 — 采样位置 — 开始时间 — 结束时间 — 单元重量/t 子样数/个 袋数/袋 总样质量/kg采样位置描述 用“√”标出第一个采样点位置□火车顶部 □新卸煤堆表面 □装后煤堆新工作面1 4 7 10 132 5 8 11 143 6 9 12 151 3 5 7 92 4 6 8实检重量来源 实检重量(吨)为 , 年 月 日 时 分由提供。
记录人:备注:汽车载煤人工采样第页共页委托单位船名报验重量/t 采样天气采样地点采样日期汽车载重/t 依据标准GB475-2008标称最大粒度/mm 最小子样质量/kg >煤炭状态描述业务类型□集港□疏港□出库□到场采样方式□装后煤堆新工作面采样□新卸煤堆表面采样□汽车顶部采样采样人员计划采样方案制定人:采样情况采样单元序号 1 2 3 4 累计品名开始位置开始时间结束时间单元重量/t总车数/车子样数/个袋数/袋总样质量/kg采样位置描述(用“√”标出第一个采样点的位置)□装后煤堆新工作面□新卸煤堆表面□汽车顶部采样1 4 72 5 83 6 9顶部腰部底部实检重量来源实检重量(吨)为,年月日时分,由提供。
记录人:备注:填表人:审核人:卸煤过程中煤堆人工采样第页共页填表人:审核人:委托单位船名/车次报验重量/t 首号煤种尾号采样地点采样日期采样天气依据标准标称最大粒度/mm 最小子样质量/kg>煤炭状态描述采样方式描述采样人员计划采样方案制定人:采样情况采样单元序号累计垛位单元重量/t开始时间结束时间采样间隔子样数/个袋数/袋垛形及采样位置示意图:实检重量来源实检重量(吨)为,年月日时分,由提供。
记录人:备注:移动煤流机械化采样第 页 共 页填表人: 审核人:委托单位 车次/港方编号 报验重量/t 首 号 船名/泊位 尾 号 采样地点 采样日期采样天气 依据标准 GB/T 19494-2004采样人员标称最大粒度/mm计划采样方案制定人:采样情况采 样 情 况 单 元 1 2 3 4 5 累计 垛 位 — 品 名— 采样系统 — 样品粒度/mm — 采样间隔/s — 开始时间 — 结束时间 — 单元重量/t 子样数/个 总样质量/kg 袋 数/袋垛 形 图实检重量来源 实检重量(吨)为 , 年 月 日 时 分,由提供。
记录人:备注:机采设备巡查记录委托编号:第页,共页船名/车次日期巡查部位初级采样器破碎机各级缩分器溜槽样品收集器斗提机时间采样系统设备运行采样操作时间采样系统设备运行采样操作:□正常□故障□清罐□弃样□清样□装车:□正常□故障□清罐□弃样□清样□装车:□正常□故障□清罐□弃样□清样□装车:□正常□故障□清罐□弃样□清样□装车:□正常□故障□清罐□弃样□清样□装车:□正常□故障□清罐□弃样□清样□装车:□正常□故障□清罐□弃样□清样□装车:□正常□故障□清罐□弃样□清样□装车:□正常□故障□清罐□弃样□清样□装车:□正常□故障□清罐□弃样□清样□装车:□正常□故障□清罐□弃样□清样□装车:□正常□故障□清罐□弃样□清样□装车:□正常□故障□清罐□弃样□清样□装车:□正常□故障□清罐□弃样□清样□装车:□正常□故障□清罐□弃样□清样□装车:□正常□故障□清罐□弃样□清样□装车:□正常□故障□清罐□弃样□清样□装车:□正常□故障□清罐□弃样□清样□装车:□正常□故障□清罐□弃样□清样□装车:□正常□故障□清罐□弃样□清样□装车:□正常□故障□清罐□弃样□清样□装车:□正常□故障□清罐□弃样□清样□装车:□正常□故障□清罐□弃样□清样□装车:□正常□故障□清罐□弃样□清样□装车:□正常□故障□清罐□弃样□清样□装车:□正常□故障□清罐□弃样□清样□装车:□正常□故障□清罐□弃样□清样□装车:□正常□故障□清罐□弃样□清样□装车:□正常□故障□清罐□弃样□清样□装车:□正常□故障□清罐□弃样□清样□装车:□正常□故障□清罐□弃样□清样□装车:□正常□故障□清罐□弃样□清样□装车:□正常□故障□清罐□弃样□清样□装车:□正常□故障□清罐□弃样□清样□装车:□正常□故障□清罐□弃样□清样□装车:□正常□故障□清罐□弃样□清样□装车设备故障备注:巡查人:移动煤流人工采样第页共页填表人:审核人:委托单位船名报验重量/t 品名采样地点采样日期采样天气依据标准GB475-2008标称最大粒度/mm 最小子样质量/kg煤炭状态描述采样方式描述采样人员计划采样方案制定人:采样基□时间基□质量基采样情况采样单元 1 2 3 4 5 累计采样间隔—开始时间—结束时间—现场估算重量/t子样数量/个总样质量/kg袋数/袋实检重量及来源实检重量(吨)为,年月日时分,由提供。
记录人:备注:静止煤机械化采样第页共页填表人:审核人:委托单位批煤标识报检重量/t 采样天气品名采样日期车数/车依据标准GB/T 19494.1-2004 煤种组成平均每车载重/t采样人员标称最大粒度/mm <计划采样方案制定人:采样系统工艺及参数采样情况采样情况单元 1 2 累计品名—采样系统—样品粒度/mm —采样间隔/s —开始时间—结束时间—单元重量/t子样数/个总样质量/kg袋数/袋实检重量来源实检重量为,年月日时分,由提供。
记录人:备注:驳船载煤表面人工采样第页共页填表人:审核人:委托单位船名报验重量/t 采样天气采样地点采样日期品名依据标准GB475-2008标称最大粒度/mm 最小子样质量/kg煤炭状态描述采样方式描述采样人员计划采样方案制定人:采样情况采样驳船/部位批量/t 开始时间结束时间实采子样数/个袋数/袋累计---- ----采样布点示意图实检重量来源实检重量(吨)为,年月日时分,由提供。
记录人:备注:粒度分析样品采集委托编号:第页共页委托单位采样日期报验重量/t 车次/港方编号采样地点/垛位煤种标称最大粒度/mm 最小子样质量/kg > 开始时间结束时间依据标准GB 475-2008 采样天气采样方式□煤堆分层采样□大煤堆表面采样□小煤堆表面采样□其他采样人员计划采样方案制定人:采样情况位置子样数/个袋数/袋质量/kg一层二层三层四层累计子样分布示意图:实检重量为 (吨),年月日时分,由实检重量来源提供。
记录人:备注:填表人:审核人:驳船签封记录单委托编号:驳船名:日期:货物名称:地点:大舱盖小舱盖洗舱盖观察孔泵阀1P1S2P2S3P3S4P4S5P5S6P6S船左侧进出口阀:大船名:提单数:大船数:船右侧进出口阀:驳船收货数:备注:_________________ ________________ 大副鉴定师地址:广州市南沙区环市大道北19号燃料综合楼2楼电话:39002177,传真39002177液态石油产品油船取制样记录Liquid Petroleum Product Oil Tanker Sampling Record委托号No. 品名Cargo 委托人Applicant 报检重量Weight 装货港 Loading port 卸货港Dis. port 船名Vessel泊地Port/Terminal 各 舱 载 量舱号Tank No.12345678910 货物(容积、重量) Volume/WeightSC P取样和 样 品混制 Sampling / Mixing Sample取样标准Standard : ASTM D 4057—95 取样时间Sampling Date : 年Year 月Month 日Day 天气Weather :□晴Sunny □阴Cloudy □雨Rainy 舱号Tank No.1 2 3 4 5 6 7 8 9 10 取样舱/取样数量 SamplingTank/Sampling QuantityS C P1、取样舱的确定:装载舱少于4个全部取;4个以上取不少于4个。
2、单舱组合样:从单舱中抽取三个液面以上的点样,按比例混合后得到代表性样品。
单舱取样量=该舱载量×3000/取样舱总载量 (mL )3、多舱组合样:把各单舱组合样按比例混合而成的代表性样品。
总量不少于3000mL ,经过混制后分装约1000mL 作为保留样,约2000mL 作为测试样。
4、其它说明:陪同客户Accompanied By时间Date/Time检验人员Surveyor审核人Auditor检测人员Labassistant样品保管员 Sample Keeper大副: 鉴定师:Master/Chief Officer________________________ Chief Surveyor________________________液态石油产品岸罐取制样记录 Liquid Petroleum Product Shore Tank Sampling Record委托号No. 品名Cargo 委托人Applicant 重量Weight合同号Contract No.产地Production Area储油罐号Shore TankNo.No.No.No.No.No.No.油罐储油量(容积 /重油罐座落地点Location取样标准Sampling Standard取 样 和 样 品 混制 Sampling / Mixing Sample取样 Sampling 时间Date : 年Year 月Month 日Day 天气Weather : □晴Sunny □雨Rainy □阴Cloudy各罐按上、中、下层1:1:1比例取样,所取样品按各罐拟装量比例配制检验用样品。