农村危房改造农户纸质档案表
- 格式:xls
- 大小:17.00 KB
- 文档页数:1
**省()农村危房改造农户档案姓名:_______________单位:镇(乡、街)村—组农村危房改造档案目录一、农村危房改造申请表1二、身份证、户口本、贫困类型复印件2三、村民大会或村民代表大会评定记录表3四、危房改造对象认定表4五、农村危房改造申报审批表5六、农村危房改造协议书7七、危房改造工程质量安全承诺书8八、农村危房改造技术指导检查记录表9九、农村危房改造竣工验收表10十、“住房安全有保障”认定表12十一、房屋改造前中后照片及公示、资金拨付等证明材料13.镇(乡、.村—组.年—月—日街)贫困类型 复印件村民大会或村民代表大会评定记录表批注M3]:讲清申请人身份、家庭困难情况、危房等级等情况批注[24]:填写提示:前房屋情况、家庭困难情况、是否唯一住房等评议情况进行描述,对同意、不同意人数和意见进行描述,对改造方式、面枳、是否改变建房地点、补助申请数额等建议进行描述.危房改造对象认定表批注∣J5]:由县级扶贫、民政、残联部门认定身份是否符合批注[J6]:房屋信息必须齐全批注(J7J:危险部位、情况标注清楚批注∣J8]:等级必须标注清楚()农村危房改造协议书甲方:镇(乡、街)政府乙方:危房改造户_________________________甲方同意乙方在年度实施危房改造,为明确双方责任,确保改造工程如期保质保量完成,双方就有关事项协议如下:1、乙方必须按拟建计划,确保在年月底完成改造主体工程及配套工程。
2、乙方改造房屋工程选址必须符合村庄规划和节约土地原则,选址安全、地基坚实。
建设资金由乙方自筹为主,国家适当补贴。
3、乙方必须从家庭实际出发,量力而行,控制建设面积和标准,不宜超标准建设,举债建设。
4、乙方必须高度注意改造工程的质量和安全:严格执行施工标准,改造后房屋基础要牢靠,结构要稳定,强度满足要求,抗震构造措施齐全、符合规定;使用质量合格的建筑材料;施工操作规范。
5、乙方改造后房屋必须配备卫生厕所,具备简单安全用电设施,并安全拆除危房,建新必须拆旧。
年镇(乡)“农村危房改造工程”花名册
填写说明:农户贫困类型是指①因灾倒房户;②五保户;③低保户;④残疾人;⑤重点优抚对象;⑥其他农村贫困户等六种类型,请填写序号。
— 12—
农村危房改造农户纸质档案表
— 13 —
瓦房店“农村危房改造工程”建设项目申请表
— 14—
乡(镇、街道办事处)村危房
改造户名单公示
C级危房改造名单:
D级危房改造名单:
共计户。
以上户经村民代表大会讨论、评议确定,名单现公示,如对公示名单有异议,请自公示之日起七日之内向村委会提出建议,或以电话形式与镇政府联系。
联系电话:
村委会盖章
年月日
— 15—
危房改造协议书
甲方:(乡、镇、街道办事处)
乙方:(危房改造户)
根据村组(危房户)申请及村委会审核意见,经研究同意对自住房进行危房改造,改造形式为,补助金额为元。
工期要求在年月底前完工。
工程完工后,经乡镇人民政府验收合格,报瓦房店市危房改造领导小组审批后由市财政局拨付危房改造补助资金。
此协议甲乙双方各执一份。
甲方(镇、乡长):(公章)
乙方(危房户):
年月日— 16—
危房改造用户须提供资料明细
1.危房改造户身份证复印件
2.危房改造户户口本复印件
3.危房改造户房屋产权证复印件
4.危房改造户房屋土地使用证复印件
5.危房改造户五保(低保)证件复印件
— 17—
农村居民()住宅用地审批表
城市规划区外
编号:
6、村委会存档— 18—
瓦房店“农村危房改造工程”建设项目竣工验收
— 19—。
附件2河北省农村贫困户危房分户情况调查登记表地址情况
设区市县(区)乡(镇)村民委员会村民小组农户情况家庭人数民族农户贫是否贫困残
困类型疾人家庭上年家庭
年纯收入旧住房建造年代旧住房建筑面积旧住房结构类型农户联系电话进度情况改造后房屋面积改造后列入计批准开工竣工日是否已房屋产权划年度日期日期期经验收户主姓名农户情况
身份证号拟改造情况
改造原因改造方式
资金情况
享受补助
总投资中央省级
资金类型补助补助市县补助农户危房
改造贷款农户自筹其它资金是否申请实施建筑节能建设方式改造后房屋
结构类型
建筑节能示范情况
建筑节能内容预计建筑节能
增加的投资注:1.调查表中进度、资金和建筑节能示范等情况可暂不填,待确认纳入危房改造后填写;
2.为房改前照片另附。
处于危险场地或属于D级危房的提供整栋房屋照片,C级危房提供整栋照片和危险局部照片。
照片要有固定参加物。
3.农户贫困类型:从五保户、低保户、贫困户中只选一种。
4.旧住房结构类型:从砌体结构、生土结构、木结构、其他中只选一种。
5.建设方式:从自建、统建中只选一种。
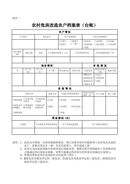
附件一
农村危房改造农户档案表(台帐)
说明:1、此表为全国统一内容的基础档案表,填入对象为每年经批准列入农村危房改造的 农户。
表格内容由乡(镇)负责具体填入,然后逐级上报
2、此表分为改造前填报内容和改造后填报内容,填报过程中要根据农户具体情况将 已能确定的内容如实填报,对暂不能确定的内容可在所需信息确定后再填入。
3、所填内容如有对应选项的在对应选项□内打√
4、D级危房为我省评定的一级危房;C1级危房为我省评定的二级危房;C2级危房为
我省评定的三级危房。
农危改户照片。
附件1农村危旧房信息登记表所属乡(镇)(盖章):备注:本表一是三份,村、镇、县各存档一份。
- 1 -附件2农村危旧房拆除协议书(此协议书为参考,可根据实际需要完善协议内容)为贯彻落实党的十九大关于实施乡村振兴战略的决策部署,充分保障群众生命财产安全,防止房屋安全事故发生、切实改善农村人居环境,美丽乡村环境,决战决胜脱贫攻坚。
为规范危旧房拆除行为,顺利按期完成拆除工作,经乡(镇)人民政府与农户共同协商,双方签订协议如下:一、房屋信息户主姓名(身份证号:)在村屯有闲置危旧房座,结构,共层,总面积㎡;附属小房座,结构,层,总面积㎡。
其他附属物个,总面积㎡。
二、房屋拆除户主本人经与全体家庭成员商讨,全家同意拆除上述存在安全隐患的闲置房屋,选择(□自己组织拆除,□由政府帮助拆除)方式,保证在签订本协议之日起十日之内完成拆除内容达到验收效果;保证做到将所有房屋建筑及附属设施整体性拆除,包括生活用房、生产用房、院落围墙、棚圈设施等。
拆除施工方负责将拆除产生的建筑垃圾按要求分类整齐堆放、不随便丢弃影响环境卫生和安全,负责将场地平整整齐并排除拆除后的安全隐患。
利用生土砖将退出的宅基地复垦为耕地,复垦的耕地由户主本户管理耕种。
三、拆除验收- 2 -完成拆除工作后,由农户、代拆除方与乡(镇)人民政府工作人员现场验收,确认拆除成果。
验收合格的,验收人员签字完善验收合格的材料。
县住房安全保障指挥部对各乡镇拆除危旧房验收合格的情况进行抽检验收。
四、违约责任1.根据“群众自愿”原则,群众自愿按期拆除的要在协议书上签字。
2.拆除施工队要确保拆除危房作业安全,做好施工人员安全生产培训,场地警戒维护,未完成拆除工作无关人员禁止进入施工场地。
3.农户不按质、按量、按期完成拆除任务的,将来因危房造成一切伤害损失由农户承担。
六、其他本协议书一式三份,具有同等法律效力,房主、乡(镇)人民政府各执一份,报县住房安全保障战役指挥部一份。
乡(镇)人民政府(盖章):农户签字(手印):2020年月日 2020年月日- 3 -附件3南丹县危旧房拆除农户花名册填表说明:1.安全状况、拆前照片、拆中照片、拆后照片打“√”或“X”;2.用途:填住房、闲置空房、禽畜圈养房、工具房、其他- 4 -。
镇 201 年危房改造田户档案田户姓名:村委会:镇村田户种类:身份证号:目录1.危房改造申请报告2.危房改造评论票3.公示4.公示影像资料5.乡村危房改造田户建(修)房申请表6.乡村危房判定表7.判定人资格证书8.申请人身份证明9.申请人五保低保证明资料10.危房改造补贴协议11.危房改造施工合同书12.危房改造安全责任书13.危房改造工程建设项目完工查收表14.乡村危房改造最低建设要求查收表危房改造申请报告各级领导:我系镇村村民,全家人,于年修建房子,约平方米,因为房子老旧亟待修复,给生活造成极大的不便,现欣闻政府的危房改造惠民政策,恳请村委及镇政府实时核查民情,帮助向上司申请赐予危房改造救援为盼,特此申请。
此致敬礼申请人:年月日村委建议(加盖公章)201年危房改造评论票评论代表(党员民众)姓名性别年纪身份证号码家庭人口田户贫穷种类旧房建筑年月旧房面积上年家庭收入能否为残疾人家庭注意事项1.参加评论人员依据村两委代理人介绍的基本状况进行脚踏实地、客观公正的评论。
2.基本状况介绍:包含户主姓名、性别、年纪、家庭人口、粮食收入、副业收入和其余经济收入,人均收入多少元等。
评论结果1.以上供给内容能否真实:(是否)2.能否赞同该户列为201年危房改造照料范围:(是否)说明:本评论票采纳无记名方式公示经自己申请及村党员议事会和民众议事会研究,决定将以下家庭作为201 年度危房改造补贴家庭,公示期为三天,公示时间为201 年月日至 201 年月日,凡对公示名单存心见者,请以书面或口头形式向村委会反应,也可向镇办公室反应。
招待时间:每日8:00 — 12:00村民小组户主姓名身份证号田户贫穷种类备注镇村委会201年月日危房改造村公示影像资料县乡村危房改造田户建(修)房申请表县:乡镇(街道):村民委员会:村民小组:户主姓名身份证号民族家庭人口田户贫穷种类旧住宅结构种类□分别奉养五保户□低保户□其余贫穷户能否为贫穷□是残疾人家庭□否旧住宅建筑面积(平方米)上年家庭旧住宅建年纯收入造年月(元 )田户联建设□自建系电话方式□统建申请意向改造后房子建筑面积(平方米)□新建改造□无房改造□维修原由□危房方式□其余原由总投资(万元)改造后房屋结构类砖混结构型自筹资本申请补贴资(万元)金(万元)经检查,上述状况真实。
海南省 2020 年 4 类重点对象农村危房改造任务分配表序号市县名称1海口市2三亚市3儋州市4文昌市5琼海市6万宁市7五指山市8东方市9昌江县10临高县11屯昌县12白沙县13定安县14澄迈县15乐东县16陵水县17保亭县18琼中县19洋浦合计任务数其中 : 建档立卡备注未脱贫户数59000782327700000025015068071147711003901201121110042464农村危房改造农户档案目录序号资料名称1农户申请书2申请人基本信息表3农户申请审批表4危房改造对象认定表5身份证、家庭户口薄及 4 类重点对象证件复印件6任务分配结果在村(居)委会、镇政府公示资料及照片7建设规划许可证复印件或相关备案资料8施工人员信息表9建筑工匠培训证明材料10工程质量安全巡查记录表11危房改造前、中、后三张照片12海南省农村危房改造进度确认表13农户个人“一卡通”账号复印件及补助资金发放证明材料14建房备案书15农村危房改造竣工验收表16改造任务完成情况在村(居)委会、镇政府公示资料及照片17施工协议(或承诺书)各市县可根据实际情况增加相关内容海南省农村危房改造申请人基本信息表填表日期:年月日户主姓名性别身份证号码联系电话户主相片住址镇村(居)委会村建档立卡贫困户□低保户□对象类别贫困残疾人家庭□农村分散供养特困人员□姓名年龄与户主身份证号码工作单位及关系职业家庭主要成员情况村(居)委会(公章)核实意见时间:年月日镇政府(公章)审核意见时间:年月日填写说明: 1. 申请对象要按要求认真、如实填写。
填写必须字迹工整,内容齐全,严禁漏项,严禁涂改,并使用纯黑或碳素墨水书写。
2. 村(居)委会、镇政府调查核实后签署意见并加盖公章。
海南省农村危房改造农户申请审批表填表日期:年月日户主姓名危房等级C级□ D 级□改造方式原址(拆除)重建□异地重建□修缮加固□改造(新建)结构类型框架□砖混□砖木□木结构□改造(新建)占地面积楼层22面积( m)( m)补助标准(元)经村民民主评议会议讨论,于年月日至月日在申请人所在村(居)民委员会公示,公示后无异议,建议列入危房改造补助对村委会受理意见象,我们将督促其按质按时完成改造任务。
农村危房改造档案乡(镇)村、组名称:户主姓名:农村危房改造申请表说明:1、结构类型指砖混、砖木、砖(石)拱型及其他;2、改造方式指新建、改扩建、修缮。
农村危房现状调查表说明:1、贫困类型指分散供养五保户、低保户、其他贫困户;2、结构类型指砖混、砖木、土木、砖(石)拱型及其他;农村危房改造审批表乡(镇)村组(户主姓名)农村危房改造图片资料改造户姓名:1、改造前房屋照片2、改造中房屋照片3、改造后房屋照片危房屋改造协议书甲方:乡(镇)人民政府乙方:乡(镇)村委会丙方:(改造户)村组(姓名)为保障民生,改善农村人居环境,根据省、市危房改造工作有关规定和要求,现就丙方危房改造协议如下:一、甲方责任:1、负责村庄建设规划的监督管理。
2、负责危房改造方案的制定、执行。
3、负责工程质量、安全和进度,在县区建设主管部门的指导下开展工作。
4、负责水、电、路的协调。
5、调处有关方面的纠纷。
二、乙方责任:办理甲方安排的危房改造中的相关事项。
三、丙方责任:1、按照甲方制定的危房改造方案办事,服从规划管理、质量安全管理和技术指导。
2、为工程开工建设创造必要条件。
本协议一式三份,甲、乙、丙三方各执一份,自签字之日起生效。
甲方(盖章):乙方(盖章):丙方(盖章):改造户签字年月日危房改造施工协议甲方:乡(镇)人民政府负责人:乙方:负责人:为明确职责,确保(农户姓名)危房改造工程结构质量安全,经甲乙双方协商,达成以下协议,共同遵守执行。
一、工程概况:1、工程地点:2、结构类型:3、工程规模:间平方米4、改造方式:(集中建设、分散建设)二、甲方责任:负责既定规划的执行,监督工程进度及质量,负责协调处理现场存在的问题,保证乙方施工顺利进行。
三、乙方责任:1、年月底前完成工程建设的所有工程量。
2、服从甲方和县(区)建设局的监督检查和技术指导。
3、按照设计图纸施工,严格执行国家建设工程技术标准、规范,保质保量完成本项工程。
4、遵守甲方制定的施工安全管理和现场管理规定,文明、安全施工。
2013年全国扩大农村危房改造试点农户纸质档案表县乡(镇)2013年月日地质情况农户情况村民委员会村民小组户主姓名身份证号农户情况家庭人数民族农户贫困类型是否贫困残疾人家庭上年家庭年纯收入农户联系电话旧住房建造年代旧住房建筑面积旧住房结构类型改造情况进度情况改造原因改造方式建设方式改造后房屋结构类型改造后房屋面积改造后房屋产权列入计划的年度批准日期开工日期竣工日期2013年资金情况建筑节能示范情况享受补助资金类型总投资各级政府补助资金农户危房改造贷款农户其他自筹资金是否建筑节能示范户建筑节能示范内容建筑节能增加的投资中央补助1照片(至少有一张照片包含户主正面肖像)改造前照片(无房户外必填)改造中照片(必填)改造后照片(必填)22013年河南省农村危房改造农户建(修)房申请审批表县:滑县乡(镇):村:户主姓名民族家庭人口上年家庭年纯收入身份证号是否为贫困残疾人家庭□是□否旧住房建造年代农户贫困类型□分散供养五保户□低保户□其他贫困户旧住房结构类型旧住房建筑面积(平方米)改造后房屋结构类型建设方式□自建□统建农户联系电话改造原因□无房□危房□其它原因改造方式改造后房屋建筑面积(平方米)申请意愿□新建□维修总投资(万元)自筹资金(万元)补助资金(万元)维修内容□屋顶维修□墙壁维护□粉刷内外墙壁( 平方米) □换门窗□铺水泥地面村委会评议意见经调查,上述情况属实。
其本人已按质按时完成施工任务,同意对其新建(修缮)房屋进行补助。
单位(盖章)调查人:村主任: 2013 年月日乡镇审核意见经调查和评审,上述情况属实,建议补助其新建(修缮)住房。
单位(盖章)村镇建设发展中心主任:乡(镇)长: 2013年月日县农村危房改造领导小组办公室审批意见经调查、审核,上述情况属实。
经研究同意对其新建(修缮)房屋进行补助,共安排补助资金元。
调查人:单位(盖章)村镇股长:住建局负责人: 2013年月日说明:1、旧住房结构类型:茅草房,泥草房,土窑,土坯、夯土房(无立柱),砖、石等简易砌体结构(无砖柱、构造柱,无圈梁等),竹木、木结构,砖木、石木、土木结构(木框架),砖混结构(有砖柱或构造柱,有圈梁等),钢筋混凝土结构,轻钢结构,其它结构。
编号:县(市)危改房 [20 ] 号甘南藏族自治州农牧村危房改造户档案(试行)户主姓名:家庭住址:县(市)镇(乡)村联系电话:甘南藏族自治州住房和城乡建设局制二〇一六年十月甘南州农牧村危房改造户档案表1甘南州农牧村危房改造申请表甘南州农牧村危房改造户档案甘南州农牧村危房改造户档案表2甘南州农牧村危房质量安全鉴定报告甘南州农牧村危房改造户档案甘南州农牧村危房户改造档案表3甘南州农牧村危房改造审批表甘南州农牧村危房改造户档案甘南州农牧村危房改造协议书甲方:乡镇人民政府(以下简称甲方)乙方:自然村(组、社) (以下简称乙方)丙方:乡镇行政村(以下简称丙方)根据住房和城乡建设部、省、州、县(市)有关做好农牧村危房改造工作的通知,经个人自愿申请,村委会调查公示,乡(镇)政府审核,县(市)住建局审批,确定乡(镇)行政村自然村(组、社)农牧户为年农牧村危房改造对象,补助标准为元,为明确甲乙丙三方的权利义务和责任,特签订本协议:一、甲方的权利义务和责任1、向乙方和丙方及时提供危房改造集中建设总体规划和单体设计。
2、在乙方施工过程中,协同丙方不定期对工程进度和质量进行督促、检查,对乙方建房施工给予技术指导。
3、在乙方工程竣工时,及时对工程进行初步验收。
4、配合建设部门,乙方工程开工前拨付补助资金元,建设任务完成60%时拨付补助资金元,工程竣工验收后拨付补助资金元,若验收不合格,将不能拨付剩余补助资金。
甘南州农牧村危房改造户档案5、甲方要按照《甘肃省农村危房改造资金管理办法》的要求,将补助资金以“一折通”或“一册明”的形式发给乙方。
二、乙方的权利义务和责任1、改造时必须按照甲方提供的总体规划和单体设计进行建设施工,不得随意变更规划设计要求。
2、在危房改造时要选用有资质的施工队伍并且按照甲方提供的建筑图纸及建设标准进行施工,不得偷工减料,使用不合格建筑材料进行施工。
3、在改造时要保证工程质量,符合《甘肃省农村危旧房改造工程建设技术导则》的要求,必须要有上下圈梁、构造柱、强拉筋,按照工程强制性规范进行施工。
农村危房改造“一户一档”卷宗封面乡(镇)村组户档案目录1. 房屋危险等级鉴定材料。
2.申请农村危房改造和抗震安居工程资金补助申请书。
3.农村危房改造户审批表。
4. 经公示后无异议的公示和文件,以图片形式留存。
5.证明材料。
6.与改造户签订的建房协议。
7.农户“一户一方案”8.农村危房改造抗震防灾选址审核表9.农村危房改造农户档案信息表。
10.危房改造检查验收表11.农村危房改造新建、兜底、加固最低建设要求验收表12.农危改补助资金发放证明材料。
13.后附村级评议会议记录及签到册附件1农村危房认定报告建议表格附件2农村危房改造和抗震安居工程项目实施资金补助申请人民政府:本人在有一幢结构的房屋,按照云南省住房和城乡建设厅编制印发的《农村危房认定指南(试行)》有关标准,该房屋已鉴定为级整体危房(或无房户),本户决定对房屋进行(原址翻建、修缮加固、政府兜底)。
由于家庭贫困,于此,特向人民政府提出申请,请求上级有关部门给予我户农村危房改造和抗震安居工程资金补助。
附:申请人身份证(户主)、户口本复印证申请人:(签名、手印)年月日备注:房屋改造方式必须本户认定的等级,并在改造方式位置用“√”勾出来。
附件3D级危房分为拆除重建、修缮加固2种;C级危房为修缮加固;4.危房结构:茅草房、土坏房、夯土房、木结构、石结构、砖木结构、砖混结构;5.危房等级:C级(局部危房)、D级(整体危房)、无房户;6.重建住房结构:木结构、砖木结构、砖混结构、框架结构、钢结构、土木结构等;7.接受过其他渠道的建房补助资金:选填“无”或具体金额;8.此表由县建设部门保存,乡镇留存1份附件4公示结果证明危房户,位于房屋,该户向人民政府提出申请,并于年月日通过村委会评议(要求附评议记录及会议签到册),我村委已于年月日至年月日在本村委上墙公示,公示期天,在公示期间,没有人提出书面异议。
特此证明村委会(盖章)年月日附件5证明现有,是五保户(低保户或其他贫困户)。
基本信息表地址市(区)镇(街)村(社区)组农户情况户主姓名身份证号家庭人数贫困类型上年家庭年纯收入旧住房建造年代旧住房建筑面积旧住房结构类型联系电话改造情况进度情况危房等级改造方式建设方式改造后房屋结构类型改造后房屋面积列入计划年度批准日期开工日期竣工日期是否验收资金情况总投资其中省市补助农户贷款农户自筹备注:1、贫困类型:建档立卡贫困户、低保户、农村分散供养特困人员、贫困残疾人家庭等四类;2、危房等级:C级、D级;3、改造方式:修缮加固、拆除重建等;4、建设方式:自建、统建5、材料时间逻辑要准确(户申请——村评议、公示——乡审核、公示——审批:批准时间——开工时间——竣工时间)。
竣工验收合格后,要在30日内拨付资金。
1编号:____________ _____(市、区)年农村危房改造纸质档案目录___________镇(乡)____________村(居)委会____________村民小组姓名____________资料名称1、基本信息表2、危房改造申请书3、户主身份证复印件、户口簿复印件4、村村民会议(村民代表会议)记录5、乡(镇)确定危房改造对象会议记录(复印件)6、危房改造对象认定表7、农村危房改造申请审批表8、危房改造对象(村、乡镇)公示照片9、农村危房改造三方协议书10、___(市、区)农村建筑工匠培训表11、农村危房改造现场质量安全检查记录表12、农村危房改造工程质量检查竣工验收表13、资金拨付凭证14、级住房城乡建设部门农村危房改造对象竣工验收及资金分配情况镇、村两级公示证明15、五保证(分散供养证明)、低保证、残疾证、建档立卡贫困户证明等相关材料及证件复印件16、改造前、中、后照片备注:—2 —危房改造申请书村(居)委会:我是村民小组的村民,全家____口人,是(建档立卡贫困户、低保户、农村分散供养特困人员、贫困残疾人家庭),居住房屋建于___年,平方米,结构(土木结构、砖木结构、砖土混杂结构、木结构、石木结构、砖混结构),该房屋存在安全隐患,由于家庭经济困难,没有能力对房屋进行改造,恳请村委会将我家危房纳入国家农村危房改造补助范围。
黑龙江省住房和城乡建设厅关于印发黑龙江省农村危房改造纸质档案规范文本的通知文章属性•【制定机关】黑龙江省住房和城乡建设厅•【公布日期】2011.08.29•【字号】黑建村[2011]32号•【施行日期】2011.08.29•【效力等级】地方规范性文件•【时效性】现行有效•【主题分类】村镇建设正文黑龙江省住房和城乡建设厅关于印发黑龙江省农村危房改造纸质档案规范文本的通知(黑建村[2011]32号)各市(行署)、县(市)建设局(建委、规划局):国家农村危房改造试点由原28个县(市)已扩大到全省各县(市、区),为强化对危房改造工作的管理,按期完成国家下达给我省的农危房改造任务,我省制定了《黑龙江省农村危房改造档案规范文本》,现印发给你们,请各地设专人按《文本》的内容建立健全农村危房改造纸质档案和电子档案,有序推进农村危房改造工作。
附件:农村危房改造卷宗文本二O一一年八月二十九日附件:农村危房改造卷宗文本县(市、区)201 年农村危房改造卷宗乡村档案(示范文本)县(市、区)住房和城乡建设局黑龙江省住房和城乡建设厅制目录1、农户危房改造申请书2、农村房屋安全鉴定报告3、农户贫困证明4、危房改造农户公示证明5、乡村建设规划许可证6、危房改造协议7、农村危房改造审批表8、农村危房改造农户档案信息表9、农村危房改造验收备案表农村危房改造申请书镇(乡)人民政府:我是村组村民,全家口人,全部挤着居住在近平方米的一座(泥草房、土坯房等)房,该房屋建于年代,几经修缮虽能维持居住,但随时都有倒塌危险,经鉴定,存在严重的安全隐患,属D(或C)级危房。
现向人民政府申请,希望将我户纳入危房改造项目,以得到政府的支持,我户将按照有关部门要求认真建设符合标准的新农房。
目前。
我户已经自备了部分建房材料,并平整了新的地基,望上级给予尽快批准为谢!特此申请。
申请人:二O一一年月日农村房屋安全鉴定报告鉴定单位(盖章):鉴定人:农户贫困证明我村村民家庭口人,住房条件差,经济条件贫困、年人均收入元,是我村贫困户。