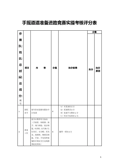
车站手摇道岔作业时间标准
- 格式:docx
- 大小:160.48 KB
- 文档页数:30
运营分公司运营事故处理规则1 范围本标准描述了深圳市地铁有限公司运营分公司(以下简称分公司)在运营中发生事故时的处理原则、事故分类、事故通报、事故责任调查、判定和处理以及统计分析和总结报告等。
本标准适用于分公司运营事故处理工作。
2 引用标准中华人民共和国国务院令第493号《生产安全事故报告和调查处理条例》Q/SZDY 0032-2007 《深圳地铁行车组织规则》(D版)Q/SZDY 0019—2007 《运营分公司安全生产责任制(暂行)》(B版)4 总则4.1 为了及时正确处理地铁运营事故,维护地铁运营秩序,减少事故损失,贯彻“安全第一、预防为主、综合治理”的方针,使地铁更好地服务社会,制定本标准。
4.2 凡在正线、辅助线、车厂线及运营分公司所属管辖范围内由于地铁自身原因造成人员伤亡、设备损坏、经济损失、中断行车、火灾或其它危及运营安全的情况,均构成运营事故。
由于不可抗力、社会治安等非地铁责任原因产生后果的均不列入地铁运营事故统计范围。
4.3 发生运营事故,应采取积极措施,迅速组织救援处理,尽快恢复运营,尽量减少事故损失。
4.4 处理事故要以事实为依据,以国家法律、法规和分公司规章制度为准绳,坚持“四不放过”的原则,认真调查分析,查明原因,分清责任,吸取教训,制定对策。
对事故责任者,应根据事故性质和情节,予以批评教育、经济惩罚、行政处分直至追究法律责任。
并根据事故性质、情节的严重性,按有关规定逐级追究责任。
4.5 分公司安全管理委员会是地铁运营事故调查处理的主管机构,负责组织一般事故的调查分析和定性、定责及处理工作。
根据事故调查需要成立的运营事故调查处理组在分公司安全管理委员会领导下开展具体的调查分析工作及提供定性、定责及处理建议。
4.6 较大事故以上的调查处理根据中华人民共和国国务院令第493号《生产安全事故报告和调查处理条例》及省、市、公司有关规定进行调查处理。
当事故调查交由上一级部门或地铁公司负责时,分公司积极做好协作配合工作。
车站手摇道岔作业时间标准车站手摇道岔作业是指车站的工作人员通过手动操作车站内道岔机构,调整和改变铁路轨道的布置,以实现列车的分道和合道等功能。
这项作业对于确保铁路运输的安全和顺利具有重要意义。
为了规范车站手摇道岔作业,确保作业质量和效率,并最大限度地减少人为的错误和事故,制定相应的时间标准是非常必要的。
一、车站手摇道岔作业的时间标准是指在规定的作业流程和要求下,完成一次手摇道岔的操作所需的合理时间。
根据车站道岔设备的性能和要求,以及作业人员的操作经验和技能水平,制定出合理的时间标准,既可提高作业效率,又可保证操作质量和安全。
二、车站手摇道岔作业时间标准的依据主要包括以下几方面内容:1. 道岔类型:不同类型的道岔在操作上有所差异,因此作业时间也会有所不同。
一般来说,常见的道岔类型包括侧线道岔、进站道岔、出站道岔等。
不同类型的道岔操作难度和时间短长也不一样,需要根据实际情况进行时间标准的制定。
2. 道岔位置:道岔的位置决定了作业的难度和影响范围,因此也会对作业时间标准产生影响。
比如,位于车站主线区段的道岔与位于车站侧线区段的道岔相比,前者可能受到更多列车的影响,因此作业时间可能较长。
3. 操作流程:车站手摇道岔作业一般包括准备、检查、调整、锁定等环节,在规定的作业流程和要求下进行。
不同的操作流程会影响作业时间,因此需要细化操作流程,并为每一环节制定相应的时间标准。
4. 作业人员:作业人员的操作水平和技能对作业时间的影响也是不可忽视的。
经验丰富和熟练的作业人员,通常能够更快地完成手摇道岔作业。
因此,车站应该注重培养和提高作业人员的技能水平,以提高作业效率和质量。
三、车站手摇道岔作业时间标准的制定应遵循以下原则:1. 合理科学:时间标准应基于实际条件和作业流程,既保证作业效果,又不过于苛刻,以确保操作人员能够稳定地在规定时间内完成作业。
2. 灵活适应:时间标准应根据道岔类型、位置和作业条件的不同,具有一定的灵活性和适应性,以满足不同情况下的作业需求。
安全风险卡控重点
时间间隔不准确
1.发现饮酒、精神异常人员未当即停工。
2.未做到分工明确,责任到人。
3.未针对现场环境和作业内容等,制定安全风险预控措施
作业负责人未清点量具、工具,未责任到人,遗漏或不能使用
量具误差控制允许范围以内1.使用非载客车辆或客货混装,无证驾驶。
2.行驶中违反道路交通规则。
3.单独或零散人员前往工地。
4.未取得命令号入网,防护不跟进确认,作业人员不“手比、眼看、口呼”擅自上道行走或跨越线路示图
的原因和有计划的安排修理工作。
驻站联络员、工地设现场防护员。
以上。
防护员站位不正确,对讲机信号不畅通工具、材料遗留现场和途中丢失
工具、停车信号未下道,作
业负责人提前违章下令撤出远端防护、人员未出网下令
驻站防护员撤离车站运转室1.数据不准确。
2.记录不准确、不规范。
漏项。
3.伤损未标记、标记不正确
1.单独或零散人员返回工区。
2.防护不跟进确认,作业人员不“手比、眼看、口呼”擅自上道行走或跨越线路。
3.使用非载客车辆或客货混装。
4.行驶中违反道路交通规则。
5.未锁网门
1.用错分析标准。
2.超限数据漏划、错划
未按规定处理,签认
1.材料机具随意摆放。
2.班后小结制度执行不严。
3.不良机具不修理,带病上道。
榆横铁路运营指挥部上报文件会签单榆横指生产[2015]00 号榆横铁路运营指挥部榆横指[2015]00 号关于规范手摇把使用办法的通知指挥部所属车站:为了规范、指导各站作业人员在非正常情况下正确使用手摇把准备接发车进路,根据《技规》第237条、西安局《行规》第9条有关规定,现就手摇把使用及进路准备方法补充如下:1.使用手摇把转换道岔,必须在道岔区段轨道电路故障、道岔失去定反位表示、停电等情况,控制台(屏蔽)不能操纵道岔时方可进行。
2.使用手摇把前,必须在《行车设备检查登记簿》或《行车设备施工登记簿》上按规定登记设备故障或施工情况。
3.使用手摇把时,无论电务人员在不在现场,车站值班员均应使用带录音装置的电话通知电务工区人员使用原因、数量,然后按西安局《行规》第11条规定在《行车设备检查登记簿》进行登记。
登记时,必须项目齐全,字迹清晰,按规定签认,车站值班员会同有关人员签认后,方可启封开锁,取出使用。
4.使用人领取手摇把时,应与车站值班员核对数量、编号,无误后共同在《行车设备检查登记簿》内签认。
5.转辙机遮断器开启(1)有计划施工维修作业遮断器由电务人员打开;(2)临时设备故障、停电,由使用人在手摇把箱内取出遮断器钥匙开锁,使钥匙孔盖向下方转动,确认露出手摇把孔。
6.手摇道岔方法(1)手摇道岔时,应确认道岔位置,钥匙孔盖以打开,将手摇把插入孔内,手摇转动,听到“咔嚓”的声音后再要半圈(一般是36~38圈),即表示道岔已摇到位,尖轨被锁闭。
严禁未摇到位即抽出手要把。
(2)联动道岔需手摇时,应先摇动进路上的道岔,再摇动相对应的另一副道岔。
7、转辙机遮断器一经打开,必须带故障消除后,由电务人员闭合,转辙机未闭合前仍按非正常接发车办理。
经试验后填写《行车设备检查登记簿》,恢复正常使用。
在任何情况下车站人员不得打开转辙机箱盖闭合电路。
8、在手摇道岔时发现异常情况(如不能摇动、听不到“咔嚓”锁闭声、尖轨与基本轨不密贴等),应立即停止该道岔使用,通知电务人员处理,严禁臆测行车。
整组更换道岔作业标准整组更换道岔作业标准一、作业条件1、施工封锁及开通条件:施工封锁时间180min及以上。
按规定设驻站联络员、现场防护员。
2、施工单位应配备道岔纵横向移动的滑轮、道岔岔排起落设备、拉伸器、轨缝器、齿条和液压起道机、锯轨钻孔、气割、焊接、探伤等设备,配备数量根据更换道岔情况确定。
3、施工车辆和动力配备:应配备重型轨道车、轨道吊机,轨道平车等。
配备数量根据更换道岔情况确定。
4、配备地面、作业车辆照明设备。
5、另需配备后勤保障用的汽车、材料工具车等附属车辆。
二、作业组织1、施工原则由专业大修施工队伍承担。
2、施工单位应根据大修设计文件编制施工组织设计,提前制订施工方案、安全措施和施工“三图一表”,提出开工报告、封锁计划和施工配合要求,按规定程序报公司相应处室审批。
工务处接到施工单位提报的施工组织方案和开工报告后,组织设计、施工及设备管理单位召开施工技术交底会。
3、按《营业线施工安全管理实施细则》,成立由施工所在地车务段(直属站)主管领导或指定人员任组长,行车组织、施工、设备管理及其他有关单位主管领导任组员的施工领导小组。
于开工前组织有关单位召开施工协调会和施工准备会,审定施工方案和安全措施,确定施工计划、封锁天窗、材料供应、施工列车运行、施工配合、安全监督和施工机械车辆等有关事宜;每日施工结束后组织召开施工总结会和次日施工准备会,分析施工方案、施工现场组织及安全监控等方面存在的问题,总结经验,提出整改措施,确定次日施工方案。
4、施工单位应与有关配合单位和设备管理单位签订施工安全协议,并报局工务处审查、安监室备查。
安全协议必须在提报施工计划前签订完毕。
5、施工单位应成立工地现场指挥组,负责日常施工组织指挥和协调工作。
6、施工单位按公司批准的月度施工计划向线路公司工务、调度提报日施工计划,经调度审批同意后实施,并提前一天通知各有关配合单位。
7、根据施工工作量和现场情况组织劳力,配齐现场技术、防护、管理等各岗位作业人员,相应成立道岔预铺、纵(横)移、更换、保养,旧料回收、后勤服务等班组。
====Word行业资料分享--可编辑版本--双击可删====车站道岔及站界内股道清扫作业车站道岔及站界内股道的清扫工作作为一项重要的日常养护作业。
针对其必然涉及运营设备、作业人员必须进入限界的特殊性,为确保行车和人员、设备安全,特制定以下规定:1、车站道岔的清扫作业车站行车值班员须在根据检修施工通告和相关调度命令确认无动车作业的情况下,向总调度所申请清扫车站道岔。
经总调度所同意、下放控权并下达调度命令号码,作业人员在车站登记、带好通讯工具保持与总调度所联系通畅、做好安全防护后,清扫作业方可开始。
道岔清扫作业时间一般不超过30分钟。
清扫完毕经检查确认、试验完好,车站行车值班员须立即将控权交还总调度所,同时办理注销手续。
2、车站站界内股道的清扫作业车站行车值班员须在根据检修施工通告确认无跟踪动车,且未接到总调度所临时增开列车的调度命令的情况下,于末班列车前方站开出后向总调度所申请清扫车站站界内股道。
经总调度所同意并下达调度命令号码,车站行车值班员与相邻车站联系,作业人员在车站登记、做好安全防护后(如有必要须带好通讯工具),清扫作业方可开始。
清扫作业时间一般不超过15分钟。
作业完毕必须立即向总调度所办理注销手续。
清扫股道车站行车值班员的工作程序一、确认:1、确认图定列车开行完毕;2、确认检修、施工通告中无跟踪动车;3、确认行调未下达临时增开列车的运行命令。
二、报告:1、向行调报告车站清扫股道的起止时间及清扫地点;2、向相邻两车站报告车站清扫股道的起止时间及清扫地点;3、在《检修、施工登记簿》上办理登记手续。
三、监护:1、坚守岗位,密切注意监视屏,监听无线对讲机;2、收接信息,加强防护,确保安全。
四、注销:1、股道清扫完毕后,立即在《检修、施工登记簿》上办理注销手续;2、通知行调及相邻两车站本站股道清扫作业完毕。
源-于-网-络-收-集。
一、工务1.大型养路机械清筛200—240分钟,完成400—500 m/台。
2.大型养路机械作业封锁200—240分钟,线路捣固作业完成2—2.5km/台,钢轨打磨5—6km/台,道岔脱杆捣固3—4组/2台。
3.成段铺设长轨200—240分钟。
4.成段更换砼枕及砼桥枕封锁210—240分钟,成段更换完成轨枕不少于800根。
5.整组更换道岔封锁210分钟(混凝土轨枕12#道岔及以下)。
6.道岔破底清筛封锁200—240分钟,完成道岔1—2组,线路300—500m。
7.整治路基病害封锁210—240分钟。
8.整组更换岔枕及配件封锁200—240分钟。
9.起道修及机械或人工成段起道、拨道、捣固作业(一次起道量大于40mm)封锁210分钟(站专线适当延长封锁时间)。
10.更换提速道岔尖轨、基本轨、导轨封锁120分钟,特殊道岔180分钟。
影响邻线的联动道岔时,停用临线有关信号设备,点毕前封锁临线,联动道岔调试15分钟。
11.更换普通道岔尖轨、基本轨、导轨、叉心(固定型)封锁50分钟。
影响临线的联动道岔时,停用临线有关信号设备,点毕前封锁临线,联动道岔调试15分钟。
12.更换叉心(可动心)封锁150—180分钟。
13.更换长心轨、短心轨、翼轨封锁120—150分钟。
14.普通线路单根更换钢轨封锁40分钟。
15.无缝线路单根更换钢轨封锁60分钟,同步焊接钢轨120分钟。
16.无缝线路放散、焊接封锁150分钟。
17.拉方道岔封锁120分钟。
18.道岔转辙部位和可动心部位起道捣固、改道、拨道封锁60分钟。
19.成段均匀调整轨缝封锁120分钟。
20.线路平面位置整治封锁200—240分钟。
21.更换鱼尾板封锁10分钟。
22.拆除道口封锁90分钟,道口大修封锁120—180分钟。
23.更换可动心垫板封锁90分钟。
24.桥面大修封锁180分钟。
25.整正砼梁支座、抬高或降低桥梁,封锁120分钟。
26.下承式钢梁桥面和内侧整孔喷砂除锈油漆,封锁180分钟。
昌平线车站手摇道岔作业时间标准西二旗站手摇道岔作业时间标准一、 道岔示意图二、西二旗站为昌平线南端终点站,站前设单渡线,道岔转辙机均为ZDJ9型双动转辙机。
三、 典型交路办理作业时间1、站前折返再直股发出道岔开通位置为:进站,1号道岔反位,2号道岔反位;发车,2号道岔定位。
122、接入下行站台12道岔开通位置为:1DG定位。
朱辛庄站手摇道岔作业时间标准一、道岔示意图二、道岔配置及转辙机型号朱辛庄站为昌平线七座车站中的中间站,有出入场作业。
与朱辛庄停车场间上行配置一条单渡线、下行配置一组单开道岔,联络线中部设置一组交叉渡线。
道岔转辙机均为ZDJ9型双动转辙机。
三、典型交路办理作业时间1、下行直股接车道岔开通位置为:5DG定位。
2、下行站台接出段车道岔开通位置为:5DG反位,1-3DG定位3、下行方向调车出段道岔位置为:1号,4号,6号,8号道岔反位4、上行发车道岔开通位置为:8DG定位5、上行发回段车道岔位开通位置为:8号道岔反位,6号道岔反位,2-4DG定位6、上行方向发回场调车道岔开通位置为:5DG反位,1-3DG定位沙河高教园站一、沙河高教园站道岔示意图二、道岔配置及型号高教园站为南邵集中联锁区所辖非集中站,但可接受控制权,并控制所辖道岔、进路、信号。
在向南邵出站方向设置一条库线,此外设置两副渡线、一副单开道岔,转辙机型号为ZDJ9。
三、典型作业办理时间1、下行接入直行列车17222、列车由上行站线入库173、列车由上行站线发车17南邵站一、南邵站道岔示意图12二、道岔配置及型号南邵站为昌平线1期最北端车站,属于终点站,站前设置一组渡线,采用站前折返的方式进行折返,转辙机型号为ZDJ9。
三、典型作业办理时间1、接入及发出列车1道岔开通位置为:入下行站线2号反位、1号反位,发车1号定位。
2、列车进入上行站线12。
前言《行车试题库》作为行车值班员复证考试的主要参考资料,按车站行车工作实际作业需要以及岗位技术配比,依据不同技术等级所需掌握相应行车业务知识量的不同,分为初、中、高级三个层次。
其中初级工需掌握初级部分的所有内容;中级工需掌握初、中级部分的所有内容;高级工需掌握初、中、高级部分的所有内容。
本《试题库》为第一册,随着规章制度的不断完善,新设备新技术的投入使用,《试题库》还将不断完善和补充。
一、填空: (2)(初级) (2)(中级) (12)(高级) (15)二、判断: (18)(初级) (18)(中级) (22)(高级) (23)三、选择题: (24)(初级) (24)(中级) (31)(高级) (33)四、简答 (35)(初级) (35)(中级) (60)(高级) (74)五、综合题: (82)(初级) (82)(中级) (87)(高级) (91)一、填空:(初级)1、线路主要由路基、桥隧建筑物和轨道三部分组成。
2、轨道由道床、轨枕、钢轨、联结零件、防爬设备及道岔六部分构成。
3、道岔是指使列车从一条线路转入或跨越另一条线路的连接及交叉设备.4、线路标志包括:百米标(公里标)、曲线标、圆曲线及缓和曲线的始终点标、坡度标。
5、单开道岔由转辙部分、连接部分、辙叉部分三部分组成。
6、信号标志包括:分界标、警冲标、限速标、停车位置标、预告标、警示标.7、行车备品包括:手信号灯、钩锁器、钩锁器的锁及钥匙、行车表报、手摇道岔工具、清扫道岔工具、插销电话(手台)、应急灯(手电)、站台发车牌、封锁区间表示牌、电缆门钥匙等。
8、行车表报包括:调度命令登记簿、调度命令纸、电话电报登记簿、行车日志、路票、绿色许可证、破加封登记簿、施工检修登记簿、车站行车作业登记簿、交接班登记簿、FAS运行登记薄、入洞报警登记簿、BAS运行登记簿、车站公共区域暂存物品登记簿、非运营时间进出车站登记表、车站夜间施工联保登记簿等9、信号机故障是指信号机灯光熄灭、显示不正确或不明了等,使行车人员不明确列车运行条件的现象。
电动转辙机手摇把使用操纵规程
1、电动转辙机手摇把是现场人工手摇道岔使用设备,在电动转辙机解除室内集中控制,需室外转换位置时使用。
2、车务段各站运转室根据需要配置,存放在固定地点的箱内,手摇把编号,车站人员加锁,电务人员进行加封,存放时双方确认。
3、遇有电气集中联锁设备故障、设备施工检修、道岔无联锁、非正常接发列车和调车作业使用,操作人必须是电务信号和车站指派专人负责。
4、凡使用手摇把操纵道岔,操纵人必须在车站值班员处提前办理使用登记手续。
5、车站值班员根据操纵登记向调度员进行报告并请求使用命令。
在有电务人员的车站,须双方核对确认存放箱锁后开锁、破封取出使用,无电务人员的车站,经车站值班员与操纵人进行确认后开锁、破封取出并通知电务人员后使用,电务人员得到通知,须在24小时内会同车站值班员清点用后手摇把数、核对号码进行加锁、加封存放。
6、使用手摇把操纵道岔转换位置,严格执行《维规》、《站细》规定,车务人员按照一看、二摇、三确认、四显示汇报程序
落实。
7、非正常行车时,用手摇把将道岔摇到所需位置,确认无误后,道岔须钩锁器加锁。
8、使用手摇把时,操纵人员需在《手摇把使用登记簿》内登记使用日期、使用人、编号、命令号、使用原因、地点。
用完后及时收回都要经车站、电务双方核对、登记、施封、加锁、严格保管。
、
运输部车务段
二○○九一月八日。
昌平线
车站手摇道岔作业时间标准
西二旗站手摇道岔作业时间标准
道岔示意图
二、道岔酉----- ——
西二旗站为昌平线南端终点站,站前设单渡线,道岔转辙机均为ZDJ9型双动转辙机。
三、典型交路办理作业时间
1、站前折返再直股发出
道岔开通位—道岔反位;发车,2号
道岔定位。
----- 匚----- 二-——+
室内作业时间标准
2、接入下行站台
道岔开通位置为:1DG定位。
1
朱辛庄站手摇道岔作业时间标准、道岔示意图
5
二、道岔配置及转辙机型号
朱辛庄站为昌平线七座车站
1
3
4 2
有出入场作业。
与朱辛庄停车场
间上行配置一条单渡线、下行配置一组单开道岔,联络线中部设置一组交叉渡线。
道岔转辙机均为ZDJ9型双动转辙机。
三、典型交路办理作业时间
1、下行直股接车
3
道岔开通位置为:5DG定位。
------------- 4X 2
一、、、室内作业时间标准
作业时间
作业环节
综控员1 综控员2 综控员3
1 15秒道岔故障判断与联系
2 100秒
接收调度命令
及车站控制权
进行信息报送工作
准备手摇道岔工具
明确手摇道岔作业内容
3 90秒先期处置
4 15秒
布置手摇道岔
作业内容
合计220秒
二、室外作业时间标准
1
1-4距离55米
2、下行站台接出段车
5
道岔开通位置为:5DG反位,1-3DG定位 1
4-6距离25米3-5距离130米6-8距离140米1-4距离
55米
3、下行方向调车出段
5
道岔位置为:1号,4号,6号,8号道岔反位
4、上行发车
道岔开通位置为:8DG定位3、- 1
5、上行发回段车
道岔位开通位置为:8号道岔反位,6号道岔反位,2-4DG定位
6、上行方向发回场调车
道岔开通位置为:5DG反位,1-3DG定位 1
、沙河高教园站道岔示意图
副单开道岔,转辙机型号为ZDJ9。
2
三、典型作业办理时间
沙河高教园站
二、道岔配置及型号
高教园站为南邵集中
道岔、进路、/
全口
百
号。
在向
联锁区朋辖非集中站,但可接受控制权,并控制所辖
南邵出站方向设置一条库线,此外设置两副渡线、1、下行接入直行列车
道岔间距离1-3 距离_70_米;7-5 距离100 米; 7-1 距离290 米;5-3距离150米;2—5距离110米。
2、列车由上行站线入库
作业时间
作业环节
—►
综控员2 一一、室内作业时间标准
1
Z *
T5-秒…r…匕道岔故障判断与联系
2
2 100秒
接收调度命令
及车站控制权
进行信息报送工作
准备手摇道岔工具
明确手摇道岔作业内容
3 90秒先期处置
4 15秒
布置手摇道岔
作业内容
合计220秒
二、室外作业时间标准
作业时间作业环节备注
1
375秒综控室至5号道岔处走行距离250米
2 170秒接车摇5号定位
开锁75秒
手摇操作90秒确认道岔锁闭情况手摇道岔其他人员
220秒
二、室外作业时间标准
作业时间 作业环节 备注 1
180秒
综控室至2号道岔处
走行距离150米 2 170秒 接车摇2号定位
开锁75秒 手摇操作90秒
确认道岔锁闭情况 及开通方向5秒
3 20秒 联系确认
4
10秒
综控员出至至显示手信号地点
10米
3、列车由上行站线发车
作业 时间
室内作业时间标准
综控员2 手摇道岔其他人员
15秒
道岔故障判断与联系
100秒
3 90秒 4
15秒
—2 _________ 接收调度命令 及车站控制权
进行信息报送工作 先期处置 布置手摇道岔 作业内容
准备手摇道岔工具 明确手摇道岔作业内容
合计
7
5
综控员1
南邵站
一、南邵站道岔示意图
1
二、道岔配置及型号 ________
南邵站为昌平线;期最北端车站,属于终点站,站前设置一组渡线,采用站前折返的方式进行折返,转辙机型号为ZDJ9。
三、典型作业办理时间
1、接入及发出列车
1
2、列车进入上行站线
1。