巡检路线及巡检项目
- 格式:doc
- 大小:61.00 KB
- 文档页数:7
电工日常巡检项目及内容
电工日常巡检项目及其内容包括以下几个方面:
1. 电力设备的安全和完好性检查:包括配电盘、开关柜、电缆线路、电机、变压器等各个电力设备的外观、接线情况、运行情况、漏电保护器等是否正常工作。
2. 电气设备的接地检查:电气设备的接地阻抗值符合规定,地线连接牢固。
3. 电气线路保护装置的检查:检查各电缆线路保护装置是否完好,稳定,灵敏,动作可靠。
检查继电保护装置及时动作并能够保护设备的安全。
4. 设备的通风和散热检查:检查器材工作时的温度是否正常,是否存在冒烟、发热、异响等情况。
5. 电力设备的绝缘性能检查:检查各电器设备漏电流、牵引电流、电气弧、地故和设备几何高度等方面的绝缘性能。
6. 交流输电线路检查:检查高压输电线路的电缆、巡线路、铁塔的完好情况,确认是否存在安全隐患。
7. 异常报警的接收和处理:对电气设备可能产生的故障报警进行及时接收和处理。
8. 上述检查问题的记录和报告:及时记录和报告各项检查问题,对问题及时解决并进行落实跟踪。
消防系统巡检消防系统巡检是确保建筑物内部消防设施正常运行的关键环节。
本文将详细介绍消防系统巡检的标准格式,包括巡检内容、巡检步骤和记录要求等。
一、巡检内容1. 灭火器巡检:检查灭火器的位置是否明显标识,是否在有效期内,是否有损坏或泄漏等情况。
2. 灭火器泄漏探测器巡检:检查泄漏探测器的位置是否正确,是否能正常工作,是否有损坏或过期等情况。
3. 自动喷水灭火系统巡检:检查自动喷水灭火系统的喷头是否堵塞,水流是否正常,水泵是否能正常启动等情况。
4. 消防水源巡检:检查消防水源的位置是否明显标识,水压是否正常,水源管道是否有泄漏等情况。
5. 火灾报警系统巡检:检查火灾报警系统的探测器是否灵敏,报警器是否能正常响应,报警信号是否能及时传输等情况。
6. 疏散通道巡检:检查疏散通道是否畅通无阻,标识是否清晰可见,应急照明是否正常工作等情况。
7. 防烟排烟系统巡检:检查防烟排烟系统的排烟口是否通畅,排烟风机是否能正常工作,排烟阀门是否能灵活开启等情况。
8. 防火门巡检:检查防火门的密封性能是否良好,是否能正常关闭,是否有损坏或变形等情况。
二、巡检步骤1. 准备工作:确认巡检人员的身份,佩戴好个人防护装备,携带巡检工具和记录表格。
2. 开始巡检:按照预定的巡检路线,逐一检查每个消防设施的状态。
对于每个巡检项目,仔细观察并记录相关情况,如位置、是否正常工作、是否有损坏等。
3. 发现问题:如果发现任何异常情况或设施故障,应及时记录,并尽快报告给相关部门或负责人。
4. 处理问题:对于一些小问题,巡检人员可以尝试进行简单的修复,如更换灭火器内的干粉、清理堵塞的喷头等。
对于较大的问题或需要专业维修的情况,应报告给相关部门或负责人,并按照规定流程进行处理。
5. 巡检结束:完成所有巡检项目后,巡检人员应将记录表格归档,并向相关部门或负责人提交巡检报告。
三、记录要求1. 巡检日期和时间:记录巡检的具体日期和时间,以便日后追溯。
赞助合同模板人物免费主题受赞助方:_____________________________(以下简称“受赞助方”)赞助方:_____________________________(以下简称“赞助方”)为了促进人物免费主题活动的开展,双方经友好协商,特订立本赞助合同如下:第一条合同目的本合同旨在规定双方就受赞助方组织的人物免费主题活动的赞助事宜达成协议,明确各自的权利和义务,保证双方在活动中的顺利开展。
第二条赞助内容1. 赞助方同意为受赞助方组织的人物免费主题活动提供一定数量的经费支持,用于活动的宣传、物料、场地租赁等相关费用。
2. 赞助方有权根据活动的具体情况对赞助内容进行调整,双方应积极沟通,保证活动的顺利进行。
第三条赞助金额赞助方同意为受赞助方组织的人物免费主题活动提供赞助金额为_________人民币(大写:_________元整)。
第四条赞助时间本次赞助的时间为从合同签署之日起到活动结束之日止。
第五条赞助权益1. 在活动宣传、发布的相关资料中注明赞助方名称及Logo,并在活动现场进行展示。
2. 赞助方有权对活动进行报道和宣传,受赞助方应积极配合提供相关信息和素材。
第六条税务处理本次赞助款项应按照相关税务规定支付,并严格遵守国家税收法规。
第七条保密条款双方应对因本次合作涉及的商业秘密及其他保密信息承担保密责任,未经对方同意不得向第三方透露。
第八条合同解除1. 双方一致同意解除合同的,应书面协商签署合同解除协议。
2. 在未经对方同意及合同规定的情况下,任何一方不得单方面擅自解除合同。
第九条争议解决双方如就本合同内容发生争议,应通过友好协商解决,协商不成的,应提交至有管辖权的仲裁机构进行解决。
第十条其他本合同未尽事宜,双方可通过友好协商达成一致意见,并进行书面补充。
第十一条合同生效本合同自双方签署之日起生效,有效期至活动结束之日止。
受赞助方:_________ 赞助方:_________签署日期:_____________ 签署日期:_____________以上为本次受赞助方组织的人物免费主题活动赞助合同,双方应严格遵守合同约定并履行各自的责任。
600MW电气专业日常巡检路线及标准
运行部:电气专业
一、巡检人员及路线:
电气巡检员:集控室→发变组保护室→13.7米发电机,碳刷(有卡)→发电机封闭母线微正压装置→发电机出口PT→发电机中性点接地变压器→6KV工作配电室(有卡)→汽机400VPC室(有卡)→锅炉400VPC室(有卡)→柴油发电机→直流220V,直流蓄电池→UPS室→直流110V,直流蓄电池(有卡)→6KV公用配电室(#1、#3机组)(有卡)→发电机励磁小间(有卡)→励磁变→主变群及主变出口PT(有卡)→升压站400VPC室(#1机组)→升压站500KV继保室,直流配电室及蓄电池(#1机组)(有卡)→110KV继保室(#1机组)(有卡)→#5主变(#1机组)→#6主变(#1机组)→110KV就地系统(#1机组)→500KV就地系统(#1机组)→除灰配电室(#1机组)(有卡)→输煤配电室(#1机组)(有卡)→循环水配电室(#1机组)(有卡)→电除尘配电室(#1机组)(有卡)→锅炉补给水配电室(#1机组)(有卡)→水处理配电室(#1机组)(有卡)→集控室
二、巡检时间(周期):发电机、励磁系统、主变器群、升压站每2小时巡检一次。
其余电气设备每4小时巡检一次。
三:巡检内容及标准:
3
4
集控室。
1、锅炉主要设备巡回检查项目、内容及要求
备注:具体各参数值按照运行规程规定执行。
2、锅炉巡回检查路线
2.1锅炉1
3.7m
集控室→E~A给煤机→等离子冷却水泵→火检冷却风机→361阀→各受热面疏水集箱→A、B空预器轴承油站及密封挡板控制柜→燃油操作平台→A、B空预器导向轴承油站。
2.2 锅炉1
3.7m以下
A、B空预器热点监测装置→A、B空预器支撑轴承油站→A、B空预器主、辅电机,气动马达→空预器消防水系统→空预器吹灰器→A~E磨煤机及润滑油站→密封风机→A一次风机及润滑、液压油站→A送风机及液压润滑油站→A吸风机及润滑油站→B吸风机及润滑油站→B送风机及液压润滑油站→B一次风机及润滑、液压油站→疏水扩容器、疏水箱→排污扩容器、疏水泵→空压机房→启动炉→油库区→电梯。
2.3 锅炉1
3.7m以上
电梯→炉顶→炉顶各排气阀→高再出口B安全阀,A、B主汽释放阀,屏过进口B1、B2安全阀,高过出口安全阀→再热器减温水阀→吹灰减压站→Ⅰ级减温水阀→Ⅱ级减温水阀→高再出口A安全阀,屏过进口A1、A2安全阀→各空气阀→各层烟道吹灰器及烟温探针→风箱→烟气调温挡板→低再进口A1、A2、A3安全阀→低再进口B1、B2、B3安全阀→各层炉室吹灰器→各层燃烧器及油枪→空预器进口烟气挡板,空预器出口一、二次风挡板→集控室。
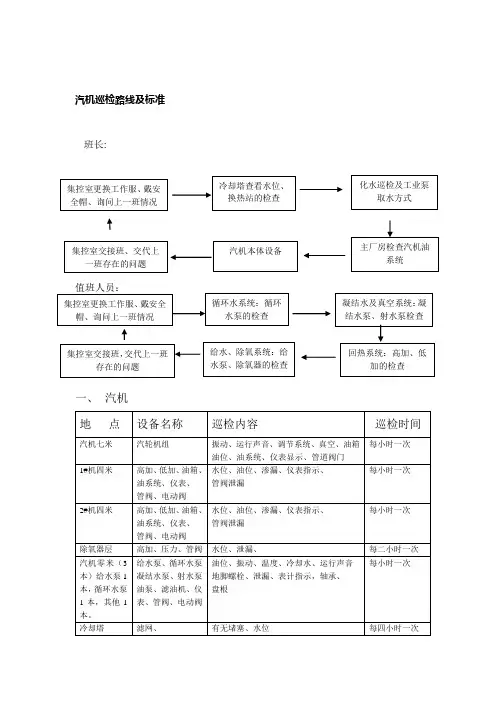
汽机巡检路线及标准班长:一、 汽机三、定期、切换工作巡检路线:控制室→汽机8米层→汽机本体→汽机4米层→循环水池→综合水泵房→工业消防水池→疏水箱→4.5米管道夹层→除氧层→双减→控制室巡检标准:1.汽机7米层(1)主油箱就地游标±50mm(2)汽机就地仪表柜①润滑油压0.08-0.15mpa②伺服控制油压3.5±0.1mpa(3.0±0.1mpa)③主汽门前压力3.14-3.63mpa④正常运行时事故油压0mpa⑤轴封加热蒸汽抽气压力(-3至-6kpa)⑥安全油压1.5±0.05mpa(3)汽轮机本体①看汽机有无冒气、有无漏油现象②停运行声音有无异常③停汽轮机本体及轴承声音是否异常(用听音棒)④主油泵进口油压0.1-0.15mpa,主油泵出口油压1.57mpa⑤盘车状态⑥绝对膨胀仪⑦各轴承润滑油油量油质(各轴承润滑油视镜)⑧高调门上的螺丝有无松动⑨发电机进口风温25-35℃不高于40℃,最高不高于55℃,出口风温不高于70℃⑩转子接地保护是否工作正常有无脱落松动现象2.汽机4米层(1)油箱本体有无渗油现象及排油烟机是否正常运行(2)汽封加热器抽风机运行是否正常,出水管是否畅通(3)高加进水、出水温度,进汽压力、温度主油箱上的排油烟机是否正常3.汽机0米层(1)高加疏水液位<700mm(2)给水泵①给水泵各阀门状态:进出口阀、再循环阀、放水阀②停给水泵的运行声音是否正常(用听音棒)③给水泵轴承冷却水及密封水是否正常④从视镜看润滑油,油量及油质情况以及有无渗油现象⑤从视镜检查油位≤2/3⑥轴瓦温度(≤65℃)轴承径向温度(≤80℃)⑦测量电机驱动轴承温度≤85℃(用测温枪)⑧备用泵处于冷备或热备状态情况(3)空冷器①空冷器冷却水进出水压力②空冷器冷却水进水温度(≤33℃)及出水温度①冷器运行情况及有无漏水(4)冷油器①冷油器运行状态及有无漏油滴水现象②油器出油温度38℃-42℃③冷油器进油温度(≤65℃)(5)滤油器前后压差小于0.05Mpa(6)汽轮机就地排汽压力0.7Mpa以上(7)高压调速油泵、交流润滑油泵、直流油泵有无漏油及轴承润滑油位是否正常(≤2/3)(8)真空滤油机油罐、真空泵油位正常,真空度在-0.08MPa以下,各排水罐有无积水,进出口油管道连接处及各法兰有无异常,真空泵、油泵运行是否正常(9)室外疏水扩容器排空管冒气情况,各疏水阀门是否严密(10)事故放油管路畅通及事故油箱正常(11)工业水至各冷却系统阀门状态4.循环水池①检查循环水泵电机温度(手摸或测温枪),轴承温度(≤85℃)及循环水泵体温度③循环水压力0.2-0.25Mpa④备用泵备用状态⑤冷却塔液位⑥工业水补水阀及循环水回水阀状态5.疏水箱①疏水箱液位及放水阀状态②疏水泵状态8. 4.5米管道夹层①低扩阀门状态:除氧器溢放水至低扩进水阀经常疏水至低扩阀、低扩排放水阀及低扩至疏水箱阀门状态②低扩有无剧烈震动及向外排空管冒气情况③低扩液位④夹层有无漏水情况9.除氧层(1)①(2)除氧器①地水位1400mm-1800mm,温度158℃(额定),压力0.488Mpa②除氧器相关各阀门状态③除氧器相关管道有无漏汽及滴水情况④停除氧器声音是否有剧烈震动或声响(3)连排扩容器水位及压力、三台锅炉连排阀门状态10.汽机8米层(1)给水平台有无漏水情况(2)①双减有无冒汽滴水情况⑦减各阀门状态:各主路及旁路阀、疏水阀、减温水一次手动阀一、除氧器及闭式水箱巡检项目及标准1,现场各处无漏汽、漏水现象。
水处理岗位巡检路线及内容中海石油华鹤煤化有限公司公用工程部原水巡检路线及内容巡检路线:污泥脱水间→磷盐间→外排水泵房→射流循环泵房→风机房→碱储罐间→污水提升泵房→格栅间→SBR池与厂房之间水池→SBR池→事故池及清污分流井巡检内容:污泥脱水间:污泥脱水机机运行情况是否正常;输送机是转动、声音、出料是否正常;转动设备运行声音是否正常;是否出现跑冒滴漏等异常情况;污泥脱水机减速机和PAM搅拌机减速机温度、震动、声音、油质油位运行是否正常;PAM浓度是否合格;药剂数量清点;磷盐间:磷酸盐药剂清点;磷酸盐计量泵、储罐及管道是否出现跑冒滴漏现象。
外排水泵房:运行泵的温度、震动、声音、电流、油位油质是否正常;非运行泵的阀门状态、是否出现跑冒滴漏等现象。
射流循环泵房:各水泵温度、震动、声音、是否正常;泵的机封冷却水压力是否正常,机封水管线是否是低温(低温代表机封冷却水畅通);泵出口压力是否正常;泵电流是否正常;风机房:曝气风机油位油质、声音、震动、转速、风压、温度、电流是否正常。
是否出现跑冒滴漏等现象。
碱储罐间:碱储罐液位是否正常;计量泵运行是否正常、压力、声音是否正常;卸碱、甲醇泵是否正常、停运时阀门状态是否正常;运行时各项参数是否正常;是否出现跑冒滴漏等现象;污水提升泵房:泵的温度、震动、声音、电流、油位油质是否正常;是否出现跑冒滴漏等现象;格栅间:格栅机运行是否正常、声音是否正常;设备各部件是否完好部件是否紧固;格栅机减速机温度、震动、声音、油质油位运行是否正常;工具间物品摆放是否整齐;物品是否齐全;SBR池与厂房之间水池:各管线伴热是否正常;各水池搅拌机是否运行正常;事故池及清污分流井:事故池液位;事故池向综合调节池排水泵是否运行正常;清污分流井排水泵运行时检查柜电流是否正常流量是否正常;闸板阀开度是否正常、排水流量是否可控清污分流井液位是否正常;闸板阀各部件是否完好;巡检频次:1次/2小时巡检路线:厂房→加药间→泵房→均质池→风机房→BAF池→BAF泥水分离池→巴歇尔槽→外排水在线分析小屋→BAF产水在线分析小屋→污泥脱水机间巡检内容:厂房:多介质过滤器、超滤、反渗透、自清洗过滤器、板式换热器运行是否正常,管道阀门是否有跑冒滴漏情况,各在线仪表数值是否在指标内。
巡检路线图一、巡检规则编制设备巡检、维护保养制度的目的,是为了保证设备能得到正确的维护保养,从而延长设备的使用寿命,对设备的巡检、维护工作应是连续的,不断的,全面的,也就是说在停机和运转时,都要进行不同内容的维护;设备的巡检、维护保养一般包括以下工作;1、整理:整理设备现场,将不用的东西,旧配件等清理到规定的地方;2、整顿:将巡检所需用的工具,润滑油及工具、小配件、巡检记录等准备齐全;3、清洁:保证现场和设备的清洁,擦洗设备,清扫现场;4、润滑:按说明书或润滑规范进行设备润滑,润滑油要求高度清洁,润滑操作过程中同样必须高度清洁,保证润滑机械各水冷却系统正常运转,在设备维护中,正确润滑是核心问题,即适时、适所和适量地姶油,油多放油,油少补油油污换油;5、检查:巡检工按巡检制度进行检查,用“耳听、手摸、鼻嗅、眼看”和现代化先进的激光测温仪,测振仪,测厚仪,便携式动平衡仪,油质检测仪等诊断技术监察设备,完成运行时的检查与维护,要求做到“四无”即无积灰、无杂物、无松动,无油污:“六不漏”即不漏油、不漏水、不漏灰、不漏电、不漏气、不漏风;6、对设备固定连接部分的松动进行紧固工作;7、安全:检查安全保险设施动作灵敏,齐全、可靠、完好,保证人身安全;二、 巡检内容、线路 1、煤磨系统2、立磨(辊压机)系统喂煤皮带秤磨头、尾管道磨机及系统油站 选粉机及油站 系统铰刀及漏风袋收尘器反吹及防雨二氧化碳系统系统管道 斗式提升机回转下料器磨机壳体及出磨管道漏风配料站皮带秤 循环风机及油站 旋风筒及分格轮 大电收尘器收尘器效果选粉机(V 选)及油站主排风机及系统油站回转下料器回转下料器原煤仓、煤粉仓罗茨风机头煤称回灰输送系统(拉链机、分格轮、斜槽及风机、回灰斗提) 增湿塔系统入库斗提及均化库顶下料装置磨机(辊压机)及系统油站 系统斜槽及斜槽风机窑尾烟囱风机配料站板喂机 配料站系统皮带机及下料口 配料站收尘器配料站物料仓石取及系统皮带 砂取及系统皮带 铁取及系统皮带 校正料及系统皮煤取及系统皮带收尘器效果3、水泥磨系统熟料输送皮带熟料库底收尘喂料提升机助磨剂流量磨头管道检查 磨音 辊压机滚压效果 各管道漏风收尘器反吹斜槽走料情况选粉机调配库下皮带秤原材料堆场储量辅材上料皮带及收尘磨尾管道检查巡检点检内容序号设备名称巡检点类别运行巡检内容检查时间停机检查项目及类别1 磨机磨机本体1)电机轴承油位是否正常,2)减速机有无异音、异振,3)刮板腔有无异音漏料,4)液压缸工况是否正常,5)摇臂螺栓有无松动,6)磨本体有无漏风1 检查液压系统,减速机润滑系统油质、油位,将过滤器清洗干净;2 将冷却水系统过滤器清洗干净,天冷时注意防止管道冻结;3 检查液压系统4氮气囊预充氮气压力是否正常;4 检查磨机磨盘,磨辊衬板磨损情况,有无裂痕并做好磨损记录;5 检查密封管道密封情况,密封环磨损情况;6 检查磨内仪表情况及喷水装置是否堵塞、脱落;7检查拉伸杆磨损情况,密封状况;8 检查挡料环、喷嘴环磨损情况,固定是否牢固;9 检查磨辊压力框架挡块磨损情况,磨辊推力构件和铰链连接件的磨损情况,磨辊角度是否正确;10 检查辊内润滑油油质、油量、并及时补充,更换;11 检查超越离合器工作是否正常;12 检查球面轴承润滑状况是否良好;13 检查刮料板磨损情况,固定是否牢固;14 检查进、出口风管积料是否严重,并及时清理;15 检查各螺栓是否松动、脱落,并及时紧固,更换;16 检查磨内有无异物、检修工具,并关闭人孔门;(应根据磨机的结构,不同型号的磨机有不同的检查重点)主电机稀油站1)振动是否过大2)供油压力3)供油温度4)油箱温度5)系统管道有无泄露喷水系统1)电机是否正常,2)管道有无泄露3)水箱水位是否正常液压张紧站1)供油泵电机是否正常,出口压力,油箱油位、油温,系统管道有无泄漏辊润滑站1)供油泵电机是否正常,供油压力,冷却器进水温度、出水温度。
网际网络安全日常巡检流程及查验项目一、前言随着互联网技术的飞速发展,网络安全问题日益凸显。
为了确保我国网际网络安全稳定运行,提高网络安全防护能力,制定一套完善的日常巡检流程及查验项目至关重要。
本文档旨在规范网络安全日常巡检工作,明确查验项目及要求,提升网络安全管理水平。
二、巡检目标1. 确保网络设备、系统及应用的安全性。
2. 预防网络攻击、入侵等安全事件的发生。
3. 提升网络安全事件的应急响应能力。
4. 保障重要信息系统和关键业务的正常运行。
三、巡检范围1. 网络设备:包括交换机、路由器、防火墙等。
2. 服务器:包括操作系统、数据库、应用服务 etc.3. 安全设备:包括入侵检测系统、入侵防御系统、病毒防护软件等。
4. 应用系统:包括网站、电子邮件、即时通讯等。
5. 数据中心的网络安全。
四、巡检流程4.1 准备工作1. 收集并整理网络设备、服务器、安全设备等相关资料。
2. 制定巡检计划,明确巡检时间、内容、责任人。
3. 准备巡检工具及设备,如笔记本电脑、串口线、网线等。
4.2 现场巡检1. 检查网络设备:- 设备运行状态,如CPU、内存、接口等。
- 设备配置文件,查看是否存在安全漏洞。
- 设备日志,分析是否存在异常报文、攻击行为等。
2. 检查服务器:- 服务器运行状态,如CPU、内存、磁盘空间等。
- 操作系统、数据库、应用服务的安全配置。
- 服务器日志,分析是否存在异常连接、错误信息等。
3. 检查安全设备:- 设备运行状态,如CPU、内存、接口等。
- 设备策略配置,确保安全策略有效。
- 设备日志,分析是否存在攻击事件、报警信息等。
4. 检查应用系统:- 系统运行状态,如性能、稳定性等。
- 安全防护措施,如访问控制、数据加密等。
- 系统日志,分析是否存在异常行为、错误信息等。
5. 检查数据中心网络安全:- 网络拓扑结构,确保合理规划。
- 网络安全策略,如防火墙、入侵检测等。
- 数据中心的物理安全,如门禁、监控等。
巡检路线及内容第一站:23-26号罐区及其北侧的泵区巡检内容:1、检查与储罐向连接的管线、法兰、阀门是否有可燃物料泄漏;2、检查罐体的低点排放阀是否有可燃物料泄漏;3、检查与各个泵向连接的管线、法兰、阀门是否有可燃物料泄漏;4、检查各个泵机械密封是否有可燃物料泄漏;5、检查各个泵的静电接地有无断开、松动、脱落现象;6、检查有无其它跑冒滴漏现象;7、检查罐区周围的设备、安全设施有无损坏。
第二站:小精制和硫酸储罐厂房巡检内容:1、检查与储罐、搅拌釜、硫酸罐向连接的管线、法兰、阀门是否有可燃物料泄漏;2、检查罐体的低点排放阀是否有可燃物料泄漏;3、检查泵、搅拌等设备的机械密封是否有泄漏;4、检查有无其它跑冒滴漏现象;5、检查周围的其它设备、安全设施有无损坏。
第三站:大精制装置巡检内容:1、检查与各个储罐、搅拌釜向连接的管线、法兰、阀门是否有可燃物料泄漏;2、检查罐体的低点排放阀是否有可燃物料泄漏;3、检查泵、搅拌等设备的机械密封是否有泄漏;4、检查有无其它跑冒滴漏现象;5、检查周围的其它设备、安全设施有无损坏。
第四站:废硫酸储罐区巡检内容:1、检查废硫酸储罐有无泄漏废硫酸现象。
第五站:17-22号罐区巡检内容:1、检查与各个储罐向连接的管线、法兰、阀门是否有可燃物料泄漏;2、检查各个罐体的低点排放阀是否有可燃物料泄漏;3、检查有无其它跑冒滴漏现象;4、检查周围的其它设备、安全设施有无损坏。
第六站:1-11号卧罐区巡检内容:1、检查与各个储罐向连接的管线、法兰、阀门是否有可燃物料泄漏;2、检查罐体的低点排放阀是否有可燃物料泄漏;3、检查各个储罐的罐顶的阀门是否有忘关现象(通过扶梯到罐顶检查);4、检查有无其它跑冒滴漏现象;5、检查周围的其它设备、安全设施有无损坏。
第七站:泵房巡检内容:1、检查与各个泵向连接的管线、法兰、阀门是否有可燃物料泄漏;2、检查各个泵机械密封是否有可燃物料泄漏;3、检查各个泵的静电接地有无断开、松动、脱落现象;4、检查有无其它跑冒滴漏现象;5、检查周围的其它设备、安全设施有无损坏。
低压电工日常巡检项目及内容低压电工日常巡检项目及内容导言低压电工巡检是确保建筑物及设备正常运行、安全可靠的重要工作。
通过定期巡检,发现并及时处理潜在的问题,可以减少电气事故的发生,提高电气设备的使用寿命,保障人员和设备的安全。
本文将介绍低压电工日常巡检的项目及内容,帮助电工人员更好地开展巡检工作。
一、巡检项目1. 电缆及接线线路的巡视低压电工应仔细检查建筑物内外的电缆及接线线路,观察是否有裸露的电线、老化的电缆、松脱的接线等现象。
特别要注意潮湿环境下的绝缘性能。
2. 开关箱、总配电箱、仪表箱的巡视电工需要仔细检查开关箱、总配电箱、仪表箱等设备的外观,观察是否有变形、积尘、油渍等问题。
同时,要检查设备内部的保护件是否完好,如熔断器、断路器等。
3. 电气设备的温度检测巡检时,电工应使用温度计测量各种电气设备的表面温度,特别是线路、插座、开关等常用设备。
如果发现温度异常,应及时做好记录,并进行进一步的检修。
4. 接地系统的测试接地系统是低压电气设备的重要组成部分,电工应定期进行接地电阻的测试,以确保接地系统的完好性。
测试方法包括四线法、三线法等。
5. 照明设备的正常工作检查巡检时,电工要检查建筑物内外的照明设备是否正常工作,是否可以稳定地提供光源。
同时,也要关注紧急照明设备的工作状态,如应急灯具、安全出口指示灯等。
6. 电机的运行状态检查对于设备内的电机,电工应检查其运行状态是否正常。
包括转速、噪音、振动等方面的检查。
同时,要注意电机的温度,以免过热引发问题。
7. 保护装置的检查与测试低压电气设备中常常配备有各种保护装置,如过载保护器、短路保护器等。
电工需要定期检查这些保护装置的可靠性,并进行测试,确保其正常工作。
8. 接口端子的紧固检查接口端子是电气设备常见的连接方式,电工应检查各个端子的紧固情况,确保连接安全可靠。
9. 安全警示标识的检查在建筑物内,电工应检查安全警示标识是否完好,是否明确。
特别要注意高电压区域、禁止通行区域等标识的有效性。
除盐水岗位巡检路线及要点
第一站:锰砂除铁与水罐区
检查锰沙罐压力,仪表风曝气加入情况;检查各储水罐的阀门开关情况,管线有无跑冒滴漏情况。
第二站:除盐水站泵房
检查脱盐水泵、再生水泵、反洗水泵、原水泵动设备电机运转情况,出口压力和油位情况。
第三站:制水车间
检查杀菌剂、絮凝剂、还原剂、阻垢剂等个加药系统的药筒液位和计量泵的运转情况,特别注意反渗透阻垢剂加入情况;检查系统SDI值、过滤器压差、电导率、PH值、流量等是否符合要求并确定是否与控制室画面显示一致,不符合要及时检查处理;检查中间水箱液位,脱碳风机和中间水泵运转情况。
第五站:酸碱间
检查酸碱贮罐、计量箱液位情况;检查所有阀门是否开关正确、连接管线有无跑冒滴漏。
第六站:循环水泵房
检查循环水泵电流、油位、出口压力以及运转情况是否符合要求;供水管网压力是否满足要求;
第七站:冷却水塔和旁滤器
检查旁滤器过滤情况;检查回水温度仪表是否显示正常;检查循环水水池液位、监测出水温度;检查塔顶风扇运转情况。
光缆线路巡检内容、要求和巡检流程巡线是光缆线路日常维护的主要方法,是光缆线路日常维护中的一项经常性工作,是预防线路发生障碍的重要措施,是维护人员的主要任务。
作为一名线路维护人员,一定要增强责任感,努力提高线路维护质量,严格遵守各项规章制度,明确光缆线路维护任务、目的与方法,熟悉线路及设备情况,及时发现问题,并正确处理,确保光缆线路畅通。
一、巡线的方式巡线是光缆线路日常维护中的一项经常性工作,是及早发现外界影响的重要一环,是预防线路发生障碍的重要措施,也是维护人员的主要任务。
巡线可分为徒步全巡和重点巡查两种方式。
徒步全巡就是携带必要的工具,沿着光缆线路徒步前进。
只有徒步巡查才能全面细致地了解线路变化情况,及时发现问题、解决问题,提高维护质量。
全巡时要观察线路路由情况和线路两侧的情况变化,发现危险情况时要及时处理,不能处理的要作好记录并向上级汇报。
重点巡查就是对特殊地段进行巡查,一般采取车巡的方式。
特殊地段是指有外力施工的路段以及市区、城乡结合部、村镇、工矿区、过沟过渠地段和雨季易被洪水冲刷的地段等。
二、巡线的目的通过巡线了解沿线地形、地貌及变化情况,了解险情及交通情况,熟悉路由走向,检查光缆设备,消除故障隐患,以避免事故的发生。
三、巡线要求1、包线员:正常情况下徒步全巡每月1次,重点巡查(车巡)每周不少于1次,有外力施工和暴风雨要增加巡检次数。
每次巡线必须将线路情况填入《光缆线路日常巡检报告》。
2、分站技术人员(分管人员):每周上线路巡检一次,每2个月带领包线员对线路徒步全巡1次(日常巡检不允许站内人员开车下线检查),每月线路巡检不少于10天。
每周上线路巡检一次,主要是指导包线员对线路巡检工作与外力施工的处理办法,对包线员进行考核,尤其是外力施工涉及光缆线路安全时,分管人员应增加线路巡检次数。
每2个月至少带领包线员对自己管辖的线路徒步全巡1次,检查包线员对线路的维护质量(线路除草、龟背制作、线路隐患点临时保护情况等)、线路熟悉情况进行考核,收集包线员的《月巡报告》,并对包线员线路维护工作进行指导。
化工企业带班领导巡检路线及检查要点1.我们先从生产车间开始巡检。
We will start the inspection from the production workshop.2.检查设备运行是否正常。
Check if the equipment is running properly.3.确保生产线上的工人操作符合安全操作规程。
Ensure that the workers on the production line are following safety procedures.4.检查生产原料的存储情况。
Inspect the storage of production raw materials.5.确认化工产品的质量是否符合标准。
Verify if the quality of chemical products meets the standards.6.检查生产废料的处理和处置情况。
Inspect the handling and disposal of production waste.7.确保生产区域的环境卫生状况良好。
Ensure that the environmental hygiene in the production area is good.8.检查生产设备的维护保养情况。
Inspect the maintenance of production equipment.9.确认生产工艺流程是否按照规定操作。
Confirm if the production process is operated according to the regulations.10.检查生产车间的安全设施是否完好。
Check if the safety facilities in the production workshop are in good condition.11.确保员工的个人防护用品是否齐全。
炼钢一分厂
1、巡检路线:
司机室→大车传动机构→控制屏→电阻器→小车传动机构→主、副钩卷扬机构→钢丝绳→定滑轮组→托缆滑车→吊钩组→另一侧大车传动机构。
2、巡检制度:
2.1、各机构制动器制动状况,制动瓦衬磨损不超标,杠杆、传动、接线正常。
2.2、钢丝绳无破股断丝现象,在卷筒和滑轮中缠绕正常,钢丝绳端部压板螺栓紧固。
2.3、各机构传动件的连接螺栓和各部件固定螺栓紧固。
2.4、吊钩无变形,防脱锁母无松动,滑轮组无损坏。
2.5、减速机、齿轮联轴器连接及润滑。
2.6、电气屏、柜接线无脱落,绝缘良好,部件无外观损坏,固定牢固。
2.7、托缆绝缘良好,托缆滑车无卡卡阻、变形。
2.8、电动机温度、异响。
2.9、轨道部分是否开焊、松动、变形。
炉运行层→给煤机→辅汽联箱→火检风机→炉前燃油系统→等离子冷却水总门→炉水泵冷却水泵控制箱→下层短吹→空预器电机→空预器吹灰器→炉6.3米→空预器支承轴承→定排手动门→炉零米→定排扩容器→B一次风机→B送风机→除灰集控室→B引风机→A引风机→A送风机→A一次风机→空压机→磨煤机及密封风机→炉汽包层→水位计及各安全门→9楼过热器反冲洗及吹灰减压站→6楼火焰电视冷却系统→5楼主给水电动门→减温水系统→5%旁路→4楼炉水泵系统→各角燃烧器及油枪、等离子系统→省煤器灰斗→空预器导向油泵运行中电动机的检查:1)检查电机冷却风扇运行正常,无杂音,通道畅通。
2)地脚螺栓,接地线,联轴器、防护罩完好,无松动或损坏。
3)电机振动、轴承温度、线圈温度在正常范围内,转轴无串轴现象。
4)线圈及电缆无冒烟,冒火及有焦味等现象。
5)磨煤机电机要检查冷却水温度、流量正常、冷却水管路无泄漏。
运行中风机的检查:1)设备地脚螺栓齐全、紧固。
进出口管道支架齐全牢固。
转动部分防护罩齐全、完整,风道无漏风现象。
2)轴承冷却水充足,排水畅通;油位计清晰不漏油,油位正常,油质合格,油环带油正常。
轴承温度在正常范围内。
3)传动机构完好,实际位置与指示相符。
4)设备周围照明充足,无妨碍运行的杂物。
设备及管道保温完好,人孔门完备且关闭。
5)设备应运转良好,振动、串轴不超标,无撞击、摩擦等异声。
润滑油站的检查:1)系统无泄漏,润滑油压(液压油压)正常,滤网差压正常。
2)油箱油位正常,油质合格,回油温度正常。
3)冷却水流量、温度正常,管路无泄漏。
4)加热器根据温度情况情况投入,环境温度高时检查加热器退出。
炉运行层就地巡检内容:给煤机的检查:1)给煤机的就地控制开关置“远方”位置,计量装置显示正常且在自动位置,给煤机清扫电机运转正常。
2)给煤机皮带机构,称重机构,清理刮板,给煤机内照明灯完整,且运行正常,给煤机内无积煤,且下煤正常振打装置在自动位置,且试运正常。
皮带无跑偏现象,给煤机转速运行正常,与煤量显示一致。
3)给煤机减速机润滑油的油位正常,各润滑点均注有润滑脂,传动链条运行平稳,无卡涩或跳动现象。
4)运行的给煤机密封空气手动门位置正常(给煤机窥视镜内清楚,且开度在一半以上为原则),原煤斗无漏煤现象。
5)给煤机温度高于80℃,发煤层故障,给煤机给煤量低于10吨延时60秒煤层紧急跳闸。
辅汽联箱的检查:检查辅汽联箱压力正常(不超过0.65MPA),各阀门位置正确,无漏水漏汽现象,各疏水无内漏(疏水门关闭后温度正常),各管道无水击声。
火检风机的检查:冷却风机出口压力低于3.6KPA联锁启动备用风机,探头冷却风与炉膛差压低于4KPA报警,低于2KPA三取二MFT,探头冷却风滤网差压高于1KPA发滤网堵塞报警,检查火检风机控制柜内运行方式正确,两台风机需将选择开关选择“遥控”位,两台风机的控制开关选至“停止”位。
炉前燃油系统的检查:燃油母管压力低于0.8MPA油层点火允许,低于0.4MPA报警,低于0.2MPA延时2秒OFT,燃油温度低于12℃油层点火允许,油系统阀门位置正确,油流量计指示正常,无漏油现象。
其它:检查各冷风门传动机构完好,无卡涩,等离子冷却水进、出水差压大于0.15MPA,且无泄漏,炉水泵冷却水泵控制箱内继电器温度正常,冷却风扇运行正常,压缩空气系统各阀门位置正确,无泄漏,各分配器出粉管温度正常,无漏粉现象。
炉零米层就地巡检内容:三大风机就地巡检参数一次风机:一次风机在运行中要加强下列参数监视不越限。
⑴风机轴承温度≯60℃,≥70℃延时6S停运一次风机;电机轴承温度≯60℃,≥70℃延时5S停运一次风机;电机绕组温度≯110℃,≥120℃延时10S停运一⑵各轴承回油温度≯55℃,回油流量正常。
⑶风机振动值≯0.07mm。
⑷主油管油压≮0.117MPA联启备用油泵,并作为启动风机条件之一,≮0.05MPA延时5S停运一次风机。
⑸油站过滤器差压正常(≯0.15MPa)。
⑹偶合器工作油进油压力不低于0.07 MPa,工作油进油压力低于0.05 MPa时报警,当油压降至0.03 Mpa时延时5S一次风机跳闸。
⑺当液偶进油温度大于55℃或出口油温大于70℃时,光字牌报警。
当液偶进油温度大于70℃或出口油温大于85℃时,一次风机跳闸。
送风机:送风机运行确保下列运行参数不越限。
⑴风机轴承温度≯90℃,≥110℃延时6S跳送风机,电机轴承温度≯65℃,≥75℃延时6S跳送风机。
电机绕组温度≯110℃,≥120℃延时10S停运送风机;⑵风机振动值≯0.08mm。
⑶油泵出口油压≥2.5MPA,液压油压≥2.5MPA,润滑油建立依据,液压油压≤0.8MPA强启备用油泵,风机润滑油压﹥0.4 Mpa,当润滑油压低于0.2MPA时及时切换滤网并联系清洗,风机润滑油流量﹥3L/min,油箱油位﹥200mm。
(4) 风机入口风压>3000Pa发喘振延时15秒。
引风机:引风机运行确保下列运行参数不越限。
⑴风机轴承温度≯65℃,≥85℃延时6S停运风机(#1、2机组),风机轴承温度≯80℃,≥100℃延时6S停运风机(#3、4机组);电机轴承温度≯65℃,≥75℃延时6S跳引风机。
电机绕组温度≯110℃,≥120℃延时10S停运引风机;⑵风机振动值≯0.08mm。
(3) 油泵出口油压≥2.5MPA,液压油压≥2.5MPA,润滑油建立依据,液压油压≤0.8MPA强启备用油泵,风机润滑油压﹥0.4 Mpa,当润滑油压低于0.2MPA时及时切换滤网并联系清洗,风机润滑油流量﹥3L/min,油箱油位﹥200mm。
(4) 主油管油压≮0.117MPA联启备用油泵,并作为启动风机条件之一,≮0.05MPA延时5S停运引风机。
(5)电机油站过滤器差压正常(≯0.15MPa)。
(6)风机轴承冷却风机运行正常。
(7) 风机入口风压>3000Pa发喘振延时15秒。
磨煤机:1)磨推力瓦油槽温度>21℃,延时5秒,油泵由高速转低速,>25℃油泵由低速转高速,磨推力瓦油池温度>38℃,冷却水电动门开,低于30℃冷却水电动门关,低于50℃润滑油系统条件满足,高于70℃润滑油系统条件不满足;磨齿轮箱油分配器油压>0.15MPA油系统条件满足,低于0.145MPA油系统条件不满足。
2)检查磨煤机的润滑油站,液压油站的油箱油位正常,油质合格,润滑油泵的进油和滤网进油手动门开启,磨煤机润滑油冷却器进回水手动门和电机的空气冷却器的冷却水投入。
3)检查磨煤机底部迷宫轴颈密封,热风调整门的密封气门已调整好,磨消防蒸汽处于备用。
4)检查磨煤机就地电源柜指示灯正常,风门电源柜指示灯正常,各风门传动机构完好无卡涩。
5)检查石子煤斗清理干净,液压关断门开启,排渣门关闭,磨煤机出口的离心式固定分离器的折向门开度合适(35%~55%),磨煤机系统无漏风、粉、水、油、气现象。
6)检查密封风机运行正常,密封风与一次风差压≥1.96Kpa;密封风机减速箱油位温度正常,运行风机出口至密封风母管手动门开启,入口滤网干净无杂物,密封风母管至磨煤机手动门开启,停运密封风机无倒转现象。
空压机:1)检查空压机润滑油油位,油位不足及时加油(需停运消压后加油)。
2)检查油过滤器及空滤器状态指示灯是否亮。
3)检查油气分离器分离芯前后差压正常与否。
4)检查空压机有无异常声响及泄漏。
5)检查冷却器冷凝管、排污罐积水情况,及时排污。
6)检查空压机就地仪表与空压机状态信息:7)供气母管压力高于0.75MPA,低于0.6MPA报警,排汽温度高于110℃,延时5秒跳空压机,油过滤器压差高于0.18MPA报警,轴承回油温度高于120℃报警。
锅炉本体1)检查炉膛、本体内部受热面清洁、无焦渣、无杂物,炉膛密封、炉墙护板、保温良好。
2)检查炉膛、过热器、再热器、省煤器、空预器及烟、风道、各人孔门、看火孔、打焦孔、防爆门、检查孔、放灰门完整良好,严密关闭各孔门。
3) 检查炉膛火焰电视摄像头良好,冷却风门应打开。
4) 检查炉膛出口烟温探枪,各吹灰器及其管道完整,全部在退出位置。
5)检查燃烧器摆动装置应灵活、完整,各燃烧器外形完整、位置正确,无结渣。
烧坏现象,各点火装置良好,油系统无泄漏现象。
6)管道的支吊架完整牢固,锅炉本体刚性梁及吊架良好。
7)汽包、联箱、管道、阀门保温完整。
8)各弹簧安全门的弹簧完好,排汽管完整畅通,装设牢固无泄漏。
9)各阀门完好清洁,开度与位置指示正确,传动装置正常。
各阀门开关位置正确。
10)检查汽包水位计汽水联通管保温良好,水位计清晰与就CRT位置相符。
电视水位监视完好可用,照明充足。
11)省煤器灰斗下灰正常,冷却水量充足,锁气器运转正常无漏灰现象,冷却水升压泵运行正常,出口压力正常。
炉水泵:1)电机电流在允许范围26.6A之内。
2)电机腔室温度应﹤55℃。
3)炉水泵出口、入口差压值正常0.13~0.196MPa。
4)冷却器低压冷却水量正常。
5)隔热体冷却水量正常≮33.3升/分。
6)隔热体出口冷却水温≯50℃。
7)泵组运行无异音,无泄漏,振动在规定范围之内,阀门位置正确。
8)电机过滤器差压正常≯0.196MPa。
空预器1)正常运行中应定期检查空预器减速箱油位正常,偶合器无甩油现象,支承、导向轴承润滑油温正常。
2)支承、导向轴承的油位和油质符合要求3)运行中空预器应无磨擦声,运行电流不大幅度摆动和超限现象。
4)空预器主辅马达运行时,润滑油温﹤33℃,支承导向轴承油泵自动停止;当油温大于38℃,系统自启动。
6)空气预热器运行限值要求a、导向轴承温度≯80℃b、支承轴承温度≯70℃c、烟气侧正常差压934.7Pad、空气侧正常差压一次/二次风224.6/685.6Pa12.6m部分:大机部分1)检查机头周围所有的油压表、试验块、油管路不漏不渗,各保护和报警的压控正常投入,试验块在在线投入状态;2.)检查主汽门、调门、中压主汽门、中压调门位置正常,反馈杆正常不松脱,弹簧在正常位置不偏斜卡涩,各油动机均正常不抖动,不渗漏,各蓄能器不渗漏;3.)检查机组AST、OPC电磁阀、隔膜阀、空气引导阀等工作正常,AST、ASP、OPC等油压正常;4.)检查各轴承油档处不漏,油管路正常不泄漏,油压正常、回油温度均正常,#3~#6瓦油膜压力正常,各瓦振动无异常;5.)检查主油泵进出口油压应正常,各轴承油压正常;6.)检查汽机本体联接管路不漏汽;7.)检查各轴封处不往外冒汽,低压轴封处无明显往内吸汽的声音;8.)检查发电机密封油压力正常;9.)检查机组盘车装置齿轮位置正常;10.)检查低压缸四个角上的排汽温度正常,且无偏差;11.)检查发电机四个角上的氢冷器出口冷风温度正常,偏差不大,发电机氢系统无明显泄漏声;12.)检查励磁机各风门正常关闭,检查励磁机冷风温度正常,热风温度在正常范围内;发电机、励磁机各部温度符合规定值,无异常发热现象。