项目实测实量数据上墙张贴表
- 格式:doc
- 大小:74.00 KB
- 文档页数:3
饰面砖粘贴(墙面)工程实测实量记录表中国建筑项目管理表格项目实测实量记录表表格编号CSCEC-SC- 工程名称栋号楼层户型(部位)检查项目检查内容评判标准检测区检测点选点规则合格率检查情况原始数据——检测点饰面砖粘贴(墙面)墙面表面平整度瓷砖墙面:[0,3]mm每套房内厨房、卫生间、阳露台的同一面墙都可作为1个实测区,取各墙面左上及右下2个角,按45度角斜放靠尺,分别测量1次,2次测量值作为该实测指标合格率的2个计算点平整度光面石材墙面:[0,1]mm每套房内厨房、卫生间、阳露台的同一面墙都可作为1个实测区,取各墙面左上及右下2个角,按45度角斜放靠尺,分别测量1次,2次测量值作为该实测指标合格率的2个计算点平整度墙面垂直度瓷砖墙面:[0,3]mm每一套房内厨房、卫生间、阳露台都可作为1个实测区。
每一个实测区测量2个点,其实测值作为该实测指标合格率的2个计算点瓷砖墙垂直度光面石材墙面:[0,2]mm每一套房内厨房、卫生间、阳露台都可作为1个实测区。
每一个实测区测量2个点,其实测值作为该实测指标合格率的2个计算点瓷砖墙垂直度阴阳角方正[0,3]mm房内厨房、卫生间、阳露台的每一个阴角或阳角都可以作为1个实测区。
一个实测区,按30CM、150CM分别测量1次,2次测量值作为该实测指标合格率的2个计算点阴阳角接缝高低差瓷砖墙面:[0,0.5]mm该指标宜在装修收尾阶段测量。
每一套房内厨房、卫生间、阳台或露台的墙面都可以作为1个实测区。
高低差光面石材:[0,1]mm该指标宜在装修收尾阶段测量。
每一套房内厨房、卫生间、阳台或露台的墙面都可以作为1个实测区。
高低差裂缝/空无裂缝、空鼓所选户型内有饰面砖墙面的厨房、卫生间等每一自然间作为1个实测区。
所选套房内所有墙体全检。
1个实测区的实测值作为1个实测合格率计裂缝空鼓。
一、截面尺寸偏差标牌
样本
制作要求:
1、尺寸:30cm340cm
2、颜色:白底,顶部为蓝底白字,企业
标志和全称,其它颜色按图中所示
墙柱截面尺寸测量示意
二、表面平整度标牌
制作要求:
1、尺寸:30cm340cm
2、颜色:白底,顶部为
蓝底白字,企业标志
和全称,其它颜色按
图中所示
三、垂直度标牌
制作要求:
1、尺寸:30cm340cm
2、颜色:白底,顶部为蓝底白字,企业标志和全称,其它颜色按图中所示
四、顶板水平极差标牌
顶板水平度极差测量示意
制作要求:
1、尺寸:30cm340cm
2、颜色:白底,顶部为蓝底白字,企业标志和全称,其它颜色按图中所示
五、箭头
制作要求:蓝色,宽3cm,长50cm,箭头为边长5cm等边三角形。
三检制、实测实量数据上墙表格“三检制”、实测实量管理制度第⼀章总则第⼀条、⽬的为加强质量检测与监控,提⾼⼯程质量,减少质量通病,杜绝重⼤质量事故的发⽣,特制定本制度。
第⼆条、适⽤范围本制度根据集团⼯程管理制度(2013版)的相关规定,并对相关条款进⾏了修改。
本制度适⽤于集团所辖分公司及项⽬部。
第⼆章三检制度第三条、三检制要求⼯程“三检”制度是指对各道⼯序的施⼯质量始终坚持⾃检、互检、专职检制度,其⽬的是加强对施⼯过程中的质量控制,严格要求⼯序质量,将⼯程质量通病和不⾜之处消除在分项⼯序之中,“三检”制度应贯穿于⼯程施⼯的全过程(包括装饰装修和⽔电安装阶段)。
3·1 ⾃检⾃检就是班组对⾃⼰完⼯的分项⼯程,按照图纸、⼯艺或合同中规定的技术标准⾃⾏进⾏检验,并做出是否合格的判断,这种检验充分体现了劳务⼯⼈必须对⾃⼰施⼯的质量负责。
通过⾃我检验,使劳务⼯⼈充分了解⾃⼰在质量上存在的问题,寻找出现问题的原因,进⽽采取改进的措施,这也是⼯⼈参加质量管理的重要形式。
3·2 互检互检就是班组相互之间进⾏检验。
互检主要有:下道⼯序对上道⼯序流转过来的产品进⾏抽检;同⼀个⼯序进⾏轮班交接时进⾏的相互检验;班组长对本⼩组⼯⼈加⼯出来的产品进⾏抽检等。
这种检验有利于保证质量,防⽌疏忽⼤意⽽造成质量问题。
3·3 专职检专职检就是由专职质检员或施⼯员按照图纸、⼯艺或合同中规定的技术标准、规范对劳务施⼯质量进⾏检验。
专业检验是现代化⼤⽣产劳动分⼯的客观要求,它是互检和⾃检不能取代的。
第四条三检制度流程4·1 各分部、分项、检验批⼯程,尤其是隐蔽⼯程每个⼯序施⼯完成,班组必须⾃检,⾃检要作⽂字记录。
⾃检合格后,由项⽬部质量管理⼈员验收。
在内部⾃⾏验收合格的基础上,⽅可通知监理进⾏验收。
4·2 本⼯种⼯作完成后,在不同⼯种间还应进⾏互检,检查对⽅施⼯⼯序与本⼯种⼯序衔接的正确性、与设计图纸、国家规范的符合性,若有不符,应及时向对⽅班组质检员或项⽬部专职质检员提出。
质量月——“实测实量+数据上墙”操作指引“实测实量+数据上墙”已成为行业优秀建企进行工程质量管理的必备法宝,特别是对工程具有高标准高要求、以创优创文明为目标的项目,这样的管理办法实现了靠制度管理、靠数据说话,使得工程管理轻松高效。
实测实量实测实量应贯穿建筑施工全过程,涵盖混凝土、砌筑、抹灰及机电各主要阶段,作为重要分部工程验收依据。
1混凝土工程依据《混凝土结构工程施工质量验收规范》,混凝土工程实测实量的常规上墙数据包括5项:(1)截面尺寸偏差【数据说明】反映层高范围内剪力墙、柱施工尺寸与设计尺寸的偏差。
【合格标准】[-5,10]㎜。
【测量方法】使用5m钢卷尺测量:选取地面向上300及1500㎜位置各测一次。
(2)表面平整度【数据说明】反映层高范围内剪力墙、柱表面平整程度。
【合格标准】[0,8]㎜。
【测量方法】使用2m靠尺和楔形塞尺测量:墙长度小于3m 时,选取左上及右下角两处,以45°角斜放靠尺测量,共两尺;墙长度大于3m时,增加墙体中间一处,水平放靠尺测量,共三尺;跨洞口部位必测。
(3)垂直度【数据说明】反映层高范围内剪力墙、柱垂直程度。
【合格标准】[0,10]㎜。
【测量方法】使用2m靠尺测量:(1)墙长度小于3m时,选取距墙左右两边30㎝处,竖放靠尺分别接触底部和顶部测量,共两尺;墙长度大于3m时,增加墙居中位置,竖放靠尺测量,共三尺;墙体洞口一侧必测。
(2)柱选取四面中的两面,竖放靠尺分别接触底部和顶部测量,共两尺。
(4)顶板水平度极差【数据说明】反映同一房间内混凝土顶板的平整程度。
【合格标准】[0,15]㎜。
【测量方法】使用激光扫平仪和塔尺测量:用激光扫平仪打出一条水平基准线,选取距顶板天花线30㎝处4个角点以及板跨中心处1点,共5点,分别测量顶板与水平基准线的垂直距离;以最低点为基准点,计算另外四点与最低点的偏差。
(5)楼板厚度偏差【数据说明】反映同跨板厚度的施工尺寸与设计尺寸的偏差。
实测实量标识
一、竣工验收实测实量标识标牌内容
1、层高测量点
2、开间进深测量点
3、建筑1m线标识
4、墙面平整度、垂直度、阴阳角方正度测位标识
5、开关、插座、弱电箱等功能指示牌
6、数据表格
7、测量示意图
8、标识标牌实施注意要点
二、实测实量标识标牌样式
红三角边长50mm,水平红线标注长200mm,上部粘贴1m线标识
4、墙面平整度、垂直度、阴阳角方正度测位标识
(1)墙面平整度标识线
A 黑色墨线,每尺位置弹线1m长,并盖印章
B 印章制作第一尺、第二尺、第三尺、第四尺、第五尺,如下图所示位置标识示意;
(1)墙面垂直度标识线
A 黑色墨线,每尺位置弹线1m长,并盖印章
B 印章制作第一尺、第二尺、第三尺,如下图所示位置标识示意;
(1)墙面阴阳角方正度标识线
A 黑色墨线,每尺位置弹线200mm长,并盖印章
B 印章制作第一尺、第二尺如下图所示位置标识示意(mm);
5、开关、插座、弱电箱等功能指示牌
(1)制作空调洞盖板,不干胶粘贴
(2)制作文字标识
A 样式
B 需做文字标识内容
1 止回阀
2 空调洞
3 空调间
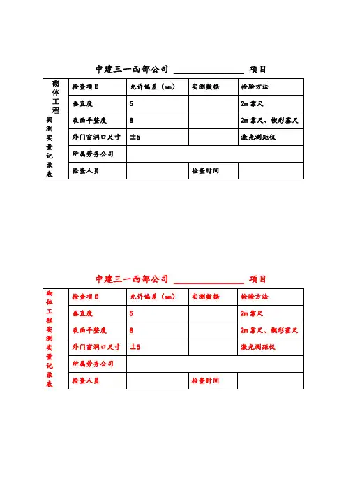
6、数据表格
(1)抹灰工程外观尺寸检查表(成品标牌贴至所查墙面)
8、实施要求
(1)标识、盖章清晰,基底清理干净后喷涂、贴附;
(2)标识、盖章要求横平竖直,不得歪斜;
(3)同一户内标识、盖章高度一致,相邻标识保证顶部标高一致;
(4)注意已完工程成品保护,不得污染成品;
(5)地面标识位置距离墙面300mm,保证连线后应与墙面平行,达到美观目的;。