建筑防火设计规范-防火间距(谷风书苑)
- 格式:doc
- 大小:109.00 KB
- 文档页数:3
3.4 厂房的防火间距3.4.1 除本规范另有规定者外,厂房之间及其与乙、丙、丁、戊类仓库、民用建筑等之间的防火间距不应小于表3.4.1的规定。
缘算起;2 乙类厂房与重要公共建筑之间的防火间距不宜小于50.0m。
单层、多层戊类厂房之间及其与戊类仓库之间的防火间距,可按本表的规定减少2.0m。
为丙、丁、戊类厂房服务而单独设立的生活用房应按民用建筑确定,与所属厂房之间的防火间距不应小于6.0m。
必须相邻建造时,应符合本表注3、4的规定;3 两座厂房相邻较高一面的外墙为防火墙时,其防火间距不限,但甲类厂房之间不应小于4.0m。
两座丙、丁、戊类厂房相邻两面的外墙均为不燃烧体,当无外露的燃烧体屋檐,每面外墙上的门窗洞口面积之和各小于等于该外墙面积的5%,且门窗洞口不正对开设时,其防火间距可按本表的规定减少25%;4 两座一、二级耐火等级的厂房,当相邻较低一面外墙为防火墙且较低一座厂房的屋顶耐火极限不低于1.00h,或相邻较高一面外墙的门窗等开口部位设置甲级防火门窗或防火分隔水幕或按本规范第7.5.3条的规定设置防火卷帘时,甲、乙类厂房之间的防火间距不应小于6.0m;丙、丁、戊类厂房之间的防火间距不应小于4.0m;5 变压器与建筑之间的防火间距应从距建筑最近的变压器外壁算起。
发电厂内的主变压器,其油量可按单台确定;6 耐火等级低于四级的原有厂房,其耐火等级应按四级确定。
3.4.2 甲类厂房与重要公共建筑之间的防火间距不应小于50.0m,与明火或散发火花地点之间的防火间距不应小于30.0m,与架空电力线的最小水平距离应符合本规范第11.2.1条的规定,与甲、乙、丙类液体储罐,可燃、助燃气体储罐,液化石油气储罐,可燃材料堆场的防火间距,应符合本规范第4章的有关规定。
3.4.3 散发可燃气体、可燃蒸气的甲类厂房与铁路、道路等的防火间距不应小于表3.4.3的规定,但甲类厂房所属厂内铁路装卸线当有安全措施时,其间距可不受表3.4.3规定的限制。
建筑防火间距规范
建筑防火间距是指建筑物与建筑物之间的最小安全距离,以防火安全为目标,保证建筑物之间的防火隔离。
建筑防火间距规范是由国家制定的建筑防火规范,对建筑物的防火间距进行了具体的要求和规定。
首先,建筑防火间距规范要求建筑物之间的防火间距必须满足建筑物高度的要求。
建筑物的高度越高,建筑的防火间距也要相应增加。
主要是考虑到高层建筑容易形成火场扩大的蔓延,为了防止火灾蔓延到相邻的建筑物,需要保持一定的安全距离。
其次,建筑防火间距规范对建筑物的建筑材料和结构也有要求。
规范中对于外墙的防火材料、外墙的防火构造、外墙防火设计等都有具体要求。
建筑物之间的防火间距也要保证达到一定的标准,以保证防火分隔的安全性。
再次,建筑防火间距规范还对建筑物的消防设施和消防通道也有要求。
消防设施是保障建筑物火灾安全的重要组成部分,规范中对于消防设施的设置和布局也有具体的要求。
消防通道的设置和保持畅通也是防止火灾扩大的重要因素,规范中对于消防通道的规定也有详细的规定。
最后,建筑防火间距规范还对于不同类型的建筑物也有具体的要求。
例如,对于住宅建筑物和公共建筑物的防火间距规定是不同的,对于工业建筑物和商业建筑物的要求也有所不同。
这是因为不同类型的建筑物在火灾条件下的燃烧性质和安全性要求也不一样,所以需要根据具体情况进行规定。
总结起来,建筑防火间距规范是保障建筑物防火安全的重要规定,它对建筑物之间的防火间距进行了具体的要求和规定,涵盖了建筑物的高度、建筑材料、消防设施和不同类型建筑的要求。
建筑防火间距规范的遵守和执行,是保障建筑物火灾安全的重要措施之一,对保护人们的生命财产安全具有重要的意义。
建筑防火间距防火间距是一座建筑物着火后,火灾不致蔓延到相邻建筑物的空间间隔,它是针对相邻建筑间设置的。
建筑物起火后,其内部的火势在热对流和热辐射作用下迅速扩大,在建筑物外部则因强烈的热辐射作用对周围建筑物构成威胁。
火场辐射热的强度取决于火灾规模的大小、持续时间的长短,与邻近建筑物的距离及风速、风向等因素。
通过对建筑物进行合理布局和设置防火间距,防止火灾在相邻的建筑物之间相互蔓延,合理利用和节约土地,并为人员疏散、消防人员的救援和灭火提供条件,减少失火建筑对相邻建筑及其使用者强烈的辐射和烟气的影响。
一、防火间距的确定原则影响防火间距的因素很多,火灾时建筑物可能产生的热辐射强度是确定防火间距应考虑的主要因素。
热辐射强度与消防扑救力量、火灾延续时间、可燃物的性质和数量、相对外墙开口面积的大小、建筑物的长度和高度以及气象条件等有关。
但实际工程中不可能都考虑。
防火间距主要是根据当前消防扑救力量,结合火灾实例和消防灭火的实际经验确定的。
(一)防止火灾蔓延根据火灾发生后产生的辐射热对相邻建筑的影响,一般不考虑飞火、风速等因素。
火灾实例表明,一、二级耐火等级的低层建筑,保持6m~10m的防火间距,在有消防队进行扑救的情况下,一般不会蔓延到相邻建筑物。
根据建筑的实际情形,将一、二级耐火等级多层建筑之间的防火间距定为6m。
其他三、四级耐火等级的民用建筑之间的防火间距,因耐火等级低,受热辐射作用易着火而致火势蔓延,所以防火间距在一、二级耐火等级建筑的要求基础上有所增加。
(二)保障灭火救援场地需要防火间距还应满足消防车的最大工作回转半径和扑救场地的需要。
建筑物高度不同,需使用的消防车不同,操作场地也就不同。
对低层建筑,普通消防车即可;而对高层建筑,则还要使用曲臂、云梯等登高消防车。
考虑到扑救高层建筑需要使用曲臂车、云梯登高消防车等车辆,为满足消防车辆通行、停靠、操作的需要,结合实践经验,规定一、二级耐火等级高层建筑之间的防火间距不应小于13m。
72有关规范要求的防火间距及各规范适用范围防火间距是建筑设计中一个非常重要的要素,它直接影响到建筑物的消防安全性。
防火间距指的是建筑物之间或建筑物内不同功能区域之间应保持的安全距离,以防止火灾蔓延。
防火间距的设定是基于消防规范的要求,根据建筑的用途、高度、建筑材料等因素来确定。
1.建筑物之间的防火间距:建筑物之间的防火间距主要是指在一个建筑群或建筑群与其他建筑之间,应保持一定的防火间距,以防止火灾蔓延到相邻建筑。
根据规范的要求,建筑物之间的防火间距一般应不小于建筑高度的1.5倍,同时还要考虑相邻建筑的用途、风向、消防道路等因素。
2.内部功能区域之间的防火间距:建筑内部的不同功能区域之间也需要保持一定的防火间距,以防火灾蔓延到其他区域。
根据规范的要求,不同功能区域之间的防火间距需要根据功能区域的火灾危险程度来确定,一般情况下,高危险区域和低危险区域之间的防火间距应不小于防火墙的要求。
3.建筑物内部设备与构件之间的防火间距:建筑物内部设备与构件之间也需要保持一定的防火间距,以防止设备或构件发生火灾时引发火灾蔓延。
规范一般规定了不同设备或构件之间的最小安全距离,同时还要考虑通风、防火墙等因素。
在实际的建筑设计和施工中,建筑师、设计师和施工单位都必须严格按照规范的要求来进行设计和施工,确保建筑物在设计阶段就考虑了防火间距的要求,并在施工过程中严格按照规范的要求来进行施工。
只有这样,才能保证建筑物在建成后能够达到规范的防火安全要求。
总的来说,防火间距是建筑设计中一个非常重要的要素,它直接关系到建筑物的消防安全性。
根据规范的要求,建筑师、设计师和施工单位必须严格按照规范的要求来进行设计和施工,以确保建筑物在发生火灾时能够及时有效地进行扑救,减少人员伤亡和财产损失。
只有这样,才能有效地保障建筑物的消防安全性。
厂房之间及其与乙、丙、丁、戊类仓库、民用建筑等之间的防火距离(m)(建筑设计防火规范)注:1 建筑之间的防火间距应按相邻建筑外墙的最近距离计算,如外墙有凸出的燃烧构件,应从其凸出部分外缘算起。
2 乙类厂房与重要公共建筑之间的防火间距不宜小于50m。
单层、多层戊类厂房之间及其与戊类仓库之间的防火间距,可按本表的规定减少2m。
为丙、丁、戊类厂房服务而单独设立的生活用房应按民用建筑确定,与所属厂房之间的防火间距不应小于60m。
必须相邻建造时,应符合本表注3、4的规定。
3 两座厂房相邻较高一面的外墙为防火墙时,其防火间距不限,但甲类厂房之间不应小于4m。
两座丙、丁、戊累厂房相邻两面的外墙均为不燃烧体当无外露的燃烧体屋檐,每面外墙上的门窗洞口面积之和各小于等于该外墙面积的5%,且门窗洞口不正对开设时,其防火间距可按本表的规定减少25%4 两座一、二级耐火等级的厂房,当相邻较低一面外墙为防火墙且较低一座厂房的屋顶耐火极限不低于 1.00h,或相邻较高一面外墙的门窗等开口部位设置甲级防火门窗或防火分隔水幕或按本规范第7.5.3条的规定设置防火卷帘时,甲、乙类厂房之间的防火间距不应小于 6.0m;丙、丁、戊类厂房之间的防火间距不应小于 4.0m。
5 变压器与建筑之间的防火间距应从距建筑最近的变压器外壁算起。
发电厂内的主变压器,其油量可按单台确定6 耐火等级低于四级的原有厂房,其耐火等级应按四级确定。
甲类厂房与重要公共建筑之间的防火间距不应小于50.0m,与明火或散发火花地点之间的防火间距不应小于30.0m厂区围墙与厂内建筑之间的间距不宜小于5m,且围墙两侧的建筑之间还应满足相应的防火间距要求。
甲类厂房与铁路、道路等的防火间距注:厂房与道路路边的防火间距按建筑距道路最近一侧路边的最小距离计算甲类仓库之间及其与其它建筑、明火或散发火花地点、铁路等的防火间距(m)注:甲类仓库之间的防火间距,当第3、4项物品储量小于等于2t,第1、2、5、6项物品储量小于等于5t时,不应小于12.0m,甲类仓库与高层仓库之间的防火间距不应小于13m乙、丙、丁、戊类仓库之间及其与民用建筑之间的防火间距(m)注:1 单层、多层戊类仓库之间的防火间距,可按本表减少2.0m;2 两座仓库相邻较高一面外墙为防火墙,且总占地面积小于等于本规范第3.3.2条一座仓库的最大允许占地面积规定时,其防火间距不限;3除乙类第6项物品外的乙类仓库,与民用建筑之间的防火间距不宜小于25.0m,与重要公共建筑之间的防火间距不宜小于30.0m,与铁路、道路等的防火间距不宜小于表 3.5.1中甲类仓库与铁路、道路等的防火间距。
厂房之间及其与乙、丙、丁、戊类仓库、民用建筑等之间的防火距离(m)(建筑设计防火规范)注:1 建筑之间的防火间距应按相邻建筑外墙的最近距离计算,如外墙有凸出的燃烧构件,应从其凸出部分外缘算起。
2 乙类厂房与重要公共建筑之间的防火间距不宜小于50m。
单层、多层戊类厂房之间及其与戊类仓库之间的防火间距,可按本表的规定减少2m。
为丙、丁、戊类厂房服务而单独设立的生活用房应按民用建筑确定,与所属厂房之间的防火间距不应小于60m。
必须相邻建造时,应符合本表注3、4的规定。
3 两座厂房相邻较高一面的外墙为防火墙时,其防火间距不限,但甲类厂房之间不应小于4m。
两座丙、丁、戊累厂房相邻两面的外墙均为不燃烧体当无外露的燃烧体屋檐,每面外墙上的门窗洞口面积之和各小于等于该外墙面积的5%,且门窗洞口不正对开设时,其防火间距可按本表的规定减少25%4 两座一、二级耐火等级的厂房,当相邻较低一面外墙为防火墙且较低一座厂房的屋顶耐火极限不低于 1.00h,或相邻较高一面外墙的门窗等开口部位设置甲级防火门窗或防火分隔水幕或按本规范第7.5.3条的规定设置防火卷帘时,甲、乙类厂房之间的防火间距不应小于 6.0m;丙、丁、戊类厂房之间的防火间距不应小于 4.0m。
5 变压器与建筑之间的防火间距应从距建筑最近的变压器外壁算起。
发电厂内的主变压器,其油量可按单台确定6 耐火等级低于四级的原有厂房,其耐火等级应按四级确定。
甲类厂房与重要公共建筑之间的防火间距不应小于50.0m,与明火或散发火花地点之间的防火间距不应小于30.0m厂区围墙与厂内建筑之间的间距不宜小于5m,且围墙两侧的建筑之间还应满足相应的防火间距要求。
甲类厂房与铁路、道路等的防火间距注:厂房与道路路边的防火间距按建筑距道路最近一侧路边的最小距离计算甲类仓库之间及其与其它建筑、明火或散发火花地点、铁路等的防火间距(m)注:甲类仓库之间的防火间距,当第3、4项物品储量小于等于2t,第1、2、5、6项物品储量小于等于5t时,不应小于12.0m,甲类仓库与高层仓库之间的防火间距不应小于13m乙、丙、丁、戊类仓库之间及其与民用建筑之间的防火间距(m)注:1 单层、多层戊类仓库之间的防火间距,可按本表减少2.0m;2 两座仓库相邻较高一面外墙为防火墙,且总占地面积小于等于本规范第3.3.2条一座仓库的最大允许占地面积规定时,其防火间距不限;3除乙类第6项物品外的乙类仓库,与民用建筑之间的防火间距不宜小于25.0m,与重要公共建筑之间的防火间距不宜小于30.0m,与铁路、道路等的防火间距不宜小于表 3.5.1中甲类仓库与铁路、道路等的防火间距。
建筑防火间距的一般规定
建筑防火间距的一般规定是怎样确定的?防火间距的设置要求是怎样的?下面是下面带来的关于建筑防火间距的一般规定的内容介绍以供参考。
1、将一、二级耐火等级多层建筑之间的防火间距定为6m。
2、规定一、二级耐火等级高层建筑之间的防火间距不应小于13m。
3、两座厂房相邻较高一面外墙为防火墙时,其防火间距不限,但甲类厂房之间不应小于4m。
4、甲、乙类厂房与重要公共建筑的防火间距不应小于50m,与明火或散发火花地点的防火间距不应小于30m。
5、厂区围墙与厂区内建筑的间距不宜小于5m,围墙两侧建筑的
间距应满足相应建筑的防火间距的要求。
6、除乙类第6项物品外的乙类仓库,与民用建筑之间的防火间距不宜小于25m,与重要公共建筑的防火间距不应小于50m,与高层民用建筑的防火间距不应小于50m。
7、民用建筑,两座建筑相邻较高一面外墙为防火墙,或高出相邻较低一座一、二级耐火等级建筑的屋面15m及以下范围内的外墙为防火墙时,其防火间距可不限。
8、民用建筑,相邻两座高度相同的一、二级耐火等级建筑中相邻任一侧外墙为防火墙时,其防火间距可不限。
9、甲类物品库房与重要的公共建筑、高层民用建筑之间的防火间距不应小于50m。
10、甲、乙类厂房与普通的单、多层民用建筑之间的防火间距不
应小于25m,与高层民用建筑之间的防火间距不应小于50m。
11、甲类物品库房之间的防火间距不应小于20m。
12、甲类仓库与高层仓库的防火间距不应小于13m。
厂房之间及其与乙、丙、丁、戊类仓库、民用建筑等之间的防火距离(m)(建筑设计防火规范)注:1 建筑之间的防火间距应按相邻建筑外墙的最近距离计算,如外墙有凸出的燃烧构件,应从其凸出部分外缘算起。
2 乙类厂房与重要公共建筑之间的防火间距不宜小于50m。
单层、多层戊类厂房之间及其与戊类仓库之间的防火间距,可按本表的规定减少2m。
为丙、丁、戊类厂房服务而单独设立的生活用房应按民用建筑确定,与所属厂房之间的防火间距不应小于60m。
必须相邻建造时,应符合本表注3、4的规定。
3 两座厂房相邻较高一面的外墙为防火墙时,其防火间距不限,但甲类厂房之间不应小于4m。
两座丙、丁、戊累厂房相邻两面的外墙均为不燃烧体当无外露的燃烧体屋檐,每面外墙上的门窗洞口面积之和各小于等于该外墙面积的 5%,且门窗洞口不正对开设时,其防火间距可按本表的规定减少 25%4 两座一、二级耐火等级的厂房,当相邻较低一面外墙为防火墙且较低一座厂房的屋顶耐火极限不低于,或相邻较高一面外墙的门窗等开口部位设置甲级防火门窗或防火分隔水幕或按本规范第条的规定设置防火卷帘时,甲、乙类厂房之间的防火间距不应小于;丙、丁、戊类厂房之间的防火间距不应小于。
5 变压器与建筑之间的防火间距应从距建筑最近的变压器外壁算起。
发电厂内的主变压器,其油量可按单台确定6 耐火等级低于四级的原有厂房,其耐火等级应按四级确定。
甲类厂房与重要公共建筑之间的防火间距不应小于,与明火或散发火花地点之间的防火间距不应小于厂区围墙与厂内建筑之间的间距不宜小于5m,且围墙两侧的建筑之间还应满足相应的防火间距要求。
甲类厂房与铁路、道路等的防火间距注:厂房与道路路边的防火间距按建筑距道路最近一侧路边的最小距离计算甲类仓库之间及其与其它建筑、明火或散发火花地点、铁路等的防火间距(m)注:甲类仓库之间的防火间距,当第3、4项物品储量小于等于2t,第 1、2、5、6项物品储量小于等于5t时,不应小于,甲类仓库与高层仓库之间的防火间距不应小于13m乙、丙、丁、戊类仓库之间及其与民用建筑之间的防火间距(m)注:1 单层、多层戊类仓库之间的防火间距,可按本表减少;2 两座仓库相邻较高一面外墙为防火墙,且总占地面积小于等于本规范第条一座仓库的最大允许占地面积规定时,其防火间距不限;3除乙类第 6项物品外的乙类仓库,与民用建筑之间的防火间距不宜小于,与重要公共建筑之间的防火间距不宜小于,与铁路、道路等的防火间距不宜小于表中甲类仓库与铁路、道路等的防火间距。
厂房之间及其与乙、丙、丁、戊类仓库、民用建筑等之间的防火距离(m)(建筑设计防火规范)注:1 建筑之间的防火间距应按相邻建筑外墙的最近距离计算,如外墙有凸出的燃烧构件,应从其凸出部分外缘算起。
2 乙类厂房与重要公共建筑之间的防火间距不宜小于50m。
单层、多层戊类厂房之间及其与戊类仓库之间的防火间距,可按本表的规定减少2m。
为丙、丁、戊类厂房服务而单独设立的生活用房应按民用建筑确定,与所属厂房之间的防火间距不应小于60m。
必须相邻建造时,应符合本表注3、4的规定。
3 两座厂房相邻较高一面的外墙为防火墙时,其防火间距不限,但甲类厂房之间不应小于4m。
两座丙、丁、戊累厂房相邻两面的外墙均为不燃烧体当无外露的燃烧体屋檐,每面外墙上的门窗洞口面积之和各小于等于该外墙面积的5%,且门窗洞口不正对开设时,其防火间距可按本表的规定减少25%4 两座一、二级耐火等级的厂房,当相邻较低一面外墙为防火墙且较低一座厂房的屋顶耐火极限不低于 1.00h,或相邻较高一面外墙的门窗等开口部位设置甲级防火门窗或防火分隔水幕或按本规范第7.5.3条的规定设置防火卷帘时,甲、乙类厂房之间的防火间距不应小于 6.0m;丙、丁、戊类厂房之间的防火间距不应小于 4.0m。
5 变压器与建筑之间的防火间距应从距建筑最近的变压器外壁算起。
发电厂内的主变压器,其油量可按单台确定6 耐火等级低于四级的原有厂房,其耐火等级应按四级确定。
甲类厂房与重要公共建筑之间的防火间距不应小于50.0m,与明火或散发火花地点之间的防火间距不应小于30.0m厂区围墙与厂内建筑之间的间距不宜小于5m,且围墙两侧的建筑之间还应满足相应的防火间距要求。
甲类厂房与铁路、道路等的防火间距注:厂房与道路路边的防火间距按建筑距道路最近一侧路边的最小距离计算甲类仓库之间及其与其它建筑、明火或散发火花地点、铁路等的防火间距(m)注:甲类仓库之间的防火间距,当第3、4项物品储量小于等于2t,第1、2、5、6项物品储量小于等于5t时,不应小于12.0m,甲类仓库与高层仓库之间的防火间距不应小于13m乙、丙、丁、戊类仓库之间及其与民用建筑之间的防火间距(m)注:1 单层、多层戊类仓库之间的防火间距,可按本表减少2.0m;2 两座仓库相邻较高一面外墙为防火墙,且总占地面积小于等于本规范第3.3.2条一座仓库的最大允许占地面积规定时,其防火间距不限;3除乙类第6项物品外的乙类仓库,与民用建筑之间的防火间距不宜小于25.0m,与重要公共建筑之间的防火间距不宜小于30.0m,与铁路、道路等的防火间距不宜小于表 3.5.1中甲类仓库与铁路、道路等的防火间距。
建筑防火距离规范标准最新建筑防火距离规范是确保建筑物在设计和建设过程中满足消防安全要求的重要标准。
随着技术的发展和火灾案例的累积,这些规范会不断更新以适应新的安全需求。
以下是最新建筑防火距离规范标准的概述:# 建筑防火距离规范标准最新概述1. 总则- 建筑防火距离规范旨在减少火灾发生时的损害,保护人员安全和财产安全。
- 规范适用于新建、改建和扩建的各类民用和工业建筑。
2. 建筑分类- 根据建筑物的使用性质、高度和面积,将建筑分为不同的防火类别。
3. 防火间距- 防火间距是指建筑物之间、建筑物与围墙、建筑物与道路等之间的最小安全距离。
- 防火间距的确定应考虑建筑物的用途、高度、结构材料等因素。
4. 防火分区- 防火分区是将建筑物内部划分为若干个独立的防火单元,以控制火灾的蔓延。
- 每个防火分区应有独立的疏散通道和安全出口。
5. 疏散通道和安全出口- 疏散通道应保持畅通无阻,不得堆放杂物。
- 安全出口的数量和宽度应满足规范要求,确保紧急情况下人员能够迅速疏散。
6. 消防设施- 建筑物应根据其规模和用途配备相应的消防设施,如消火栓、灭火器、烟雾探测器等。
- 消防设施应定期检查和维护,确保其正常工作。
7. 建筑材料和构件- 建筑材料和构件应满足防火性能要求,减少火灾发生时的燃烧速度和烟雾产生。
- 外墙保温材料应使用难燃或不燃材料。
8. 电气安全- 电气线路和设备的安装应符合防火安全要求,避免因电气故障引发火灾。
- 应定期对电气系统进行检查和维护。
9. 特殊场所防火要求- 对于特殊场所,如医院、学校、剧院等人员密集场所,应有更为严格的防火距离和疏散要求。
10. 监督检查- 建筑管理部门应定期对建筑物的防火措施进行检查,确保规范得到有效执行。
# 结语建筑防火距离规范标准的更新是为了更好地适应社会发展和科技进步的需要,保障人民生命财产安全。
建筑设计、施工和使用过程中应严格遵守这些规范,以预防火灾事故的发生。
防火间距规范要求
1 防火间距
防火间距是一种按照一定规范要求,在建筑中施工时应当注意到的重要距离。
它是指在建筑物的结构平面布置中,防火部件应当保持的最小距离,即房间墙、天花板、楼板与火源之间的距离。
这种距离既确保了安全生产,也减少了火源的蔓延。
2 防火间距的规范
具体来说,防火间距的规范主要是:一般楼体墙至火源的最小距离不得小于2米;混凝土楼板至火源的最小距离不得小于1米;采用阻燃绝缘材料构成的楼板至火源的最小距离不得小于2米;采用隔热保温材料构成的楼板至火源的最小距离为0.5米。
3 防火间距的目的
防火间距有很多重要的作用,包括确保安全、减少火灾、预防火灾以及减小火源蔓延的可能性。
它的出现不仅使建筑的设计及施工更安全、更符合规范,也减少了建筑结构之间的火源蔓延的危险。
另外,在一些特殊的情况下,满足防火间距的要求的同时,也能够帮助建筑师在施工中节约一定的建筑材料,只要事先在计划中综合考虑好建筑施工所需要的材料及成本。
4 结论
防火间距是一个重要的安全措施,它不仅能够防止安全事故,还
可以减少施工火灾危害,杜绝火源的蔓延。
在建筑施工中,因此要求
施工人员必须严格遵循防火间距的规范,保证安全,达到合格的要求。
厂房的防火间距3.4.1 除本规范另有规定者外,厂房之间及其与乙、丙、丁、戊类仓库、民用建筑等之间的防火间距不应小于表的规定。
表3.4.1 厂房之间及其与乙、丙、丁、戊类仓库、民用建筑等之间的防火出的燃烧构件,应从其凸出部分外缘算起;2 乙类厂房与重要公共建筑之间的防火间距不宜小于50.0m。
单层、多层戊类厂房之间及其与戊类仓库之间的防火间距,可按本表的规定减少2.0m。
为丙、丁、戊类厂房服务而单独设立的生活用房应按民用建筑确定,与所属厂房之间的防火间距不应小于6.0m。
必须相邻建造时,应符合本表注3、4的规定;3 两座厂房相邻较高一面的外墙为防火墙时,其防火间距不限,但甲类厂房之间不应小于4.0m。
两座丙、丁、戊类厂房相邻两面的外墙均为不燃烧体,当无外露的燃烧体屋檐,每面外墙上的门窗洞口面积之和各小于等于该外墙面积的5%,且门窗洞口不正对开设时,其防火间距可按本表的规定减少25%;4 两座一、二级耐火等级的厂房,当相邻较低一面外墙为防火墙且较低一座厂房的屋顶耐火极限不低于,或相邻较高一面外墙的门窗等开口部位设置甲级防火门窗或防火分隔水幕或按本规范第7.5.3条的规定设置防火卷帘时,甲、乙类厂房之间的防火间距不应小于6.0m;丙、丁、戊类厂房之间的防火间距不应小于4.0m;5 变压器与建筑之间的防火间距应从距建筑最近的变压器外壁算起。
发电厂内的主变压器,其油量可按单台确定;6 耐火等级低于四级的原有厂房,其耐火等级应按四级确定。
3.4.2 甲类厂房与重要公共建筑之间的防火间距不应小于50.0m,与明火或散发火花地点之间的防火间距不应小于30.0m,与架空电力线的最小水平距离应符合本规范第条的规定,与甲、乙、丙类液体储罐,可燃、助燃气体储罐,液化石油气储罐,可燃材料堆场的防火间距,应符合本规范第4章的有关规定。
3.4.3 散发可燃气体、可燃蒸气的甲类厂房与铁路、道路等的防火间距不应小于表的规定,但甲类厂房所属厂内铁路装卸线当有安全措施时,其间距可不受表规定的限制。
建筑防火间距规范建筑防火间距是指建筑物之间的最小距离,目的是为了降低建筑火灾发生时火势蔓延的速度,保护人员的生命安全,减少财产损失。
下面是关于建筑防火间距规范的内容:一、建筑防火间距的定义建筑防火间距是指相邻两个建筑物之间的最小距离,其主要包括垂直间距和水平间距两个方面。
垂直间距是指相邻建筑物之间的地面高度差,水平间距是指相邻建筑物之间的水平距离。
二、建筑防火间距的分类根据建筑物的性质和高度不同,建筑防火间距可以分为以下几类:1. 低层建筑:低层建筑一般不超过18米,防火间距一般为6米。
2. 中层建筑:中层建筑一般为18-50米,防火间距一般为9米。
3. 高层建筑:高层建筑一般超过50米,防火间距一般为18米或以上。
三、建筑防火间距的计算方法建筑防火间距的计算主要包括:1. 根据建筑物的高度和性质确定相应的防火间距。
2. 根据建筑物的立面形式和结构特点确定水平防火间距。
3. 针对特定情况,可以通过设置消防设备、采取防火墙等方式来满足防火间距要求。
四、建筑防火间距规范的应用建筑防火间距规范主要适用于以下情况:1. 建筑物之间的防火间距。
2. 建筑物与道路、植被等公共空间的防火间距。
3. 建筑物与边界线、其他建筑设施等的防火间距。
五、建筑防火间距规范的意义建筑防火间距规范的实施有以下几个方面的意义:1. 提高建筑物的火灾防范能力,减少火灾的发生。
2. 降低火势蔓延的速度,保护人员的生命安全。
3. 减少火灾对周围建筑物和环境的影响,减少财产损失。
4. 为消防队提供灭火和救援的条件。
六、建筑防火间距规范的执行建筑防火间距规范的执行主要包括以下几个方面:1. 在建筑设计阶段,要按照规范对防火间距进行合理设置。
2. 在建筑施工过程中,要确保防火间距的符合规范要求。
3. 在建筑使用和维护阶段,要定期检查和维护建筑防火间距。
总结起来,建筑防火间距规范对于保护人员生命安全和减少火灾损失具有非常重要的意义。
相关部门和建筑设计建设单位应该严格遵守和执行建筑防火间距规范,在建筑物的设计、施工和使用过程中,不仅要关注建筑的美观和实用性,更要注重建筑的防火安全性。
建筑防火间距防火间距是一座建筑物着火后,火灾不致蔓延到相邻建筑物的空间间隔,它是针对相邻建筑间设置的。
建筑物起火后,其内部的火势在热对流和热辐射作用下迅速扩大,在建筑物外部则因强烈的热辐射作用对周围建筑物构成威胁。
火场辐射热的强度取决于火灾规模的大小、持续时间的长短,与邻近建筑物的距离及风速、风向等因素。
通过对建筑物进行合理布局和设置防火间距,防止火灾在相邻的建筑物之间相互蔓延,合理利用和节约土地,并为人员疏散、消防人员的救援和灭火提供条件,减少失火建筑对相邻建筑及其使用者强烈的辐射和烟气的影响。
一、防火间距的确定原则影响防火间距的因素很多,火灾时建筑物可能产生的热辐射强度是确定防火间距应考虑的主要因素。
热辐射强度与消防扑救力量、火灾延续时间、可燃物的性质和数量、相对外墙开口面积的大小、建筑物的长度和高度以及气象条件等有关。
但实际工程中不可能都考虑。
防火间距主要是根据当前消防扑救力量,结合火灾实例和消防灭火的实际经验确定的。
(一)防止火灾蔓延根据火灾发生后产生的辐射热对相邻建筑的影响,一般不考虑飞火、风速等因素。
火灾实例表明,一、二级耐火等级的低层建筑,保持6m~10m的防火间距,在有消防队进行扑救的情况下,一般不会蔓延到相邻建筑物。
根据建筑的实际情形,将一、二级耐火等级多层建筑之间的防火间距定为6m。
其他三、四级耐火等级的民用建筑之间的防火间距,因耐火等级低,受热辐射作用易着火而致火势蔓延,所以防火间距在一、二级耐火等级建筑的要求基础上有所增加。
(二)保障灭火救援场地需要防火间距还应满足消防车的最大工作回转半径和扑救场地的需要。
建筑物高度不同,需使用的消防车不同,操作场地也就不同。
对低层建筑,普通消防车即可;而对高层建筑,则还要使用曲臂、云梯等登高消防车。
考虑到扑救高层建筑需要使用曲臂车、云梯登高消防车等车辆,为满足消防车辆通行、停靠、操作的需要,结合实践经验,规定一、二级耐火等级高层建筑之间的防火间距不应小于13m。
厂房之间及其与乙、丙、丁、戊类仓库、民用建筑等之间的防火距离(m)(建筑设计防火规范)注:1 建筑之间的防火间距应按相邻建筑外墙的最近距离计算,如外墙有凸出的燃烧构件,应从其凸出部分外缘算起。
2 乙类厂房与重要公共建筑之间的防火间距不宜小于50m。
单层、多层戊类厂房之间及其与戊类仓库之间的防火间距,可按本表的规定减少2m。
为丙、丁、戊类厂房服务而单独设立的生活用房应按民用建筑确定,与所属厂房之间的防火间距不应小于60m。
必须相邻建造时,应符合本表注3、4的规定。
3 两座厂房相邻较高一面的外墙为防火墙时,其防火间距不限,但甲类厂房之间不应小于4m。
两座丙、丁、戊累厂房相邻两面的外墙均为不燃烧体当无外露的燃烧体屋檐,每面外墙上的门窗洞口面积之和各小于等于该外墙面积的5%,且门窗洞口不正对开设时,其防火间距可按本表的规定减少25%4 两座一、二级耐火等级的厂房,当相邻较低一面外墙为防火墙且较低一座厂房的屋顶耐火极限不低于 1.00h,或相邻较高一面外墙的门窗等开口部位设置甲级防火门窗或防火分隔水幕或按本规范第7.5.3条的规定设置防火卷帘时,甲、乙类厂房之间的防火间距不应小于 6.0m;丙、丁、戊类厂房之间的防火间距不应小于 4.0m。
5 变压器与建筑之间的防火间距应从距建筑最近的变压器外壁算起。
发电厂内的主变压器,其油量可按单台确定6 耐火等级低于四级的原有厂房,其耐火等级应按四级确定。
甲类厂房与重要公共建筑之间的防火间距不应小于50.0m,与明火或散发火花地点之间的防火间距不应小于30.0m厂区围墙与厂内建筑之间的间距不宜小于5m,且围墙两侧的建筑之间还应满足相应的防火间距要求。
甲类厂房与铁路、道路等的防火间距注:厂房与道路路边的防火间距按建筑距道路最近一侧路边的最小距离计算甲类仓库之间及其与其它建筑、明火或散发火花地点、铁路等的防火间距(m)注:甲类仓库之间的防火间距,当第3、4项物品储量小于等于2t,第1、2、5、6项物品储量小于等于5t时,不应小于12.0m,甲类仓库与高层仓库之间的防火间距不应小于13m乙、丙、丁、戊类仓库之间及其与民用建筑之间的防火间距(m)注:1 单层、多层戊类仓库之间的防火间距,可按本表减少2.0m;2 两座仓库相邻较高一面外墙为防火墙,且总占地面积小于等于本规范第3.3.2条一座仓库的最大允许占地面积规定时,其防火间距不限;3除乙类第6项物品外的乙类仓库,与民用建筑之间的防火间距不宜小于25.0m,与重要公共建筑之间的防火间距不宜小于30.0m,与铁路、道路等的防火间距不宜小于表 3.5.1中甲类仓库与铁路、道路等的防火间距。
厂房之间及其与乙、丙、丁、戊类仓库、民用建筑等之间得防火距离(m)(建筑设计防火规范)注:1 建筑之间得防火间距应按相邻建筑外墙得最近距离计算,如外墙有凸出得燃烧构件,应从其凸出部分外缘算起。
2 乙类厂房与重要公共建筑之间得防火间距不宜小于50m。
单层、多层戊类厂房之间及其与戊类仓库之间得防火间距,可按本表得规定减少2m。
为丙、丁、戊类厂房服务而单独设立得生活用房应按民用建筑确定,与所属厂房之间得防火间距不应小于60m。
必须相邻建造时,应符合本表注3、4 得规定。
3 两座厂房相邻较高一面得外墙为防火墙时,其防火间距不限,但甲类厂房之间不应小于4m。
两座丙、丁、戊累厂房相邻两面得外墙均为不燃烧体当无外露得燃烧体屋檐,每面外墙上得门窗洞口面积之与各小于等于该外墙面积得5%,且门窗洞口不正对开设时,其防火间距可按本表得规定减少25%4 两座一、二级耐火等级得厂房,当相邻较低一面外墙为防火墙且较低一座厂房得屋顶耐火极限不低于1、00h,或相邻较高一面外墙得门窗等开口部位设置甲级防火门窗或防火分隔水幕或按本规范第7、5、3 条得规定设置防火卷帘时,甲、乙类厂房之间得防火间距不应小于6、0m;丙、丁、戊类厂房之间得防火间距不应小于4、0m。
5 变压器与建筑之间得防火间距应从距建筑最近得变压器外壁算起。
发电厂内得主变压器,其油量可按单台确定6 耐火等级低于四级得原有厂房,其耐火等级应按四级确定。
甲类厂房与重要公共建筑之间得防火间距不应小于50、0m,与明火或散发火花地点之间得防火间距不应小于30、0m厂区围墙与厂内建筑之间得间距不宜小于5m,且围墙两侧得建筑之间还应满足相应得防火间距要求。
甲类厂房与铁路、道路等得防火间距注:厂房与道路路边得防火间距按建筑距道路最近一侧路边得最小距离计算甲类仓库之间及其与其它建筑、明火或散发火花地点、铁路等得防火间距(m)注:甲类仓库之间得防火间距,当第3、4 项物品储量小于等于2t,第1、2、5、6 项物品储量小于等于5t 时,不应小于12、0m,甲类仓库与高层仓库之间得防火间距不应小于13m乙、丙、丁、戊类仓库之间及其与民用建筑之间得防火间距(m)注:1 单层、多层戊类仓库之间得防火间距,可按本表减少2、0m;2 两座仓库相邻较高一面外墙为防火墙,且总占地面积小于等于本规范第3、3、2 条一座仓库得最大允许占地面积规定时,其防火间距不限;3 除乙类第6 项物品外得乙类仓库,与民用建筑之间得防火间距不宜小于25、0m,与重要公共建筑之间得防火间距不宜小于30、0m,与铁路、道路等得防火间距不宜小于表3、5、1 中甲类仓库与铁路、道路等得防火间距。
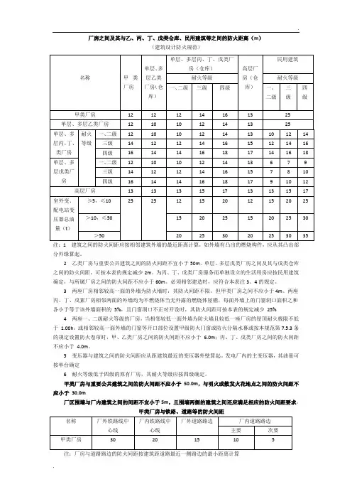
3.4 厂房的防火间距3.4.1 除本规范另有规定者外,厂房之间及其与乙、丙、丁、戊类仓库、民用建筑等之间的防火间距不应小于表3.4.1的规定。
名称甲类厂房单层、多层乙类厂房(仓库)单层、多层丙、丁、戊类厂房(仓库)高层厂房(仓库)民用建筑耐火等级耐火等级一、二级三级四级一、二级三级四级甲类厂房12.0 12.0 12.0 14.0 16.0 13.0 25.0 单层、多层乙类厂房12.0 10.0 10.0 12.0 14.0 13.0 25.0 单层、多层丙、丁类厂房耐火等级一、二级12.0 10.0 10.0 12.0 14.0 13.0 10.0 12.0 14.0三级14.0 12.0 12.0 14.0 16.0 15.0 12.0 14.0 16.0 四级16.0 14.0 14.0 16.0 18.0 17.0 14.0 16.0 18.0单层、多层戊类厂房一、二级12.0 10.0 10.0 12.0 14.013.06.07.0 9.0 三级14.0 12.0 12.0 14.0 16.0 15.0 7.08.0 10.0 四级16.0 14.0 14.0 16.0 18.0 17.09.0 10.0 12.0高层厂房13.0 13.0 13.0 15.0 17.0 13.0 13.0 15.0 17.0室外变、配电站变压器总油量(t)≥5,≤1025.0 25.012.0 15.0 20.0 12.0 15.0 20.0 25.0 >10,≤50 15.0 20.0 25.0 15.0 20.0 25.0 30.0 >50 20.0 25.0 30.0 20.0 25.0 30.0 35.0缘算起;2 乙类厂房与重要公共建筑之间的防火间距不宜小于50.0m。
单层、多层戊类厂房之间及其与戊类仓库之间的防火间距,可按本表的规定减少2.0m。
为丙、丁、戊类厂房服务而单独设立的生活用房应按民用建筑确定,与所属厂房之间的防火间距不应小于6.0m。
必须相邻建造时,应符合本表注3、4的规定;3 两座厂房相邻较高一面的外墙为防火墙时,其防火间距不限,但甲类厂房之间不应小于4.0m。
两座丙、丁、戊类厂房相邻两面的外墙均为不燃烧体,当无外露的燃烧体屋檐,每面外墙上的门窗洞口面积之和各小于等于该外墙面积的5%,且门窗洞口不正对开设时,其防火间距可按本表的规定减少25%;4 两座一、二级耐火等级的厂房,当相邻较低一面外墙为防火墙且较低一座厂房的屋顶耐火极限不低于1.00h,或相邻较高一面外墙的门窗等开口部位设置甲级防火门窗或防火分隔水幕或按本规范第7.5.3条的规定设置防火卷帘时,甲、乙类厂房之间的防火间距不应小于6.0m;丙、丁、戊类厂房之间的防火间距不应小于4.0m;5 变压器与建筑之间的防火间距应从距建筑最近的变压器外壁算起。
发电厂内的主变压器,其油量可按单台确定;6 耐火等级低于四级的原有厂房,其耐火等级应按四级确定。
3.4.2 甲类厂房与重要公共建筑之间的防火间距不应小于50.0m,与明火或散发火花地点之间的防火间距不应小于30.0m,与架空电力线的最小水平距离应符合本规范第11.2.1条的规定,与甲、乙、丙类液体储罐,可燃、助燃气体储罐,液化石油气储罐,可燃材料堆场的防火间距,应符合本规范第4章的有关规定。
3.4.3 散发可燃气体、可燃蒸气的甲类厂房与铁路、道路等的防火间距不应小于表3.4.3的规定,但甲类厂房所属厂内铁路装卸线当有安全措施时,其间距可不受表3.4.3规定的限制。
表3.4.3 甲类厂房与铁路、道路等的防火间距(m)名称厂外铁路线中心线厂内铁路线中心线厂外道路路边厂内道路路边主要次要甲类厂房30.0 20.0 15.0 10.0 5.03.4.4 高层厂房与甲、乙、丙类液体储罐,可燃、助燃气体储罐,液化石油气储罐,可燃材料堆场(煤和焦炭场除外)的防火间距,应符合本规范第4章的有关规定,且不应小于13.0m。
3.4.5 当丙、丁、戊类厂房与公共建筑的耐火等级均为一、二级时,其防火间距可按下列规定执行:1 当较高一面外墙为不开设门窗洞口的防火墙,或比相邻较低一座建筑屋面高15.0m及以下范围内的外墙为不开设门窗洞口的防火墙时,其防火间距可不限;2 相邻较低一面外墙为防火墙,且屋顶不设天窗、屋顶耐火极限不低于1.00h,或相邻较高一面外墙为防火墙,且墙上开口部位采取了防火保护措施,其防火间距可适当减小,但不应小于4.0m。
3.4.6 厂房外附设有化学易燃物品的设备时,其室外设备外壁与相邻厂房室外附设设备外壁或相邻厂房外墙之间的距离,不应小于本规范第3.4.1条的规定。
用不燃烧材料制作的室外设备,可按一、二级耐火等级建筑确定。
总储量小于等于15m3的丙类液体储罐,当直埋于厂房外墙外,且面向储罐一面4.0m范围内的外墙为防火墙时,其防火间距可不限。
3.4.7 同一座U形或山形厂房中相邻两翼之间的防火间距,不宜小于本规范第3.4.1条的规定,但当该厂房的占地面积小于本规范第3.3.1条规定的每个防火分区的最大允许建筑面积时,其防火间距可为6.0m。
3.4.8 除高层厂房和甲类厂房外,其它类别的数座厂房占地面积之和小于本规范第3.3.1条规定的防火分区最大允许建筑面积(按其中较小者确定,但防火分区的最大允许建筑面积不限者,不应超过10000 m2)时,可成组布置。
当厂房建筑高度小于等于7.0m时,组内厂房之间的防火间距不应小于4.0m;当厂房建筑高度大于7.0m 时,组内厂房之间的防火间距不应小于6.0m。
组与组或组与相邻建筑之间的防火间距,应根据相邻两座耐火等级较低的建筑,按本规范第3.4.1条的规定确定。
3.4.9 一级汽车加油站、一级汽车液化石油气加气站和一级汽车加油加气合建站不应建在城市建成区内。
3.4.10 汽车加油、加气站和加油加气合建站的分级,汽车加油、加气站和加油加气合建站及其加油(气)机、储油(气)罐等与站外明火或散发火花地点、建筑、铁路、道路之间的防火间距,以及站内各建筑或设施之间的防火间距,应符合现行国家标准《汽车加油加气站设计与施工规范》GB50156的有关规定。
3.4.11 电力系统电压为35~500kV且每台变压器容量在10MVA以上的室外变、配电站以及工业企业的变压器总油量大于5t的室外降压变电站,与建筑之间的防火间距不应小于本规范第3.4.1条和第3.5.1条的规定。
3.4.12 厂区围墙与厂内建筑之间的间距不宜小于5.0m,且围墙两侧的建筑之间还应满足相应的防火间距要求。
3.5 仓库的防火间距3.5.1 甲类仓库之间及其与其它建筑、明火或散发火花地点、铁路、道路等的防火间距不应小于表3.5.1的规定,与架空电力线的最小水平距离应符合本规范第11.2.1条的规定。
厂内铁路装卸线与设置装卸站台的甲类仓库的防火间距,可不受表3.5.1规定的限制。
表3.5.1 甲类仓库之间及其与其它建筑、明火或散发火花地点、铁路等的防火间距(m)名称甲类仓库及其储量(t)甲类储存物品第3、4项甲类储存物品第1、2、5、6项≤5 >5 ≤10 >10重要公共建筑50.0甲类仓库20.0民用建筑、明火或散发火花地点30.0 40.0 25.0 30.0其它建筑一、二级耐火等级15.0 20.0 12.0 15.0 三级耐火等级20.0 25.0 15.0 20.0 四级耐火等级25.0 30.0 20.0 25.0电力系统电压为35~500kV且每台变压器容量在10MVA以上的室外变、配电站工业企业的变压器总油量大于5t的室外降压变电站30.0 40.0 25.0 30.0厂外铁路线中心线40.0厂内铁路线中心线30.0厂外道路路边20.0厂内道路路边主要10.0次要 5.0注:甲类仓库之间的防火间距,当第3、4项物品储量小于等于2t,第1、2、5、6项物品储量小于等于5t 时,不应小于12.0m,甲类仓库与高层仓库之间的防火间距不应小于13m。
3.5.2 除本规范另有规定者外,乙、丙、丁、戊类仓库之间及其与民用建筑之间的防火间距,不应小于表3.5.2的规定。
表3.5.2 乙、丙、丁、戊类仓库之间及其与民用建筑之间的防火间距(m)建筑类型单层、多层乙、丙、丁、戊类仓库高层仓库甲类厂房单层、多层乙、丙、丁类仓库单层、多层戊类仓库单层、多层乙、丙、丁、戊类仓库耐火等级一、二级三级四级一、二级三级四级一、二级一、二级一、二级10.012.14.10.012.14.13.0 12.0 三级12.014.16.12.014.16.15.0 14.0 四级14.016.18.14.016.18.17.0 16.0高层仓库一、二级13.0 15.17.13.015.17.13.0 13.0民用建筑一、二级10.012.14.6.07.0 9.0 13.025.0 三级12.014.16.7.0 8.010.15.0四级14.016.18.9.010.12.17.01 单层、多层戊类仓库之间的防火间距,可按本表减少2.0m;2 两座仓库相邻较高一面外墙为防火墙,且总占地面积小于等于本规范第3.3.2条一座仓库的最大允许占地面积规定时,其防火间距不限;3 除乙类第6项物品外的乙类仓库,与民用建筑之间的防火间距不宜小于25.0m,与重要公共建筑之间的防火间距不宜小于30.0m,与铁路、道路等的防火间距不宜小于表3.5.1中甲类仓库与铁路、道路等的防火间距。
3.5.3 当丁、戊类仓库与公共建筑的耐火等级均为一、二级时,其防火间距可按下列规定执行:1 当较高一面外墙为不开设门窗洞口的防火墙,或比相邻较低一座建筑屋面高15.0m及以下范围内的外墙为不开设门窗洞口的防火墙时,其防火间距可不限;2 相邻较低一面外墙为防火墙,且屋顶不设天窗、屋顶耐火极限不低于1.00h,或相邻较高一面外墙为防火墙,且墙上开口部位采取了防火保护措施,其防火间距可适当减小,但不应小于4.0m。