能源因素识别(承钢用)资料
- 格式:ppt
- 大小:2.47 MB
- 文档页数:61
能源管理体系,能源因素风险识别,评价及应对措施制造企业模板能源风险因素的识别评级及应对措施序号工序/设备/产品名称备注风险因素频率风险级别应对措施1 锯类低风险提高切削率按工艺规程合理控制切削量2 有效严格工艺操作规程2 钻类低风险提高切削率按工艺规程合理控制切削量 2 有效严格工艺操作规程3 加工一般风险工件切屑不合理造成机床能源浪费 3 有效低风险用机开机4 加工一般风险空转时间长,待加工时空转费电 3 有效合理排产5 加工一般风险压缩空气使用不当没有合理安放工件 3 有效低风险合理安放工件6 封边类低风险工作间歇不关闭电源辅助电机还处于工作状态耗电 2 有效用机开机7 立铣类低风险地辊线空转耗能 2 有效定期燃烧及保养提高热效率8 喷涂低风险包装机空转或待机耗能 2 有效加强司炉工培训力度,开展岗位练兵提高操作技能,重视节能意识,开展节能合理化建议9 包装一般风险无效段落删除10 锅炉运行过程一般风险锅炉燃烧用自来水存在浪费现象 3 有效操作规程及管理制度11 变配电系统一般风险电力电缆设备老化,使用年限较久损耗大,浪费电能 2 有效安装计量水表控制用水12 变配电系统一般风险部分变压器效率低 2 有效运行马达确保功率因素13 变配电系统一般风险变压器发热损耗 2 有效定期对电机保养注:删除了第9行的无效段落,对其他段落进行了小幅度的改写。
一般风险更换电力电缆,确保线损降至标准。
低风险加强通风,保持环境整洁。
选用高效率节能型变压器,力求三项负载平衡,降低功率因素损耗。
配电系统的线损耗要控制在合理范围内。
设备不完好会影响供能,需要定期检查和维护。
母线清洁不易于散热,需要定期清洁。
设备空转会浪费电能,需要合理操作和规范管理。
环保设备需要合理使用,例如备用电源需要定期检查和维护。
设备故障或运行不全会导致能源浪费,需要加强巡视和预防性检修。
管道堵塞和保养不及时都会降低处理效率,需要定期清理和保养。
、enificationSalon,砑■证■陟T能源管理体系标准宣贯之二能源因素识别与评价GB/T23331—_2∞9标准对能源管理体系规定了要求使组织能够根据法律法规、标准和其他要求识别其能够控制的.或能够施加影响的能源因素,建立并实施能源管理体系。
能源管理体系的建立、实施.保持以及持续改进的能源管理绩效,始终围绕着能源因素的管理和控制,能源因素是能源管理体系的管理对象,它与组织的活动.产品和服务“相依相随”,”休戚相关”。
能源因素的识别和评价工作是能源管理体系的切入点.能源管理工作的关键.能源管理绩效的抓手和源泉,因此.如何识别能源因素,给予正确评价并确定优先控制的能源因素是至关重要的。
一、能源因素的概念GB/T23331标准3.2条款对能源因素的定义为:“在组织的活动、产品和服务中.影响能源消耗、能源利用效率的因素。
”冈蠹髓‰圳丌夕上海市质量协会编写组根据定义.我们可以知道.能源因素是在组织的活动.产品和服务中是对能源造成浪费和损失的原因和条件,这种对能源使用的影响有的是明显的,有的却是潜在的。
标准着重强调了两方面的影响,一是对能源消耗的影响,一是对能源利用效率产生的影响。
二、能源因素的识别1.能源因素的识别范围GB/T23331能源管理体系标准4.3.1a)要求:”识别能源管理体系覆盖范围内活动、产品和服务中能够控制。
或能够施加影响的能源因素,包括应考虑已纳入计划的或新开发的,变更的活动、产品和服务等因素。
”能源因素的识别对象:一是“能够控制的能源因素”,并且必须考虑”技术上可行.经济上合理以及环境和社会可以承受的措施”。
二是”能够施加影响的能源因素”即是指组织涉及相关方的能源因素,对相关方提出控制能源管理体系标准宣贯之二能源因素识别与评价作者:上海市质量协会编写组作者单位:刊名:上海质量英文刊名:SHANGHAI QUALITY年,卷(期):2010(8)本文链接:/Periodical_shzl201008015.aspx。
能源使用相关变量(能源因素)识别教材前言有目地进行能源使用相关变量的识别与评价是组织建立和实施能源管理体系的良好开端。
能源管理体系的建立和实施其主要目的是使自愿实施能源管理体系的组织,通过利用系统方法对其活动、产品和服务中的能源使用的相关变量进行识别、评价和控制,实现对能源管理全系统的控制和持续改进,降低其能源消耗、提高能源利用效率。
为此,能源使用相关变量的识别和排序控制是建立和实施能源管理体系的基础和关键。
1、为什么要进行能源使用相关变量的识别?1.1.GB/T23331-2012标准的要求:GB/T23331-2012标准4.4.2条款指出:“基于对能源使用和能源消耗的分析,识别主要能源使用的区域等,包括:——识别对能源使用和能源消耗有主要影响的设施、设备、系统、过程,为组织工作或代表组织工作的人员;——识别影响主要能源使用的其他相关变量;——确定与主要能源使用相关的设施、设备、系统、过程的能源绩效现状;——评估未来的能源使用和能源消耗。
a)识别改进能源绩效的机会,并进行排序,识别结果须记录。
”▲:标准在这里明确了:a) 要识别对能源使用和能源消耗有主要影响的范围、区域b) 识别重点用能区域内对能源使用、消耗有主要影响的设备、过程、岗位c) 要识别影响主要能源使用的相关变量(因素)d)识别改进的机会并对改进的实施次序进行排序1.2.加强钢铁企业能源管理、利用的要求钢铁工业当前处于发展的艰难时期:a.国民经济发展出现了不平衡、不协调、不可持续,要求转变发展方式---使企业的产业环境发生了重大变化,钢铁工业目前产能过大,能源消耗过高,与国内的资源、能源、市场需求不协调,国家要求必须调整。
钢铁工业是国家的能源消耗大户,在节能方面也应该做出自己的努力。
b.钢铁市场遭遇天花板,高成本不能转化为高价格、高效益----2012年,钢协会员企业累计实现销售收入35441.1亿元,实现利润15.81亿元,利润率仅为0.045%。
能源因素识别与评价1、能源因素的识别(1(2a)应识别的能源类型——一次能源——二级能源——耗能公职——余能b)两种能源影响——影响能源消耗——影响能源使用效率c)三种状态——正常——异常(如起动、停机、检修)——紧急(天然气管爆管、供应终端、泄漏)d)两种结果——优先控制:只能源消耗大或能改善机会大的能源因素——一般控制:除优先控制以后的能源因素(3)优先控制能源因素分类a)重要类:能源消耗量大,或能源损耗大的因素b)改善类: 节能潜力大已纳入节能技改关注内容,或节能技术成熟实施节能可行性大的能源因素c)面广易控类: 不属于上述两项,但因控制简单、涉及面广或发生频率高,节能效果明显的能源因素2、能源结构表3、能源转化示意图四川启明星铝业有限责任公司能源网络图(2007年数据)单位:tce4、能流示意图5、6、(1)能源因素评价与排序的原则——合规性:如果某个能源因素不符合法律法规、标准及其他强制性要求,那么此类能源因素属于即重要也紧急类能源因素——以确保安全环境和原有功能为前提:能源管理体系的目的是最优化的配置和使用能源,而不是一味的节约能源。
能源节约要以确保安全,实现必要功能、质量和避免环境污染为前提——技术可行性:例如: 安装空间大小; 管线布置;管线布置;外墙改造承重能力——经济可行性:投资回报期的测算;可利用政府补贴,清洁发展机制等方式提高经济可行性.——节能量:能源因素的控制产生的节能量大小,是用能单位履行社会责任的主要评判标准。
——无低费方案优先:无低费方案实施成本低,如果具有一定的节能效果,可以优先实施。
无低费方案通常包括:设备设施经济运行节能;优化的运行管理方案和小投入的技术改造.(2)评分方法A(保持能源因素):目前已采取措施,无改进空间;B(优先控制能源因素):技术可行性和经济可行性均在7分及7分以上,且不良影响评级为轻微或无影响;C(待研究能源因素):技术可行性(3-6)或经济可行性(3-6)或不良影响(一般)D(无措施能源因素):技术可行性(1-2)或经济可行性(1-2)或不良影响(重大)另:法规要求强制淘汰设备直接判断为B。
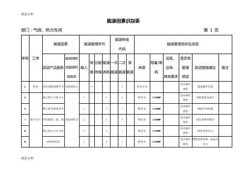
能源因素识别表
部门:气保、热力车间第1 页
精品文档
能源因素识别表
部门:气保、热力车间第2 页
精品文档
能源因素识别表精品文档
部门:气保、热力车间第3 页
精品文档
能源因素识别表
部门:气保、热力车间第4 页
精品文档
能源因素识别表精品文档
部门:气保、热力车间第5 页
精品文档
精品文档
能源因素评价表
填表人: 史宇飞填表日期:2010.9.26
能源因素评价表
填表人: 史宇飞填表日期:2010.9.26
精品文档
能源因素评价表
填表人: 史宇飞填表日期:2010.9.26
能源因素评价表精品文档
精品文档
填表人: 史宇飞填表日期:2010.9.26
能源因素评价表精品文档
精品文档
填表人: 史宇飞填表日期:2010.9.26
精品文档。
能源使⽤相关变量(能源因素)识别教材汇总能源使⽤相关变量(能源因素)识别教材前⾔有⽬地进⾏能源使⽤相关变量的识别与评价是组织建⽴和实施能源管理体系的良好开端。
能源管理体系的建⽴和实施其主要⽬的是使⾃愿实施能源管理体系的组织,通过利⽤系统⽅法对其活动、产品和服务中的能源使⽤的相关变量进⾏识别、评价和控制,实现对能源管理全系统的控制和持续改进,降低其能源消耗、提⾼能源利⽤效率。
为此,能源使⽤相关变量的识别和排序控制是建⽴和实施能源管理体系的基础和关键。
1、为什么要进⾏能源使⽤相关变量的识别?1.1.GB/T23331-2012标准的要求:GB/T23331-2012标准4.4.2条款指出:“基于对能源使⽤和能源消耗的分析,识别主要能源使⽤的区域等,包括:——识别对能源使⽤和能源消耗有主要影响的设施、设备、系统、过程,为组织⼯作或代表组织⼯作的⼈员;——识别影响主要能源使⽤的其他相关变量;——确定与主要能源使⽤相关的设施、设备、系统、过程的能源绩效现状;——评估未来的能源使⽤和能源消耗。
a)识别改进能源绩效的机会,并进⾏排序,识别结果须记录。
”▲:标准在这⾥明确了:a) 要识别对能源使⽤和能源消耗有主要影响的范围、区域b) 识别重点⽤能区域内对能源使⽤、消耗有主要影响的设备、过程、岗位c) 要识别影响主要能源使⽤的相关变量(因素)d)识别改进的机会并对改进的实施次序进⾏排序1.2.加强钢铁企业能源管理、利⽤的要求钢铁⼯业当前处于发展的艰难时期:a.国民经济发展出现了不平衡、不协调、不可持续,要求转变发展⽅式---使企业的产业环境发⽣了重⼤变化,钢铁⼯业⽬前产能过⼤,能源消耗过⾼,与国内的资源、能源、市场需求不协调,国家要求必须调整。
钢铁⼯业是国家的能源消耗⼤户,在节能⽅⾯也应该做出⾃⼰的努⼒。
b.钢铁市场遭遇天花板,⾼成本不能转化为⾼价格、⾼效益----2012年,钢协会员企业累计实现销售收⼊35441.1亿元,实现利润15.81亿元,利润率仅为0.045%。
ISO50001-2011能源因素识别与评价培训教材目录1、ISO50001-2011标准中对能源因素的要求2、ISO50001-2011概念3、能源因素识别的重要性、目的及步骤4、能源因素的识别5、优先控制的能源因素(优控因素)的评价6、能源因素的更新7、能源因素识别、优先控制因素评价和控制的程序及要求8、能源因素识别与优先控制因素评价控制的策划中用到的表格9、能源因素识别实例10、ISO50001能源因素识别与控制程序ISO50001-2011能源因素识别与评价培训教材全面、系统地进行能源因素的识别与评价是组织建立和实施能源管理体系的良好开端。
能源管理体系的建立和实施其主要目的是使自愿实施能源管理体系的组织,通过利用过程方法对其活动、产品和服务中的能源因素进行识别、评价和控制,实现对能源管理全过程的控制和持续改进,降低其能源消耗、提高能源利用效率。
为此,能源因素的识别和优控因素的评价是建立和实施能源管理体系的基础和关键。
1、ISO50001-2011标准中对能源因素的要求ISO50001-2011标准4.3.1条款能源因素明确了“组织应建立、实施并保持一个或多个程序,用来:a) 识别能源管理体系覆盖范围内活动、产品和服务中能够控制、或能够施加影响的能源因素,包括应考虑已纳入计划的或新开发的、变更的活动、产品和服务等因素;b)根据法律法规、标准及其他要求,以及组织的活动、产品和服务的特点等,对能源因素进行评价,确定优先控制的能源因素。
2、几个概念2.1 能源 energy可以直接或通过转换提供人类所需的有用能的资源。
可分为一次能源、二次能源、新能源、耗能工质。
a. 一次能源:从自然界直接取得而不改变其基本形态的能源。
如煤炭、石油、天然气、太阳能、风能、生物质能、地热能、海洋能等。
其中前三者又叫化石能源。
b. 二次能源:由一次能源经过加工转换而取得的另一形态的能源。
如电力、焦炭、煤气、蒸汽、热水以及成品油、燃料油、液化气等。
炼钢厂危险源辨识危险源辨别方法(1)危险源的分类第一类危险源:生产过程中存在的,可能发生意外释放的能量(能源或能源载体)第二类危险源:可能导致能量/危险物质约束或限制措施破坏/失效的各种因素广义划分法:机械类、电气类、辐射类、物质类、火灾与爆炸类(2)可能产生偏差的五个方面人(培训不够、防护不当、个人身体原因、精神原因)机(正常、异常、紧急三状态下的噪声、失控等)料(毒性、易燃性、腐蚀性、放射性、感染性)法(方法不当、操作不当)环(过分拥挤、通风不好、光线太暗或过强、温度太高或太低等)(3)危险源辩识方法危险源辨识主要通过现场观察、查阅记录、事故树、事件树,生产工艺过程进行分析。
当前现场最有效的方法还是生产工艺过程辨识法。
1. 安全生产,是指在生产经营活动中,避免发生人员伤亡和财产损失的生产过程。
安全生产涵盖两种安全即人身安全和设备安全。
2. 事故是指在生产和行进过程中,突然发生的与人们的愿望和意志相反的情况,使生产进程停止或受到干扰的事件。
造成事故的原因包括如下三方面(1)人的因素:人员缺乏安全知识,疏忽大意或采取不安全的操作动作等而引起事故。
如违章操作、违反劳动纪律等;(2)物的因素:机械设备工具等有缺陷或环境条件差而引起事故。
(3)管理缺陷3.何谓危险源危险源是可能导致伤害或疾病、财产损失、工作环境破坏或这些情况组合的根源或状态。
危险源辨识即识别危险源的存在并确定其特性的过程。
危险源等级分类一级危险源:事故发生后可能造成多人死亡且危险概率高的地方,即A级二级危险源:事故发生后可能造成1人死亡或多人重伤且危险概率极高的地方,即B级三级危险源:事故发生后可能造成1人重伤或多人轻伤且危险性较大的地方,即C 级四级危险源:事故发生后可能造成一般伤害且具有危险性的地方,即D级4. 哪些属于不安全状态(1)防护、保险、信号等装置缺乏或有缺陷(2)设备、设施、工具、附件有缺陷、设计不当,结构不合安全要求(3)强度不够(4)设备在正常状态下运行(带病运转、超负荷)(5)维修、调正不良(6)个人防护用品缺少或有缺陷(7)生产(施工)场地环境不良(8)交通线路的配置不安全。
钢铁行业能源管理资料钢铁行业能源管理资料1. 导言钢铁行业作为重要的基础产业,在全球工业发展中扮演着重要角色。
然而,钢铁生产过程中对能源的需求量巨大,能源消耗和排放的问题日益严重。
为了提高能源利用效率并减少环境污染,钢铁企业需要加强能源管理。
本文将介绍钢铁行业能源管理的重要性、关键措施和实施效果。
2. 能源管理的重要性能源是钢铁行业生产的基本要素之一,能源消耗占据钢铁生产成本的重要部分。
同时,钢铁行业的能源消耗也直接影响到环境污染和气候变化问题。
因此,钢铁企业需要引入科学合理的能源管理方法,以提高能源利用效率、降低成本并减少对环境的影响。
3. 能源管理的关键措施3.1 能源审计能源审计是能源管理的基础,通过对钢铁企业能源消耗的全面评估和分析,确定能源消耗的瓶颈和优化方向,为制定有效的能源管理措施提供依据。
能源审计主要包括能源消耗数据的收集、分析和评估,为钢铁企业制定能源管理目标和实施计划提供科学依据。
3.2 能源监测与数据分析通过引入先进的能源监测技术,实时监测和记录钢铁生产过程中的能源消耗数据,以便及时发现异常情况,并进行数据分析和挖掘,为钢铁企业制定能源管理策略提供依据。
能源监测与数据分析可以帮助钢铁企业识别能源消耗的重点区域,优化能源消耗结构,提高能源利用效率。
3.3 能源节约技术应用钢铁企业可以通过引入先进的能源节约技术,降低能源消耗。
例如,优化高炉燃烧过程,提高能源利用效率;使用高效的节能设备,如高效电机和变频器;优化生产工艺,减少能源浪费等。
能源节约技术应用不仅可以降低能源消耗和成本,还可以减少对环境的影响,提高企业的竞争力。
3.4 培训和意识培养钢铁企业需要加强员工的能源管理培训和意识培养,提高员工的能源消耗意识,培养节能意识和环保意识。
通过培训和意识培养,可以使员工更加理解能源管理的重要性,并掌握相关的能源管理知识和技能,从而有效地推动能源管理措施的实施。
4. 能源管理的实施效果钢铁企业在加强能源管理的过程中,可以实现以下效果:提高能源利用效率:通过优化能源消耗结构和应用能源节约技术,能源利用效率得到提高,降低能源消耗;降低生产成本:通过提高能源利用效率和降低能源消耗,生产成本得以降低,提高企业的竞争力;减少环境污染:通过减少能源消耗和优化生产工艺,减少了大气污染物和温室气体的排放,降低了企业对环境的影响。