继电保护高级工技能鉴定题库(选择题)
- 格式:doc
- 大小:216.00 KB
- 文档页数:10
继电保护员-高级工考试模拟题与答案一、单选题(共45题,每题1分,共45分)1.220kV线路保护装置需要更改定值或进行检修工作时,两套保护应轮流进行。
在一套保护工作前,()核实另一套保护运行正常并在投入位置后,方可退出本套保护装置的跳闸出口及失灵启动压板。
A、应该B、必须C、要D、不必正确答案:B2.对双母双分段或双母单分段接线方式,若母差保护采用同样的动作门槛值及比率制动系数,那么,关于母差保护的灵敏度,下列说法正确的是()。
A、母线合环运行(所有母联开关及分段开关均合上)时的灵敏度要比其中一个母联或分段开关断开时的灵敏度低B、母线合环运行(所有母联开关及分段开关均合上)时的灵敏度要比其中一个母联或分段开关断开时的灵敏度高C、母线合环运行(所有母联开关及分段开关均合上)时的灵敏度与其中一个母联或分段开关断开时的灵敏度相同D、母差保护灵敏度的大小与母线是否合环无关正确答案:A3.单相电抗器组内部匝间短路时,若短路匝数很少,增加补偿电压后可以()零序功率方向保护对匝间短路的灵敏度。
A、减少B、不确定C、提高D、不改变正确答案:C4.电网实行()调度、分级管理。
A、分层次B、分阶段C、统一D、分级正确答案:C5.BP-2B母差保护装置用于双母线接线的系统,当Ⅰ母上隔离开关辅助接点接触不良时,则()可能出现非正常差流。
A、Ⅰ母小差B、Ⅱ母小差C、大差D、Ⅰ母小差-Ⅱ母小差及大差正确答案:A6.智能录波器采集单元记录的各路电压和电流波形相位应一致,相互之间的相位误差不应大于()。
A、3°B、2°C、5°D、1°正确答案:B7.在大接地电流系统中,故障电流中含有零序分量的故障类型是()A、两相短路接地B、与故障类型无关C、三相短路D、两相短路正确答案:A8.继电保护的完全配合是指()A、时间和灵敏度均配合B、时间配合,灵敏度不配合C、时间不配合,灵敏度配合D、时间和灵敏度均不配合正确答案:A9.母线的完全电流差动保护的灵敏系数是()。
继电保护工(高级)三个相同的电阻串联总电阻是并联时总电阻的()。
(A)6倍;(B)9倍;(C)3倍;(D)1/9。
答案:B为了把电流表量程扩大100倍,分流电阻的电阻值,应是仪表内阻的()。
(A)1/100;(B)1/99;(C)99倍;(D)100倍。
答案:B并联电路的总电流为各支路电流()。
(A)之和;(B)之积;(C)之商;(D)倒数和。
答案:A两只额定电压相同的灯泡,串联在适当的电压上,则功率较大的灯泡()。
(A)发热量大;(B)发热量小;(C)与功率较小的发热量相等;(D)与功率较小的发热量不等。
答案:B一个线圈的电感与()无关。
(A)匝数;(B)尺寸;(C)有无铁芯;(D)外加电压。
答案:D用万用表检测二极管时,应使用万用表的()。
(A)电流档;(B)电压档;(C)1kΩ档;(D)10Ω档。
答案:C为正半周时,()。
全波整流电路如下图所示,当输入电压u1(A)V1导通止;(B)V2截止;(C)V1、V2均导通;(D)V1、V2均截止。
答案:A电容器在充电和放电过程中。
充放电电流与()成正比。
(A)电容器两端电压;(B)电容器两端电压的变化率;(C)电容器两端电压的变化量;(D)与电压无关。
答案:B有甲乙两只三极管。
甲管β=80,Iceo =300μA;乙管β=60,Iceo=15μA,其他参数大致相同。
当做放大使用时,选用()合适。
(A)两只均;(B)甲管;(C)两只都不;(D)乙管。
答案:D甲类功率放大器的集电极损耗()。
(A)在输入信号最大时最大;(B)在输入信号为零时最大;(C)在输入信号为最大输人信号的50%时最大;(D)在输入信号为最大输入信号的70%时最大。
答案:BD3-ϕ型单相相位表的象限选择开关切换的是()。
(A)电流;(B)电压;(C)电流和电压;(D)以上三个答案都不正确。
答案:B若i1=8sin(ωt+10º)A,i2=6sin(ωt+30º)A,则其二者合成后()。
电力职业技能鉴定考试《继电保护工(第二版)》高级技师理论题库一、选择题(请将正确答案的代号填入括号内,共61题)1. 关于等效变换说法正确的是()。
(A)等效变换只保证变换的外电路的各电压、电流不变;(B)等效变换是说互换的电路部分一样;(C)等效变换对变换电路内部等效;(D)等效变换只对直流电路成立。
答案:A2. 在电力系统中发生不对称故障时,短路电流中的各序分量,其中受两侧电动势相角差影响的是()。
(A)正序分量; (B)负序分量; (C)正序分量和负序分量; (D)零序分量。
答案:A3. 相当于负序分量的高次谐波是()谐波。
(A)3n次; (B)3n+1次; (C)3n-1次(其中n为正整数); (D)上述三种以外的。
答案:C4. 按对称分量法,A相的正序分量可按()式计算。
(A)FA1=(αFA+α2FB+FC)/3; (B)FA1=(FA+αFB+ α2FC)/3;(C)FA1=(α2FA+αFB+FC)/3。
答案:B5. 如果线路送出有功与受进无功相等,则线路电流、电压相位关系为()。
(A)电压超前电流45°; (B)电流超前电压45°;(C)电流超前电压135°; (D)电压超前电流135°。
答案:B6. 若i1=8sin(ωt+10°)A,i2=6sin(ωt+30°)A,则其二者合成后()。
(A)幅值等于14,相位角等于40°; (B)i=10sin(ωt-20°); (C)合成电流i=i1+i2,仍是同频率的正弦交流电流; (D)频率和相位都改变,是非正弦交流电流。
答案:C7. 下属哪些说法是正确的?()。
(A)振荡时系统各点电压和电流的幅值随功角的变化一直在做往复性的摆动,但变化速度相对较慢;而短路时,在短路初瞬电压、电流是突变的,变化量较大,但短路稳态时电压、电流的有效值基本不变; (B)振荡时阻抗继电器的测量阻抗随功角的变化,幅值在变化,但相位基本不变,而短路稳态时阻抗继电器测量阻抗在幅值和相位上基本不变; (C)振荡时只会出现正序分量电流、电压,不会出现负序分量电流、电压,而发生接地短路时只会出现零序分量电压、电流不会出现正序和负序分量电压电流。
《继电保护》技能鉴定高级工复习题一、选择题(请将正确答案的代号填入括号内)1.>三个相同的电阻串联总电阻是并联时总电阻的( )。
(A)6倍;(B)9倍;(C)3倍;(D)1/9。
答案:B2.>并联电路的总电流为各支路电流( )。
(A)之和;(B)之积;(C)之商;(D)倒数和。
答案:A3.>全波整流电路如图A-1所示,当输入电压u1为正半周时,( )。
图A-1(A)V1导通,V2截止;(B)V2导通,V1截止;(C)V1、V2均导通;(D)V1、V2均截止。
答案:A4.>D3- 型单相相位表的象限选择开关切换的是( )。
(A)电流;(B)电压;(C)电流和电压;(D)以上三个答案都不正确。
答案:B5.>超高压输电线单相跳闸熄弧较慢是由于( )。
(A)短路电流小;(B)单相跳闸慢;(C)潜供电流影响;(D)断路器熄弧能力差。
答案:C6.>当系统频率高于额定频率时,方向阻抗继电器最大灵敏角( )。
(A)变大;(B)变小;(C)不变;(D)与系统频率变化无关。
答案:A7.>在短路故障发生后经过大约半个周期的时间,将出现短路电流的最大瞬时值,它是校验电气设备机械应力的一个重要参数,称此电流为( )。
(A)暂态电流;(B)次暂态电流;(C)冲击电流;(D)稳态电流。
答案:C8.>两台变压器间定相(核相)是为了核定( )是否一致。
(A)相序;(B)相位差;(C)相位;(D)相序和相位。
答案:C9.>CPU代表( )。
(A)浮点处理器;(B)存贮器;(C)中央处理器;(D)输入输出装置。
答案:C10.>电力元件继电保护的选择性,除了决定于继电保护装置本身的性能外,还要求满足:由电源算起,愈靠近故障点的继电保护的故障起动值( )。
(A)相对愈小,动作时间愈短;(B)相对愈大,动作时间愈短;(C)相对愈小,动作时间愈长;(D)相对愈大,动作时间愈长。
答案:A11.>凡第一次采用的国外保护装置应遵循( )的规定。
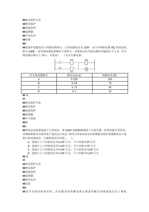
@@继电保护专业@@继电保护@@高级技师@@选择题@@专业知识@@较难@@1@@某保护装置的出口回路如图所示,已知电源电压为220V,出口中间继电器CKJ的直流电阻为10kΩ,信号继电器的参数如下表所示,如要保证信号继电器的灵敏度大于1.5,信号继电器压降小于10%,可选用( )号信号继电器。
信号继电器编号额定电流(A) 线圈直阻(Ω)A 0.025 320B 0.05 70C 0.75 30D 0.1 18@@ B##@@继电保护专业@@继电保护@@高级技师@@选择题@@专门技能@@难@@1@@变电站直流系统处于正常状态,某220kV线路断路器处于合闸位置,控制回路正常带电,该线路纵联方向保护处于退出运行状态,利用万用表直流电压档测量该保护装置跳闸出口连接片的对地电位,正确的状态应该是( )。
A.连接片上口对地电压为+110V左右,下口对地为0V左右B.连接片上口对地电压为-110V左右,下口对地为0V左右C.连接片上口对地电压为+110V左右,下口对地为-110V左右D.连接片上口对地电压为-110V左右,下口对地为+110V左右@@ B##@@继电保护专业@@继电保护@@高级技师@@选择题@@相关知识@@较易@@1@@由开关场至控制室的二次电缆采用屏蔽电缆且要求屏蔽层两端接地是为了降低( )。
A.开关场的空间电磁场在电缆芯线上产生感应,对静态型保护装置造成干扰B.相邻电缆中信号产生的电磁场在电缆芯线上产生感应,对静态型保护装置造成干扰C.本电缆中信号产生的电磁场在相邻电缆的芯线上产生感应,对静态型保护装置造成干扰D.A、B、C均对@@ D##@@继电保护专业@@继电保护@@高级技师@@选择题@@专门技能@@中等@@1@@用分路试停的方法查找直流接地有时查找不到,可能是由于( )。
A.分路正极接地 B.分路负级接地C.环路供电方式开环运行 D.充电设备或蓄电池发生直流接地@@ D##@@继电保护专业@@继电保护@@高级技师@@选择题@@专业知识@@中等@@1@@为保证接地后备最后一段保护可靠地有选择性地切除故障,500kV线路接地电阻最大按( ) Ω,220kV线路接地电阻最大按100Ω考虑。
继电保护员-高级工习题与参考答案一、单选题(共45题,每题1分,共45分)1.本线路的限时电流速断保护与下级线路瞬时电流速断保护范围有重叠区,当在重叠区发生故障时由()A、本线路的限时电流速断保护跳闸B、由下级线路瞬时电流速断保护C、均动作跳闸D、均不动作正确答案:B2.大接地电流系统中,线路上发生正向接地故障时,在保护安装处流过该线路的3I0比母线3U0的相位( )A、滞后约110°B、滞后约170°C、超前约110°D、滞后约70°正确答案:C3.保护装置应不依赖于()实现其保护功能A、同步信号B、IRIG-B信号C、GPS/BD信号D、外部对时系统正确答案:D4.非全相运行期间,()可能误动。
A、高频闭锁零序方向保护(两侧采用母线PT)B、光纤电流差动保护C、高频闭锁零序方向保护(两侧采用线路PT)D、零序4段保护正确答案:A5.在微机保护中,掉电会丢失数据的主存储器是()。
A、EPROMB、EEPROMC、RAMD、ROM正确答案:C6.高频同轴电缆应在两端分别接地,并紧靠高频同轴电缆敷设截面不小于()平方毫米的铜导线。
A、50B、100C、25D、75正确答案:B7.关于双母线配备的母差保护,在母线PT断线时,以下说法正确的是()。
A、尽管电压闭锁元件失效,区外故障时母差保护仍不会误动,区内故障时母差保护仍具备选择性B、因电压闭锁元件失效,虽区内故障时母差保护仍有选择性,但区外故障时母差保护将误动C、电压闭锁元件失效,区外故障时母差保护不会误动,但区内故障时母差保护将失去选择性D、电压闭锁元件失效,区外故障时母差保护将误动,区内故障时母差保护也失去选择性正确答案:A8.使用电平表进行跨接测量时,选择电平表内阻为( )。
A、高阻档B、400Ω档C、600Ω档D、75Ω档正确答案:A9.工作中应确保电流互感器和电压互感器的二次绕组应有且仅有()保护接地。
继电保护员高级工练习题库及答案1、比例制动原理的高、中阻抗型母线差动保护的起动元件,按被保护母线短路故障有足够灵敏度整定,灵敏系数不小于()。
A、1.2B、1.5C、2D、3答案:C2、工作许可人如发现工作人员违反安全规程或任何危及人身及设备安全的情况时,应向 ( ) 提出改正意见,必要时可下令停止工作,并立即报告上级。
A、值班负责人B、专责监护人C、工作负责人D、工作管理员答案:C3、利用接入电压互感器开口三角形电压反闭锁的电压回路断相闭锁装置,在电压互感器高压侧断开一相时,电压回路断线闭锁装置( )。
A、动作B、不动作C、可动可不动D、动作情况与电压大小有关答案:B4、继电保护的完全配合是指()A、时间和灵敏度均配合B、时间配合,灵敏度不配合C、时间不配合,灵敏度配合D、时间和灵敏度均不配合答案:A5、如果保护设备与通信设备间采用电缆连接,应使用层间相互绝缘的双屏蔽电缆,正确的做法是()。
A、电缆的外屏蔽层在两端分别连接于继电保护安全接地网,内屏蔽层应单端接于继电保护安全接地网B、电缆的内屏蔽层在两端分别连接于继电保护安全接地网,外屏蔽层应单端接于继电保护安全接地网C、电缆的内屏蔽层在两端分别连接于继电保护安全接地网,外屏蔽层两端悬浮D、电缆的外屏蔽层在两端分别连接于继电保护安全接地网,内屏蔽层两端悬浮答案:A6、测量相位用仪表的准确度不应低于()。
(南方电网继电保护检验规程)A、0.1级B、0.2级C、0.5级D、1.0级答案:D7、在运行的电流互感器二次回路上工作时,()。
A、严禁开路B、禁止短路C、可靠接地D、必须停用互感器答案:A8、阀控电池的放电过程是负极进行()的过程。
A、氧化B、还原C、分解D、化合答案:A9、对220kV采用综合重合闸的线路,当采用“单重方式”运行时,若线路上发生永久性两相短路接地故障,保护及重合闸的动作顺序为()。
A、选跳故障相,延时重合故障相,后加速跳三相B、三相跳闸,延时重合三相,后加速跳三相C、三相跳闸不重合D、选跳故障相,延时重合故障相,后加速再跳故障相,同时三相不一致保护跳三相答案:C10、依据《中国南方电网有限责任公司电力事故事件调查规程》规定:一条线路由于同一原因在24小时内发生多次事件时,可认定为( )次事件。
一、单选题。
( )【第1题】两台阻抗电压不相等变压器并列运行时,在负荷分配上()。
答: A:阻抗电压小的变压器负荷小 B:阻抗电压大的变压器负荷小 C:一样大D:负荷分配不受阻抗电压影响标准答案 B 【第2题】变压器发生内部故障时的主保护是()保护。
答:A:过流 B:瓦斯 C:过电压标准答案B【第3题】BP-2B母线保护为更好地解决母联断路器热备用时发生死区问题,当母联断路器的常开辅助接点断开时,小差判据中()母联电流。
答:A:不计入 B:相同变比数量最多的变比 C:计入标准答案 A【第4题】为躲过励磁涌流,变压器差动保护采用二次谐波制动:()。
答:A:二次谐波制动比越大,躲过励磁涌流的能力越弱;B:差动保护躲励磁涌流的能力,只与二次谐波电流的大小有关;C:二次谐波制动比越大,躲过励磁涌流的能力越强【第5题】当双侧电源线路两侧重合闸均投入检查同期方式时,将造成()。
答:A:非同期合闸 B:两侧重合闸均动作C:一侧重合闸动作,另一侧不动作。
D:两侧重合闸均不动作标准答案 D【第6题】如果对短路点的正、负、零序综合电抗为X1Σ、X2Σ、X0Σ,且X1Σ=X2Σ,则两相接地短路时的复合序网图是在正序序网图中的短路点K1和中性点H1间串入如()式表达的附加阻抗(1.0分) 答:A:X2Σ ; B:X2Σ//X0Σ; C:X2Σ+X0Σ标准答案B【第7题】充电保护投入时刻为()。
答:A:母联电流大于充电过流定值;B:充电保护过流延时大于充电延时定值;C:充电压板投入;D:充电过程中,母联电流由无至有瞬间【第8题】有一台组别为Y/d11变压器,在该变压器高,低压侧分别配置A、C两相式过电流保护,假设低压侧母线三相短路故障为Id,高压侧过电流保护定值为Igdz,低压侧过电流保护定值为Iddz。
高压侧过电流保护灵敏度、高压侧过电流保护对低压侧过电流保护的配合系数、接线系数分别为()。
答:A:(2Id/Igdz,1.15,1.16);B:(Id/2Igdz,1.15,1.732);C:(Id/Igdz,0.85,0.58);D:(Id/2Igdz,1.15,1.16)标准答案B 【第9题】电流互感器的相位误差,一般规定不应超过()。
江西电力职业技能考试<<继电保护>>高级工题库一、选择题(180题)1.某变压器的接线组别为Y/Y-12,则差动保护用的CT二次接线为(A)A.△/△ B.Y/Y C.A,B任一种均可2.零序电流保护在常见运行方式下,在220~500KV的200km线路末段金属性短路时的灵敏度应大于(C)A.1.5 B.1.4 C.1.33.220KV电网按近后备原则整定的零序方向保护,其方向继电器的灵敏度应满足(A)。
A.本线路末端接地短路时,零序功率灵敏度不小于2;B.相邻线路末端接地短路时,零序功率灵敏度不小于2;C.相邻线路末端接地短路时,零序功率灵敏度不小于1. 5。
4.用于超高压电网的保护直接作用于断路器跳闸的中间继电器,其动作时间应小于(A)。
A.10ms B.15ms C.20ms5.电压频率变换器(VFC)构成模数变换器时,其主要优点是:(C)。
A.精度高 B.速度快 C.易隔离和抗干扰能力强6.一般220KV线路保护,当开关在分闸状态,控制电源投入时,用万用表测量主保护跳闸出口压板,其上端头对地为(A)伏,下端头对地(C)伏;上下端头之间为(C)伏。
A.+110 B.-110 C.07.保护动作至发出跳闸脉冲40ms,断路器连灭弧60ms,重合闸时间继电器整定0.8秒,开关合闸时间100ms,从事故发生至故障相恢复电压的时间为(B)。
A.0.94秒 B.1.0秒 C.0.96秒8. LFP-901B和WXB-11微机高频保护起动、停信、远方启动及每日交换信号的操作逻辑的设置方式为(C)A.LFP-901B和WXB-11微机高频保护均设在保护中;B.LFP-901B型装置设在收发讯机中,WXB-11型装置设在保护中;C.WXB-11型装置设在收发讯机中,LFP-901B型装置设在保护中。
9.按躲负荷电流整定的线路过电流保护,在正常负荷电流下,由于电流互感器的极性接反而有可能误动的接线方式为:(C)。
继电保护员-高级工习题库(含参考答案)一、单选题(共45题,每题1分,共45分)1.过流保护加装复合电压闭锁可以A、增加保护可靠性B、提高保护灵敏度C、加快保护动作时间D、延长保护范围正确答案:B2.相比于智能变电站,常规变电站有哪些不足,下面说法不正确的是()A、信息难以共享B、设备之间不具备互操作性C、系统可扩展性差D、系统可靠性不受二次电缆影响正确答案:D3.各设备运维单位应于每年()前向公司生产设备管理部上报本单位上一年度反措工作总结。
A、42384B、42428C、42415D、42399正确答案:A4.在网络交换机中进行端口镜像的目的是()。
A、提高端口聚合能力B、抑制端口数据流量C、提高交换机吞吐量D、对端口报文进行监视正确答案:D5.系统在()下出现负序电流。
A、正常时B、空载时C、三相对称短路时D、两相短路或单相接地时正确答案:D6.超高压输电线单相跳闸熄弧较慢是由于( )。
A、单相跳闸慢B、断路器熄弧能力差C、潜供电流影响D、短路电流小正确答案:C7.继电保护连接片(或称为压板)用于()A、增大保护固有动作时间。
B、投入/退出保护,接通/断开保护出口。
C、代替熔断器的作用。
D、增加触点容量正确答案:B8.生产经营单位发生生产安全事故时,单位的主要负责人应当立即组织抢救,并不得在()期间擅离职守。
A、事故发生B、事故调查处理C、事故抢救D、事故善后正确答案:B9.由于短路点存在过渡电阻,必然直接影响阻抗继电器的测量阻抗,一般在单侧电源网络中,过渡电阻会使测量阻抗()A、减小B、增大C、增大或减小D、不变正确答案:B10.两只装于同一相,且变比相同、容量相等的套管型电流互感器,在二次绕组串联使用时()A、变比增加一倍,容量不变B、容量和变比都增加一倍C、变比、容量都不变D、变比不变,容量增加一倍正确答案:D11.整组试验允许用( )的方法进行。
A、短接触点B、手按继电器C、保护试验按钮、试验插件或启动微机保护D、从端子排上通入电流、电压模拟各种故障,保护处于与投入运行完全相同的状态,正确答案:D12.为防止冷却器油泵启动时(引起油压突然变化)导致()保护误动作。
(11-059)电力职业技能考试<<继电保护>>高级工理论模拟试卷1(答案)一、选择题(请将正确答案的代号填入括号内,共23题)1.(La3A1046).三个相同的电阻串联总电阻是并联时总电阻的( )。
(A)6倍;(B )9倍;(C)3倍;(D)1/9。
答案:B2.(La3A2049).两只额定电压相同的灯泡,串联在适当的电压上,则功率较大的灯泡( )。
(A)发热量大;(B )发热量小;(C)与功率较小的发热量相等;(D)与功率较小的发热量不等。
答案:B3.(La3A3052).全波整流电路如图A-1所示,当输入电压u 1为正半周时,( )。
图A-1(A )V1导通,V2截止;(B)V2导通,V1截止;(C)V1、V2均导通;(D)V1、V2均截止。
答案:A 4.(La3A5056).D 3-ϕ型单相相位表的象限选择开关切换的是( )。
(A)电流;(B )电压;(C)电流和电压;(D)以上三个答案都不正确。
答案:B5.(La3A4065).有两只电容器,其额定电压U e 均为110V ,电容量分别为C 1=3μF ,C 2=6μF ,若将其串联接在220V 的直流电源上,设电容C 1、C 2的电压分别为U 1、U 2,则( )。
(A )U 1超过U 2;(B)U 1、U 2均超过U e ;(C)U 2超过U e ;(D)U 2超过U 1。
答案:A6.(Lb3A1172).电力系统发生振荡时,振荡中心电压的波动情况是( ) 。
(A)幅度最大;(B)幅度最小;(C)幅度不变;(D)幅度不定。
答案:A7.(Lb3A1175).某输电线路,当发生BC 两相短路时(如不计负荷电流),故障处的边界条件是( )。
(A) I U U ²²²===A B C 00;(B) U I I ²²²===A B C 00;(C ) I I I U U ²²²²²===A B C B C 0-;(D) I I I ²²²==A B C 0。
继电保护员-高级工试题(附参考答案)一、单选题(共45题,每题1分,共45分)1.在RCS—978中的差动保护是利用()的五次谐波含量作为过激磁的判断。
A、相电流B、三相电流C、相间电流D、差电流正确答案:D2.确定工作负责人后,应对工作负责人进行(),明确工作任务、工作地点和工作要求的安全措施,必要时应实地观察。
A、安全培训B、安全技术措施交底C、工前会D、技术交底正确答案:B3.在网络交换机中进行端口镜像的目的是()。
A、抑制端口数据流量B、对端口报文进行监视C、提高交换机吞吐量D、提高端口聚合能力正确答案:B4.《中国南方电网有限责任公司电力安全工作规程》规定:作业人员应经县级或二级甲等及以上医疗机构鉴定,无职业禁忌的病症,至少( ) 进行一次体检,高处作业人员应( ) 进行一次体检。
A、每两年、每年B、每两年、每半年C、每两年、每两年D、每年、每年正确答案:A5.变电所切除一台中性点直接接地的负荷变压器,在该变电所母线出线上发生单相接地故障时,该出线的零序电流()A、不变B、变小C、不能确定D、变大正确答案:B6.三个相同的电阻串联总电阻是并联时总电阻的( )。
A、9倍B、6倍C、3倍D、1/9正确答案:A7.全电流比较原理的母差保护某一出线电流互感器单元零相断线后,保护的动作行为是()。
A、区内故障不动作,区外故障可能动作B、区内故障动作,区外故障可能动作C、区内故障动作,区外故障不动作D、区内故障不动作,区外故障不动作正确答案:B8.在没有实际测量值情况下,除大区间的弱联系联络线外,系统最长振荡周期一般可按()考虑。
A、1.3sB、1.5sC、2.0sD、1.0s正确答案:B9.RCS978中的零序方向过流保护面向系统时,零序方向控制字应设为0,此时的灵敏角为()。
A、45°B、75°C、225°D、255°正确答案:B10.对采用单相重合闸的线路,当线路发生永久性单相接地故障时,保护及重合闸的动作顺序为()。
继电保护员-高级工练习题库及参考答案一、单选题(共45题,每题1分,共45分)1.电流速断保护定值不能保证( )时,则电流速断保护要误动作,需要加装方向元件A、选择性B、灵敏性C、可靠性D、速动性正确答案:A2.使用电平表进行跨接测量时,选择电平表内阻为( )。
A、高阻档B、400Ω档C、75Ω档D、600Ω档正确答案:A3.变压器不能使直流变压原因()。
A、直流大小和方向随时间变化B、直流大小不变而方向随时间变化C、直流大小和方向不随时间变化D、直流大小可变化而方向不变正确答案:C4.接入电路中的电压互感器变比为2500/100,测量其二次侧电压为20V,一次侧电压应为()V。
A、500B、125C、20D、250正确答案:A5.断路器控制电源最为重要,一旦失去电源,断路器无法操作,因此断路器控制电源消失时应发出()。
A、音响信号B、中央告警信号C、音响和光字牌信号D、光字牌信号正确答案:C6.触电急救必须分秒必争,立即就地用()进行急救。
A、心肺复苏法B、胸外按压法C、人工呼吸法D、医疗器械正确答案:A7.当零序功率方向继电器的最灵敏角为电流越前电压100°时()A、其电流和电压回路应按反极性与相应的CT、PT回路联接B、该相位角与线路正向故障时零序电流与零序电压的相位关系一致C、该元件适用于中性点不接地系统零序方向保护D、无法确定正确答案:B8.关于BP-2B母差保护装置的电压闭锁元件,以下描述正确的是()。
A、低电压为母线相电压,零序电压为母线零序电压,负序电压为母线负序线电压B、低电压为母线线电压,零序电压为母线三倍零序电压,负序电压为母线负序相电压C、低电压为母线相电压,零序电压为三倍母线零序电压,负序电压为母线负序线电压D、低电压为母线线电压,零序电压为母线零序电压,负序电压为母线负序相电压正确答案:B9.依据《中国南方电网有限责任公司电力事故事件调查规程》规定:发生以下归属公司的事故事件,需中断安全记录( )。
继电保护员-高级工试题+答案一、单选题(共45题,每题1分,共45分)1.小接地电流系统中发生单相接地时,()A、不确定B、故障点离母线越远,母线TV开口三角电压越高C、母线TV开口三角电压与故障点远近无关D、故障点离母线越近,母线TV开口三角电压越高正确答案:C2.电力元件继电保护的选择性,除了决定于继电保护装置本身的性能外,还要求满足:由电源算起,越靠近故障点的继电保护的故障启动值()。
A、无法确定B、相对愈小,动作时间愈短C、相对愈大,动作时间愈短D、相对愈小,动作时间愈长正确答案:B3.在Word中,可以通过()菜单设置字间距。
A、“视图”菜单B、“工具”菜单C、“格式”菜单D、“编辑”菜单正确答案:C4.对于Y/d11接线的三相变压器,它的变比为 n,主变压器一次侧线圈电流为IA,二次侧线圈电流为Ia,一、二次电流之间的大小关系为A、Ia=nIAB、Ia=1.732nIAC、Ia=nIA/1.732D、Ia=IA/n正确答案:A5.测量相位用仪表的准确度不应低于()。
(南方电网继电保护检验规程)A、0.2级B、1.0级C、0.1级D、0.5级正确答案:B6.下述哪个原因不会引起线路区外正方向高频保护误动?()。
A、通道中断B、TV断线C、N600没有接地D、PT多点接地正确答案:B7.已知某一电流的复数式I=(5-j5)A,则其电流的瞬时表达式为( )。
A、i=5sin(ωt-π/4)AB、i=5sin(ωt+π/4)AC、i=10sim(ωt-π/4)AD、i=5sin(ωt-π/4)A正确答案:C8.在操作回路中,应按正常最大负荷下至各设备的电压降不得超过其额定电压的( )进行校核。
A、10%B、15%C、0.05D、20%正确答案:A9.对于同一电容器,两次连续投切中间应断开()时间以上。
A、5minB、10minC、60minD、30min正确答案:A10.在中性点不接地的电力系统中,当发生单相接地后,其相间电压()A、均升高1.732倍B、均不变C、一个不变两个升高D、一个降低两个升高正确答案:B11.系统在()下出现负序电流。
一.选择题:(25分)1.对反应相间短路的阻抗继电器,为使其在各种相间短路时测量阻抗均相等,应采用( D ).A.90°接线B.+30°接线C.-30°接线D.0°接线1.2.下图所示为(A)。
A.低通滤过器原理图B.高通滤过器原理图C. 带通滤过器原理图3.在共射极放大电路中,输入信号加在三极管的(A)。
A. 基极与发射极之间B. 集电极与发射极之间C. 基极与集电极之间4.电力系统发生振荡时,振荡中心电压的波动情况是(A)。
A.幅度最大B.幅度最小C.幅度不变5.防止励磁涌流影响误动作的谐波制动继电器,采用的是(A)。
A.二次谐波B.三次谐波C.五次谐波D.高次谐波6. 频率为50Hz的两个正弦交流电流,相位差为π/2弧度,其时间差为(D)。
A.2msB.3msC.4msD.5ms7.在微机保护的数据采集系统中,为防止造成频率混叠,要求采样频率fs与被测信号频率f。
之间的关系为(B)。
A.fs=2f。
B.fs≥2f。
C.fs≤2f。
D.f。
≥2fs8. 阻抗继电器测量阻抗ZK与一次测量阻抗ZKˊ关系为(A)。
A.ZK= ZKˊ(nTA/nTV)B. ZK= ZKˊ(nTV/nTA)C. ZK= ZKˊ/(nTV nTA)9.对一端供电的平行双回线路上的横联差动方向保护,其相继动作区出现在(B)。
A.电源侧母线附近B.受电侧母线附近C.两侧母线附近10.零序功率方向继电器的最大灵敏角一般为(C)。
A.300B.450C.700D.110011.下图所示直流电路中,要使10Ω电阻中的电流为零,则电动势E应等于(C)。
A.6VB.12VC.16VD.30V12.下图电路中,开关K断开时,电压表读数为30V,当K闭合时,电压表读数为10V,电流表读数为2A,则有源二端网络的等效电压源的电动势E。
和内阻R。
分别为(C)。
A.30V、5ΩB.30V、15ΩC.30V、10ΩD.30V、8Ω13. 电力系统发生振荡时,可能会发生误动作的保护是(C)。
(11-059)电力职业技能鉴定考试《继电保护工(第二版)》高级技师理论题库一、选择题(请将正确答案的代号填入括号内,共61题)1. 关于等效变换说法正确的是()。
(A)等效变换只保证变换的外电路的各电压、电流不变; (B)等效变换是说互换的电路部分一样; (C)等效变换对变换电路内部等效; (D)等效变换只对直流电路成立。
答案:A2. 在电力系统中发生不对称故障时,短路电流中的各序分量,其中受两侧电动势相角差影响的是()。
(A)正序分量; (B)负序分量; (C)正序分量和负序分量; (D)零序分量。
答案:A3. 相当于负序分量的高次谐波是()谐波。
(A)3n次; (B)3n+1次; (C)3n1次(其中n为正整数); (D)上述三种以外的。
答案:C4. 按对称分量法,A相的正序分量可按()式计算。
(A)FA1=(FA+2FB+FC)/3; (B)FA1=(FA+FB+ 2FC)/3; (C)FA1=(2FA+FB+FC)/3。
答案:B5. 如果线路送出有功与受进无功相等,则线路电流、电压相位关系为()。
(A)电压超前电流45°; (B)电流超前电压45°; (C)电流超前电压135°; (D)电压超前电流135°。
答案:B6. 若i1=8sin(t+10°)A,i2=6sin(t+30°)A,则其二者合成后()。
(A)幅值等于14,相位角等于40°; (B)i=10sin(t20°); (C)合成电流i=i1+i2,仍是同频率的正弦交流电流; (D)频率和相位都改变,是非正弦交流电流。
答案:C7. 下属哪些说法是正确的?()。
(A)振荡时系统各点电压和电流的幅值随功角的变化一直在做往复性的摆动,但变化速度相对较慢;而短路时,在短路初瞬电压、电流是突变的,变化量较大,但短路稳态时电压、电流的有效值基本不变; (B)振荡时阻抗继电器的测量阻抗随功角的变化,幅值在变化,但相位基本不变,而短路稳态时阻抗继电器测量阻抗在幅值和相位上基本不变; (C)振荡时只会出现正序分量电流、电压,不会出现负序分量电流、电压,而发生接地短路时只会出现零序分量电压、电流不会出现正序和负序分量电压电流。
继电保护工(高级)三个相同的电阻串联总电阻是并联时总电阻的()。
(A)6倍;(B)9倍;(C)3倍;(D)1/9。
答案:B为了把电流表量程扩大100倍,分流电阻的电阻值,应是仪表内阻的()。
(A)1/100;(B)1/99;(C)99倍;(D)100倍。
答案:B并联电路的总电流为各支路电流()。
(A)之和;(B)之积;(C)之商;(D)倒数和。
答案:A两只额定电压相同的灯泡,串联在适当的电压上,则功率较大的灯泡()。
(A)发热量大;(B)发热量小;(C)与功率较小的发热量相等;(D)与功率较小的发热量不等。
答案:B一个线圈的电感与()无关。
(A)匝数;(B)尺寸;(C)有无铁芯;(D)外加电压。
答案:D用万用表检测二极管时,应使用万用表的()。
(A)电流档;(B)电压档;(C)1kΩ档;(D)10Ω档。
答案:C为正半周时,()。
全波整流电路如下图所示,当输入电压u1(A)V1导通止;(B)V2截止;(C)V1、V2均导通;(D)V1、V2均截止。
答案:A电容器在充电和放电过程中。
充放电电流与()成正比。
(A)电容器两端电压;(B)电容器两端电压的变化率;(C)电容器两端电压的变化量;(D)与电压无关。
答案:B有甲乙两只三极管。
甲管β=80,Iceo =300μA;乙管β=60,Iceo=15μA,其他参数大致相同。
当做放大使用时,选用()合适。
(A)两只均;(B)甲管;(C)两只都不;(D)乙管。
答案:D甲类功率放大器的集电极损耗()。
(A)在输入信号最大时最大;(B)在输入信号为零时最大;(C)在输入信号为最大输人信号的50%时最大;(D)在输入信号为最大输入信号的70%时最大。
答案:BD3-ϕ型单相相位表的象限选择开关切换的是()。
(A)电流;(B)电压;(C)电流和电压;(D)以上三个答案都不正确。
答案:B若i1=8sin(ωt+10º)A,i2=6sin(ωt+30º)A,则其二者合成后()。
(A)幅值等于14,相位角等于40º;(B)i=10sin(ωt-20º);(C)合成电流i=i1+i2,仍是同频率的正弦交流电流;(D)频率和相位都改变,是非正弦交流电流。
答案:C欲使放大器输出电压稳定,输入电阻提高则应采用()。
(A)电流串联负反馈;(B)电压串联负反馈;(C)电压并联负反馈;(D)电压并联正反馈。
答案:B有两只电容器,其额定电压Ue 均为110V,电容量分别为C1=3μF,C2=6μF,若将其串联接在220V的直流电源上,设电容C1、C2的电压分别为U1、U2,则()。
(A)U1超过U2;(B)U1、U2均超过U;(C)U2超过Ue;(D)U2超过U1。
答案:A超高压输电线单相跳闸熄弧较慢是由于( )。
(A )短路电流小;(B )单相跳闸慢;(C )潜供电流影响;(D )断路器熄弧能力差。
答案:C当系统频率高于额定频率时,方向阻抗继电器最大灵敏角( ).(A )变大;(B )变小;(C )不变;(D )与系统频率变化无关。
答案:A电力系统发生振荡时,振荡中心电压的波动情况是( )。
(A )幅度最大;(B )幅度最小;(C )幅度不变;(D )幅度不定。
答案:A利用接入电压互感器开口三角形电压反闭锁的电压回路断相闭锁装置,在电压互感器高压侧断开一相时,电压回路断线闭锁装置( )。
(A )动作;(B )不动作;(C )可动可不动;(D )动作情况与电压大小有关。
答案:B高频保护采用相一地制高频通道是因为( )。
(A )所需的加工设备少,比较经济;(B )相一地制通道衰耗小;(C )减少对通信的干扰;(D )相一地制通道衰耗大。
答案:A某输电线路,当发生BC 两相短路时(如不计负荷电流),故障处的边界条件是( )。
(A )∙A I =0,∙B U =∙C U =0;(B )∙A U =0,∙B I =∙C I =0;(C )∙A I =0,∙B I =-∙C I ,∙B U =∙C U ;(D )∙A I =0,∙B I =∙C I 。
答案:C在中性点不接地系统中发生单相接地故障时,流过故障线路始端的零序电流( )。
(A )超前零序电压90º;(B )滞后零序电压90º;(C )和零序电压同相位;(D )滞后零序电压45º。
答案:B输电线路BC两相金属性短路时,短路电流I()。
BC(A)滞后于BC相间电压一个线路阻抗角;(B)滞后于B相电压一个线路阻抗角;(C)滞后于C相电压一个线路阻抗角;(D)超前BC相间电压一个线路阻抗角。
答案:A相当于负序分量的高次谐波是()谐波。
(A)3n次;(B)3n+1次;(C)3n-1次(其中n为正整数);(D)上述三种以外的。
答案:C自耦变压器中性点必须接地,这是为了避免当高压侧电网内发生单相接地故障时,()。
(A)中压侧出现过电压;(B)高压侧出现过电压;(C)高压侧、中压侧都出现过电压;(D)以上三种情况以外的。
答案:A负序功率方向继电器的最大灵敏角是()。
(A)70º;(B)-45º;(C)-105º;(D)110º。
答案:C在短路故障发生后经过大约半个周期的时间,将出现短路电流的最大瞬时值,它是校验电气设备机械应力的一个重要参数,称此电流为()。
(A)暂态电流;(B)次暂态电流;(C)冲击电流;(D)稳态电流。
答案:C在电流互感器二次绕组接线方式不同的情况下,假定接入电流互感器二次导线电阻和继电器的阻抗均相同,二次计算负载以()。
(A)两相电流差接线最大;(B)三相三角形接线最大;(C)三相全星形接线最大;(D)不完全星形接线最大。
答案:A要使负载上得到最大的功率,必须使负载电阻与电源内阻()。
(A)负载电阻>电源内阻;(B)负载电阻<电源内阻;(C)负载电阻=电源内阻;(D)使电源内阻为零。
答案:C按照部颁反措要点的要求,220kV变电所信号系统的直流回路应()。
(A)尽量使用专用的直流熔断器,特殊情况下可与控制回路共用一组直流熔断器;(B)尽量使用专用的直流熔断器,特殊情况下可与该所远动系统共用一组直流熔断器;(C)由专用的直流熔断器供电,不得与其他回路混用;(D)无特殊要求。
答案:C在电力系统中发生不对称故障时,短路电流中的各序分量,其中受两侧电动势相角差影响的是()。
(A)正序分量;(B)负序分量;(C)正序分量和负序分量;(D)零序分量。
答案:A从继电保护原理上讲,受系统振荡影响的有()。
(A)零序电流保护;(B)负序电流保护;(C)相间距离保护;(D)相间过流保护。
答案:C单侧电源供电系统短路点的过渡电阻对距离保护的影响是()。
(A)使保护范围伸长;(B)使保护范围缩短;(C)保护范围不变;(D)保护范围不定。
答案:B高频保护载波频率过低,如低于50kHz,其缺点是()。
(A)受上频干扰大,加工设备制造困难;(B)受高频干扰大;(C)通道衰耗大;(D)以上三个答案均正确。
答案:A距离保护在运行中最主要优点是()。
(A)具有方向性;(B)具有时问阶梯特性;(C)具有快速性;(D)具有灵敏性。
答案:B中性点经消弧线圈接地的小电流接地系统中,消弧线圈采用()方式。
(A)过补偿;(B)欠补偿;(C)完全补偿;(D)三种都不是。
答案:A对中性点经间隙接地的220kV变压器零序过电压保护,从母线电压互感器取电压的3U定值一般为()伏。
(A)180V;(B)100V;(C)50V;(I))57.7V。
答案:A对于Y ,d11接线的三相变压器,它的变比为n ,主变压器一次侧线圈电流为I A ,二次侧线圈电流为I a ,一、二次电流之间的大小关系为( )。
(A )I a =nI A ;(B )I a =3nI A ;(C )I a =3nI A ;(D )I a =n1I A 。
答案:A对于Y ,d11接线变压器下列表示法正确的是( )。
(A )∙a U = j60A e ∙U ;(B )∙ab U = j30AB e ∙U ;(C )∙ab U = j0AB e ∙U ;(D )∙a U =- j0A e ∙U 。
答案:B变压器差动保护差动继电器内的平衡线圈消除哪一种不平衡电流。
( )(A )励磁涌流产生的不平衡电流;(B )两侧相位不同产生的不平衡电流;(C )二次回路额定电流不同产生的不平衡电流;(D )两侧电流互感器的型号不同产生的不平衡电流。
答案:C两台变压器间定相(核相)是为了核定( )是否一致。
(A )相序;(B )相位差;(C )相位;(D )相序和相位。
答案:CY ,d11接线的变压器,一次A 相电压与二次a 相电压的相位关系是( )。
(A )相位相同;(B )一次A 相电压超前二次a 相电压π/6:(C )二次a 相电压超前一次A 相电压π/6;(D )相位相反。
答案:CCPU 代表( )。
(A )浮点处理器;(B )存贮器;(C )中央处理器;(D )输人输出装置。
答案:C电子计算机的中央处理器CPU 包括运算器和( )两部分。
(A )存贮器;(B )控制器;(C )输入输出装置;(D )浮点处理器。
答案:B在人机交互作用时,输入输出的数据都是以( )形式表示的。
(A)十进制;(B)八进制;(C)二进制;(D)十六进制。
答案:A整组试验允许用()的方法进行。
(A)保护试验按钮、试验插件或启动微机保护;(B)短接触点;(C)从端子排上通入电流、电压模拟各种故障,保护处于与投入运行完全相同的状态;(D)手按继电器。
答案:C凡第一次采用的国外保护装置应遵循()的规定。
(A)电力工业部质检中心动模试验确认合格方可使用;(B)基建投资单位(业主)的指令;(C)网省局继电保护部门的指令;(D)以上任一答案均正确。
答案:C使用电平表进行跨接测量时,选择电平表内阻为(C)。
(A)75Ω档;(B)600Ω档;(C)高阻档;(D)400Ω档。
答案:C选用的消弧回路所用的反向二极管,其反向击穿电压不宜低于()。
(A)1000V;(B)600V;(C)2000V;(D)400V。
答案:A在操作回路中,应按正常最大负荷下至各设备的电压降不得超过其额定电压的()进行校核。
(A)20%;(B)15%;(C)10%;(D)5%。
答案:C继电器线圈直流电阻的测量与制造厂标准数据相差应不大于()。
(A)±10%;(B)±5%;(C)±15%;(D)±1%。
答案:A对称分量法使用的运算子a等于()。
(A)1;(B)-1/2+j3/2;(C)-1/2-j3/2;(D)l/2。
答案:B微机保护中电压、电流通道的零漂不能超过( )。
(A )-0.2~0.3;(B )-0.3~0.3;(C )-0.4~0.4;(D )-0.5~0.5。