江苏开放大学机械制图第四次-形成性考核作业答案4
- 格式:doc
- 大小:4.43 MB
- 文档页数:16
江苏开放大学机械设计基础第4次形考作业1. 引言本文档是江苏开放大学机械设计基础课程第4次形考作业的完成报告。
本次形考的任务是设计一个简单的机械传动系统,并绘制出工程图。
2. 设计要求在本次形考中,我们需要完成以下设计要求: 1. 设计一个3级齿轮传动系统,包括主动轮、从动轮和中间轮。
2. 给定主动轮的转速,通过齿轮的传动比计算出从动轮和中间轮的转速。
3. 选择合适的齿轮规格,使传动系统的效率不低于90%。
4. 根据设计要求绘制出齿轮传动系统的工程图。
5. 根据工程图计算出齿轮的模数、齿数和齿轮直径。
6. 编写设计报告,详细描述设计过程和结果。
3. 设计过程本次设计任务中,我们首先需要确定传动比,然后选择合适的齿轮规格,最后绘制工程图并进行相关计算。
3.1 确定传动比传动比是齿轮传动系统设计中的重要参数,通过传动比能够确定主动轮、从动轮和中间轮的转速比。
传动比通常用公式表示:传动比 = N从动轮 / N主动轮 = N中间轮 / N从动轮其中,N表示转速。
根据本次任务的要求,我们假设主动轮的转速为1000 rpm,我们可以选择一个适当的传动比,例如3:2:1。
3.2 选择齿轮规格为了满足传动效率不低于90%的要求,我们需要选择合适的齿轮规格。
齿轮的传动效率与齿轮的材料、制造工艺和齿轮参数等因素密切相关。
在选择齿轮规格时,我们可以参考已有的齿轮标准,如GB/T 10095-2008《并排圆柱齿轮齿形参数》和GB/T 10096-2008《并排圆柱齿轮尺寸精度等级》等。
这些标准中包含了各种齿轮的参数,我们可以根据传动比和实际需求,选择合适的齿轮参数。
3.3 绘制工程图在选择好齿轮规格后,我们需要绘制出齿轮传动系统的工程图。
工程图是机械设计中常用的表示方法,包括主视图、剖视图、细节图等。
工程图需要按照一定的标准和规范进行绘制,如ISO 128-1、ISO 128-20等。
在绘制过程中,需要使用CAD软件进行辅助绘制,确保工程图的准确性和合理性。
江苏开放大学形成性考核作业学号************* 姓名李新松课程代码110034 课程名称机械制图评阅教师第 4 次任务共 4 次任务江苏开放大学任务内容:10-1.表面结构要求班级姓名学号1.分析上图表面结构要求标注的错误,在下图中正确标注。
2.将指定的表面结构要求标注在下图上。
10-2 极限与配合1.根据配合代号及孔、轴的上、下极限偏差,判别配合制和配合种类,并画出公差带图。
(1)(2)(3)(4)(5)2. 根据图中的标注,填写下表(只填数值)3. 标注下列图的尺寸1)2)根据零件图的标注,在装配图上注出配合代号,并填空。
轴与轴套孔是制的配合;轴套与泵体孔是制的配合。
10-3 几何公差1.用文字说明图中框格的含义回答:1. ;2. ;3. ;4 ;5.基准A的含义;6.基准A的含义。
2.将文字说明的几何公差标注在图上。
1)Ф1轴线对Ф2及Ф3轴线的同轴度公差为Ф0.012;2)Ф2和Ф3孔的圆柱度公差为0.004;3)左、右侧面对Ф1轴线的垂直度公差为0.02;4)Ф1圆柱度公差为0.005;5)右侧面相对于左侧面的平行度公差为0.008。
10-4 读零件图1.读懂轴的零件图,并回答问题。
1)零件图使用了哪些表达方法?2)指出轴向和径向主要尺寸基准。
3)哪些表面结构要求最高?哪些最低?4)说明图中几何公差的含义5)的基本偏差是多少?下偏差为多少?公差为多少?答:2.抄画零件图在A4图纸上抄画下列零件图,见后。
要求:1)抄画前要仔细阅读零件图,根据图形和尺寸想象出零件的形状与细部结构。
2)布置图时,应按图形的大小和数量先画出图形的基准线,并留出标注尺寸和注写技术要求的位置。
3)画图顺序是先画出图形,再依次标注尺寸,填写技术要求,填写标题栏。
11-1 绘制装配图班级姓名学号1.由千斤顶装配示意图和零件图,绘制千斤顶装配图参照千斤顶的装配示意图,看懂全部零件图,在根据部件的装配顺序,绘制千斤顶装配图。
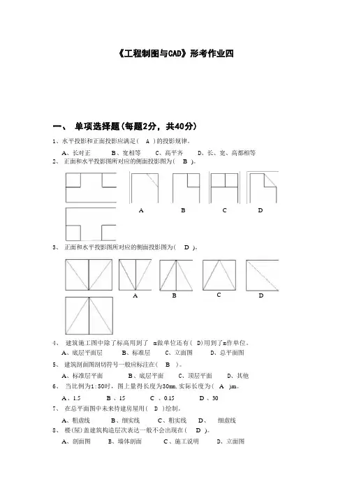
《工程制图与CAD 》形考作业四一、 单项选择题(每题2分,共40分)1、水平投影和正面投影应满足( A )的投影规律。
A 、长对正B 、宽相等C 、高平齐D 、长、宽、高都相等 2、 正面和水平投影图所对应的侧面投影图为( B )。
A B C D3、 正面和水平投影图所对应的侧面投影图为( D )。
ABCD4、 建筑施工图中除了标高用到了 m 做单位还有( D)用到了m 作单位。
A 、底层平面层 B 、标准层 C 、立面图 D 、总平面图5、 建筑剖面图剖切符号一般应标注在( B )。
A 、标准层平面B 、底层平面C 、顶层平面D 、其他 6、 当比例为1:50时,图上量得长度为30mm,实际长度为( A )m 。
A 、1.5 B 、15 C 、0.15 D 、30 7、 在总平面图中未来待建房屋用( D )绘制。
A 、粗虚线B 、细实线C 、粗实线D 、 细虚线 8、 楼(屋)盖建筑构造层次表达一般不会出现在( D )。
A 、剖面图B 、墙体剖面C 、施工说明D 、立面图9、楼层建筑平面图表达的主要内容为( A )。
A、平面形状、内部布置等 B 、梁柱等构件类型C、板的布置及配筋 D 、外部造型及材料10、结构施工图一般包括施工说明、基础图、各层结构平面图以及( B )。
A、设备图B、构件详图C、装修图 D 、门窗构造图11、下列哪个命令可以移动对象且在原位置留下一个复制对象? ( D )A 、CHANGEB 、MOVEC 、STRETCHD 、MIRROR12、如图所示,对该正六边形进行打断操作,系统要求指定第二打断点,这时输入了 @ , 然后回车结束,操作后的图形周长为? ( D )A 、0B 、600C 、599 D、在0~600中随机分配13、将如图所示的对象进行多段线编辑(PEdit),选择"闭合(C)",闭合后的图形对象面积是? (B)A 、11352.0076B 、11152.0076 C.11752.0076 D .11452.007614、如图所示的尺寸连续标注,在“尺寸标注样式管理器"中如何进行设置? ( C )A. 在"直线选项卡"中选择固定长度的尺寸线B. 在"直线选项卡"中选择固定长度的尺寸界线C. 在"直线选项卡"中设置合适的起点偏移量D. 在"直线选项卡"中设置合适的超出尺寸线长度15、如图所示将已有的尺寸标注,使用"箭头翻转"功能来调整箭头的位置,下面说法正确的是? ( D )A 、点击尺寸标注,右键,在出现的快捷菜单中点击"翻转箭头",尺寸箭头就翻转一次, 再次点击相同的位置再次翻转,直到翻转成为我们想要的结果B 、将尺寸分解后选择箭头即可C 、在"标注样式"管理器中修改D 、点击尺寸标注,右键,在出现的快捷菜单中点击"翻转箭头",箭头翻转与选择的尺 寸标注的位置有关系,翻转的箭头是离选择位置近的那个箭头16、在"文字样式"中,点击”删除”无法删除某个样式,原因是? ( A )A 、正在使用的样式B 、系统默认样式,不可以删除C 、样式都是不可以删除的D 、删除按钮为灰色,无法操作17、如图所示,图中的01.dwg 图形参照了a.dwg 、b.dwg 、c.dwg,则其中嵌套的外部参照 是? ( B )A 、a.dwg B.c 、dwg C 、01.dwg D 、b.dwg18、 为了养成良好的绘图习惯,提高绘图效率,应该在打开操作界面后首先进行( C )A 、图层设置B 、 存储路径设置C 、 图形界限设置D 、命名 19、 如图为AutoCAD 图形进行网上发布时,样板的示例,该样板为 ? ( D )网页标题图像1图像2 图像3.A 、列表加摘要B 、数组加摘要C 、缩微图像数组D 、图形列表 20、 计算机软件可分为哪几类?A 、CAD 软件、仿真软件、分析软件B 、C 语言、 FORTRAN 语言、 PASCAL 语言 C 、系统软件、支撑软件、应用软件D 、DOS 系统、 WINDOWS 系统、 UNIX 系统二、 填空题(每空2分,共20分)1、一套建筑施工图一般包括建筑首 页 图 总 平 面 图 平 面 图 、 立a.dwgb.dwgc.dwg01.dwg( C )围 像边 杠面图、剖面图、详图。
江苏开放大学形成性考核作业学号姓名课程代码110035课程名称机械设计基础(专)评阅教师第 4 次任务共 4 次任务江苏开放大学机械设计基础课程第4次形考作业作业说明:本次作业为综合大作业,涉及课程全部内容以及相关课程的内容。
要求学员综合运用课程及有关知识设计具有实用性能和一定创新性能的机构。
完成日期:评语:得分:评阅时间:评阅教师:任务内容:实用、创新机构设计根据所学知识,设计一款实用机构。
绘制出机构简图,指出说明该机构的用途,说明机构主要组成部件的功能,并指出有何创新点。
###机构一、机构简图二、机构用途三、机构主要组成部件及功能四、创新点曲柄摇杆机构一、机构简图二、机构用途该曲柄摇杆机构是栽植机构(或称移栽机构)在插秧机上统称分插机构,是插秧机的主要工作部件之一。
在机械设计中,由于曲柄机构可以很容易地把旋转运动转换成直线运动,或者把直线运动转换为旋转运动,所以,很多机械中经常采用曲柄机构。
但是,在把直线运动转换为旋转运动时,其缺点是有“死点”存在。
为了解决这个问题,要采取多种办法。
如图所示是利用简单的机构就可解决这个问题的无死点曲柄机构。
滑板与活塞杆相连接,利用滑板上的曲线形长孔及与之配合的曲柄销驱动曲柄轮转动。
在曲柄销的左右死点位置上,由于滑板的曲线形长孔的斜面与曲柄接触,所以就能消除一般曲柄机构的死点问题,曲线形长孔的倾斜方赂确定了曲柄轴的旋转方赂,并使其保持固定的旋转方向。
三、机构主要组成部件及功能1、曲柄2、栽植臂3、摇杆 4 、秧叉 5、秧门 6、秧箱 C B为摇杆 O A为曲柄曲柄摇杆式分插机构主要由曲柄、摇杆和插值臂组成。
摇杆一端连接栽植臂,另一端固定在机架上。
栽植臂是一连杆体零件,前端安装秧针。
由于摇杆的控制作用,栽植臂把曲柄的圆周运动变为分插秧的特定的曲线运动,带动秧针完成分秧、运秧、插秧和回程等动作。
工作过程由曲柄、插值臂、摇杆和机架组成的四连杆机构控制。
当曲柄随传动轴旋转时,栽植臂被驱使绕传动轴做偏心转动,后端又受摇杆控制,从而使秧针形成特定的运动轨迹,保证秧针以合适的角度进入秧门分取秧苗,并以近似于垂直方向把秧苗插入土中。
江苏开放大学形成性考核作业学号姓名课程代码110036课程名称机械制造基础评阅教师王晓华第 4 次任务共 5 次任务江苏开放大学一、判断题(对的打“√”,错的打“×”,将正确答案填写在下面的表格里)1、单件生产对工人技术要求一般。
(×)2、所有零件的加工都需划分四个加工阶段。
(√)3、浮动支承是为了增加工件的刚性和定位稳定性,并不限制工件的自由度。
(×)4、工件定位时,若定位基准与工序基准重合,就不会产生定位误差。
(×)5、辅助支承是为了增加工件的刚性和定位稳定性,并不限制工件的自由度。
(√)二、填空题12、切削工具和切削用量中的转速和进给量均不变时,所完成的那部分工序,称为一个工步。
3、生产类型可分为单件、成批、大量三类。
4、加工阶段的划分为粗加工阶、半精加工阶段、精加工阶段和5、工序的集中与分散是拟定工艺路线的两个不同的原则。
6、机械加工顺序的安排遵循的原则是:先基准面后其它、先粗后精、先主后次和先面后孔。
7、尺寸链由封闭环和组成环构成;组成环包含增环和减环。
89、端面圆跳动及三、选择题(请将正确的选项填在下表中的空格中)1、编制零件机械加工工艺规程、生产计划和进行成本核算最基本的单元是( C )。
A.工步 B.工位 C.工序 D.走刀2、在工件孔的珩磨加工中,常常采用万向联轴节连接珩磨头,以保证珩磨头有一定的浮动性,这种加工方法在定位基准选择原则上符合( B )。
A.互为基准原则 B.自为基准原则 C.先粗后精原则3、以下那种定位方式是绝对不允许的?( D )。
A.完全定位 B.过定位 C.不完全定位 D.欠定位4、平面磨削采用电磁吸盘安装工件,限制了工件的( A )个自由度。
A.3 B.4 C.5 D.65、工程上常讲的“一面两销”一般限制了工件的( D )个自由度。
A.3 B.4 C.5 D.6四、简答题1.何谓加工精度、加工误差?它们之间有何区别?答:(1)加工精度指零件加工后的实际几何参数与几何参数的符合程度;加工误差是指加工后零件的实际几何参数对理想几何参数的偏离程度;(2)加工精度和加工误差是以两个不同的角度来评定加工零件的几何参数常用加工误差的大小来评价加工精度的高低。
姓名:学号:得分:教师签名:“机械制图”作业4(本部分作业覆盖教材第5~6章的内容,要求第17周以前完成)。
1.分析下列螺纹画法上的错误,在指定的位置上画出正确的图。
(10分)(1)(2)第 1 页共36 页82.根据螺纹的规定画法绘制螺纹的主视图、左视图。
(10分) (1)外螺纹的大径为M20,杆长40螺纹长30,倒角C2。
(2)内螺纹的大径为M16,钻孔深度为30,螺纹长223.按给定的螺纹要素,在各图中标注螺纹部分的尺寸,并查表填空。
(20分)(1)粗牙普通螺纹,公称直径20,螺距2.S,中等公差精度,中径、顶径公差带代号6g,中等旋合长度,右旋.螺纹长20,倒角C 2.5。
(2)细牙普通螺纹,公称直径16,螺距1,中等公差精度,中径与顶径公差带代号均为6H,中等旋合长度,左旋。
孔深30,螺纹长22,倒角C1。
M16╳1-6H LH(3)非密封圆柱管螺纹,尺寸代号为1/4,公差等级为A级。
右旋,螺纹长18,倒角C2。
84.已知直齿圆柱齿轮模数为m=3,齿数z=20,计算齿轮的分度圆、齿顶圆和齿根圆的直径填入下表,并完成齿轮轮齿部分的投影和标注轮齿部分的尺寸。
(10分)5. 选择正确的尺寸注法。
(10分)(a )(c) (e) (g) (i)6. 选择尺寸基准,标注零件尺寸(尺寸数字由图中量取整数)。
(10分)答案:(具体标注尺寸请从打印出来的图中量取,答案中仅为参考尺寸,答案中尺寸为缩放为A4纸后打印出来的尺寸,实际纸张大小为B5)887. 表面粗糙度注写。
(20分)(1)找出表面粗糙度标注的错误,并将正确的标注在下图中。
(2)在图中标注尺寸(按1:1从图中量取尺寸数值,取整数),表中给出的Ra数值,在图中标注表面粗糙度。
答案:(具体标注尺寸请从打印出来的图中量取,答案中仅为参考尺寸,答案中尺寸为缩放为A4纸后打印出来的尺寸,实际纸张大小为B5)88. 解释配合代号的含义,并查出极限偏差数值.标注在零件图。
江苏开放大学先进制造技术形成性考核作业四及答案*名:***课程名称:先进制造技术1.制定零件工艺过程中,首先研究和确定的基准是()。
A.设计基准B.工序基准C.定位基准D.测量基准正确答案:C2.CIMS的特点是强调制造全过程的系统性和()。
A.集成性B.目的性C.整体性D.层次性正确答案: A3.自动化加工监控系统的主要任务是对( )进行监控。
A.加工过程B.机床工况C.刀具工况D.加工过程、机床及刀具工况正确答案:D4.从系统的观点来看,一般地机械制造自动化系统主要有( )等部分所构成。
A.加工系统和工件支撑系统B.加工系统、工件支撑系统、刀具支撑系统和控制与管理系统C.加工系统和刀具支撑系统D.加工系统、刀具支撑系统和工件支撑系统正确答案:B5.将制造系统中的物料及时地输送到有关设备或仓储设施处的机械制造系统的重要组成部分为( )。
A.物料系统B.控制系统C.机械加工系统D.装配系统正确答案: A6.设备柔性的大小决定于系统实现加工不同零件所需要的( )。
A.调整范围B.调整程序C.调整时间D.调整能力正确答案:C7.()是零件整个机械加工工艺过程自动化的基本问题之一,是实现零件加工自动化的基础。
A.物流供输的自动化B.加工设备的自动化C.刀具的自动化D.检测过程的自动化正确答案: A8.在不同批量下运行都有经济效益的能力为( )。
A.工艺柔性B.运行柔性C.批量柔性D.扩展柔性正确答案:C9.一个柔性制造系统的柔性越强,在功能上说,其加工能力和适应性( )。
A.越强B.越弱C.不变D.无法确定正确答案: A10.自动控制系统中传递及转换装置的作用是将指令控制装置所发出的指令信息传送到( )。
A.执行机构B.指令存储装置C.操作人员D.指令控制装置正确答案: A11.一个工艺工程中的每一个工序都实现了工序自动化,把若干个工序有机地联系起来,操作者只需对这一整个工艺过程做总的操纵和监控,这一过程通常称为( )。
电大机械制图第一次作业参考答案第一次作业覆盖教材1-2章的内容:机械制图的基本知识与技能及投影法基本知识。
这部分作业共计12个大题,现给出全部作业答案(红色)和部分作业题讲评。
1.将给出的图形抄画在右边(5分)[讲评]第一题主要是手工绘图中各种图线及尺寸线的抄画练习,完成此题时要注意绘图工具及铅笔的使用。
绘图工具包括一副三角板、圆规、橡皮等;铅笔建议用三支:其硬度分别为H、HB、B,硬度为H的铅笔通常用来画细线、箭头;硬度为HB的铅笔通常用来粗实线直线和点划线圆弧;硬度为B的铅笔通常用来画粗实线圆弧。
请辅导教师示范用两个三角板配合画平行线过程。
2.分析下列图形的特点,并注出尺寸(数值从图中量,取整数)。
(5分)(1)注出各方向的尺寸(2)注出角度(3)注出狭小部位的尺寸(4)注出各圆的直径3.尺寸标注改错:下面图形中标出正确的尺寸(5分)4.用1:1比例在指定位置画出平面图形,并标注尺寸。
(5分)[讲评]画平面图形时,一般先要分析平面图形,平面图形由那些几何要求组成;分析基准是那些要素;分析那些是已知线段,那些是中间线段,那些是连接线段。
本题作图思路:1)画φ12水平竖直中心线,R22水平中心线;2)画φ12圆、R48、R10圆弧、与R10相切的水平直线和45°直线;3)画R22圆弧先要根据其与R48内切的关系确定出R22水平方向的圆心位置后才能画R22圆弧;4)画R8、R5圆弧先根据其相邻线段两侧的关系确定出R8与R5圆弧的圆心再画圆弧。
下图画图思路与上相同。
5.将下图以2:1的比例画在A3图纸上,图名:几何作图。
(10分)[讲评]画图思路同4题。
6.将下图用AutoCAD 软件作图,并用2:1比例打印输出,图名:几何作图。
(10分)[讲评]画图思路同4题。
用AutoCAD软件作图,实际就是用计算机模拟手工画图,AutoCAD二维绘图命令、二维编辑命令、尺寸标注设置及应用的熟练程度直接影响画图的质量和速度,这道题也是上机练习的题目,建议学员在辅导教师的指导下一步一步地绘制。
最新国家开放大学电大专科《机械制造基础》形考任务4试题及答案最新国家开放大学电大专科《机械制造基础》形考任务4试题及答案形考任务四一、填空题(每空2分,共44分)题目1 工艺基准可分为下述几种:(1)装配基准,(2)测量基准,(3)工序基准,(4)定位基准。
题目2 夹紧装置的组成包括:力装置、传力机构、夹紧元件。
题目3 生产中最常用的正确的定位方式有完全定位和不完全定位两种。
题目4 零件的加工精度通常包括尺寸精度、形状精度和位置精度。
题目5 机床主轴的回转运动误差有三种基本形式,分别为径向圆跳动、轴向窜动和角度摆动。
题目6 在机械加工过程中,工件表层金属受到切削力的作用产生强烈的塑性变形,使工件表面的强度和硬度提高,塑性降低,这种现象称为加工硬化,又称冷作硬化。
题目7 加工阶段一般可划分为粗加工阶段、半精加工阶段和精加工阶段三个阶段。
题目8 确定加工余量的方法有(1)计算法,(2)经验估计法,(3)查表修正法。
二、是非判断题(每题1分,共23分)题目9 欠定位在机械加工中是不允许的。
()选择一项:对错题目10 工件的六个自由度全部被限制的定位,称为完全定位。
()选择一项:对错题目11 欠定位在一定条件下是允许的。
()选择一项:对错题目12 在一定条件下是允许采用过定位的。
()选择一项:对错题目13 固定支承在装配后,需要将其工作表面一次磨平。
()选择一项:对错题目14 夹紧力的作用点应处在工件刚性较差的部位。
()选择一项:对错题目15 夹紧力应尽可能靠近加工表面。
()选择一项:对错题目16 夹紧力的方向应有利于增加夹紧力。
()选择一项:对错题目17 根据工件的加工要求,不需要限制工件的全部自由度,这种定位称为不完全定位。
选择一项:对错题目18 固定支承在使用过程中不能调整,高度尺寸是固定不动的。
()选择一项:对错题目19 专为某一种工件的某道工序的加工而设计制造的夹具,称为组合夹具。
( ) 选择一项:对错题目20 工件加工时,采用完全定位、不完全定位都是允许的。
姓名:“机械制图〞作业4学号:得分:教师签名:〔本局部作业覆盖教材第5~6章的内容,要求第17周以前完成〕。
1.分析以下螺纹画法上的错误,在指定的位置上画出正确的图。
〔10分〕〔1〕〔2〕2.根据螺纹的规定画法绘制螺纹的主视图、左视图。
〔10分〕(1〕外螺纹的大径为M20,杆长40螺纹长30,倒角C2。
(2〕内螺纹的大径为M16,钻孔深度为30,螺纹长223.按给定的螺纹要素,在各图中标注螺纹局部的尺寸,并查表填空。
〔20分〕(1)粗牙普通螺纹,公称直径20,螺距2.S,中等公差精度,中径、顶径公差带代号6g,中等旋合长度,右旋.螺纹长20,倒角C 2.5。
螺纹大径20中径18.376螺纹小径17.294螺距 2.5导程 2.5线数 1(2)细牙普通螺纹,公称直径16,螺距1,中等公差精度,中径与顶径公差带代号均为6H,中等旋合长度,左旋。
孔深30,螺纹长22,倒角C1。
螺纹大径16中径15350螺纹小径15.917螺距1导程1线数 1(3)非密封圆柱管螺纹,尺寸代号为1/4,公差等级为A级。
右旋,螺纹长18,倒角C2。
尺寸代号1/4螺纹大径13.157中颈12.301螺纹小径11.445公差等级A螺距 1.3374.直齿圆柱齿轮模数为m=3,齿数z=20,计算齿轮的分度圆、齿顶圆和齿根圆的直径填入下表,并完成齿轮轮齿局部的投影和标注轮齿局部的尺寸。
〔10分〕5. 选择正确的尺寸注法。
〔10分〕a c d e f g j6. 选择尺寸基准,标注零件尺寸〔尺寸数字由图中量取整数〕。
〔10分〕7. 外表粗糙度注写。
〔20分〕〔1〕找出外表粗糙度标注的错误,并将正确的标注在以下列图中。
〔2〕在图中标注尺寸〔按1:1从图中量取尺寸数值,取整数〕,表中给出的Ra数值,在图中标注外表粗糙度。
8. 解释配合代号的含义,并查出极限偏差数值.标注在零件图。
〔10分〕。
国家开放大学机械制图形成性1-4参考答案已标红形成性任务41、”在剖视图中,相邻两零件的剖面线方向必须相反,任何时候都不得相同。
判断题(2 分)A、对B、错2、”螺纹紧固件上的倒角和退刀槽必须画出。
判断题(2 分)A、对B、错3、”下图中圆柱销的连接是正确的。
判断题(2 分)A、对B、错4、”在装配图中,零件序号应标注在视图的外面,并按顺时针或逆时针方向顺序排列。
判断题(2 分)A、对B、错5、”装配图中编写序号的指引线相互可以相交。
判断题(2 分)A、对B、错6、”螺柱连接中旋入端的螺纹终止线不能与结合面平齐,而应在结合面之上。
判断题(2 分)A、对B、错7、”装配图不是制造零件的直接依据。
判断题(2 分)A、对B、错8、”装配图中当标题栏上方位置不够时,可将明细栏顺序画在标题栏的左方。
判断题(2 分)A、对B、错9、”在装配图中,零件的工艺结构如倒角、圆角、退刀槽等允许省略不画。
判断题(2 分)A、对B、错10、”装配图中明细栏中零件的序号自上而下。
判断题(2 分)A、对B、错11、”在装配图中,当某个零件的形状未表示清楚而影响对装配关系的理解时,可另外单独画出该零件的某一视图。
判断题(2 分)A、对B、错12、”装配图中可以粗实线表示链传动中的链。
判断题(2 分)A、对B、错13、”当被连接零件均为薄件时,可采用双头螺柱连接。
判断题(2 分)A、对B、错14、”一张完整的装配图包括以下几项基本内容:一组视图,完整的尺寸,必要的技术要求,标题栏、零件序号和明细栏。
判断题(2 分)A、对B、错15、”键连接主视图中,键被剖切平面横向剖切,按不剖处理,为了表示键在轴上的装配情况,采取了局部剖视。
判断题(2 分)A、对B、错16、”下图关于钩头楔键的连接画法是正确的。
判断题(2 分)A、对B、错17、”在装配图中,当某些零件遮住了需要表达的结构和装配关系时,可假想沿某些零件的结合面剖切或假想将某些零件拆卸后绘制。