架桥机专项安全检查记录表
- 格式:doc
- 大小:69.01 KB
- 文档页数:4
架桥机专项检查方案一、检查主要包含以下几项内容:(一)运架设备选型论证工作安全性、适用性放在首位。
分析作业环境可能潜在的安全风险,全面了解架设方法、待架梁构造特征、桥墩(台)和路基的施工荷载、建筑物的安全净空等。
对拟投入使用的运架设备要全面了解生产厂家的资质、设计能力、制造能力、产品质量、行业信誉,审查整机结构设计方案、重要结构件安全系数、重要部件配置、安全防护装置设置等。
对重复投入使用的,还要了解设备的生产厂家、资格证明、出厂年限、已完工作量、设备履历情况、当前机况、检查维修情况等,严禁将安全风险高、适用性差的设备投入使用。
(二)运架设备使用状态评估工作重复投入使用的架桥机,要严格按照《架桥机安全规程》GB26469-2011的规定,结合生产厂家的设计要求,对架桥机设计寿命、故障频率、整机状况、已完架梁工作量、安装拆卸转场次数、出厂年限等达到规定要求的,必须进行使用状态安全评估。
安全评估机构由取得国家相关资质的单位或架桥机设计制造厂家及相关专家组成,出具使用状态安全评估报告。
未进行安全评估或安全评估未通过的,严禁投入使用。
(三)运架设备使用前整机检修、组装拆卸工作重复投入使用的运架设备组装前,必须对整机金属结构、主要零部件、安全防护装置、电气系统、液压系统进行全面检修。
编制检修方案,制定检修计划,明确检修内容、标准及方法,重点对金属结构外形、焊缝、高强连接螺栓、起重卷扬系统(吊具、钢丝绳、卷筒)、减速机、制动器、滑轮组、安全装置等进行检查维修保养。
对重要部位焊缝、受力构件必须进行探伤检测。
设备技术人员要作好过程监督,对每项检修内容完成后立即进行验收,作好验收记录。
要坚持“谁检修、谁验收、谁签字、谁负责”的原则,将责任分解落实到人。
运架设备组装调试拆卸必须编制专项施工方案,按规定进行评审,由具有安装拆卸资质的单位进行施工。
经调试、验收合格并取得安全使用证书后方能投入使用。
(四)架桥机安装安全监控管理系统严格执行国家质检总局、安全监管总局关于大型起重机械安装安全监控管理系统的要求,选择有相关资质的生产厂家,加强安装、调试、验收工作。
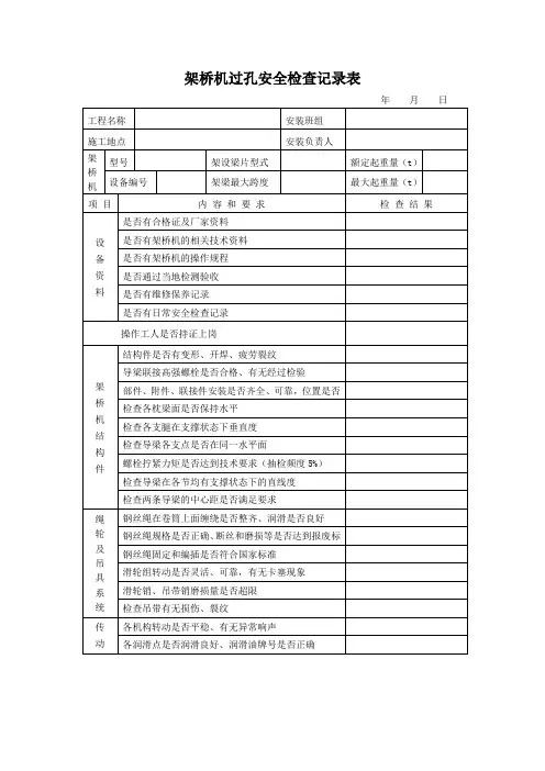
架桥机日常检查记录表
永吉高速第一合同段架桥机日常检查记录
分项工程名称序号
存在问题整改落实情况:
专职安全员:
架桥机检查日期年月日时
检查内容结论备注
1.架桥机两纵向桁架跨距、平行度高差各检查3处,发现△S=±2mm。
2.架桥机平整度水平尺检查2处,气泡居中。
3.中支点与前支点轨距检查两处,发现△W=±5mm。
4.天车受力杆件有无裂纹。
5.卷扬机钢丝绳有无断丝及变形。
6.卷扬机刹车是否良好,传动螺栓是否可靠。
7.吊索有无断丝。
8.电气线路有无老化、开裂,接头是否松动,限载、过流装置是否有效。
9.各电机连接减速机是否正常,有无防雨、接地。
10.各连接件螺栓、开口销是否完好。
11.过跨后中支点处骑马螺栓是否已固定可靠,纵移电机是否断电。
12.前横移轨道固定情况,至少有两处与盖梁固定。
13.架边梁时前、中横移是否有保险措施。
14.梁板运行中前、中支点轨道下枕木支撑变形情况。
15.架梁作业是否设有警示牌及警戒区。
特种作业人员(班长)检查并签字:
现场施工员检查并签字:
项目负责人或安全主管签字:。