形位公差的使用标注标准,实例说明,经典
- 格式:pdf
- 大小:538.36 KB
- 文档页数:4
形位公差标注示例大全一、形位公差的概念与意义1.1 形位公差的定义形位公差是指在零件加工中,用以描述零件和参考面之间的几何关系的一种技术要求。
它包括形状公差和定位公差两个部分,用于确保零件在装配或使用过程中的相互匹配、定位和运动要求。
1.2 形位公差的意义形位公差在工程制造中起着重要的作用,它可以: - 确保零件在装配过程中的互换性,提高产品的可靠性和可维护性; - 保证零件定位的精度,减少运动件之间的摩擦和磨损,提高整机的工作精度和寿命。
二、形位公差的表示方法2.1 形位公差的符号形位公差的符号采用了国际规定的公差符号系统,常见的形位公差符号有: - 圆,用于表示圆度公差; - 长方体,用于表示直线度公差; - 直线,用于表示平面度公差; - 半圆,用于表示圆柱度公差。
2.2 形位公差的数值形位公差的数值通常使用浮点数或百分数来表示,其中浮点数表示公差的绝对值,百分数表示公差的相对值。
例如,+/-0.05表示公差的绝对值为0.05,而+/-5%表示公差的相对值为5%。
2.3 形位公差的位置形位公差的位置可以通过在零件上标注公差符号来表示,常见的标注方法有: 1. 在零件上直接标注公差符号和数值; 2. 在零件图纸上使用标注线和箭头来指示公差位置; 3. 使用辅助尺寸线来标注公差的位置。
三、形位公差的示例3.1 位置公差示例以下是几种常见的位置公差示例: 1. A-B-C 垂直度公差: 0.05 mm 2. A-B 平行度公差: 0.03 mm 3. A-B-C 孔中心位移公差: 0.1 mm3.2 形状公差示例以下是几种常见的形状公差示例: 1. A 圆度公差: 0.04 mm 2. A 平面度公差: 0.02 mm 3. A 圆柱度公差: 0.03 mm3.3 定位公差示例以下是几种常见的定位公差示例: 1. A-B-C 平行定位公差: 0.05 mm 2. A-B-C 垂直定位公差: 0.03 mm 3. A-B-C 同心度公差: 0.02 mm四、形位公差标注的注意事项4.1 符号与数值的一致性在形位公差标注中,公差符号和数值应相互一致,不得产生歧义,以确保正确理解和解读。
形位公差标注示例大全形位公差标注是机械制图中常用的一种标注方法,用于表示零件的形状、位置和尺寸等方面的要求。
形位公差标注示例大全包括了各种形位公差标注的示例,可以帮助机械工程师更好地理解和应用形位公差标注。
1. 直线度公差标注示例直线度公差是用于表示直线的偏差程度的一种公差。
直线度公差标注示例中,一般用一条直线和两个箭头表示,箭头的长度表示公差的大小。
例如,一条长度为100mm的直线,直线度公差为0.1mm,则标注为“100±0.1”。
2. 圆度公差标注示例圆度公差是用于表示圆形的偏差程度的一种公差。
圆度公差标注示例中,一般用一个圆形和两个箭头表示,箭头的长度表示公差的大小。
例如,一个直径为50mm的圆形,圆度公差为0.05mm,则标注为“Ø50±0.05”。
3. 平面度公差标注示例平面度公差是用于表示平面的偏差程度的一种公差。
平面度公差标注示例中,一般用一个矩形和两个箭头表示,箭头的长度表示公差的大小。
例如,一个长为200mm、宽为100mm的矩形,平面度公差为0.1mm,则标注为“200×100±0.1”。
4. 垂直度公差标注示例垂直度公差是用于表示两个平面之间的垂直程度的一种公差。
垂直度公差标注示例中,一般用两个相交的直线和两个箭头表示,箭头的长度表示公差的大小。
例如,两条相交的直线,垂直度公差为0.05mm,则标注为“⊥±0.05”。
5. 同轴度公差标注示例同轴度公差是用于表示两个圆形轴线之间的偏差程度的一种公差。
同轴度公差标注示例中,一般用两个圆形和两个箭头表示,箭头的长度表示公差的大小。
例如,两个直径分别为50mm和60mm的圆形,同轴度公差为0.1mm,则标注为“Ø50/Ø60±0.1”。
6. 倾斜度公差标注示例倾斜度公差是用于表示两个平面之间的倾斜程度的一种公差。
倾斜度公差标注示例中,一般用两个相交的直线和两个箭头表示,箭头的长度表示公差的大小。
8.6.3 形位公差标注示例
形位公差的标注示例如图8.6.2-1、图8.6.2-2所示。
图8.6.2-2
图8.6.2-1
图中各符号的含义为:
框
中的○是圆度的符号,表示在垂直于轴线的任一正截面上,Ф100圆必须位于半径差为格
公差值0.004的两同心圆之间。
框
中的∥是平行度的符号,表示零件右端面必须位于距离为公差值0.01,且平行基准格
平面A的两平行平面之间。
框
中的⊥是垂直度的符号,表示零件上两孔轴线与基准平面B的垂直度误差,必须格
位于直径为公差值0.03的圆柱面范围内。
框
中的◎是同轴度的符号,表示零件上两孔轴线的同轴度误差,Ф30H7的轴线必须格
位于直径为公差值0.02,且与Ф20H7基准孔轴线A同轴的圆柱面范围内。
符号是基准代号,它由基准符号(粗短线)、圆圈、连线和字母组成。
圆圈的直径与框格的高
度相同。
字母的高度与图样中尺寸数字高度相同。
形状和位置公差的通则、定义、符号和图样表示法等,详见国家标准GB/T1182-1996、GB/T1183-1996、GB/T1184-1996和GB/T16671-1996。
形位公差标注标准《形位公差标注标准:机械制造中的精确“魔法”》嘿,你知道吗?在机械制造的奇妙世界里,形位公差标注标准就像是这个世界里的魔法咒语。
要是不懂这个标准,那制造出来的机械零件就像是一群没有纪律的小怪兽,到处惹麻烦,组装起来的机械产品可能就变成了一个随时会散架的“豆腐渣工程”,那可真是灾难现场啊!所以啊,这个标准超级重要,就像航海时的灯塔,指引着机械制造的每一个步骤,确保每个零件都能准确无误地找到自己的“岗位”,从而让整个机械系统完美地运行起来。
一、形状公差:零件形状的“塑形指南”“形状公差就像零件形状的美容师,哪里不规整就修理哪里。
”形状公差是用来限制实际要素形状变动的公差。
比如说直线度,这就好比是要求一根金属棒要像阅兵仪式上的士兵一样笔直,不能歪歪扭扭的。
如果这根金属棒是用在精密仪器的支架上,一旦直线度不达标,那就像盖房子时用了弯弯曲曲的木材做房梁一样,整个仪器可能就会摇摇欲坠。
再比如平面度,一个机械零件的表面就应该像平静的湖面一样平整,如果有坑洼起伏,那这个零件在和其他零件结合的时候,就像是两个高低不平的拼图块强行拼接,会产生各种缝隙和不匹配,那这个机械产品的密封性、稳定性可就全完蛋啦。
二、位置公差:零件之间的“社交距离”“位置公差,让每个零件都清楚自己的‘社交圈子’。
”位置公差规定了关联实际要素的方向或位置关系。
像平行度,如果两个零件需要平行安装,那这个平行度的要求就如同在马路上划分车道一样严格。
例如汽车发动机的活塞和气缸壁,活塞的运动轨迹要和气缸壁保持高度平行,要是平行度不达标,就像汽车在歪歪扭扭的车道上行驶,不但会增加摩擦,还可能导致发动机故障,这可就是个大麻烦了。
还有垂直度,想象一下高楼大厦的柱子和地面,柱子必须和地面垂直,不然大楼就会有倾斜的风险。
在机械零件中,比如一个垂直安装的轴和底座,垂直度一旦有偏差,整个机械结构就会失去平衡,就像一个人站在斜坡上想保持稳定一样困难。
三、跳动公差:旋转中的“舞步规范”“跳动公差,让零件在旋转时跳出完美的舞步。
垂直度形位公差标注
摘要:
1.垂直度形位公差的基本概念
2.垂直度形位公差的标注方法
3.垂直度形位公差的应用实例
4.结论
正文:
一、垂直度形位公差的基本概念
垂直度形位公差是指在机械加工中,对于零件的垂直方向上的形位公差要求。
它涉及到两个或两个以上的基准面或基准轴线之间的垂直度精度,通常用角度或距离来表示。
垂直度形位公差是保证零件加工质量和装配精度的重要指标,对于保证机械设备的正常运行和性能有着至关重要的作用。
二、垂直度形位公差的标注方法
在图纸上标注垂直度形位公差时,需要清晰地表达出被测要素与基准要素之间的关系。
常用的标注方法如下:
1.对于面对面的垂直度公差要求,首先用基准符号注出基准平面,并在框格内注出相应的基准字母符号。
然后将框格指引线箭头指向被测要素轮廓线或其延长线上,标注出公差值。
2.对于面对线的垂直度公差要求,首先用基准符号注出基准轴线,并在尺寸线上注出基准字母符号。
然后将框格指引线箭头沿与被测要素垂直方向指向被测要素轮廓线或其延长线上,标注出公差值。
3.对于线对面的垂直度公差要求,被测要素为直线(轴线),基准要素为平面。
此时轴线作为被测要素,它可沿360 度方向标注公差值。
三、垂直度形位公差的应用实例
在机械加工中,垂直度形位公差被广泛应用于各种零件的加工和装配中,如机床工作台的上平面与侧面、曲轴的左侧曲柄上的凸台端面等。
这些零件的垂直度形位公差直接影响到设备的性能和寿命。
形位公差标注方法
嘿,你知道形位公差标注方法吗?那可是超重要的呢!标注形位公差,第一步得确定要标注的要素,这就像在茫茫人海中找到那个特别的人一样。
你想想,要是找错了要素,那可就乱套啦!然后呢,根据要素的特征选择合适的公差类型,这就好比给不同性格的人安排合适的工作,得精准匹配才行。
标注的时候一定要仔细认真,稍微有点马虎就可能导致大问题。
这就像走钢丝一样,得小心翼翼,不然一不留神就掉下去啦!那安全性和稳定性咋保证呢?标注准确了,零件的配合才能更紧密,机器运转起来才更稳定可靠。
要是标注错了,说不定啥时候就出故障了,那可就糟糕透顶啦!
形位公差标注方法在很多场景都大有用处呢!比如机械制造中,能确保零件的精度和质量。
这就像给机器穿上了合身的衣服,既好看又好用。
它的优势可不少,能提高生产效率,减少废品率。
你说棒不棒?
咱来看看实际案例,有个工厂在生产汽车零件的时候,严格按照形位公差标注方法来做,结果生产出来的零件质量超棒,汽车的性能也大大提升。
这就像给汽车装上了强大的心脏,跑得又快又稳。
形位公差标注方法真的超重要,能让我们的生产更精准,产品更可靠。
大家一定要重视起来呀!。
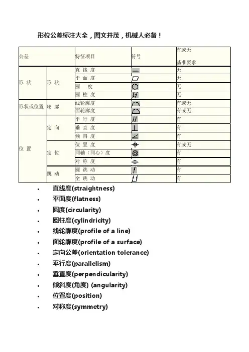
形位公差标注大全,图文并茂,机械人必备!基准要求无无无无有或无有或无有有有有或无有有有有•直线度(straightness)•平面度(flatness)•圆度(circularity)•圆柱度(cylindricity)•线轮廓度(profile of a line)•面轮廓度(profile of a surface)•定向公差(orientation tolerance)•平行度(parallelism)•垂直度(perpendicularity)•倾斜度(角度) (angularity)•位置度(position)•对称度(symmetry)•同轴度(同心度) (concentricity) •圆跳动(circular runout)•全跳动(total runout)形位公差值的选择总的原则:在满足零件功能的前提下,选取最经济的公差值。
◆根据零件的功能要求,考虑加工的经济性和零件的结构、刚性,按表确定要素的公差值。
并考虑以下因素:◆同一要素给出的形状公差应小于位置公差值;◆圆柱形零件的形状公差值(轴线的直线度除外)应小于其尺寸公差值;如同一平面上,平面度公差值应小于该平面对基准的平行度公差值。
◆平行度公差值应小于其相应的距离公差值。
◆表面粗糙度与形状公差的大概的比例关系:通常,表面粗糙度的Ra值可取为形状公差值的(20%~25%)。
◆对于以下情况,考虑到加工的难易程度和除主参数以外的其它因素的影响,在满足零件功能的要求下,适当降低1~2级选用:○孔相对于轴;○细长比较大的轴和孔;距离较大的轴和孔;○宽度较大(大于1/2长度)的零件表面;○线对线和线对面的相对于面对面的平行度、垂直度公差。
End。
14个形位公差标注示例形位公差是机械加工中常用的一种公差,它描述了零件的形状、位置、方向等重要特征的允许偏差范围。
在机械制造过程中,正确地使用形位公差标注是非常重要的,可以保证零件的质量和精度,以及加工过程中的安全和效率。
下面我们就来看看14个形位公差标注示例,了解其具体的涵义和使用方法。
1. 圆度公差:在一个圆的圆周上,所有点到圆心的距离与圆心到圆心线的距离之间的最大允许偏差。
圆度公差是描述圆形轮廓的重要参数,它可以衡量圆形的精确程度和对称性。
在标注时,需要使用“⊙”符号和数值表示公差值。
2. 平面度公差:在一个平面区域内,所有点到基准面的距离之间的最大允许偏差。
平面度公差是描述一个平面的精度和平整度的重要参数。
在标注时,需要使用“□”符号和数值表示公差值。
3. 全距公差:一个特定特征的最大和最小允许偏差之间的距离。
全距公差是一种直接描述尺寸范围的公差,适用于需要精确控制零件尺寸的场合。
在标注时,需要使用双竖线符号“||”和数值表示公差值。
4. 垂直度公差:一个特定平面与基准面垂直的程度,即所有点到平面的距离之间的最大偏差。
垂直度公差可以确保零件的垂直性和平整性,是制造精密零件必备的公差。
在标注时,需要使用“⊥”符号和数值表示公差值。
5. 圆度偏差公差:圆轴心线和旋转体公用中心轴线的圆度椭圆的最大允许偏差。
圆度偏差公差是用来描述轴向运动的圆形零件精度的公差。
在标注时,需要使用“M”符号和数值表示公差值。
6. 平坦度偏差公差:沿公用中心轴线平行移动的平面的偏差,即所有点到平面的距离之间的最大允许偏差。
平坦度偏差公差是用来描述面和平面轴线精度的公差。
在标注时,需要使用“L”符号和数值表示公差值。
7. 中心线偏差公差:平行于中心线的某个平面和公用中心轴线之间的最大偏差。
中心线偏差公差是用来描述两个平面之间精度的公差。
在标注时,需要使用“C”符号和数值表示公差值。
8. 垂直线偏差公差:与工件表面垂直的线在公用中心轴线上的偏差。
形位公差的标注及解释
哎呀,这“形位公差”到底是啥呀?我一开始听到这个词的时候,那脑袋里简直就是一团乱麻!就好像我面对一堆怎么也拼不好的拼图一样,完全摸不着头脑。
咱先来说说这形位公差的标注吧。
老师在黑板上画了好多奇奇怪怪的符号,什么直线度呀、平面度呀、圆度呀,每个符号都像是一个神秘的小密码,让我绞尽脑汁也猜不透。
我就想,这难道是老天爷故意派来为难我们这些小学生的吗?
比如说直线度的标注,就那么一条细细的线,上面加几个小箭头,这能说明啥?我同桌小明当时就嘟囔着:“这能看懂才怪呢!”可不是嘛,这就好比让我们在没有地图的情况下找宝藏,太难啦!
再看看平面度的标注,那更是让人头疼。
一个个小格子,还有弯曲的线,这难道是在画迷宫吗?我问后面的小红:“你能看懂不?”她摇摇头,一脸的无奈,“我要是能看懂,那我不成天才啦!”
还有圆度的标注,一个小圆圈,里面还有数字和符号,这难道是在跟我们玩猜谜游戏?
老师在讲台上讲得口干舌燥,我们在下面听得云里雾里。
我忍不住想,这形位公差到底有啥用呀?为啥要让我们学这么难懂的东西?
后来老师给我们举了个例子,说如果一个机器零件的形位公差没标注好,或者不符合要求,那整个机器可能就运转不起来,就像我们身体里的一个小零件坏了,整个人都会生病一样。
这下我好像有点明白了,原来这形位公差就像是给零件们定的规矩,要是不遵守这些规矩,那可就要出大乱子啦!
经过老师这么一解释,我虽然还是觉得有点难,但至少不再像刚开始那样完全不知所措了。
所以呀,我觉得这形位公差虽然难,但只要我们认真学,多琢磨,肯定能搞明白的!毕竟,世上无难事,只怕有心人嘛!。
形位公差的标注(1)代号中的指引线箭头与被测要素的连接方法:当被测要素为线或表面时,指引线的箭头应指在该要素的轮廓线或其延长线上,并应明显地与尺寸线错开,见下图a。
当被测要素为轴线或中心平面时,指引线的箭头应与该要素的尺寸线对齐,见右图b;当被测要素为各要素的公共轴线、公共中心平面时,指引线的箭头可以直接指在轴线或中心线上,见右图c。
(2)对于位置公差还需要用基准符号及连线表明被测要素的基准要素,此时基准符号与基准要素连接的方法:当基准要素为素线及表面时,基准符号应靠近该要素的轮廓线或其引出线标注,并应明显地与尺寸线错开,见下图a。
当基准要素为轴线或中心平面时,基准符号应与该尺寸线对齐,见上图b。
当基准要素为各要素的公共轴线、公共中心平面时,基准符号可以直接靠近公共轴线或中心线标注,见上图c。
(3)当基准符号不便直接与框格相连时,则采用基准代号(点击此处查看画法)标注,其标注方法与采用基准符号时基本相同,只是此时公差框格应为三格或多格,以填写基准代号的字母,见下图。
(4)当位置公差的两要素,被测要素和基准要素允许互换时,即为任选基准时,就不再画基准符号,两边都用箭头表示,见下图。
(5)当同一个被测要素有多项形位公差要求,其标注方法又是一致时,可以将这些框格画在一起,共用一根指引线箭头,见下图。
(6)若多个被测要素有相同的形位公差(单项或多项)要求时,可以在从框格引出的指引线上绘制多个箭头并分别与各被测要素相连,见下图。
(7)如需给出被测要素任一长度(或范围)的公差值时,其标注方法见图a。
如不仅给出被测要素汪一长度(或范围)的公差值,还需给出被测要素全长(或整个要素)内的公差值,其标注方法见下图b。
Example:形位公差间的关系及取代应用国家标准GB1182~1184《形状和位置公差》包括形状公差——直线度、平面度、圆度、圆柱度、线轮廓度、面轮廓度;定向位置公差——平行度、垂直度、倾斜度;定位位置公差——同轴度、对称度、位置度;跳动——径向、斜向、端面圆跳动,径向、端面全跳动。
8.6.3 形位公差标注示例形位公差的标注示例如图8.6.2-1、图8.6.2-2所示。
图8.6.2-2图8.6.2-1图中各符号的含义为:框中的○是圆度的符号,表示在垂直于轴线的任一正截面上,Ф100圆必须位于半径差为格公差值0.004的两同心圆之间。
框中的∥是平行度的符号,表示零件右端面必须位于距离为公差值0.01,且平行基准格平面A的两平行平面之间。
框中的⊥是垂直度的符号,表示零件上两孔轴线与基准平面B的垂直度误差,必须格位于直径为公差值0.03的圆柱面范围内。
框中的◎是同轴度的符号,表示零件上两孔轴线的同轴度误差,Ф30H7的轴线必须格位于直径为公差值0.02,且与Ф20H7基准孔轴线A同轴的圆柱面范围内。
符号是基准代号,它由基准符号(粗短线)、圆圈、连线和字母组成。
圆圈的直径与框格的高度相同。
字母的高度与图样中尺寸数字高度相同。
形状和位置公差的通则、定义、符号和图样表示法等,详见国家标准GB/T1182-1996、GB/T1183-1996、GB/T1184-1996和GB/T16671-1996。
第四章形状和位置精度设计与检测要求一般理解与掌握的内容有:形位公差的基本概念、分类,公差原则中的最小实体要求与可逆要求,形位误差及其检测;要求深刻理解与熟练掌握的重点内容有:1、形位公差特征项目的名称和符号;2、形位公差在图样上的表示方法;3、形位公差带;4、公差原则;难点:公差原则,形位公差的选择。
实验六:学生根据自己的兴趣选择一种零件的形状或位置公差的检测。
学时:8学时=6学时+习题课2学时零件在加工过程中,由于工件、刀具、夹具及工艺操作等因素的影响,会使被加工零件的各几何要素产生一定的形状误差和位置误差,而几何要素的形位误差会直接影响机械产品的工作精度、运动平稳性、密封性、耐磨性、使用寿命和可装配性等。
因此,为了满足零件的使用要求,保证零件的互换性和制造经济性,在设计时应对零件的形位误差给以必要而合理的限制,即应对零件规定形状和位置公差。
形位公差标注示例解释
嘿,你知道吗,形位公差标注这玩意儿可太重要啦!就好比你要去一个陌生的地方,没有明确的指示那可不行,形位公差标注就是机械制造里的“指示牌”。
比如说,在一个零件图上,你看到了一个标注,它就像是给这个零件安上了一双“眼睛”,让我们知道它该长成啥样,该在什么位置。
咱就拿一个轴来说吧,轴的圆柱度公差标注,不就像是给轴穿上了一件合身的“衣服”嘛,它得符合那个形状要求,不能这儿鼓一块儿,那儿瘪一块儿的。
再看看位置度公差标注,哇塞,那简直就是给零件在整个“大舞台”上确定了一个专属位置,不能跑偏啦!
还有平行度公差标注,这就像是让两个平面或者两条线像好朋友一样“并肩同行”,不能歪歪扭扭。
你想想看,如果没有这些形位公差标注,那制造出来的零件不就乱套了嘛!那机器还能正常运转吗?肯定不行呀!
在实际生产中,工程师们可就得靠着这些标注来把关呢。
他们就像细心的“守护者”,确保每个零件都能达到要求。
所以啊,形位公差标注真的是超级重要的,它是保证产品质量的关键之一呢!可千万不能小瞧它呀!这就是我的观点,形位公差标注不可或缺,非常关键!。
8.6.3 形位公差标注示例形位公差的标注示例如图8.6.2-1、图8.6.2-2所示。
图8.6.2-2图8.6.2-1图中各符号的含义为:框中的○是圆度的符号,表示在垂直于轴线的任一正截面上,Ф100圆必须位于半径差为格公差值0.004的两同心圆之间。
框中的∥是平行度的符号,表示零件右端面必须位于距离为公差值0.01,且平行基准格平面A的两平行平面之间。
框中的⊥是垂直度的符号,表示零件上两孔轴线与基准平面B的垂直度误差,必须格位于直径为公差值0.03的圆柱面范围内。
框中的◎是同轴度的符号,表示零件上两孔轴线的同轴度误差,Ф30H7的轴线必须格位于直径为公差值0.02,且与Ф20H7基准孔轴线A同轴的圆柱面范围内。
符号是基准代号,它由基准符号(粗短线)、圆圈、连线和字母组成。
圆圈的直径与框格的高度相同。
字母的高度与图样中尺寸数字高度相同。
形状和位置公差的通则、定义、符号和图样表示法等,详见国家标准GB/T1182-1996、GB/T1183-1996、GB/T1184-1996和GB/T16671-1996。
第四章形状和位置精度设计与检测要求一般理解与掌握的内容有:形位公差的基本概念、分类,公差原则中的最小实体要求与可逆要求,形位误差及其检测;要求深刻理解与熟练掌握的重点内容有:1、形位公差特征项目的名称和符号;2、形位公差在图样上的表示方法;3、形位公差带;4、公差原则;难点:公差原则,形位公差的选择。
实验六:学生根据自己的兴趣选择一种零件的形状或位置公差的检测。
学时:8学时=6学时+习题课2学时零件在加工过程中,由于工件、刀具、夹具及工艺操作等因素的影响,会使被加工零件的各几何要素产生一定的形状误差和位置误差,而几何要素的形位误差会直接影响机械产品的工作精度、运动平稳性、密封性、耐磨性、使用寿命和可装配性等。
因此,为了满足零件的使用要求,保证零件的互换性和制造经济性,在设计时应对零件的形位误差给以必要而合理的限制,即应对零件规定形状和位置公差。