临时驻地建设方案(最新)解答
- 格式:doc
- 大小:1.08 MB
- 文档页数:7
引言:项目驻地及临建工程建设方案是项目实施的重要环节,它关系到项目的顺利进行和各项工作的顺利展开。
本文将详细介绍项目驻地及临建工程建设方案的内容和要点。
概述:项目驻地及临建工程建设方案是指为项目实施提供临时工作场所和设施的规划和设计,包括项目的场地选择、临时办公室、生活设施、通信设备等的建设和布置。
本文将从场地选择、临建工程规划、办公设施、生活设施和通信设备等五个大点出发,分别详细阐述各项内容。
正文内容:一、场地选择1.考虑项目的需求和地理位置,选择离项目工地较近的区域作为驻地;2.考虑周边环境,选择地势开阔、交通方便、资源丰富的地方;3.考虑未来发展,选取有潜力和可持续发展的地区。
二、临建工程规划1.对场地进行测量和分析,确定规划方案;2.制定建设计划和时间表,保证项目按时进行;3.考虑临建工程的可行性和经济性,确定材料和施工方式;4.确定临建工程的结构和功能布局,满足项目需求。
三、办公设施1.根据项目人员数量和需求,确定临时办公室的规模和布局;2.设计合理的办公区域和工位,提供良好的工作环境和条件;3.配备必要的办公设备和设施,如桌椅、电脑、打印机等;4.确保办公设施的安全性和便捷性,如防火、通风等措施。
四、生活设施1.提供员工基本的生活设施,如食堂、宿舍、洗浴等;2.设计合理的生活区域和功能布局,满足员工的生活需求;3.考虑员工的安全和舒适,提供必要的安全设备和服务;4.保证员工的生活便捷性,如临近商店、医院等配套设施。
五、通信设备1.提供可靠的通信网络,包括有线和无线通信设备;2.配备必要的办公方式和通信设备,保证项目的顺利沟通;3.考虑网络安全和数据保护,采取相应的措施;4.提供IT支持和维护,保障通信设备的正常运行。
总结:项目驻地及临建工程建设方案是项目实施中不可忽视的一环,它关系到项目的效率和顺利进行。
通过合理的场地选择、临建工程规划、办公设施、生活设施和通信设备的设计和布置,可以为项目提供良好的工作环境和条件,提高项目的成功率和效率。
施工单位工地(驻地建设)标准化建设实施方案第一节项目部(含分部、工区)建设一、项目部(含分部、工区)选址项目部选址由项目经理负责在进场前组织相关人员按照安全和管理的要求进行调查,确定选址方案后,提出书面申请经业主同意后实施。
1、安全要求(1)不受洪水、泥石流和台风威胁,避开塌方、落石、滑坡、危岩等危险地段。
(2)避开取土、弃土场地。
不能搭建在红线范围内,项目经理部离红线有200米以上的安全距离。
严禁在高危、临边、悬崖、低洼、通道、涵洞等地搭建、安置办公住所,项目经理部办公和生活用房与施工机具停放场地应适当分开。
(3)与当地民居保持一定距离,避免扰民。
避开高压线路及高大树木,与通信线路保持一定距离。
(4)必须离集中爆破区500m以上。
(5)项目办公生活区须采用封闭式管理,应有固定出入口,必须设置围墙及大门。
出入口应设置专职的保卫人员,制定专门的管理制度。
(6)租赁地方房屋作为项目部的,租赁的房屋必须符合安全要求,房屋的面积必须达到办公要求。
(7)项目部要完善消防措施,配备必要的消防器材,每个功能区都必须按有关消防要求配置消防器材及设施。
(8)必须按照《建筑防雷设计规范》相关要求做好防雷、避雷设施。
2、管理要求(1)靠近现场,方便管理,不受施工干扰。
(2)交通便利,尽量靠近公路,缩短引入线。
(3)通信方便,邮路便捷,满足业主单位办公的自动化要求。
二、项目部(含分部、工区)硬件设施标准施工单位应按照投标文件有关承诺,规范用地及场地建设。
项目部驻地除了要有便利的交通条件、通电、通水、通电话外,必须具备信息化办公管理条件。
办公、生活用房应坚固、实用、美观、隔热通风,符合招标文件及施工管理要求。
办公用房面积和办公家具必须满足规范的要求。
项目部场地必须采用20cm厚C20以上混凝土进行硬化处理,房屋进行基本装修。
1、项目部办公区、生活区及车辆、机具停放区等应设置合理,区内场地及主要道路应做硬化处理,排水设施完善,庭院适当绿化,环境优美整洁。
一、背景随着我国基础设施建设的不断推进,施工现场的临时建设需求日益增长。
为保障施工现场的有序管理,提高施工效率,确保施工安全,特制定本专项方案。
二、方案目标1. 确保临时建筑符合国家相关标准和规范要求。
2. 优化施工现场环境,提高施工效率。
3. 确保施工安全,降低施工风险。
4. 便于临时建筑拆除、回收和再利用。
三、方案内容1. 临时建筑类型及布局(1)根据施工现场实际情况,确定临时建筑类型,如宿舍、食堂、办公室、卫生间等。
(2)合理规划临时建筑布局,确保各功能区域相对独立,便于管理。
2. 临时建筑设计(1)依据相关规范和标准,进行临时建筑设计,确保结构安全、舒适、环保。
(2)充分考虑临时建筑的使用功能和美观性,提高施工人员的居住和工作环境。
3. 临时建筑材料(1)选用符合国家环保要求的建筑材料,降低施工过程中的污染。
(2)临时建筑材料的运输、储存和使用过程中,注意节约资源,减少浪费。
4. 施工安全措施(1)对临时建筑进行定期检查,确保结构安全可靠。
(2)对临时建筑内部进行防火、防盗、防电、防雷等安全设施配置。
(3)加强施工现场的安全教育培训,提高施工人员的安全意识。
5. 环境保护措施(1)加强施工现场的卫生管理,确保临时建筑内外环境整洁。
(2)对施工现场产生的废弃物进行分类处理,降低对环境的影响。
6. 拆除、回收和再利用(1)制定临时建筑拆除方案,确保拆除过程中的安全。
(2)对拆除后的材料进行分类回收,提高资源利用率。
四、实施与监督1. 由项目负责人组织,相关部门参与,共同实施本专项方案。
2. 定期对临时建筑进行检查,确保各项措施落实到位。
3. 对施工过程中出现的问题,及时进行调整和改进。
4. 加强对施工现场的监督管理,确保施工安全、环保、高效。
五、总结本专项方案旨在规范施工现场的临时建设,提高施工效率,确保施工安全。
通过实施本方案,将为施工现场创造一个良好的工作环境,为我国基础设施建设贡献力量。
目录一、临时驻地建盖总体要求 (1)(一)临时驻地选址要求 (1)(二)临时驻地建盖要求 (1)二、临时驻地布置和建设 (1)(一)临时驻地设置原则 (2)(二)临时驻地选址位置 (2)三、临时驻地布置具体情况 (3)四、临时驻地水、电布置 (8)(一)、给水、排水 (8)(二)、供电 (9)临时驻地的选址、建盖、用电专项施工方案一、临时驻地建盖总体要求(一)临时驻地选址要求1、选址要尽量避开地质灾害多发地段,冲沟、滑坡、泥石流等危险。
2、防洪标准要达到五十年水位标准及以上区域。
3、避开高压线和其他不安全因素的区域。
4、避开河道直接冲刷地带。
5、临时设施要达到环、水保要求。
6、施工任务的相对均衡和管理跨度的合理性。
(二)临时驻地建盖要求参照施工设计图,结合项目地质、地形、地貌的特点,避开地质不良地段,满足防洪要求,合理规划施工区和生活区,合理设置宿舍、食堂、饮水、厕所等生活设施;职、民工宿舍净高不得低于2.5米,每间居住人数不得超过20人,人均居住面积不得少于2.5平方米,禁止使用通铺、地铺。
二、临时驻地布置和建设(一)临时驻地设置原则按照方便施工,利于项目管理、维护高原环境的原则,专业施工队伍根据现场的实际情况及工程任务分布情况,在线路各布点附近搭建彩钢夹芯活动板房,以方便施工。
在满足生产和生活需要的同时,必须充分考虑安全、防灾、环保要求达标。
临时施工道路及取料场等使用完后,尽可能的恢复原貌和植被。
(二)临时驻地选址位置项目经理部及施工队驻地未设置在泥石流,滑坡体、洪水位以下危险区域,选在地势开阔处,并尽量租用当地闲置民居,项目经理部下设沥青拌合站、水稳拌合站、三个工区,1个工区管理部、负责本工程的具体实施。
临时驻地统计表:三、临时驻地布置具体情况1、项目经理部及施工队驻地根据工程特点及现场实际情况,本着节约用地、就近方便的原则在施工现场附近租赁或自建临时房屋驻地。
经过选址,项目经理部及工地试验室设在门当乡三村的村落内,对应主线桩号为K35+800,房屋精装修,房屋数量及面积满足项目部办公及生活需要;工地试验室用板房组建,房屋数量及建筑面积满足试验工作需要。
驻地建设、临时设施建设实施方案中铁•滨海欣城一期目录一工程概况............................................................................................... - 1 -1.1 项目简介 ...................................................................................... - 1 -1.2 自然地理特征 .............................................................................. - 1 -1.2.1 地形、地貌.......................................................................... - 1 -1.2.2 气候条件.............................................................................. - 1 -1.2.3 水文地质.............................................................................. - 1 -1.2.4 地震烈度.............................................................................. - 2 -二施工组织及资源配置......................................................................... - 2 -2.1 组织机构 ...................................................................................... - 2 -2.1.1 项目经理.............................................................................. - 2 -2.1.2 总工程师.............................................................................. - 3 -2.1.3 综合办公室工作职责 ......................................................... - 3 -2.1.4 工程技术部职责.................................................................. - 3 -2.1.5 计划合同部职责.................................................................. - 4 -2.1.6 安全环保部职责.................................................................. - 4 -2.1.7 物资设备部职责.................................................................. - 5 -2.1.8 财务部职责.......................................................................... - 5 -2.1.9 工地试验室职责.................................................................. - 6 -2.2 总体安排 ...................................................................................... - 8 -2.2.1 机械、设备和技术、管理人员的投入 ............................. - 8 -2.2.2 施工队伍的配备.................................................................. - 8 -2.3 施工总平面布置及临时工程施工方案...................................... - 8 -2.3.1 施工总平面布置原则 ......................................................... - 8 -2.3.3 试验室建设.......................................................................... - 1 -2.3.4 施工便道建设...................................................................... - 1 -2.3.5 临时用电建设...................................................................... - 1 -一工程概况1.1 项目简介本标段总建筑面积99809.96平方米,其中地上面积为78896.98平方米,地下面积20912.98平方米,最大基坑深度不超过5.5米,结构类型为框剪,包括1~10#楼,23#楼及配套用房,主要功能民用住宅及相关配套生活设施。
表 3-1临时驻地便道、场地硬化工程量表2 场地回填方案二公局宁高项目临时驻地建设方案1临时驻地分区布置说明临时驻地总占地约 250 亩,主要包括经理部办公、生活区、工人生活区、两个公路预制梁厂、一个轻轨预制梁厂、拌和站、钢筋笼加工场、钢结构加工场、下部结构 加工场。
各功能区所占面积如下表 1-1。
临时驻地位于团结圩蟹塘,回填前需先进行清淤处理,清淤深度暂按 0.5m ,250 亩清淤量约 8.34 万方。
蟹塘深约 1.5m ,清淤深度 0.5m ,则回填深度约 2.0m ,其中顶部 0.3m 厚掺 5%灰,填筑方量约 33.4 万方,土方 31.65 万方,石灰 1.75 万方。
3施工便道、场地硬化方案便道及场地硬化均采用 C25 混凝土,其中路基便道及临时驻地主便道硬化厚度 为 0.2m ,轻轨箱梁移梁通道厚度为 0.25m ,其余部位场地硬化厚度多为 0.15cm 。
具体见表 3-1。
2 场主便道113 8 0.2 904 180.83 场辅道1034 6 0.2 6204 1240.84 轻轨移梁通道0.25 17570 4392.55 公路出梁通道227 8 0.25 1816 4546 轻轨加工区283 38 0.15 10754 1613.17 公路预制、加工区0.15 16140 2421.18 拌和料仓及拌和区0.15 23345 3501.89 钢筋笼加工区158.5 46.3 0.15 7338.55 1100.810 钢结构加工区0.15 3802.4 570.3611 下部加工区0.15 5700 85512 办公、生活区0.10 14942 1494总计19204.264经理部办公、生活区方案经理部办公区面向预制厂,与主便道相邻,利用临时征地集中建设,有利于全线的统一指挥和管理。
主体办公楼为双层(共28 间办公室),并设有独立的小会议室和大会议室。
经理部生活区共92 间宿舍,工人集中生活区共168 间宿舍,管理人员及工人生活住房共260 间,共占地约28 亩,布置方式详见图4-1。
驻地建设方案一、背景介绍驻地建设是指在特定地点建立一个完善的工作和生活环境,为驻地人员提供必要的设施和服务。
驻地建设方案的目的是为了满足驻地人员的工作和生活需求,提高工作效率和生活质量。
二、目标和原则1. 目标:建设一个安全、舒适、便利的驻地,提供良好的工作和生活条件,提高工作效率和生活质量。
2. 原则:- 安全第一:确保驻地的安全性,采取必要的安全措施。
- 实用性:根据驻地人员的需求,提供实用的设施和服务。
- 环保可持续:在建设过程中,注重环境保护和资源节约,推行可持续发展。
- 经济合理:在保证质量的前提下,控制成本,实现经济效益。
三、驻地建设方案内容1. 建筑布局:根据驻地人员的数量和工作需要,设计合理的建筑布局,包括办公楼、宿舍楼、餐厅、健身房等。
确保各个功能区域之间的便利交通和合理利用空间。
2. 办公设施:提供先进的办公设施,包括电脑、打印机、复印机、会议设备等,满足驻地人员的工作需求。
3. 住宿条件:提供舒适的宿舍,每个房间配备床、衣柜、书桌等基本设施,确保驻地人员的休息和隐私需求。
4. 餐饮服务:提供多样化的餐饮选择,包括自助餐厅、咖啡厅、小吃店等,满足驻地人员的口味和营养需求。
5. 娱乐设施:建设娱乐设施,如健身房、游泳池、图书馆等,提供休闲和娱乐场所,丰富驻地人员的业余生活。
6. 交通便利:提供便捷的交通工具和交通路线,确保驻地人员的出行便利,减少时间和精力的浪费。
7. 安全措施:建立完善的安全管理体系,包括安全监控、消防设施、安全巡逻等,确保驻地人员的人身和财产安全。
8. 环境保护:注重环境保护,建设绿化带和景观区域,推行垃圾分类和资源回收,减少对环境的影响。
9. 社区服务:提供社区服务,如医疗服务、洗衣服务、维修服务等,方便驻地人员的生活需求。
四、实施计划1. 规划阶段:确定驻地建设的总体规划和设计方案,包括建筑布局、设施配置等。
2. 建设阶段:按照规划和设计方案进行建设,包括土地开发、建筑施工、设备安装等。
公路工程施工驻地建设方案一、项目背景公路工程施工驻地建设是指在公路工程施工期间,临时搭建的施工驻地,为施工人员提供生活、办公、生产等必要的设施和服务。
公路工程施工驻地的建设对于保障施工人员的工作生活条件,提高工作效率,确保施工进度,具有重要意义。
为了更好地保障公路工程施工的顺利进行,提高工程施工的效率和质量,本方案根据项目实际情况,制定了公路工程施工驻地建设方案。
二、建设方案1. 选址规划公路工程施工驻地的选址需要考虑交通便利,离工程施工点近,周边环境良好等因素。
在选择选址时,需要进行详细的规划和调研,确定最佳选址。
2. 建设布局施工驻地的建设布局要合理,满足施工人员的日常生活需求和办公生产需求。
一般包括生活区、办公区、生产区等几大区域。
生活区包括宿舍、餐厅、洗浴等设施;办公区包括办公楼、会议室、办公设备等;生产区包括仓库、机器设备等。
3. 设施设备施工驻地的设施设备需要满足基本的日常生活和办公生产需求。
应包括住宿设施、餐饮设施、卫生设施、通信设施、办公设备、生产设备等。
设施设备的选择应考虑实用性、耐用性和环保性。
4. 环境保护在施工驻地的建设过程中,要充分考虑环境保护。
建设施工驻地期间要合理规划施工,加强环境保护,减少污染。
建设完成后,要加强环境管理,保持周边环境的整洁和美观。
5. 安全保障施工驻地的安全是最重要的。
在建设过程中要严格遵守安全规范,做好安全防护工作,确保人员和设施的安全。
同时,建设施工驻地后,要定期进行安全检查和隐患排查,及时采取措施解决问题。
6. 管理服务建设施工驻地后,需要配备一定的管理人员和服务人员,进行日常管理和服务工作。
管理人员负责对施工驻地进行管理和监督,服务人员负责为施工人员提供生活和办公服务。
三、建设成本公路工程施工驻地的建设成本包括场地费、建筑费、设备费、环保费、安全费等。
根据实际情况和需求量确定具体的建设成本。
四、建设周期公路工程施工驻地的建设周期视具体选址和规模而定,一般需4-6个月完成建设工作。
施工工程项目驻地建设方案一、项目概况随着国家基础设施建设的不断发展,建筑施工工程项目数量日益增多,对驻地建设提出了更高的要求。
某公司在进行施工工程项目时,需要对驻地进行全面建设,以确保施工工程的顺利进行。
本方案旨在对项目驻地进行全面规划和建设,保障施工工程的顺利进行。
二、驻地建设方案1. 建设目标(1)满足施工工程项目的需求,提供良好的工作和生活环境。
(2)强化安全生产措施,确保施工工程的安全进行。
(3)提高使用效率,优化资源配置,降低成本。
2. 选址规划根据项目施工工程的具体要求,选择位于城市范围内的适宜地段作为项目驻地。
考虑到交通便利、环境优美、水电气等基础设施条件完备等因素,最终选址在市中心附近的工业园区内。
3. 建筑规划(1)办公区:建设面积5000平方米,包括办公室、会议室、休息室等功能区域。
(2)生活区:建设面积3000平方米,包括员工宿舍、食堂、洗浴室等区域。
4. 设施设备规划(1)办公区设施:配备办公桌椅、文件柜、电脑、打印机等办公设备。
(2)生活区设施:提供员工宿舍、餐厅、健身房、洗浴室等生活设备。
5. 环境规划(1)绿化环境:在驻地周围种植各种绿化植物,打造一个良好的生态环境。
(2)垃圾处理:设置垃圾分类回收箱,并制定垃圾处理计划,加强对垃圾的管理和处理。
6. 安全环保规划(1)安全设施:设置灭火器、应急照明、安全出口等设施,提高安全意识,并制定安全演练计划。
(2)环保设施:设置废水处理设施、废物处理点等,确保施工工程项目对环境的影响降到最低。
7. 装修装饰规划(1)办公区装修:装修风格简洁大方,选用环保材料,配备空调、照明等设施。
(2)生活区装修:装修风格舒适温馨,采用易清洁材料,配备暖气、洗衣机等生活设施。
8. 运营管理(1)邀请专业物业公司进行驻地管理,包括清洁维护、安全管理、设备维修等工作。
(2)建立健全的管理制度,包括员工出勤制度、环境管理制度、安全管理制度等。
9. 成本控制开展成本监控,针对建设过程中的各项支出进行严格管控,减少浪费提高资金利用率。
驻地建设方案引言概述:驻地建设是指为军队或其他组织提供合适的设施和环境,以满足其工作和生活需求的过程。
一个良好的驻地建设方案可以提高工作效率,提升士气,保障人员的安全和福利。
本文将从五个大点出发,详细阐述驻地建设方案的重要性和具体内容。
正文内容:1. 驻地选址1.1 地理位置:选择地理位置合适的驻地可以提供便利的交通和物资供应,同时也要考虑地理环境对人员生活和工作的影响。
1.2 安全性:选择相对安全的地区建设驻地,确保人员和设施的安全。
1.3 周边环境:考虑周边环境的生态、气候和社会文化等因素,以提供舒适的工作和生活条件。
2. 设施建设2.1 办公设施:提供适合工作的办公室、会议室和实验室等设施,以满足各种工作需求。
2.2 生活设施:为人员提供住宿、餐饮、医疗和娱乐等基本生活设施,以提高人员的生活质量和工作效率。
2.3 通信设施:建设完善的通信网络和设施,以保障人员之间的联系和信息交流。
3. 安全设施3.1 安全防护:建设安全围墙、监控系统和门禁系统等,以保护驻地的安全。
3.2 灭火设施:配置灭火器材和消防系统,以防范火灾事故的发生。
3.3 应急设施:建设应急疏散通道和应急设备,以应对突发事件。
4. 环保设施4.1 节能设施:采用节能灯具、太阳能热水器和能源管理系统等,以减少能源消耗和环境污染。
4.2 水处理设施:建设污水处理设施和雨水收集系统,以实现水资源的合理利用和环境保护。
4.3 垃圾处理设施:配置垃圾分类和处理设备,以减少垃圾对环境的污染。
5. 管理体系5.1 人员管理:建立科学的人员管理制度和流程,以确保人员的安全和工作效率。
5.2 资源管理:建立合理的资源管理制度和流程,以确保资源的合理利用和供应。
5.3 维护管理:建立设施维护制度和流程,定期维护设施,保障其正常运行。
总结:驻地建设方案的重要性不可忽视。
一个良好的驻地建设方案可以提供合适的设施和环境,以满足工作和生活需求。
在驻地选址、设施建设、安全设施、环保设施和管理体系等方面,都需要考虑细致入微的因素,以确保驻地的功能完备、安全可靠、环保可持续和管理高效。
驻地建设方案一、背景介绍驻地建设是指某个组织、机构或者企业在特定地点建立办公场所或者生产基地的过程。
驻地建设方案旨在规划和设计一个理想的办公或者生产环境,以满足组织的需求,并提供良好的工作条件和舒适的生活环境。
本文将详细介绍驻地建设方案的各个方面,包括选址、建造设计、设备配置、环境保护等内容。
二、选址1. 市场调研:根据组织的需求和发展战略,进行市场调研,了解潜在的选址候选地,并分析其优劣势。
2. 地理位置:选址应考虑交通便利性、接近主要客户或者供应商、人口密度等因素,以满足组织的运营需求。
3. 基础设施:选址时需要考虑附近的基础设施,如道路、电力、供水、通信等,以确保正常的办公和生产活动。
三、建造设计1. 功能布局:根据组织的需求和工作流程,合理规划建造的功能布局,包括办公区、生产区、会议室、歇息区等。
2. 空间利用:最大限度地利用可用空间,提高工作效率,同时考虑员工的舒适性和隐私需求。
3. 安全性:建造设计应符合相关的安全标准,包括消防安全、防盗安全、紧急疏散通道等,保障员工的人身安全。
四、设备配置1. 办公设备:根据组织的业务需求,配置适当的办公设备,如电脑、打印机、复印机、传真机等,以提高工作效率。
2. 生产设备:根据组织的生产需求,配置适当的生产设备,如机械设备、生产线、仪器仪表等,以提高生产效率和产品质量。
3. 环保设备:选用环保设备,如节能灯具、太阳能发电系统、废水处理设备等,以减少对环境的影响。
五、环境保护1. 节能减排:在建造设计和设备配置过程中,采用节能技术和设备,减少能源消耗和二氧化碳排放。
2. 废物处理:建立合理的废物分类和处理系统,包括废纸、废塑料、废电子设备等,以最大限度地减少对环境的污染。
3. 绿化环境:在驻地周围进行绿化,种植树木和花草,改善空气质量,提供员工休闲和放松的场所。
六、总结驻地建设方案是一个综合性的规划和设计过程,需要考虑组织的需求、市场条件、基础设施、建造设计、设备配置和环境保护等多个方面。
高速公路施工临时设施建设方案一、临时驻地临时驻地建设按场站标准化建设,满足安全、消防、防疫、文明施工、环保等要求,且尽可能方便施工。
办公区、生活区与施工区相互独立,并确保办公区与施工区的联络。
根据本工程的特点,拟建在K42+000道路左侧200米,准备建设临时活动彩钢板房作为本标段的项目经理部。
内设职工生活区、办公区、驻地监理办公室、工地试验室、停车场、材料库房等。
本项目临时驻地严格遵照《某自治区高速和一级公路施工标准化管理指南》关于承包人驻地标准化的要求进行建设。
二、材料堆场布置施工现场可用空间比较狭小,施工临建、材料堆放及加工场地均匀布置在拟建工程附近的空地上。
三、施工便道与取土场整修便道根据施工需要将顺线路走向修建纵向施工便道通达各施工点,保证不影响工程的进程,并安排专人养护。
经过现场调查,保证全线贯通。
全线设置施工、取土场整修便道22.5公里。
三、取土场、料场、拌合站及预制场1、全线设置取、弃土场3座,取、弃土应严格按设计要求办理,严禁乱挖、乱弃,破坏自然环境。
2、全线设置筑路材料料场。
片(碎)石:全线石料相对匮乏,运距均较远。
全线调查2 处片碎石料场,为哈克镇采石场及孟根楚鲁东采石场。
哈克镇采石场上路桩号为K0+000,料场位于哈克镇南侧采石场,储量丰富、品质优良,可开采加工各种规格碎石、片、块石,开采及运输方便,可用于路面、路基防护及桥涵工程。
现有的高等级路面及砂石路可通达,上路距离21km。
孟根楚鲁东采石场上路桩号为K46+400,料场位于哈日嘎那嘎查东侧16 公里处,储量丰富、品质优良,可开采加工各种规格碎石、片块石,开采及运输方便,可用于路面、防护及桥涵工程。
由孟根楚鲁至巴彦嵯岗三级公路通达,上路距离为16.5 公里。
砂、砂砾:全线砂砾、中粗砂材料分布在伊敏河流域及海拉尔河流域,可集中开采。
砂砾料洁净、含泥量少、储量丰富。
砂砾料场需修便道,集中开采后采用汽车运至工地。
伊敏河砂砾粒径偏细,中粗砂出材率较低,本设计中只将伊敏河砂砾作为垫层材料使用,混凝土用中粗砂采用海拉尔河砂砾料场供应,级配良好,中粗砂出材率高。
遇到房屋土地纠纷问题?赢了网律师为你免费解惑!访问>>工程建设临时用地管理办法建设项目施工和地质勘查需要临时使用国有土地或者农民集体所有的土地的,由县级以上人民政府土地行政主管部门批准。
其中,在城市规划区内的临时用地,在报批前,应当先经有关城市规划行政主管部门同意。
那么工程建设临时用地管理办法是怎样的?下面就跟赢了网小编一起来看看吧!为规范长韶娄高速公路工程建设临时用地的管理,合理利用土地资源,方便施工,保护沿线群众的切身利益,根据《中华人民共和国行政许可法》、《中华人民共和国土地管理法》、《中华人民共和国森林法》、《湖南省临时用地管理办法》、《湖南省林业条例》等法律、法规和政策,结合长韶娄高速公路工程建设的实际,特制定本办法。
一、使用临时用地的原则(一)临时用地由各县、市(区)协调指挥部会同国土、林业部门负责根据长韶娄高速公路工程在本辖区内的工程设计临时用地的总数量,按各施工单位申报的临时用地计划及时、分批次地提供。
(二)临时用地应遵循“谁使用谁负责办理手续及恢复和移交工作”的原则。
施工单位(承包人)作为临时用地使用方,需向国土、林业等主管部门办理相关法律手续,并负责恢复已使用的耕地和林地以及向县级协调指挥部办理移交工作。
(三)施工单位必须严格按照工程设计使用临时用地。
在特殊情况下,可根据施工现场的地质变化等实际情况,对临时用地的地点、土地类别、用途等,按工程需要作适当的调整。
对取土区临时用地,施工单位必须先进行勘测、实验,获得真实、准确的地质数据,防止取而不能用,用而不能全用,造成浪费临时用地。
(四)临时用地使用单位在使用临时用地时要做到尽可能保护耕地、节约用地,可以利用荒山的,不占用耕地;可利用劣地的,不占用好地。
在临时用地使用过程中,切实做好水土保持方案,防止水土流失。
(五)严禁临时用地单位与被用地单位或个人私下处理临时用地,否则,由此造成的一切后果自负。
(六)临时用地的所有费用由承包人支付:包括临时用地青苗补偿费、土地损失费、复垦保证金及国土、林地(占用林地的)审批的相关规费等费用。
工程项目临时驻地方案一、前言工程项目临时驻地是指工程施工及相应的管理人员在项目施工期间所需的办公、生活及临时停留的场所。
临时驻地的合理规划和布局对工程项目的开展和管理起到至关重要的作用。
在此背景下,本文将就临时驻地的选址、规划、建设和管理等方面进行探讨。
二、选址1. 选址原则(1)临时驻地的选址应尽量靠近施工现场,以便减少人员和物资的运输成本,提高工作效率。
(2)临时驻地周边环境应保持相对安静和整洁,便于工作人员的休息和工作。
(3)临时驻地应有足够的土地面积,方便日后的扩建和改造。
(4)临时驻地的选址应符合当地相关规划和环保要求,不影响周边的居民和环境。
2. 选址步骤(1)调研:针对工程项目的施工地点和周边环境,进行详细的市场调研和实地勘察。
(2)评估:根据调研结果,对各个潜在的选址方案进行综合评估,包括土地面积、交通便利性、环境影响等因素。
(3)申报:将评估后的选址方案提交相关部门进行申报和批准。
(4)签订合同:选定合适的临时驻地后,需与土地所有者进行合同签订,明确临时驻地的使用期限和费用等事项。
三、规划1. 布局设计(1)通用区域:包括临时办公区、生活服务区、娱乐休闲区等,方便工作人员的日常工作和生活。
(2)物资堆放区:用于存放临时驻地所需的各类物资,需有围栏和监控设施进行管理和保护。
(3)设施设备区:包括临时建筑、餐饮设施、卫生设备等,保障工作人员的基本生活需求。
2. 建筑设计(1)临时建筑:应保证建筑的安全性和舒适度,包括通风、采光、防火等要求。
(2)设施设备:要选用符合国家标准的设备和材料,确保各项设施的正常运行。
3. 环境设计(1)绿化:在临时驻地周边增加相应的绿化设施,提高工作人员的生活舒适度。
(2)环境保护:在施工和使用过程中,严格遵守环保要求,尽量减少对周边环境的影响。
四、建设1. 施工过程管理(1)组织架构:建立临时驻地的施工组织架构,明确各级责任和权限。
(2)资源调配:合理安排人力、物资、机械等资源,保证施工进度和质量。
临时驻地建设施工方案目录1. 工作背景 (2)1.1 项目介绍 (2)1.2 建设重要性 (3)1.3 相关政策依据 (5)2. 项目概述 (6)2.1 项目概况 (7)2.2 场地位置及条件 (8)2.3 项目范围与规模 (9)3. 临时驻地设计方案 (10)3.1 设计原则与目标 (11)3.2 建筑规划 (11)3.2.1 平面布局图 (13)3.2.2 立面效果 (14)3.3 结构设计 (15)3.3.1 柱梁结构 (16)3.3.2 基础类型 (18)3.4 外观设计 (18)4. 临时设施施工方案 (19)4.1 施工准备 (20)4.1.1 人员配备计划 (22)4.1.2 设备材料准备 (23)4.2 施工工艺流程 (24)4.2.1 施工步骤详解 (24)4.2.2 施工顺序 (26)4.3 施工质量控制 (26)4.4 施工安全措施 (28)5. 施工进度计划 (29)6. 施工组织与协调 (30)6.1 项目管理架构 (31)6.2 与相关部门的沟通协调 (32)6.3 紧急情况应对措施 (33)7. 安全与环境保护 (34)7.1 施工现场安全管理 (35)7.2 环境保护措施 (36)1. 工作背景面对日益增长的建设和施工需求,特别是在城市更新、基础设施项目和大型住宅开发中,临时驻地的建设显得尤为重要。
它不仅为施工团队提供了一个便捷的办公与休息场所,且在确保施工进度不受外部因素影响的同时,极大地提升了作业效率和工作环境的舒适度。
随着技术进步和国际标准的推动,临时驻地建设及其管理已经成为了新兴的管理学科,它强调可持续发展、用户体验优化以及严格的环保标准。
在确保快速建设完成临时驻地的同时,务必遵守当地的建筑法规和环境法律法规,实现经济、社会与环境的和谐共存。
尽管临时驻地建设被广泛采用,由于规划、选址、设计和施工过程中的不确定性因素,一些临时驻地项目可能会面临成本超支、安全事故频发、以及环境污染等问题。
驻地建设方案清晨的阳光透过窗帘的缝隙,洒在笔记本的键盘上,我的思绪随着键盘的敲击声逐渐飘散。
十年的方案写作经验,让我对每一个字、每一个标点都充满了敬畏。
就让我用意识流的方式,为你展现一份完整的“驻地建设方案”。
一、项目背景我们要明确项目的背景。
驻地建设,旨在为我国广大的基层干部提供一个舒适、便利的工作和生活环境。
随着国家的发展,基层干部的工作压力越来越大,他们对驻地建设的需求也日益迫切。
因此,我们此次的项目背景就是以满足基层干部需求为出发点,打造一个功能齐全、环境优美的驻地。
二、项目目标1.提升基层干部的工作效率。
通过优化驻地环境,提高办公设施,让基层干部能够更好地投入工作。
2.提高基层干部的生活品质。
驻地建设要充分考虑生活设施,让干部们在紧张的工作之余,能够享受到家的温馨。
三、项目内容1.驻地规划(1)功能分区:将驻地分为办公区、生活区、休闲区、运动区等,实现功能互补,提高使用效率。
(2)绿化景观:充分利用驻地内的空地,种植花草树木,打造优美的绿化景观,提升驻地环境。
2.办公设施(1)办公桌椅:选用符合人体工程学的办公桌椅,提高办公舒适度。
(2)办公设备:配备高效的办公设备,如电脑、打印机、复印机等,提高办公效率。
3.生活设施(1)宿舍:提供舒适、安全的宿舍,满足干部们的住宿需求。
(2)食堂:设立食堂,提供美味、营养的餐食,保障干部们的饮食健康。
(3)休闲娱乐:设置健身房、电影院、图书馆等,丰富干部们的业余生活。
4.安全保障(1)监控系统:安装高清摄像头,实现驻地的全方位监控,确保安全。
(2)消防设施:配备完善的消防设施,提高驻地的火灾防控能力。
四、项目实施1.前期筹备(1)项目调研:深入了解基层干部的需求,为项目设计提供依据。
(2)方案设计:根据调研结果,制定详细的驻地建设方案。
2.项目施工(1)招标采购:公开招标,选择具备资质的施工单位。
(2)施工监管:对施工过程进行严格监管,确保项目质量。
驻地建设方案引言概述:驻地建设方案是指为了满足特定需求,为驻扎在某一地区的组织或机构提供合适的办公和居住条件的规划和设计方案。
一个良好的驻地建设方案可以提高工作效率,改善员工居住环境,促进组织发展。
本文将从五个方面详细阐述驻地建设方案的内容。
一、地理位置选择1.1 考虑交通便利性:选择地理位置时,需要考虑交通便利性,如是否靠近主要交通枢纽、是否有便捷的公共交通系统等。
1.2 考虑地理环境:选择地理位置时,需要考虑地理环境,如是否靠近自然资源、是否有良好的气候条件等。
1.3 考虑社会环境:选择地理位置时,需要考虑社会环境,如是否靠近商业中心、是否有安全稳定的社区等。
二、建筑设计与规划2.1 办公空间规划:根据组织的需求,合理规划办公空间,包括办公室、会议室、休息区等,确保员工有舒适的工作环境。
2.2 居住空间设计:为驻扎在该地区的员工提供合适的居住空间,包括宿舍、公寓等,提供舒适的居住环境。
2.3 设施设备配置:根据组织的需求,合理配置设施设备,如网络设备、电力设备、通讯设备等,确保正常的工作和生活需求。
三、环境保护与绿化3.1 节能环保设计:在驻地建设方案中,应考虑节能环保设计,如采用可再生能源、优化建筑结构、合理配置照明设备等,减少能源消耗和环境污染。
3.2 水资源管理:合理规划水资源管理,包括收集雨水、循环利用水资源等,减少水资源的浪费。
3.3 绿化环境设计:在驻地建设方案中,应注重绿化环境设计,包括植被覆盖、景观规划等,提供良好的生态环境和员工休闲空间。
四、安全与保障4.1 安全设施建设:在驻地建设方案中,应考虑安全设施建设,包括监控系统、防火系统、安全门禁等,确保员工的人身和财产安全。
4.2 紧急应急预案:制定紧急应急预案,包括火灾、地震等突发事件的应对措施,提高员工的安全意识和应对能力。
4.3 保障设施建设:为员工提供必要的保障设施,如医疗设施、食堂、健身房等,提高员工的生活质量和工作满意度。
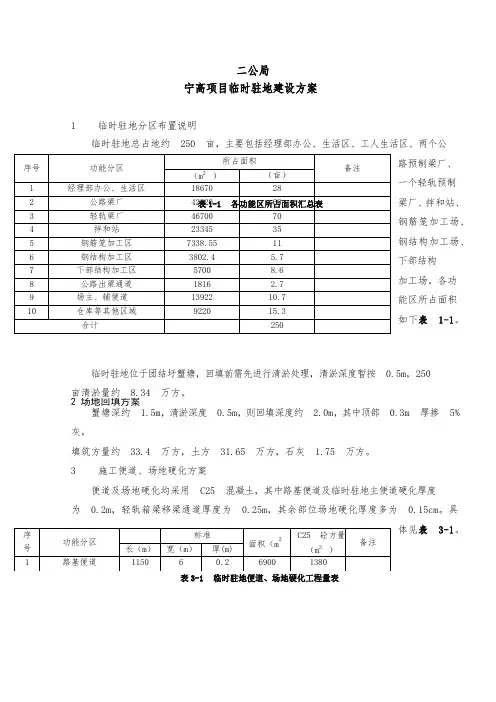
中交二公局
南京宁高项目临时驻地建设方案
1 临时驻地分区布置说明
临时驻地总占地约250亩,主要包括经理部办公、生活区、工人生活区、两个公路预制梁厂、一个轻轨预制梁厂、拌和站、钢筋笼加工场、钢结构加工场、下部结构加工场。
各功能区所占面积如下表1-1。
表1-1 各功能区所占面积汇总表
2 场地回填方案
临时驻地位于团结圩蟹塘内,回填前需先进行清淤处理,清淤深度暂按0.5m,250亩清淤量约8.34万方。
蟹塘深约1.5m,清淤深度0.5m,则回填深度约2.0m,其中顶部0.3m厚掺5%灰,填筑方量约33.4万方,土方31.65万方,石灰1.75万方。
3 施工便道、场地硬化方案
便道及场地硬化均采用C25混凝土,其中路基便道及临时驻地内主便道硬化厚度为0.2m,轻轨箱梁移梁通道厚度为0.25m,其余部位场地硬化厚度多为0.15cm。
具体见表3-1。
表3-1 临时驻地便道、场地硬化工程量表
4 经理部办公、生活区方案
经理部办公区面向预制厂,与主便道相邻,利用临时征地集中建设,有利于全线的统一指挥和管理。
主体办公楼为双层(共28间办公室),并设有独立的小会议室和大会议室。
经理部生活区共92间宿舍,工人集中生活区共168间宿舍,管理人员及工人生活住房共260间,共占地约28亩,布置方式详见图4-1。
图4-1 经理部办公、生活布置图
按照安全、实用、经济、美观、环保的原则,拟布置办公楼、升旗坛、宣传栏、食堂、浴厕、车库、球场、文化活动室、贮水池、化粪池等。
利用空地建立花坛、花园、建筑物周围种植常年绿树,以美化驻地。
按照文明施工要求,各办公室门口设姓名牌和工作去向插牌,且办公区周围设置围栏与生活区隔开。
5 公路箱梁预制厂建设方案
公路箱梁预制梁厂承担着1624片公路梁的预制工作。
设置两个公路箱梁预制厂,每个梁厂各布置30个台座(2个备用),共布置60个,台座中心间距5.0m;每个梁厂布置存梁条形基础台座841.6m,每个梁厂可存梁140榀,两个梁厂可存梁280榀。
每个梁厂:箱梁钢筋加工区布置1台10T/32m龙门吊,预制区布置2台10T/32m 龙门吊,1台120T/40m提梁龙门吊,用运梁炮车运送至施工现场。
由于公路梁厂位于蟹塘河流上,为保证水流通畅,施工时需埋设2根Φ100cm涵管,长度分为为320m和380m。
台座尺寸结构详见图5-1,预制台座布置形式见图5-3,预制台座数量表见表5-2。
图5-1 公路预制台座结构图
表5-2 公路箱梁预制厂主要工程数量表
图5-3 公路箱梁预制厂布置图
6 轻轨箱梁预制厂方案
轻轨箱梁预制梁厂承担着194片轻轨梁的预制工作。
轻轨梁厂设预制台座8个,存梁台座49个,提梁台座7个,可双层存梁49×2=98片,为防止沉降,每个台座两端基础均下设6根φ600×8mm(平均长度10m计)的打入桩。
箱梁预制厂钢筋加工区配置10T龙门吊1个,箱梁采用高低位法预制,梁厂采用用提梁机移梁,箱梁装车采用2台250T龙门吊,通过500T运梁车运至架桥机进行架设。
分段箱梁模板采用分块固定式(局部可拆卸)底模、机械可拆式整体滑移钢外模或固定钢外模、液压收缩式整体内模。
采用移梁台车移梁的相邻两台座共用一套模板。
采用搬运机移梁的相邻两台座共用一套内模,每台座均固定一套外模。
底模、侧模根据需要设置压缩量和反拱度。
内模入模用2台50t /28m龙门吊吊装,出模用卷扬机牵引纵向移出。
钢筋工程分底、腹板钢筋和桥面钢筋分别在专用绑扎胎模上绑扎成型,再通过2台50t /28m龙门吊配合用特制的吊架吊装就位拼装成型。
混凝土灌筑采用连续灌筑、一次成型,梁体混凝土在6h内灌筑完成。
带模预张拉和初张拉完成后由制梁台位通过500吨提梁机起顶搬运至存梁台位,待箱梁混凝土强度和弹性模量达到设计值,且龄期不少于10天即进行终张拉。
预应力孔道采用真空辅助压浆工艺进行孔道压浆,封锚采用C50无收缩混凝土,待达到30天存梁期后,测量箱梁徐变上拱度,经检查合格,办理箱梁出场合格证后,才允许运输架设。
7 拌和站方案
拌和站占地面积约35亩,采用15cm后C25砼进行硬化,硬化砼方量约3502m3。
拌合区配置两台180型拌和站和两台90型拌和站,拌合料仓及拌和区采用15cm厚的C25砼硬化。
配备料仓挡墙采用4.5米高,0.5m厚的砖砌挡墙,可存料约5万方砼的
砂、石料。
8 其他场地方案
⑴钢筋笼加工场地
钢筋笼加工区站地占地面积为11亩。
区内采用15cm厚的C25砼硬化,硬化砼方量约1100.8m3,加工区内配置10T龙门吊两台。
⑵钢结构加工场地
钢结构加工区占地面积为5.7亩。
区内采用15cm厚的C25砼硬化,硬化砼方量约570.36m3,加工区内配置10T龙门吊两台。
⑶下部结构加工场地。
下部结构加工区占地为8.55亩。
区内采用15cm厚的C25砼硬化,硬化砼方量约855m3,加工区内配置10T龙门吊两台。
9 供电方案
在本标段施工区设置8台变压器,其中拌和站与办公生活区共设1台800KVA变压器,公路箱梁预制厂与钢筋笼加工场共设1台800KVA变压器,轻轨箱梁预制厂与钢结构加工场共设1台800KVA变压器和1台630KVA变压器。
主栈施工区共设2台800KVA 变压器。
引桥每500m处设置一台400KVA变压器,共需设置12个400KVA变压台。
另外配备250KW柴油发电机组1台,以备停电时使用。
10 变压器及测量平台
为满足施工用电要求和测量监控要求,我部在栈桥侧每隔一公里处搭设变电器平和测量平台。
总共需搭设变压器平台6个和测量平台6个。
单个变压器平台花费钢材约22吨,单个测量平台花费钢材约23吨。
11 临建主要工程量及设备汇总
表11-1 临建主要工程量
表11-2 投入临建的设备
12其他
⑴蛇山水闸老桥为保障通行安全,需进行加固,花费约200万。
⑵在距主桥桥位约2km(当涂侧)需搭设临时码头,以满足施工过程中材料装卸要求,码头尺寸为36.6×19.2m,通过21m长的连接栈桥与大堤相接,花费钢材约500吨。
⑶施工运输材料的通道需占用大堤路面5公里,路面顶宽7m,属于X204县道。
⑷临建便道需占团结圩河水域1600 m2(涉及到河内珍珠塘的部分围网拆除),还需占用团结圩河对岸的陆地约300m2。
13附图:
⑴临时码头布置图
⑵蛇山水闸老桥加固图
⑶临建总体布置图
⑷团结圩栈桥布置图。